Abstract
The attractive features of the direct AC-AC converters increase their use in many applications such as voltage control for a heavy-duty load that has a high time constant, AC machine drives, and heating systems based on the induction process. These converters process power in single-stage having simple circuit topologies with reduced switching devices and circuit components. These characteristics lead to the efficient power conversion process. The use of a low-frequency input transformer with multiple output tapping for the regulation of output voltage and frequency is one of the major sources of cost, size, and conversion losses. The complication in the switching algorithms is also the main concern in these converters. The preceding deficiencies lower their potency to be used in daily life. The costly controllers or processors are to be employed to realize the complex control techniques or algorithms. That increases the overall cost and circuit complication. This paper introduces the simple control techniques employed to a novel transformer less multi converter to have the various ac outputs for voltage and frequency regulation. The validation of power circuit and control schemes is tested through the simulation and practical results obtained in Simulink and practical setup respectively.
1. Introduction
The power generated by the renewable energy system is processed through power converters for grid system integration. The voltage and frequency of the electrical power at the distribution level are maintained constant. But in some applications, the regulation of voltage and frequency is required according to the demand. These areas include grid or load voltage control, heating processes that depend upon the high-frequency induction phenomena, and motor speed control systems. In an electric traction system, the speed control of the induction motor is governed through the frequency regulation in step-down mode at a constant voltage. Similarly, for the induction heating process of the heating load, the grid standard or fixed frequency is to be controlled in a boost fashion. Normally these targets are achieved through AC-AC converters that regulate the characteristics of the output through voltage and frequency control. In these converters, two power conversion approaches are adopted depending on the requirements. In the first scenario, input AC power is converted to DC and then it is converted back to AC power with adjusted voltage and frequency. This power conversion approach is indirect and power converters realized through this scheme are called indirect AC-AC converters. The second approach is called direct AC-AC converters where the power conversion process is realized in a single conversion stage.
In conventional indirect power converting approaches as in [1], the first stage is rectification that transforms the grid AC power to DC that is stored in a DC link capacitor. Then this DC power is transformed to AC power with required output characteristics. The main concern in this realization is a large count of switching and passive components. The number of switching devices is decreased in the indirect converters realized with three inverter legs as pinpointed in [2]. Here, both the rectification and inversion stage share the middle leg of the converter. This approach has low conversion losses as that of the four-leg converters with the same dc-link voltage and power quality. The power quality of the output voltage is improved in the three-leg converter by increasing the output voltage levels [3,4,5,6]. These converting topologies are attractive as they have low switching voltage and improved power quality. But all these characteristics are ensured on the cost of circuit and control complication.
The issues related to a dc-link capacitor are tackled in direct AC-AC converters. These power converting topologies lower the maintenance requirements and overall system losses. Their use becomes more valuable for load or grid voltage control as they are realized with a lower number of switching units. The use of external power storage devices is also eliminated in their realization [7,8]. The direct AC-AC circuit may be realized with basic DC-DC topologies that include the buck, boost, or buck-boost. The merits of these topologies include simple circuit and control schemes but there are commutation issues due to the use of bidirectional or AC switches [9]. This problem may be tackled either by connecting the RC protection circuit across the switching units or by employing soft commutation techniques. The power losses in the RC circuit degrade the power quality of the output as they distort the outputs. The use of RC protection circuits is eliminated in some novel AC-AC power converting topologies as reported in [10,11]. But these topologies lack bipolar voltage characteristics so they can only be employed to resolve either voltage sag or swell issues. They cannot be employed as frequency controllers. Z-source structure is employed in [12,13] to ensure both polarities of the output voltage but their realization has certain drawbacks including abrupt change in voltage. Also, their size and response time increases as high-order passive components are present in the z-source circuit arrangement. These drawbacks are tackled in the converters as reported in [14,15]. They are realized without involving the RC or z-source circuit for safe commutation but their non-inverting and inverting operations are non-identical. The converters represented in [16,17] tackle the non-identical operations of the preceding converters. The converters having positive and negative voltage gain may also be employed as frequency controllers as discussed in [18]. Their power quality during inverting operation is poor as that of non-inverting operation as their operating modes are non-symmetrical. The symmetrical operating modes are obtained in [19] but this topology has the problem of high conversion losses as it can only be realized in buck-boost fashion. The conversion efficiency is improved in [20] by enabling the buck and boost operation with a voltage gain of dual polarities. The converters presented in [18,19,20] can be effectively operated in low-frequency operation but switching techniques in their high-frequency operation become complicated that reduces their potency in frequency boost operation.
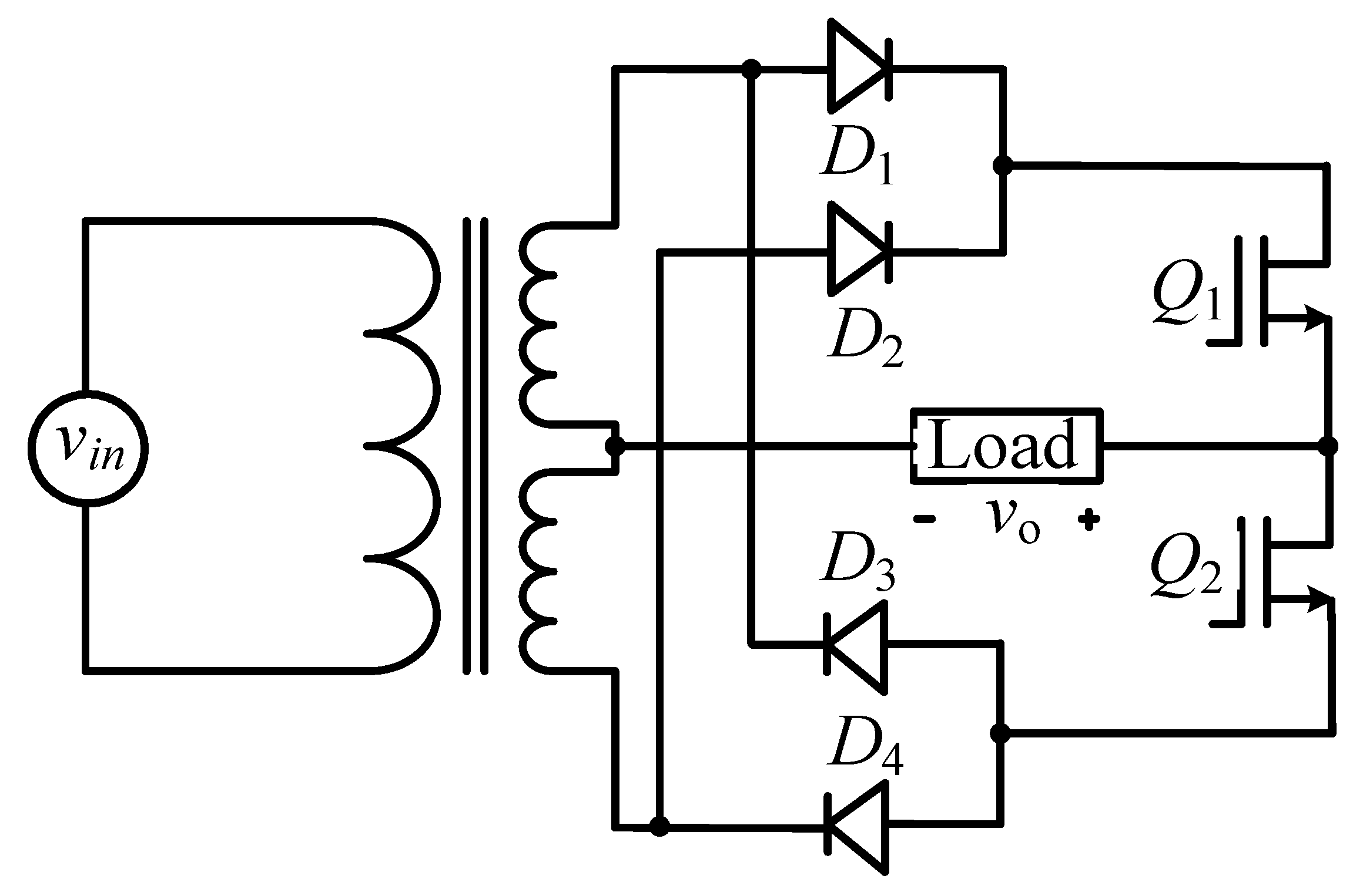
A simple switching algorithm is proposed in [21] for induction heating systems but it faces the challenge of a large number of switching units. The number of switching units is reduced in [22] with a similar switching scheme. The harmonic issues in direct ac voltage and frequency converters are reported in [23] to evaluate their performance with other power converting topologies. A compact power converting topology as depicted in Figure 1 is reported in [24] to lower the conduction losses by reducing the number of switching units.
Figure 1.
Compact power converter reported in [24].
This topology is unable to realize without a bulky center-tapped transformer that is operated at low grid frequency. Its use not only increases the overall size and cost but also leads toward the core saturation issue owing to the flow of unidirectional currents or low-frequency currents in outputs windings. Also, there is a shoot-through issue especially one output frequency requirement is much higher than that of input standard frequency due to the complementary switching structure of the controlled switching units “Q1” and “Q2.”
In viewing the above issues reported in the preceding research articles, a new transformer -less direct AC-AC power converting topology is suggested and has the following attractive characteristics.
- It has no core saturation issue and no core losses, as the proposed topology is directly connected to the grid supply. This elimination decreases the overall volume and improves conversion efficiency.
- An intermediate inductor ensures the shoot-through challenge once complementary operated switching units are turned on at the same time. The shoot-through or overlapping intervals may be employed to increase the boost factor during the frequency step-up operation.
- Any low-cost PWM controller may be employed due to the use of simple switching techniques.
- All operating modes are realized at zero voltage switching in frequency regulation modes.
For the sake of organizing this research article, Section 2 investigates the operating modes for voltage and frequency control with the help of switching signals. A comparison of the performance characteristics of the proposed topology with the existing converters is addressed in Section 3. Section 4 illustrates the effectiveness of the developed topology by using simulation and practical results. Section 5 highlights the conclusion.
2. Suggested Topology and Its Operation
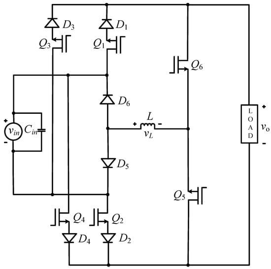
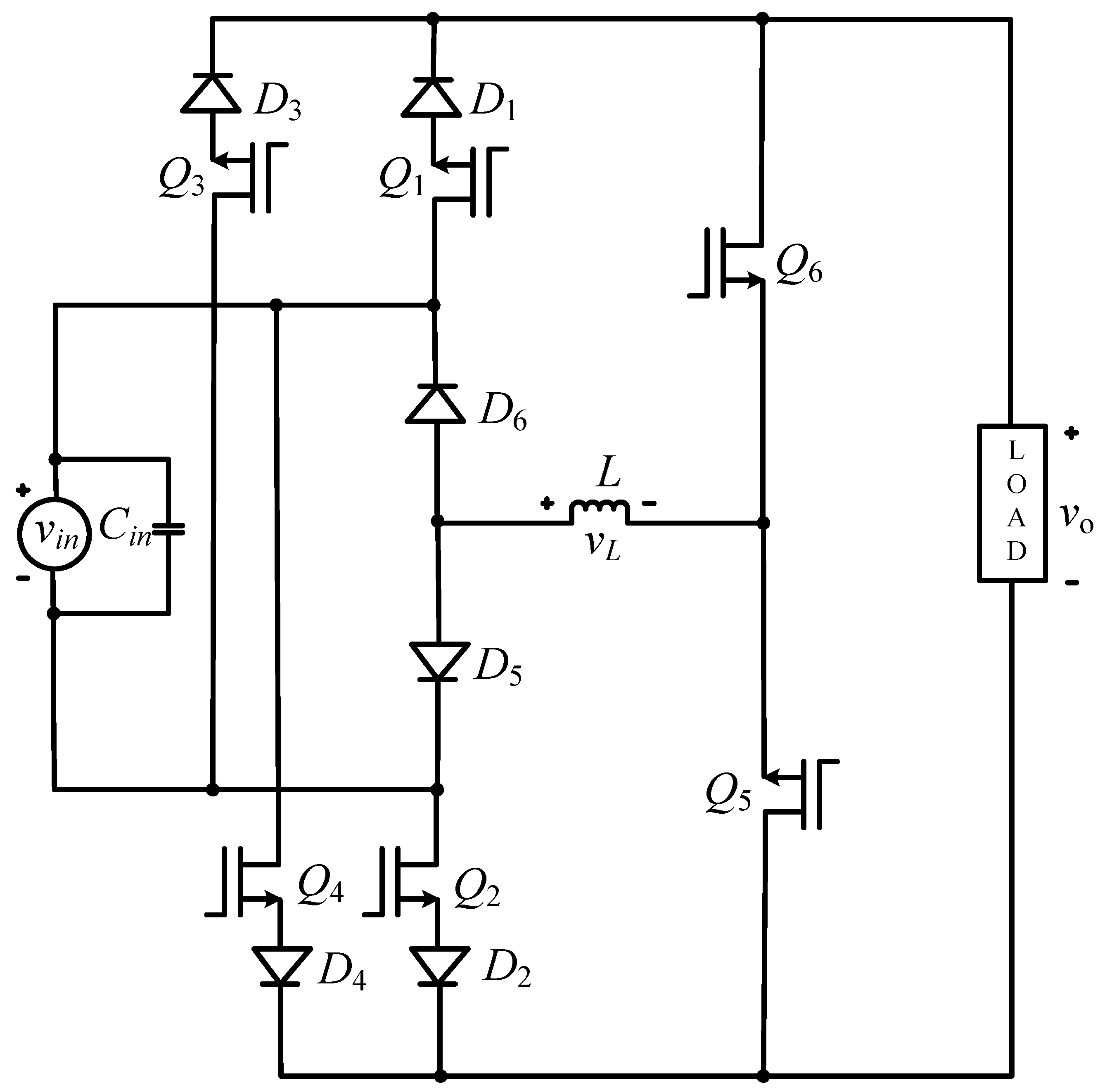
Figure 2 presents the schematic of the developed topology which is structurally quite similar to the one presented by the same authors in [22]. However, the proposed topology is being used for both low and high-frequency outputs here. It is also being employed for the output voltage regulation by using various voltage control schemes. The unwanted components or fluctuation in the supplied voltage are tackled with the help of input capacitor “Cin.” The role of the inductor “L” at the intermediate stage is to tackle the possible shoot-through challenge once controlled switching units operating in complementary mode remain due to practical constraints. Six MOSFETs are selected as switching units to have the advantage of their high switching characteristics. The series-connected diodes with the controlled switching units “Q1” to “Q4” can tackle the reverse recovery issue of their body diodes by blocking their currents. These diodes also help to simplify the switching mechanism and facilitates to increase boost factor in output frequency boost operation. There is no such issue for the controlled switching units “Q5” and “Q6” connected to the output side. So, there is no need to employ series diodes. The diodes “D5” and “D6” connected toward the input side, detect the polarity of the input voltage and becomes forward biased during the positive and negative input voltage respectively. The detail about the governance of the issue of shoot-through is discussed in the next section.
Figure 2.
Schematic view of the suggested topology.
2.1. Shoot through Elimination
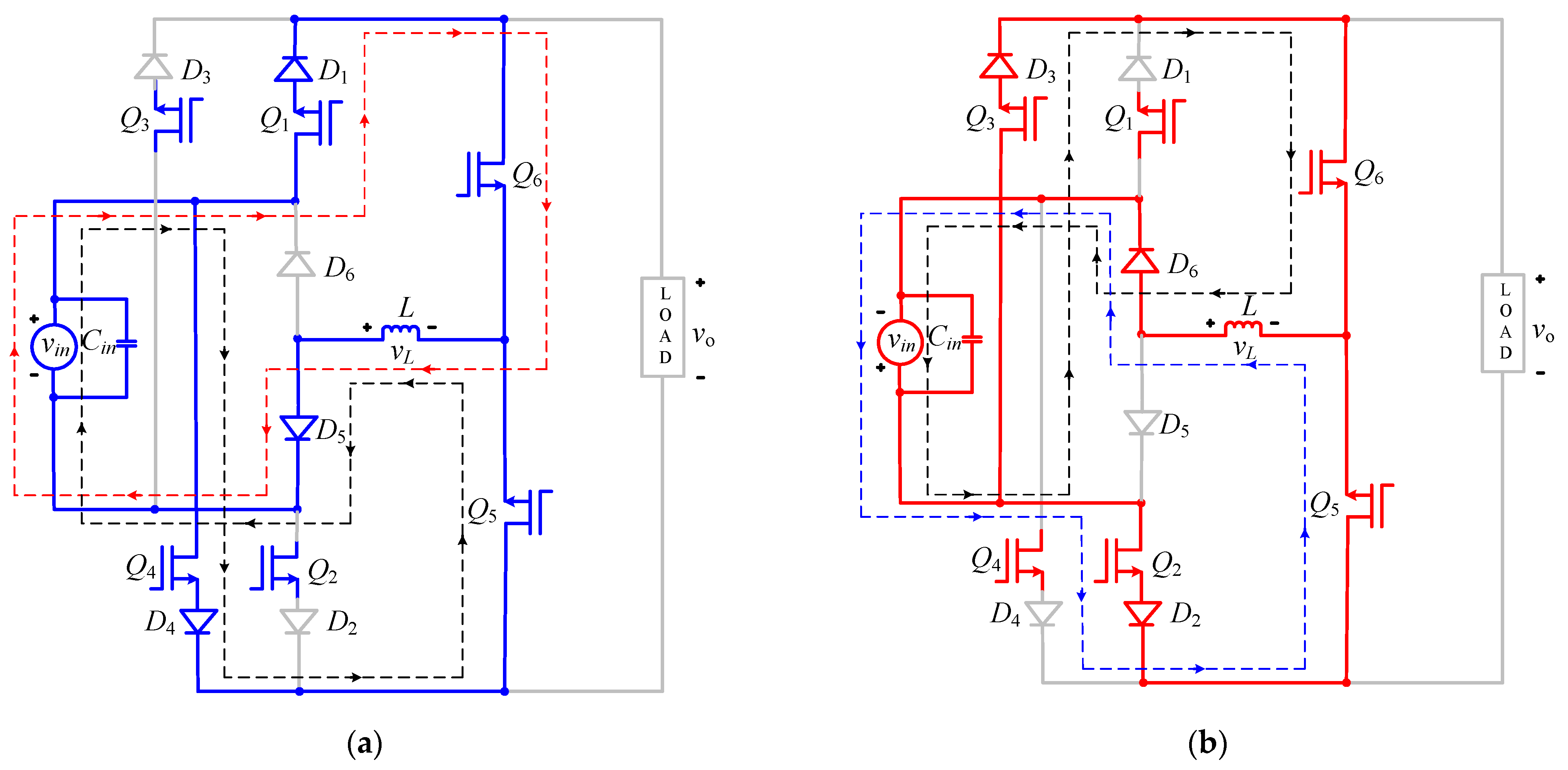
The polarity of the input voltage has an effect on its operation as well as on the output voltage gain. Therefore, the operating behavior during shoot-through intervals is discussed with respect to the polarity of the input voltage. The elimination of the shoot-through during the positive and negative inputs once all the controlled switching units are on is demonstrated with the help of all possible current loops in Figure 3a,b respectively.
Figure 3.
Currents loops during shoot-through operation for (a) positive input and (b) negative input.
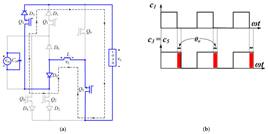
The cathodes of the diodes “D1”, “D3” and “D2”, “D4” are connected to the same node so their cathode potentials are equal. In this scenario, the diode will conduct the current if its anode voltage is greater than the anode voltage of the other diode that is cathode connected with the cathode of the first one. For example, operation during the positive input as shown in Figure 3a, the anode terminals of the diodes “D1”, “D4” and “D3” “D2” are connected to positive and negative terminal of the source respectively. In this case, the diodes “D1” and “D4” operate in forward biased mode and corresponding current loops are depicted in Figure 3a. In the same way, the anode voltage of the diodes D2, D3 and D1, D4 are positive and negative respectively as can be seen in Figure 3b. In this condition, the diodes “D1” and “D4” cannot conduct and the currents loops shown in Figure 3b are owing to the conduction of diodes “D2” and “D3.” It can also be viewed in Figure 3 that there are always two current conduction loops during the shoot-through periods that ensure the non-interruption of the inductive current. This characteristic also reduces the current rating of the semiconductor devices during shoot-through intervals. Another point can be viewed that among the six controlled switching units, there are two groups of switching transistors with three transistors in each group. The transistors of each group require the same control signal so any operating mode of the proposed topology can be realized with two switching signals only.
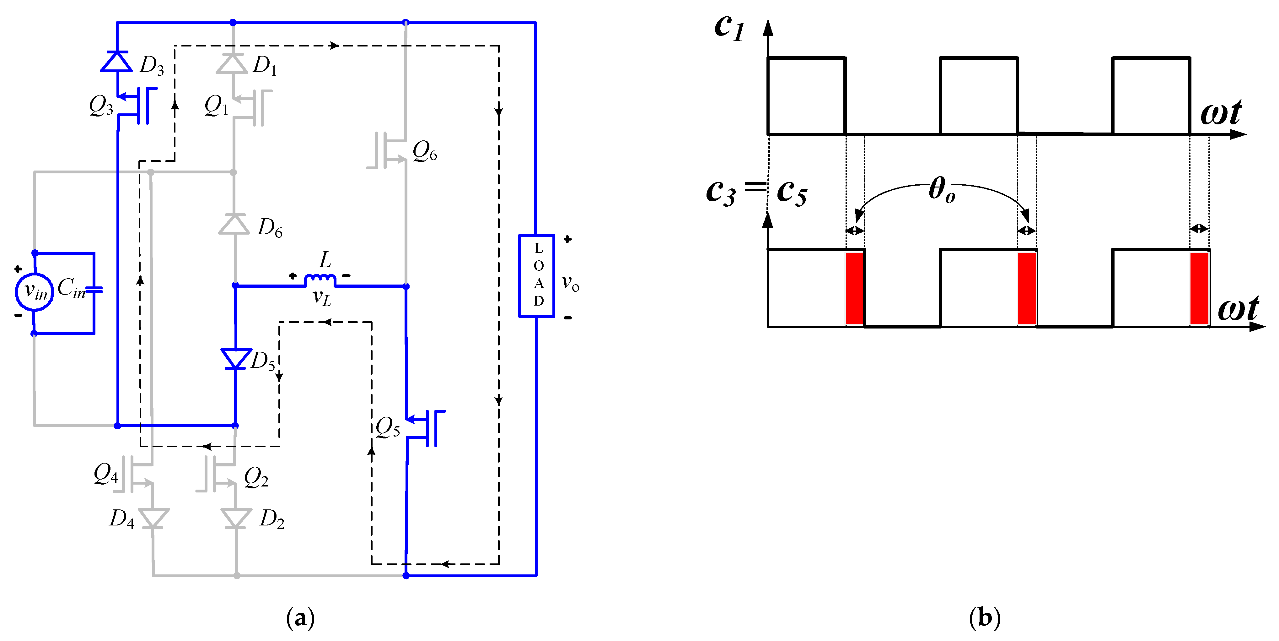
By nature, these signals are complementary and a turn-off delay angle or shoot-through angle (θo) ensures the safe operation by resolving the inductor current interruption challenge as depicted in Figure 4. The proper value of this delay can also be used to adjust the boost factor (β) in high output frequency operation as well. In this interval, the voltage across the intermediate inductor can be calculated in Equation (1) by ignoring the voltage drops in the controlled and uncontrolled switching units.
Figure 4.
Inductor current elimination through turn-off delay angle.
Similarly, the inductor voltage during the non-shoot through angle is formulated as,
The dc or average value of the inductor voltage during a conduction angle (θp) is obtained by using Equations (1) and (2).
That may be reduced to the following equation.
For low output frequency, the value of the overlapping or shoot-through angle is not comparable to the non-overlapping angle, so in those cases, the voltage gain or boost factor is approximately unity. Practically it may be less than unity due to voltage drops in the switching units. The boosting characteristics can only be achieved for some limited outputs. So, the basic role of the turn-off delay angle is to avoid the challenge of inductive voltage kicks that may be developed due to inductor current interruption.
2.2. Operating States
Various outputs can be produced from any power-converting topology if its output voltage has inverting and non-inverting characteristics for both polarities of the input voltage. Therefore, investigation of the proposed topology is explored with respect to its non-inverting, inverting, and zero-state with respect to the positive and negative input voltage.
2.2.1. Non-Inverting State
During this state, the boost factor (β) or voltage transfer ratio is always positive ensuring that output and input voltages have the same phase. It means the output voltage is positive and negative if the input voltage is positive and negative respectively. This sort of output is ensured just by connecting the load with input with any polarity of the input voltage. The switching arrangement to achieve this target can be viewed in Figure 5a that demonstrates how the controlled switching units are turned on and off to achieve this target. The controlled switching units Q1, Q3, and Q5 are turned on and off with the same type of control signal c1 (c1 = c3 = c5), and the switching control of Q2, Q4, and Q6 is ensured through c2 (c2 = c4 = c6). Although, in equal phase operation, there is no need to turn on the controlled switching units Q3 and Q4. But their control terminals are connected to switching signals to simplify the control algorithm. Their conduction is blocked by reverse biasing their series-connected diodes as their anode is connected to negative polarity during the positive and negative value of the input respectively. The current closed loops of Figure 5b,c highlight the connection of the load to the source to ensure the voltage in phase operation that is to say.
Figure 5.
Voltage non-inverting operation: (a) switching control scheme; (b) current closed-loop during positive input; (c) current closed-loop during negative input.
2.2.2. Inverting State
The operation during this state ensures inverting characteristics of the output voltage with respect to the input voltage. It means that output voltage will be negative and positive during the intervals in which the input voltage is positive and negative respectively. The gating signals to control the switching states of the controlled switching units are shown in Figure 6a. Here it can be viewed that their characteristics are reversed as compared with the switching signals of the non-inverting mode. Also, the operating states of the controlled switching units Q1, Q3, Q5 and Q2, Q4, Q6 are governed from gating signals c1(c1 = c3 = c5) and c2 (c2 = c4 = c6). The controlled switching units Q1 and Q2 are although on but their conducted current ensured zero by reverse biasing their series-connected diodes D1 and D2 as their anode are connected to the negative input voltage during its positive and negative values respectively. The closed current loops of Figure 6b,c ensure inverting outputs for any polarity of the input voltage and validate the negative voltage transfer ratio or boosting factor. This behavior of the circuit can be modeled by ignoring the internal voltage drops of the switching devices and the intermediate inductor.
Figure 6.
Voltage inverting operation: (a) switching control scheme; (b) current closed-loop during positive input; (c) current closed-loop during negative input.
2.2.3. Zero-State
This operating state is very critical due to the presence of an inductor at the intermediate state. Its presence ensures the elimination of the possible shoot-through caused by the turning on of the complementary controlled switching units. The sudden interruption of the inductor current takes place once the output is forced to change from non-inverting or inverting to zero; this change of the output at non-zero input voltage leads to the induction of the voltage or current surges that may damage switching devices. The output voltage is zero if all the controlled switching units are maintained in their off state. This is only possible if the intermediate inductor is completely de-energized. This is ensured by adding extra turn-off delays in the controlled switching units that are not directly connected to the input source. For example, during the non-inverting state of positive input voltage as illustrated in Figure 5b, the controlled switching units Q1 and Q5 are conducting to connect load with the source. In this state, although the controlled switch S3 is on, this branch is in the non-conducting state as its series-connected diode is reverse biased. The issue of inductor current interruption is resolved by adding the turn-off delays (θo) in gating signals connected to control switching units Q3 and Q5. With this arrangement of the switching signals, the controlled switch Q1 turns off before the turning off of the controlled switches Q3 and Q5. This arrangement avoids the current interruption problem of the inductor safely. Then all switching devices maintain their off states to have zero voltage at the output according to the requirement. The closed current loop with corresponding gating signals during the operation in which the output changed from non-inverting to zero-state is illustrated in Figure 7a,b respectively. A similar approach is considered a non-inverting state for negative input and inverting state both for positive and negative input voltage. The output during this state is realized as
Figure 7.
Elimination of inductor current interruption during the off state: (a) closed current loop to de-energize the inductor; (b) corresponding switching signals.
2.3. Output Voltage and Frequency Control
The regulation in the load voltage and frequency may be ensured with the help of the zero, inverting, and non-inverting states of the proposed topology. Various techniques to regulate the output voltage are discussed below.
2.3.1. Output Voltage Control
In this control, the RMS value of the output voltage is controlled at a constant standard frequency. There are various voltage control techniques including phase angle (half and full-wave control), on-off cycle control, and PWM chopping. Their switching controls are depicted in Figure 8 with respect to the input-output voltage waveforms. The output of the half-wave controller as shown in Figure 8a is obtained by operating the developed topology in zero and non-inverting states respectively during the first quarter and reset cycle of the input voltage.
Figure 8.
Output rms voltage control: (a) half-wave control; (b) full-wave control; (c) on-off cycle control; (d) PWM chopping.
The symmetrical output of Figure 8b can be achieved by alternating operating the converter in zero-state and non-inverting state in each half cycle of the input voltage. The output for the on-off cycle control as depicted in Figure 8c may be realized with the non-inverting and zero-state for one and two input cycles respectively. The behavior of the instantaneous output voltage waveforms of Figure 8a–c are mathematically explored in Equations (8) to (10) respectively.
Similarly, the PWM chopping in the output voltage can be ensured by alternate operation in non-inverting and zero states and it can be viewed from Figure 8d.
2.3.2. Output Frequency Control
The output frequency regulation in discrete steps can be achieved by operating the proposed topology in non-inverting and inverting states according to the requirements. Figure 9 and Figure 10 depict the gating control schemes for output frequency regulation realized in buck and boost mode respectively.
Figure 9.
Output step down frequency control with respect to input frequency: (a) one-half; (b) one-third; (c) one-fourth.
Figure 10.
Output step-up frequency control with respect to input frequency: (a) two times; (b) three times.
In Figure 9a–c, the frequency at the output is controlled to one-half, one-third, and one-fourth of the input respectively. The required outputs can be realized by forcing the developed circuit to operate in non-inverting and inverting states. These characteristics are ensured by setting the control signals c1 and c2 to logic high for the first and second half intervals of the output voltage. The instantaneous characteristics of the output voltage waveforms of Figure 9a–c can be mathematically realized in Equations (11) to (13) respectively.
The same control algorithm can also be employed for frequency step-up operation. Figure 10a,b shows the gating schemes to have output frequency two and three times the input frequency. For example, for the two-time output frequency realization as shown in Figure 10a, the output voltage in phase and out phase in every half cycle of the input voltage. While in the case of tree time output frequency, the voltage at the output is non-inverted and inverted two and one-time respectively in each half cycle of the input voltage.
The control input c1 is logic high once we require non-inverted input at the output while to invert the input, the control input c2 has to be set to logic high. The nature of the instantaneous output voltage of Figure 10a,b with the reference of the input voltage is mathematically depicted in Equations (14) and (15) respectively.
Negative and positive values of the instantaneous output voltage illustrate inverting and non-inverting operations.
3. Performance-Wise Comparison with Existing Topologies
The attractive features of the suggested topology may also be validated by comparing its characteristics with the existing converter as in [24] employed to have similar outputs. The transformer-less implementation is one of the major achievements of the proposed topology. This not only reduces the overall size and cost but also reduces the conversion losses as core losses are more significant than the losses caused by the semiconductor devices. The center tap transformer that is an integral part of the multi-converter reported in [24], is employed for multiple outputs. The flow of unidirectional and low-frequency current is a big issue in this type of transformer compared to a two-winding transformer. These currents normally cause the core saturation issue. The absence of an intermediate inductor in [24] may cause the shoot-through issue and switching devices may damage due to the flow of excessive current during these intervals.
The performance of the AC-AC converters may be evaluated in terms of a maximum breakover voltage (Vbr) for the switching devices, switching or chopping voltage (Vch) and currents (Ich), power factor (PF), harmonic factor (HF), switching (PS), and conduction losses (PC) as performance index parameters. The maximum breakover voltage that can be developed across the switching devices in the proposed architecture is limited only to the peak value of input voltage (Vm). The architecture of the converter [24] is implemented with a center tap transformer having two secondary windings. At any time instance, if switching devices of one secondary winding are conducting then switching elements of the other secondary winding remain in non-conducting. The maximum breakover voltage of the switching devices in this architecture is the sum of the peak voltage of the two secondary (output) windings. The same is true for the switching or chopping voltage. Therefore, the maximum breakover and switching voltage of the converter architecture in [24] is double that of the developed architecture, i.e.,
The power conversion losses of the suggested architecture include only the switching (PS) and conduction (PC) losses of operating transistors and diodes. The switching losses of the fast recovery diode can be ignored due to the low value of the reverse current and reverse recovery time. These losses for one transistor and diode are computed as.
Here, IS is the steady-state current conducted by the switching devices, fch is switching or chopping frequency, and tr and tf are the rise and fall times of the switching transistors. RT(on) is the internal resistance of the transistor during its on-state. In the same way, RD(on) and VD(on) are the on-state resistance and voltage of the forward-biased diode respectively.
The harmonic coefficients of the input current are computed to determine the power quality of the input current by computing the harmonic and power factor. They are computed with the total RMS value of the input current (Iin), input RMS current at the fundamental component (Iin(1)), and its displacement angle (). Mathematically, they are computed as
Now above-defined performance indices are numerically computed with the 160 V peak value of the input voltage. For calculation purposes, the connected load is assumed resistive. It can be observed that the peak breakover voltage of the switching devices in the proposed topology is 160 V while in [24], it is 320 V that is almost double. In the same way, the chopping or switching voltage in [24] is also double. The conversion losses in the suggested architecture only come from the conduction and switching losses while in [24], along with these losses, core losses contribute much of the conversion losses. In one PWM switching interval, there is a conduction of two transistors and two diodes, so conduction and switching losses of the proposed topology are computed as
Similarly, for the architecture in [24], there is the conduction of only one transistor and diode, so their switching and conduction losses are calculated as,
The switching losses of both architectures are the same although there is a switching of one transistor in [24] instead of two as in the suggested topology. This is due to the double chopping voltage. But the conduction losses of the power converting architecture in [24] is almost half if equal internal voltage and resistance of the switching devices are considered. But practically, these values increase with an increase in the maximum breakover and chopping voltage. It has already been pointed out that the cost and conversion losses of the suggested architecture are low due to the absence of a low-frequency transformer.
As far as the power quality is concerned, the input current in the suggested architecture is non-distorted; its power factor is high and the harmonic factor is low. But the power converting architecture reported in [24] has two secondary windings and each secondary winding is connected in series with the diode, transistor, and load. Hence it behaves as a half-wave rectifier circuit. With these characteristics, the input current of each secondary of the transformer is distorted and contains unwanted harmonics including dc component–one of the major power quality issues. This component not only contributes to the power losses but also leads to the undesirable core saturation issue. With Fourier theory, the input dc, RMS, RMS current at the required frequency and its displacement angle is computed as
Here Im is the peak value of the output or input current. It can be noted here that the dc component in the input current is compared to the total input RMS current. The numerical value of the dc component is also greater than the RMS value of the required current component. So, this component increases the core saturation potency with heavy-duty loads. With these values, the power and harmonic factor of each secondary is calculated as
The comparison of the suggested converter and power converting topology in [24] in terms of performance indices with resistive load is also explored in Table 1.
Table 1.
Comparison of the proposed topology with the converter in [24].
In summary, there is no problem with core saturation and core losses as the developed topology needs not to employ the input transformer. The intermediate inductor ensures the elimination of the shoot-through issue. The current interruption problem of the inductor is tackled by establishing two current loops in each operating mode. The developed topology may be attractive to produce multiple types of output with simplified switching schemes. Along with this, the maximum breakover and switching voltage and harmonic factor are low and the power factor is improved. These attractive features increase its workability over the converter in [24].
4. Results
The effectiveness of the suggested topology is tested with the help of the results achieved in simulation and hardware-based environments. Their detailed discussion is explored in the next two subsections.
4.1. Simulation-Based Results
For the simulation analysis, an electrical circuit as depicted in Figure 2 is developed in the Simulink environment. The internal resistances of the switching transistors and diodes are set to 0.8 and 0.06 respectively. The forward voltages of the diodes are adjusted to 1 V. A load resistance of 100 Ω is selected to adjust the switching current to a safe level with 160 V peak input. The internal resistance of the 1 mH intermediate inductor is ignored. The switching signals that are described in Section 2 for non-inverting, inverting, and zero states realization are employed to obtain simulation results for variable output voltage and frequency.
The outputs of Figure 11a,b are simulated by using non-inverting and inverting states respectively. These operating states also ensure the variable frequency realization as they are illustrated in Figure 12 and Figure 13 for low and high-frequency operation respectively. The outputs of Figure 12 depict the frequency regulation in ascending fashion. The regulation in the output frequency is ensured by inverting or non-inverting the positive and negative input voltage at the output according to the requirement.
Figure 11.
Constant frequency (50 Hz) outputs during: (a) non-inverting state; (b) inverting state.
Figure 12.
Low-frequency outputs with respect to constant input frequency (50 Hz): (a) 50/4 Hz; (b) 50/3 Hz; (c) 50/2 Hz.
Figure 13.
High frequency outputs with respect to constant input frequency (50 Hz): (a) 2(50) Hz; (b) 3(50) Hz; (c) 4(50) Hz.
In the same way, the depicted outputs of Figure 13a–c illustrate the frequency variation in ascending order with a step increase of 50 Hz. This sort of output is achieved by inverting and non-inverting the positive and negative input voltage at the output. In frequency regulation, there is no use of zero-state that eliminates the current interruption problem of the inductor. But to avoid the shoot-through issue especially for frequency boost operation, a small turn-off delay should be inserted into the switching signals that are employed to change the output state from non-inverting to inverting and vice versa.
The zero-state is mandatory to regulate the voltage at the output. Normally, for the regulation of the output RMS voltage, the non-inverting and zero states are alternatively employed. Here the care should be ensured once the operating state at the output is changed from non-inverting or in some cases inverting to zero-state. Because, during this interval, the inductor current is going to be interrupted. Especially, this will be the case for high-frequency choppers. The voltage spikes in the output voltage that are opposite to the polarity of the input voltage are inductive voltage kicks. That may appear in the output voltage once the non-inverting or inverting operating state is switched to zero-state. The severity of these voltage kicks can be eliminated with the proper selection of the turn-off delay. Practically, these delays are inherently added due to the programming delays of the Arduino platform.
This is not a serious issue for output voltage regulation with half-wave and full-wave controllers or on-off cycle controllers as non-inverting states end at zero input voltage or zero states start at zero input voltage. But in the case of PWM choppers, the non-inverting state ends or zero-state starts at non-zero input voltage. The simulated output for various voltage control schemes is illustrated in Figure 14.
Figure 14.
Output voltage control through (a) phase angle half-wave control; (b) phase angle full-wave control; (c) number of on-off cycles control; (d) PWM control.
4.2. Hardware-Based Results
A practical setup as shown in Figure 15 is built in the laboratory to compare and validate the simulation results obtained from the Simulink-based environment. IRF 840 is used as a switching transistor and soft reverse characteristics of its inherent body diode are resolved by connecting a series diode RHRG3040. This diode has fast recovery characteristics; so, the switching speed of the transistor remains unaffected. An inductor of 1 mH is used to tackle the shoot-through issue. An input capacitor of 1 µF is also employed to tackle the unwanted components or harmonics.
Figure 15.
The practical architecture of the proposed converter.
The effectively controlled turn on and off of the switching transistor is ensured by employing EXB840 as a gate-driving unit. Arduino controller is used to realizing the gating signal for switching transistors. The matching of these signals with input voltage is ensured by employing a zero-volt detection circuit. The Rigol oscilloscope facilitates the recording of the various waveforms across the load effectively. The output of the input polarity senescing circuit is shown in Figure 16. This output is logic high (5 V) and logic zero (0 V) during the positive and negative value of the input voltage respectively. The peak value of the input voltage is approximately set to 160 V with 100 Ω output resistance. This value of the input voltage and load resistance ensures the safe current level for the selected semiconductor devices.
Figure 16.
Output of the input voltage senescing circuit.
Non-inverting and inverting states are the integral requirement to employ the proposed circuit as a frequency controller. The output voltage waveforms during the operation of the developed converter in non-inverting and inverting states are shown in Figure 17a,b respectively. The power quality of these waveforms demonstrates that the suggested converter can effectively be used to have voltage in phase and out of phase operation. There are some transients in the output voltage around the zero crossing that may be due to the synchronization problem of the generated switching signals with the input voltage. This is caused by some unwanted delays introduced by the voltage sensing circuit. However, these transients are not comparable with the value of output voltage. So, they have no significant effect on the output.
Figure 17.
Standard frequency (50 Hz) outputs during: (a) non-inverting state; (b) inverting state.
The inverting and non-inverting characteristics of the output voltage are employed to vary the frequency at the output in discrete steps. Figure 18 and Figure 19 represent the low and high-frequency outputs respectively. The investigation of Figure 18a–c concludes that during the positive half period of the output, all positive half cycles and negative half cycles of input at the output are non-inverted and inverted respectively. The situation will be reversed during the negative half period of the output voltage. In this interval, all the positive half cycles of the input at the output are inverted while all negative half cycles of input at output remain non-inverted. Figure 18a–c depicts the practically obtained waveform for output frequency one-fourth, one-third, and one-half of the input frequency respectively. The one-half cycle of the output voltage of Figure 18a at 80 ms is distorted due to the flow of low-frequency components of the current in the ac power supply as it is designed at standard supply frequency.

Figure 18.
Stepping down of standard frequency (50 Hz) at the output to (a) 50/4 Hz; (b) 50/3 Hz; (c) 50/2 Hz.
Figure 19.
Stepping up of standard frequency (50 Hz) at the output to (a) 2(50) Hz; (b) 3(50) Hz; (c) 4(50) Hz.
In frequency step-up operation, the regulation in the frequency at output is ensured by operating the suggested circuit in non-inverting and inverting states according to the output frequency requirement through the cycle of the input voltage. It means that output may be inverted or non-inverted for the positive values as well as for the negative values of the input voltage. The real-time outputs recorded on the oscilloscope for output frequency regulation in step-up mode are illustrated in Figure 19a–c where the frequency at output is converted to two, three, and four times of the input frequency respectively. It can also be noted that during this operation, the output is directly changed from non-inverting to inverting and vice versa without the zero-state operation. So, there is low potency of inductor current interruption.
The regulation in the output RMS voltage can also be achieved with the help of non-inverting and zero states of the developed circuit. Figure 20a–d illustrates the RMS voltage regulation with various voltage control schemes. The investigation of these figures demonstrates that output voltage during the one cycle of the input is either zero or non-inverted. Therefore, the realization of these outputs can be achieved by applying the zero and non-inverting states. In Figure 20a the output voltage during the negative input voltage is changed from non-inverting to zero-state. There is no effect of delay caused by the voltage sensing circuit on the generation of switching signals as their values are set to logic zero to ensure the zero-state. But the effect of this delay can only be seen around the positive zero crossings of the output voltage because here non-inverting operation of the converter is changed from positive input voltage to negative input voltage without involving zero-state. It can also be viewed in Figure 20b that there is no such transient in the voltage around the positive and negative crossing of the output voltage because here the output is always changed from a non-inverting state to zero-state during each half cycle of the input voltage.
Figure 20.
RMS voltage control at the output through (a) phase angle half-wave control; (b) phase angle full-wave control; (c) a number of on-off cycles control; (d) PWM control.
As we have non-inverted, inverted, and zero states so rather than ac voltage and frequency-controlled outputs, the suggested circuit may also be employed as a single-phase half wave or full wave uncontrolled, controlled, or PWM rectifier.
5. Conclusions
This research article developed a novel transformer-less direct AC-AC converter with a simple switching control algorithm that may be employed for RMS output voltage and frequency regulation. The elimination of the low-frequency transformer at the input side not only reduces the overall size and cost but also lowers the conversion losses as core losses of a low-frequency transformer are more significant compared to the losses caused by the semiconductor devices. All operating modes of voltage or frequency control are achieved by generating the two control signals that simplify and lower the control effort. Each control input is connected to three controlled devices via the three gate drives circuits. An intermediate small inductor is connected between the input and output to avoid the possible shoot-through issue that may happen due to the complementary operation of the switching transistors. A small delay at the turn-off instant of the switching signals is added to tackle with current interruption issue of the inductor. Otherwise, that may lead to the problem of high inductive kicks due to interruption inductor current. These turn-off delays may also boost the outputs in frequency boost operation. The effectiveness of the control and circuit simplicity is proved by obtaining the results from simulation and practically based environment respectively.
Author Contributions
Conceptualization, N.A. and G.A.; data curation, G.A. and I.K.; formal analysis, N.A., I.K., and A.R.; funding acquisition, N.U.; investigation, N.A. and N.U.; methodology, G.A.; project administration, G.A.; resources, I.K. and N.U.; software, A.R.; validation, A.R.; writing—original draft, N.A.; writing—review and editing, G.A., I.K., and N.U. All authors have read and agreed to the published version of the manuscript.
Funding
This research work was supported by Taif University Researchers Supporting Project number (TURSP-2020/144), Taif University, Taif, Saudi Arabia.
Institutional Review Board Statement
Not applicable.
Informed Consent Statement
Not applicable.
Data Availability Statement
Not applicable.
Acknowledgments
The authors acknowledge the financial support from Taif University Researchers Supporting Project number (TURSP-2020/144), Taif University, Saudi Arabia. The authors are also thankful to the Department of Electrical Engineering, The University of Lahore—Pakistan for providing facilities to conduct this research.
Conflicts of Interest
The authors declare no conflict of interest.
References
- TJimichi, T.; Fujita, H.; Akagi, H. Design and Experimentation of a Dynamic Voltage Restorer Capable of Significantly Reducing an Energy-Storage Element. IEEE Trans. Ind. Appl. 2008, 44, 817–825. [Google Scholar] [CrossRef]
- Kwon, J.; Kim, K.; Kwon, B. Instant voltage compensator based on a three-leg converter. IET Power Electron. 2013, 6, 1618–1625. [Google Scholar] [CrossRef]
- Kwon, O.; Kwon, J.; Kwon, B. Highly Efficient Single-Phase Three-Level Three-Leg Converter Using SiC MOSFETs for AC–AC Applications. IEEE Trans. Ind. Electron. 2018, 65, 7015–7024. [Google Scholar] [CrossRef]
- Queiroz, A.D.P.D.; Jacobina, C.B.; De Freitas, N.B.; Maia, A.C.N.; Melo, V.F.M.B. Single-Phase AC–DC–AC Multilevel Converter Based on H-Bridges and Three-Leg Converters Connected in Series. IEEE Trans. Ind. Appl. 2018, 54, 4696–4706. [Google Scholar] [CrossRef]
- Da Costa, A.E.L.; Rocha, N.; Jacobina, C.B.; Fabricio, E.L.L. Single-Phase AC–DC–AC Three-Level Three-Leg Converter With Reduced Switch Count. IEEE Trans. Power Electron. 2019, 35, 2295–2307. [Google Scholar] [CrossRef]
- de Freitas, I.S.; Jacobina, C.B.; da Silva, E.R.C.; Oliveira, T.M. Single-Phase AC–DC–AC Three-Level Three-Leg Converter. IEEE Trans. Ind. Electron. 2010, 57, 4075–4084. [Google Scholar] [CrossRef]
- Jothibasu, S.; Mishra, M.K. An Improved Direct AC–AC Converter for Voltage Sag Mitigation. IEEE Trans. Ind. Electron. 2014, 62, 21–29. [Google Scholar] [CrossRef]
- Jothibasu, S.; Mishra, M.K. A Control Scheme for Storageless DVR Based on Characterization of Voltage Sags. IEEE Trans. Power Deliv. 2014, 29, 2261–2269. [Google Scholar] [CrossRef]
- Subramanian, S.; Mishra, M.K. Interphase AC–AC Topology for Voltage Sag Supporter. IEEE Trans. Power Electron. 2009, 25, 514–518. [Google Scholar] [CrossRef]
- Khan, A.A.; Cha, H.; Ahmed, H.F. An Improved Single-Phase Direct PWM Inverting Buck–Boost AC–AC Converter. IEEE Trans. Ind. Electron. 2016, 63, 5384–5393. [Google Scholar] [CrossRef]
- Shin, H.-H.; Cha, H.; Kim, H.-G.; Yoo, D.-W. Novel Single-Phase PWM AC–AC Converters Solving Commutation Problem Using Switching Cell Structure and Coupled Inductor. IEEE Trans. Power Electron. 2015, 30, 2137–2147. [Google Scholar] [CrossRef]
- Fang, X.P.; Qian, Z.M.; Peng, F.Z. Single-phase Z-source PWM AC-AC converters. IEEE Power Electron. Lett. 2005, 3, 121–124. [Google Scholar] [CrossRef]
- Nguyen, M.-K.; Jung, Y.-G.; Lim, Y.-C. Single-Phase Z-Source AC/AC Converter with Wide Range Output Voltage Operation. J. Power Electron. 2009, 9, 736–747. [Google Scholar]
- Li, P.; Hu, Y. Unified Non-Inverting and Inverting PWM AC–AC Converter With Versatile Modes of Operation. IEEE Trans. Ind. Electron. 2016, 64, 1137–1147. [Google Scholar] [CrossRef]
- Ahmed, H.F.; Cha, H.; Khan, A.A.; Kim, H.-G. A Novel Buck–Boost AC–AC Converter With Both Inverting and Noninverting Operations and Without Commutation Problem. IEEE Trans. Power Electron. 2016, 31, 4241–4251. [Google Scholar] [CrossRef]
- Ashraf, N.; Izhar, T.; Abbas, G.; Awan, A.B.; Farooq, U.; Balas, V.E. A New Single-Phase AC Voltage Converter With Voltage Buck Characteristics for Grid Voltage Compensation. IEEE Access 2020, 8, 48886–48903. [Google Scholar] [CrossRef]
- Ashraf, N.; Izhar, T.; Abbas, G.; Balas, V.E.; Balas, M.M.; Lin, T.-C.; Asad, M.U.; Farooq, U.; Gu, J. A Single-Phase Buck and Boost AC-to-AC Converter with Bipolar Voltage Gain: Analysis, Design, and Implementation. Energies 2019, 12, 1376. [Google Scholar] [CrossRef]
- Ahmed, H.F.; Cha, H.; Khan, A.A.; Kim, J.; Cho, J. A Single-Phase Buck–Boost Matrix Converter With Only Six Switches and Without Commutation Problem. IEEE Trans. Power Electron. 2017, 32, 1232–1244. [Google Scholar] [CrossRef]
- Min, Z.; Sun, Y.; Su, M.; Li, X.; Liu, F.; Liu, Y. A single-phase buck-boost AC-AC converter with three legs. J. Electr. Eng. Technol. 2018, 13, 838–848. [Google Scholar]
- Ashraf, N.; Izhar, T.; Abbas, G. A Single-Phase Buck-Boost Matrix Converter with Low Switching Stresses. Math. Probl. Eng. 2019, 2019, 1–19. [Google Scholar] [CrossRef]
- Kumar, A.; Sadhu, P.K.; Mohanta, D.K.; Reddy, M.J.B. An effective switching algorithm for single phase matrix converter in induction heating applications. Electronics 2018, 7, 149. [Google Scholar] [CrossRef]
- Ashraf, N.; Izhar, T.; Abbas, G.; Awan, A.B.; Alghamdi, A.S.; Abo-Khalil, A.G.; Sayed, K.; Farooq, U.; Balas, V.E. A New Single-Phase Direct Frequency Controller Having Reduced Switching Count without Zero-Crossing Detector for Induction Heating System. Electronics 2020, 9, 430. [Google Scholar] [CrossRef]
- Ashraf, N.; Abbas, G.; Abbassi, R.; Jerbi, H. Power Quality Analysis of the Output Voltage of AC Voltage and Frequency Controllers Realized with Various Voltage Control Techniques. Appl. Sci. 2021, 11, 538. [Google Scholar] [CrossRef]
- Mondol, H.; Uddin, S.; Hossain, E.; Biswas, S.P. A Compact and Cost Efficient Multiconverter for Multipurpose Applications. IEEE Access 2020, 8, 86810–86823. [Google Scholar] [CrossRef]
Publisher’s Note: MDPI stays neutral with regard to jurisdictional claims in published maps and institutional affiliations. |
© 2021 by the authors. Licensee MDPI, Basel, Switzerland. This article is an open access article distributed under the terms and conditions of the Creative Commons Attribution (CC BY) license (http://creativecommons.org/licenses/by/4.0/).