Modeling of Voltage Fluctuations Generated by Arc Furnaces
Abstract
1. Introduction
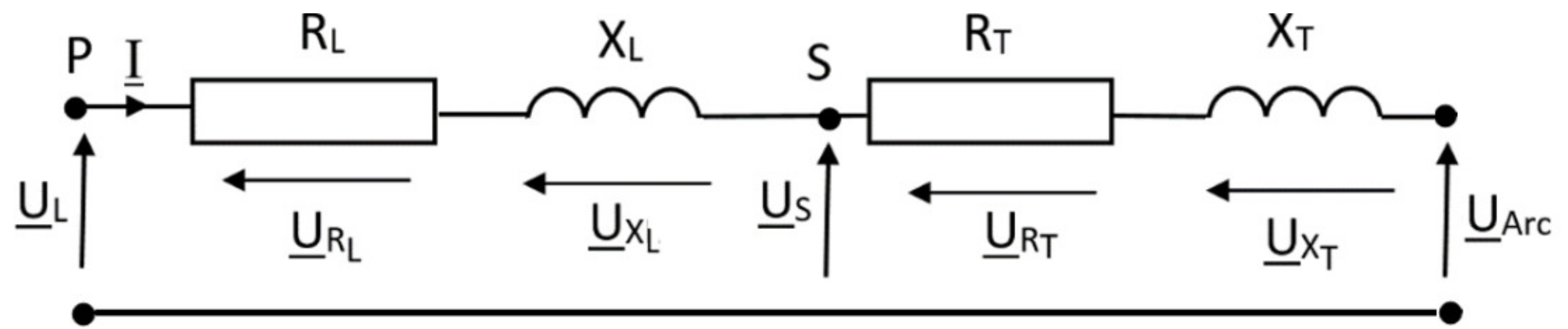
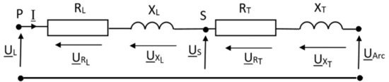
2. Modeling of Voltage Fluctuations in the Operation of a Single Arc Furnace
- -
- Scc/Sntr: 20, 50—correspond to the worst electrical conditions for powering the steelworks. With such low short-circuit power of the network, voltage fluctuations generated by arc furnaces will cause excessive disturbances, perceived, for example, as flickering light caused by lighting receivers.
- -
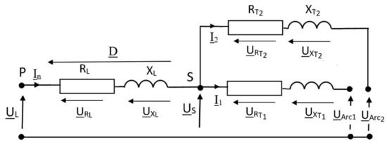
3. Modeling of Voltage Fluctuations in Parallel Operation of Arc Furnaces
4. Verification of the Proposed Furnace Power Supply System with the Electric Arc Model
- -
- Maximum value: 2.8361
- -
- Minimum value: −2.8077
- -
- Arithmetic mean: 0.012
- -
- Variance: 1.452
- -
- Standard deviation: 1.205
5. Summary
- -
- The presented model, the statistic evaluation of voltage fluctuations generated by arc furnaces, and the presented results of measurements of energy quality parameters may constitute a theoretical and practical contribution to the development of new models of arc devices;
- -
- The proposed method makes it possible to determine the increase in voltage fluctuations when connecting successive arc devices for parallel operation;
- -
- Based on the proposed model tests, a preliminary assessment of changes in voltages and currents consumed by arc furnaces is necessary in the selection and design of compensation devices;
- -
- In the case of arc furnaces, only changes in one phase can be accepted for the analysis of voltage fluctuations and fluctuation of light;
- -
- On the basis of the analysis of measurement data, it can be concluded that there is a very high correlation between the flicker indicators and voltage fluctuations in individual phases;
- -
- For the determined significant correlation between changes in the flicker Pst indicators and changes in the amplitude of voltage fluctuations (where the correlation coefficient is rPstΔU = 0.906), both fast-changing voltage fluctuations and flicker indicators can be used to assess the impact of arc devices on the power system;
- -
- In the case of arc furnaces, where the frequency of voltage changes does not change significantly, the increase in the amplitude of voltage fluctuations is proportional to the increase in flicker indicators;
- -
- The result of adopting the disturbance analysis in one phase is the development of a single-phase diagram of the arc device replacement;
- -
- The recorded measurement data can be the basis for further research on the impact of arc furnaces on the power system.
Funding
Abbreviations
| IM | arc furnace melting current |
| IN | nominal current |
| Plt | short-term flicker severity |
| Pst | short-term flicker severity |
| RL | power line resistance |
| RT | resistance high-current path with the furnace transformer |
| Scc | short-circuit power |
| SD(I) | standard deviation of current |
| ni* | cumulative amount |
| fi* | cumulative periodicity |
| SD(U) | standard deviation of current |
| Sntr | power of the furnace transformer |
| THD | total harmonic distortion |
| UArc | arc voltage |
| UH1 | RMS first voltage harmonic |
| UL | supply voltage |
| Umean | RMS voltage mean |
| UN | rated voltage |
| US | steelworks supply voltage |
| XL | power line reactance |
| XT | reactance high-current path with the furnace transformer |
| ΔIAB | arc furnace current fluctuations |
| ΔU | voltage fluctuations |
References
- Yan, Q.; Aoki, M. Suppression of voltage fluctuation by utilizing consumer-side energy storage devices in PV connected distribution system. IFAC-PaperOnLine 2018, 51, 432–437. [Google Scholar] [CrossRef]
- Albert, H.; Golovanov, N.; Elefterescu, L. Propagation of disturbances as voltage fluctuations in transmission networks. Probl. Energeticii Reg. 2016, 2016, 48–54. [Google Scholar]
- Yu, Y.; Ju, P.; Peng, Y.; Lou, B.; Huang, H. Analysis of dynamic voltage fluctuation mechanism in interconnected power grid with stochastic power disturbances. J. Mod. Power Syst. Clean Energy 2020, 8, 38–45. [Google Scholar] [CrossRef]
- Orgulan, A.; Sukič, P.; Ribič, J. A procedure for mitigating the light flicker in office LED lighting caused by voltage fluctuations. Energies 2019, 12, 3975. [Google Scholar] [CrossRef]
- Xinming, G.; Qunhai, H.; Tongzhen, W.; Jingyuan, Y. A local control strategy for distributed energy fluctuation suppression based on soft open point. Energies 2020, 13, 1520. [Google Scholar] [CrossRef]
- Lodetti, S.; Azcarate, I.; Gutierrez, J.J.; Leturiondo, L.A.; Redondo, K.; Saiz, P.; Estela, J.J.M.; Romero, J. Flicker of modern lightingtechnologies dueto rapid voltage changes. Energies 2019, 12, 865. [Google Scholar] [CrossRef]
- Hanzelka, Z. Electricity Supply Quality. RMS Voltagedisturbance, (Jakość Dostawy Energii Elektrycznej. Zaburzenia Wartości Skutecznej Napięcia); Wydawnictwa AGH: Kraków, Poland, 2013. (In Polish) [Google Scholar]
- Akkaya, S.; Salor, O. Enhanced spectral decomposition method for light flicker evaluation of incandescent lamps caused by electric arc furnaces. J. Fac. Eng. Archit. Gazi Univ. 2019, 34, 87–1005. [Google Scholar]
- Kiyoumarsi, A.; Ataei, M.; Hooshmand, R.; Kolagar, A.D. Electric arc furnace voltage flicker mitigation by applying a predictive method with closed loop control of the TCR/FC compensator. J. Electr. Eng. Technol. 2010, 5, 116–128. [Google Scholar] [CrossRef][Green Version]
- García-Cerrada, A.; García-González, P.; Collantes, R.; Gómez, T.; Anzola, J. Comparison of thyristor-controlled reactors and voltage-source inverters for compensation of flicker caused by Arc furnaces. IEEE Trans. Power Deliv. 2000, 15, 1223–1231. [Google Scholar] [CrossRef]
- Bhonsle, D.C.; Kelkar, R.B. Analyzing power quality issues in electric arc furnace by modeling. Energy 2016, 115, 830–839. [Google Scholar] [CrossRef]
- Olczykowski, Z. Methods of determination of the voltage fluctuations and light flicker at simultaneous operation of three-phase arc furnaces. Electr. Power Qual. Util. 2003, 9, 47–58. [Google Scholar]
- Tang, L.; Kolluri, S.; McGranaghan, M.F. Voltage flicker prediction for two simultaneously operated AC arc furnaces. IEEE Trans. Power Deliv. 1997, 12, 985–992. [Google Scholar] [CrossRef][Green Version]
- Brociek, W.; Grzywacz, T.; Wilanowicz, R. Propagation of higher harmonics of voltage and current in the power system at changing location of nonlinear load. In Proceedings of the 18th International Conference on Computational Problems of Electrical Engineering (CPEE), Kutna Hora, Czech Republic, 11–13 September 2017. [Google Scholar]
- Sarma, P.M.; Jayaram Kumar, S.V. Electric Arc furnace flicker mitigation in a steel plant using a Statcom. Int. J. Eng. Sci. Innov. Technol. 2013, 2, 227–231. [Google Scholar]
- Singh, A.; Singh, R.K.; Singh, A.K. Power quality issues of electric arc furnace and their mitigations—A review. Int. J. Adv. Eng. Res. Sci. 2017, 4, 237114. [Google Scholar] [CrossRef]
- IEC 61000-4-15: Electromagnetic Compatibility (EMC)—Testing and Measurement Techniques—Flickermeter—Functional and Design Specifications; International Electrotechnical Commission: Geneva, Switzerland, 2010.
- PN-T-01030:1996/A1, Kompatybilność Elektromagnetyczna (EMC); Terminologia; Developed on the Basis of IEC Publication 61000, Part 1: General, Section 1: Application and Interpretation of Fundamental Definitions and Terms; International Electrotechnical Commission: Geneva, Switzerland, 1999.
- Wąsowski, A. Adaptation of the Three-Phase Arc Device to the Power System (Dopasowanie Trójfazowego Urządzenia ŁUKOWEGO DO Systemu Elektroenergetycznego); Monograph, No, 131; Kazimierz Pulaski University of Technology and Humanities: Radom, Poland, 2009. (In Polish) [Google Scholar]
- Łukasik, Z.; Olczykowski, Z. Estimating the impact of arc furnaces on the quality of power in supply systems. Energies 2020, 13, 1462. [Google Scholar] [CrossRef]
- Xu, H.; Shao, Z.; Chen, F. Data-driven compartmental modeling method for harmonic analysis—A study of the electric arc furnace. Energies 2019, 12, 4378. [Google Scholar] [CrossRef]
- Lange, A.G.; Redlarski, G. Selection of C-type filters for reactive power compensation and filtration of higher harmonics injected into the transmission system by arc furnaces. Energies 2020, 13, 2330. [Google Scholar] [CrossRef]
- Kanálik, M.; Margitová, A.; Bena, L.; Kanáliková, A. Power system impedance estimation using a fast voltage and current changes measurements. Energies 2021, 14, 63. [Google Scholar] [CrossRef]
- Klempka, R. An arc furnace as a source of voltage disturbances—A statisticalevaluation of propagation in the supply network. Energies 2021, 14, 107. [Google Scholar] [CrossRef]
- Cernan, M.; Müller, Z.; Josef Tlusty, J.; Valouch, V. An improved SVC control for electric arc furnace voltage flicker mitigation. Int. J. Electr. Power Energy Syst. 2021, 129, 106831. [Google Scholar] [CrossRef]
- Liu, Y.J.; Chang, G.W.; Hong, R.C. Curve-fitting-based method for modeling voltage-current characteristic of an ac electric arc furnace. Electr. Power Syst. Res. 2010, 80, 572–581. [Google Scholar] [CrossRef]
- Janabi-Sharifi, F.; Jorjani, G. An adaptive system for modeling and simulation of electrical arc furnaces. Control. Eng. Pract. 2009, 17, 1202–1219. [Google Scholar] [CrossRef]
- Sadeghian, A.; Lavers, J.D. Dynamic reconstruction of nonlinear v–i characteristic in electric arc furnaces using adaptive neuro-fuzzy rule-based networks. Appl. Soft Comput. 2011, 11, 1448. [Google Scholar] [CrossRef]
- Mokhtari, H.; Hejri, M. A new three phase time-domain model for electric arc furnace using MATLAB. IEEE Asia-Pac. Transm. Distrib. Conf. Exhib. 2002, 3, 2078–2083. [Google Scholar]
- Alonso, M.A.P.; Donsion, M.P. An improved time domain arc furnace model for harmonic analysis. IEEE Trans. Power Deliv. 2004, 19, 367–373. [Google Scholar] [CrossRef]
- Horton, R.; Haskew, T.A.; Burch, R.F. A time-domain ac electric arc furnace model for flicker planning studies. IEEE Trans. Power Deliv. 2009, 24, 1450–1457. [Google Scholar] [CrossRef]
- Montanari, G.C.; Loggini, M.; Cavallini, A.; Pitti, L.; Zaninelli, D. Arc-furnace model for the study of flicker compensation in electrical networks. IEEE Trans. Power Deliv. 1994, 9, 2026. [Google Scholar] [CrossRef]
- Terzija, V.; Stanojevic, V. Power quality indicators estimation using robust Newton-typealgorithm. IETProc. Gen. Transm. Distrib. 2004, 151, 477–485. [Google Scholar] [CrossRef]
- Beites, L.F.; Mayordomo, J.G. Harmonics, Interharmonics and unbalances of arc furnaces: A new frequency domain approach. IEEE Trans. Power Deliv. 2001, 16, 661–668. [Google Scholar] [CrossRef]
- Emre Durna, E.; Gerçek, C.Ö.; Salor, Ö.; Ermis, M. Suppression of the second harmonic subgroup injected by an AC EAF: Design considerations and performance estimation of a shunt AP. Electronics 2018, 7, 53. [Google Scholar] [CrossRef]
- Garcia-Segura, R.; Castillo, J.V.; Martell-Chavez, F.; Longoria-Gandara, O.; Ortegon, J. Electric arc furnace modeling with artificial neural networks and arc length with variable voltage gradient. Energies 2017, 10, 1424. [Google Scholar] [CrossRef]
- Gajic, D.; Gajic, I.S.; Savic, I.; Georgieva, O.; Di Gennaro, S. Modelling of electrical energy consumption in an electric arc furnace using artificial neural networks. Energy 2016, 108, 132–139. [Google Scholar] [CrossRef]
- Ghiormez, L.; Panoiu, M.; Prostean, O. GUI for studying the parameters influence of the electric arc model for a three-phase electric arc furnace. In Proceedings of the IOP Conference Series: Materials Science and Engineering, Philadelphia, PA, USA, 21–23 October 2017; Volume 163, pp. 1–14. [Google Scholar]
- Lei, W.; Wang, Y.; Wang, L.; Cao, H. A fundamental wave amplitude prediction algorithm based on fuzzy neural network for harmonic elimination of electric arc furnace current. Math. Probl. Eng. 2015, 2015, 1–6. [Google Scholar] [CrossRef]
- Samet, H.; Farjah, E.; Zahra Sharifi, Z. A dynamic, nonlinear and time-varying model for electric arc furnace. Int. Trans. Electr. Energy Syst. 2015, 25, 2165–2180. [Google Scholar] [CrossRef]
- Varan, M.; Uyaroglu, Y. Elimination of harmonic induced viable bifurcations with tcsc for ac–fed electric arc furnaces. J. Electr. Eng. 2012, 5, 303–309. [Google Scholar] [CrossRef]
- Yakimov, I.; Maklakov, A.; Voronin, S.; Maklakova, E. Results of modeling operation of the high-speed regulator of non-contact secondary voltage of furnace transformer of the high-power arc steel furnace in constant primary current mode. Procedia Eng. 2017, 206, 1853–1860. [Google Scholar] [CrossRef]
- UIE. Guide to Quality of Electical Supply for Industrial Installations; Part 5; Flicker and Voltage Fluctuations; Power Quality Working Group WG 2: Paris, France, 1999. [Google Scholar]
- Arlt, D.; Eberlein, C. Network disturbances caused by Ultra High Power electric arc furnaces and possible reduction methods. In Proceedings of the Conference Electrical Power Quality and Utilisation, Cracow, Poland, 23–25 September 1997. [Google Scholar]
- Olczykowski, Z.; Wąsowski, A. Methods of voltage unbalance estimation in electric power networks. Electr. Power Qual. Util. 2006, XII, 71–76. [Google Scholar]
- Wciślik, M. Analytical models of the electric arc, (analityczne modele łuku elektrycznego). Przegląd Elektrotechniczny 2008, 84, 115–117. (In Polish) [Google Scholar]
- Grabowski, D. Selected Applications of Stochastic Approach in Circuit Theory; Monografia, Wydawnictwo Politechniki Śląskiej: Gliwice, Poland, 2015. [Google Scholar]
- Ghiormez, L.; Prostean, O.; Panoiu, M.; Panoiu, C. Artificial neural networks in predicting current in electric arc furnaces. In IOP Conference Series: Materials Science and Engineering, Proceedings of the International Conference on Applied Sciences (ICAS2013), Wuhan, China, 26–27 October 2013; IOP Publishing Ltd.: Bristol, UK, 2014; Volume 57. [Google Scholar]
- Khoshkhoo, H.; Sadeghi, S.H.; Moini, R.; Talebi, H.A. Anefficient power control scheme for electric arc furnace susing online estimation of flexible cable inductance. Comput. Math. Appl. 2011, 62, 4391–4401. [Google Scholar] [CrossRef][Green Version]
- Spasojevic, L.; Papic, I.; Blazic, B.; Bostjan, B. A new approach to the modelling of electric arc furnaces with representative voltage samples. Int. Trans. Electr. Energy Syst. 2015, 25, 1173–1186. [Google Scholar] [CrossRef]
- Désquilbet, G. Les Fluctuations Rapides de Tension et le Phenomene de Papillotement des Lampes (Flicker); EDF.HR22/95/GD8.A; Electricite de France: Clamart, France, 1995. [Google Scholar]
- PN-EN50160:2014 Parameters of the Supply Voltage in the Public Power Networks; Polish Committee of Standardization: Warsaw, Poland, 2014.
- Rozporządzenie Ministra Gospodarki z dnia 4 maja 2007 r. w sprawie szczegółowych warunków funkcjonowania systemu elektroenergetycznego. 2007. Available online: http://isap.sejm.gov.pl/isap.nsf/DocDetails.xsp?id=wdu20070930623 (accessed on 29 March 2021). (In Polish)
- Bobrowski, D. Probabilistics in Technical Applications, (Probabilistyka w Zastosowaniach Technicznych); WNT: Warsaw, Poland, 1986. (In Polish) [Google Scholar]
- Sobczyk, M. Statistics, (Statystyka); Wydawnictwo Naukowe PAN: Warsaw, Poland, 1997. (In Polish) [Google Scholar]
- Maksymiuk, J.; Wohlmuth, F. Statistical Methods in Electrical Engineering (Metody Statystyczne w Inżynierii Elektrotechnicznej); Wydawnictwa Politechniki Warszawskiej: Warsaw, Poland, 1984. (In Polish) [Google Scholar]






















| Scc/Sntr = 120 | Scc/Sntr = 50 | Scc/Sntr = 20 | ||||||
|---|---|---|---|---|---|---|---|---|
| R = 0 | R = 0.1X | R = 0.3X | R = 0 | R = 0.1X | R = 0.3X | R = 0 | R = 0.1X | R = 0.3X |
| 0.601 | 0.624 | 0.652 | 1.492 | 1.523 | 1.599 | 3.892 | 3.992 | 4.082 |
| Class Number | Class Range | Center Class | Amount | Periodicity | Cumulative Amount | Cumulative Periodicity |
|---|---|---|---|---|---|---|
| i | - | U | ni | fi | ni* | fi* |
| −3 | −2.81; −2.00 | −2.405 | 7 | 0.0464 | 7 | 0.0464 |
| −2 | −1.99; −1.19 | −1.590 | 20 | 0.1325 | 27 | 0.1788 |
| −1 | −1.18; −0.38 | −0.780 | 32 | 0.2119 | 59 | 0.3907 |
| 0 | −0.37; 0.44 | 0.035 | 40 | 0.2649 | 99 | 0.6556 |
| 1 | 0.45; 1.25 | 0.850 | 26 | 0.1722 | 125 | 0.8278 |
| 2 | 1.26; 2.06 | 1.660 | 19 | 0.1258 | 144 | 0.9536 |
| 3 | 2.07; 2.88 | 2.475 | 7 | 0.0464 | 151 | 1.0000 |
| Ui | ni | zi | F(zi) | pi | npi | (ni-pi)2/npi |
|---|---|---|---|---|---|---|
| −2.00 | 7 | −1.67 | 0.0436 | 0.04 | 6.58 | 0.026 |
| −1.19 | 20 | −1.00 | 0.1515 | 0.11 | 16.29 | 0.843 |
| −0.38 | 32 | −0.33 | 0.3623 | 0.21 | 31.83 | 0.001 |
| 0.44 | 40 | 0.36 | 0.6368 | 0.27 | 41.45 | 0.051 |
| 1.25 | 26 | 1.03 | 0.8485 | 0.21 | 31.97 | 1.114 |
| 2.06 | 19 | 1.70 | 0.9564 | 0.11 | 16.29 | 0.450 |
| 2.88 | 7 | 2.38 | 0.9918 | 0.04 | 6.58 | 0.026 |
| Sum | 151 | x | x | 1.00 | 151 | 2.511 |
Publisher’s Note: MDPI stays neutral with regard to jurisdictional claims in published maps and institutional affiliations. |
© 2021 by the author. Licensee MDPI, Basel, Switzerland. This article is an open access article distributed under the terms and conditions of the Creative Commons Attribution (CC BY) license (http://creativecommons.org/licenses/by/4.0/).
Share and Cite
Olczykowski, Z. Modeling of Voltage Fluctuations Generated by Arc Furnaces. Appl. Sci. 2021, 11, 3056. https://doi.org/10.3390/app11073056
Olczykowski Z. Modeling of Voltage Fluctuations Generated by Arc Furnaces. Applied Sciences. 2021; 11(7):3056. https://doi.org/10.3390/app11073056
Chicago/Turabian StyleOlczykowski, Zbigniew. 2021. "Modeling of Voltage Fluctuations Generated by Arc Furnaces" Applied Sciences 11, no. 7: 3056. https://doi.org/10.3390/app11073056
APA StyleOlczykowski, Z. (2021). Modeling of Voltage Fluctuations Generated by Arc Furnaces. Applied Sciences, 11(7), 3056. https://doi.org/10.3390/app11073056