Inverse Kinematics Data Adaptation to Non-Standard Modular Robotic Arm Consisting of Unique Rotational Modules
Abstract
1. Introduction
2. Model Creation and Data Processing
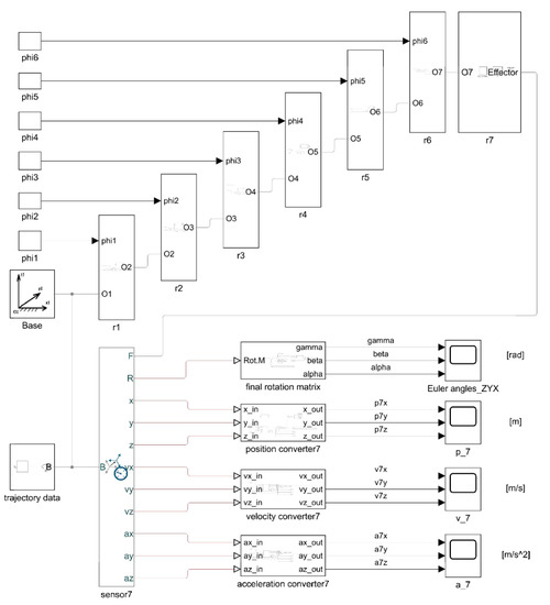
2.1. Modeling in CoppeliaSim Edu
2.2. Modeling in Matlab
2.3. The Problem of a Sudden Change in Data Continuity and Its Solution in Matlab
2.4. Composing a Repolarize
- To maintain the original trajectory, the initial values should not be skewed, i.e., if possible, they should not be averaged or approximated;
- There should be no phase shift of the initial values, as is the case with many filters.
2.5. Modeling in SolidWorks
3. Results
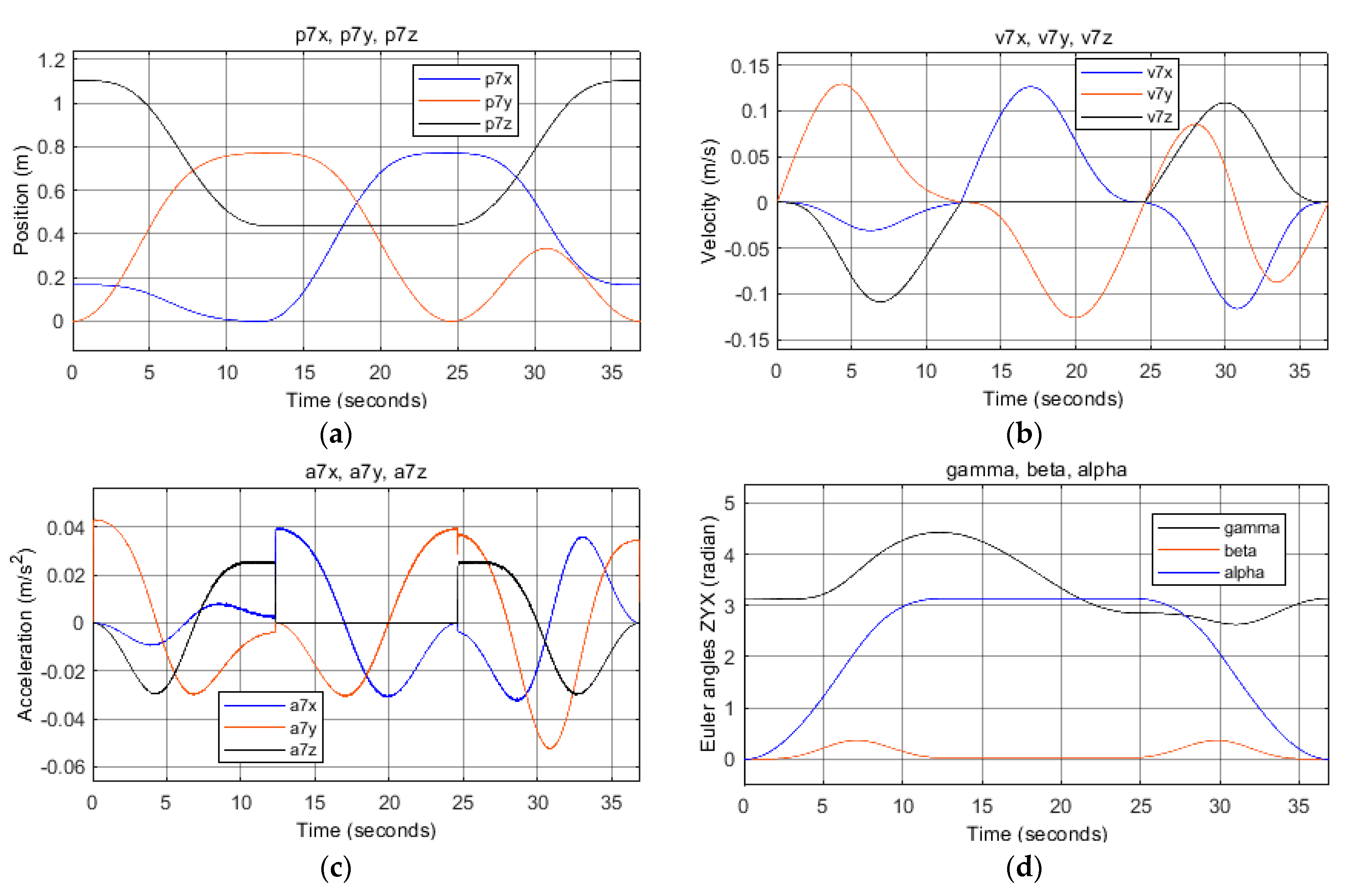
- (a)
- The position determined by the position vector p7 = [p7x, p7y, p7z]T depending on the joint coordinate vector φ(t);
- (b)
- The speed determined by the velocity vector v7 = [v7x, v7y, v7z]T depending on the first derivation (time-bound) of the joint coordinate vector φ′(t);
- (c)
- The acceleration determined by the acceleration vector a7 = [a7x, a7y, a7z]T depending on the second derivation (time-bound) of the joint coordinate vector φ″(t) and (φ′(t))2;
- (d)
- The orientation determined by the Euler’s angles according to the [γ, β, α] option, depending on the joint coordinate vector φ(t).
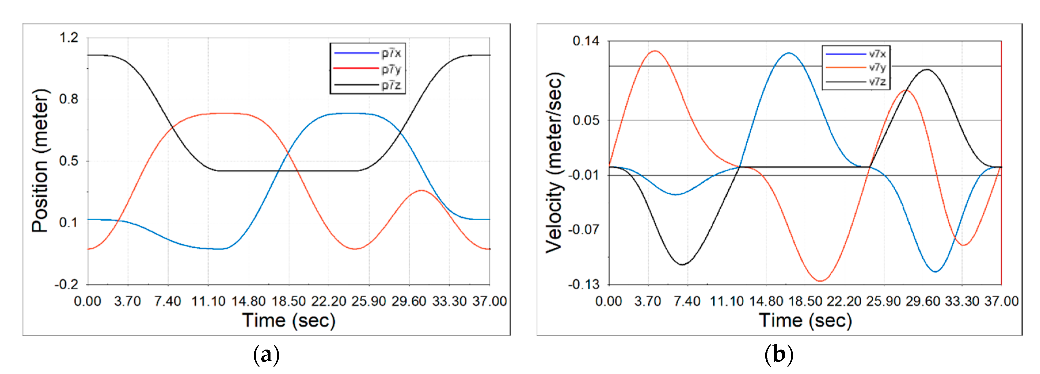
- (a)
- The position determined by the position vector p7 = [p7x, p7y, p7z]T depending on the joint coordinate vector φ(t);
- (b)
- The speed determined by the velocity vector v7 = [v7x, v7y, v7z]T depending on the first derivation (time-bound) joint coordinate vector φ′(t).
4. Discussion
Author Contributions
Funding
Conflicts of Interest
Abbreviations
| pi | Position vector between the reference coordinate system |
| S1{O1, x1, y1, z1} and the coordinate system Si{Oi, xi, yi, zi} | |
| ri | Vector quantifying a kinematic chain segment |
| φi | Angle of rotation around the zi axis of the Si{Oi, xi, yi, zi} system, joint coordinate |
| φ | Joint coordinate vector |
| ϑi | Angle of rotation around the yi axis of the Si{Oi, xi, yi, zi} system |
| Ryi | Rotation matrix for the transformation of the rotational movement around the yi axis |
| Rzi | Rotation matrix for the transformation of the rotational movement around the zi axis |
| RZYX(i+1) | Rotation matrix for calculating Euler’s angles α, β, γ |
| T | Sampling period |
| δ | A half period of the sampling period |
| tr | Instant time of repolarization |
| t | Time |
| Δ | Vector difference between the p7 position vector effector’s position and the position of the As{xAs, yAs, zAs} points that make up the trajectory |
| vi | Instantaneous velocity vector to the {Oi, xi, yi, zi} system |
| ai | Instantaneous acceleration vector to the {Oi, xi, yi, zi} system |
References
- Svetlík, J.; Štofa, M.; Pituk, M. Prototype development of a unique serial kinematic structure of modular configuration. MM Sci. J. 2016, 994–998. [Google Scholar] [CrossRef]
- Svetlík, J. Contribution to Construction of Manufacturing Engineering on Flexible Architecture Basis. Habilitation Thesis, Technical University of Košice, Košice, Slovakia, 14 June 2012. [Google Scholar]
- Štofa, M. Experimentálny vývoj rotačných modulov pre stavbu sériových kinematických štruktúr vo výrobnej technike. Ph.D. Thesis, Technical University of Košice, Košice, Slovakia, 30 January 2020. [Google Scholar]
- Gershenson, J.K.; Prasad, G.J. Modularity in product design for manufacturability. Int. J. Agile Manuf. 1997, 3, 99–110. [Google Scholar]
- Benderbal, H.H.; Dahane, M.; Benyoucef, L. Modularity assessment in reconfigurable manufacturing system (RMS) design: An Archived Multi-Objective Simulated Annealing-based approach. Int. J. Adv. Manuf. Technol. 2018, 94, 729–749. [Google Scholar] [CrossRef]
- Pérez, R.; Aca, J.; Valverde, A. A modularity framework for concurrent design of reconfigurable machine tools. In Proceedings of the International Conference on Cooperative Design, Visualization and Engineering, Heidelberg, Germany, 19–22 September 2004; Springer: Berlin, Germany, 2004. [Google Scholar]
- Svetlík, J. Modularity of Production Systems. In Machine Tools; Šooš, Ľ., Marek, J., Eds.; IntechOpen: London, UK, 2020; pp. 1–22. [Google Scholar]
- Yim, M.; Duff, D.G.; Roufas, K.D. PolyBot: A modular reconfigurable robot. In Proceedings of the ICRA ’00, IEEE International Conference on Robotics and Automation, San Francisco, CA, USA, 24–28 April 2000; Volume 1, pp. 514–520. [Google Scholar]
- Yim, M.; Roufas, K.; Duff, D.; Zhang, Y.; Eldershaw, C.; Homans, S. Modular reconfigurable robots in space applications. Auton. Robot. 2003, 14, 225–237. [Google Scholar] [CrossRef]
- Acaccia, G.; Bruzzone, L.; Razzoli, R. A modular robotic system for industrial applications. Assem. Autom. 2008, 28, 151–162. [Google Scholar] [CrossRef]
- Xu, W.; Han, L.; Wang, X.; Yuan, H. A wireless reconfigurable modular manipulator and its control system. Mechatron. 2021, 73, 102470. [Google Scholar] [CrossRef]
- Pacaiova, H.; Isiarikova, G. Base Principles and Practices for Implementation of Total Productive Maintenance in Automotive Industry. Qual. Innov. Prosper. 2019, 23, 45–59. [Google Scholar] [CrossRef]
- Nikitin, Y.; Bozek, P.; Peterka, J. Logical–linguistic model of diagnostics of electric drives with sensors support. Sensors 2020, 20, 4429. [Google Scholar] [CrossRef] [PubMed]
- Paden, B. Kinematics and Control Robot Manipulators. Ph.D. Thesis, University of California, Berkeley, CA, USA, 1986. [Google Scholar]
- Kahan, W. Lectures on Computational Aspects of Geometry; Department of Electrical Engineering and Computer Sciences, University of California: Berkeley, CA, USA, 1983; Unpublished. [Google Scholar]
- Buss, S.R. Introduction to inverse kinematics with jacobian transpose, pseudoinverse and damped least squares methods. IEEE J. Robot. Autom. 2004, 16, 1–19. [Google Scholar]
- Dulęba, I.; Opałka, M. A comparison of Jacobian-based methods of inverse kinematics for serial robot manipulators. Int. J. Appl. Math. Comput. Sci. 2013, 23, 373–382. [Google Scholar] [CrossRef]
- Meredith, M.; Maddock, S. Real-Time Inverse Kinematics: The Return of the Jacobian; Technical Report No. CS-04-06; Department of Computer Science, University of Sheffield: Sheffield, UK, 2004. [Google Scholar]
- Šoch, M.; Lórencz, R. Solving inverse kinematics—A new approach to the extended Jacobian technique. Acta Polytech. 2005, 45, 21–26. [Google Scholar]
- Virgala, I.; Gmiterko, A.; Surovec, R.; Vacková, M.; Prada, E.; Kenderová, M. Manipulator end-effector position control. Procedia Eng. 2012, 48, 684–692. [Google Scholar] [CrossRef][Green Version]
- Virgala, I.; Tomáš, L.; Miková, Ľ. Snake robot locomotion patterns for straight and curved pipe. J. Mech. Eng. 2018, 68, 91–104. [Google Scholar] [CrossRef]
- Nilsson, R. Inverse Kinematics. Master’s Thesis, Luleå University of Technology, Luleå, Sweden, 2009. [Google Scholar]
- Wampler, C.W. Manipulator inverse kinematic solutions based on vector formulations and damped least-squares methods. IEEE Trans. Syst. Man, Cybern. 1986, 16, 93–101. [Google Scholar] [CrossRef]
- Lozhkin, A.; Bozek, P.; Maiorov, K. The method of high accuracy calculation of robot trajectory for the complex curves. Manag. Syst. Prod. Eng. 2020, 28, 247–252. [Google Scholar] [CrossRef]
- Ondočko, Š.; Stejskal, T.; Svetlík, J.; Hrivniak, L.; Šašala, L. Direct kinematics of modular system. In Automatizácia a riadenie v teórii a praxi 2020, Proceedings of the 14. ročník konferencie odborníkov z univerzít, vysokých škôl a praxe, Stará Lesná, Slovensko, 5–7 February 2020; Šeminský, J., Mižáková, J., Šimšík, J., Balog, M., Eds.; Technická Univerzita v Košiciach: Košice, Slovakia, 2020. [Google Scholar]
- Ondočko, Š.; Stejskal, T.; Svetlík, J.; Hrivniak, L.; Šašala, L.; Žilinský, A. Position forward kinematics of 6-DOF robotic arm. Acta Mech. Slovaca. (under review).
- Murray, R.; Li, Z.; Shankar, S. A Mathematical Introduction to Robotic Manipulation, 1st ed.; CRC Press: Boca Raton, FL, USA, 2017; p. 519. ISBN 9781315136370. [Google Scholar]
- Rate Limiter. Available online: https://www.mathworks.com/help/simulink/slref/ratelimiter.html?s_tid=srchtitle (accessed on 29 October 2020).
- How to Remove Unwanted Short Time Signal Simulink. Available online: https://stackoverflow.com/questions/52384093/how-to-remove-unwanted-short-time-signal-simulink/52409614 (accessed on 29 October 2020).
- Filtering and Smoothing Data. Available online: https://www.mathworks.com/help/curvefit/smoothing-data.html (accessed on 29 October 2020).
- Signal Smoothing. Available online: https://www.mathworks.com/help/signal/ug/signal-smoothing.html (accessed on 29 October 2020).













| Diameters | (mm) | Diameters | (mm) | Diameters | (mm) |
|---|---|---|---|---|---|
| r1 | 243.215 | a1 | 73 | b1 | 128 |
| r2 | 212.430 | a2 | 42.215 | b2 | 128 |
| r3 | 212.430 | a3 | 42.215 | b3 | 128 |
| r4 | 212.430 | a4 | 42.215 | b4 | 128 |
| r5 | 212.430 | a5 | 42.215 | b5 | 128 |
| r6 | 212.430 | a6 | 42.215 | b6 | 128 |
| r7 | 42.215 1 |
Publisher’s Note: MDPI stays neutral with regard to jurisdictional claims in published maps and institutional affiliations. |
© 2021 by the authors. Licensee MDPI, Basel, Switzerland. This article is an open access article distributed under the terms and conditions of the Creative Commons Attribution (CC BY) license (http://creativecommons.org/licenses/by/4.0/).
Share and Cite
Ondočko, Š.; Svetlík, J.; Šašala, M.; Bobovský, Z.; Stejskal, T.; Dobránsky, J.; Demeč, P.; Hrivniak, L. Inverse Kinematics Data Adaptation to Non-Standard Modular Robotic Arm Consisting of Unique Rotational Modules. Appl. Sci. 2021, 11, 1203. https://doi.org/10.3390/app11031203
Ondočko Š, Svetlík J, Šašala M, Bobovský Z, Stejskal T, Dobránsky J, Demeč P, Hrivniak L. Inverse Kinematics Data Adaptation to Non-Standard Modular Robotic Arm Consisting of Unique Rotational Modules. Applied Sciences. 2021; 11(3):1203. https://doi.org/10.3390/app11031203
Chicago/Turabian StyleOndočko, Štefan, Jozef Svetlík, Michal Šašala, Zdenko Bobovský, Tomáš Stejskal, Jozef Dobránsky, Peter Demeč, and Lukáš Hrivniak. 2021. "Inverse Kinematics Data Adaptation to Non-Standard Modular Robotic Arm Consisting of Unique Rotational Modules" Applied Sciences 11, no. 3: 1203. https://doi.org/10.3390/app11031203
APA StyleOndočko, Š., Svetlík, J., Šašala, M., Bobovský, Z., Stejskal, T., Dobránsky, J., Demeč, P., & Hrivniak, L. (2021). Inverse Kinematics Data Adaptation to Non-Standard Modular Robotic Arm Consisting of Unique Rotational Modules. Applied Sciences, 11(3), 1203. https://doi.org/10.3390/app11031203

