Four Channel 6.5 kV, 65 A, 100 ns–100 µs Generator with Advanced Control of Pulse and Burst Protocols for Biomedical and Biotechnological Applications
Abstract
Featured Application
Abstract
1. Introduction
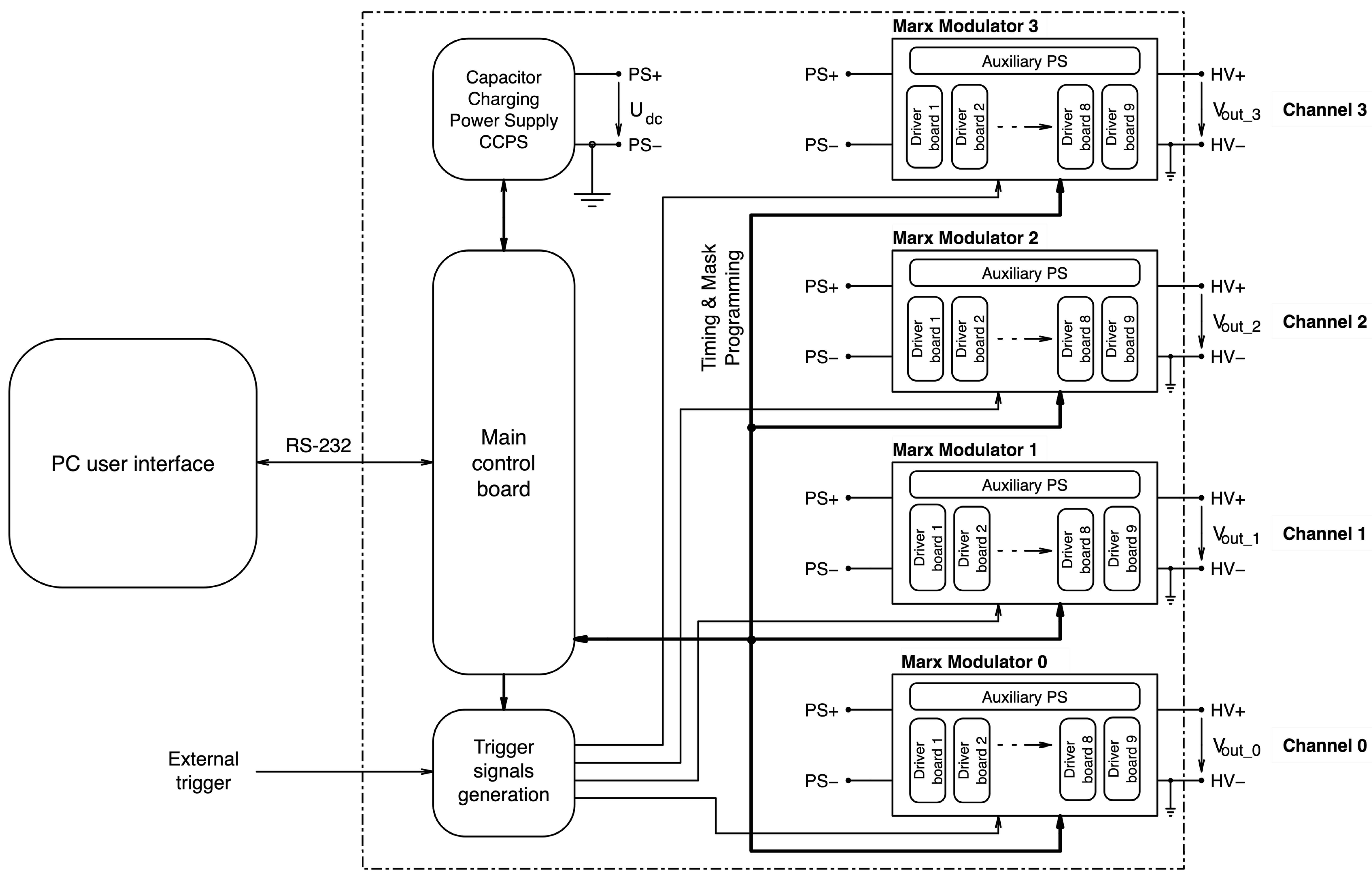
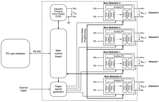
2. Four Channels Generator
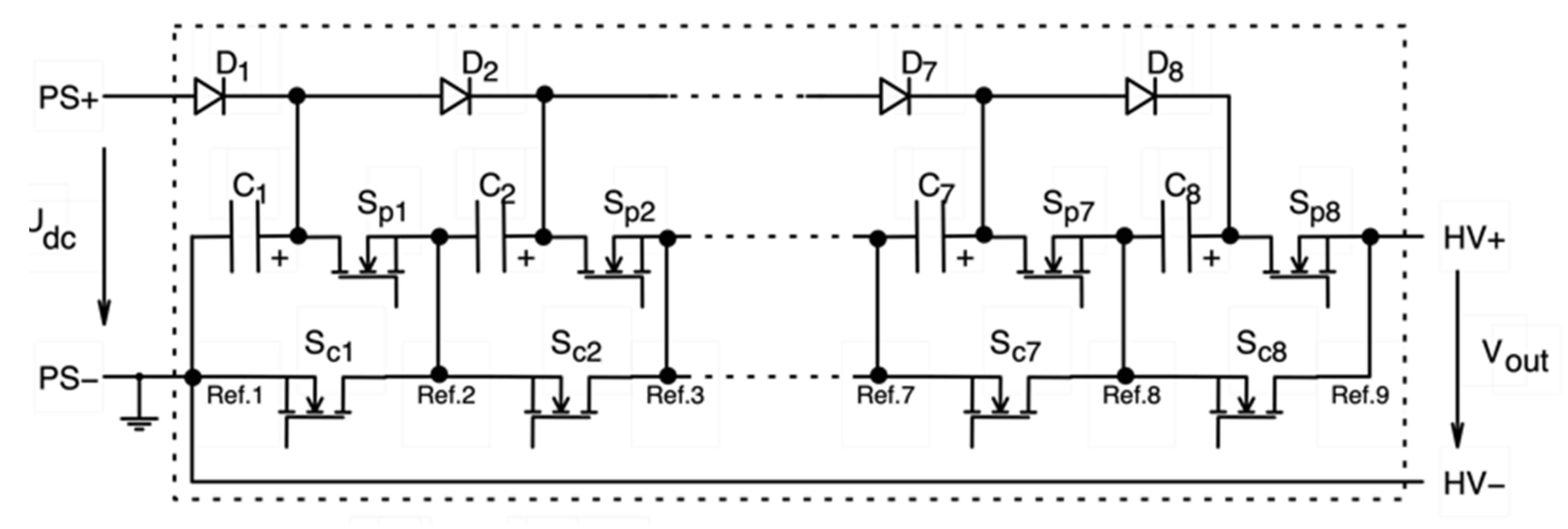
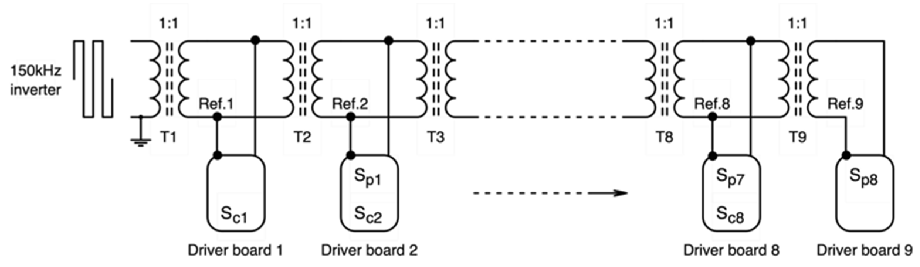
2.1. Solid State Marx Modulator
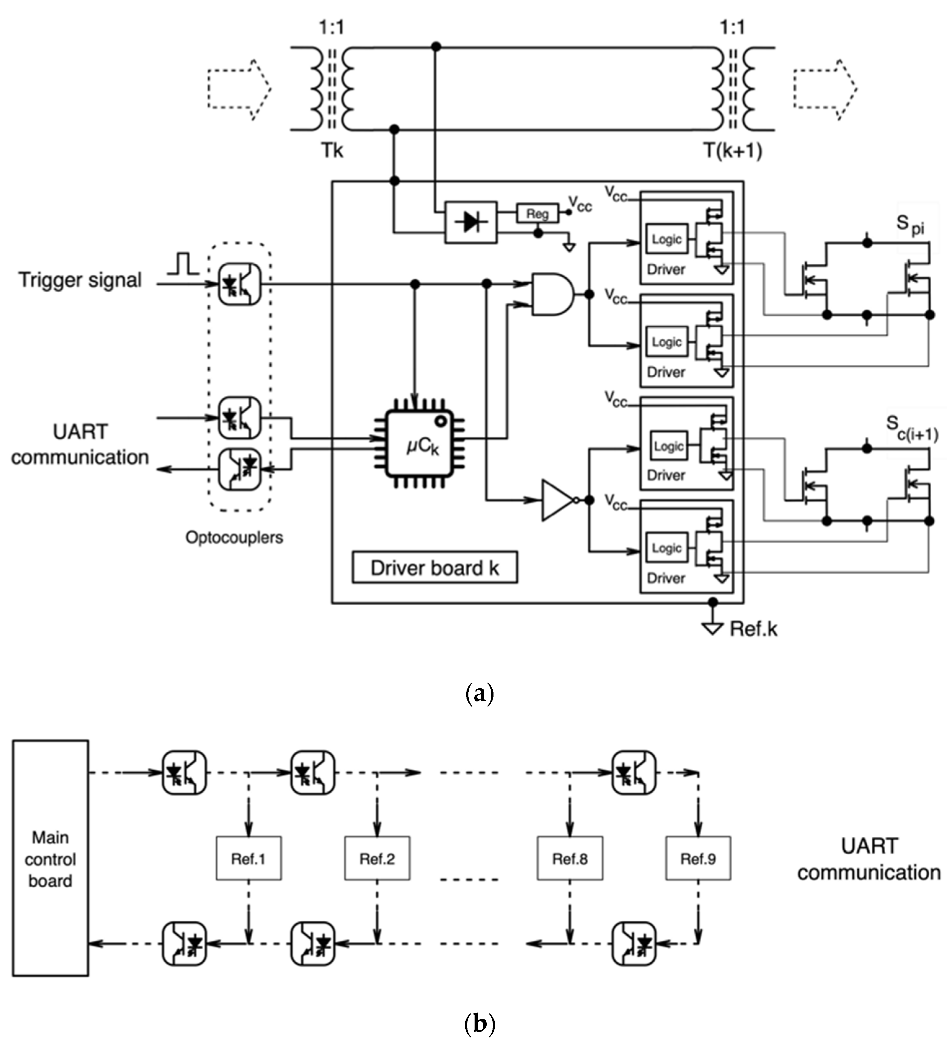
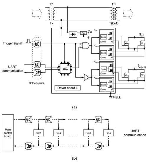
2.2. Marx Modulator Trigger Circuit
2.3. Marx Modulator Pulse Burst Sequence Programming
- -
- The computer user interface, which allows the user to define the timing and pulse amplitude sequence for the four channels, using a simple line command, using Pause in ns for the time before the pulse, Pulse in ns for the pulse time, and Mask for the amplitude control that defines the stages to trigger in each Marx;
- -
- The main control board that receives the information from the computer user interface and sets the pulse timing sequence and amplitude for each Marx modulator, sending this information by UART communication to each Marx. Additionally, once the trimming sequence and Mask is programmed in each MM, the trigger signals are sent to each modulator. The minimum step possible is 100 ns and the maximum pulse width, or burst time, is 100 µs;
- -
- The drive board k in each Marx that receives the timing sequence for all the pulse time of each Marx and the corresponding information when to turn-on or turn-off each stage during pulse trigger signal.
2.4. Marx Modulator Design
- (a)
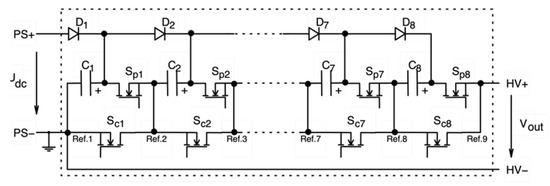
- A fast overcurrent protection, based on the classic desaturation technique, in the MOSFET drivers on each stage, both pulse and charge devices, which is very fast and cuts the gate signals if the current goes above a reference value [28]. This protection is set to 65 A, being proportional to the current level and detects the di/dt, also;
- (b)
- A slow overcurrent protection, based on the pulse output current measurement, from a current transformer, both in HV+ and HV− terminals, where it is possible to change the amplitude value of this protection, for increased safety in certain operating conditions. This protection can be set from 10 to 65 A, switching off all the stage drivers. A current transformer is placed on each HV+ output, which send the values to the “Trigger signals generation” board, being compared to a reference value set by the main control board. If the value sensed is above that reference level the trigger signal is switched off.
3. Results
3.1. Single Channel Operation
3.2. Multi-Channel Operation
3.3. Protections Operation
4. Discussion
Author Contributions
Funding
Institutional Review Board Statement
Informed Consent Statement
Data Availability Statement
Conflicts of Interest
References
- Butkus, P.; Murauskas, A.; Tolvaišienė, S.; Novickij, V. Concepts and Capabilities of In-House Built Nanosecond Pulsed Electric Field (nsPEF) Generators for Electroporation: State of Art. Appl. Sci. 2020, 10, 4244. [Google Scholar] [CrossRef]
- Chopinet, L.; Rols, M.P. Nanosecond electric pulses: A mini-review of the present state of the art. Bioelectrochemistry 2015, 103, 2–6. [Google Scholar] [CrossRef]
- Batista Napotnik, T.; Reberšek, M.; Vernier, P.T.; Mali, B.; Miklavčič, D. Effects of high voltage nanosecond electric pulses on eukaryotic cells (In Vitro): A systematic review. Bioelectrochemistry 2016, 110, 1–12. [Google Scholar] [CrossRef] [PubMed]
- Kotnik, T.; Frey, W.; Sack, M.; Meglič, S.H.; Peterka, M.; Miklavčič, D. Electroporation-based applications in biotechnology. Trends Biotechnol. 2015, 33, 480–488. [Google Scholar] [CrossRef] [PubMed]
- Rao, X.; Chen, X.; Zhou, J.; Zhang, B.; Alfadhl, Y. Design of a High Voltage Pulse Generator with Large Width Adjusting Range for Tumor Treatment. Electronics 2020, 9, 1053. [Google Scholar] [CrossRef]
- Garner, A.L.; Caiafa, A.; Jiang, Y.; Klopman, S.; Morton, C.; Torres, A.S.; Loveless, A.M.; Neculaes, V.B. Design, characterization and experimental validation of a compact, flexible pulsed power architecture for ex vivo platelet activation. PLoS ONE 2017, 12, e0181214. [Google Scholar] [CrossRef]
- Yao, C.; Lv, Y.; Dong, S.; Zhao, Y.; Liu, H. Irreversible electroporation ablation area enhanced by synergistic high- and low-voltage pulses. PLoS ONE 2017, 12, e0173181. [Google Scholar] [CrossRef][Green Version]
- Sweeney, D.C.; Reberšek, M.; Dermol, J.; Rems, L.; Miklavčič, D.; Davalos, R.V. Quantification of cell membrane permeability induced by monopolar and high-frequency bipolar bursts of electrical pulses. Biochim. Biophys. Acta Biomembr. 2016, 1858, 2689–2698. [Google Scholar] [CrossRef]
- Yao, C.; Dong, S.; Zhao, Y.; Lv, Y.; Liu, H.; Gong, L.; Ma, J.; Wang, H.; Sun, Y. Bipolar Microsecond Pulses and Insulated Needle Electrodes for Reducing Muscle Contractions during Irreversible Electroporation. IEEE Trans. Biomed. Eng. 2017, 64, 2924–2937. [Google Scholar] [CrossRef]
- Latouche, E.L.; Arena, C.B.; Ivey, J.W.; Garcia, P.A.; Pancotto, T.E.; Pavlisko, N.; Verbridge, S.S.; Davalos, R.V.; Rossmeisl, J.H. High-Frequency Irreversible Electroporation for Intracranial Meningioma: A Feasibility Study in a Spontaneous Canine Tumor Model. Technol. Cancer Res. Treat. 2018, 1, 17. [Google Scholar] [CrossRef]
- Sano, M.; Arena, C.B.; Bittleman, K.R.; DeWitt, M.R.; Cho, H.J.; Szot, C.S.; Saur, D.; Cissell, J.M.; Robertson, J.; Lee, Y.W.; et al. Bursts of Bipolar Microsecond Pulses Inhibit Tumor Growth. Sci. Rep. 2015, 5, 14999. [Google Scholar] [CrossRef]
- Pirc, E.; Miklavčič, D.; Uršič, K.; Serša, G.; Reberšek, M. High-Frequency and High-Voltage Asymmetric Bipolar Pulse Generator for Electroporation Based Technologies and Therapies. Electronics 2021, 10, 1203. [Google Scholar] [CrossRef]
- Valdez, C.M.; Barnes, R.A.; Roth, C.C.; Moen, E.K.; Throckmorton, G.A.; Ibey, B.L. Asymmetrical bipolar nanosecond electric pulse widths modify bipolar cancellation. Sci. Rep. 2017, 7, 16372. [Google Scholar] [CrossRef] [PubMed]
- van Es, R.; Konings, M.K.; Du Pré, B.C.; Neven, K.; van Wessel, H.; van Driel, V.J.H.M.; Westra, A.H.; Doevendans, P.A.F.; Wittkampf, F.H.M. High-frequency irreversible electroporation for cardiac ablation using an asymmetrical waveform. Biomed. Eng. Online 2019, 18, 75. [Google Scholar] [CrossRef]
- Sano, M.B.; Fan, R.E.; Xing, L. Asymmetric Waveforms Decrease Lethal Thresholds in High Frequency Irreversible Electroporation Therapies. Sci. Rep. 2017, 7, 40747. [Google Scholar] [CrossRef] [PubMed]
- Kim, V.; Gudvangen, E.; Kondratiev, O.; Redondo, L.; Xiao, S.; Pakhomov, A. Peculiarities of Neurostimulation by Intense Nanosecond Pulsed Electric Fields: How to Avoid Firing in Peripheral Nerve Fibers. Int. J. Mol. Sci. 2021, 22, 7051. [Google Scholar] [CrossRef] [PubMed]
- Pakhomov, A.G.; Gudvangen, E.; Xiao, S.; Semenov, I. Interference targeting of bipolar nanosecond electric pulses for spatially focused electroporation, electrostimulation, and tissue ablation. Bioelectrochemistry 2021, 141, 107876. [Google Scholar] [CrossRef]
- Gianulis, E.C.; Casciola, M.; Zhou, C.; Yang, E.; Xiao, S.; Pakhomov, A.G. Selective distant electrostimulation by synchronized bipolar nanosecond pulses. Sci. Rep. 2019, 9, 13116. [Google Scholar] [CrossRef]
- Rubin, A.E.; Levkov, K.; Usta, O.B.; Yarmush, M.; Golberg, A. IGBT-Based Pulsed Electric Fields Generator for Disinfection: Design and In Vitro Studies on Pseudomonas aeruginosa. Ann. Biomed. Eng. 2019, 47, 1314–1325. [Google Scholar] [CrossRef]
- Wang, C.; Zhang, Q.H.; Streaker, C. A 12 kV solid state high voltage pulse generator for a bench top PEF machine. In Proceedings of the IEEE 3rd International Conference on Power Electronics and Motion Control, Beijing, China, 15–18 August 2000; Volume 3, pp. 1347–1352. [Google Scholar]
- Mi, Y.; Bian, C.; Wan, J.; Xu, J.; Yao, C.; Li, C. A Modular Solid-State Nanosecond Pulsed Generator Based on Blumlein-Line and Transmission Line Transformer with Microstrip Line. IEEE Trans. Dielectr. Electr. Insul. 2017, 24, 2196–2202. [Google Scholar] [CrossRef]
- Pirc, E.; Miklavcic, D.; Rebersek, M. Nanosecond Pulse Electroporator with Silicon Carbide MOSFETs: Development and Evaluation. IEEE Trans. Biomed. Eng. 2019, 66, 3526–3533. [Google Scholar] [CrossRef] [PubMed]
- Redondo, L.M.; Zahyka, M.; Kandratsyeu, A. Solid-State Generation of High-Frequency Burst of Bipolar Pulses for Medical Applications. IEEE Trans. Plasma Sci. 2019, 47, 4091–4095. [Google Scholar] [CrossRef]
- Yao, C.; Dong, S.; Zhao, Y.; Mi, Y.; Li, C. A Novel Configuration of Modular Bipolar Pulse Generator Topology Based on Marx Generator with Double Power Charging. IEEE Trans. Plasma Sci. 2016, 44, 1872–1878. [Google Scholar] [CrossRef]
- Abdelsalam, I.; Elgenedy, M.A.; Ahmed, S.; Williams, B.W. Full-Bridge Modular Multilevel Submodule-Based High-Voltage Bipolar Pulse Generator with Low-Voltage DC, Input for Pulsed Electric Field Applications. IEEE Trans. Plasma Sci. 2017, 45, 2857–2864. [Google Scholar] [CrossRef]
- Jiang, W.; Oshima, N.; Yokoo, T.; Yatsui, K.; Takayama, K.; Wake, M.; Shimizu, N.; Tokuchi, A. Development of Repetitive Pulsed Power Generators Using Power Semiconductor Devices. IEEE Pulsed Power Conf. 2005, 1167–1172. [Google Scholar] [CrossRef]
- Redondo, L.M.; Silva, J.F. Repetitive High-Voltage Solid-State Marx Modulator Design for Various Load Conditions. IEEE Trans. Plasma Sci. 2009, 37, 1632–1637. [Google Scholar] [CrossRef]
- Mocevic, S.; Wang, J.; Burgos, R.; Boroyevich, D.; Stancu, C.; Jaksic, M.; Peaslee, B. Comparison between desaturation sensing and Rogowski coil current sensing for short-circuit protection of 1.2 kV, 300 A SiC MOSFET module. In Proceedings of the 2018 IEEE Applied Power Electronics Conference and Exposition (APEC), San Antonio, TX, USA, 4–8 March 2018; pp. 2666–2672. [Google Scholar] [CrossRef]
- Michel, O.; Pakhomov, A.G.; Casciola, M.; Saczko, J.; Kulbacka, J.; Pakhomova, O.N. Electro permeabilization does not correlate with plasma membrane lipid oxidation. Bioelectrochemistry 2020, 132, 107433. [Google Scholar] [CrossRef]
- Bo, W.; Silkunas, M.; Mangalanathan, U.; Novickij, V.; Casciola, M.; Semenov, I.; Xiao, S.; Pakhomova, O.N.; Pakhomov, A.G. Probing Nano electroporation and Resealing of the Cell Membrane by the Entry of Ca2+ and Ba2+ Ions. Int. J. Mol. Sci. 2020, 21, 3386. [Google Scholar] [CrossRef]
- Sozer, E.B.; Pocetti, C.F.; Vernier, P.T. Asymmetric Patterns of Small Molecule Transport After Nanosecond and Microsecond Electropermeabilization. J. Membr. Biol. 2018, 251, 197–210. [Google Scholar] [CrossRef] [PubMed]
- Liu, H.; Zhao, Y.; Yao, C.; Schmelz, E.M.; Davalos, R.V. Differential effects of nanosecond pulsed electric fields on cells representing progressive ovarian cancer. Bioelectrochemistry 2021, 142, 107942. [Google Scholar] [CrossRef]
- Newman, J.; Jauregui, L.; Knape, W.A.; Ebbers, E.; Uecker, D.; Mehregan, D.; Nuccitelli, R. A dose-response study of nanosecond electric energy pulses on facial skin. J. Cosmet. Laser Ther. 2020, 22, 195–199. [Google Scholar] [CrossRef]
- Hruza, G.J.; Zelickson, B.D.; Selim, M.M.; Rohrer, T.E.; Newman, J.; Park, H.; Jauregui, L.; Nuccitelli, R.; Knape, W.A.; Ebbers, E.; et al. Safety and Efficacy of Nanosecond Pulsed Electric Field Treatment of Seborrheic Keratoses. Dermatol. Surg. 2019, 46, 1183–1189. [Google Scholar] [CrossRef] [PubMed]
- Nuccitelli, R.; McDaniel, A.; Anand, S.; Cha, J.; Mallon, Z.; Berridge, J.C.; Uecker, D. Nano-Pulse Stimulation is a physical modality that can trigger immunogenic tumor cell death. J. Immunother. Cancer 2017, 5, 32. [Google Scholar] [CrossRef]
- Nuccitelli, R.; Berridge, J.C.; Mallon, Z.; Kreis, M.; Athos, B.; Nuccitelli, P. Nanoelectroablation of Murine Tumors Triggers a CD8-Dependent Inhibition of Secondary Tumor Growth. PLoS ONE 2015, 10, e0134364. [Google Scholar] [CrossRef]
- Nuccitelli, R.; Huynh, J.; Lui, K.; Wood, R.; Kreis, M.; Athos, B.; Nuccitelli, P. Nanoelectroablation of human pancreatic carcinoma in a murine xenograft model without recurrence. Int. J. Cancer 2013, 132, 1933–1939. [Google Scholar] [CrossRef]












| # MM0 | Pause (ns) | Pulse (ns) | Mask | Stages on |
|---|---|---|---|---|
| 1 | 200 | 200 | 510 | 8 |
| 2 | 200 | 400 | 2 | 1 |
| 3 | 400 | 600 | 30 | 4 |
| # MM0 | Pause (ns) | Pulse (ns) | Mask | Stages on |
|---|---|---|---|---|
| (a) 1 | 200 | 200 | 510 | 8 |
| (b) 1 | 200 | 100 | 510 | 8 |
| (c) 1 | 200 | 100,000 | 510 | 8 |
| # MM0 | Pause (ns) | Pulse (ns) | Mask | Stages on |
|---|---|---|---|---|
| 1 | 250 | 250 | 510 | 8 |
| 2 | 300 | 300 | 6 | 2 |
| 3 | 250 | 450 | 254 | 7 |
| 4 | 500 | 1100 | 30 | 4 |
| # MM0 | Pause (ns) | Pulse (ns) | Mask | Stages on |
|---|---|---|---|---|
| 1 | 200 | 250 | 510 | 8 |
| # MM1 | Pause (ns) | Pulse (ns) | Mask | Stages on |
| 1 | 200 | 250 | 510 | 8 |
| # MM0 | Pause (ns) | Pulse (ns) | Mask | Stages on |
|---|---|---|---|---|
| 1 | 250 | 250 | 510 | 8 |
| 2 | 250 | 250 | 126 | 6 |
| 3 | 250 | 250 | 30 | 4 |
| 4 | 250 | 250 | 6 | 2 |
| # MM1 | Pause (ns) | Pulse (ns) | Mask | Stages on |
| 1 | 500 | 250 | 254 | 7 |
| 2 | 250 | 250 | 62 | 5 |
| 3 | 250 | 250 | 14 | 3 |
| 4 | 250 | 250 | 2 | 1 |
| # MM2 | Pause (ns) | Pulse (ns) | Mask | Stages on |
| 1 | 750 | 250 | 510 | 8 |
| 2 | 250 | 250 | 126 | 6 |
| 3 | 250 | 250 | 30 | 4 |
| 4 | 250 | 250 | 6 | 2 |
| # MM3 | Pause (ns) | Pulse (ns) | Mask | Stages on |
| 1 | 1000 | 250 | 510 | 7 |
| 2 | 250 | 250 | 126 | 5 |
| 3 | 250 | 250 | 30 | 3 |
| 4 | 250 | 250 | 6 | 1 |
Publisher’s Note: MDPI stays neutral with regard to jurisdictional claims in published maps and institutional affiliations. |
© 2021 by the authors. Licensee MDPI, Basel, Switzerland. This article is an open access article distributed under the terms and conditions of the Creative Commons Attribution (CC BY) license (https://creativecommons.org/licenses/by/4.0/).
Share and Cite
Kandratsyeu, A.; Sabaleuski, U.; Redondo, L.; Pakhomov, A.G. Four Channel 6.5 kV, 65 A, 100 ns–100 µs Generator with Advanced Control of Pulse and Burst Protocols for Biomedical and Biotechnological Applications. Appl. Sci. 2021, 11, 11782. https://doi.org/10.3390/app112411782
Kandratsyeu A, Sabaleuski U, Redondo L, Pakhomov AG. Four Channel 6.5 kV, 65 A, 100 ns–100 µs Generator with Advanced Control of Pulse and Burst Protocols for Biomedical and Biotechnological Applications. Applied Sciences. 2021; 11(24):11782. https://doi.org/10.3390/app112411782
Chicago/Turabian StyleKandratsyeu, Aleh, Uladzimir Sabaleuski, Luis Redondo, and Andrei G. Pakhomov. 2021. "Four Channel 6.5 kV, 65 A, 100 ns–100 µs Generator with Advanced Control of Pulse and Burst Protocols for Biomedical and Biotechnological Applications" Applied Sciences 11, no. 24: 11782. https://doi.org/10.3390/app112411782
APA StyleKandratsyeu, A., Sabaleuski, U., Redondo, L., & Pakhomov, A. G. (2021). Four Channel 6.5 kV, 65 A, 100 ns–100 µs Generator with Advanced Control of Pulse and Burst Protocols for Biomedical and Biotechnological Applications. Applied Sciences, 11(24), 11782. https://doi.org/10.3390/app112411782

