Two-Terminal Electronic Circuits with Controllable Linear NDR Region and Their Applications
Abstract
1. Introduction
2. Review
- In most of the published studies, there is no possibility of controlling the PVCR. The PVCR control is available in the NDR devices considered in the studies [26,27,31,39], but the maximum current levels are in the nA and µA ranges. In the NDR circuit [17], the control of PVCR is possible in the mA range by changing the value of one of the resistors.
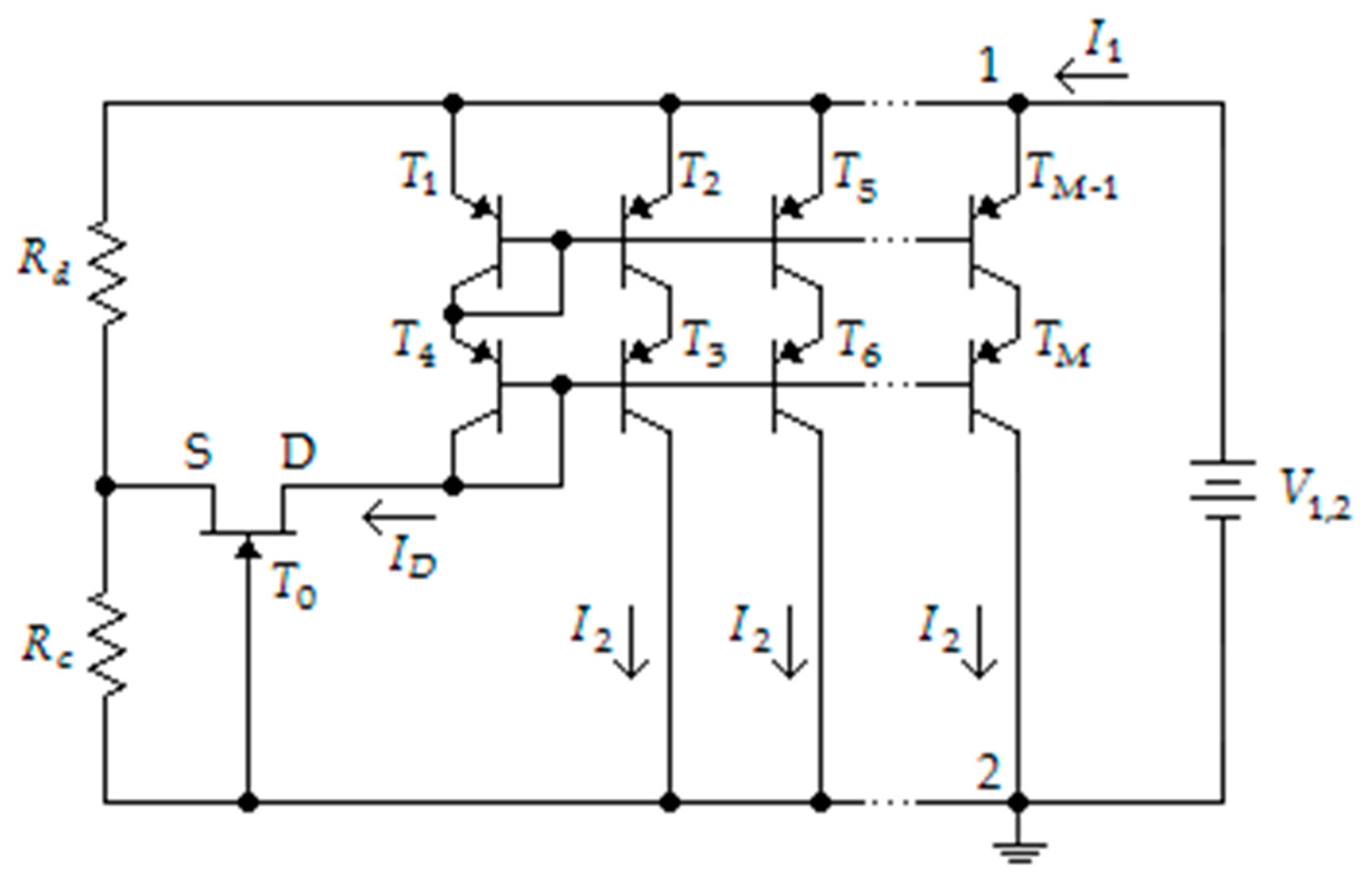
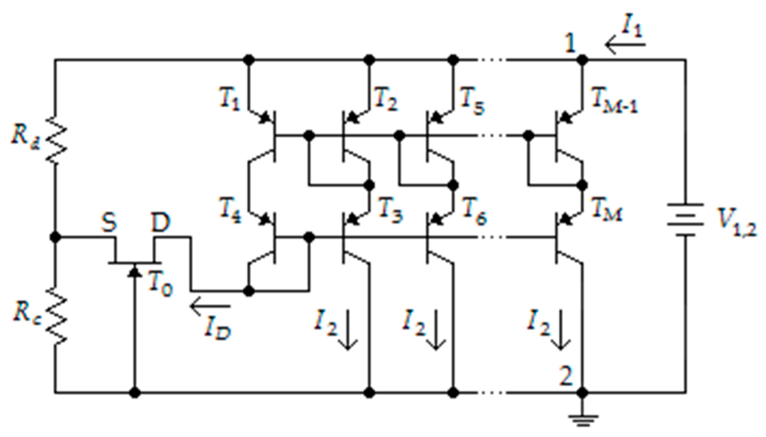
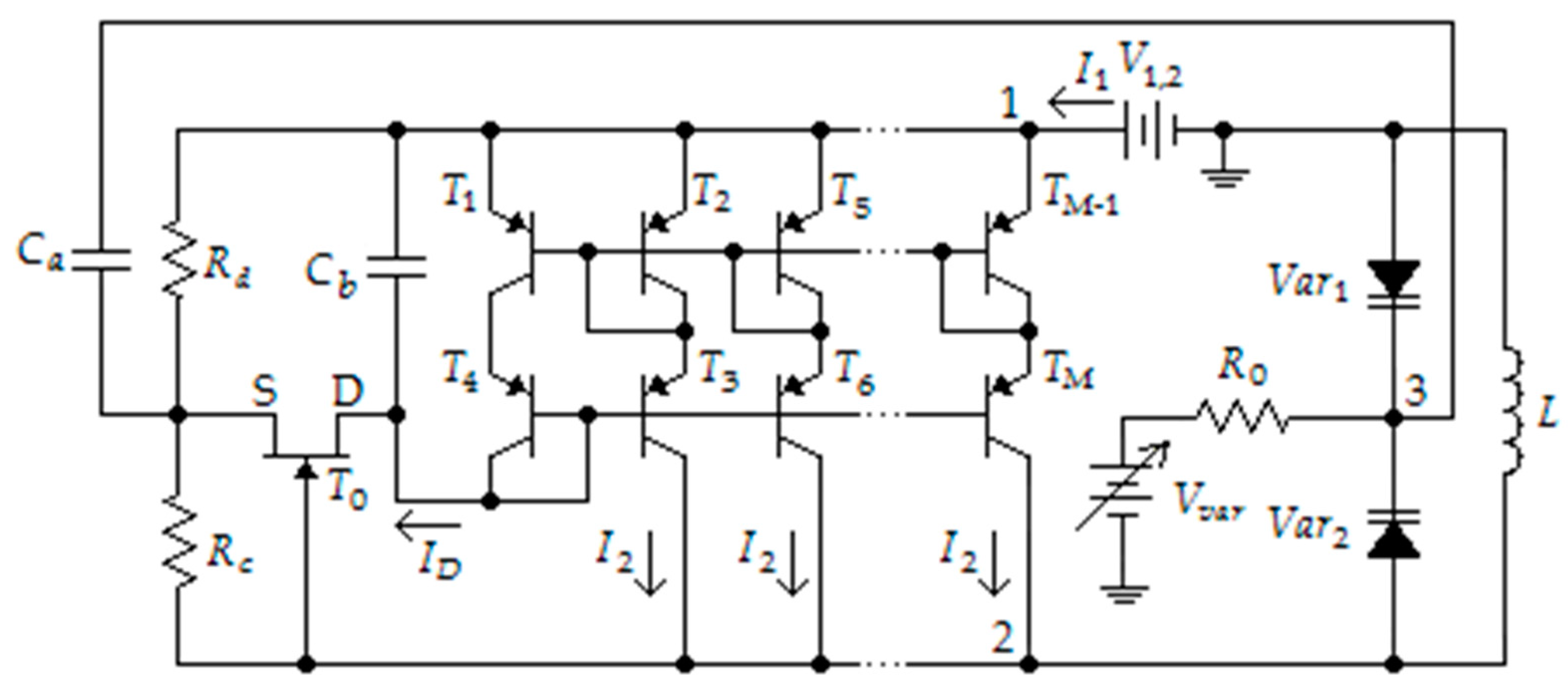
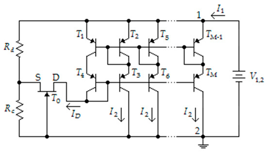
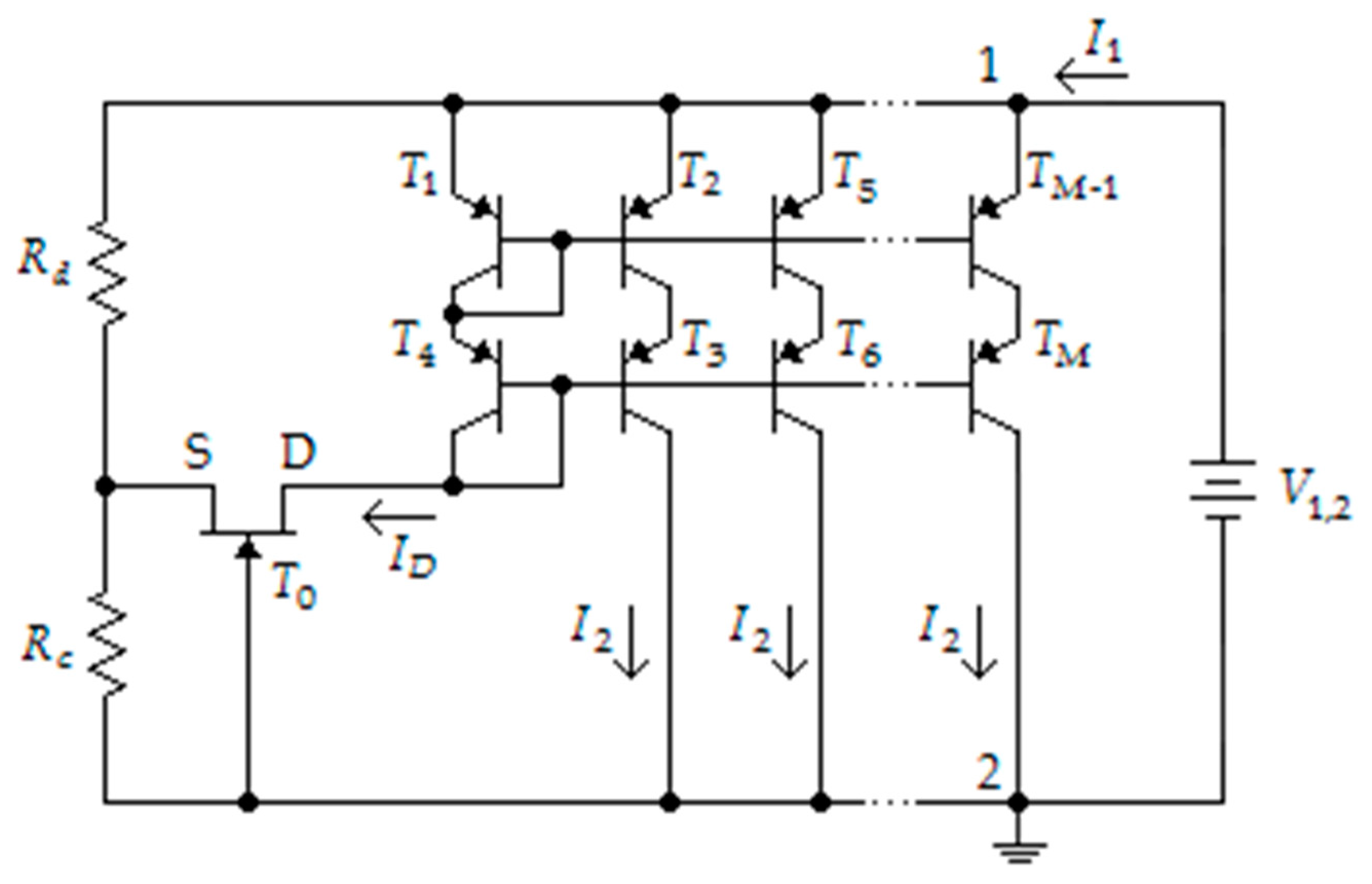
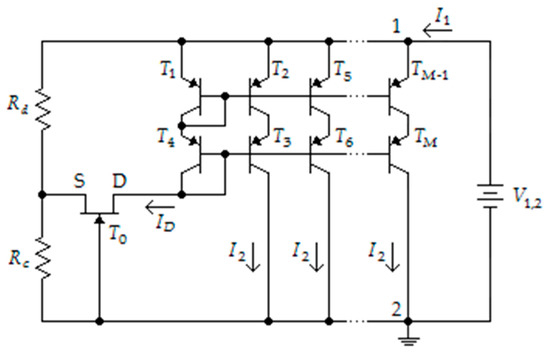
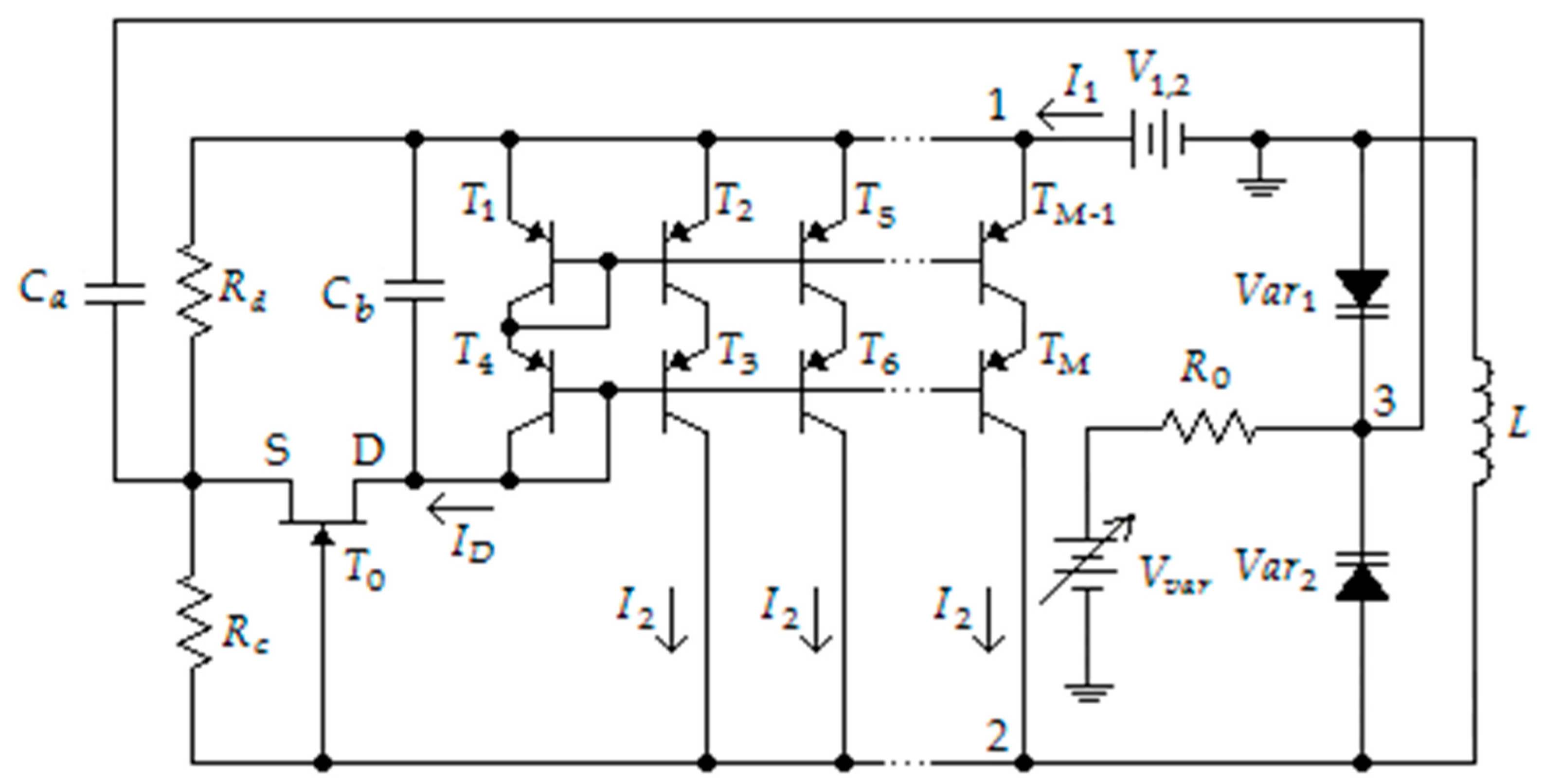
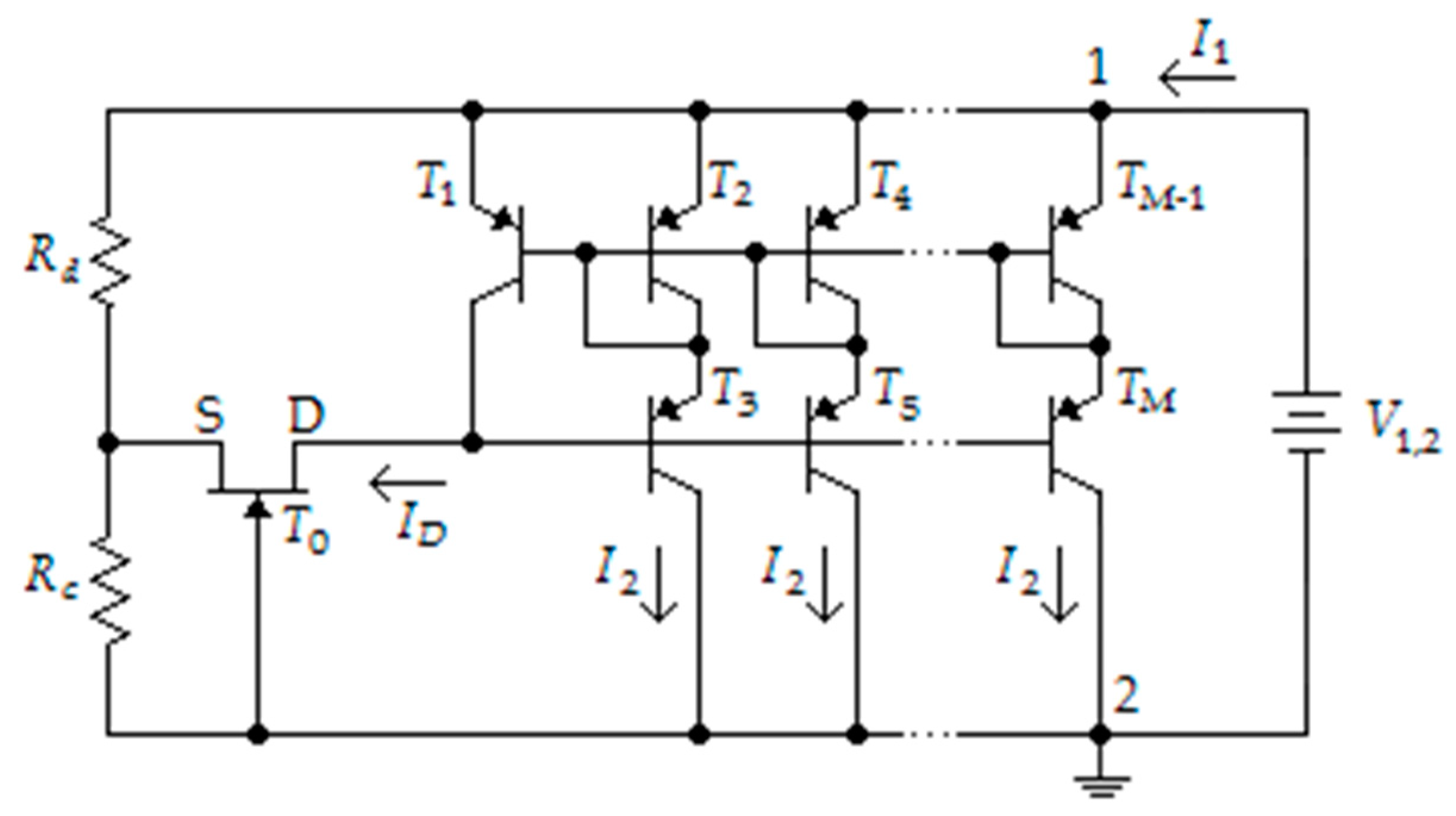
3. Two-Terminal NDR Circuits
4. Modeling the Drain Current of Transistor T0
5. Modeling the Negative Differential Resistance
- for the two-terminal NDR circuit with an MCCM,
- for the two-terminal NDR circuit with an MWCM,
- and, for the two-terminal NDR circuit with a MIWCM,
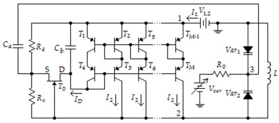
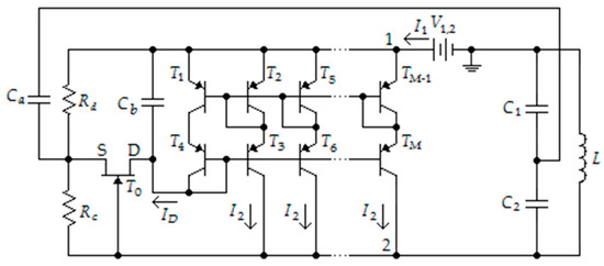
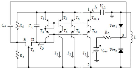
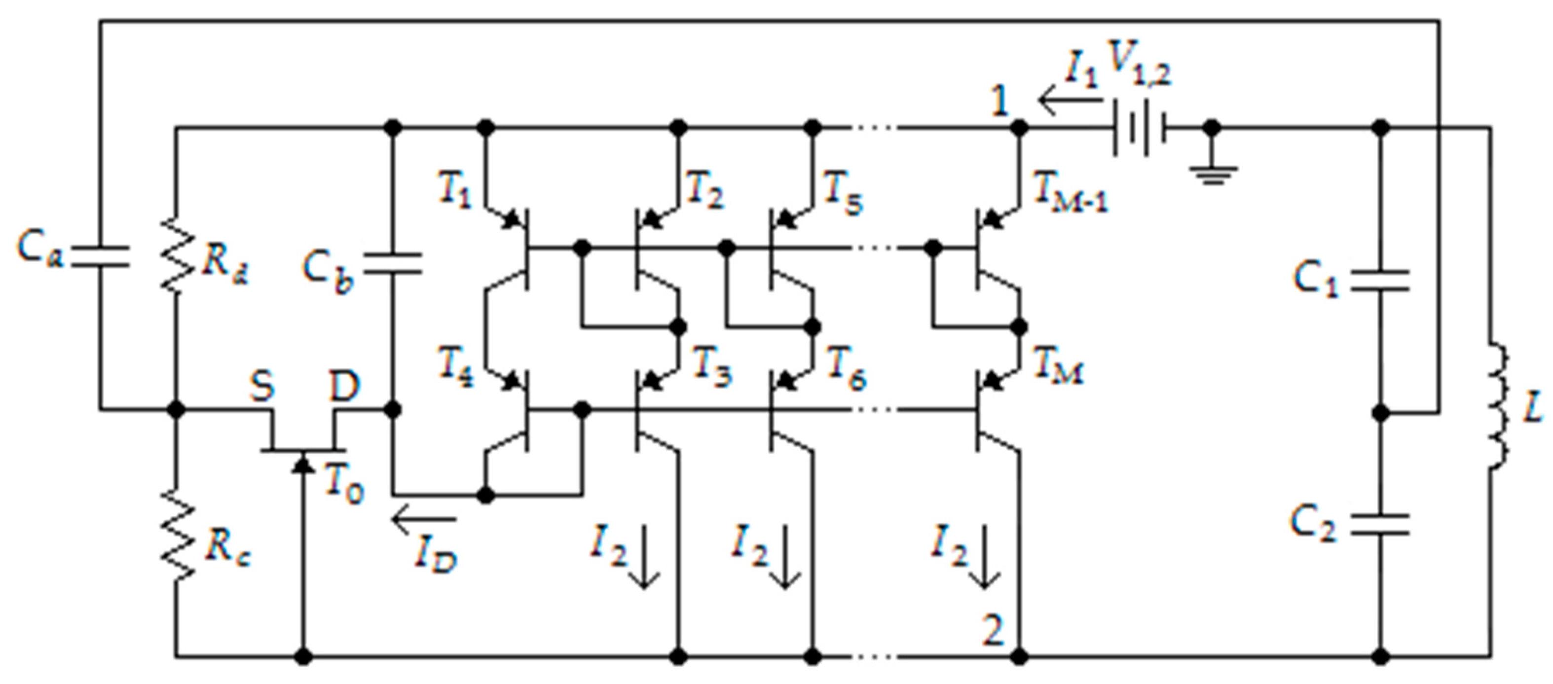
6. Applications
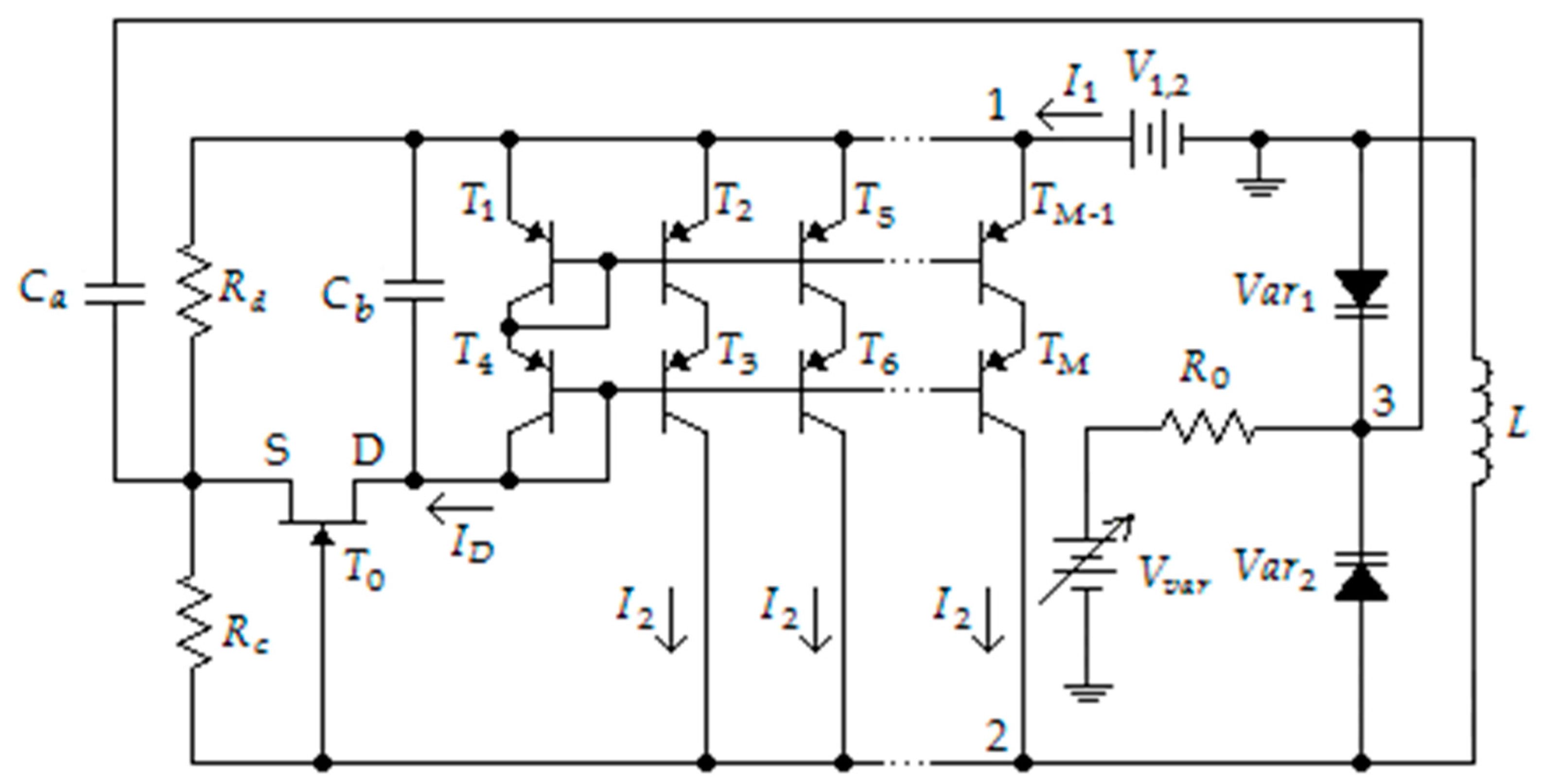
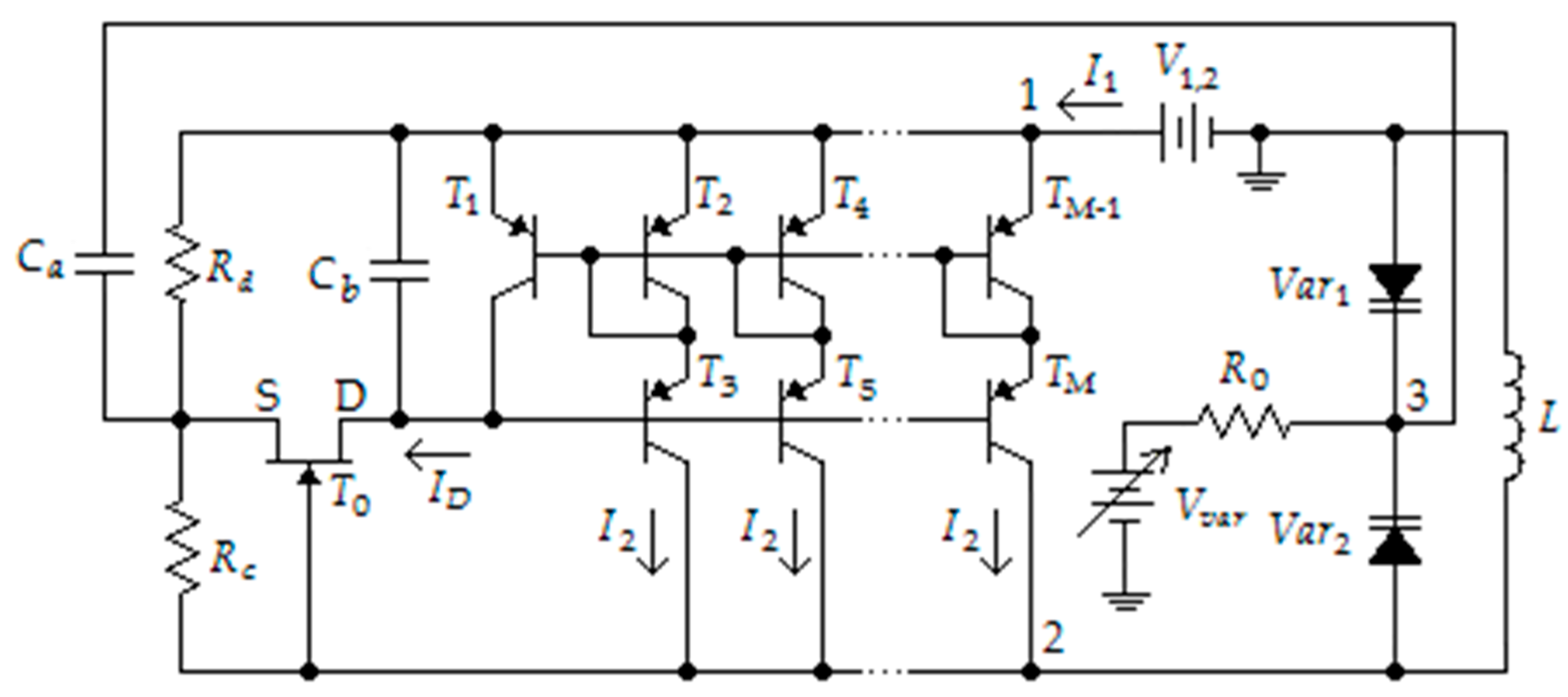
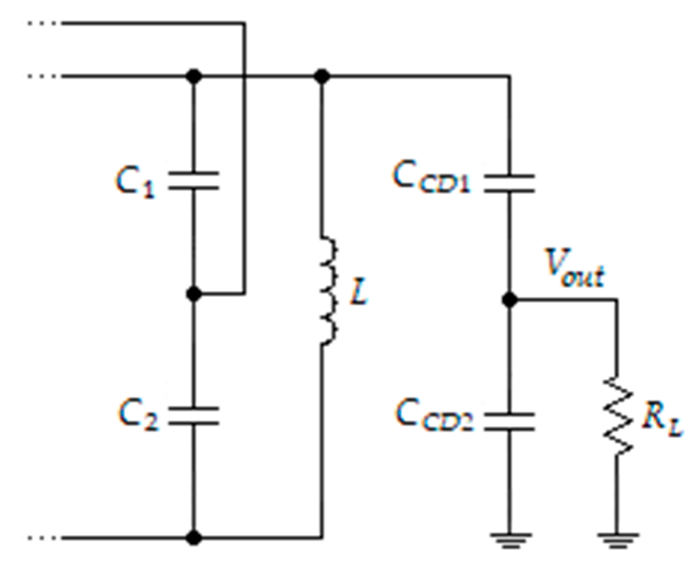
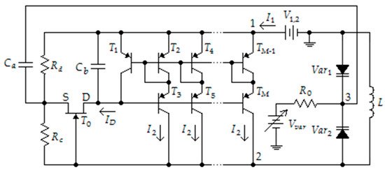
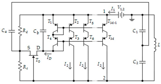
6.1. Negative Differential Resistance Oscillators
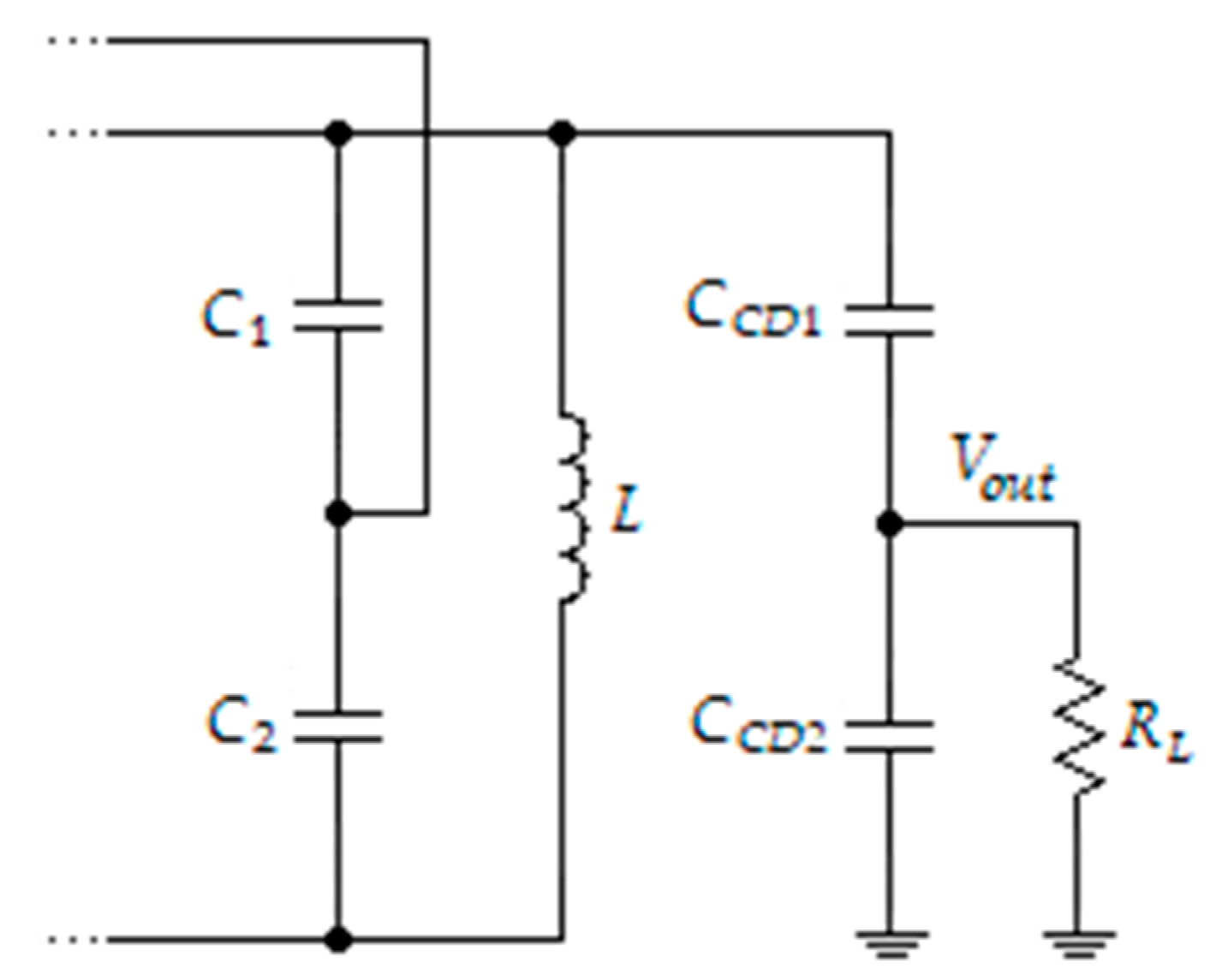
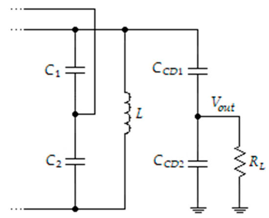
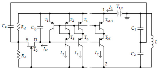
6.2. Negative Differential Resistance Voltage-Controlled Oscillators
7. Results and Discussion
7.1. Simulation and Calculation of Current-Voltage Characteristics
7.2. Simulation of Negative Differential Resistance
7.3. Simulation of Oscillator Characteristics
7.4. Simulation of VCO Characteristics
8. Experimental Results
9. Conclusions
Author Contributions
Funding
Institutional Review Board Statement
Informed Consent Statement
Data Availability Statement
Acknowledgments
Conflicts of Interest
Abbreviations
| BJT | Bipolar junction transistor |
| CM | Current mirror |
| CMOS | Complementary metal-oxide-semiconductor |
| FET | Field-effect transistor |
| HBT | Heterojunction bipolar transistor |
| HEMT | High-electron-mobility transistor |
| JFET | Junction field-effect transistor |
| MCCM | Multiple-output cascode current mirror |
| MESFET | Metal-semiconductor field-effect transistor |
| MIWCM | Multiple-output improved Wilson current mirror |
| MOSFET | Metal-oxide-semiconductor field-effect transistor |
| MWCM | Multiple-output Wilson current mirror |
| NDR | Negative differential resistance |
| NI | Negative impedance |
| nMOS | n-channel metal-oxide semiconductor |
| PCB | Printed circuit board |
| PHEMT | Pseudomorphic high-electron-mobility transistor |
| pMOS | p-channel metal-oxide semiconductor |
| PVCR | Peak-to-valley current ratio |
| RBW | Resolution bandwidth |
| RF | Radio frequency |
| SiGe | Silicon-Germanium |
| SRAM | Static random-access memory |
| TFET | Tunnel field-effect transistor |
| VCO | Voltage-controlled oscillator |
| Nomenclature | |
| α | Coefficient of the hyperbolic tangent function |
| b | Transconductance |
| fof | Offset frequency |
| FOM | Figure of merit |
| hFE | Bipolar transistor dc current gain |
| I1 | Total dc current of the NDR circuit |
| I2 | Mirrored current |
| ID | Current in the master branch of CM |
| IDSS | Zero-gate-voltage drain current of JFET |
| IX | Total dc current of the NDR circuit at point X |
| IY | Total dc current of the NDR circuit at point Y |
| IZ | Total dc current of the NDR circuit at point Z |
| λ | Channel length modulation coefficient |
| m | Number of additional current sources (mirrored currents) |
| M | Number of BJTs in multiple-output current mirror |
| Pdis | Oscillator dissipation power |
| PN | Oscillator phase noise |
| Ql | Loaded quality factor of the tank circuit |
| Characteristic impedance of the tank circuit | |
| Rdiff | Differential resistance |
| Differential resistance of the NDR circuit with multiple-output cascode current mirror | |
| Differential resistance of the NDR circuit with multiple-output improved Wilson current mirror | |
| Differential resistance of the NDR circuit with multiple-output Wilson current mirror | |
| Rc, Rd | Resistive voltage divider |
| RQ | Loaded tank circuit resistance at resonance |
| T0 | Field-effect transistor in NDR circuits |
| Bipolar junction transistors in multiple-output current mirror | |
| V1,2 | Voltage between terminals 1 and 2 in NDR circuits |
| VA | Early voltage of a BJT in the current mirror |
| VCE1, VCE2 | Collector-emitter voltages of transistors T1 and T2 in the multiple-output Wilson current mirror |
| VD | Drain voltage of transistor T0 |
| VDS | Drain-source voltage of transistor T0 |
| VEB | Emitter-base voltage |
| VEB3 | Emitter-base voltage of transistor T3 in the multiple-output Wilson current mirror |
| VGS | Gate-source voltage of transistor T0 |
| VP | Pinch-off voltage of JFET T0 |
| VTH | Threshold voltage of transistor T0 (MESFET, HEMT, or PHEMT) |
| VX | Voltage between terminals 1 and 2 at point X |
| VY | Voltage between terminals 1 and 2 at point Y |
| VZ | Voltage between terminals 1 and 2 at point Z |
| ΔIY % | Relative accuracy of calculating current IY |
| ΔID % | Relative accuracy of calculating current ID |
References
- Gumber, K.; Dejous, C.; Hemour, S. Harmonic reflection amplifier for widespread backscatter Internet-of-Things. IEEE Trans. Microw. Theory Tech. 2021, 69, 774–785. [Google Scholar] [CrossRef]
- Islam, M.T.; Kogut, A.; Yahya, I.; Dolia, R. On the Possibility of Use of Planar Dielectric Resonators for Solving the Problems of Frequency Stabilization of Millimeter Waves Oscillators. In Proceedings of the 2019 IEEE Asia-Pacific Conference on Applied Electromagnetics, Melacca, Malaysia, 25–27 November 2019. [Google Scholar] [CrossRef]
- Semenov, A.; Osadchuk, O.; Semenova, O.; Koval, K.; Baraban, S.; Savytskyi, A. A Deterministic Chaos Ring Oscillator Based on a MOS Transistor Structure with Negative Differential Resistance. In Proceedings of the 2019 IEEE International Scientific-Practical Conference Problems of Infocommunications, Science and Technology, Kyiv, Ukraine, 8–11 October 2019. [Google Scholar] [CrossRef]
- Choi, S.; Jeong, Y.; Lee, J.; Yang, K. A novel high-speed multiplexing IC based on resonant tunneling diodes. IEEE Trans. Nanotechnol. 2009, 8, 482–486. [Google Scholar] [CrossRef]
- Chen, S.L.; Griffin, P.B.; Plummer, J.D. Negative differential resistance circuit design and memory applications. IEEE Trans. Electron Devices 2009, 56, 634–640. [Google Scholar] [CrossRef]
- Kastalsky, A.; Luryi, S.; Gossard, A.C.; Chan, W.K. Switching in NERFET circuits. IEEE Electron Device Lett. 1985, 6, 347–349. [Google Scholar] [CrossRef]
- Semenov, A.; Semenova, O.; Rudyk, A.; Voznyak, O.; Pinaiev, B.; Kulias, R. Mathematical Model of Microwave Devices on Resonant Tunneling Diodes for Practical Application in Radar and Electronic Systems. In Proceedings of the 2020 IEEE Ukrainian Microwave Week, Kyiv, Ukraine, 21–25 September 2020. [Google Scholar] [CrossRef]
- Gumber, K.; Amato, F.; Dejous, C.; Hemour, S. Nonlinear Negative Resistance-based Harmonic Backscatter. In Proceedings of the 2020 IEEE/MTT-S International Microwave Symposium, Los Angeles, CA, USA, 4–6 August 2020. [Google Scholar] [CrossRef]
- Semenov, A.; Semenova, O.; Osadchuk, O.; Osadchuk, I.; Baraban, S.; Rudyk, A.; Safonyk, A.; Voznyak, O. Van der Pol Oscillators Based on Transistor Structures with Negative Differential Resistance for Infocommunication System Facilities. In Data-Centric Business and Applications. Lecture Notes on Data Engineering and Communications Technologies; Ageyev, D., Radivilova, T., Kryvinska, N., Eds.; Springer: Cham, Switzerland, 2021; Volume 69, pp. 43–78. [Google Scholar] [CrossRef]
- Broekaert, T.P.; Brar, B.; van der Wagt, J.P.; Seabaugh, A.C.; Morris, F.J.; Moise, T.S.; Beam, E.A.; Frazier, G.A. A monolithic 4-bit 2-Gsps resonant tunneling analog-to-digital converter. IEEE J. Solid State Circuits 1998, 33, 1342–1349. [Google Scholar] [CrossRef]
- Boriskov, P.P.; Velichko, A.A. Inductively coupled burst oscillators in neural network information processing systems. J. Phys. Conf. Ser. 2019, 1399, 033051. [Google Scholar] [CrossRef]
- Berger, P.R.; Ramesh, A. Negative differential resistance devices and circuits. In Comprehensive Semiconductor Science and Technology; Bhattacharya, P., Fornari, R., Kamimura, H., Eds.; Elsevier: Amsterdam, The Netherlands, 2011; Volume 5, pp. 176–241. [Google Scholar]
- Esaki, L. New phenomenon in narrow germanium p−n junctions. Phys. Rev. 1958, 109, 603–604. [Google Scholar] [CrossRef]
- Esaki, L. Discovery of the tunnel diode. IEEE Trans. Electron Devices 1976, 23, 644–647. [Google Scholar] [CrossRef]
- Gunn, J.B. Microwave oscillations of current in III–V semiconductors. Solid State Commun. 1963, 1, 88–91. [Google Scholar] [CrossRef]
- Stanley, I.W.; Ager, D.J. Two-terminal negative dynamic resistance. Electron. Lett. 1970, 6, 1–2. [Google Scholar] [CrossRef]
- Sharma, C.K.; Dutta Roy, S.C. A versatile design giving both N-type and S-type of negative-resistances. Microelectron. Reliab. 1972, 11, 499–504. [Google Scholar] [CrossRef]
- Wu, C.Y.; Wu, C.Y. The new general realization theory of FET-like integrated voltage-controlled negative differential resistance devices. IEEE Trans. Circuits Syst. 1981, 28, 382–390. [Google Scholar]
- Chua, L.; Yu, J.; Yu, Y. Bipolar-JFET-MOSFET negative resistance devices. IEEE Trans. Circuits Syst. 1985, 32, 46–61. [Google Scholar] [CrossRef]
- Trajković, L.; Willson, A. Negative Differential Resistance in Two-transistor One-ports with no Internal Sources. In Proceedings of the IEEE International Symposium on Circuits and Systems, Espooo, Finland, 7–9 June 1988. [Google Scholar] [CrossRef]
- Jung, K.S.; Heo, K.; Kim, M.J.; Andreev, M.; Seo, S.; Kim, J.O.; Lim, J.H.; Kim, K.H.; Kim, S.; Kim, K.S.; et al. Double negative differential resistance device based on Hafnium Disulfide/Pentacene hybrid structure. Adv. Sci. 2020, 7, 2000991. [Google Scholar] [CrossRef]
- Kobashi, K.; Hayakawa, R.; Chikyow, T.; Wakayama, Y. Negative differential resistance transistor with organic p-n heterojunction. Adv. Electron. Mater. 2017, 3, 1700106. [Google Scholar] [CrossRef]
- Lv, Q.; Yan, F.; Mori, N.; Zhu, W.; Hu, C.; Kudrynskyi, Z.R.; Kovalyuk, Z.D.; Patanè, A.; Wang, K. Interlayer band-to-band tunneling and negative differential resistance in van der Waals BP/InSe field-effect transistors. Adv. Funct. Mater. 2020, 30, 1910713. [Google Scholar] [CrossRef]
- Qiu, W.; Nguyen, P.D.; Skafidasa, E. Graphene nanopores as negative differential resistance devices. J. Appl. Phys. 2015, 117, 054306. [Google Scholar] [CrossRef]
- Kheirabadi, S.J.; Ghayour, R.; Sanaeeb, M. Negative differential resistance effect in different structures of armchair graphene nanoribbon. Diam. Relat. Mater. 2020, 108, 107970. [Google Scholar] [CrossRef]
- Yang, C.F.; Hwu, J.G. Tunable negative differential resistance in MISIM tunnel diodes structure with concentric circular electrodes controlled by designed substrate bias. IEEE Trans. Electron Devices 2017, 64, 5230–5235. [Google Scholar] [CrossRef]
- Xiong, X.; Huang, M.; Hu, B.; Li, X.; Liu, F.; Li, S.; Tian, M.; Li, T.; Song, J.; Wu, Y. A transverse tunneling field-effect transistor made from a van der Waals heterostructure. Nat. Electron. 2020, 3, 106–112. [Google Scholar] [CrossRef]
- Kim, K.H.; Park, H.Y.; Shim, J.; Shin, G.; Andreev, M.; Koo, J.; Yoo, G.; Jung, K.; Heo, K.; Lee, Y.; et al. A multiple negative differential resistance heterojunction device and its circuit application to ternary static random access memory. Nanoscale Horiz. 2020, 5, 654–662. [Google Scholar] [CrossRef]
- Liang, D.S.; Gan, K.J.; Hsiao, C.C.; Tsai, C.S.; Chen, Y.H.; Wane, S.Y.; Kuo, S.H.; Chiang, F.C.; Su, L.X. Novel voltage-controlled oscillator design by MOS-NDR devices and circuits. In Proceedings of the IEEE Fifth International Workshop on System-on-Chip for Real-Time Applications, Banff, AB, Canada, 20–24 July 2005. [Google Scholar] [CrossRef]
- Gan, K.J.; Lub, J.J.; Yeh, W.K. Multiple-valued logic design based on the multiple-peak BiCMOS-NDR circuits. Eng. Sci. Technol. Int. J. 2016, 19, 888–893. [Google Scholar] [CrossRef][Green Version]
- Chung, S.Y.; Jin, N.; Berger, P.R.; Yu, R.; Thompson, P.E.; Lake, R.; Rommel, S.L.; Kurinec, S.K. Three-terminal Si-based negative differential resistance circuit element with adjustable peak-to-valley current ratios using a monolithic vertical integration. Appl. Phys. Lett. 2004, 84, 2688–2690. [Google Scholar] [CrossRef]
- Semenov, A. Mathematical model of the microelectronic oscillator based on the BJT-MOSFET structure with negative differential resistance. In Proceedings of the 2017 IEEE 37th International Conference on Electronics and Nanotechnology (ELNANO), Kyiv, Ukraine, 18–20 April 2017. [Google Scholar] [CrossRef]
- Gan, K.J.; Tsai, C.S.; Sun, W.L. Fabrication and application of MOS-HBT-NDR circuit using standard SiGe process. Electron. Lett. 2007, 43, 516–517. [Google Scholar] [CrossRef]
- Ulansky, V.V.; Ben Suleiman, S.F.; Elsherif, H.M.; Abusaid, M.F. Optimization of NDR VCOs for microwave applications. In Proceedings of the 2016 IEEE 36th International Conference on Electronics and Nanotechnology (ELNANO), Kyiv, Ukraine, 19–21 April 2016. [Google Scholar] [CrossRef]
- Ulansky, V.; Raza, A.; Oun, H. Electronic circuit with controllable negative differential resistance and its applications. Electronics 2019, 8, 409. [Google Scholar] [CrossRef]
- Yang, C.C. Influence of parasitic effects in negative differential resistance characteristics of resonant tunneling. Electronics 2019, 8, 673. [Google Scholar] [CrossRef]
- Kadioglu, Y. Ballistic transport and optical properties of a new half-metallic monolayer: Vanadium phosphide. Mater. Sci. Eng. B 2021, 268, 115111. [Google Scholar] [CrossRef]
- Rathi, S.; Lee, I.; Kang, M.; Lim, D.; Lee, Y.; Yamacli, S.; Joh, H.I.; Kim, S.; Kim, S.W.; Yun, S.J.; et al. Observation of negative differential resistance in mesoscopic graphene oxide devices. Sci. Rep. 2018, 8, 7144. [Google Scholar] [CrossRef]
- Sharma, S.; Cheng, C.A.; Santiago, S.R.; Feria, D.N.; Yuan, C.T.; Chang, S.H.; Lin, T.Y.; Shen, J.L. Aggregation-induced negative differential resistance in graphene oxide quantum dots. Phys. Chem. Chem. Phys. 2021, 23, 16909–16914. [Google Scholar] [CrossRef]
- Shim, J.; Oh, S.; Kang, D.H.; Jo, S.H.; Ali, M.H.; Choi, W.Y.; Heo, K.; Jeon, J.; Lee, S.; Kim, M.; et al. Phosphorene/rhenium disulfide heterojunction-based negative differential resistance device for multi-valued logic. Nat. Commun. 2016, 7, 13413. [Google Scholar] [CrossRef]
- Gray, P.R.; Hurst, P.J.; Lewis, S.H.; Meyer, R.G. Analysis and Design of Analog Integrated Circuits, 5th ed.; Wiley: New York, NY, USA, 2009; pp. 253–277. [Google Scholar]
- Curtice, W.R. A MESFET model for use in the design of GaAs integrated circuits. IEEE Trans. Microw. Theory Tech. 1980, 28, 448–456. [Google Scholar] [CrossRef]
- Statz, H.; Newman, P.; Smith, I.W.; Pucel, R.A.; Haus, H.A. GaAs FET device and circuit simulation in Spice. IEEE Trans. Electron Devices 1987, 34, 160–169. [Google Scholar] [CrossRef]
- McCamant, A.J.; McCormack, G.D.; Smith, D.H. An improved MESFET model for Spice. IEEE Trans. Microw. Theory Tech. 1990, 38, 822–824. [Google Scholar] [CrossRef]
- Suarez, A.; Fernandez, T. RF devices: Characteristics and modelling. In Microwave Devices, Circuits and Subsystems for Communications Engineering; Glover, I.A., Pennock, S.R., Shepherd, P.R., Eds.; John Wiley & Sons Ltd.: Chichester, UK, 2005; p. 79. [Google Scholar]
- Sato, T.; Okada, K.; Matsuzawa, A. A new figure of merit of LC oscillators considering frequency tuning range. In Proceedings of the 2011 9th IEEE International Conference on ASIC, Xiamen, China, 25–28 October 2011. [Google Scholar] [CrossRef]
- Van der Tang, J.; Kasperkovitz, D. Oscillator design efficiency: A new figure of merit for oscillator benchmarking. In Proceedings of the 2000 IEEE International Symposium on Circuits and Systems (ISCAS), Geneva, Switzerland, 28–31 May 2000. [Google Scholar] [CrossRef]
- Hegazi, E.; Sjoland, H.; Abidi, A. A filtering technique to lower LC oscillator phase noise. IEEE J. Solid State Circuits 2001, 36, 1921–1930. [Google Scholar] [CrossRef]
- Ulanski, V.V.; Elsherif, H.M.; Machalin, I.A. Analysis and design of voltage-controlled negative resistance oscillators based on simple current mirrors. Electron. Control. Syst. 2005, 3, 134–140. [Google Scholar]
- Boylestad, R.L. Introductory Circuit Analysis, 10th ed.; Pearson Education: London, UK, 2002; pp. 901–918. [Google Scholar]
- Ulansky, V.V.; Fituri, M.S.; Machalin, I.A. Mathematical modeling of voltage-controlled oscillators with the Colpitts and Clapp topology. Electron. Control. Syst. 2009, 1, 82–90. [Google Scholar] [CrossRef]
- Nguyen, D.A.; Seo, C. A novel varactorless tuning technique for Clapp VCO design using tunable negative capacitor to increase frequency-tuning range. IEEE Access 2021, 9, 99562–99570. [Google Scholar] [CrossRef]
- Ulansky, V.V.; Ben Suleiman, S.F. Negative differential resistance based voltage-controlled oscillator for VHF band. In Proceedings of the 2013 IEEE XXXIII International Scientific Conference Electronics and Nanotechnology (ELNANO), Kyiv, Ukraine, 16–19 April 2013. [Google Scholar] [CrossRef]
- Semiconductor Products. ATF-34 Series PHEMT Model. Available online: http://www.hp.woodshot.com/hprfhelp/design/SPICE/fets.htm#ATF34 (accessed on 1 October 1999).
- Liu, H.; Zhu, X.; Boon, C.C. Design of ultra-low phase noise and high power integrated oscillator in 0.25 µm GaN-on-SiC HEMT technology. IEEE Microw. Wirel. Compon. Lett. 2014, 24, 120–122. [Google Scholar] [CrossRef]
- Thi Do, T.N.; Szhau Lai, S.; Horberg, M. A MMIC GaN HEMT voltage-controlled-oscillator with high tuning linearity and low phase noise. In Proceedings of the IEEE Compound Semiconductor Integrated Circuit Symposium (CSICS), New Orleans, LA, USA, 11–14 October 2015; pp. 1–4. [Google Scholar] [CrossRef]
- Lai, W.-C.; Jang, S.-L.; Chen, Y.-W. Dual-feedback GaN HEMT oscillator. In Proceedings of the 2019 IEEE International Symposium on Radio-Frequency Integration Technology (RFIT), Nanjing, China, 28–30 August 2019. [Google Scholar] [CrossRef]
- Chang, C.-L.; Tseng, C.-H.; Chang, H.-Y. A new monolithic Ka-band filter-based voltage-controlled oscillator using 0.15 μm GaAs pHEMT technology. IEEE Microw. Wirel. Compon. Lett. 2014, 24, 111–113. [Google Scholar] [CrossRef]
- Lai, S.; Kuylenstierna, D.; Özen, M.; Hörberg, M.; Rorsman, N.; Angelov, I.; Zirath, H. Low phase noise GaN HEMT oscillators with excellent figures of merit. IEEE Microw. Wirel. Compon. Lett. 2014, 24, 412–414. [Google Scholar] [CrossRef]
- Jang, S.-L.; Chang, Y.-H.; Lai, W.-C. A feedback GaN HEMT oscillator. In Proceedings of the 2018 IEEE International Conference on Microwave and Millimeter Wave Technology (ICMMT), Chengdu, China, 7–11 May 2018. [Google Scholar] [CrossRef]
- Lai, W.; Jang, S. An X-band GaN HEMT oscillator with four-path inductors. Appl. Comput. Electromagn. Soc. J. 2020, 35, 1059–1063. [Google Scholar] [CrossRef]
- Xu, J.; Yang, X.; Chen, Y.; Cao, Y.; Xiao, F. Low phase noise microwave oscillator with greater than 60 dB second-harmonic suppression. IET Microw. Antennas Propag. 2021, 15, 675–682. [Google Scholar] [CrossRef]
- Liu, H.; Zhu, X.; Boon, C.C.; Yi, X. Design of an oscillator with low phase noise and medium output power in a 0.25 µm GaN-on-SiC high electron-mobility transistors technology. IET Microw. Antennas Propag. 2015, 9, 795–801. [Google Scholar] [CrossRef]
- Lai, S. Oscillator Design in III-V Technologies. Ph.D. Thesis, Chalmers University of Technology, Gothenburg, Sweden, 2014. [Google Scholar]
- Cai, H.L.; Yang, Y.; Qi, N.; Chen, X.; Tian, H.; Song, Z.; Xu, Y.; Zhou, C.J.; Zhan, J.; Wang, A.; et al. A 2.7-mW 1.36–1.86-GHz LC-VCO with a FOM of 202 dBc/Hz enabled by a 26%-size-reduced nano-particle-magnetic-enhanced inductor. IEEE Trans. Microw. Theory Tech. 2014, 62, 1221–1228. [Google Scholar] [CrossRef]
- Zailer, E.; Belostotski, L.; Plume, R. 8-GHz, 6.6-mW LC-VCO with small die area and FOM of 204 dBc/Hz at 1-MHz offset. IEEE Microw. Wirel. Compon. Lett. 2016, 26, 936–938. [Google Scholar] [CrossRef]
- Garampazzi, M.; Mendes, P.M.; Codega, N. Analysis and design of a 195.6 dBc/Hz peak FoM P-N class-B oscillator with transformer-based tail filtering. IEEE J. Solid State Circuits 2015, 50, 1657–1668. [Google Scholar] [CrossRef]
- Niaboli-Guilani, M.; Saberkari, A.; Meshkin, R. A low power low phase noise CMOS voltage-controlled oscillator. In Proceedings of the 2010 17th IEEE International Conference on Electronics, Circuits and Systems, Athens, Greece, 12–15 December 2010. [Google Scholar] [CrossRef]
- Hejazi, A.; Pu, Y.G.; Lee, K.-Y. A Design of wide-range and low phase noise linear transconductance VCO with 193.76 dBc/Hz FoMT for mm-wave 5G transceivers. Electronics 2020, 9, 935. [Google Scholar] [CrossRef]
- Padovan, F.; Quadrelli, F.; Bassi, M.; Tiebout, M.; Bevilacqua, A. A quad-core 15GHz BiCMOS VCO with −124dBc/Hz phase noise at 1MHz offset, −189dBc/Hz FOM, and robust to multimode concurrent oscillations. In Proceedings of the 2018 IEEE International Solid-State Circuits Conference-(ISSCC), San Francisco, CA, USA, 11–15 February 2018. [Google Scholar] [CrossRef]
- Kucharski, M.; Herzel, F.; Ng, H.J.; Kissinger, D. A Ka-band BiCMOS LC-VCO with Wide Tuning Range and Low Phase Noise Using Switched Coupled Inductors. In Proceedings of the 2016 11th European Microwave Integrated Circuits Conference (EuMIC), London, UK, 3–4 October 2016. [Google Scholar] [CrossRef]































| Type of NDR Circuit → | NDR Circuit with Multiple-Output | ||
|---|---|---|---|
|
Parameter of I–V Characteristics ↓ | Cascode Current Mirror | Wilson Current Mirror | Improved Wilson Current Mirror |
| VX (V) | 1.46 | 1.46 | 1.46 |
| IX (mA) | 0.5 | 0.5 | 0.5 |
| VY (V) | 4.6 | 4.6 | 4.6 |
| IY (mA) m = 0 | 4.3 | 4.4 | 4.5 |
| IY (mA) m = 1 | 5.8 | 6.1 | 6.2 |
| IY (mA) m = 2 | 7.1 | 7.6 | 7.8 |
| VZ (V) | 10.2 | 10.2 | 10.2 |
| IZ (mA) | 3.5 | 3.5 | 3.5 |
| Type of NDR Circuit → | Two-Terminal NDR Circuit with Multiple-Output | ||
|---|---|---|---|
|
Parameter of I–V Characteristics ↓ | Cascode Current Mirror | Wilson Current Mirror | Improved Wilson Current Mirror |
| VY (V) | 4.6 | 4.6 | 4.6 |
| IY (mA) m = 0 | 4.6 | 4.6 | 4.7 |
| IY (mA) m = 1 | 6.4 | 6.4 | 6.7 |
| IY (mA) m = 2 | 8.1 | 8.2 | 8.6 |
| VZ (V) | 10.2 | 10.2 | 10.2 |
| IZ (mA) | 3.5 | 3.5 | 3.5 |
| Type of NDR Circuit → | Two-Terminal NDR Circuit with Multiple-Output | ||
|---|---|---|---|
|
The Relative Accuracy of the IY Current Calculation ↓ | Cascode Current Mirror | Wilson Current Mirror | Improved Wilson Current Mirror |
| ΔIY % m = 0 | 6.5% | 4.3% | 4.3% |
| ΔIY % m = 1 | 9.4% | 4.7% | 7.5% |
| ΔIY % m = 2 | 12.3% | 7.3% | 9.3% |
| Type of NDR Circuit → | Two-Terminal NDR Circuit with Multiple-Output | ||
|---|---|---|---|
| Parameter of I–V Characteristic ↓ | Cascode Current Mirror | Wilson Current Mirror | Improved Wilson Current Mirror |
| VX (V) | 1.2 | 1.2 | 1.2 |
| IX (mA) | 0.3 | 0.3 | 0.3 |
| VY (V) | 2.8 | 2.8 | 2.8 |
| IY (mA), m = 0 | 4.9 | 5.1 | 5.2 |
| IY (mA), m = 1 | 6.7 | 7.2 | 7.3 |
| IY (mA), m = 2 | 8.3 | 9.1 | 9.3 |
| VZ (V) | 13.6 | 13.6 | 13.6 |
| IZ (mA) | 3.2 | 3.2 | 3.2 |
| Type of NDR Circuit → | Two-Terminal NDR Circuit with Multiple-Output | ||
|---|---|---|---|
|
Parameter of I–V Characteristic ↓ | Cascode Current Mirror | Wilson Current Mirror | Improved Wilson Current Mirror |
| VY (V) | 2.8 | 2.8 | 2.8 |
| IY (mA), m = 0 | 5.6 | 5.7 | 5.8 |
| IY (mA), m = 1 | 8.1 | 8.2 | 8.5 |
| IY (mA), m = 2 | 10.5 | 10.8 | 11.1 |
| VZ (V) | 13.6 | 13.6 | 13.6 |
| IZ (mA) | 3.2 | 3.2 | 3.2 |
| Type of NDR Circuit → | Two-Terminal NDR Circuit with Multiple-Output | ||
|---|---|---|---|
|
The Relative Accuracy of the IY Current Calculation ↓ | Cascode Current Mirror | Wilson Current Mirror | Improved Wilson Current Mirror |
| ΔIY %, m = 0 | 12.5% | 10.5% | 10.3% |
| ΔIY %, m = 1 | 17.3% | 12.2% | 14.1% |
| ΔIY %, m = 2 | 20.9% | 15.7% | 16.2% |
| Type of NDR Circuit → | Two-Terminal NDR Circuit with Multiple-Output | ||
|---|---|---|---|
| Negative Differential Resistance Rdiff (kΩ) ↓ | Cascode Current Mirror | Wilson Current Mirror | Improved Wilson Current Mirror |
| m = 0 | −6.25 | −5.56 | −5.41 |
| m = 1 | −3.07 | −2.70 | −2.67 |
| m = 2 | −2.63 | −1.85 | −1.80 |
| Type of Oscillator | Capacitance, Ca (pF) | Oscillator Characteristics | |||
|---|---|---|---|---|---|
| Frequency of Operation, f (MHz) | Phase Noise at an Offset Frequency of 105 Hz, PN (dBc/Hz) | Power of Dissipation, Pdis (mW) | The Figure of Merit, FOM (dBc/Hz) | ||
| MCCM (m = 0) | 8 | 2019 | −125.4 | 18.8 | −198.8 |
| MCCM (m = 1) | 8 | 1627 | −104.4 | 25.2 | −174.6 |
| MCCM (m = 2) | 25 | 1412 | −104.7 | 31.0 | −172.8 |
| MWCM (m = 0) | 1 | 1958 | −150.7 | 19.6 | −223.6 |
| MWCM (m = 1) | 1 | 1556 | −151.1 | 27.0 | −220.6 |
| MWCM (m = 2) | 3 | 1335 | −159.9 | 33.9 | −227.1 |
| MIWCM (m = 0) | 3 | 1951 | −145.0 | 19.8 | −217.8 |
| MIWCM (m = 1) | 1 | 1554 | −152.0 | 27.4 | −221.5 |
| MIWCM (m = 2) | 2 | 1333 | −152.6 | 34.5 | −219.7 |
| Type of Oscillator | Capacitance, Ca (pF) | Oscillator Characteristics | |||
|---|---|---|---|---|---|
| Frequency of Operation, f (MHz) | Phase Noise at an Offset Frequency of 105 Hz, PN (dBc/Hz) | Power of Dissipation, Pdis (mW) | The Figure of Merit, FOM (dBc/Hz) | ||
| MCCM (m = 0) | 28 | 1925 | −116.1 | 18.8 | −189.1 |
| MCCM (m = 1) | 15 | 1582 | −103.9 | 25.2 | −173.9 |
| MCCM (m = 2) | 25 | 1384 | −90.0 | 31.0 | −157.9 |
| MWCM (m = 0) | 15 | 1800 | −143.1 | 19.6 | −215.3 |
| MWCM (m = 1) | 3 | 1519 | −149.8 | 27.0 | −219.1 |
| MWCM (m = 2) | 7 | 1310 | −154.6 | 33.9 | −221.6 |
| MIWCM (m = 0) | 7 | 1800 | −144.9 | 19.8 | −217.0 |
| MIWCM (m = 1) | 5 | 1483 | −150.8 | 27.4 | −219.8 |
| MIWCM (m = 2) | 2 | 1294 | −148.3 | 34.5 | −215.2 |
| Oscillator Load, RL (Ω) | The Figure of Merit (dBc/Hz) | ||
|---|---|---|---|
| Type of Oscillator | |||
| MCCM | MWCM | MIWCM | |
| ∞ | −198.8 | −227.1 | −221.5 |
| 50 | −189.1 | −221.6 | −219.8 |
| Type of VCO | Capacitance, Ca (pF) | VCO Characteristics | ||||
|---|---|---|---|---|---|---|
| fmin, fmax Vd = 2 V, 12 V (MHz) | Δf (MHz) | PN (fof = 105 Hz) Vd = 2 V, 12 V (dBc/Hz) | Pdis (mW) | FOM Vd = 2 V, 12 V (dBc/Hz) | ||
| MCCM (m = 0) | 5 | 1616, 1986 | 370 | −99.2, −139.1 | 18.8 | −170.6, −212.3 |
| MCCM (m = 1) | 12 | 1408, 1631 | 223 | −97.6, −100.4 | 25.2 | −166.6, −170.6 |
| MCCM (m = 2) | 12 | 1262, 1410 | 148 | −96.8, −90.4 | 31.0 | −163.9, −158.5 |
| MWCM (m = 0) | 10 | 1571, 1912 | 341 | −132.5, −143.2 | 19.6 | −203.5, −215.9 |
| MWCM (m = 1) | 7 | 1366, 1556 | 190 | −135.3, −151.2 | 27.0 | −203.7, −220.7 |
| MWCM (m = 2) | 7 | 1222, 1339 | 117 | −137.8, −148.1 | 33.9 | −204.2, −215.3 |
| MIWCM (m = 0) | 10 | 1569, 1911 | 342 | −132.4, −144.2 | 19.8 | −203.3, −216.8 |
| MIWCM (m = 1) | 7 | 1364, 1554 | 190 | −136.7, −152.5 | 27.4 | −205.0, −222.0 |
| MIWCM (m = 2) | 6 | 1222, 1337 | 115 | −137.9, −146.9 | 34.5 | −204.3, −214.0 |
| Type of Oscillator | Capacitance, Ca (pF) | VCO Characteristics | ||||
|---|---|---|---|---|---|---|
| fmin, fmax Vd = 2 V, 12 V (MHz) | Δf (MHz) | PN (fof = 105 Hz) Vd = 2 V, 12 V (dBc/Hz) | Power of Dissipation, Pdis (mW) | FOM Vd = 2 V, 12 V (dBc/Hz) | ||
| MCCM (m = 0) | 30 | 1555, 1915 | 360 | −99.0, −98.3 | 18.8 | −170.1, −171.2 |
| MCCM (m = 1) | 15 | 1376, 1586 | 210 | −97.3, −88.2 | 25.2 | −166.1, −158.2 |
| MCCM (m = 2) | 30 | 1235, 1380 | 145 | −97.8, −88.8 | 31.0 | −164.7, −156.7 |
| MWCM (m = 0) | 12 | 1510, 1791 | 281 | −111.7, −134.6 | 19.6 | −182.4, −206.7 |
| MWCM (m = 1) | 20 | 1325, 1480 | 245 | −134.7, −141.9 | 27.0 | −202.8, −211.0 |
| MWCM (m = 2) | 18 | 1191, 1298 | 107 | −144.0, −128.4 | 33.9 | −210.2, −195.4 |
| MIWCM (m = 0) | 13 | 1532, 1841 | 309 | −130.4, −138.4 | 19.8 | −201.1, −210.7 |
| MIWCM (m = 1) | 12 | 1325, 1478 | 153 | −135.6, −136.1 | 27.4 | −203.7, −205.1 |
| MIWCM (m = 2) | 9 | 1191, 1295 | 104 | −139.0, −137.0 | 34.5 | −205.1, −203.9 |
| Oscillator Load, RL (Ω) | The Figure of Merit (dBc/Hz) | ||
|---|---|---|---|
| Type of Oscillator | |||
| MCCM | MWCM | MIWCM | |
| ∞ | −170.6, −212.3 | −204.2, −215.3 | −205.0, −222.0 |
| 50 | −170.1, −171.2 | −202.8, −211.0 | −205.1, −203.9 |
| Oscillator (VCO) | Technology | Oscillation Frequency (GHz) | Offset Frequency (MHz) | Phase Noise (dBc/Hz) | Dissipation Power (mW) | Figure of Merit (dBc/Hz) |
|---|---|---|---|---|---|---|
| [55] | GaN HEMT | 7.9 | 1 | −135 | 1456 | −181.3 |
| [56] | GaN HEMT | 6.45 ÷ 7.55 | 1 | −132 | 198 | −185.9 |
| [57] | GaN HEMT | 5.2 | 1 | −125.7 | 16 | −188 |
| [58] | GaAs PHEMT | 37.608 | 1 | −112.31 | 130 | −182.7 |
| [59] | GaN HEMT | 1.93 | 1 | −149 | 400 | −189 |
| [60] | GaN HEMT | 7.26 | 1 | −122.48 | 18.33 | −187 |
| [61] | GaN HEMT | 8.8 | 1 | −124.55 | 21.6 | −190.1 |
| [62] | SiGe | 8.99 | 0.1 | −120.05 | 18 | −206.58 |
| [63] | GaN HEMT | 4.95 | 1 | −143 | 320 | −191.84 |
| [64] | InGaP HBT | 5.05 ÷ 6.35 | 0.1 | −103, −95 | 350 | −171.6, −165.6 |
| [65] | CMOS | 1.36 ÷ 1.86 | 0.1 | −121 | 2.7 | −202 |
| [66] | CMOS | 8 | 1 | −134.3 | 6.6 | −204 |
| [67] | CMOS | 7.4 ÷ 8.4 | 10 | −151.5 | 29 | −194.3, −195.6 |
| [68] | CMOS | 2.28 ÷ 2.59 | 0.1 | −103.6, −125.5 | 1.9 | −188, −211 |
| [69] | CMOS | 14 ÷ 18 | 1 | −113, −110 | 24 | −−182.1, −181.3 |
| [70] | BiCMOS | 15 | 1 | −124 | 70 | −189 |
| [71] | BiCMOS | 29.6 ÷ 36.5 | 1 | −97 | 20 | −180 |
| This work | GaAs PHEMT, BJT | 1.31 | 0.1 | −154.6 | 33.9 | −221.6 |
| This work | GaAs PHEMT, BJT | 1.367 ÷ 1.556 | 0.1 | −139.0, −137.0 | 34.5 | −205.1, −203.9 |
| Circuit Elements | Part Numbers and Nominal Values |
|---|---|
| Transistor T0 | BF245B |
| 2N3906 | |
| Inductor L | 1 μH |
| Capacitor Ca | 200 pF |
| Capacitor Cb | 10 nF |
| Capacitors C1, C2 | 60 pF |
| Resistor Rc | 1 kΩ |
| Resistor Rd | 4 kΩ |
| Circuit Elements | Part Numbers and Nominal Values |
|---|---|
| Transistor T0 | BF245B |
| BFT92W | |
| Inductor L | ELJQF8N2 (8.2 nH) |
| Capacitor Ca | C0603C0G1E100D (10 pF) |
| Capacitor Cb | C0603Y5V1C103Z (10 nF) |
| Capacitors C1, C2 | C0603C0G1E0R5C (0.5 pF) |
| Resistor Rc | ERJ1GEJ102 (1 kΩ) |
| Resistor Rd | ERJ1GEJ392 (3.9 kΩ) |
Publisher’s Note: MDPI stays neutral with regard to jurisdictional claims in published maps and institutional affiliations. |
© 2021 by the authors. Licensee MDPI, Basel, Switzerland. This article is an open access article distributed under the terms and conditions of the Creative Commons Attribution (CC BY) license (https://creativecommons.org/licenses/by/4.0/).
Share and Cite
Ulansky, V.; Raza, A.; Milke, D. Two-Terminal Electronic Circuits with Controllable Linear NDR Region and Their Applications. Appl. Sci. 2021, 11, 9815. https://doi.org/10.3390/app11219815
Ulansky V, Raza A, Milke D. Two-Terminal Electronic Circuits with Controllable Linear NDR Region and Their Applications. Applied Sciences. 2021; 11(21):9815. https://doi.org/10.3390/app11219815
Chicago/Turabian StyleUlansky, Vladimir, Ahmed Raza, and Denys Milke. 2021. "Two-Terminal Electronic Circuits with Controllable Linear NDR Region and Their Applications" Applied Sciences 11, no. 21: 9815. https://doi.org/10.3390/app11219815
APA StyleUlansky, V., Raza, A., & Milke, D. (2021). Two-Terminal Electronic Circuits with Controllable Linear NDR Region and Their Applications. Applied Sciences, 11(21), 9815. https://doi.org/10.3390/app11219815

