Next Article in Journal
Synergetic CT, XRF and Geoelectric Imaging for Non-Destructive Soil and Sediment Stratigraphic Study
Next Article in Special Issue
Ambient Light Energy Harvesting and Numerical Modeling of Non-Linear Phenomena
Previous Article in Journal
Comparison of Microbial Gene Diversity in Grassland Topsoil Depending on Soil Quality
 
 
Font Type:
Arial Georgia Verdana
Font Size:
Aa Aa Aa
Line Spacing:
Column Width:
Background:
Article

Dynamic Modeling and Control of a Simulated Carbon Capture Process for Sustainable Power-to-X

1
Laboratory of Process Systems Engineering, University of Bremen, Leobener Str. 6, 28359 Bremen, Germany
2
Department of Chemical Engineering, Twente University, 7522 NB Enschede, The Netherlands
3
Escuela Superior Politécnica del Litoral, ESPOL, Facultad de Ciencias Naturales y Matemáticas, Campus Gustavo Galindo Km. 30.5 Vía Perimetral, Guayaquil P.O. Box 09-01-5863, Ecuador
*
Author to whom correspondence should be addressed.
Appl. Sci. 2021, 11(20), 9574; https://doi.org/10.3390/app11209574
Submission received: 19 August 2021 / Revised: 8 October 2021 / Accepted: 11 October 2021 / Published: 14 October 2021
(This article belongs to the Special Issue New and Renewable Energies in Future Energy Systems)

Abstract

The goal of this study is to develop a dynamic model for a Carbon Capture (CC) process that can be integrated with a water electrolysis facility. The possibility of operating the post-combustion CC plant dynamically is investigated. The final model successfully tracks the parallel hydrogen production, providing the stoichiometric required CO2 stream for the subsequent methanol reactor. A dynamic model is used to configure controllers and to test the unit performance and stream conditions for various set points. Through the transient operation, the required feed gas is provided while optimizing the solvent and energy requirements. It is found that the slowest acting stage is the reboiler with a time constant of 3.8 h. Other process variables stabilize much quicker, requiring only a few minutes to reach steady-state conditions. The hydrogen-tracking scenario shows that the carbon capture plant can successfully operate under varying conditions with a maximum CO2 output increase of 7% of the minimum flowrate in the representative 24 h simulation time. The output CO2 stream is maintained at the desired >98% purity, 25 °C temperature, and 1.85 bar pressure, which allows to successfully perform hydrogen tracking operations.

Highlights
  • Tracking of the hydrogen production scenario with a maximum increase of 7% while maintaining a CO2 purity of >98%.
  • Detailed design and analysis of a post combustion capture model in transient operation.
  • Control scheme performance testing through disturbance rejection and servo performance.
  • Reboiler is the slowest acting stage with a time constant of 3.8 h. Temperature and capture rate stabilized in 3 and 12 min, respectively.

1. Introduction

Over the past two decades, global demand for air transport has more than doubled, contributing to around 2.8% of the global CO2 emissions in 2019 from fossil fuel combustion. With 4.3 billion total air passengers in 2018, according to the International Civil Aviation Organization (ICAO), corresponding to 6.4% rise than the previous year [1]. On the other hand, the ambitious climate targets set by the national governments such as the German Federal Government aim to reduce the emissions by 40% by the end of 2050, to limit global warming to no more than 1.5 °C higher than the pre-industrial levels. The COVID-19 crisis caused the highest retrenchment for aviation, with a reduction of roughly 75% of the airline capacity. The steady growth rate abruptly fell to a fraction of its size. No clear answer is present as to what the future of the aviation industry will look like after the coronavirus pandemic. Despite short-term demand shock in the aviation sector, the global target remains to reach net-zero carbon emissions for all industries and transportation sectors [2].

1.1. General Background

Several options are currently implemented to adhere to the environmental targets, electric vehicles being the most well-known type with about 95,000 electric vehicles registered in Germany. Other alternatives include hybrid, fuel cell, and natural gas vehicles, but unfortunately, the aviation sector is not as flexible. The aviation industry solely depends on high-quality paraffinic kerosene as fuel, making it an even more important sector for the overall energy and climate footprint. Direct electrification is highly unlikely for the aviation industry, mainly due to the high amount of energy required between two charging cycles. Long-distance travel would require heavy-weight batteries, large enough to store an adequate amount of energy (1 kg of kerosene is equivalent to 50 kg of battery weight for today’s technology [2]). To replace the conventional fossil fuel with alternatives such as hydrogen is still not tempting due to the low energy density of hydrogen (5.7 MJ/L) as compared to kerosene (37 MJ/L), reducing the space for customers and cargo; therefore, liquid fuels cannot be replaced in the near future [3].
Alternative synthetic energy carriers with lower emission rates compared to conventional fossil energy can be a major part of the solution. The four phases of the energy transition plan are shown in Figure 1, where synthetic fuels such as aviation kerosene serve as the transition phase towards the goal of complete defossilization. Whether synthetic kerosene reduces the carbon emissions mainly depends on the source of power used in the P2J production pathway. Mckinsey and Company estimate that by 2030 the technology for synthetic fuel could abate roughly 15 Mtpa of CO2 [4].
Germany’s power mix generated 485 g of CO2/kWh in 2017 [5], and with this current value, synthetic fuels will contribute to reaching the climate goals only in the long-term future. On the other hand, if synthetic fuels are produced with the curtailed surplus of renewable energy, the current carbon cycle can be balanced [3].
Curtailed electricity occurs at times of very high wind and photovoltaic power generation, where a certain excess of electricity supply cannot be utilized and must be curtailed. This excess amount of power is curtailed before entering the grid due to the insufficient grid transport capacity. The Federal Association of the German Energy and Water Industries estimates a curtailed electricity amount of 40 TWh in 2030 [6]. The Power-to-X concept refers to processes that exploit the environmental as well as the economic potential of renewable electricity (e-production) and convert them into useful final products such as gases, liquids, heat, fuels, or ultimately back to electricity. By adjusting the operation of production processes and varying the production level or operational mode, the electricity grid can be stabilized and make use of the fluctuating nature of renewable electricity [7].
The final desired product of the ongoing study is aviation kerosene fuel; thus, all feed quantities are calculated based on the final jet fuel objective. Synthetic fuel provides advantageous chemical and physical properties, thus offering a drop-in replacement for fossil fuel while having a better environmental performance. The ASTM-D7566 (ASTM D7566: Standard Specification for Aviation Turbine Fuel Containing Synthesized Hydrocarbons, ASTM International, 100 Barr Harbor Drive, P.O. Box C700, West Conshohocken, PA 19428-2959, United States) standard already allows 50% blend of synthetic fuel from the Fischer–Tropsch pathway with conventional jet fuel, while the methanol pathway is yet to be approved [8].
The Power-to-Jet (P2J) process (methanol pathway) starts with hydrogen production via electrolysis. In parallel, carbon dioxide is captured and transported. Both raw materials then react, forming the intermediate byproduct methanol. The intermediate products are converted into short-chain olefins by passing it over a zeolite catalyst, oligomerized/isomerized, and finally hydro-treated to achieve the final synthetic fuel [8]. This work emphasizes the carbon capture stage, where the feedstock is flue gas from a standard power plant, having a CO2 concentration of 15.4 wt%. By sweetening the flue gas and utilizing the CO2 component that otherwise would have been emitted into the atmosphere, the carbon footprint is reduced.
The goal of this work is to develop a complete detailed unit design and control strategy for a dynamic carbon capture model that can be tested in transient operation. The aim is to operate the carbon capture process in a transient fashion with minimum control and no solvent storage facility. Such features thus far have not extensively been tested and will allow for integration with a parallel electrolysis stage. The objective of the model is to track the hydrogen production, producing the stoichiometric required CO2 that can later be sent to the methanol reactor as part of a P-to-X facility.

1.2. Outline

Section 2 discusses the current technologies and their application at the pilot plant level. In Section 3, the carbon capture model is implemented using Aspen Plus®. Both equilibrium-based and rate-based models are investigated to achieve the desired capture rate of 90%. Consequently, the steady-state model will be exported to Aspen Plus® Dynamics. In Section 4, the dynamic behavior of the process is studied, such as open-loop gain, time constants, and dead time. This can be used to set up a control scheme.

2. Technology Selection

In any oxidative reaction chain, CO2 is the unavoidable byproduct with a low energy density. Elimination of the carbon compound can be conducted either by de-carbonation of the fuel undergoing the combustion in a process known as pre-combustion capture. Another approach is to separate CO2 from the final combustion products, which is known as post-combustion capture. The third approach is to re-engineer the process by using pure oxygen instead of air to produce pure CO2, avoiding the need to separate the components [9]. For the scope of this study, we are focusing on post-combustion separation using chemical absorption. Absorption in general, whether chemical or physical, has been implemented on an industrial scale for more than five decades. Natural gas was stripped mainly of acidic gases such as CO2 and H2S where the solvent reacts exothermically with the sorbate to form a chemical compound. The newly formed compound is subsequently dissociated in the regeneration stage to recover the CO2 gas. In this work, chemical absorption is selected due to its compatibility with a low partial pressure of CO2 and ease of integration with the existing infrastructure of the facility, with minimal modifications. Post-combustion scrubbing using amines is considered the most mature state-of-the-art technology. The Technology Readiness Level (TRL) of chemical absorption with amine solvent is nine, where the actual system was proven in an operational environment [10]. Amines and carbonate solutions are the predominant solvents used for this technology [9].

2.1. Amine-Based Absorption

Amines are organic ammonia (NH3) derived compounds, whether it is classified as a primary, secondary, or tertiary amine depends on the number of substituents replacing the hydrogen atoms. The most common base solvent for carbon capture is monoethanolamine (MEA), which acts as a weak base to neutralize the acidic CO2 molecule. The reaction forms a carbamate compound as described in Equation (1):
2 R NH 2 +   CO 2 R NH 3 + + R NHCOO + heat
Two other reactions occur simultaneously with the carbamate formation: base-catalyzed CO2 hydration and carbonic acid formation. However, the contribution of both reactions is minimal as compared to Equation (1) in the overall absorption rate. If heat is applied (typically ~ 100–200 °C) the carbamate ion, having a nitrogen-carbon bond, dissociates easily, reversing the absorption process. Despite the fact that MEA reacts strongly with CO2 there is a constraint for the loading that can be achieved, a maximum of 0.5 moles CO2 can be loaded per mole MEA. When choosing a member of the amine family, three key requirements are considered: (i) fast reaction rate, (ii) low regeneration energy, and (iii) high loading capacity. As for the reaction rate, primary amines offer the best option, allowing for a smaller equipment size, thus reducing the capital cost of the plant. As for the regeneration energy and loading capacity, the tertiary amine offers the best option. Caution must be taken when SO2 and NO2 are present in flue gases as they react irreversibly with the amines forming heat-stable sulfates and nitrates. This leads to loss in the solvent absorption capacity that must be compensated with fresh make-up amine and waste disposal stage [9]. Thus, scrubbing of NOx and SOx is of great importance to prevent the formation of salts that are not reclaimable. NO2, in particular, is the problematic species, and less than 20 ppmv is recommended in the flue gas stream. As for the SOx component, there has to be a tradeoff between the desulfurization cost and the cost of the required make-up solvent replacing the degraded amount. When using MEA as a solvent, a level of 10 ppmv is desired according to the Fluor Daniel Econamine™ process [11]. Another operational drawback in using amines is their corrosive nature. Either corrosion-resistant alloys have to be deployed in the plant or corrosion inhibitors are added, especially in stages undergoing elevated temperature [9], inhibitors also prevent MEA degradation [11].
Amine degradation is another concern when using amine solvents and can occur through either carbamate polymerization or oxidative degradation. Degradation through carbamate polymerization occurs in the presence of elevated temperatures and carbon dioxide (more prone at the rich end of the stripper containing high CO2 loading and the reboiler sump). A temperature lower than 100 °C poses an insignificant risk in terms of carbamate polymerization. Using lower amine concentration would lower the degradation rate and reduce the risk of the carbamate polymerization mechanism. Oxidative degradation occurs due to the presence of oxygen in the flue gas stream. The reaction is independent of carbon dioxide concentration and temperature. Aldehydes and organic acids are some of the products of oxidative degradation, having a significant environmental impact if released into the atmosphere. Commercial vendors indicate that the solvent is suitable for capturing CO2 with oxygen-containing flue gases [12]. Nevertheless, published data indicate the importance of taking precautions to prevent the entrainment of oxygen into the amine solvent. The first strategy is to prevent the O2 from being absorbed during the capture process by using molecular sieves or fuel-rich combustions upstream of the absorber. The second strategy is to ensure an oxygen-free environment during the storage of the amine solvent using a nitrogen blanket or purge [13].
Heat stable salts are also formed due to the mechanism and lead to loss of solvent requiring fresh make-up (also known as bleed and feed [14]) in the range of 0.29–0.73 kg MEA/m ton CO2 [11]. Newer commercial solvents are also reclaimed through the application of heat. EFG+ amine solvents are reclaimed at a relatively low temperature, making it a better option than draining the degraded solvent and replacing it with fresh new solvent, which entails higher operating costs.

2.2. Demonstration and Future Planned Projects Worldwide

Industrially, Kerr McGee, ABB Lummus, and Global Fluor (Econamine FG) are commercializing the MEA process [15]. The KEPCO/MIH process is being implemented at the Petra Nova project, where 4776 tCO2/day has been captured since the installation in 2016 at the NRG Energy’s 610 MW W.A Parish coal-fired power plant located in the state of Texas. The captured carbon dioxide is further transported for Enhanced Oil Recovery (EOR) application. Shell ADIP-X process was implemented in 2015 at Shell’s Quest project, where 1.2 million tonne CO2 annually is captured from steam reforming operations in Alberta, Canada. The same process is used to capture 4 million tonne CO2/year from a Chevron Gorgon Project located in Western Australia [9].
Several demonstrations and early deployment projects are in operation, such as the Peterhead Carbon Capture and Storage project (CCS) located in Aberdeenshire, Scotland. The post combustion carbon capture facility will be retrofitted to a 385 MW gas-fired turbine. Around one million tonne CO2/year will be captured and injected into the Goldeye depleted gas reservoir for storage, 2.5 km beneath the seabed [16]. Acorn CCS project located at St Fergus, UK will be funded by industry partners (Chrysaor, Shell and Total), the UK and Scottish governments, and the European Union. Led by Pale Blue Dot Energy, the project will carry out its first injection of greenhouse gas in 2024. The project makes use of the existing gas pipelines to transport carbon dioxide directly to the storage sites [17].
The Northern Lights Project aims to store up to 800,000 tons of CO2 per year at a storage site 3000 m below the sea bed. Fortum Oslo Varme waste incineration plant will provide half of the amount captured, while the rest will be captured from the Norcem cement factory at Brevik. Total, Shell, and Equinor decided to invest in the Northern Lights project in May 2020 with total initial investments of almost NOK 6.9 billion. The Northern Lights project could help Europe realize its climate neutrality ambitions by 2050. The ship transport will provide flexibility to reach various emission points across the continent [18].
A number of studies focus on the steady-state and full-load operation of post-combustion CO2 capture (PCC) [19,20,21]. While this might be essential to understand the behavior of the process, it does not reflect the response to inevitable disturbances and the highly nonlinear behavior of the process. With changing feed conditions, product demand, and renewable integration, it is required to optimize the process during dynamic operation. Operating at full load may not have any economic incentive, especially during periods of high electricity prices [22]. Stand-alone unit models have also been studied in the literature, reducing the model complexity in the case of equilibrium-based absorbers [23] or rate-based [24,25,26]. Researchers have also studied the desorber unit only to decide on the optimal operation and the effect of varying reboiler duty on the desorber performance. Other studies focused on the integration of the carbon capture model with power plants in several locations. Integrated simulations concluded how the PCC process has a higher response time than the power plant [22]. Some studies investigated the profitability of flexible CCS by solvent storage and flue gas bypass approach [27]. Cohen et al. [28] investigated the possibility of turning the capture plant on and off in response to electricity demand, eliminating the need for additional capacity already consumed within the carbon capture stage.
Usually, when operating dynamically, researchers maintain an overall CO2 capture rate within a constant level despite facing typical disturbances. Zhang et al. [29] compared two types of control systems where the capture rate for parallel trains was adjusted to maintain an overall desired capture. Nittaya et al. [30] considered two control loops to also maintain a CO2 recovery of 87% or higher where equipment sizing was based on this criterion and a stream purity of 95%. Luu et al. [31] investigated three possible control strategies, namely: a standard PID feedback, a cascade PID scheme, and a model predictive control scheme. All three strategies exhibited acceptable disturbance rejection and setpoint tracking, given that the MPC showed the best performance in terms of settling time. Abdul Manaf et al. [32] developed a mathematical black-box model to analyze the dynamic behavior of the PCC pilot plant through manipulating the lean solvent flow rate and reboiler duty while varying the flue gas flow rate and feed CO2 concentration as disturbance variables. Results were based solely on the modeled pilot plant and its operation during the data collection but not referring to the theory behind the PCC process. Jayarathna et al. [26] developed a rate-based model for the absorber column using the Kent–Eisenberg model for simplicity, improving the previously published model [33] by introducing the transfer of MEA. The model was validated against steady-state experimental operation data, and no control structure parameters were discussed. Biliyok et al. [34] developed a dynamic model using the simulation tool gPROMS accounting for mass transfer with chemical reactions assuming they were in equilibrium. The data logs were based on a pilot plant, and the validated model was used to study the effect of an increase in flue gas moisture content and the effect of intercooling on the process. The majority of the studies focused on the dynamic behavior for the stand-alone model or in response to disturbances from the power plant. In the current work, which includes the P2J pathway, other aspects such as curtailed energy, electrolysis etc., are included.
In this work, a detailed process design and optimization of the complete capture process is described. The outcome study is then used to operate the process units dynamically and investigate open- and closed-loop strategies. The proposed control scheme is tested for disturbance rejection and set point tracking. The novelty of the model lies in the final integration with a parallel electrolysis stage where the carbon capture model keeps track of the hydrogen production by producing the stoichiometric required CO2 to eliminate the need for any underground storage requirement.

3. Model Development

In this section, the focus will be given to the model development stage. Starting with the steady-state process and then the subsequent conversion to a dynamic model for further analysis.

3.1. Process Flow Diagram

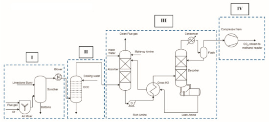
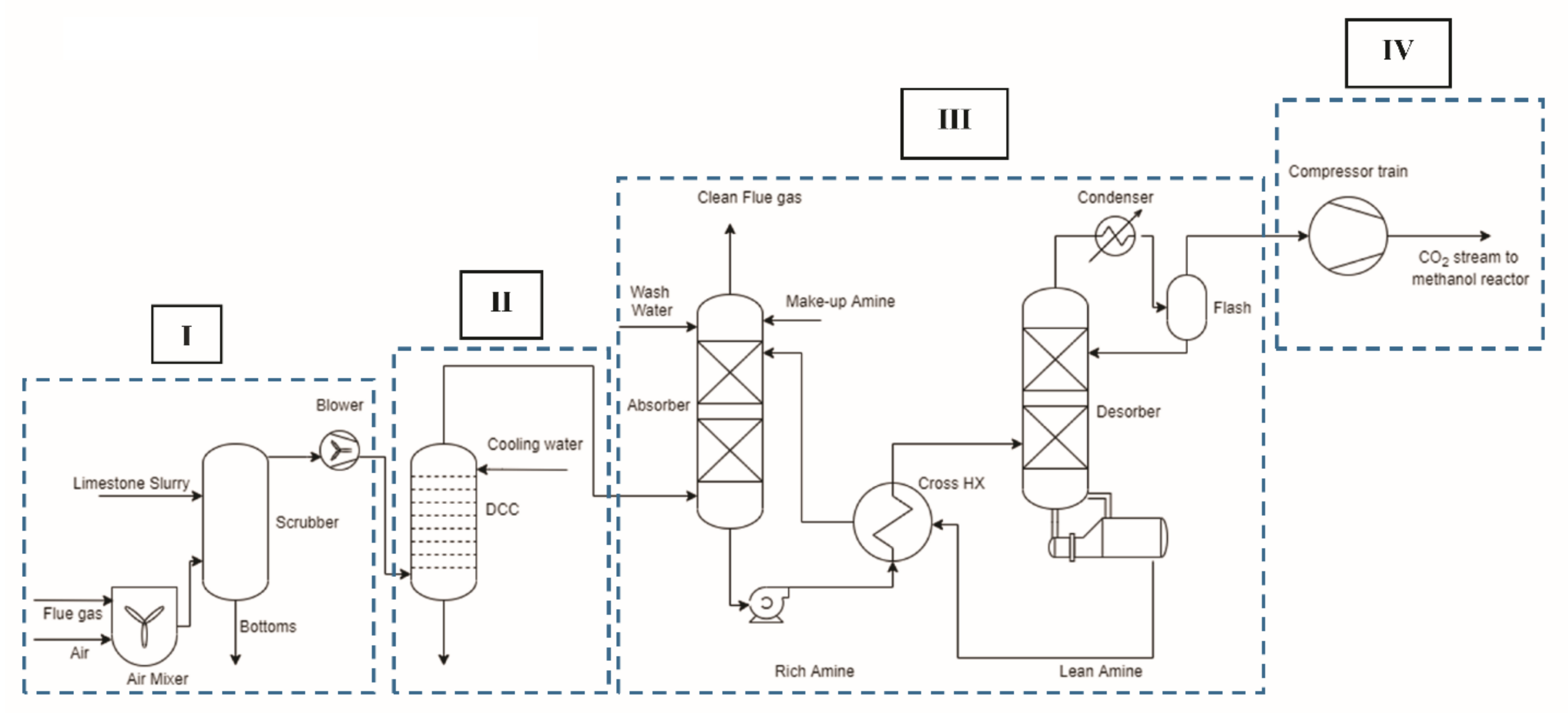
The process flowsheet of capturing CO2 can be divided into 4 different sections as shown in Figure 2 namely:
I.
Desulfurization unit
I.
Flue gas cooling unit (DCC)
I.
Absorption of carbon dioxide and regeneration of the solvent
I.
CO2 compression train
Flue gas leaves the case study power plant at an average temperature of 169 °C and a flow rate of 325 t/h. The CO2 content in the flue gas was assumed to be 15.4 mass %, which agrees with Harkin et al. [35]. Details of the flue gas- and utility properties as well as the final product specifications are given in Table 1. The flue gas initially enters through the Wet Flue Gas Desulfurization (FGD) units to remove the SOx content. The de-sulfurized stream is then cooled in a direct contact cooler (DCC) before entering the absorber tower. The absorber in a 30 wt% MEA system operates at low temperatures of around 40 °C and pressure, hence the need to cool the flue gas prior to entering the absorber. The FGD unit already lowers the flue gas temperature but rises again after passing through the blower, which requires a DCC unit to ensure that the entering stream is within the recommended range.
After the absorption stage, the rich amine leaving the bottom of the absorber exchanges heat with the returning lean amine from the stripper. The lean amine stream with the higher temperature heats the rich amine to a temperature of 113 °C through a cross heat exchanger. In the desorber stage, the reverse of absorption occurs at higher temperatures where the rich amine comes in contact with the rising vapors from the reboiler. The top stream exiting the stripper is condensed and flashed to obtain a near pure CO2 stream. The gas stream is finally compressed in a multi-stage compression train up to a pressure of 70 bar. Next, the supercritical liquid is pumped up to a final discharge pressure of 130 bar for transportation. Each utilization process requires a specific pressure, whether it is underground storage, injection into a pipeline grid, or directly sent to a reactor for further upgrading. In this study, the carbon dioxide gas is assumed to be sent for transportation via a pipeline. The pipelines are capable of handling a dense phase of CO2 beyond the critical pressure (Pc = 73.8 bar). Although vapor phase transportation is also possible, the former has the advantage of smaller pipe diameters and lower pressure drops [9].

3.2. Steady-State Model Development

The un-symmetric electrolyte NRTL model is the property method used to represent the capture system, being able to handle various concentrations, aqueous and mixed solvents. While the ENRTL-RK and PC-SAFT equations of state compute the liquid and vapor properties, respectively. Carbon dioxide, nitrogen, oxygen, and sulfur dioxide are chosen to be the Henry components for the model to which Henry’s law is applied. The Electrolyte NRTL model is based on two fundamental assumptions: like-ion repulsion assumption and the local electroneutrality assumption. The first assumptions indicate that due to the large repulsive forces between the different ions having similar charges, the local composition of cations or anions present around their similar ion is zero. Local electroneutrality refers to the assumption that the cation and anion distribution surrounding a central solvent molecule results in a net local ionic charge of zero. The ENRTL model expresses the excess Gibbs free energy as a summation between the molar excess free energy resulting from the long-range forces and from the local forces [11]. All thermodynamic data proposed in the current study are available to the user in the Aspen Plus® database.
The acid gas loading is defined as the ratio of the apparent moles of CO2 to the apparent moles of MEA solvent, by apparent, we mean before reacting. The loading is calculated by dividing the moles of CO2 and all the carrying species dissolved in one mole of MEA and all the carrying species [11] under enough pressure to completely dissolve the gas, regardless of their forms after the reaction. The weight percent of MEA in our study is calculated without the carbon dioxide gas, thus in order to achieve a 30 wt% MEA solvent, 1 mole of MEA has to be added to about 7.9 moles of water [36]. The lean loading comes into the absorber with a loading of about 0.2–0.3 and leaves after absorbing the gas. The maximum loading of CO2 into MEA solvent that could theoretically be achieved in the absorber is 0.5 (mole of CO2 per two moles MEA) [9]. An equilibrium-based model is developed for both the absorption and desorption columns. The equilibrium model divides the column into a number of stages under the assumption that the vapor and liquid phases leaving each stage are in equilibrium. From the equilibrium model, initial unit operating values and stream flows are obtained for a further robust rate-based simulation, which greatly differs from the equilibrium simulation due to the reactive nature of the process [11]. For the dynamic simulation, the equilibrium-based model is the one converted, as Aspen Plus® Dynamics does not support rate-based model units.

3.2.1. Instantaneous and Finite Rate Reactions

The following set of equilibrium reactions describe the chemistry of CO2 absorption into the MEA solvent:
MEAH + + H 2 O   MEA + H 3 O +
MEACOO + H 2 O MEA + HCO 3
2 H 2 O H 3 O + + OH
CO 2 + 2 H 2 O HCO 3 + H 3 O +
HCO 3 + H 2 O CO 3 2 + H 3 O +
Carbamate and bicarbonate reactions are kinetically limited; the following finite rate reactions are described as follows:
CO 2 + OH HCO 3
HCO 3 CO 2 + OH
MEA + CO 2 + H 2 O MEACOO + H 3 O +
MEACOO + H 3 O + MEA + CO 2 + H 2 O
According to the power-law expression shown in Equation (11), the reaction rate is governed by the pre-exponential factor (kmol/m3s), activation energy (kJ/mol), gas constant, system temperature, species activity, and reaction order. The kinetic expression values used in the current study were obtained from the work of Agbonghae et al. [19], available in Appendix A Equations (A5)–(A9). Aspen built-in models were used to calculate the transport properties such as viscosity, density, surface tension, binary diffusivity, and thermal conductivity. The properties were used in the correlations for the heat and mass transfer, hold up, pressure drop, and interfacial area, etc. [19].
r j = k j 0 e x p ε j R 1 T 1 298.15 i = 1 N a i α i j
where r j is the rate of reaction j, k j 0 is the pre-exponential factor, ε j is the activation energy, R is the gas constant, T is the temperature measured in Kelvin, a i is the activity of species i, and α i j is the reaction order of species i in reaction j.

3.2.2. Flue Gas Desulfurization

The desired level of less than 10 ppmv SOx content is recommended for the Fluor Daniel Econoamine™ process. Sulfur oxides are removed from the flue gas using a wet Flue Gas Desulfurization (FGD) process by a stream of calcium carbonate (limestone) slurry. The flue gas is initially mixed with air of 10 °C where sulfur dioxide is assumed to be oxidized into sulfur trioxide. The resulting stream then enters a scrubber unit where it comes in contact with the limestone slurry. The sulfur-containing compounds react with calcium carbonate forming calcium sulfate dihydrate (inert gypsum) that precipitates from the solution and can be removed by clarification or ponding. The clarified stream is then returned to the scrubber to save raw material, the resulting waste stream then requires appropriate disposal. The flow rate of the slurry stream is 300 t/h, and the make-up fresh limestone stream has a flow rate of 9 t/h, 8 t/h of fresh water is added to the scrubber unit. The exiting flue gas stream has an almost zero SOx content (3.47 × 10−17 ppmv). Since SO3 can form corrosive H2SO4 aerosol in the scrubber, special mist eliminators need to be installed in the wet FGD unit prior to running the process [11]. A study by Rao and Rubin showed that since MEA is more prone to degradation when exposed to SO2 present in the flue gas, retrofitting the MEA system along with FGD has a lower cost of electricity generation (COE) than an MEA system retrofitted alone, even with the higher costs entailed [28].

3.2.3. Flue Gas Compression and Cooling

Flue gas leaving the desulfurization unit at 49 °C and 1.013 bar is sent to a blower to be slightly compressed. The stream has to go up a direct contact cooler (DCC) and the absorber tower. Thus, an increase in pressure is necessary, an increase in temperature will definitely accompany the increase in pressure, and this will be adjusted in the DCC to cool the stream to the optimum absorption temperature. The blower raises the pressure of the stream to 1.2 bar, and this raises the stream temperature to 69 °C and consumes a total of 2051 kW of work. Absorption is possible at atmospheric pressure but increasing the pressure slightly over normal operation pressure facilitates faster absorption and, in turn, results in a reduced solvent consumption [15]. For the absorption using the MEA system, a temperature of approximately 40 °C is required, at low temperatures, the partial equilibrium pressure ( p C O 2 ) of the gas over the solvent solution is low. This creates the necessary driving force for the transfer of carbon dioxide from the gas phase into the liquid phase [11]. The DCC ensures that the flue gas stream entering the bottom of the absorber is well maintained around the required temperature. A packed tower RadFrac model with three stages is used to simulate the DCC unit where the cooling water enters at the top of the tower counter flow the flue gas entering from the bottom. The cooling water is then removed from the DCC unit bottom and is sent to a cooling water tower to have its temperature reduced before being recycled to the DCC unit. To achieve a flue gas temperature of 39 °C, a cooling water flowrate of 250 t/h at 15 °C is required. The DCC unit also helps in lowering the water content in the gas and removing any of the remaining traces of SO2 or any other acidic components. The removal of any contamination ensures the solvent is protected and chances of degradation are kept as low as possible [14].

3.2.4. Absorber Design

After being cooled, the flue gas enters an absorption tower from the bottom stages, where it meets the down-coming lean amine solvent that captures the CO2 component in the flue gas. The clean flue gas rises to the top of the absorber and leaves the unit into the atmosphere, while rich amine goes to the bottom of the absorber exiting the unit to be pumped and sent to the cross-heat exchanger. The term lean amine refers to the solvent after being stripped of the CO2 and enters the top of the absorber; the loading of the lean amine is maintained at 0.2 moles of CO2 per moles of MEA solvent, as per Amann et al. [37] and Agbonghae et al. [19]. The stream leaving the absorber after being loaded with CO2 is referred to as rich amine and has a loading of 0.48. The solvent loading determines the required flow rate to achieve the desired capture rate. The higher the lean loading the higher the flow rate required, as the capacity for CO2 absorption decreases. The minimum required flow rate is calculated empirically using Equation (12):
F lean = F FG x CO 2 Ψ CO 2 100 z α Rich α lean M A m i n e 44.009 1 + 1 ω A m i n e ω A m i n e + z α l e a n
where F lean is the mass flow rate of the lean amine, F FG is the mass flow rate of the flue gas, x CO 2 is the mass fraction of the CO2 in the flue gas, Ψ CO 2 is the % of the CO2 in the flue gas recovered, M A m i n e is the molar mass of amine, α Rich   /   α lean is the rich and lean amine loading respectively, and z is the number of equivalents per mole of the amine (1 for MEA).
The resulting flow rate value is then implemented in the model as an initial guess value for the given loading, any increase or decrease than the calculated flow rate will increase or decrease the capture rate, respectively. To achieve the required 90% capture rate, a solvent flow rate of 763,058 kg/h is required. Adams, Nease, and Salkuyeh [15] state that a quick rough initial guess for calculating the mass flow of MEA is around five times the mass flow of the flue gas feed. The absorber and stripper units were modeled as RadFrac rate-based columns similar to the DCC unit; Aspen allows the choice between the tray and packed columns in the design stage. In this study, the column is designed with structured packing material. The packing material provides the required surface area for contact and thus determines the final rich loading achievable, which in turn affects the reboiler duty. The uniform arrangement of the structured packing has several advantages over the random packing or column trays. Structured packing provides lower pressure drop through the column, as low as 0.5 mbar/equilibrium stage [38], and higher capacity leading to a smaller column diameter. The metal FlexiPac structured packing was used in this study with the dimension of 250Y (315 mm HETP or 12.4 in) and a nominal inclination angle of 45°. More details about the packing material can be found in the KOCH vendor technical article [39].
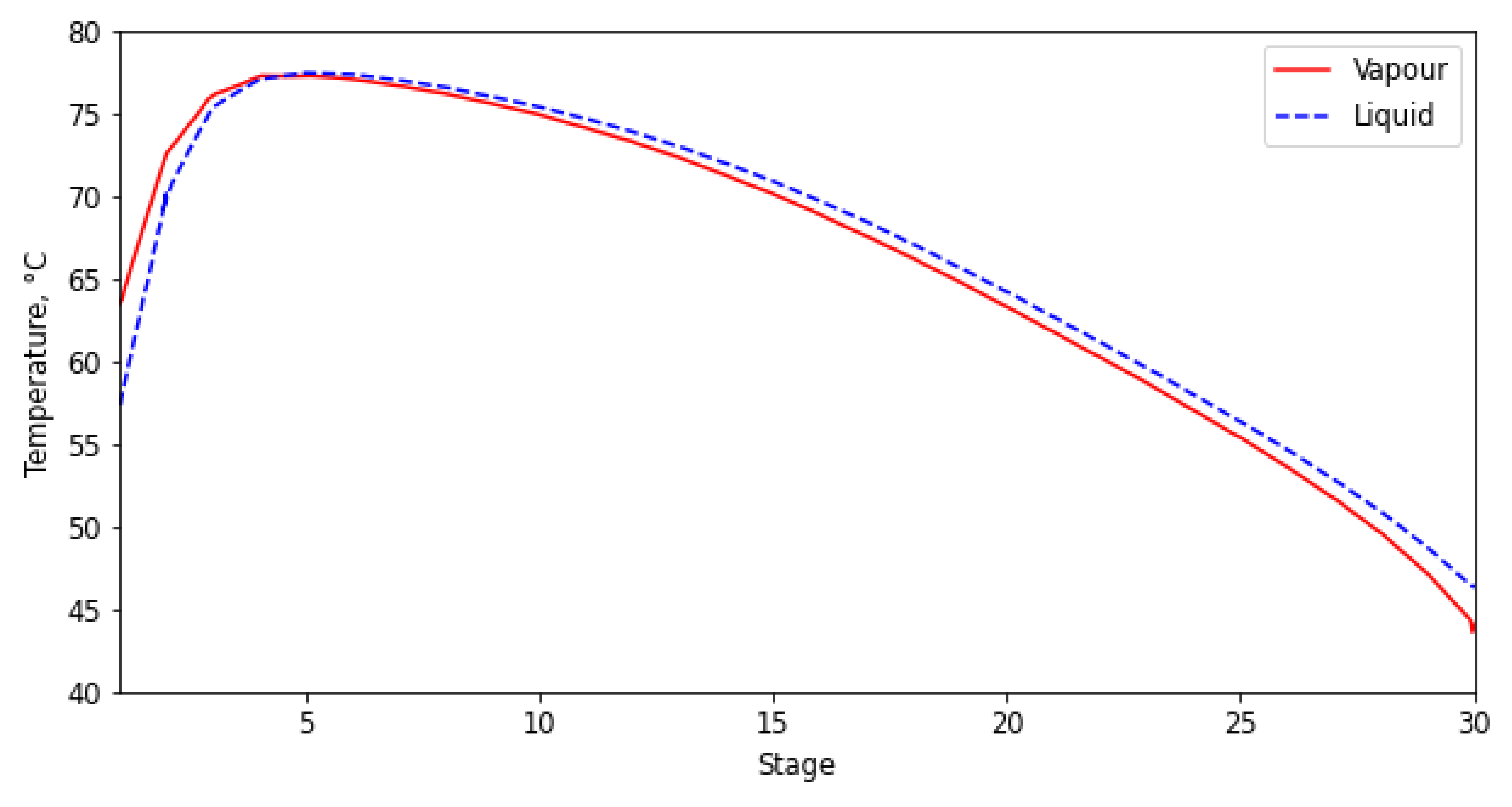
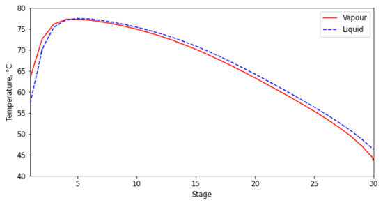
Decreasing the temperature of the solvent would improve the absorption driving force, but it would also affect the rate of reactions and diffusivity. The temperature does not influence the reboiler duty and does not have a major effect on the performance of the system since the exothermic nature of the absorption reaction raises the solvent temperature upon contact with the CO2-rich flue gas. The maximum temperature rise is observed at the top stages of the absorber where the lean solvent enters, indicating the highest rate of reaction. The MEA solvent has low specific heat capacity and quickly absorbs the heat of reaction thus causing the temperature to rise sharply towards the top of the tower, as shown in Figure A1 in Appendix B.
The solvent stream enters the absorber above the third stage, while the first two stages are reserved for the water washing section. A washing stream of water enters the absorber for two main reasons: (1) removing any entrained MEA that may be carried out along with the vented gas, forcing them down back to the absorber, (2) cooling of the vented gas before being released to the atmosphere. The washing section helped in reducing the entrained MEA in the flue gas five times compared to the scenario without a washing section. In commercial operation, absorbers have several components to ensure efficient contact between the two phases, such as liquid distributor, to ensure a uniform liquid distribution over the entire column cross-sectional area. Redistributors are also installed to prevent any unwanted build-up that might occur due to exceeding liquid misdistribution. Additional components include liquid collectors, wall wipers, support grids, hold down plates, and gas distributors [38].
The column diameter (D) is then determined to achieve the desired performance and separation after calculating the solvent flow rate as well as the packing material. The diameter is highly dependent on the vapor and liquid flow in the column, thus, it is calculated based on an 80% approach to flood. The flood point is defined as the operating point where the pressure drop rises rapidly with a parallel decrease in mass-transfer efficiency [40]. Column diameter is initially calculated using Equations (A1)–(A3) listed in Appendix A to provide us with an initial accurate first guess before further improvement could be made using Aspen Plus®. An interactive sizing tool in Aspen is another approach to aid the user when sizing the equipment. Aspen uses information about the vapor and liquid flows to determine the diameters for different column sections. An initial diameter of 7.6 m was calculated for the absorber tower, a sensitivity analysis shown in Figure A2, was conducted to further validate and improve the obtained diameter. A final reduction of almost one meter was possible, maintaining both the Jet flooding and the desired capture rate. The Design specs tool available in the Flowsheeting options, enabled us to change the column diameter within a specified range while maintaining the flooding constraint. The design specs tool then performs several iterations until the condition is met and then automatically changes the value in the flowsheet.
The column height needed to achieve the desired absorption was determined using the height equivalent to the theoretical plate (HETP) concept and is preferred over the height of transfer unit (HTU) approach [19]. Any increase in the absorber height will cause the rich loading to increase and, in turn, decrease the reboiler duty. The study conducted by Kothandaraman [11] proved similar behavior up to a certain height. Beyond that height, there was not much effect on the reboiler duty. As there is a limit to the rich loading that could be achieved, increasing the height has to be optimized based on the capital cost of the equipment and the power required to blow the flue gas overcoming the increasing pressure drop with increasing height. According to the KOCH vendor, the HETP for the chosen packing was 315 mm, an initial value of 27 stages was used in the simulation model resulting in a packing height of 8.5 m. After several iterations, three more stages were added to the absorber tower to have a final height of 9.45 m achieving the desired separation.
Resistance in the vapor and liquid film were calculated in different ways in Aspen. Without discretizing the film, the fast reaction rates will be calculated based on the interface concentration. As the reaction rates are rapid in the liquid film, the discretize film option was chosen to calculate the liquid film resistance. The number of discretized points is chosen to ensure solution stability as well as reasonable computation speed to allow for several iteration runs. A limit is reached where the solution does not change despite the increase in the number of discretized points indicating a constant concentration profile in the film. Beyond six points, the model did not converge in an adequate time, thus, for simplicity, five discretization points were chosen in our study. For the vapor phase, the consider film option in Aspen Plus® was chosen since there was no reaction occurring in the vapor film, but the mass transfer resistance calculations were desired.

3.2.5. Cross Heat Exchanger

A HeatX model is used to simulate the cross-heat exchanger used in the process, simulating both the hot and cold sides of the heat exchanger. The hot stream in our study was the rich amine stream leaving the stripper tower at 122 °C while the colder stream was the lean amine stream leaving at the bottom of the absorber at 56 °C; both streams enter the heat exchanger in countercurrent flow. The ‘hot stream inlet-cold stream outlet temperature difference’ specification was the desired mode, and a value of 10 °C was set. A 10 K minimum temperature approach (∆Tapproach) was defined in case the second law of thermodynamics was violated, then the exchanger specification was ignored, and the unit was re-simulated using the specified ∆Tmin. The rich amine leaves the heat exchanger with a temperature of 112 °C while the lean amine leaves at 67 °C, the cross-heat exchanger’s heat duty was 52,285 kW. The TQ plot showing the temperature versus heat duty can be seen in Figure A3. In operation, the hot stream would be flowing inside the heat exchanger shell while the more corrosive rich amine would flow in the tubes. This flow arrangement would ease the heat exchanger’s maintenance wherein case the tube requires repair, the failed tube could simply be plugged or the bundle replaced [41].

3.2.6. Stripper Design

After being heated, the rich amine enters the stripper, where the stripper is designed as a packed column tower. The top stream leaving the stripper goes into a condenser to condensate the water present in the vapor stream and to cool it down before being separated in a flash drum. The reflux pure water stream was recycled back to the stripper acting as a water wash to remove any entrained MEA that might be leaving as vapor. The CO2 with a mass fraction of 0.99 was sent to the compression stage for further utilization. The operating pressure of the stripper was higher than the absorber (1.7 bar), as higher pressures in the reboiler entail higher temperature, which is more favorable for the liberation of the CO2 and requires less steam to maintain the driving force. Nevertheless, the operating conditions were limited by the degradation of the MEA solvent at elevated temperatures [11]. Steam from utilities provides the required heat duty in the reboiler, which can be divided into three main requirements: (1) sensible heat to raise the rich amine temperature to the stripper temperature, (2) required heat of reaction to release the CO2 component from the rich amine stream (reverse absorption), (3) heat to produce steam that would ensure a driving force for the release of CO2 from the liquid phase to the vapor phase. At the elevated temperatures present in the stripper, the partial pressure of CO2 ( p C O 2 ) over MEA is much higher, thus reversing the process of absorption.
Two fundemental criteria had to be taken into account while designing the desorber column, the purity of the CO2 stream has to be >98%, and the lean loading of the amine stream leaving at the bottom of the desorber had to match that of the lean amine entering at the top of the absorber with a value of 0.2. The lean loading values have to match for the model to converge once the solvent loop is closed. The Design spec tool was utilized to run several iterations with various heat duties until the loading was adjusted at a duty of 45,177 kW, while maintaining the purity of >98% CO2 in the top stream. The lean amine stream leaves the reboiler with a temperature of 122 °C and exchanges heat with the incoming rich amine in the cross heat exchanger, as previously discussed. The outlet stream cools down to 67 °C, and a further cooler was required to lower the temperature to 40 °C to match the absorber operating conditions. A make-up amine stream was added to compensate any lost solvent through the process vent and CO2 product steams. The balance tool in Aspen flowsheeting options was used to calculate the solvent and water make-up streams to avoid any imbalances, as also suggested by Nittaya et al. [41]. In the actual process, a solvent reclaimer will be necessary to treat some of the heat-stable salts that are formed during operation, usually with a strong alkali and heat application [11]. Ignoring such a unit would lead to a lower solvent capacity by time reducing the efficiency of the process. Table 2 summarizes the Absorber-Stripper design parameters used in the model:

3.2.7. Compression Stage

After the final flash drying unit, the 99% pure CO2 was sent to the compression train for final utilization application. A four-stage reciprocating compressor with inter-stage cooling was simulated, an isentropic efficiency of 80% was assumed for all compressors. The compressor raises the pressure of the gas stream up to 70 bar at the final stage, beyond which the stream was cooled into the liquid phase at 20 °C. The liquid CO2 was finally pumped to the discharge pressure of 130 bar. A total of 3209 kW was required to power the compressors (3.4 kWh/kmol CO2), while the pump unit required 90.5 kW. Compression ratios for the four-stage compressor are shown in Table 3.

3.3. Dynamic State Model Development

The converged steady-state model sets the basis for the dynamic simulation; additional physical dimensioning of all units is required by Aspen in order to export the steady-state simulation into dynamic mode. The dynamic model along with the associated control system, will provide us with an understanding of how the process behaves in response to disturbance as a function of time. In general, disturbances are classified into operator-induced disturbances such as changing the flue gas flow rate or the capture rate set point; other uncontrolled disturbances occur due to weather conditions, for instance, heavy rain hitting the side of the column.
Dynamic models help to identify and analyze the potential hazards and to develop a control strategy for a flexible and safe CC operation [42]. For optimal process performance, disturbances have to be anticipated, whether they are daily or seasonal, and changes on the operating conditions are then made with respect to the process constraints to achieve the fastest stabilizing time back to the design set point.
As the carbon capture plant exists within a P2J pathway, changes in the final feedstock demand and price mean that the process must be flexible in production to accommodate the fluctuating objectives of the final product. Other studies have focused on the profitability of the plant when equipped with a CC unit, proving that the process is only profitable under environmental policies [27]. An important constituent of dynamic operation is the control strategy applied. The process control ensures the safe operation of the process within the specified constraint such as maximum allowable tank level or vessel pressure.
Depending on whether a new steady-state is desired or not, disturbances are suppressed if they deviate the output from the desired values at every time interval. Both the power of control and the speed of the control loop has to be analyzed when setting up the control scheme. The power of control refers to the impact of the correcting variable on the controlled variable under investigation. A high-quality control loop should have an appropriate impact on the process to function properly. Speed of the control loop, on the other hand, is a measure of the dynamic impact where it is limited by the dead time in the control loop of the correcting device, actual process, and the measuring device [43].
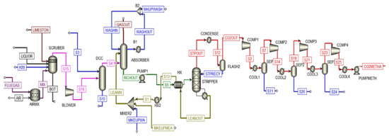
The results that are obtained from the successfully run steady-state model act as the basis for the subsequent dynamic simulation. Missing dimensions will then be required such as vessel geometry, initial conditions, heat transfer, and any missing valves and pumps should be included in the process flowsheet. The dynamic mode has to be selected, whether flow-driven or pressure-driven. Pressure-driven dynamic models are more rigorous and have to include pumps and compressors where needed to compensate for any pressure drop occurring in the material flow, in addition to the control valves. For the flow-driven mode, no such requirements are needed, and the outlet flowrates are calculated based on the material balance independent of pressure. Only after the model is exported into the dynamic environment, controllers can be modified and added to the various process units and flow streams. Controller tuning is essential to improve the performance in the event that the response of the default values is not satisfactory. A flow of the model development from the steady-state to the dynamic state is illustrated in Figure 3.

3.3.1. Sump Level Calculation

The absorber and stripper sump dimensions (height and diameter) have to be specified to be able to export the units into the dynamic mode. The sump acts as a pit, collecting the fluid at the bottom of the column and a control valve maintains the liquid level within the designed set point by matching the inlet and outlet flowrates. Different sump sizes influence the dynamic behavior of the absorber tower. Luyben [44] suggested that the column base was sized to provide 10 min of liquid holdup and 20 min of hold-up time for the decanter unit. The vessel type of the sump is also selected in the Vessel Geometry tab, vertical or horizontal orientation is picked along with the head type. A vertical orientation vessel with an elliptical head was assumed for both the absorber and stripper columns, around 900 m3/h of the solvent leaves both the columns from the bottom stage. For the absorber sump, a diameter of 6.7 was maintained, similar to the original vessel dimeter with a set point height of 3.67 m and an allowable maximum of 7.35 m. The stripper set point was kept at 3.08 m height and the maximum allowable height of 6.16 m, the sump diameter was maintained equal to the original column diameter of 4.32 m.

3.3.2. Open-Loop and Default Controllers

If the controller output has no feedback from the process and is kept constant until manual interference, the control system is then referred to as an open-loop control (controller off). Many processes are able to maintain a stable operation in the absence of any disturbances if operated in an open-loop control mode. Once a disturbance is inflicted, a deviation will be caused on the monitored variable. Some processes are self-regulated, and the experienced deviations are mild, while others are drastic, requiring quick and effective control action to maintain the process stability [45]. To understand the dynamic response of our carbon capture process, all default controllers were shut-off, and a disturbance was made to the flue gas flow rate. The resulting response is shown in Figure 4.
A disturbance of 10% decrease in the flue gas flow rate was made at a dynamic simulation time of 2 h. After around 1.5 h, the process stabilizes to an undesired steady-state condition. All the parameters were greatly deviated from the stripper set point. Uncontrolled changes in the temperature and pressure affect the operation of the column and, eventually the capture rate. Similar behavior was noticed in all the other units where the dynamic response towards any disturbance was a deviation from the optimum operating condition, any disturbance greater than 50% causes such severe deviations that the model fails to converge and does not yield a result. Aspen Plus® Dynamics set the OP value as the bias value when the error (SP-PV) was equal to zero. A summary of the default control loops that were assigned by Aspen Plus® Dynamics to the process according to each unit are listed in Table 4:
The sampling period for sending information to the strip-card recorder was set to 36 s (0.01 h) as default, to obtain higher resolution plots the communication time was changed to 18 s (0.005 h) through the run options menu. For every run, an initialization run was a prerequisite to obtaining a successful dynamic run. The initialization run assigns variable values at the initial t = 0 and resets the system to the starting condition. Once the values are reset, the dynamic model can be run for as long as specified in the run option. The steady-state run mode can be completed after the initialization stage to assure the values are correctly imported into the dynamic model, but once the control loops are inserted, the steady-state mode would not necessarily run successfully, and the model may fail to converge since the closed-loop response is not the same as the open-loop one. The solver report level should be set to at least high where the equations are sorted in different sets by APD and then solved, Newton’s method is applied for the set of implicit-type equations that are solved simultaneously.

3.3.3. Closed Loop Control Scheme and Controller Tuning

The control scheme should help the operator achieve the desired objectives. For our case, the carbon capture plant should be able to capture a specific amount of CO2 from the feed flue gas. The outlet stream should have a constant fraction according to the purity requirements set by the methanol reactor that follows the CC stage. The product quality might be difficult to measure online thus inferential control could be a solution through controlling other easily measured variables such as the condenser temperature, saving the cost of an online CO2 analyzer that could be replaced with an inexpensive thermocouple [41]. To achieve the above-mentioned objectives, several factors have to be taken into consideration, such as:
  • The capture rate of the absorber is to be controlled using a PI controller, measuring the amount of CO2 captured from the inlet gas stream and manipulating the lean amine flowrate accordingly
  • The pressure of the exiting flue gas is controlled by manipulating the flow rate of the exiting gas stream
  • The absorber sump level is controlled by measuring the liquid level and manipulating the rich amine flow rate exiting at the bottom of the absorber
  • The CO2 stream temperature is controlled by manipulating the condenser duty
  • The stripper output pressure is being controlled by a control valve manipulating the exit CO2 stream flowrate
  • The stripper sump level is controlled in a similar fashion to the absorber sump level
  • The stripper operating temperature was controlled through manipulating the reboiler duty (steam flowrate) thus ensuring a stable lean loading
A control scheme was initially installed to control the absorber temperature through manipulating the washing section flowrate, but the results showed low power of control where the correcting variable had a negligible impact on the controlled variable.
By controlling the capture rate and the operating conditions of both columns, the CO2 flowrate, purity, pressure, and temperature were controlled and monitored throughout the dynamic scenarios. The default values for the pressure controllers respond reasonably well, but the other controllers did not show desirable and quick correctional behavior. Open-loop dynamic tuning was conducted to determine the suitable values for each controller, the control was tuned to handle both the set point and load disturbance. The test enables us to estimate the open-loop gain, dead time, and time constant, which were then used to calculate the tuning parameters using Ziegler–Nichols, giving approximate values of gain and integral time.
During the test, the controller has to be set into manual mode available on the faceplate, the output is stepped up or down with a step size equal to a percentage of the output range depending on the expected variation due to the disturbance. To obtain an accurate test result, several runs were performed for each controller with varying percentages, and the mean value was then inserted to estimate the required parameters. The dead time refers to the sum of transportation lag, the sample or instrument lag, and the lag due to the behavior of higher-order processes. The dead-time control element was inserted separately within the controller loop to account for the delay between measuring the change in variable and the final control element signal. Temperature measurement lags were within the 30–60 s range, thus a one-minute dead-time element was inserted into the loop to account for the dynamic lags present in the controllers [45]. The tuned control scheme would then allow the process to operate in a dynamic and switchable manner, moving from one set point to another with ease. The controllers and tuned-up parameters are summarized in Table 5.

4. Results and Discussion

The main aim is to ensure that the proposed control scheme and tuned parameters can be used to run the carbon capture process in a transient mode. Several scenarios were considered for testing the performance of the suggested control scheme and tuning parameters. In scenario 1, a flowrate disturbance was initiated to test the disturbance rejection. In scenario 2, the capture rate set point was altered to test the control scheme servo-performance. Finally, in scenario 3, the model tracks the hydrogen production from the parallel electrolysis process.

4.1. Scenario 1: Disturbance Rejection

In the disturbance rejection test, a change in the initial operating conditions was induced, and the controllers restored the process. If the manipulated variables deviate from their nominal operating levels, a good control system will exert minimum effort to compensate for the effects of any given disturbance. A flowrate disturbance was caused to the process where the flue gas flow rate was reduced by 50% to 162,565 kg/h. The CO2 stream maintained purity of >98%, the temperature was the parameter with the most extreme reaction where it dropped to 8 °C for around 2 min before returning to the initial set point temperature as the condenser duty adjusted to the new reduced flow rate. The pressure was well maintained around the set point value with a slight increase to reach 1.97 bar. The desorber behavior to the disturbance is shown in Figure 5.
Such a large drop in the flow rate is not so common in a steady-state mode, where the control system should quickly reject any disturbances. Nevertheless, we are interested in the dynamic operation of the plant, and the 50% reduction represents part-load operation, which would occur if we were to integrate the plant with a renewable-fed electrolyzer. Since the plant provides feedstock for a desired synthetic fuel, if the demand for the fuel is to decrease at some time interval, then the prior stages (carbon capture, electrolysis, and reactors) need to decrease the production. This decrease maintains a profitable operation given there is no planned storage for the raw material.

4.2. Scenario 2: Servo Performance Test

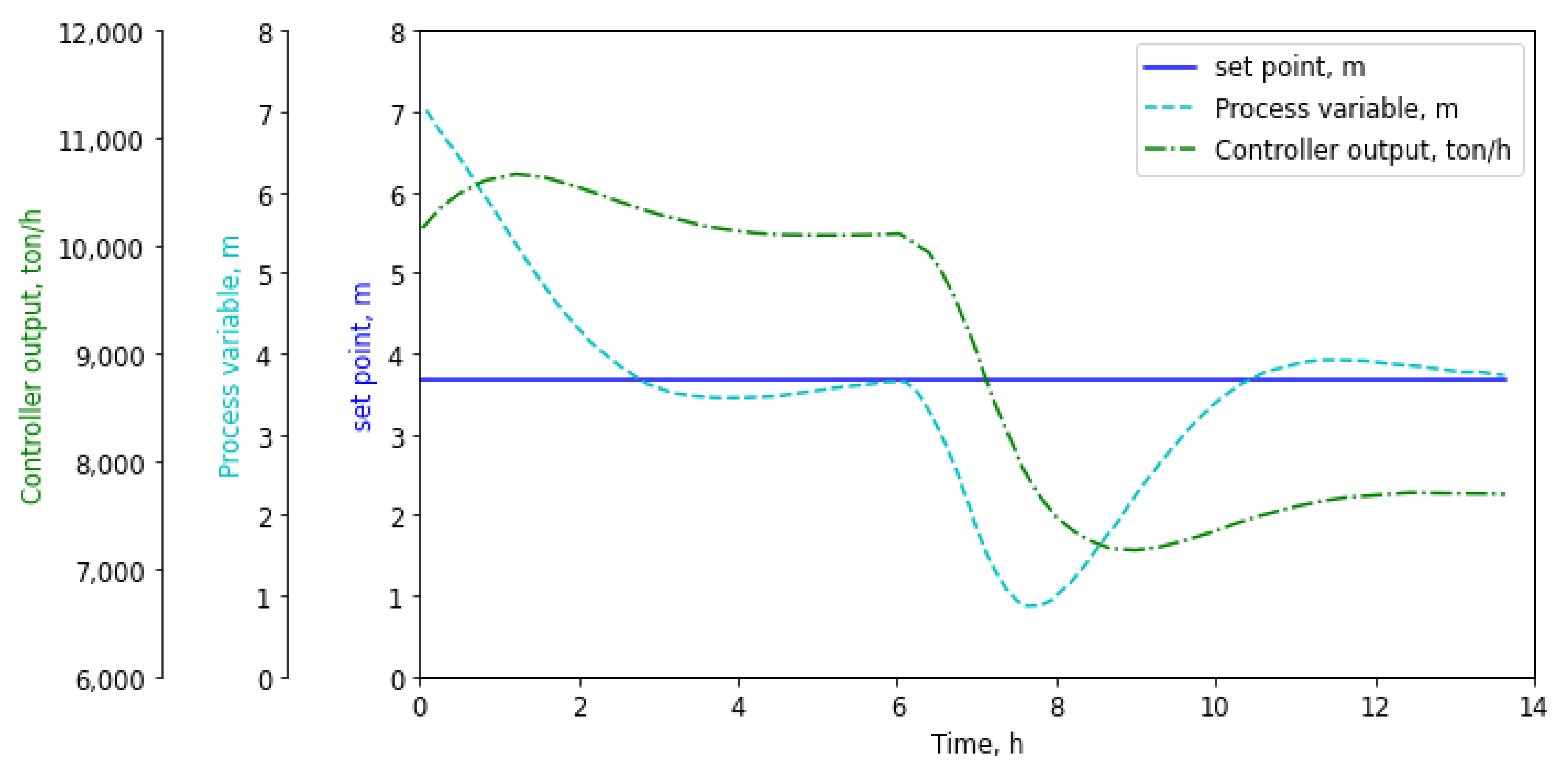
Following the disturbance rejection test, a set point change (servo performance) test was conducted to observe the process behavior when the set point (capture rate in this case) would be changed from 85% to 90% instantaneously. It is possible to cause the change in a specified time interval, but the worst-case scenario was tested. The capture rate was controlled through the lean amine flow rate while the other parameters were kept constant. The temperature of the absorber stabilized in about 3 min while the pressure was maintained at the operating point. The desired capture rate was observed after 12 min and was achieved accurately, indicating a good controller servo performance tracking the changes in set points induced by the operator. The resulting plots from the servo performance test are shown in Figure 6 and Figure 7.
When the capture rate was altered, the solvent flow rate was adjusted by the flow controllers accordingly, affecting the liquid level in the sump. Any increase in the amine flow rate would increase the sump liquid level. When a 5% increase was set, the sump level rises, as shown in Figure 8, but it is still within the allowable limit. If the level rises higher than the maximum allowable height, there will be a risk of tower flooding, thus an intermediate tank would ensure flexible operation. The tanks could store the solvent when the absorption operation is maintained, but the desorption operation is paused or decreased due to an increase in electricity prices, for instance. Another approach would be to vent any extra flue gas and only allow the required amount of feedstock to enter into the absorber for CO2 capture.
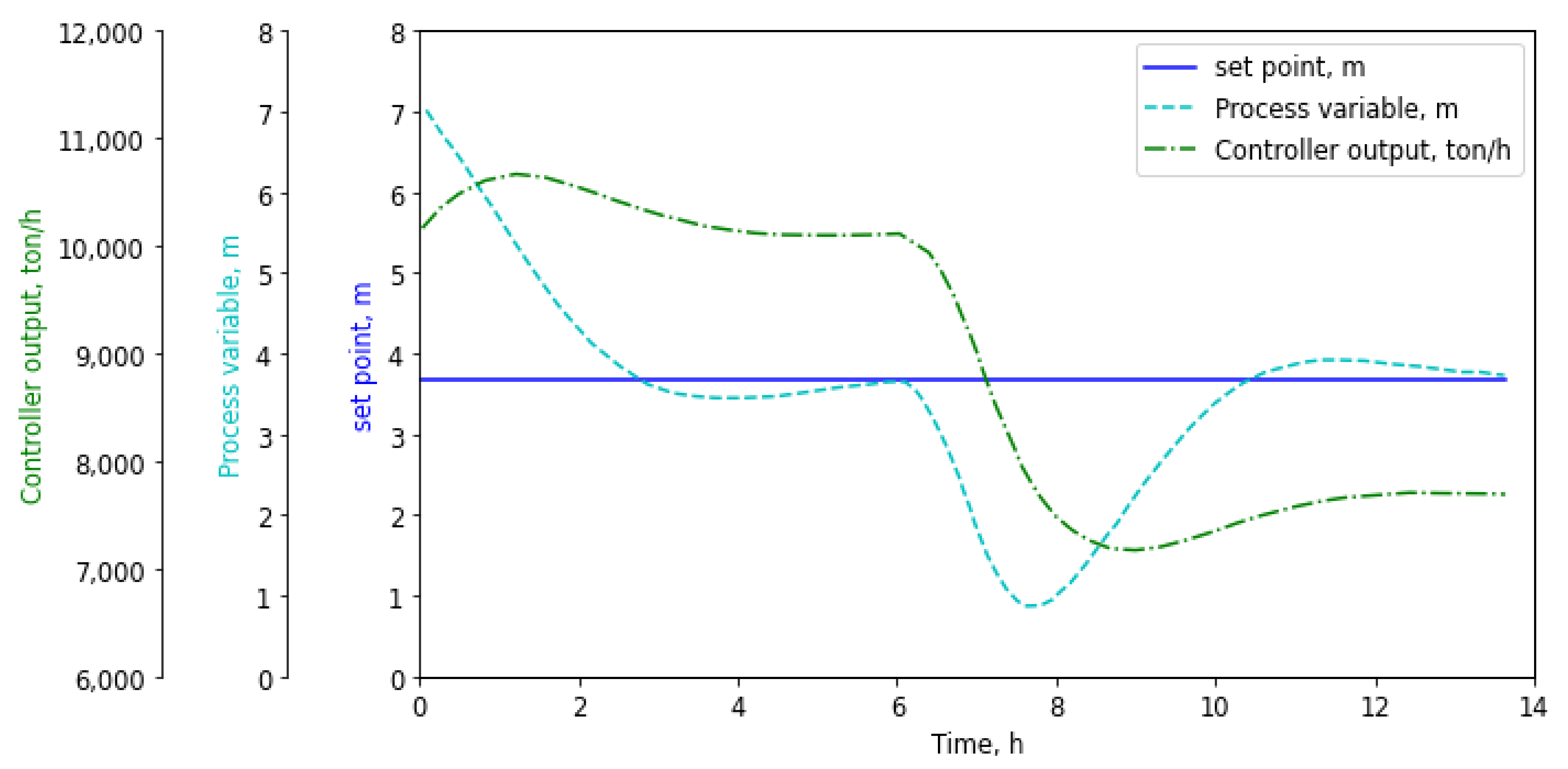
An extended run was simulated that spanned 14 h of simulation time to observe the stabilizing time required for the sump level to return back to the set point. The results of the run can be seen in Figure 9, Figure 10 and Figure 11.
The first 4 h no disturbance was initiated, and the model was left to run until the level was at the set point and the process was stable. A decrease in the capture rate caused the solvent flow rate to decrease and hence the sump level dropped instantaneously. The sump level returned to the set point after about 6 h, meaning that if we would like to transition from one steady-state condition to the next the interval of a few hours would be necessary to ensure that the process stabilized, and would transition to the next steady-state condition. Similar behavior was noticed from the reboiler as the disturbance was caused at the fourth simulation hour, the duty decreased in response to the decreased solvent flow rate and stabilized in around 6 h back to a stable duty. Nevertheless, in the transition phase, the process was still operating, and the CO2 stream was being captured in the absorber and stripped in the desorber and the sump level would be fluctuating within the allowable range as per the sump design. Flø et al. [46] observed similar behavior where the authors were investigating the dominating dynamics of the process and recorded a settling time of 606.26 min in the reboiler outlet in the case of a 10% decrease in the flue gas flow rate.
It is clear that controlling the product CO2 flow rate through altering lean amine flow rate results in a relatively slower response than if controlled by altering the reboiler duty. Keeping in mind that by altering the reboiler duty, the stripper temperature changes and, in turn, the lean loading. Similar behavior was also observed in work published by Lin et al. [47], where two control strategies were suggested, and the VLSL (Varying Lean Solvent Loading) strategy was preferred as it was able to maintain a stable hydraulic condition in both main units. On the other hand, capture rate based on the exiting flue gas from the absorber can be controlled faster through altering the lean amine flow rate entering the absorber than by controlling it through the reboiler heat duty, which has a slower effect on the CO2 capture performance.

4.3. Scenario 3: Hydrogen Tracking

The integration of the carbon capture process and electrolysis stage occurs through output tracking. Varela et al. [48] described in detail the novel mixed-integer linear program electrolysis model that aims to efficiently convert renewable energy into hydrogen with a maximum capacity of 450 Nm3/h and 99.9% purity. The model enables us to deal with intermittent energy and electricity price as input while maintaining model constraints to yield an optimal number of electrolyzers and production schedule. The continuous variable hydrogen flowrate was calculated for an entire year, but a representative 24 h scenario was extracted from the results. The hydrogen-tracking scenario was executed assuming partial renewable load. By partial renewable, we are considering a base load from the grid of 220 MW being fed into the electrolyzer while utilizing any curtailed wind energy. In our study, we assumed a 20 MW load following scenario to represent the curtailed wind power as shown in Figure 12, where the yearly wind production for 20 MW capacity was obtained. Figure 13 demonstrates the results from the representative 24 h operation. The carbon capture model was able to track the hydrogen production accurately and fulfill the stoichiometric requirements for the succeeding methanol reactor.
It was also observed that the desorber parameters were maintained within the desired limits as depicted in Figure 14, showing 10 h of the complete run. The output pressure and temperature were within the set limits, and the CO2 mass fraction remained >98%, ensuring that the desired purity was delivered throughout the entire transient operation. By operating the carbon capture plant flexibly, we were able to improve their economics when retrofitted with power plants. Power outputs could be increased during peak electricity prices by reducing the CC operation and thus increasing revenues. On the other hand, when carbon prices go high or when the carbon credits are consumed, the CC plant could be turned up to capture more CO2 and reduce emissions, which would translate into higher carbon costs.

5. Conclusions

Processes powered by surplus electricity that would have been curtailed prove to be favorable from an environmental point of view. In this study, the focus was on post-combustion CO2 capturing from flue gas vented from a standard power plant. A novel CC model that can be coupled with an electrolysis stage was developed. Such functionality is useful when both the CO2 as well as the hydrogen products are sent to a methanol reactor. Relying on renewable energy poses challenges to the mode of operation. The possibility of transient operation of a post-combustion amine carbon capture process was examined by building a steady-state model and optimizing the units to capture 90% of the flue gas feed using 30 wt% amine solvent. Additional design data were required, and control loops were implemented and tuned to be able to simulate the process in a dynamic state.
The capture rate in the absorber was controlled through manipulation of the lean amine flow rate, while the required CO2 flowrate was determined by manipulating the reboiler duty. The exiting CO2 purity was kept constant above 98% by controlling the condenser duty and stripping column conditions. Through controller set point tracking and disturbance rejection scenarios, the controller performance was tested. The absorber unit experienced quick responses when manipulating the required capture. The temperature took around 3 min to adjust while the desired capture rate was reached accurately in 12 min. The desorber experienced the slowest response where the temperature adjusted after around 12 min when a flue gas disturbance was initiated. The reboiler duty and sump level stage took around 6 h to adjust to a new steady-state condition. The study proves the feasibility of operating the carbon capture stage dynamically to follow the intermittent hydrogen production profile to feed a subsequent methanol reactor. A complete integrated model of the various stages, including the power plant is required, to give a complete overview of the effect of the carbon capture plant on the process. Storage facilities should be taken into consideration while designing the flexible operation to allow for rapid CO2 production when ramping up from shutdown state as the rich solvent would be sent directly to the desorber providing greater flexibility of operation.

Author Contributions

Conceptualization, M.M.; methodology, M.M.; software, M.M.; writing—original draft preparation, M.M.; visualization, M.M. and C.V.; validation, M.M. and C.V.; writing—review and editing, C.V., M.B.F. and E.Z.; funding acquisition, E.Z.; supervision, E.Z. All authors have read and agreed to the published version of the manuscript.

Funding

This research was funded by German Federal Ministry of Economic Affairs and Energy under funding code 03EIV051A, KEROSyN100 project.

Institutional Review Board Statement

Not applicable.

Informed Consent Statement

Not applicable.

Data Availability Statement

Not applicable.

Acknowledgments

The authors gratefully acknowledge the partners of the KEROSyN100 consortium.

Conflicts of Interest

The authors declare no conflict of interest.

Nomenclature

MEAmonoethanolamine
FGDFlue Gas Desulfurization
ICAOInternational Civil Aviation Organization
TRLTechnology Readiness Level
P2JPower-to-Jet
CCS-UCarbon Capture Storage and Utilization
DCCDirect Contact Cooler
HTUHeight of Transfer Unit
HETPHeight Equivalent to Theoretical Plate
ηIsentropic efficiency
PVProcess controlled variable
OPManipulated (control) variable
SPSet point
PCCPost Combustion CO2 Capture
CCCarbon Capture

Appendix A

Table A1. Equations applied in the steady-state model design.
Table A1. Equations applied in the steady-state model design.
                D = 4 G π U s
D = Diameter   of   the   column
G = Gas   flow   rate
U s = Superficial   velocity   of   the   gas
(A1)[19]
              C 0 =   U s ρ G ρ L ρ G 0.5 F P 0.5 υ 0.05
C 0 = Capacity   factor
ρ G , L = Density   of   gas   and   liquid   respectively
F P = Packing   factor   of   the   packing   in   the   column
υ = Kinematic   viscosity   of   the   liquid
(A2)
                X = L G ρ G ρ L 0.5
X = Flow   parameter
L , G = Liquid   and   gas   flow   rate
(A3)
              Z a b s o r b e r = j = 1 N H E T P j
Z absorber = Packing   height   of   the   absorber   without   reboiler   and   condenser
HETP = Height   equivalent   to   theoretical   plate
(A4)
r 6 = 3.02 10 14 exp 41.20 R 1 T 1 298.15 a MEA a CO 2 Forward(A5)
r 7 = 5.52 10 23 exp 69.05 R 1 T 1 298.15 a MEACOO a H 3 O + a H 2 O Reverse (absorber)(A6)
r 7 = 6.56 10 27 exp 95.24 R 1 T 1 298.15 a MEACOO a H 3 O + a H 2 O Reverse (stripper)(A7)
r 8 = 1.33 10 17 exp 55.38 R 1 T 1 298.15 a CO 2 a OH Forward(A8)
r 9 = 6.63 10 16 exp 107.24 R 1 T 1 298.15 a HCO 3 Reverse(A9)

Appendix B

Figure A1. Absorber temperature profile along all stages.
Figure A1. Absorber temperature profile along all stages.
Applsci 11 09574 g0a1
Figure A2. Change of CO2 composition with various column diameter.
Figure A2. Change of CO2 composition with various column diameter.
Applsci 11 09574 g0a2
Figure A3. Cross heat exchanger duty.
Figure A3. Cross heat exchanger duty.
Applsci 11 09574 g0a3
Figure A4. Aspen Plus® steady-state model flow sheet.
Figure A4. Aspen Plus® steady-state model flow sheet.
Applsci 11 09574 g0a4
Figure A5. Aspen Plus® Dynamics control scheme as described in Section 3.3.3.
Figure A5. Aspen Plus® Dynamics control scheme as described in Section 3.3.3.
Applsci 11 09574 g0a5
Figure A6. Flowsheet variable selection for control of around 492 variables.
Figure A6. Flowsheet variable selection for control of around 492 variables.
Applsci 11 09574 g0a6

References

  1. Teter, J.; Le Feuvre, P.; Gorner, M.; Scheffer, S. Aviation—Tracking Transport—Analysis. 2019. Available online: https://www.iea.org/reports/tracking-transport-2019/aviation (accessed on 5 March 2019).
  2. Dichter, A.; Henderson, K.; Riefer, D.; Riedel, R. Available online: https://www.mckinsey.com/industries/travel-logistics-and-transport-infrastructure/our-insights/how-airlines-can-chart-a-path-to-zero-carbon-flying (accessed on 20 May 2020).
  3. Acatech—National Academy of Science and Engineering; German National Academy of Sciences Leopoldina; Union of the German Academies of Sciences and Humanities; Wöhler, H. Coupling the Different Energy Sectors—Options for the Next Phase of the Energy Transition. 2018. Available online: https://energiesysteme-zukunft.de/fileadmin/user_upload/Publikationen/PDFs/ESYS_Position_Paper_Coupling_the_different_energy_sectors.pdf (accessed on 10 November 2019).
  4. Biniek, K.; Henderson, K.; Rogers, M.; Santoni, G. Driving CO2 Emissions to Zero (and beyond) with Carbon Capture, Use, and Storage. 2020. Available online: https://www.mckinsey.com/business-functions/sustainability/our-insights/driving-co2-emissions-to-zero-and-beyond-with-carbon-capture-use-and-storage (accessed on 5 October 2020).
  5. Umweltbundesamt. CO2 Emissions per Kilowatt-Hour of Electricity in Further Decline in 2019. 2020. Available online: https://www.umweltbundesamt.de/en/press/pressinformation/co2-emissions-per-kilowatt-hour-of-electricity-in (accessed on 7 December 2020).
  6. Ausfelder, F.; Wagemann, K. Power-to-fuels: E-fuels as an important option for a climate-friendly mobility of the future. Chem. Ing. Tech. 2020, 92, 21–30. [Google Scholar] [CrossRef]
  7. Burre, J.; Bongartz, D.; Brée, L.; Roh, K.; Mitsos, A. Power-to-X: Between electricity storage, e-production, and demand side management. Chem. Ing. Tech. 2019, 92, 74–84. [Google Scholar] [CrossRef]
  8. Schmidt, P.; Batteiger, V.; Roth, A.; Weindorf, W.; Raksha, T. Power-to-liquids as renewable fuel option for aviation: A review. Chem. Ing. Tech. 2018, 90, 127–140. [Google Scholar] [CrossRef]
  9. Rackley, S.A. Carbon Capture and Storage, 2nd ed.; Butterworth-Heinemann: Oxfod, UK, 2017. [Google Scholar] [CrossRef]
  10. Schmidt, P.; Weindorf, W.; Roth, A.; Batteiger, V.; Riegel, F. Power to Liquids Potentials and Perspectives for the Future Supply of Renewable Aviation Fuel; German Environment Agency: Dessau-Roßlau, Germany, 2016. [Google Scholar]
  11. Kothandaraman, A. Carbon Dioxide Capture by Chemical Absorption: A Solvent Comparison Study. Doctoral Dissertation, Massachusetts Institute of Technology, Cambridge, MA, USA, 2010. [Google Scholar]
  12. Econamine FG Plus℠. Available online: https://www.fluor.com/about-fluor/corporate-information/technologies/fluor-econamine-fg-plus (accessed on 8 October 2021).
  13. Reynolds, A.J.; Verheyen, T.V.; Meuleman, E. 16-degradation of amine-based solvents. In Absorption-Based Post-Combustion Capture of Carbon Dioxide; Feron, P.H.M., Ed.; Woodhead Publishing: Sawston, UK, 2016; pp. 399–423. [Google Scholar] [CrossRef]
  14. Scherffius, J.R.; Reddy, S.; Klumpyan, J.P.; Armpriester, A. Large-scale CO2 capture demonstration plant using fluor’s econamine FG PlusSM technology at NRG’s WA Parish electric generating station. Energy Procedia 2013, 37, 6553–6561. [Google Scholar] [CrossRef]
  15. Adams, T.A.; Nease, J.; Salkuyeh, Y.K. Chapter 6—Processes and simulations for solvent-based CO2 capture and syngas cleanup. In Reactor and Process Design in Sustainable Energy Technology; Shi, F., Ed.; Elsevier: Amsterdam, The Netherlands, 2014; pp. 163–231. [Google Scholar] [CrossRef]
  16. Peterhead Carbon Capture and Storage (CCS) Project, Scotland. Power Technology: Energy News and Market Analysis. 2017. Available online: https://www.power-technology.com/projects/peterhead-carbon-capture-and-storage-ccs-project-scotland/ (accessed on 20 August 2020).
  17. Build Back Better COVID-19 Recovery and CCS; IEA Greenhouse News: Paris, France, 2020; p. 137.
  18. Norcem, Fortum Oslo Varme and Norhern Lights: CCS Projects. 2020. Available online: https://ccsnorway.com/full-scale-capture-transport-and-storage (accessed on 13 July 2020).
  19. Agbonghae, E.O.; Hughes, K.J.; Ingham, D.B.; Ma, L.; Pourkashanian, M. Optimal process design of commercial-scale amine-based CO2 capture plants. Ind. Eng. Chem. Res. 2014, 53, 14815–14829. [Google Scholar] [CrossRef]
  20. Li, B.-H.; Zhang, N.; Smith, R. Simulation and analysis of CO2 capture process with aqueous monoethanolamine solution. Appl. Energy 2016, 161, 707–717. [Google Scholar] [CrossRef]
  21. Zhang, Y.; Chen, C.-C. Modeling CO2 absorption and desorption by aqueous monoethanolamine solution with aspen rate-based model. Energy Procedia 2013, 37, 1584–1596. [Google Scholar] [CrossRef]
  22. Bui, M.; Gunawan, I.; Verheyen, V.; Feron, P.; Meuleman, E.; Adeloju, S. Dynamic modelling and optimisation of flexible operation in post-combustion CO2 capture plants—A review. Comput. Chem. Eng. 2014, 61, 245–265. [Google Scholar] [CrossRef]
  23. Kvamsdal, H.; Jakobsen, J.; Hoff, K. Dynamic modeling and simulation of a CO2 absorber column for post-combustion CO2 capture. Chem. Eng. Process. Process. Intensif. 2009, 48, 135–144. [Google Scholar] [CrossRef]
  24. Mac Dowell, N.; Samsatli, N.; Shah, N. Dynamic modelling and analysis of an amine-based post-combustion CO2 capture absorption column. Int. J. Greenh. Gas Control 2012, 12, 247–258. [Google Scholar] [CrossRef]
  25. Posch, S.; Haider, M. Dynamic modeling of CO2 absorption from coal-fired power plants into an aqueous monoethanolamine solution. Chem. Eng. Res. Des. 2013, 91, 977–987. [Google Scholar] [CrossRef]
  26. Jayarathna, S.A.; Lie, B.; Melaaen, M.C. Dynamic modelling of the absorber of a post-combustion CO2 capture plant: Modelling and simulations. Comput. Chem. Eng. 2013, 53, 178–189. [Google Scholar] [CrossRef]
  27. Oates, D.L.; Versteeg, P.; Hittinger, E.; Jaramillo, P. Profitability of CCS with flue gas bypass and solvent storage. Int. J. Greenh. Gas Control. 2014, 27, 279–288. [Google Scholar] [CrossRef]
  28. Cohen, S.M.; Rochelle, G.T.; Webber, M.E. Turning CO2 capture on and off in response to electric grid demand: A baseline analysis of emissions and economics. J. Energy Resour. Technol. 2010, 132, 021003. [Google Scholar] [CrossRef]
  29. Zhang, Q.; Turton, R.; Bhattacharyya, D. Development of model and model-predictive control of an MEA-based postcombustion CO2 capture process. Ind. Eng. Chem. Res. 2016, 55, 1292–1308. [Google Scholar] [CrossRef]
  30. Nittaya, T.; Douglas, P.L.; Croiset, E.; Ricardez-Sandoval, L.A. Dynamic modeling and evaluation of an industrial-scale CO2 capture plant using monoethanolamine absorption processes. Ind. Eng. Chem. Res. 2014, 53, 11411–11426. [Google Scholar] [CrossRef]
  31. Luu, M.T.; Manaf, N.A.; Abbas, A. Dynamic modelling and control strategies for flexible operation of amine-based post-combustion CO2 capture systems. Int. J. Greenh. Gas Control. 2015, 39, 377–389. [Google Scholar] [CrossRef]
  32. Manaf, N.A.; Cousins, A.; Feron, P.; Abbas, A. Dynamic modelling, identification and preliminary control analysis of an amine-based post-combustion CO2 capture pilot plant. J. Clean. Prod. 2016, 113, 635–653. [Google Scholar] [CrossRef]
  33. Jayarathna, S.A.; Lie, B.; Melaaen, M.C. NEQ rate based modeling of an absorption column for post combustion CO2 capturing. Energy Procedia 2011, 4, 1797–1804. [Google Scholar] [CrossRef][Green Version]
  34. Biliyok, C.; Lawal, A.; Wang, M.; Seibert, F. Dynamic modelling, validation and analysis of post-combustion chemical absorption CO2 capture plant. Int. J. Greenh. Gas Control. 2012, 9, 428–445. [Google Scholar] [CrossRef]
  35. Harkin, T.; Hoadley, A.; Hooper, B. Process integration analysis of a brown coal-fired power station with CO2 capture and storage and lignite drying. Energy Procedia 2009, 1, 3817–3825. [Google Scholar] [CrossRef]
  36. Aspen Technology, Inc. Rate-Based Model of the CO2 Capture Process by MEA using Aspen Plus®; Aspen Technology Inc: Bedford, MA, USA, 2012. [Google Scholar]
  37. Amann, J.-M.; Descamps, C.; Kanniche, M.; Bouallou, C. Modeling of the CO2 capture in post-combustion. Sci. Study Res. VIII 2007, 1, 77–90. [Google Scholar]
  38. Bosch, H.; de Haan, A. Absorption and stripping. In Industrial Separation Processes: Fundamentals; De Gruyter: Berlin, Germany, 2013; pp. 53–71. ISBN 978-3-11-030669-9. [Google Scholar]
  39. FLEXIPAC®Structured Packing: Koch-Glitsch. Available online: https://koch-glitsch.com/Technical-Documents/Brochures/Structured-Packing-Brochure (accessed on 1 August 2020).
  40. Seider, W.D.; Lewin, D.R.; Seader, J.D.; Widagdo, S.; Gani, R.; Ng, K.M. Product and Process Design Principles: Synthesis, Analysis, and Evaluation; Wiley: New York, NY, USA, 2017. [Google Scholar]
  41. Nittaya, T.; Douglas, P.L.; Croiset, E.; Ricardez-Sandoval, L.A. Dynamic modelling and control of MEA absorption processes for CO2 capture from power plants. Fuel 2014, 116, 672–691. [Google Scholar] [CrossRef]
  42. Lawal, A.; Rodriguez, J.; Ramos, A.; Sanchis, G.; Calado, M.; Samsatli, N.; Oko, E.; Wang, M. Improved design and operation of post-combustion CO2 capture processes with process modelling. Process. Syst. Mater. CO2 Capture Model. Des. Control. Integr. 2017, 463–499. [Google Scholar] [CrossRef]
  43. Roffel, B.; Betlem, B. Introduction to process control and instrumentation. In Process Dynamics and Control: Modeling for Control and Prediction; John Wiley & Sons: Chichester, England, 2006. [Google Scholar]
  44. Luyben, W.L. Control of a multiunit heterogeneous azeotropic distillation process. AIChE J. 2005, 52, 623–637. [Google Scholar] [CrossRef]
  45. Al-Malah, K.I. Aspen plus® dynamics. In Aspen Plus®: Chemical Engineering Applications; Wiley: Hoboken, NJ, USA, 2017. [Google Scholar]
  46. Flø, N.E.; Kvamsdal, H.M.; Hillestad, M.; Mejdell, T. Dominating dynamics of the post-combustion CO2 absorption process. Comput. Chem. Eng. 2016, 86, 171–183. [Google Scholar] [CrossRef]
  47. Lin, Y.-J.; Wong, D.S.-H.; Jang, S.-S.; Ou, J.-J. Control strategies for flexible operation of power plant with CO2 capture plant. AIChE J. 2011, 58, 2697–2704. [Google Scholar] [CrossRef]
  48. Varela, C.; Mostafa, M.; Zondervan, E. Modeling alkaline water electrolysis for power-to-x applications: A scheduling approach. Int. J. Hydrogen Energy 2021, 46, 9303–9313. [Google Scholar] [CrossRef]
  49. Staffell, I.; Pfenninger, S. Using bias-corrected reanalysis to simulate current and future wind power output. Energy 2016, 114, 1224–1239. [Google Scholar] [CrossRef]
Figure 1. Timeline of the four-energy transition phases [3].
Figure 1. Timeline of the four-energy transition phases [3].
Applsci 11 09574 g001
Figure 2. Process schematic of CO2 capture using MEA solvent (left to right: desulfurization, flue gas cooling, absorption/desorption, CO2 compression train).
Figure 2. Process schematic of CO2 capture using MEA solvent (left to right: desulfurization, flue gas cooling, absorption/desorption, CO2 compression train).
Applsci 11 09574 g002
Figure 3. Exporting the steady-state model to the dynamic environment.
Figure 3. Exporting the steady-state model to the dynamic environment.
Applsci 11 09574 g003
Figure 4. Stripper response to 10% in flue gas flow rate in open-loop mode.
Figure 4. Stripper response to 10% in flue gas flow rate in open-loop mode.
Applsci 11 09574 g004
Figure 5. Disturbance rejection in the desorber unit for change in flue gas flow rate.
Figure 5. Disturbance rejection in the desorber unit for change in flue gas flow rate.
Applsci 11 09574 g005
Figure 6. Absorber parameters in response to change in capture rate.
Figure 6. Absorber parameters in response to change in capture rate.
Applsci 11 09574 g006
Figure 7. (Left) capture rate % as the set point is induced. (right) Controller servo performance of tracking the set point.
Figure 7. (Left) capture rate % as the set point is induced. (right) Controller servo performance of tracking the set point.
Applsci 11 09574 g007
Figure 8. Sump level rising in response to 5% increase in capture rate.
Figure 8. Sump level rising in response to 5% increase in capture rate.
Applsci 11 09574 g008
Figure 9. Sump level stabilizing time.
Figure 9. Sump level stabilizing time.
Applsci 11 09574 g009
Figure 10. Stripper sump stabilizing time.
Figure 10. Stripper sump stabilizing time.
Applsci 11 09574 g010
Figure 11. Reboiler duty (MW) stabilizing time.
Figure 11. Reboiler duty (MW) stabilizing time.
Applsci 11 09574 g011
Figure 12. 20-MW wind energy, Heide (Germany) 2019. Generated from the model by Pfenniger and Staffell [49].
Figure 12. 20-MW wind energy, Heide (Germany) 2019. Generated from the model by Pfenniger and Staffell [49].
Applsci 11 09574 g012
Figure 13. Hydrogen production from the electrolyzer stage and the equivalent CO2 capture flowrate.
Figure 13. Hydrogen production from the electrolyzer stage and the equivalent CO2 capture flowrate.
Applsci 11 09574 g013
Figure 14. Desorber parameters during hydrogen tracking scenario.
Figure 14. Desorber parameters during hydrogen tracking scenario.
Applsci 11 09574 g014
Table 1. Flue gas and utility parameters.
Table 1. Flue gas and utility parameters.
Flue Gas
Temperature 169°C
Pressure 1.013bar
Flow rate 325,130kg/h
CompositionCO215.4mass-%
H2O8.33mass-%
O23.35mass-%
SO20.07mass-%
N272.89mass-%
Utilities
Cooling water 15°C (Max temp. increase 10 K)
SteamLP4 bar150 °C
IP20 bar220 °C
HP70 bar290 °C
MEA 1400€/t
Air Temp. 10°C
CO2 specifications
Pressure 130bar
Temperature 30°C
Mass fraction 0.99-
Flow rate 45,289kg/h
Table 2. Absorber-Stripper design parameters.
Table 2. Absorber-Stripper design parameters.
UnitParameterValueUnit
AbsorberDiameter6.7m
Height9.45m
PackingFlexiPac Metal 250Y-
Lean solvent Temp.40°C
Lean solvent flow rate763,058kg/h
Rich solvent Temp.46°C
Absorber pressure1.2bar
StripperDiameter4.32m
Height15m
PackingFlexiPac Metal 250Y-
CO2 flowrate45,289kg/h
CO2 mass fraction0.99-
Specific reboiler duty3.6MJ/ kg CO 2
Stripper pressure1.7bar
Table 3. Results for the compression stage.
Table 3. Results for the compression stage.
Compressor StageηInlet PressureOutlet PressureCompression RatioNet Work
10.82bar4.45bar2.23722.20 kW
20.84.25bar11.66bar2.74946.17 kW
30.811.46bar30.54bar2.66875.45 kW
40.830.34bar70bar2.3655.63 kW
Table 4. Summary of the unit default controllers.
Table 4. Summary of the unit default controllers.
UnitControllerProcess Controlled Variable (PV)Manipulated Variable (OP)Gain (%/%)Integral Time (min)Derivative Time (min)Controller Action
AbsorberAbsorber PCOutlet pressureClean flue gas flow rate20120Direct
Absorber LCLiquid LevelRich amine flow rate10600Direct
StripperStripper PCOutlet pressureCO2 stream flow rate20120Direct
Stripper LCLiquid levelLean amine flow rate10600Direct
Table 5. Tuned controller parameters.
Table 5. Tuned controller parameters.
UnitControllerPVOPVariable RangeGain (%/%)Integral Time (min)
MinMax
AbsorberPCFlue gas pressure, barFlue gas flow rate03.62012
Sump LCSump height, mRich amine flow rate07.350.18785
Capture rateCO2 exit flow rate, kg/hLean amine flow rate014,7110.6352.17
StripperPCExit stream pressure, barCO2 stream flow rate042012
Sump LCSump height, mLean amine flow rate06.160.13634.58
TC reverseCO2 stream temperature, °CCondenser duty049.950.180.999
QC reverseStripper temperature, °CReboiler duty0222.561.301.998
Publisher’s Note: MDPI stays neutral with regard to jurisdictional claims in published maps and institutional affiliations.

Share and Cite

MDPI and ACS Style

Mostafa, M.; Varela, C.; Franke, M.B.; Zondervan, E. Dynamic Modeling and Control of a Simulated Carbon Capture Process for Sustainable Power-to-X. Appl. Sci. 2021, 11, 9574. https://doi.org/10.3390/app11209574

AMA Style

Mostafa M, Varela C, Franke MB, Zondervan E. Dynamic Modeling and Control of a Simulated Carbon Capture Process for Sustainable Power-to-X. Applied Sciences. 2021; 11(20):9574. https://doi.org/10.3390/app11209574

Chicago/Turabian Style

Mostafa, Mahmoud, Christopher Varela, Meik B. Franke, and Edwin Zondervan. 2021. "Dynamic Modeling and Control of a Simulated Carbon Capture Process for Sustainable Power-to-X" Applied Sciences 11, no. 20: 9574. https://doi.org/10.3390/app11209574

APA Style

Mostafa, M., Varela, C., Franke, M. B., & Zondervan, E. (2021). Dynamic Modeling and Control of a Simulated Carbon Capture Process for Sustainable Power-to-X. Applied Sciences, 11(20), 9574. https://doi.org/10.3390/app11209574

Note that from the first issue of 2016, this journal uses article numbers instead of page numbers. See further details here.

Article Metrics

Back to TopTop