Next Article in Journal
Quality Improvement of Laser-Induced Periodic Ripple Structures on Silicon Using a Bismuth-Indium Alloy Film
Next Article in Special Issue
Independent Double-Boost Interleaved Converter with Three-Level Output
Previous Article in Journal
Sustainable Development of Concrete through Aggregates and Innovative Materials: A Review
Previous Article in Special Issue
Development of Wireless Power Transmission System for Transfer Cart with Shortened Track
 
 
Font Type:
Arial Georgia Verdana
Font Size:
Aa Aa Aa
Line Spacing:
Column Width:
Background:
Article

A Unified Approach for the Control of Power Electronics Converters. Part I—Stabilization and Regulation

by
Germain Garcia
1,* and
Oswaldo Lopez Santos
2
1
LAAS-CNRS, Université de Toulouse, CNRS, INSA, 31077 Toulouse, France
2
Facultad de Ingeniería, Universidad de Ibagué, Carrera 69 Calle 22 Barrio Ambalá, 730001 Ibagué, Colombia
*
Author to whom correspondence should be addressed.
Appl. Sci. 2021, 11(2), 631; https://doi.org/10.3390/app11020631
Submission received: 9 December 2020 / Revised: 30 December 2020 / Accepted: 1 January 2021 / Published: 11 January 2021
(This article belongs to the Special Issue Novel Power Electronics Technologies in Power Systems)

Abstract

This work deals with the control of power electronics converters. In that context, the majority of the problems of interest can be translated into two main problems: stabilization control problems and tracking control problems. Numerous methods exist in the literature to propose solutions which are based on several ways of handling them in a more appropriate context: linear, nonlinear, switching, and hybrid control, to cite the most important. In recent years, a considerable effort has been made to derive control design methods taking into account the specificities and properties of the complex behavior of these systems, going beyond the numerous techniques based on approximated models or focused on the specific converter topology under study and, in that way, making a step towards a desirable genericity level. It is the objective of this work to go a step further trying to tackle the control of power converters in a unified way. The idea is to avoid, as much as possible, the use of approximations and exploit all the mathematical properties of the associated switched models. Writing them in a specific way, it is possible to deal with a lot of problems of interest whose solutions are based on assumptions which are the expressions of some kind of practical feasibility, and then closely related to the existence of solutions to the studied problems. In some cases, the resulting controls have an inevitable complexity level which reflects one of the problems under study. For such situations, the implementation issues are important and are not discussed in details in this paper. The proposed methods are illustrated by numerical simulations conducted with the help of PSIM software. This research work is decomposed into two parts, the first one focused on stabilization problems is developed in this paper. The other one concerning the tracking problems will be developed in a future paper.

1. Introduction

Even if the control of power converters is a topic which soon interested the control community [1,2,3], recent years have seen a renewed interest due to the increasing importance of renewable energies, which are an alternative to the fossil ones, leading to a compelling need of processing power energy provided by multiple available sources with an adequate efficiency level [4,5,6]. In that context, power converters play a central role and, motivated by the significant recent progresses done in the domain of materials, electronic devices or components [7,8], as well as in the one of control of switched or more generally hybrid systems [9,10], several new perspectives exist to easily address, at least from a theoretical point of view, problems whose solutions are difficult to obtain by the use of standard techniques more or less well suited.
Indeed, power converters are switched systems that can be handled in several ways, but the discontinuous nature of their operation is a source of complexity which is not easy to capture by the standard mathematical tools. A general model describing a large class of power converters is a bilinear differential model whose state, composed of currents and voltages, belongs to a finite dimensional vector space and the control variables associated with the switches devices belong to a finite discrete set [1]. In many practical cases, for example for DC-DC converters, the objective is to maintain the system around an equilibrium state. In such a situation, a possible approach consists in deducing an averaged model which, although bilinear, exhibits constrained continuous control variables allowing the use of all the methods developed for nonlinear systems (feedback linearization, sliding mode, flatness, and passivity (see, e.g., [11] and references therein)). To go a step further in the simplification of the control design problem, it is possible to linearize the averaged bilinear model around a desired operation state and invoke the powerful robust linear control design techniques (see, e.g., [12,13,14]). Among the main limitations of these approaches, we can point out a difficulty to quantify the precision of the resulting approximations and the fact that the deduced control laws are, in general, only valid locally. The control design problem is more complicated for the DC-AC converters where the objective is to enforce the output of the converter to follow a given reference, for example a sinusoidal signal whose frequency and amplitude are a priori prescribed. In that case, the associated control design problem can be formulated as a tracking problem [2] for which a solution with qualified properties, e.g. stability and performances, is not so easy to determine.
Recently, some efforts have been made to propose efficient control design techniques for switched systems, a subclass of hybrid systems whose control is a switching rule that selects, at each instant of time, a mode within a set of possible modes, each of them representing a dynamical subsystem [9,10]. These techniques, well adapted for taking into account the explicit discontinuous nature of the dynamics of power converters, have been successfully applied to the control of DC-DC converters. Among the numerous works, we can cite [15,16,17,18], where the problem is formulated in terms of a switched system whose modes are described by affine differential models. It is possible to show that the obtained switching rules can be interpreted, in general, as sliding mode control laws with sliding surfaces implicitly determined in terms of state space variables and whose stability properties are proven without invoking the equivalent control paradigm [19], the application of which, in that context, may not be so easy. To constrain the resulting switching frequency to adequate values regarding semiconductor limitations, some of these results have been extended to take into account these specific and important implementation constraints [18,20]. In [18], a sampling time is explicitly introduced. In [20], the problem translated into the hybrid model paradigm [10] is solved through time or space regularization approaches. The models used in all the works described above are closely related to the one developed in this paper. They belong to the class of polytopic and switched models more recently investigated (see, e.g., [17,21,22,23]).
The main objective of this work is to propose a generic way for solving several control problems of interest associated with a large class of power converters. The idea is to formulate these problems in a general setting and propose solutions which are justified and qualified from a theoretical point of view using efficient theoretical and numerical tools. A crucial step consists in manipulating the original bilinear converter model in a way to allow exhibiting a constant dynamical matrix (i.e., independent of the control variable). The resulting model is closely related to the switched model considered in the literature (e.g, [15,17]), but the main difference, which could appear as a detail but is central, resides in the possibility of writing the dynamical equation as a sum of a first term, linear with respect to the state, and a second one, which is a bilinear matrix function of the state and control variables. Moreover, the matrix associated with the linear part is Hurwitz. This important particularity allows solving control problems which cannot be easily solved when considering the original switched model. Associated with the modified switched model, it is also possible to define a relaxed model whose control variables are continuous and belong to the interval [ 0 , 1 ] . Among the main properties of this relaxed model, the following ones are central. Firstly, the model is convex with respect to the control variables. Secondly, the solution set of initial value problems of the switched model (trajectories) is dense in the solution set of initial value problems of the relaxed one for the C 0 Whitney topology on the infinite interval [ 0 , ) [24,25]. This last property is very important from a practical point of view. It means that a trajectory of the relaxed model can be arbitrarily approached by a trajectory of the switched one. A similar result is obtained in [26], where the connection between the two systems is used to solve optimal control problems. In the context of power converters, a control law developed from the relaxed model can be translated into a control compatible with the switched model using, for example a Pulse Width Modulator (PWM) of appropriate frequency or a hysteresis device [27]. This specificity can also be used to transform a variable frequency control into a control of a fixed desired frequency, simply by appropriately filtering the first one to deduce its associated duty-cycle, used after as the input of a PWM. Some care has to be taken to prevent undesirable effects such as steady state errors (see [28] for details). Finally, the approaches proposed in this paper could be extended in the context of hybrid model paradigm proposed in [20] with the associated time and space regularization techniques. This extension is not considered in this work and could be addressed in a near future. Due to space limitation, the case of stabilization and tracking problems is treated in two separate papers. The present paper deals with control laws design closely related to stabilization problems. It is organized as follows.
The next section introduces the main assumptions and the different steps which lead to the general switched model considered in this paper. Intimately related to it, the relaxed model is also introduced and their relation is quickly invoked. Section 3 deals with the important problem of stabilization of a given equilibrium state. An important assumption is central for deriving the main result of the section. It is shown that this assumption is automatically satisfied for a large class of power converters, at least for the ones considered in all the works invoked above. Two important extensions of the stabilization problem are also proposed. In the first one, an integral action is added to reject some constant perturbations. The cases of a constant perturbation affecting the input voltage or a constant variation of the output load can be rejected using this approach for perturbations of a reasonable amplitude. The second one considers the rejection of measurable perturbations. The cases of perturbations affecting input voltage or output load can be considered as measurable if a voltage or a current sensor is added to the converter. Then, the stabilization control law can be modified to take into account the information concerning the perturbations. The end of the section is devoted to numerical experiments which illustrate the potential of the proposed control laws for a boost converter. The paper ends with a short conclusion giving some lines of future research.
Notations: The notations are quite standard. Along the paper, matrices of appropriate dimensions are denoted by capital letters. R denotes the set of real numbers, R ≥ 0 ( R ≥ 0) denotes the set of positive real numbers (strictly positive real numbers). For a symmetric matrix P, P < 0 ( P 0 ) means that P is negative definite (negative semidefinite). P > 0 means that symmetric matrix P is positive definite (i.e., P < 0 ). For matrices A and B, A < B means that A B < 0 . For a matrix A or a vector y, A T and y T denote their transposes. The Euclidian norm of a vector y is denoted by | y | . The matrix denoted by d i a g ( A 1 , A 2 , , A N ) is a block diagonal matrix whose diagonal blocks of appropriate dimensions are A 1 , A 2 , …, A N . I denotes the identity matrix of appropriate dimensions

2. A Generalized Converter Model

The main assumptions concerning the converters under study can be summarized as follow
(i)
The circuits are composed of inductors, capacitors, resistors, diodes, and semiconductor switches.
(ii)
The circuits are fed by voltage sources and fed loads of constant resistance, current, or power nature.
(iii)
The converters is assumed to be operating in continuous conduction mode (CCM).
(iv)
The different controlled semiconductor switches can be replaced by an association of appropriate variables u i , which take values 0 and 1 (open and closed, respectively).
(v)
If we need m variables u i to describe the circuit operation, we have 2 m configurations, each of them represented by a passive circuit.
If these assumptions are met, a general model for a converter can be expressed by the following differential system
d x ( t ) d t = ( A 0 + i = 1 m u i ( t ) A u i ) x ( t ) + ( B 0 + i = 1 m u i ( t ) B u i ) v i n ( t ) y ( t ) = ( C 0 + i = 1 m u i ( t ) C u i ) x ( t )
where variables and matrices are defined as follows
-
x ( t ) R n is the state-vector essentially composed of inductor currents and capacitor voltages.
-
y ( t ) R p is the output vector.
-
u i ( t ) is a variable associated to the ith switch, u i = 0 (open or off) or 1 (closed or on) , i = 1 , , m , which correspond to control inputs.
-
A 0 , B 0 , C 0 , A u i , B u i , and C u i , i = 1 , , m are constant matrices of appropriate dimensions.
-
v i n ( t ) is a voltage source (when v i n ( t ) is a constant voltage, we replace v i n ( t ) by V i n ).
A 0 is supposed to be Hurwitz. As is shown below, this assumption is not restrictive for almost all the converters of interest. We also introduce the following matrices associated with a configuration of variables u 1 u 2 . . . u m .
A u 1 ( t ) u 2 ( t ) . . . u m ( t ) = i = 1 m u i ( t ) A u i , B u 1 ( t ) u 2 ( t ) u m ( t ) = i = 1 m u i ( t ) B u i , C u 1 ( t ) u 2 ( t ) u m ( t ) = i = 1 m u i ( t ) C u i
Model (1) introduced in [1] is nonlinear, more precisely bilinear, the control is discrete and belongs to the set 0 , 1 m . To solve many control problems based on model (1), it is possible to write it in a more appropriate way. To obtain such a model, remark that matrix A u 1 ( t ) u 2 ( t ) u m ( t ) can also be written as
A u 1 ( t ) u 2 ( t ) u m ( t ) = ( 1 u 1 ( t ) ) ( 1 u 2 ( t ) ) ( 1 u m ( t ) ) A 00 0 + ( 1 u 1 ( t ) ) ( 1 u 2 ( t ) ) u m ( t ) A 00 01 + ( 1 u 1 ( t ) ) ( 1 u 2 ( t ) ) ( 1 u m 2 ( t ) ) u m 1 ( t ) ( 1 u m ( t ) ) A 00 010 + ( 1 u 1 ( t ) ) ( 1 u 2 ( t ) ) ( 1 u m 2 ( t ) ) u m 1 ( t ) u m ( t ) A 00 011 + ( 1 u 1 ( t ) ) ( 1 u 2 ( t ) ) u m 2 ( t ) ( 1 u m 1 ( t ) ) ( 1 u m ( t ) ) A 00 0100 + ( 1 u 1 ( t ) ) ( 1 u 2 ( t ) ) u m 2 ( t ) ( 1 u m 1 ( t ) ) u m ( t ) A 00 0101 +
Define the following auxiliary functions
λ 1 ( t ) = ( 1 u 1 ( t ) ) ( 1 u 2 ( t ) ) ( 1 u m ( t ) ) λ 2 ( t ) = ( 1 u 1 ( t ) ) ( 1 u 2 ( t ) ) u m ( t ) λ 3 ( t ) = ( 1 u 1 ( t ) ) ( 1 u 2 ( t ) ) ( 1 u m 2 ( t ) ) u m 1 ( t ) ( 1 u m ( t ) ) λ 4 ( t ) = ( 1 u 1 ( t ) ) ( 1 u 2 ( t ) ) ( 1 u m 2 ( t ) ) u m 1 ( t ) u m ( t ) λ 5 ( t ) = ( 1 u 1 ( t ) ) ( 1 u 2 ( t ) ) u m 2 ( t ) ( 1 u m 1 ( t ) ) ( 1 u m ( t ) ) λ 6 ( t ) = ( 1 u 1 ( t ) ) ( 1 u 2 ( t ) ) u m 2 ( t ) ( 1 u m 1 ( t ) ) u m ( t ) λ 2 m ( t ) = u 1 ( t ) u 2 ( t ) u m 2 ( t ) u m 1 ( t ) u m ( t )
and associated with each of them, the following matrices are defined
A 1 = A 00 0 = 0 , A 2 = A 00 01 , A 3 = A 00 010 , A 4 = A 00 011 , A 5 = A 00 0100 , , A 2 m = A 11 1
We can remark that A i = A bin ( i 1 ) where bin ( i 1 ) is the 2 m -digits binary expression of i 1 . Functions λ i ( t ) have the following important property:
i = 1 2 m λ i ( t ) = 1 u 1 ( t ) + u 1 ( t ) 1 u 2 ( t ) + u 2 ( t ) 1 u m ( t ) + u m ( t ) = 1
Doing the same for matrices B u 1 ( t ) u 2 ( t ) u m ( t ) and C u 1 ( t ) u 2 ( t ) u m ( t ) , a new expression for model (1) is obtained as
d x ( t ) d t = ( A 0 + i = 1 M λ i ( t ) A i ) x ( t ) + i = 1 M λ i ( t ) B i v i n ( t ) y ( t ) = ( C 0 + i = 1 M λ i ( t ) C i ) x ( t )
where M = 2 m , λ ( t ) = λ 1 ( t ) λ M ( t ) T Λ S , Λ S being defined as
Λ S = λ 0 , 1 M : i = 1 M λ i = 1
Noting that, for λ Λ S , B 0 = i = 1 M λ i B 0 , matrix B 0 has been included in matrices B i .
Remark 1.
As previously done for B 0 , matrices A 0 and C 0 can be included in matrices A i and C i , respectively. In that case, model (7) becomes
d x ( t ) d t = i = 1 M λ i ( t ) A i x ( t ) + i = 1 M λ i ( t ) B i v i n ( t ) y ( t ) = i = 1 M λ i ( t ) C i x ( t )
where λ : R Λ S . This model has previously been considered in works related to power converters (see, for example, [15,17]). Finally, it is possible to write the previous model in another classical form corresponding to what is called a "switched model" [15,18], given by
d x ( t ) d t = A σ ( t ) x ( t ) + B σ ( t ) v i n ( t ) y ( t ) = C σ ( t ) x ( t )
where σ ( t ) is the switching control strategy defined by
σ : R 1 , 2 , , M t σ ( t ) = i
Remark 2.
Model (7) can represent numerous converters of interest. Indeed, when v i n ( t ) and y ( t ) are DC voltages, the converter is a DC-DC converter. If y ( t ) is an AC voltage and v i n ( t ) is a DC one, the converter is a DC-AC converter. If v i n ( t ) is an AC voltage, depending on the nature of y ( t ) , the converter will be an AC-DC or an AC-AC converter. It is possible to extend all the considered models to the case of multi-sources. In that case, v i n ( t ) is a vector whose dimension is equal to the number of sources. However, for simplicity, only mono-source converters are considered, the extension to multi-sources converters being possible without any difficulty.
As is shown below, the advantage of model (7) is to propose a decomposition of the dynamical equation as a sum of a linear term and a bilinear matrix function of state and control variables x and λ . This specificity suggests writing model (7) in the following form, more adapted to deal with the control design problems investigated in the sequel:
d x ( t ) d t = A 0 x ( t ) + i = 1 M B i ( x ( t ) , v i n ( t ) ) λ i ( t ) y ( t ) = C 0 x ( t ) + i = 1 M D i ( x ( t ) ) λ i ( t ) , λ : R Λ S
where B i ( x ( t ) , v i n ( t ) ) = A i x ( t ) + B i v i n ( t ) and D i ( x ( t ) ) = C i x ( t ) . For simplicity, when v i n ( t ) = V i n , we denote B i ( x ( t ) , v i n ( t ) ) by B i ( x ( t ) ) . As pointed out above, the model is bilinear with a discrete control belonging to Λ S . An associated relaxed or embedded model can be defined as follows:
d x ( t ) d t = A 0 x ( t ) + i = 1 M B i ( x ( t ) , v i n ( t ) ) λ i ( t ) y ( t ) = C 0 x ( t ) + i = 1 M D i ( x ( t ) ) λ i ( t ) , λ : R Λ R
where now
Λ R = λ 0 , 1 M : i = 1 M λ i = 1
There is a close connection between models (12) and (13). As developed in [25], for arbitrary close initial conditions, the solution set of initial value problems of (12) is dense in the solution set of initial value problems of (13) for the C 0 Whitney topology on the infinite interval [ 0 , ) . More precisely, there exist approximating trajectories of (12), of a given trajectory of (13), approximations in the weighted norm [ 0 , ) , f ( t ) = s u p t 0 { f ( t ) r ( t ) } where r : R 0 R > 0 . This result is of importance for practical applications because it is possible to connect controls designed from models (12) and (13). A trajectory of (13) can be arbitrarily approached by a trajectory of (12). A practical way can be to average a control developed from (12) leading to a control applicable for (13). Inversely, a control law developed from model (13) can be translated into a control compatible with model (12) using, for example, a PWM or a hysteresis comparator. Some care has to be taken to prevent some undesirable effects [28]. These connections and other ones are discussed in details, for example, for linear switched systems, in [29]. However, here, the important difference is that the modes are affine.

3. Stabilization Problem

In this section, we suppose that v i n ( t ) = V i n . In practical situations, one of the common stabilization problems is to maintain voltage and currents around some specific values. Strictly speaking, defining a classical notion of equilibrium state for systems described by model (12) is meaningless. By contrast, it is possible to define equilibrium points for system described by model (13). Because its trajectories can be arbitrarily approximated by the ones of model (12), the set of equilibrium points associated with (13) is of a particular interest for controls designed from model (12). These relations are particularly analyzed in [30] where the notion of solution for (12) is discussed (Caratheodory, Filippov’s solutions, etc.). Introduce the following notations:
B 0 ( x ) = B 1 ( x ( t ) ) B M ( x ( t ) )   and   D 0 ( x ) = D 1 ( x ( t ) ) D M ( x ( t ) )
The set of equilibrium points associated with (13) can be expressed as
X e q = x e R n , λ e Λ R : A 0 x e + B 0 ( x e ) λ e = 0
and model (12) is given by
d x ( t ) d t = A 0 x ( t ) + B 0 ( x ( t ) ) λ ( t ) y ( t ) = C 0 x ( t ) + D 0 ( x ( t ) ) λ ( t ) λ : R Λ S
Associated with each x e X e q , we can define an output y e . The set of admissible outputs is given by
Y e q =   y e R p , x e X e q , λ e Λ R : y e = C 0 x e + D 0 ( x e ) λ e
Related to the practical problem of interest, a boost or buck property of the converter can be invoked. In general, such a property is associated with the gain G ( λ e ) between the voltage V i n and an admissible output y e . Then, the set of the admissible gains of the converter G ( λ e ) can be defined as follows
y e = G ( λ e ) V i n where G ( λ e ) G e q
with
G e q = G ( λ e ) R p , λ e Λ R : G ( λ e ) = i = 1 M λ e i ( C 0 + C i ) i = 1 M λ e i ( A 0 + A i ) 1 i = 1 M λ e i B i
Assumption A1.
We consider that voltage and currents are accessible for measurements; thus, the complete state is measurable for control.
Consider an equilibrium point x e X e q and introduce the error signal
e ( t ) = x ( t ) x e
Then, the stabilization problem can be defined as follows:
Problem 1.
Design a control law λ : R Λ S , such that, for any initial condition e ( 0 ) R n , the error dynamic is asymptotically stable, ensuring that
lim t e ( t ) = 0
and, for all t > 0 , the error e ( t ) is bounded implying that the state x ( t ) is also bounded with
lim t x ( t ) = x e

3.1. Main Result

The error dynamic is given by
d e ( t ) d t = d x ( t ) d t = A 0 x ( t ) + B 0 ( x ( t ) ) λ ( t ) = A 0 e ( t ) + B 0 ( x ( t ) ) λ ( t ) + A 0 x e = A 0 e ( t ) + B 0 ( x ( t ) ) λ ( t ) B 0 ( x e ) λ e
Because A 0 is Hurwitz, given a positive definite symmetric matrix Q R n × n , there always exists a positive definite symmetric matrix P R n × n satisfying the following Lyapunov inequality
A 0 T P + P A 0 + 2 Q < 0
To solve the stabilization problem, we introduce the following important assumption.
Assumption A2.
Given x e X e q and x ( t ) R n , x ( t ) x e , there exist λ ( t ) Λ R , Λ R defined in (14) and a positive definite symmetric matrix Q 1 , 0 < Q 1 Q such that
e ( t ) T P [ B 0 ( x ( t ) ) λ ( t ) B 0 ( x e ) λ e ] < e ( t ) T P A 0 e ( t ) e ( t ) T Q 1 e ( t )
Assumption A2 ensures that there exists a control λ : R Λ R which stabilizes the equilibrium point x e for (13). This assumption is always satisfied for a large class of converters, as shown in the following lemma.
Lemma 1.
We have the following properties:
(i) 
For a given positive definite symmetric matrix Q, suppose that there exists a positive definite symmetric matrix S λ e R n × n such that
i = 1 M λ e i ( A 0 + A i ) T S λ e + S λ e i = 1 M λ e i ( A 0 + A i ) + 2 Q < 0 , i = 1 M λ e i = 1
Then, Assumption A2 is satisfied with P = S λ e .
(ii) 
For a given positive definite symmetric matrix Q, suppose that there exists a positive definite symmetric matrix S R n × n such that
( A 0 + A i ) T S + S ( A 0 + A i ) + 2 Q < 0 , i = 1 , , M
Then, Assumption A2 is satisfied with P = S .
Proof. 
Suppose (27) is satisfied by a matrix S λ e . Then,
e T S λ e [ B 0 ( x ) λ B 0 ( x e ) λ e ] = e T S λ e [ B 0 ( x ) ( λ λ e ) + ( B 0 ( x ) B 0 ( x e ) ) λ e ] = e T S λ e [ B 0 ( x ) ( λ λ e ) + A 1 e A M e λ e ] = e T S λ e B 0 ( x ) ( λ λ e ) + e T S λ e i = 1 M λ e i ( A 0 + A i ) e e T S λ e A 0 e
For λ = λ e , we have
e T S λ e A 0 e + e T S λ e [ B 0 ( x ) λ e B 0 ( x e ) λ e ] ) = e T S λ e i = 1 M λ e i ( A 0 + A i ) e < e T Q e
from (27). By continuity arguments, there always exists a neighborhood of λ e such that
e T S λ e A 0 e + e T S λ e [ B 0 ( x ) λ B 0 ( x e ) λ e ] ) = e T S λ e i = 1 M λ e i ( A 0 + A i ) e + e T S λ e B 0 ( x ) ( λ λ e ) < e T Q e
then Assumption A2 is satisfied and ( i ) follows. The proof of ( i i ) is obtained remarking that, if S satisfies (28), it satisfies (27) for all λ e Λ R , meaning that condition (28) is stronger than condition (27). □
We remark that, in Lemma 1, Assumption A2 is satisfied for a matrix S λ e or S satisfying, respectively, inequalities (27) or (28). Such non-unique matrices can be found using an LMI solver. An important fact is that, in the context of Lemma 1, the existence of λ satisfying Assumption A2 is independent of the selected matrices Q and S λ e (or S), only the satisfaction of (27) or (28) being needed. However, it is possible to select them to guarantee some optimality properties, as shown below. It is also worth remarking that, if there exists a matrix S satisfying (28), it also satisfies (25). This can be deduced by remarking that A 1 = 0 . However, the converse is not true: a matrix P satisfying (25) might not satisfy (28). Moreover, a solution (25) may not be a solution of (27) and conversely a solution of (27) may not be a solution of (25). An interesting question is: Are there systems described by (1) which do not satisfy conditions of Lemma 1, but satisfy Assumption A2? It is not easy to answer such a question because checking whether Assumption A2 is satisfied is a difficult task due to its dependence with respect to the state of the system. We introduce now a key lemma, important for deriving the main result of this section.
Lemma 2.
Consider x e X e q and matrix P solution of (25). Suppose that Assumption A2 is verified. Then, we have
min λ Λ S e T ( t ) P A 0 e ( t ) + B 0 ( x ( t ) ) λ + A 0 x e < e ( t ) T Q 1 e ( t )
Proof. 
We have by convexity
min λ Λ S e T ( t ) P A 0 e ( t ) + B 0 ( x ( t ) ) λ + A 0 x e = min λ Λ R e T ( t ) P A 0 e ( t ) + B 0 ( x ( t ) ) λ + A 0 x e = e ( t ) T P A 0 e ( t ) + min λ Λ R e ( t ) T P B 0 ( x ( t ) ) λ + A 0 x e = e T ( t ) P A 0 e ( t ) + min λ Λ R e ( t ) T P [ B 0 ( x ) λ B 0 ( x e ) λ e ] < e ( t ) T Q 1 e ( t ) by assumption A 2
The main result of this section can now be stated. Its simple proof results from the above lemma.
Theorem 1.
Consider the system (12), x e X e q and matrix P solution of (25). Suppose that Assumptions A1 and A2 are satisfied. The control λ ( t ) defined by
λ ( t ) = arg min d Λ S e T ( t ) P A 0 e ( t ) + B 0 ( x ( t ) ) d + A 0 x e
solves Problem 1. In addition, the error signal satisfies
J ( e ) = 0 e T ( t ) Q 1 e ( t ) d t 1 2 e T ( 0 ) P e ( 0 )
Proof. 
Consider the Lyapunov function V ( e ( t ) ) = 1 2 e T ( t ) P e ( t ) . Then,
(35a) d V ( e ( t ) ) d t = e ( t ) T P d e ( t ) d t = e ( t ) T P A 0 e ( t ) + B 0 ( x ( t ) ) λ ( t ) + A 0 x e (35b) = min d Λ S e ( t ) T P ( A 0 e ( t ) + B 0 ( x ( t ) ) d + A 0 x e (35c) < e ( t ) T Q 1 e ( t ) by Lemma 2 .
Since d V ( e ) d t < 0 for all e 0 , we conclude that lim t e ( t ) = 0 . Now, integrating (35c) from zero to infinity and taking into account that V ( e ( ) ) = 0 , we obtain (34). □
Remark 3.
-
When m = 1 , the control proposed in the previous theorem can be formulated in a simple way. This case is particularly important because it corresponds to the important class of converters controlled by one variable. Several converters belong to this class. The matrix B 0 ( x ( t ) ) and the control λ ( t ) are then given by
B 0 ( x ( t ) ) = B 1 ( x ( t ) ) B 2 ( x ( t ) ) , λ ( t ) = λ 1 ( t ) λ 2 ( t ) T
Theorem 1 leads to the following corollary whose simple proof is omitted.
Corollary 1.
Consider the system (1) with m = 1 and suppose that Assumptions A1 and A2 are satisfied. Then, the control
If e T ( t ) P ( A 2 A 1 ) x ( t ) + ( B 2 B 1 ) V i n > 0 then λ ( t ) = 1 0 o r u ( t ) = 0 If e T ( t ) P ( A 2 A 1 ) x ( t ) + ( B 2 B 1 ) V i n 0 then λ ( t ) = 0 1 o r u ( t ) = 1
solves Problem 1.
-
The control can also be written as
λ ( t ) = arg min d Λ S e T ( t ) P A 0 e ( t ) + B 0 ( x ( t ) ) d + A 0 x e = arg min d Λ S e T ( t ) P B 0 ( x ( t ) ) d
-
From inequality (34), we see that an over bound of the integral of error depends explicitly on matrix P. To go in the sense of a minimization of the integral of error, a possible way could be to minimize the trace of P under the constraint (25). The resulting optimization problem is an LMI optimization problem which can be solved by efficient numerical tools.
To end with this paragraph, note that, if (28) is satisfied, the control proposed in Theorem 1 whose alternate expression is given in the previous remarks, can be simplified. Indeed, to deduce λ ( t ) , quadratic expressions with respect to the current state x ( t ) must be evaluated. In fact, if (28) is satisfied, such expressions can be replaced by linear expressions with respect to the state simplifying drastically the control implementation. In that case, the following corollary can be proved.
Corollary 2.
Consider x e X e q and matrix P satisfying (28). The control λ ( t ) defined by
λ ( t ) = arg min d Λ S e ( t ) T P B 0 ( x e ) d
solves Problem 1. In addition, the error signal satisfies
J ( e ) = 0 e ( t ) T Q 1 e ( t ) d t 1 2 e ( 0 ) T P e ( 0 )
Proof. 
Consider the Lyapunov function V ( e ) = 1 2 e ( t ) T P e ( t ) . Then,
d V ( e ) d t = e ( t ) T P d e ( t ) d t = e ( t ) T P A 0 e ( t ) + B 0 ( x ( t ) ) λ ( t ) B 0 ( x e ) λ e = e ( t ) T P A 0 e ( t ) + B 0 ( x ( t ) ) λ ( t ) B 0 ( x e ) λ e
Note that we have
A 0 e ( t ) = A 0 e ( t ) A 0 e ( t ) A 0 e ( t ) d 1 d 2 d M , i = 1 M d i = 1 B 0 ( x ( t ) ) d = A 1 x + B 1 V i n A 2 x + B 2 V i n A M x + B M V i n d 1 d 2 d M
and
e ( t ) T P A 0 e ( t ) + B 0 ( x ( t ) ) d + A 0 x e = e ( t ) T P ( A 0 + A 1 ) e ( t ) ( A 0 + A 2 ) e ( t ) ( A 0 + A M ) e ( t ) d + e ( t ) T P ( A 1 x e + B 1 V i n A 2 x e + B 2 V i n A M x e + B M V i n d B 0 ( x e ) λ e )
Then,
d V ( e ) d t = e ( t ) T P A 0 e ( t ) + B 0 ( x ( t ) ) λ ( t ) + A 0 x e = e ( t ) T P ( A 0 + A 1 ) e ( t ) ( A 0 + A 2 ) e ( t ) ( A 0 + A M ) e ( t ) λ ( t ) + min d Λ S e ( t ) T P B 0 ( x e ) d B 0 ( x e , ) λ e = e ( t ) T P ( A 0 + A 1 ) e ( t ) ( A 0 + A 2 ) e ( t ) ( A 0 + A M ) e ( t ) λ ( t ) + min d Λ S e ( t ) T P B 0 ( x e ) ( d λ e ) e ( t ) T P ( A 0 + A 1 ) e ( t ) ( A 0 + A 2 ) e ( t ) ( A 0 + A M ) e ( t ) λ ( t ) < e ( t ) T Q e ( t )
by (28) and convexity arguments. The last part of corollary can be proved as for Theorem 1. □
To summarize the developments of this section, the stabilization problem can be solved following the main steps described below
  • From the elementary electrical equations describing the converter operation, derive the bilinear model (1).
  • It is then possible to compute matrices A i , B i and C i of the polytopic model (7).
  • Compute a matrix P solution of (25). This can be done for example using the efficient techniques developed in the LMI-toolbox of MATLAB. A solution always exists.
  • The control expression is then deduced from Theorem 1.
To simplify the control expression following the lines of Corollary 2, it is necessary to replace matrix P of Step 3 by a matrix P solution of (28). A solution P can be computed using the LMI toolbox of MATLAB.

3.2. Integral Action

The control developed in the previous section allows stabilizing the converter around a desired equilibrium point but, in practical applications, as expected, it cannot reject disturbances on the input voltage or the load or cope with uncertainties. To take them into account, at least for perturbations of "reasonable amplitude", a cascade control structure can be implemented using an outer voltage proportional-integral (PI) control providing the reference of the inner loop. When the internal loop controller is nonlinear (e.g., a sliding mode control), a linear approximation of the closed-loop system is derived and the linear control methods can be used to design a PI control loop [14]. Here, we show how the stabilization control can be extended to deal with the design of a PI control. An integrator is added at the output of the system leading to an additional state equation written as
d x I ( t ) d t = y ( t ) y r e f
where y r e f Y e q is the constant vector of output reference signal and Y e q is defined by (18). The extended state-space model obtained by taking X ( t ) = x ( t ) x I ( t ) T as state vector is given by
d X ( t ) d t = AX 0 ( t ) + B 0 ( X ( t ) ) λ ( t ) + H X e + H e y ( t ) = C 0 X ( t ) + D 0 ( X ( t ) ) λ ( t )
where
A 0 = A 0 0 C 0 0 , B 0 ( X ( t ) ) = B 0 ( x ( t ) ) D 0 ( x ( t ) ) , H = 0 0 C 0 0 , H e = 0 D 0 ( x e ) λ e C 0 = C 0 0 , D 0 ( X ( t ) ) = D 0 ( x ( t ) ) , X e = x e x I e , x I e R p
Note that, for all x I e , R p
A 0 0 C 0 0 x e x I e + B 0 ( x e ) D 0 ( x e ) λ e + 0 0 C 0 0 x e x I e + 0 D 0 ( x e ) λ e = 0
Then, the set of equilibrium points for model (44) is defined as
X e = X e = x e x I e R n + p , λ e Λ R : A 0 X e + B 0 ( X e ) λ e + H X e + H e = 0
If X e X e and the error signal is defined as
e I ( t ) = X ( t ) X e
we have
d e I ( t ) d t = d X ( t ) d t = A 0 X ( t ) + B 0 ( X ( t ) ) λ ( t ) + H X e + H e = A 0 e I ( t ) + B 0 ( X ( t ) ) λ ( t ) B 0 ( X e ) λ e
Define the following LMI optimization problem
δ max = A r g max δ > 0 δ under A 0 T P + P A 0 δ A 0 1 T C 0 T C 0 δ C 0 T C 0 A 0 1 + 2 Q < 0 P = P δ A 0 1 T C 0 T δ C 0 A 0 1 δ I > 0
being P and Q the matrices involved in (25). Optimization problem (49) always has a solution because, by continuity arguments, there always exists a neighborhood of 0, e.g., Δ , such that, for all δ Δ , the constraints of problem (49) are satisfied if (25) is satisfied. In fact, optimization problem (49) allows the determination of the maximal set Δ , denoted as Δ max and defined by Δ max = 0 , δ max . To extend the stabilization problem taking into account an integral action, introduce the following assumption that, in that context, is very similar to Assumption A2. First, introduce the following matrix
Q = Q 0 0 0
Assumption A3.
Given X e X e and X ( t ) R n + p , X ( t ) X e , there exist λ ( t ) Λ R and a positive definite symmetric matrix Q 1 , 0 < Q 1 Q such that
e I T ( t ) P B 0 ( X ( t ) ) λ B 0 ( X e ) λ e e I T ( t ) A 0 T P e I ( t ) e I T ( t ) Q e I ( t )
We can state the following lemma involved in the proof of the main result of this paragraph.
Lemma 3.
Consider X e X e and matrix P obtained from optimization problem (49). Suppose that Assumption A3 is satisfied. Then,
(i) 
For all 0 < δ δ max , the matrix P = P T > 0 verifies
A 0 T P + P A 0 + 2 Q 0
(ii) 
We have
min λ Λ S e I T ( t ) P A 0 e I ( t ) + B 0 ( X ( t ) ) λ + A 0 X e + H X e + H e e T ( t ) Q 1 e ( t )
Proof. 
( i ) is obtained by direct substitution and ( i i ) by arguments similar to those for Lemma 2. □
An important remark is that, if conditions of Lemma 2 are satisfied, they are sufficient to guarantee that Assumption A3 is also satisfied; then, we can conclude that Assumption A3 is satisfied for a large class of power converters. This fact results from the structure of Assumption A3 being very similar to the one of Assumption A1. The main theorem providing a solution to the stabilization problem with integral action can now be introduced.
Theorem 2.
Assumptions A1 and A3 are satisfied. Then, for all 0 < δ δ max , the control
λ ( t ) = arg min d Λ S e I T ( t ) P A 0 e I ( t ) + B 0 ( X ( t ) ) d + A 0 X e + H X e + H e
is such that the states of system (44) are bounded and we have
lim t x ( t ) = x e
Consequently, lim t y ( t ) = y r e f .
Proof. 
Consider the Lyapunov function V ( e I ( t ) ) = 1 2 e I T ( t ) P e I ( t ) . Then
(55a) d V ( e I ( t ) ) d t = e I T ( t ) P d e I ( t ) d t = e I ( t ) T P A 0 e I ( t ) + B 0 ( X ( t ) ) λ ( t ) + A 0 X e + H X e + H e r (55b) = min d Λ S e I T ( t ) P ( A e I ( t ) + B 0 ( X ( t ) ) d + A 0 X e + H X e + H e (55c) e I T Q 1 e I by Lemma 3 .
Define the sets
Ω V ˙ = e I R n + p : V ˙ ( e I ) = 0 , Ω Q 1 = e I R n + p : e I T Q 1 e I = 0
A basis of Ω Q 1 is given by 0 I T . If, for e I R n + p , we have V ˙ ( e I ) = 0 , then e I T Q 1 e I = 0 . To show it, we proceed by contradiction. Suppose that, for e I R n + p such that V ˙ ( e I ) = 0 , we have e I T Q 1 e I 0 . Then, by (55c), V ˙ ( e I ) < 0 which is a contradiction. Then, V ˙ ( e I ) = 0 implies e I T Q 1 e I = 0 and Ω V ˙ Ω Q 1 . The largest invariant set contained in Ω V ˙ is also included in Ω Q 1 . By the Lasalle principle [31], we have
lim t e I ( t ) = 0 x I e
for some x I e and then lim t x ( t ) = x e . □
Remark 4.
(i) 
The control of Theorem 2 can also be written as
λ ( t ) = arg min d Λ S e I T ( t ) P B 0 ( X ( t ) ) d
(ii) 
When m = 1 , Control (4) is expressed as
If x ( t ) x e 0 t ( y ( t ) y r e f ) d t T P ( A 2 A 1 ) x ( t ) + ( B 2 B 1 ) V i n ( C 2 C 1 ) x ( t ) > 0 Then , λ ( t ) = 1 0 o r u ( t ) = 0 Otherwize λ ( t ) = 0 1 o r u ( t ) = 1
The main steps to design an integral control are summarized as follows:
  • Apply the three first steps of the stabilization control design procedure.
  • Then, the matrices of the extended model (44) can be easily deduced.
  • The extended matrix P is obtained solving the LMI optimization problem (49). This problem always has a solution.
  • The control is defined by (58).

Rejection of a Measured Perturbation

In practical problems, a converter is affected by two main disturbances: the changes in the output load (load disturbance) and the changes in the input voltage (line disturbance). The problem of rejection of perturbations is a problem extensively studied in the control design literature. Many approaches exist and, among them, we can cite, for example, the ones based on robust transfer matrix norm minimization [32] or on the use of some kind of adaptation schemes consisting in reconstructing a signal of interest used appropriately by the controller [17,33]. In addition, it is important to mention the techniques of robust design to synthesize a unique controller able to operate in a wide range of their main variables involving disturbances [14]. Here, we suppose that perturbations are measurable and that these measures can be used by the control. For the previously evoked example, a current sensor can provide information that the control law strategy can use. When a perturbation affects the converter, the model (1) is rewritten as
d x ( t ) d t = ( A 0 + i = 1 m u i ( t ) A u i ) x ( t ) + ( B 0 + i = 1 m u i ( t ) B u i ) V i n + ( B w 0 + i = 1 m u i ( t ) B w u i ) w ( t ) y ( t ) = ( C 0 + i = 1 m u i ( t ) C u i ) x ( t ) + ( D w 0 + i = 1 m u i ( t ) D w u i ) w ( t )
where B w 0 , B w u i R n × r , D w 0 , D w u i R p × r and w ( t ) R r is the vector of perturbations supposed measurable, the other matrices being defined as previously. Following the approach developed in Section 3.1, we can introduce the matrices
B w u 1 ( t ) u 2 ( t ) u m ( t ) = i = 1 m u i ( t ) B w u i = i = 1 M λ i ( t ) B w i
D w u 1 ( t ) u 2 ( t ) u m ( t ) = i = 1 m u i ( t ) D w u i = i = 1 M λ i ( t ) D w i
where λ : R Λ S and the model can be written as
d x ( t ) d t = A 0 x ( t ) + B 0 ( x ( t ) , w ( t ) ) λ ( t ) y ( t ) = C 0 x ( t ) + D 0 ( x ( t ) , w ( t ) ) λ ( t )
with
B 0 ( x , w ) = B 1 ( x , w ) B M ( x , w ) a n d D 0 ( x , w ) = D 1 ( x , w ) D M ( x , w )
being B i ( x , w ) = A i x + B w i w + B i V i n and D i ( x , w ) = C i x + D w i w .
The results of the previous sections can be extended. In general, the perturbations are time-varying signals, and, in many practical problems, the objective is to maintain some physical variables around appropriate constant values. Most of them are not always state variables but rather functions of them. For example, if despite the presence of time-varying perturbation at the output, the objective is to maintain constant the voltage and power output, the voltage output being in general a state variable, the output current will have to vary to compensate the perturbations effects. This suggests that, while a subset of state variables is maintained around a specific value, the others may vary in a way allowing to attain the fixed control objectives. More formally, the problem is translated into the one where the state variables are constrained to belong to the following set
X e = x e : R R n , λ e : R Λ R , : A 0 x e ( t ) + B 0 ( x e ( t ) , w ( t ) ) λ e ( t ) = 0
If the error signal is e ( t ) = x ( t ) x e ( t ) , we have
(66) d e ( t ) d t = A 0 x ( t ) + B 0 ( x ( t ) , w ( t ) ) λ ( t ) d x e ( t ) d t (67) = A 0 e ( t ) + B 0 ( x ( t ) , w ( t ) ) λ ( t ) + A 0 x e ( t ) d x e ( t ) d t
Problem 2.
Design a control law λ : R Λ S , such that, for any initial condition e ( 0 ) R n , the error dynamic is asymptotically stable, ensuring that
lim t e ( t ) = 0
and, for all t > 0 , the error e ( t ) is bounded implying that the state x ( t ) is also bounded with
lim t x ( t ) X e
Assumption A2 becomes
Assumption A4.
Given x e ( t ) X e , x ( t ) R n and w ( t ) R r , there exist λ ( t ) Λ R and a positive definite symmetric matrix Q 1 , 0 < Q 1 Q such that
e T ( t ) P [ B 0 ( x ( t ) , w ( t ) ) λ B 0 ( x e ( t ) , w ( t ) ) λ e ] e T ( t ) A 0 P e ( t ) e T ( t ) Q 1 e ( t ) + e T ( t ) P d x e ( t ) d t
As for Problem 1, the existence of λ ( t ) satisfying Assumption A4 implies that a control exists to reject the perturbations. Theorem 1 can be easily extended and becomes
Theorem 3.
Consider the system (60), x e ( t ) X e and matrix P solution of (25). Suppose that Assumptions A1 and A4 are satisfied. Then, the control λ ( t ) defined by
λ ( t ) = arg min d Λ S e T ( t ) P A 0 e ( t ) + B 0 ( x ( t ) , w ( t ) ) d + A 0 x e ( t ) d x e ( t ) d t
solves Problem 2. In addition, the error signal satisfies
J ( e ) = 0 e T ( t ) Q 1 e ( t ) d t 1 2 e T ( 0 ) P e ( 0 )
The proof is very similar to the one for Theorem 1.
Remark 5.
We can note that the control can also be written as
λ ( t ) = arg min d Λ S e T ( t ) P B 0 ( x ( t ) , w ( t ) ) d
and the knowledge of d x e ( t ) d t is no longer needed to deduce the control. Observe that the controls proposed in Theorems 1–3 are structurally similar (see Remarks 2 and 3). In the context of the control of power converters, they can be interpreted as sliding mode controls whose nonlinear sliding surfaces are implicitly defined. The proofs of stability are derived without invoking the equivalent control paradigm.
Remark 6.
Another important remark concerns the case where v i n ( t ) is not constant, but it is measured or a priori known. In that case, v i n ( t ) can be included in the perturbation w ( t ) and the model is written as
d x ( t ) d t = ( A 0 + i = 1 m u i ( t ) A u i ) x ( t ) + ( B w 0 + i = 1 m u i ( t ) B w u i ) w ( t ) y ( t ) = ( C 0 + i = 1 m u i ( t ) C u i ) x ( t ) + ( D w 0 + i = 1 m u i ( t ) D w u i ) w ( t )
The previous approach can be applied to this particular case.
The main steps to derive a rejection perturbation control can now be summarized
  • From the elementary electrical equations describing the converter operation, derive the bilinear model (60).
  • It is then possible to compute the matrices A i , B w i , C i and D w i of the polytopic model (63).
  • Compute a matrix P solution of (25). A solution always exists.
  • The control expression is then deduced from Theorem 3.

4. Simulation Results

A set of simulations were developed using PSIM software in order to validate the proposed concepts. The boost converter was selected for examples with different complexity to validate the cases proposed in the theoretical development. To introduce the effect of the losses in the models, only the parasitic resistances of the inductor and the capacitor have been considered for simplicity. The parasitic resistances of power semiconductors are not considered but they can be included without modifying considerably the form of the model. Similarly, considering that switching losses could be included approximately as an equivalent series resistance [34], its inclusion in the model could be also developed for further analysis. Then, looking for simplicity, we consider a boost converter whose parameters are given in Table 1.

4.1. Stabilization

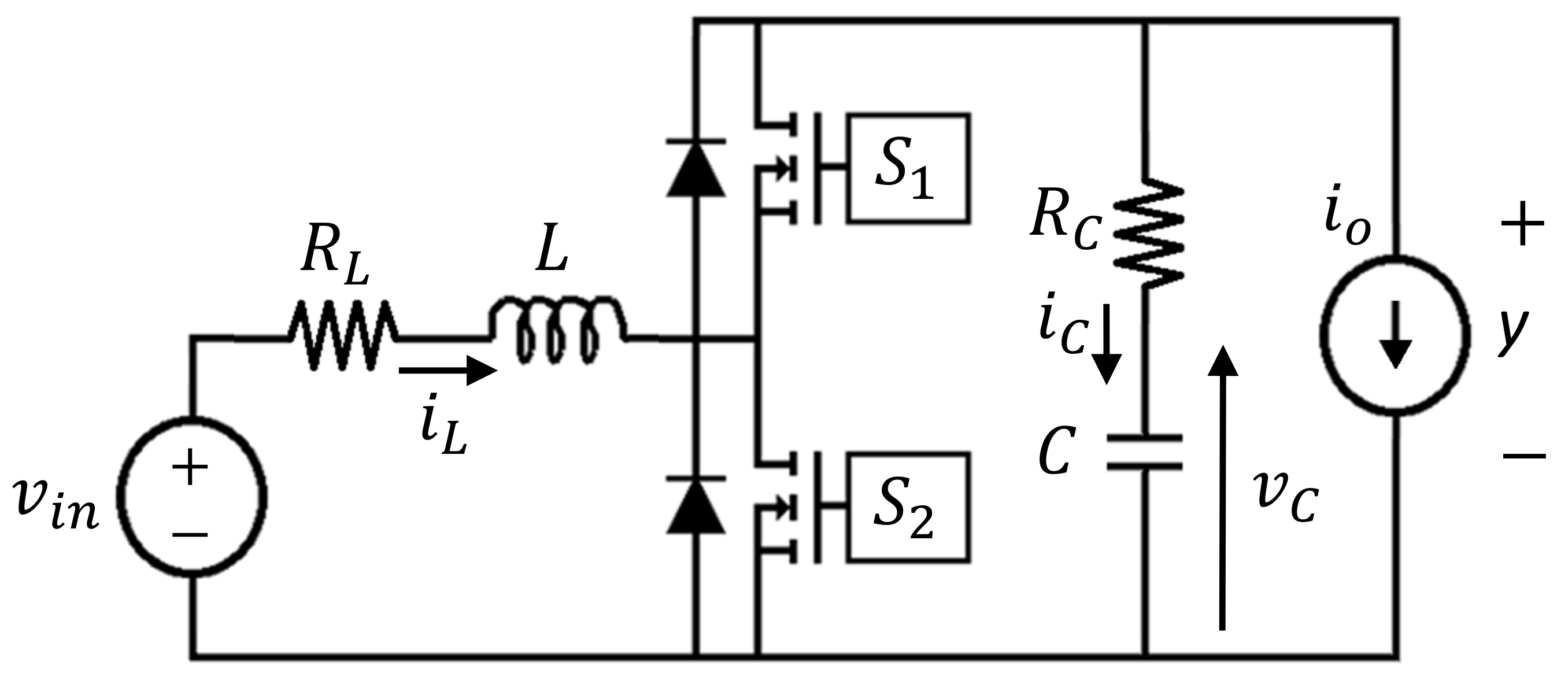
The elementary equations describing the behavior of the boost converter depicted in Figure 1 are given by
L d i L ( t ) d t = V i n ( 1 u 1 ( t ) ) y ( t ) r L i L ( t ) C d v C ( t ) d t = ( 1 u 1 ( t ) ) i L ( t ) y ( t ) R = y ( t ) v C ( t ) r C
Taking the state vector, x ( t ) = i L ( t ) v C ( t ) , we have
d x ( t ) d t = r L + α r C L α L α C α R C A 0 + α r C L α L α C 0 A u 1 u 1 ( t ) x ( t ) + 1 L 0 B 0 V i n y ( t ) = α r C α C 0 + α r C 0 C u 1 u 1 ( t ) x ( t )
with α = R / ( R + r C ) . We can verify that A 0 is Hurwitz and determine the different matrices A i , B i and C i of the model (12).
A 1 = 0 × A u 1 = 0 A 2 = 1 × A u 1 = α r C L α L α C 0
B 1 = B 2 = B 0 = 1 L 0 , C 1 = 0 × C u 1 = 0 , C 2 = 1 × C u 1 = α r C 0 , C 0 = α r C α
Then,
B 0 ( x ) = A 1 x + B 1 V i n A 2 x + B 2 V i n and D 0 ( x ) = C 1 x C 2 x
The equilibrium points are given by
r L + α r C L α L α C α R C x e + 1 L 0 V i n ( λ e 1 + λ e 2 ) + α r C L α L α C 0 x e λ e 2 = 0
with λ e = λ e 1 λ e 2 T Λ R . Then, because λ e 1 + λ e 2 = 1 , we have
x e = r L + α r C L α L α C α R C + λ e 2 α r C L α L α C 0 1 1 L 0 V i n
The set of equilibrium states is defined by
X e q = x e = V i n r L + α r C ( 1 λ e 2 ) + α R ( 1 λ e 2 ) 2 1 λ e 2 R V i n r L + α r C ( 1 λ e 2 ) + α R ( 1 λ e 2 ) 2 T , λ e 2 [ 0 , 1 ]
At the equilibrium, the output voltage writes
y e = C 0 x e + D 0 ( x e ) λ e = α ( 1 λ e 2 ) r C α x e
leading to a voltage gain of the converter given by
G ( λ e ) = R 1 λ e 2 r L + α r C ( 1 λ e 2 ) + α R ( 1 λ e 2 ) 2
The maximal gain is deduced from
d G ( λ e ) d λ e λ e max = 0 ( 1 λ e 2 max ) 2 = r L α R and G ( λ e max ) = R 2 α R r L + α r C
The desired output voltage is taken equal to 350 V, which corresponds to λ e 2 = 0.632 . The equilibrium of interest and matrix P obtained for Q = I are given by
x e = 9.36 350 , P = 10 3 1.85 0.08 0.08 0.04
Figure 2 shows the output voltage and the inductor current for the control derived from Theorem 1. We can see that, with the proposed control strategy, the output voltage can be maintained at a desired value if no perturbation affects the converter. However, when a perturbation affects the output voltage (variation of load) or if the input voltage V i n changes, the output voltage of the converter deviates from the desired value. If the perturbations are constant signals, a way to recover the desired output value is to introduce an integral action in the controller. This is done in the following paragraph.

4.2. Integral Control

Now, the problem is to consider that constant perturbations can affect the converter (for example, V i n and charge). To reject them, we introduce an integral action and apply the results of Section 3.2. For the above values of P and Q, the optimization problem (49) leads to δ max = 140.54428 . We consider as before a reference for the output voltage equal to 350 V. We take δ = δ max . For this value of δ , the matrix P I is given by
P I = 0.00185 0.00008 0.01378 0.00008 0.00004 0.00055 0.01378 0.00055 140.54428
Figure 3 shows the main converter signals for a scenario which consists in a variation of input voltage from 160 to 200 V at 0.05 s, from 200 to 140 V at 0.1 s, and from 140 to 180 V at 0.15 s. This numerical experiment demonstrates the efficiency of the proposed control to cope with considerable input voltage disturbances.
Figure 4 shows the main converter signals for a scenario which includes a variation of the load resistance R from 160 to 80 Ω at 0.05 s, from 80 to 200 Ω at 0.1 s and from 200 to the nominal value of 100 Ω at 0.15 s. This numerical experiment demonstrates the efficiency of the proposed control.

4.3. Rejection of Measured Perturbation

In this paragraph, we suppose that the load is varying, the state measurable and the load current is considered as a measurable perturbation. For the boost converter depicted in Figure 5, the basic equations are
L d i L ( t ) d t = V i n ( 1 u 1 ( t ) ) y ( t ) r L i L ( t ) C d v C ( t ) d t = ( 1 u 1 ( t ) ) i L ( t ) i 0 ( t ) = y ( t ) v C ( t ) r C
Taking the state vector, x ( t ) = i L ( t ) v C ( t ) and w ( t ) = i 0 ( t ) we have
d x ( t ) d t = r L + r C L 1 L 1 C 0 A 0 + r C L 1 L 1 C 0 A u 1 u 1 ( t ) x ( t ) + 1 L 0 B 0 V i n + r C L 1 C B w 0 + r C L 0 B w u 1 u 1 ( t ) w ( t ) y ( t ) = r C 1 C 0 + r C 0 C u 1 u 1 ( t ) x ( t ) + r C D w 0 w ( t )
We can note that A 0 is Hurwitz. The main matrices associated with the model (60) are given by
A 1 = 0 × A u 1 = 0 A 2 = 1 × A u 1 = r C L 1 L 1 C 0
B 1 = B 2 = B 0 = 1 L 0 , C 1 = 0 × C u 1 = 0 , C 2 = 1 × C u 1 = r C 0 , C 0 = r C 1
B w 1 = B w 0 + 0 × B w u 1 = r C L 1 C , B w 2 = B w 0 + 1 × B w u 1 = 0 1 C
B 0 ( x , w ) = A 1 x + B w 1 w + B 1 V i n A 2 x + B w 2 w + B 2 V i n
D 0 ( x , w ) = C 1 x + D w 1 w C 2 x + D w 2 w and , D w 1 = D w 2 = D w 0 = r C
The set X e is the set of the function vectors defined by
x e ( t ) = r L + r C L 1 L 1 C 0 + λ e 2 ( t ) r C L 1 L 1 C 0 1 1 L 0 V i n + λ e 1 r C L 1 C w ( t ) = w ( t ) 1 λ e 2 ( t ) V i n 1 λ e 2 ( t ) r C λ e 2 ( t ) w ( t ) 1 λ e 2 ( t ) r L w ( t ) 1 λ e 2 ( t ) 2 T
with λ e : R Λ R . At equilibrium, the output voltage is written as
y e ( t ) = C 0 x e ( t ) + D 0 ( x e ( t ) , w ( t ) ) λ e ( t ) = λ e 2 ( t ) r C 1 x e ( t ) r C w ( t ) = V i n 1 λ e 2 ( t ) r L w ( t ) 1 λ e 2 ( t ) 2 r C w ( t )
  • Case 1: i 0 variable and constant output voltage.
To impose a constant output y e ( t ) equal to 350 V, from (92), a simple calculation leads to
1 λ e 2 ( t ) = 1 2 V i n y e + r C w ( t ) 1 + 1 4 r L ( y e + r C w ( t ) ) V i n 2
and the state of the converter has to track
x e ( t ) = w ( t ) 1 λ e 2 ( t ) y e T
Note that neglecting the parasitic circuit elements (i.e., r L = r C = 0 ) simplifies drastically expression (93), which can be written as
1 λ e 2 ( t ) = V i n y e
Figure 6 depicts the considered perturbation w ( t ) = i 0 ( t ) = 3.5 + s i n ( 200 π t ) A, the output voltage y, and the inductor current i L . The proposed control is efficient and the objectives are attained.
  • Case 2: Constant output voltage while the converter fed a constant power load P r e f .
In this paragraph, the objective is to maintain the output voltage y e at 350 V, the power load being constant and equal to P r e f . In that case, the load current is i 0 = w = P r e f / y e and then
1 λ e 2 = 1 2 V i n y e + P r e f / y e 1 + 1 4 r L ( y e + P r e f / y e ) V i n 2
which leads to
x e ( t ) = P r e f / y e 1 λ e 2 y e T
Figure 7 depicts the output voltage and inductor current for a power load which is piecewise constant 1, 0.5, and 1.2 kW. The presence of parasitic resistances r L and r C justifies that V i n w = V i n i L y e w = y e i 0 = P r e f . Indeed, from (92), we have
y e w = V i n w 1 λ e 2 w 2 r L 1 λ e 2 2 r C w 2
However, because the inductor current in steady-state is equal to i L e = w / ( 1 λ e 2 ) , we deduce that
P r e f = V i n i L e r L i L e 2 r C i 0 2
The proposed control is efficient and allows to maintain a constant output voltage and power load P r e f .
  • Case 3: Constant power at the output and variable input voltage.
In this paragraph, a variant of the previous scenario is considered. The problem consists in having a constant power at the output and possible variations of the input voltage. Of course, this is possible if an adequate power balance is maintained by the control. We suppose that the input voltage is measurable and is interpreted as a perturbation. We also suppose that a given output power reference denoted P r e f is given. From the value of P r e f and the measurement of the output voltage, it is possible to deduce the value of the load current i 0 which can be considered as a given perturbation. In that case, the vector of perturbations is defined as w ( t ) = i 0 v i n ( t ) T = w 1 ( t ) w 2 ( t ) T and the model given by
d x ( t ) d t = r L + r C L 1 L 1 C 0 A 0 + r C L 1 L 1 C 0 A u 1 u 1 ( t ) x ( t ) + r C L 1 L 1 C 0 B w 0 + r C L 0 0 0 B w u 1 u 1 ( t ) w ( t ) y ( t ) = r C 1 C 0 + r C 0 C u 1 u 1 ( t ) x ( t ) + r C 0 D w 0 w ( t )
The main matrices are the same as before except that now
B 0 = B 1 = B 2 = 0 B w 1 = r C L 1 L 1 C 0 B w 2 = 0 1 L 1 C 0 and D w 1 = D w 2 = D w 0 = r C 0
Recall that the power balance is described by
P r e f = P i n r L i L 2 r C i 0 2 = v i n w 2 i L r L i L 2 r C i 0 2 w 1 2 i L 2 w 2 r L i L + P r e f + r C w 1 2 r L = 0
and the lower value of i L is given by
i L = w 2 2 r L w 2 2 4 r L ( P r e f + r C w 1 2 ) 2 r L
and then
x e ( t ) = i L ( t ) y e T
The output voltage is taken equal to 350 V and P r e f equal to 1.4 kW. Figure 8 shows the input voltage, the output voltage and the input inductor current for the following changes of input voltages: from 150 to 250 V at 0.001 s, from 250 to 130 V at 0.002 s, and from 130 to 190 V at 0.003 s. We observe that the output voltage is around 350 V and that the input inductor current changes to maintain the power output at 1.4 kW. We can observe that the power input compensates the losses associated with the inductor and capacitor resistances, which depend on the input inductor and output currents.

5. Conclusions

This paper develops a unified approach for the design of control laws for the power electronics converters. The control problems induced by the numerous practical cases of interest can be identified as a stabilization or as a tracking problem. To be able to derive a systematic approach for tackling them, the general bilinear power converter model is written in a specific way. Under some assumptions, satisfied for a large family of converters and necessary for the existence of a solution to the stated problems, stabilization or tracking control laws are proposed. They belong to the class of sliding mode controls, whose sliding surfaces, dependent on the problem under study, are systematically derived and ensure stability properties. All the methods are illustrated by numerous simulated examples for a large diversity of problems, some of them being non-trivial. The obtained results, highlighting their potential and their genericity level, are very promising. The next step in the near future is to apply these methods to a series of converter topologies involving a complete set of parasitic elements representing power losses and showing through experimental results that the deduced control laws can be implemented without any detriment caused by digital and analogue electronic devices limitations. Complementarily, these results could be compared with the ones obtained using other well established methods.
From a theoretical point of view, several points need to be particularly investigated. Concerning the control of power converters, we see that there is a close connection between the original model and the relaxed one. This important connection ensures some kind of regularity and the main conclusion is that the original control laws, whose implementation could be difficult, can be approximated by control laws that could be seen as “relaxed ones”, easier to implement and allowing to manage some important practical characteristics, such as switching frequency. This can be accomplished, for example, by space or time regularization techniques used in the context of the recently published hybrid control approach. Because of its practical implications, this point will particularly focus our attention.
Another interesting work does not exclusively concern the control of power converters. It is possible to deduce from the bilinear model considered in this paper an equivalent switched model, and then, in some sense, the controls proposed in this paper can be applied to the control of a certain class of switched affine linear systems. In that context, Lemma 1 shows that, for the class of systems whose modes or a convex combination of them are quadratically stable, such an assumption is systematically satisfied leading to the existence of a globally asymptotic stabilization switched control. An interesting work is to analyze deeply this assumption and try to characterize classes of switched systems satisfying it, even locally, with the objective of deducing stabilizing controls.
To end, in the paper, it is supposed that the state is measurable, and thus it can be used in the control law. If only partial information is available, a method is to enforce the structure of the matrix P as done, for example, in [35]. However, in some cases, it is not possible to impose the needed structure to P. If it happens, a method is to design an observer. This problem will be investigated following the main ideas proposed in this paper.

Author Contributions

All authors contributed equally to all the stages of the research process and the preparation of the manuscript. All authors have read and agreed to the published version of the manuscript.

Funding

This research was developed with the partial support of the Ministerio de Ciencia, Tecnología e Innovación de Colombia (MinCiencias) under contract 018-2016 and the HisPaliS project supported by the Agence Nationale de la Recherce de France (ANR).

Conflicts of Interest

The authors declare no conflict of interest.

References

  1. Brockett, R.W.; Wood, J.R. Application of System Theory to Power Processing Problems; Contract NGR 22-007-172; NASA Lewis Research Center, National Aeronautics and Space Administration, Harvard University: Cambridge, MA, USA, 1974.
  2. Sanders, S.R. Nonlinear Control of Switching Power Converters. Ph.D. Thesis, Massachusetts Institute of Technology, Cambridge, MA, USA, 1989. [Google Scholar]
  3. Sanders, S.R.; Verghese, G.C. Lyapunov-based control for switched power converters. In Proceedings of the IEEE Power Electronics Specialists Conference (PESC), San Antonio, TX, USA, 11 June 1990. [Google Scholar]
  4. Da Silva, W.D. Rethinking the World’s energy. Cosmos 2012, 44, 59–67. [Google Scholar]
  5. Smil, V. A Skeptic Looks at Alternative Energy. IEEE Spectr. 2012, 49, 46–52. [Google Scholar] [CrossRef]
  6. Armstrong, R.C.; Wolfram, C.; Gross, R.; Lewis, N.S.; Ramana, M.V.; de Jong, K.P.; Boardman, B.; Ragauskas, A.J.; Crabtree, G. The Frontiers of Energy. Nat. Energy 2016, 1, 15020. [Google Scholar] [CrossRef]
  7. Cheng, X. Overview of Recent Progress of Semiconductor Power Devices Based on Wide Bandgap Materials. IOP Conf. Ser. Mater. Sci. Eng. 2018, 439, 022033. [Google Scholar] [CrossRef]
  8. Kizilyalli, I.C.; Xu, Y.; Carlson, E.; Manser, J.; Cunningham, D.W. Current and Future Directions in Power Electronic Devices and Circuits based on Wide Band-Gap Semiconductors. In Proceedings of the IEEE 5th Workshop on Wide Bandgap Power Devices and Applications (WiPDA), Albuquerque, NM, USA, 1 November 2017; pp. 417–425. [Google Scholar]
  9. Liberzon, D. Switching in Systems and Control; Volume in Series Systems and Control: Foundations and Applications; Birkhauser: Boston, MA, USA, 2003; ISBN 978-0-8176-4297-6. [Google Scholar]
  10. Goebel, R.; Sanfelice, R.G.; Teel, A.R. Hybrid Dynamical Systems: Modeling, Stability and Robustness; Princeton University Press: Princeton, NJ, USA, 2012. [Google Scholar]
  11. Sira-Ramirez, H.J.; Silva-Ortigoza, R. Control Design Techniques in Power Electronic Devices; Springer: London, UK, 2006. [Google Scholar]
  12. Buso, S. Design of a robust voltage controller for a buck-boost converter using μ-synthesis. IEEE Trans. Control Syst. Technol. 1999, 7, 222–229. [Google Scholar] [CrossRef]
  13. Olalla, C.; Leyva, R.; Aroudi, A.E.; Queinnec, I. Robust LQR control for PWM converters: An LMI Approach. IEEE Trans. Ind. Electron. 2009, 56, 2548–2558. [Google Scholar] [CrossRef]
  14. Lopez Santos, O.; Martinez-Salamero, L.; Garcia, G.; Valderrama-Blavi, H.; Polanco, T.S. Robust Sliding-Mode Control design for a voltage regulated quadratic boost converter. IEEE Trans. Power Electron. 2015, 30, 2313–2327. [Google Scholar] [CrossRef]
  15. Deaecto, G.; Geromel, J.C.; Garcia, F.; Pomilio, J. Switched affine systems control design with applications to DC-DC converters. IET Control Theory Appl. 2010, 4, 1201–1210. [Google Scholar] [CrossRef]
  16. Albea, C.; Garcia, G.; Zaccarian, L. Hybrid dynamic modeling and control of switched affine systems: Application to DC-DC converters. In Proceedings of the 54th IEEE Conference on Decision and Control (CDC), Osaka, Japan, 15–18 December 2015. [Google Scholar]
  17. Beneux, G.; Riedinger, P.; Daafouz, J.; Grimaux, L. Adaptive stabilization of switched affine systems with unknown equilibrium points: Application to power converters. Automtatica 2019, 99, 82–91. [Google Scholar] [CrossRef]
  18. Hetel, L.; Fridman, E. Robust sampled-data control of switched affine systems. IEEE Trans. Autom. Control 2013, 58, 2922–2928. [Google Scholar] [CrossRef]
  19. Utkin, V.I. Sliding Modes in Control and Optimization; Communication and Control Engineering Series; Springer: Berlin, Germany, 1992. [Google Scholar]
  20. Sanchez, C.A.; Garcia, G.; Hadjeras, S.; Heemels, W.P.M.H.; Zaccarian, L. Practical stabilisation of switched affine systems with dwell-time guarantees. IEEE Trans. Autom. Control 2019, 64, 4811–4817. [Google Scholar] [CrossRef]
  21. Licea, M.A.R.; Perez-Pinal, F.J.; Barranco-Gutierrez, A.I.; Nuñez-Perez, J.C. Switched Polytopic Controller Applied on a Positive Reconfigurable Power Electronic Converter. Energies 2018, 11, 116. [Google Scholar] [CrossRef]
  22. Lekic, A.; Aroudi, A.E.; Stepanovic, D. Control of a PV-fed SEPIC DC-DC Converter. In Proceedings of the IEEE International Symposium on Circuits and Systems (ISCAS), Sapporo, Japan, 26–29 May 2019. [Google Scholar]
  23. Licea, M.A.R.; Perez-Pinal, F.J.; Barranco-Gutierrez, A.I.; Nuñez-Perez, J.C.; Herrera-Ramirez, C.A. A Reconfigurable Buck, Boost, and Buck-Boost Converter: Unified Model and Robust Controller. Math. Probl. Eng. 2018. [Google Scholar] [CrossRef]
  24. Whitney, H. Differentiable Manifolds. Ann. Math. 1936, 37, 645–680. [Google Scholar] [CrossRef]
  25. Ingalls, B.; Sontag, E. An infinite-time relaxation theorem for differential inclusions. Proc. Am. Math. Soc. (AMS) 2003, 131, 487–499. [Google Scholar] [CrossRef]
  26. Bengea, S.C.; Carlo, R.A.D. Optimal control of switching systems. Automatica 2005, 41, 11–27. [Google Scholar]
  27. Erickson, R.W.; Maksimović, D. Fundamentals of Power Electronics, 2nd ed.; Kluwer Academic Publishers: New York, NY, USA, 2004. [Google Scholar]
  28. Rashid, M.H. (Ed.) Power Electronic Handbook; Academic Press: San Diego, CA, USA, 2001. [Google Scholar]
  29. Lu, Y.; Zhang, W. On switching stabilizability for continuous-time switching linear systems. IEEE Trans. Autom. Control 2016, 61, 3515–3520. [Google Scholar] [CrossRef]
  30. Cortes, J. Discontinuous Dynamical Systems. IEEE Control Syst. Mag. 2008, 28, 36–73. [Google Scholar]
  31. LaSalle, J.P.; Lefschetz, S. Stability by Liapunov’s Direct Method; Academic Press: New York, NY, USA; London, UK, 1961. [Google Scholar]
  32. Doyle, J.C.; Glover, K.; Khargonekar, P.P.; Francis, B.A. State-space solutions to standard H2 and H control problems. IEEE Trans. Autom. Control 1989, 34, 831–847. [Google Scholar] [CrossRef]
  33. Hadjeras, S.; Sanchez, C.A.; Garcia, G. Hybrid Adaptive Control of the Boost Converter. In Proceedings of the IEEE Conference on Decision and Control (CDC 2017), Melbourne, Australia, 6 December 2017. [Google Scholar]
  34. Ayachit, A.; Kazimierczuk, M.K. Averaged Small-Signal Model of PWM DC-DC Converters in CCM Including Switching Power Loss. IEEE Trans. Circuits Syst. II Express Briefs 2019, 66, 262–266. [Google Scholar] [CrossRef]
  35. Garcia, G.; Lopez-Santos, O. Unified modeling and control of the full-bridge inverter for stand alone applications. In Proceedings of the Seminario Anual de Automática, Electrónica Industrial e Instrumentación (SAAEI’19), Córdoba, Spain, 3 July 2019. [Google Scholar]
Figure 1. Boost Converter circuit diagram: u 1 = 1 when S 1 = 1 , S 2 = 0 and u 1 = 0 when S 1 = 0 , S 2 = 1 .
Figure 1. Boost Converter circuit diagram: u 1 = 1 when S 1 = 1 , S 2 = 0 and u 1 = 0 when S 1 = 0 , S 2 = 1 .
Applsci 11 00631 g001
Figure 2. Inductor current and output voltage start-up transient response waveforms.
Figure 2. Inductor current and output voltage start-up transient response waveforms.
Applsci 11 00631 g002
Figure 3. Response to increasing and decreasing variations of the input voltage.
Figure 3. Response to increasing and decreasing variations of the input voltage.
Applsci 11 00631 g003
Figure 4. Response to increasing and decreasing variations of the output load.
Figure 4. Response to increasing and decreasing variations of the output load.
Applsci 11 00631 g004
Figure 5. Boost Converter with a variation of load represented by i 0 .
Figure 5. Boost Converter with a variation of load represented by i 0 .
Applsci 11 00631 g005
Figure 6. Response to a periodic disturbance in the output current i 0 .
Figure 6. Response to a periodic disturbance in the output current i 0 .
Applsci 11 00631 g006
Figure 7. Response to disturbances in the output power P r e f .
Figure 7. Response to disturbances in the output power P r e f .
Applsci 11 00631 g007
Figure 8. Response to disturbances in the input voltage when a the converter feds a CPL.
Figure 8. Response to disturbances in the input voltage when a the converter feds a CPL.
Applsci 11 00631 g008
Table 1. Parameters of the boost converter.
Table 1. Parameters of the boost converter.
ParameterValueUnit
V i n 150V
L100 μ H
C2 μ F
R100 Ω
r L 2 Ω
r C 0.2 Ω
Publisher’s Note: MDPI stays neutral with regard to jurisdictional claims in published maps and institutional affiliations.

Share and Cite

MDPI and ACS Style

Garcia, G.; Lopez Santos, O. A Unified Approach for the Control of Power Electronics Converters. Part I—Stabilization and Regulation. Appl. Sci. 2021, 11, 631. https://doi.org/10.3390/app11020631

AMA Style

Garcia G, Lopez Santos O. A Unified Approach for the Control of Power Electronics Converters. Part I—Stabilization and Regulation. Applied Sciences. 2021; 11(2):631. https://doi.org/10.3390/app11020631

Chicago/Turabian Style

Garcia, Germain, and Oswaldo Lopez Santos. 2021. "A Unified Approach for the Control of Power Electronics Converters. Part I—Stabilization and Regulation" Applied Sciences 11, no. 2: 631. https://doi.org/10.3390/app11020631

APA Style

Garcia, G., & Lopez Santos, O. (2021). A Unified Approach for the Control of Power Electronics Converters. Part I—Stabilization and Regulation. Applied Sciences, 11(2), 631. https://doi.org/10.3390/app11020631

Note that from the first issue of 2016, this journal uses article numbers instead of page numbers. See further details here.

Article Metrics

Back to TopTop