Analysis and Identification of Nonlinear Acoustic Damping in Miniature Loudspeakers
Abstract
:1. Introduction
2. Miniature Loudspeaker Model Considering Nonlinear Acoustic Damping
2.1. Theoretical Analysis of Nonlinear Acoustic Damping in Miniatue Loudspeakers
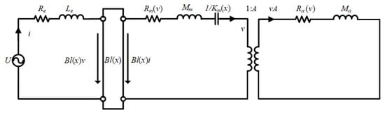
2.2. ECM Model of Miniature Loudspeakers Considering Nonlinear Acoustic Damping
3. Identification Strategy for Nonlinear Acoustic Damping
3.1. Nonlinear Parameters
3.2. Identification Strategy
3.3. Identification Algorithm
- Obtain and from the normal electroacoustic testing system and keep them unchanged during the identification process.
- Initialize the parameter vector [wp] as [wp(0)] = [Re(0) Le(0) b0−4(0) k0−4(0) c0(0) c1(0)] and start the iteration from n = 1.
- Select an appropriate step size vector [] and specify a convergence indicator ε, which is defined as the relative deviation of the parameters of adjacent frames.
- Solve up[n] using the measured current im[n] as well as the current parameter vector [wp[n+1]], and calculate the gradient of the instantaneous value of the error .
- Update wp[n+1] from Equation (21) and set the search iteration to n = n + 1.
- Check for termination. If ε is smaller than a tiny tolerance, or the maximum number of iterations is reached, end the iteration process; otherwise, restart from step (4).
- Calculate the nonlinear acoustic damping using Equation (23) with the identified values of and .
4. Experimental Validation and Discussion
4.1. Measurement Setup
4.2. Results and Discussions
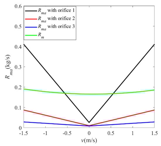
4.2.1. Nonlinear Acoustic Damping
4.2.2. Discharge Coefficient
4.2.3. Other Parameters
5. Conclusions
Author Contributions
Funding
Institutional Review Board Statement
Informed Consent Statement
Data Availability Statement
Conflicts of Interest
References
- Klippel, W. Micro-speakers—Hybrids between headphones and loudspeakers. In Proceedings of the Conference on Headphone Technology of the Audio Engineering Society, Aalborg, Denmark, 24–26 August 2016. [Google Scholar]
- Sun, C.; An, F.; Liu, B.; Wu, S. The prediction of nonlinear resistance and distortion for a miniature loudspeaker with vented cavities. J. Acoust. Soc. Am. 2019, 146, 4315–4321. [Google Scholar] [CrossRef] [PubMed]
- Huang, J.; Feng, X.; Chen, S.; Shen, Y. Analysis of total harmonic distortion of miniature loudspeakers used in mobile phones considering nonlinear acoustic damping. J. Acoust. Soc. Am. 2021, 149, 1579–1588. [Google Scholar] [CrossRef] [PubMed]
- Sivian, L.J. Acoustic impedance of small orifices. J. Acoust. Soc. Am. 1935, 7, 94–101. [Google Scholar] [CrossRef]
- Thurston, G.B.; Hargrove, L.E.; Cook, B.D. Nonlinear properties of circular orifices. J. Acoust. Soc. Am. 1957, 29, 992–1001. [Google Scholar] [CrossRef]
- Zinn, B. A theoretical study of non-linear damping by Helmholtz resonators. J. Sound Vib. 1970, 13, 347–356. [Google Scholar] [CrossRef]
- Dickey, N.S.; Selamet, A.; Novak, J.M. The effect of high-amplitude sound on the attenuation of perforated tube silencers. J. Acoust. Soc. Am. 2000, 108, 1068–1081. [Google Scholar] [CrossRef] [PubMed]
- Atig, M.; Dalmont, J.-P.; Gilbert, J. Termination impedance of open-ended cylindrical tubes at high sound pressure level. Comptes Rendus Mécanique 2004, 332, 299–304. [Google Scholar] [CrossRef] [Green Version]
- Hersh, A.S.; Walker, B.E.; Celano, J.W. Helmholtz resonator impedance model, part 1: Nonlinear behavior. AIAA J. 2003, 41, 795–808. [Google Scholar] [CrossRef]
- Buick, J.M.; Atig, M.; Skulina, D.J.; Campbell, D.M.; Dalmont, J.P.; Gilbert, J. Investigation of non-linear acoustic losses at the open end of a tube. J. Acoust. Soc. Am. 2011, 129, 1261–1272. [Google Scholar] [CrossRef] [PubMed]
- Förner, K.; Tournadre, J.; Martínez-Lera, P.; Polifke, W. Scattering to higher harmonics for quarter-wave and Helmholtz res-onators. AIAA J. 2017, 55, 1194–1204. [Google Scholar] [CrossRef] [Green Version]
- Komkin, A.; Bykov, A.; Mironov, M. Experimental study of nonlinear acoustic impedance of circular orifices. J. Acoust. Soc. Am. 2020, 148, 1391–1403. [Google Scholar] [CrossRef] [PubMed]
- Klippel, W. Tutorial: Loudspeaker nonlinearities—Causes, parameters, symptoms. J. Audio Eng. Soc. 2006, 54, 907–939. [Google Scholar]
- Klippel, W. Distortion analyzer—A new tool for assessing and improving electrodynamic transducer. In Proceedings of the 108th Convention of the Audio Engineering Society, Paris, France, 19–22 February 2000. [Google Scholar]
- Klippel, W. Measurement of large-signal parameters of electrodynamic transducer. In Proceedings of the 108th Convention of the Audio Engineering Society, New York, NY, USA, 24–27 September 1999. [Google Scholar]
- Bright, A. Active Control of Loudspeakers: An Investigation of Practical Applications. Ph.D. Thesis, Technical University of Denmark, Lyngby, Denmark, 2002. [Google Scholar]
- Tian, X.; Shen, Y.; Chen, L.; Zhang, Z. Identification of nonlinear fractional derivative loudspeaker model. J. Audio Eng. Soc. 2020, 68, 355–363. [Google Scholar] [CrossRef]
- Huang, J.H.; Her, H.-C.; Shiah, Y.C.; Shin, S.-J. Electroacoustic simulation and experiment on a miniature loudspeaker for cellular phones. J. Appl. Phys. 2008, 103, 33502. [Google Scholar] [CrossRef]








| Parameters | Orifice 1 | Orifice 2 | Orifice 3 |
|---|---|---|---|
| Diameter (mm) | 2.00 | 3.00 | 4.00 |
| Thickness (mm) | 1.00 | 1.00 | 1.00 |
| (g) | 1.31 | 1.21 | 1.16 |
| Orifice 1 | Orifice 2 | Orifice 3 | Average | Zinn | Hersh | Förner |
|---|---|---|---|---|---|---|
| 0.682 | 0.685 | 0.726 | 0.698 | 0.61 | 0.64 | 0.7 |
Publisher’s Note: MDPI stays neutral with regard to jurisdictional claims in published maps and institutional affiliations. |
© 2021 by the authors. Licensee MDPI, Basel, Switzerland. This article is an open access article distributed under the terms and conditions of the Creative Commons Attribution (CC BY) license (https://creativecommons.org/licenses/by/4.0/).
Share and Cite
Huang, J.; Pan, K.-Y.; Feng, X.-L.; Shen, Y. Analysis and Identification of Nonlinear Acoustic Damping in Miniature Loudspeakers. Appl. Sci. 2021, 11, 7713. https://doi.org/10.3390/app11167713
Huang J, Pan K-Y, Feng X-L, Shen Y. Analysis and Identification of Nonlinear Acoustic Damping in Miniature Loudspeakers. Applied Sciences. 2021; 11(16):7713. https://doi.org/10.3390/app11167713
Chicago/Turabian StyleHuang, Jie, Ke-Yu Pan, Xue-Lei Feng, and Yong Shen. 2021. "Analysis and Identification of Nonlinear Acoustic Damping in Miniature Loudspeakers" Applied Sciences 11, no. 16: 7713. https://doi.org/10.3390/app11167713
APA StyleHuang, J., Pan, K.-Y., Feng, X.-L., & Shen, Y. (2021). Analysis and Identification of Nonlinear Acoustic Damping in Miniature Loudspeakers. Applied Sciences, 11(16), 7713. https://doi.org/10.3390/app11167713

