Long-Lifetime Event-Driven Wireless Monitoring System for Pole-Mounted Transformers
Abstract
:1. Introduction
2. Conventional Monitoring Systems
2.1. Types of Conventional Monitoring Systems
2.2. Conventional Battery-Powered Wireless Monitoring
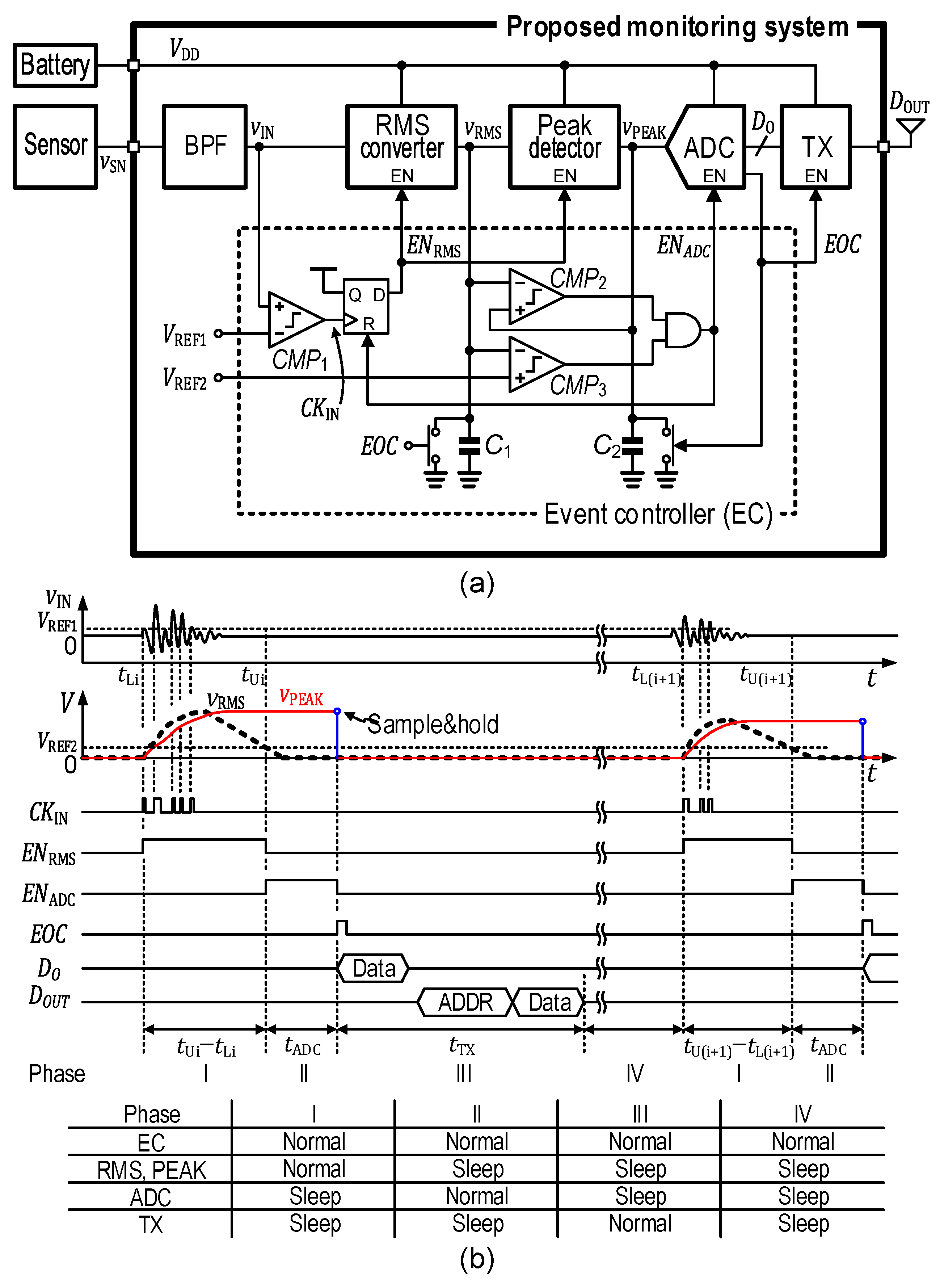
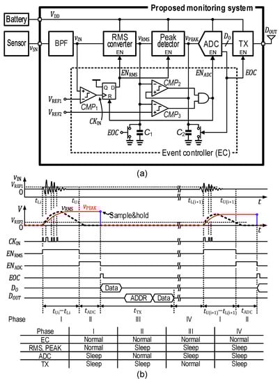
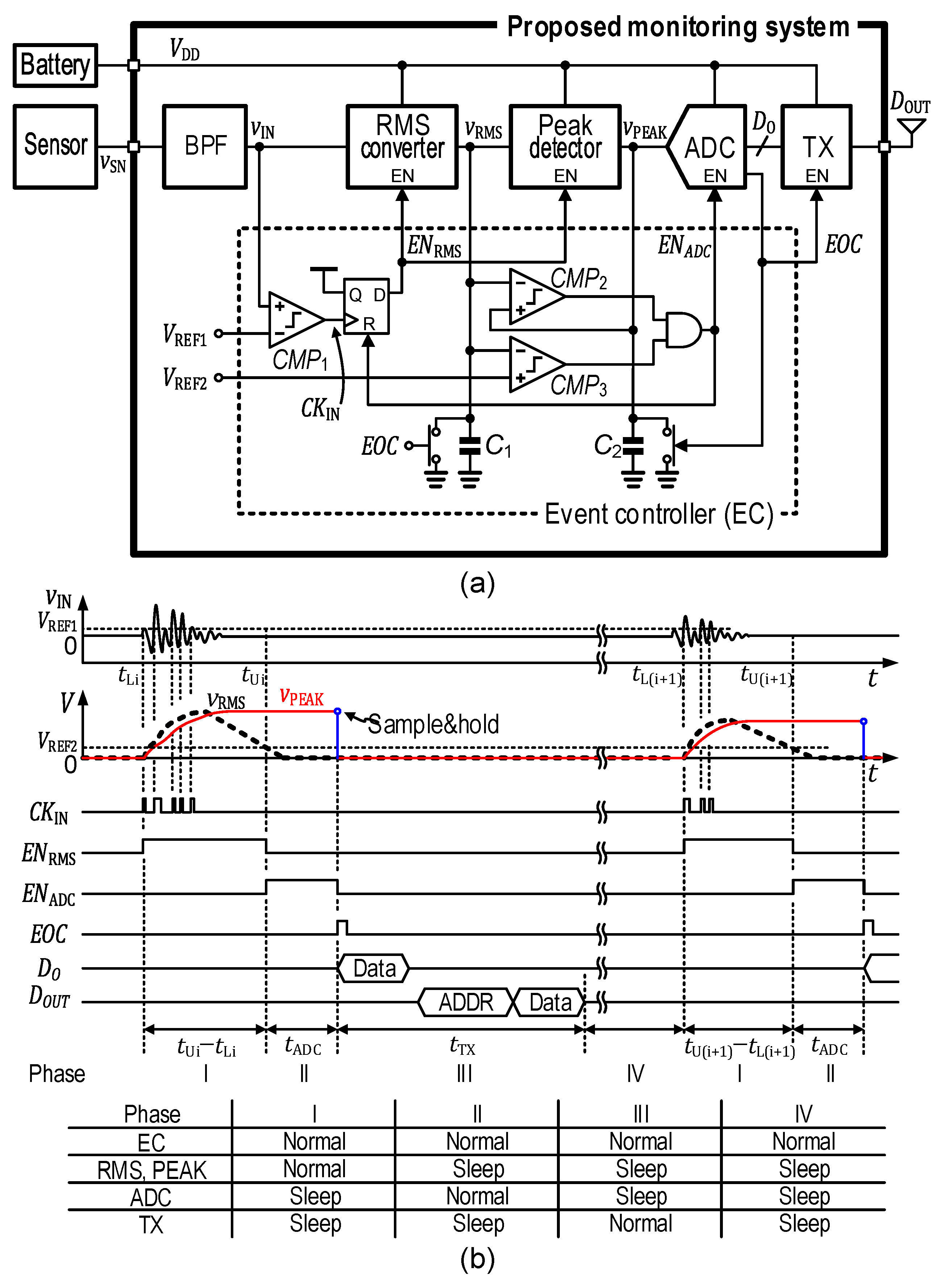
3. Proposed Event-Driven Monitoring System
4. Simulation Results
5. Experimental Results
6. Conclusions
Author Contributions
Funding
Institutional Review Board Statement
Informed Consent Statement
Data Availability Statement
Acknowledgments
Conflicts of Interest
References
- Meira, M.; Ruschetti, C.R.; Alvarez, R.E.; Verucchi, C.J. Power transformers monitoring based on electrical measurements: State of the art. IET Gener. Transm. Pole Mounted 2018, 12, 2805–2815. [Google Scholar] [CrossRef]
- Peres, L.M.; Silva, K.M. Power transformer protection using an instantaneous-current-value negative sequence differential element. Int. J. Electr. Power Energy Syst. 2019, 108, 96–106. [Google Scholar] [CrossRef]
- Abdelfatah, M.; Shimy, M.E.; Ismail, H.M. Outage data analysis of utility power transformers based on outage reports during 2002–2009. Int. J. Electr. Power Energy Syst. 2013, 47, 41–51. [Google Scholar] [CrossRef]
- Vahidi, F.; Tenbohlen, S. Statistical failure analysis of European substation transformers. In Proceedings of the Diagnostik elektrischer Betriebsmittel 2014—Beiträge der 6. ETG-Fachtagung, Berlin, Germany, 25–26 November 2014; pp. 1–5. [Google Scholar]
- Marks, J.; Martin, D.; Saha, T.; Krause, O.; Alibegovic-Memisevic, A.; Russell, G.; Buckley, G.; Chinnarajan, S.; Gibson, M.; MacArthur, T. An analysis of Australian power transformer failure modes, and comparison with international Surveys. In Proceedings of the 2016 Australasian Universities Power Engineering Conference (AUPEC), Brisbane, Australia, 25–28 September 2016; pp. 1–6. [Google Scholar]
- Martin, D.; Marks, J.; Saha, T.K.; Krause, O.; Mahmoudi, N. Investigation into Modeling Australian Power Transformer Failure and Retirement Statistics. IEEE Trans. Power Deliv. 2018, 33, 2011–2019. [Google Scholar] [CrossRef]
- Faiz, J.; Soleimani, M. Dissolved gas analysis evaluation in electric power transformers using conventional methods a review. IEEE Trans. Dielectr. Electr. Insul. 2017, 24, 1239–1248. [Google Scholar] [CrossRef]
- Velasquez, R.M.A.; Lara, J.V.M. Bushing failure in power transformers and the influence of moisture with the spectroscopy test. Eng. Fail. Anal. 2018, 94, 300–312. [Google Scholar] [CrossRef]
- Hashemnia, N.; Abu-Siada, A.; Islam, S. Detection of power transformer bushing faults and oil degradation using frequency response analysis. IEEE Trans. Dielectr. Electr. Insul. 2016, 23, 222–229. [Google Scholar] [CrossRef] [Green Version]
- Malik, H.; Yadav, A.K.; Mishra, S.; Mehto, T. Application of neuro-fuzzy scheme to investigate the winding insulation paper deterioration in oil-immersed power transformer. Int. J. Electr. Power Energy Syst. 2013, 53, 256–271. [Google Scholar] [CrossRef]
- Zhao, Z.; Yao, C.; Li, C.; Islam, S. Detection of Power Transformer Winding Deformation Using Improved FRA Based on Binary Morphology and Extreme Point Variation. IEEE Trans. Ind. Electron. 2018, 65, 3509–3519. [Google Scholar] [CrossRef]
- Rostaminia, R.; Saniei, M.; Vakilian, M.; Mortazavi, S.S. Evaluation of transformer core contribution to partial discharge electromagnetic waves propagation. Int. J. Electr. Power Energy Syst. 2016, 83, 40–48. [Google Scholar] [CrossRef]
- Yan, C.; Wei, Y.; Xu, C.; Zhang, B. Experimental Verification and Electromagnetic-Mechanics-Acoustic Field Coupling Analysis of Transformer Pressure Relief Valve Malfunctions Due to External Short-Circuit Faults. IEEE Trans. Magn. 2019, 55, 1–4. [Google Scholar] [CrossRef]
- Castro, B.; Clerice, G.; Ramos, C.; Andreoli, A.; Baptista, F.; Campos, F.; Ulson, J. Partial Discharge Monitoring in Power Transformers Using Low-Cost Piezoelectric Sensors. Sensors 2016, 16, 1266. [Google Scholar] [CrossRef] [Green Version]
- Blue, R.; Uttamchandani, D.; Farish, O. Infrared detection of transformer insulation degradation due to accelerated thermal aging. IEEE Trans. Dielectr. Electr. Insul. 1998, 5, 165–168. [Google Scholar] [CrossRef]
- Leong, Y.S.; Ker, P.J.; Jamaludin, M.Z.; Nomanbhay, S.M.; Ismail, A.; Abdullah, F.; Looe, H.M.; Shukri, C.N.M. New near-infrared absorbance peak for inhibitor content detection in transformer insulating oil. Sens. Actuators B Chem. 2018, 266, 577–582. [Google Scholar] [CrossRef]
- Mariprasath, T.; Kirubakaran, V. A real time study on condition monitoring of pole-mounted transformer using thermal imager. Infrared Phys. Technol. 2018, 90, 78–86. [Google Scholar] [CrossRef]
- Saponara, S.; Fanucci, L.; Bernardo, F.; Falciani, A. Predictive Diagnosis of High-Power Transformer Faults by Networking Vibration Measuring Nodes with Integrated Signal Processing. IEEE Trans. Instrum. Meas. 2016, 65, 1749–1760. [Google Scholar] [CrossRef]
- Zhang, C.; He, Y.; Du, B.; Yuan, L.; Li, B.; Jiang, S. Transformer fault diagnosis method using IoT based monitoring system and ensemble machine learning. Future Gener. Comput. Syst. 2020, 108, 533–545. [Google Scholar] [CrossRef]
- Mohamad, A.A.H.; Mezaal, Y.S.; Abdulkareem, S.F. Computerized power transformer monitoring based on internet of things. Int. J. Eng. Technol. 2018, 7, 2773–2778. [Google Scholar] [CrossRef]
- Bagheria, M.; Nezhivenkoa, S.; Naderib, M.S.; Zollanvaria, A. A new vibration analysis approach for transformer fault prognosis over cloud environment. Int. J. Electr. Power Energy Syst. 2018, 100, 104–116. [Google Scholar] [CrossRef]
- Hossaina, M.S.; Rahman, M.; Sarker, M.T.; Haque, M.E.; Jahida, A. A smart IoT based system for monitoring and controlling the sub-station equipment. Internet Things 2019, 7, 100085. [Google Scholar] [CrossRef]
- Chang, H.; Lin, C. Partial discharge detection in lightning surge for pole-mounted equipments using RMS and maximum value of electric charges. In Proceedings of the 2011 7th Asia-Pacific International Conference on Lightning, Chengdu, China, 1–4 November 2011; pp. 5–11. [Google Scholar]
- Chiou, R.Y.; Liang, S.Y. Analysis of acoustic emission in chatter vibration with tool wear effect in turning. Int. J. Mach. Tools Manuf. 2000, 40, 927–941. [Google Scholar] [CrossRef]
- Faheem, M.; Gungor, V.C. Capacity and spectrum-aware communication framework for wireless sensor network-based smart grid applications. Comput. Stand. Interfaces 2017, 53, 48–58. [Google Scholar] [CrossRef]
- Castro, B.A.; Melo Brunini, D.; Baptista, F.G.; Andreoli, A.L.; Ulson, J.A.C. Assessment of Macro Fiber Composite Sensors for Measurement of Acoustic Partial Discharge Signals in Power Transformers. IEEE Sens. J. 2017, 17, 6090–6099. [Google Scholar] [CrossRef] [Green Version]
- He, S.; Zhang, Y.; Zhu, R.; Tian, W. Electric Signature Detection and Analysis for Power Equipment Failure Monitoring in Smart Grid. IEEE Trans. Ind. Inform. 2021, 17, 3739–3750. [Google Scholar] [CrossRef]
- Wang, T.; He, Y.; Luo, Q.; Deng, F.; Zhang, C. Self-Powered RFID Sensor Tag for Fault Diagnosis and Prognosis of Transformer Winding. IEEE Sens. J. 2017, 17, 6418–6430. [Google Scholar] [CrossRef]
- Lee, Y. Design and Method of Developing Energy Harvester from Daily life Energy Sources for Powering IoT Devices. Ph.D. Thesis, Sungkyunkwan University, Suwon, Korea, 2020. [Google Scholar]




















| n | an (V) | bn (MHz) | cn (Radian) |
|---|---|---|---|
| 1 | 106.7147 | 4.69 | −0.7276 |
| 2 | 70.4558 | 5.08 | 1.7639 |
| 3 | 54.6218 | 3.13 | −2.0701 |
| 4 | 50.9293 | 4.30 | 2.7057 |
| 5 | 47.04 | 2.34 | −3.1245 |
| 6 | 40.5062 | 3.52 | 1.1196 |
| 7 | 40.3764 | 3.91 | −1.4116 |
| 8 | 33.9337 | 1.95 | 0.3388 |
| CMP1 | CMP2, CMP3 | RMS Converter | Peak Detector | ADC | TX | |
|---|---|---|---|---|---|---|
| Model name | TS331 | TLV7011 | LTC1968 | LTC6244 | AD7787 | HT12E, FS1000A |
| Sine Wave | Amplitude Decaying | Triangular Wave | Generated PD | |
|---|---|---|---|---|
| Offset (mV) | 236.50 | −188.10 | −4.13 | 2.18 |
| Maximum INL (%) | 2.76 | 9.05 | 3.81 | 4.44 |
Publisher’s Note: MDPI stays neutral with regard to jurisdictional claims in published maps and institutional affiliations. |
© 2021 by the authors. Licensee MDPI, Basel, Switzerland. This article is an open access article distributed under the terms and conditions of the Creative Commons Attribution (CC BY) license (https://creativecommons.org/licenses/by/4.0/).
Share and Cite
Kwak, S.S.; Im, Y.C.; Kim, Y.S. Long-Lifetime Event-Driven Wireless Monitoring System for Pole-Mounted Transformers. Appl. Sci. 2021, 11, 7313. https://doi.org/10.3390/app11167313
Kwak SS, Im YC, Kim YS. Long-Lifetime Event-Driven Wireless Monitoring System for Pole-Mounted Transformers. Applied Sciences. 2021; 11(16):7313. https://doi.org/10.3390/app11167313
Chicago/Turabian StyleKwak, Seung Soo, Yun Chan Im, and Yong Sin Kim. 2021. "Long-Lifetime Event-Driven Wireless Monitoring System for Pole-Mounted Transformers" Applied Sciences 11, no. 16: 7313. https://doi.org/10.3390/app11167313
APA StyleKwak, S. S., Im, Y. C., & Kim, Y. S. (2021). Long-Lifetime Event-Driven Wireless Monitoring System for Pole-Mounted Transformers. Applied Sciences, 11(16), 7313. https://doi.org/10.3390/app11167313

