Impact Resisting Mechanisms of Shear-Critical Reinforced Concrete Beams Strengthened with High-Performance FRC
Abstract
1. Introduction
2. Experimental Methodology
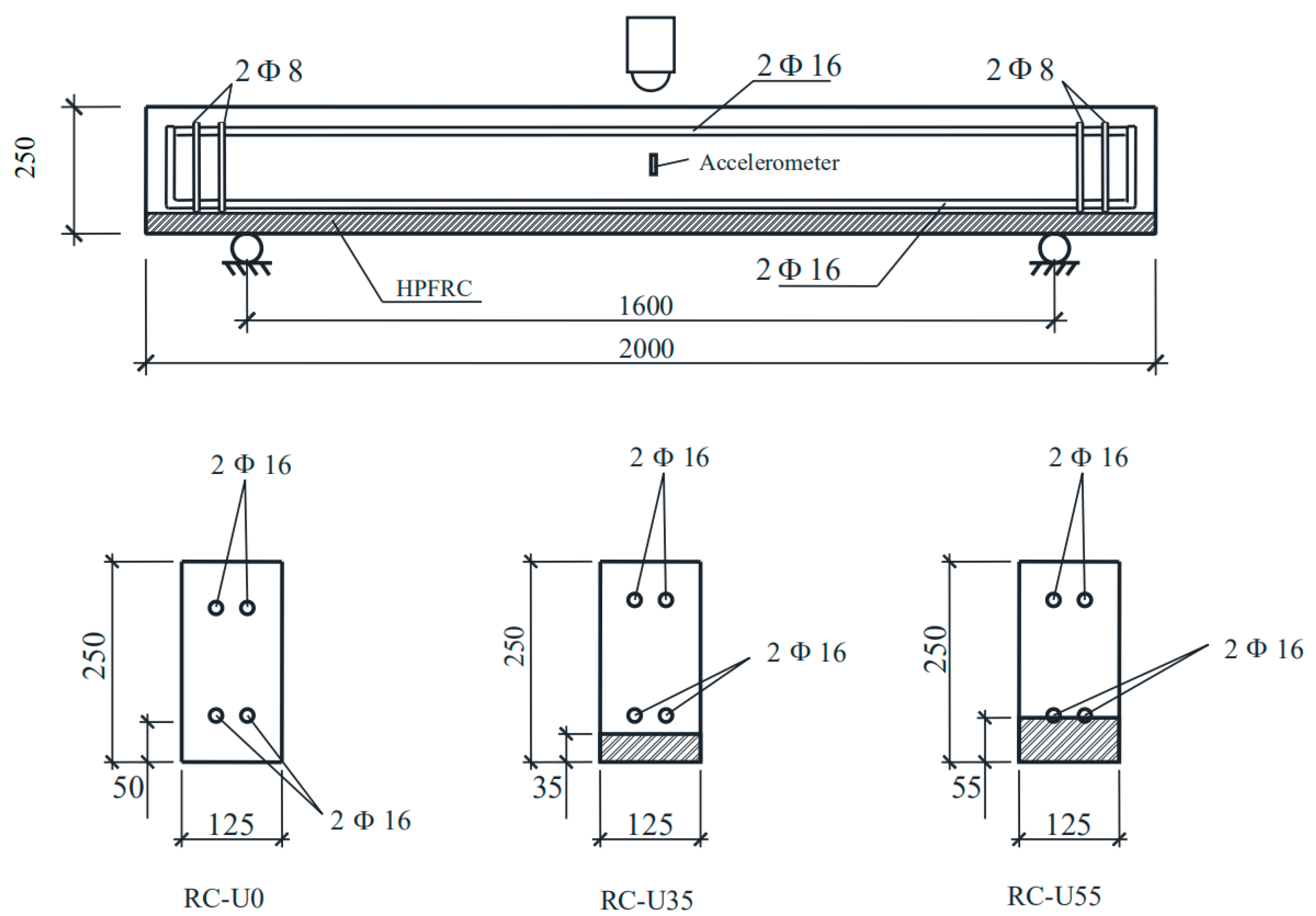
2.1. Test Configuration and Set-Up
2.2. Specimens’ Preparation and Material Characterization
2.3. Test Results
3. Results and Discussion
3.1. Phenomenology of Resisting Mechanisms
3.2. Load-Deflection Diagrams and Energy Absorption
3.3. Weight Loss and Debris
3.4. Comparison with Other Configurations
4. Conclusions
- I.
- RC beams presented brittle shear failure with significant fragmentation. Strengthening with HPFRC reduced fragmentation but types I and II cracks also formed. The beams strengthened with HPFRC layer presented an additional resisting mechanism with the HPFRC working similarly to a stress ribbon. This additional contribution was activated in the second stage of tests characterized by global behavior. The stress ribbon mechanism provided an energy absorption in the second stage (E2) 2.1 and 2.7 times that of the unstrengthened beams, in the case of specimens with 35 mm and 55 mm strengthening layers, respectively.
- II.
- Interface debonding can occur when the tensile reflected wave induced by the impact crosses the interface between concretes, as observed in the last stage of impact tests of RC-U55 series. In such series, the interface was placed at the level of the longitudinal reinforcement, which reduced the contact surface between concretes and weakened the impact behavior. Accordingly, it is recommended to avoid such design configuration.
- III.
- In comparison with results from previous research of R-HPFRC and R-SFRC beams failing by flexure under impact, HPFRC-RC presents an intermediate behavior between them and conventional RC in terms of strength and deformation capacity.
- IV.
- Strengthening with HPFRC tensile layer presents interesting potential for existing RC structures as a new resisting mechanism provided by the HPFRC working similarly as a stress ribbon can reduce impact debris, thereby protecting humans and goods below the structure. Future research is still needed in order to quantify the contribution of the new resisting mechanism.
- V.
- The research presented in this paper has shown that a structural solution for existing shear-critical RC members susceptible to suffer impacts can be based on the application of a thin HPFRC layer on the tensile side. In order to achieve the stress ribbon mechanism found for this structural solution, structural designers are recommended to consider the following guides:
- A fiber amount of at least 2% for the HPFRC to achieve strain hardening.
- The interface between the old concrete and the HPFRC should not be placed at the level of the longitudinal reinforcement.
- A surface preparation of the old concrete with hydro-jetting or sand-blasting before application of the HPFRC is recommended. In case the tensile side is at the bottom, a prefabricated HPFRC laminate can be alternatively bonded with epoxy adhesive.
Notations
| E1 | energy absorbed in the first stage |
| E2 | energy absorbed in the second stage |
| ECU | elastic modulus of HPFRC |
| GF | fracture energy |
| Rmax | peak total reaction |
| df | diameter of steel fibers |
| fc | concrete compressive strength |
| fCU | compressive strength of HPFRC |
| fy | yield strength of steel fibers |
| lf | length of steel fibers |
| v | deflection at midspan |
| vmax | peak deflection at midspan |
| vres | residual deflection at midspan |
| w | crack width |
| εpc | hardening strain at peak strength of HPFRC |
| ρ | steel reinforcing ratio |
| σcc | matrix cracking strength of HPFRC |
| σpc | peak strength of HPFRC |
Author Contributions
Funding
Acknowledgments
Conflicts of Interest
References
- Habel, K.; Gauvreau, P. Behavior of reinforced and posttensioned concrete members with a UHPFRC overlay under impact loading. J. Struct. Eng. 2009, 135, 292–300. [Google Scholar] [CrossRef]
- Qiu, J.; Wu, X.G.; Jiang, H. Influences of rehabilitation material parameter on existing PC parapets. In Proceedings of the 2015 World Congress on Advances in Structural Engineering and Mechanics (ASEM15), Incheon, Korea, 25–29 August 2015; Techno-Press: Daejeon, Korea, 2015; pp. 1–14. [Google Scholar]
- Qiu, J.; Wu, X.G.; Hu, Q. Crashworthiness analysis on existing RC parapets rehabilitated with UHPCC. Comp. Concr. 2017, 19, 87–98. [Google Scholar] [CrossRef]
- Hrynyk, T.D.; Vecchio, F.J. Behavior of steel fiber-reinforced concrete slabs under impact load. ACI Struct. J. 2014, 111, 1213–1223. [Google Scholar] [CrossRef]
- Micallef, K.; Sagaseta, J.; Fernández Ruiz, M.; Muttoni, A. Assesssing punching shear failure in reinforced concrete flat slabs subjected to localised impact loading. Int. J. Impact Eng. 2014, 71, 17–33. [Google Scholar] [CrossRef]
- Saatci, S. Behaviour and Modelling of Reinforced Concrete Structures Subjected to Impact Loads. Ph.D. Thesis, University of Toronto, Toronto, ON, Canada, 2007. [Google Scholar]
- Kishi, K.H.; Mikami, H.; Matsuoka, K.G.; Ando, T. Impact behavior of shear-failure type RC beams without shear rebar. Int. J. Impact Eng. 2002, 27, 955–968. [Google Scholar] [CrossRef]
- Yi, W.J.; Zhao, D.B.; Kunnath, S.K. Simplified approach for assessing shear resistance of reinforced concrete beams under impact loads. ACI Struct. J. 2016, 113, 747–756. [Google Scholar] [CrossRef]
- Adhikary, S.D.; Li, B.; Fujikake, K. Dynamic behavior of reinforced concrete beams under varying rates of concentrated loading. Int. J. Impact Eng. 2012, 47, 24–38. [Google Scholar] [CrossRef]
- Pham, T.M.; Hao, H. Plastic hinges and inertia forces in RC beams under impact loads. Int. J. Impact Eng. 2017, 103, 1–11. [Google Scholar] [CrossRef]
- Schellenberg, K. On the Desing of Rockfall Protection Galleries. Ph.D. Thesis, ETHZ Swiss Federal Institute for Technology, Zurich, Switzerland, 2008. [Google Scholar]
- Ulzurrun, G.; Zanuy, C. Enhancement of impact performance of reinforced concrete beams without stirrups by adding steel fibers. Con. Build Mat. 2017, 145, 166–182. [Google Scholar] [CrossRef]
- Ulzurrun, G.; Zanuy, C. Flexural response of SFRC under impact loading. Con. Build Mat. 2017, 134, 397–411. [Google Scholar] [CrossRef]
- Tran, T.K.; Kim, D.J. High strain rate effects on direct tensile behaviour of high performance fiber reinforced cementitious composites. Cem. Concr. Comp. 2014, 45, 186–200. [Google Scholar] [CrossRef]
- Zhang, X.; Ruiz, G.; Tarifa, M.; Cendón, D.; Gálvez, F.; Alhazmi, W.H. Dynamic fracture behavior of steel fiber reinforced self-compacting concretes (SFRSCCs). Materials 2017, 10, 1270. [Google Scholar] [CrossRef] [PubMed]
- Mechtcherine, V.; Silva, F.A.; Butler, M.; Zhu, D.; Mobasher, B.; Gao, S.L.; Mäder, E. Behaviour of strain-hardening cement-based composites under high strain rates. J. Adv. Concrete. Tech. 2011, 9, 51–62. [Google Scholar] [CrossRef]
- Chorzepa, M.G.; Masud, M.; Yaghoobi, A.; Jiang, H. Impact test: Multiscale fiber-reinforced concrete including polypropilene and steel fibers. ACI Mat. J. 2017, 114, 1429–1444. [Google Scholar] [CrossRef]
- American Concrete Institute. Ultra-High-Performance Concrete: An Emerging Technology Report; ACI 239R-18; American Concrete Institute: Farmington Hills, MI, USA, 2018. [Google Scholar]
- AFGC. Ultrahigh Performance Fiber Reinforced Concretes. Recommendations; AFNOR: Paris, France, 2002. [Google Scholar]
- SIA. SIA 2052. Ultra-Hochleistungs-Faserbeton (UHFB) Baustoffe, Bemessung und Ausführung; Swiss Engineers and Architects: Bern, Switzerland, 2016. [Google Scholar]
- Habel, K.; Viviani, M.; Denairé, E.; Brühwiler, E. Development of the mechanical properties of an ultra-high performance fiber reinforced concrete (UHPFRC). Cem. Concr. Res. 2006, 36, 1362–1370. [Google Scholar] [CrossRef]
- Zanuy, C.; Ulzurrun, G. Impact performance of low-fiber content HPFRCC: From material to structural behavior. In Proceedings of the International Conference Strain-hardening Cement-based Composites (SHCC 4), Dresden, Germany, 18–20 September 2017; RILEM Proceeding-Springer: Berlin, Germany, 2017; pp. 473–481. [Google Scholar]
- Yoo, D.Y.; Banthia, N.; Kim, S.W.; Yoon, Y.S. Response of ultra-high-performance fiber-reinforced concrete beams with continuous steel reinforcement subjected to low-velocity impact loading. Comp. Struct. 2015, 126, 233–245. [Google Scholar] [CrossRef]
- Othman, H.; Marzouk, H. Impact response of ultra-high-performance reinforced concrete plates. ACI Struct. J. 2016, 113, 1325–1334. [Google Scholar] [CrossRef]
- Wille, K.; Kim, D.J.; Naaman, A.E. Strain-hardening UHP-FRC with low fiber contents. Mat. Struct. 2011, 44, 583–598. [Google Scholar] [CrossRef]
- Habel, K.; Denairé, E.; Brühwiler, E. Structural response of elements combining ultrahigh-preformance fiber-reinforced concretes and reinforced concrete. J. Struct. Eng. 2006, 132, 1793–1800. [Google Scholar] [CrossRef]
- Noshiravani, T.; Brühwiler, E. Experimental investigation on ultra-high-preformance fiber-reinforced concrete composite beams subjected to combined bending and shear. ACI Struct. J. 2013, 110, 251–261. [Google Scholar]
- Pimentel, M.; Nunes, S. Experimental tests on RC beams reinforced with a UHPFRC layer failing in bending and shear. In Proceedings of the 4th International Symposium on Ultra-High Performance Concrete and High Performance Materials, Kassel, Germany, 9–11 March 2016; University of Kassel: Kassel, Germany, 2016; pp. 1–9. [Google Scholar]
- Noshiravani, T.; Brühwiler, E. Analytical model for predicting response and flexure-shear resistance of composite beams combining reinforced ultrahigh performance fiber-reinforced concrete and reinforced concrete. J. Struct. Eng. 2014, 140, 1–10. [Google Scholar] [CrossRef]
- Tran, N.T.; Tran, T.K.; Jeon, J.K.; Park, J.K.; Kim, D.J. Fracture energy of ultra-high-performance fiber-reinforced concrete at high strain rates. Cem. Concrete Res. 2016, 79, 169–184. [Google Scholar] [CrossRef]
- Tran, N.T.; Tran, T.K.; Kim, D.J. High rate response of ultra-high-performance fiber-reinforced concretes under direct tension. Cem. Concrete Res. 2015, 69, 72–87. [Google Scholar] [CrossRef]
- Pyo, S. Characteristics of Ultra High Performance Concrete Subjected to Dynamic Loading. Ph.D. Thesis, University of Michigan, Ann Arbor, MI, USA, 2014. [Google Scholar]
- Kim, J.H.; Kim, D.; Han, H.N.; Barlat, F.; Lee, M.G. Strain rate dependent tensile behaviour of advanced high strength steels: Experiments and constitutive modelling. Mat. Sci. Eng. A 2013, 559, 222–231. [Google Scholar] [CrossRef]
- Kim, D.J. Strain Rate Effect on High Performance Fiber Reinforced Cementitious Composites Using Slip Hardening High Strength Deformed Steel Fibers. Ph.D. Thesis, University of Michigan, Ann Arbor, MI, USA, 2009. [Google Scholar]
- Habel, K.; Gauvreau, P. Response of ultra-high performance fiber reinforced concrete (UHPFRC) to impact and static loading. Cem. Concr. Comp. 2008, 30, 938–946. [Google Scholar] [CrossRef]
- Bindiganavile, V.; Banthia, N.; Aarup, B. Impact response of ultra-high-strength fiber-reinforced cement composite. ACI Mat. J. 2002, 99, 543–548. [Google Scholar]
- Soleimani, S.M.; Banthia, N. A novel drop weight impact setup for testing reinforced concrete beams. Exp. Tech. 2012, 38, 1–8. [Google Scholar] [CrossRef]
- International Federation for Structural Concrete (FIB). Bulletin No. 85. Towards a Rational Understanding of Shear in Beams and Slabs; FIB: Lausanne, Switzerland, 2018; 338p. [Google Scholar]
- Tanarslan, H.M.; Alver, N.; Jahangiri, R.; Yalcinkaya, C.; Yazici, H. Flexural strengthening of RC beams using UHPFRC laminates: Bonding techniques and rebar addition. Constr. Build Mat. 2017, 155, 45–55. [Google Scholar] [CrossRef]
- Al-Osta, M.A.; Isa, M.; Baluch, M.H.; Rahman, M.K. Flexural behavior of reinforced concrete beams strengthened with ultra-high performance fiber reinforced concrete. Constr. Build Mat. 2017, 134, 279–296. [Google Scholar] [CrossRef]
- López, J.A.; Serna, P.; Navarro-Gregori, J.; Coll, H. A simplified five-point inverse analysis method to determine the tensile properties of UHPFRC from unnotched four-point bending tests. Comp. Part B 2016, 91, 189–214. [Google Scholar] [CrossRef]
- Zhang, X.X.; Ruiz, G.; Yu, R.C.; Tarifa, M. Fracture behaviour of high-strength concrete at wide range of loading rates. Int. J. Impact Eng. 2009, 36, 1204–1209. [Google Scholar] [CrossRef]
- Banthia, N.; Yan, C.; Sakai, K. Impact resistance of fiber reinforced concrete at subnormal temperatures. Cem. Concr. Comp. 1998, 20, 393–404. [Google Scholar] [CrossRef]
- Zhang, X.X.; Abdelazim, A.M.; Ruiz, G.; Yu, R.C. Fracture behaviour of steel fibre-reinforced concrete at a wide range of loading rates. Int. J. Impact Eng. 2014, 71, 89–96. [Google Scholar] [CrossRef]
- Ong, K.C.G.; Basheerkhan, M.; Paramasivam, P. Resistance of fibre concrete slabs to low velocity projectile impact. Cem. Concr. Comp. 1999, 21, 391–401. [Google Scholar] [CrossRef]
- Bastien Masse, M.; Brühwiler, E. Contribution of R-UHPFRC strengthening layers to the shear resistance of RC elements. In Proceedings of the 4th International Symposium on Ultra-High Performance Concrete and High Performance Materials, Kassel, Germany, 9–11 March 2016; University of Kassel: Kassel, Germany, 2016; pp. 127–128. [Google Scholar]
- Li, H.L.; Chen, W.; Hao, H. Dynamic response of precast concrete beam with wet connection subjected to impact loads. Eng. Struct. 2019, 191, 247–263. [Google Scholar] [CrossRef]












| fCU (MPa) | ECU (MPa) | σcc (MPa) | εpc (-) | σpc (MPa) | GF (kN/m) | |
|---|---|---|---|---|---|---|
| Average | 135.4 | 53382 | 4.6 | 0.0022 | 6.2 | 9.9 |
| CoV | 0.02 | 0.03 | 0.07 | 0.32 | 0.11 | 0.15 |
| Series | Test ID | Rmax (kN) | vmax (mm) | vres (mm) | E1 (kJ) | E2 (kJ) |
|---|---|---|---|---|---|---|
| RC-U0 | RC-U0-IMP-1 | 325.6 | 59.7 | 59.7 | 0.82 | 0.75 |
| RC-U0-IMP-2 | 209.5 | 67.8 | 67.8 | 1.32 | 0.46 | |
| RC-U35 | RC-U35-IMP-1 | 297.2 | 37.5 | 7.5 | 1.08 | 0.93 |
| RC-U35-IMP-2 | 278.6 | 43.7 | 28.3 | 1.02 | 1.64 | |
| RC-U55 | RC-U55-IMP-1 | 263.8 | 38.7 | 38.7 | 1.04 | 1.57 |
| RC-U55-IMP-2 | 275.2 | 39.3 | 39.3 | 0.88 | 1.69 |
© 2020 by the authors. Licensee MDPI, Basel, Switzerland. This article is an open access article distributed under the terms and conditions of the Creative Commons Attribution (CC BY) license (http://creativecommons.org/licenses/by/4.0/).
Share and Cite
Zanuy, C.; Ulzurrun, G.S.D. Impact Resisting Mechanisms of Shear-Critical Reinforced Concrete Beams Strengthened with High-Performance FRC. Appl. Sci. 2020, 10, 3154. https://doi.org/10.3390/app10093154
Zanuy C, Ulzurrun GSD. Impact Resisting Mechanisms of Shear-Critical Reinforced Concrete Beams Strengthened with High-Performance FRC. Applied Sciences. 2020; 10(9):3154. https://doi.org/10.3390/app10093154
Chicago/Turabian StyleZanuy, Carlos, and Gonzalo S.D. Ulzurrun. 2020. "Impact Resisting Mechanisms of Shear-Critical Reinforced Concrete Beams Strengthened with High-Performance FRC" Applied Sciences 10, no. 9: 3154. https://doi.org/10.3390/app10093154
APA StyleZanuy, C., & Ulzurrun, G. S. D. (2020). Impact Resisting Mechanisms of Shear-Critical Reinforced Concrete Beams Strengthened with High-Performance FRC. Applied Sciences, 10(9), 3154. https://doi.org/10.3390/app10093154

