Next Article in Journal
Control-Based 4D Printing: Adaptive 4D-Printed Systems
Previous Article in Journal
Joint Torques and Tibiofemoral Joint Reaction Force in the Bodyweight “Wall Squat” Therapeutic Exercise
 
 
Font Type:
Arial Georgia Verdana
Font Size:
Aa Aa Aa
Line Spacing:
Column Width:
Background:
Article

Developing a Universal Mirror–mirror Laser Mapping System for Single Event Effect Research

1
Electrical Computer Engineering, University of Saskatchewan, Engineering Building 57 Campus Dr, Saskatoon, SK S7N5A9, Canada
2
Saskatchewan Structural Science Center, University of Saskatchewan, Thorvaldson Building Office 192, 110 Science Place, Saskatoon, SK S7N5E2, Canada
3
iROC Technologies, 38000 Grenoble, France
4
Cisco Systems, San Jose, CA 95134, USA
*
Author to whom correspondence should be addressed.
Appl. Sci. 2020, 10(9), 3018; https://doi.org/10.3390/app10093018
Submission received: 25 January 2020 / Revised: 18 April 2020 / Accepted: 21 April 2020 / Published: 26 April 2020
(This article belongs to the Section Optics and Lasers)

Abstract

Featured Application

This work would be very helpful to detect the sensitive areas of a specific electronic device for radiation effects.

Abstract

Research on single event effects (SEEs) is significant to the design and manufacture of modern electronic devices. By applying two photon absorption (TPA) ultra-fast pulsed lasers, extra electron-hole pairs (EHPs) are generated in a desired location on a chip, simulating the process that could occur in the circuit by energetic particles. In this study, a SEE sensitivity mapping system is described which uses this method to generate real-time sensitivity maps for various electronic devices. The system hardware includes an attenuator to control the energy, a Pockels cell as a fast-optical switcher and a mirror–mirror module to project the laser beam into a certain location. The system software developed for this application controls the laser system, automatically generates sensitivity maps, communicates with the testing devices and logs the SEE results. The two main features of this laser mapping system are: high scanning velocity for large area scanning (about 1 × 1 mm) and high spatial resolution for small area scanning (about 1 × 1 μm). To verify this mapping system, sensitivity maps were generated for static random access memory (SRAM) built with 65 nm technology and for commercial operational amplifiers (op-amps). The achieved sensitivity maps were compared with circuitry analysis and laser testing results, confirming this mapping system to be effective.

1. Introduction

Single event effects (SEEs) are unexpected electronic disturbances that occur in integrated circuits (ICs) due to the extra charges generated by ionizing particles or other forms of radiation (e.g., pulsed laser beam) [1,2]. It is significant to locate the SEE sensitive areas for a certain IC device, especially for modern transistors with feature size of several nanometers. While accelerators are traditionally used as the SEE testing facility [3], pulsed laser, as research has indicated [4,5], can not only work effectively as a complementary facility, but furthermore, provide more benefits like better spatial and temporal control, as well as being more cost-effective.
There are two typical laser SEEs testing processes, single photon absorption (SPA) and two photon absorption (TPA), which are described in detail by several studies [5,6,7]. Due to the presence of metal layers on the top surface of most IC components, ultra-fast laser pulses are typically injected from the bottom side (i.e., the substrate side) and extra charges would be generated in desired areas by the TPA mechanism. With specifics of laser source, an approximate value of the number of generated charges can be calculated by a deduced equation [7], which is a benefit for SEE laser testing.
Sensitivity mapping technology is a significant branch of SEE laser testing. There are plenty of studies related to this area, e.g., 2-D mapping technique [8,9,10] and 3-D mapping technique [11,12]. However, most previous research is achieved with the region of interest (ROI) size in sub-millimeter scale and few of work focuses on the ROI with the size in about one micron scale which is even smaller than the spot size of the laser beam. Consequently, this research develops a SEE laser testing system that has high spatial resolution to generate a sensitivity map in a single SRAM cell of about 1 × 1 μm and moreover, has high velocity to scan the entire area of an operational amplifier (op-amp) of about 1 × 1 mm in less than 2 min.
In the laser system located at the University of Saskatchewan, a beam scan module (BSM) containing a pair of mirrors was used to project the laser beam into a certain ROI of a device under testing (DUT). The DUT was held stationary on a supporting stage with the laser scanning over it, while most of the other laser systems apply a different structure that keeps the laser beam still and moves the supporting stage. Two research results are presented in this study, (1) sensitivity maps of a one mm2 scale op-amp can be attained in a short time; (2) sensitivity maps of a one µm2 scale SRAM cell can be attained with a step size of 0.18 µm.

2. Materials and Methods

2.1. Ultrafast Pulse Laser System Introduction

There were three stages to the laser system. Stage 1 was the source stage. The seeding Vitesse pulsed laser meets pumping continuous Verdi laser inside the amplifier of RegA which outputs a pulsed laser with the power about 40 mW, repetition of 10 KHz, wavelength of 800 nm and pulse duration of less than 160 fs. Stage 2 was the wavelength extension stage. After the pulsed laser comes out from RegA, it enters the device of optical parametric amplifier 9800 (OPA9800), which will extend the wavelength from 800 nm to 1250 nm, with output power of around 250 µW and pulse duration less than 225 fs. All these facilities were manufactured by Coherent, Inc., from Santa Clara, CA95054, USA. Stage 3 was the testing stage. The pulsed laser beam will be guided into a microscope of MPM200-SGP by a specifically designed optical system, which provides the abilities to monitor and control the laser energy as well as the waveform. The schematic and profile of this laser system are shown in Figure 1. More details for the laser system have been described by the preceding paper [7].

2.2. Verification of the Beam Scan Module (BSM)

This voltage-driven BSM contains two high-reflective mirrors, which can precisely move in both horizontal and vertical directions. The schematic is shown in Figure 2.

2.2.1. Spatial Movement Accuracy

In traditional systems that keep the laser beam still and move the supporting stage, it just needs to record the moving distance of the stage, so that the movement of the laser beam can be determined. However, in the mirror–mirror BSM, the change of scanning location depends on the reflection angle of the mirrors. As such, it was critical to verify whether the system can precisely reflect the laser beam into the desired ROI.
An experiment to verify the accuracy of scanning was designed using the following process. A photodiode (1.1 × 1.2 mm2) was used in the testing, consisting of three parts: the circular main photodiode area (PDA), the surrounding metal area (MA) and the outside area (OA). Each of these areas has a unique waveform. All the information is shown in Figure 3.
The yellow curve is the signal from the photodiode, while the green signal is the scanning open window. The red color in this figure and the following Figures 4, 12a,b, 15a and 17a show high-reflective areas by imaging laser. This effect can be alleviated by decreasing the imaging laser energy and it does not affect the testing results. As shown in Figure 3, each area of photodiode gives out different waveform in the same open window towards the same input laser beam. Then, a small ROI (4.3 × 4.2 μm2) was drawn at the edge of each area in order to monitor the waveform at the edge. If the waveform at the edge is consistent with the waveform in that area, it can be said that the BSM precisely injected the laser beam into the desired ROI. However, if the waveform contains the shape of the neighboring area, it means that there exists some offset in this BSM. Figure 4 shows the location of each ROI.
The waveforms below that correspond to these four locations are shown in Figure 5.
As shown in Figure 5, the waveform at each location does not contain any shape from the neighboring area. Because the ROI is drawn at the very edge of each area (see Figure 4), it can be confirmed that the BSM has the ability to project the laser beam into desired region with high spatial accuracy.

2.2.2. Temporal Accuracy of the BSM

The voltage-driven mirror–mirror BSM system moves a certain number of “steps” inside a specific ROI drawn by the user. The number of “steps” is defined by the following equation.
N u m b e r _ s t e p s = R o u n d _ u p w a r d s [ W i d t h _ R O I s t e p _ s i z e ] × R o u n d _ u p w a r d s [ H e i g h t _ R O I s t e p _ s i z e ]  
where “round_upwards” means take the closest upwards integer value and the “step_size” is defined by Equation (2)
s t e p _ s i z e = s i z e   p e r   p i x e l × p i x e l _ n u m b e r
The “size per pixel” is determined by the optical limitation of the objective lens and the “pixel_number” is set by the user.
After the ROI is drawn and the step_size is set, it is necessary to set the “dwell-time”, the duration time that a laser pulse projected at each step. The “dwell-time” is mostly set to a value according to the repetition of the pulsed laser source. For example, the repetition of the pulsed laser in use is 10 kHz. Correspondingly, the “dwell-time” is set to be 100 μs, which should project only one laser pulse to the current step in the ROI.
In the verification testing, a ROI was drawn with the dimensions of 32.75 × 60.32 (μm); the size per pixel was 1.4 μm; one step contains 5 pixels, leading to a step_size of 7 μm. As mentioned above, the number of steps in horizontal direction was 5 and 9 in the vertical. Consequently, the total number of steps was 45. With the dwell-time set to be 100 μs, there should be 45 pulses observed through an oscilloscope. This process is shown in Figure 6.
Figure 7 shows the pulses generated in the ROI, where exactly 45 pulses can be observed by an oscilloscope.
In Figure 7a, exactly 45 pulses can be observed during the entire scanning period in the ROI. Furthermore, due to the time division of 1 ms and dwell-time of 100 μs, exactly 10 pulses can be observed inside a single time division. In Figure 7b, after zooming in with a time division of 50 μs, a single pulse can be observed for that dwell-time.
This verification confirms that the BSM has high temporal accuracy. Once a certain ROI was drawn, the number of steps, the track of movement, the number of pulses could be confirmed to be accurate.

2.2.3. Spot Size and Spatial Resolution

Unlike particles based SEE testing, the spot size of a laser beam is a key factor to the testing results. There are several studies that try to specify the effect of spot size to SEE testing [13,14], but most of them are based on the SPA process. Based on the TPA theory [15], the generation of EHPs is highly dependent on laser irradiation and EHPs can be only generated in the focused zone of laser beam. Because the laser beam has a profile of Gaussian distribution, by precisely controlling the laser energy, the actual part of the laser spot that generates extra EHPs can be much smaller than the calculated spot size.
There are two main ways to calculate the spot size of a laser beam. One is based on Gaussian distribution theory and the other is based on Airy ring theory. Due to the wavelength using in our testing set to 1250 nm, the value of spot size based on Airy ring theory is more accurate, calculating out to 5.08 μm with a 10X objective lens (NA: 0.3) and 2.35 μm with a 50X objective lens (NA: 0.65).
A verification experiment was designed to find the relationship between spot size and resolution. A small ROI was first drawn at the edge just outside the photodiode. Then, laser pulses with different energy level from 500 pJ to 6 nJ were projected into that ROI. By comparing the output amplitude with each laser energy level, the change trend of the spot size with the energy level can be plotted, as shown in Figure 8.
The trend in Figure 8 clearly shows that an increase in the laser input energy corresponds to an increase in the spot size. This result indicates that a smaller spot size can be attained by using smaller laser input energy.
Another very important but easily neglected factor was the injection angle of the laser beam. Unlike traditional stage-move systems, the projected laser beam from the BSM is not exactly orthogonal to the DUT surface. This leads to a shadow area which forms under the focus zone of the laser beam due to the tilted injection beam. Fortunately, in the TPA process, extra EHPs can only be generated inside the focused area. This means that the shadow area should be quite small. An experiment was designed to verify this effect. First, the testing in Figure 8 was done at the central location of the photodiode where the beam was projected vertically. Second, the photodiode was horizontally moved rightwards by 100 μm and the testing was repeated by orienting the laser on the same spot on the DUT. This process was repeated three more times and each time the photodiode was moved 100 μm rightwards. This operation allows the amplitude from the same ROI to be measured for different injection angles. Figure 9 illustrates the correlation between the injection angle and the amplitude of the photodiode.
From Figure 9, there was no obvious change in the first 200 μm movement. However, when the ROI moves 300 μm rightwards from the laser’s vertical axis, a clear increase in the amplitude can be observed. This result shows that the injection angle could affect the testing results, but only for a relatively large spatial movement.

2.3. Development of Mapping Software

A package of SEE mapping software was developed and has following features:
  • ability to synchronize with the movement of the BSM;
  • ability to provide an interface to connect and communicate with different DUTs; and
  • ability to record testing data.
Because the mirrors in the BSM are driven by a voltage signal, it can be obtained by the NI BNC 2110 block. This signal can be used as a trigger to drive the movement in the mapping software. Figure 10 shows the structure of mapping system.
The key algorithm of the mapping program contains two main parts: generating a map with the same mapping size and step size as the actual ROI drawn by the user and updating the map with the SEE test results in real time with the movement of the BSM. Figure 11 shows the data flow of the mapping program.

3. Results

The mapping experiments were designed towards with two main objectives. First, the ROI was drawn with millimeter size in op-amps. If the sensitive areas can be located with high accuracy and velocity, it proves the mapping system was capable for detecting sensitive areas in DUTs with large ROIs. Second, the ROI was drawn with micrometer size in a single SRAM cell. In this dimension, the size of the ROI was smaller than the spot size of the laser beam. If the sensitive nodes inside the ROI can be located by the laser mapping system, it would prove the pulsed laser can be used in micrometer size devices.

3.1. Sensitivity Mapping for Operational Amplifiers

3.1.1. Amplifiers in Testing

Two types of op-amps were used for the mapping testing, OP77 and AD 711. The actual profiles of op-amps and testing system are shown in Figure 12.
To generate a sensitivity map for the amplifiers, a ROI covered the entire area of the amplifier was drawn and an oscilloscope was connected to mapping system which can provide the generated SET signal. The user interface of the mapping program for amplifier testing is shown in Figure 13.
The left part is a virtual oscilloscope window that shows the SET pulses in real time. Once a SET pulse was generated, a red color will be marked at the current step in the mapping window. Depending on the amplitude of the SET pulse, the color will change from light red to deep red.

3.1.2. Sensitivity Mapping Results

OP77 Testing
The size of the ROI was 1.39 × 1.36 mm, with a step size of 0.07 mm and dwell-time of 0.1 s. Based on the method described above, the total number of steps was 400, meaning a mapping time of 40 s. Figure 14 shows the sensitivity mapping result.
To verify the mapping result, specific ROIs were drawn corresponding to each sensitivity area in the mapping results. Figure 15 shows the results, which verify that this mapping result was accurate.
AD711 Testing
The AD711 amplifier was smaller than OP77, with a size of 1.13 × 1.20 mm. The step size used was 0.056 mm, with a dwell-time of 0.1 s, corresponding to 462 scanning steps and a 46.2 s scanning time. Similar to the previous experiment, the sensitivity map is shown in Figure 16.
Applying the same process as before, specific ROIs were drawn corresponding to each sensitivity area observed in the map. As shown in Figure 17, each ROI generated SET pulses, validating the sensitivity mapping result was accurate.
As demonstrated by the OP77 and AD711 amplifiers test results, sensitive areas can be located with high accuracy and velocity by this mapping system. Since this system keeps the stage still and moves the laser beam, there was no external vibration introduced to the DUT. This feature provides much benefit to decrease the time consumption for generating the sensitivity map.

3.2. Sensitivity Mapping for Regula_11T SRAM Structure

Pulsed laser systems have been widely used in SEE research for SRAMs [16,17]. The size of a single SRAM cell is always in the range of one micron with modern technologies. However, most studies on SRAM laser mapping are carried out in relatively large ROIs with the size of dozens or hundreds of microns.
The SEE sensitivity laser mapping testing was applied on a single SRAM cell with a Regular_11T structure which was fabricated with a CMOS 65 nm bulk technology. The laser scanning step size was set to 0.18 μm. Compared with the measured spot size of 2.7 μm (by Mitutoyo Apo NIR 50X/0.65 objective), the step size was much smaller than the spot size.
The SRAM chip and the testing system are shown in Figure 18.

Sensitivity Mapping Laser Testing Result

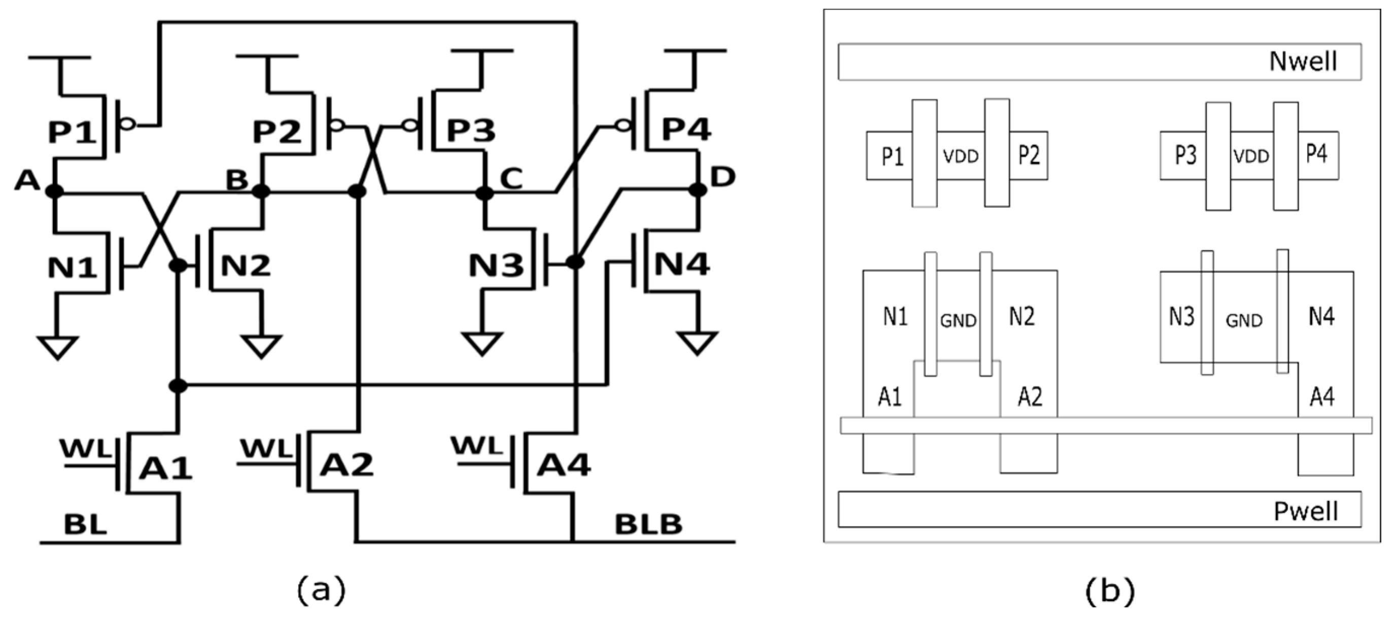
The Regular_11T structure of SRAM adopts a Cascode voltage switching logic (CVSL) design, with each of the four nodes, ABCD, driven by a pair of pull-up PMOS and pull-down NMOS transistors. The schematic and layout are shown in Figure 19.
From circuit analysis, node A controls N2 & N4, node B controls P3 & N1, node C controls P2 & P4 and node D controls P1 & N3. Additionally, nodes A & C should be always complementary to nodes B & D. Consequently, there are two logic states for the Regular_11T storage pattern: 1010 (state‘1) and 0101 (state 0).
Due to this structure, when the stored data pattern is 1, which is 1010 for nodes ABCD, the circuit can restore the initial state if only one node has been hit by laser pulses. For example, if node A was hit by laser pulses and its state changes from 1 to 0, the transistors of N2 & N4 would be turned off correspondingly. At this moment, N2 & P2 and N4 & P4 are all in the ‘OFF’ state, so nodes B & C remain in their states. Consequently, the state of node A will eventually be pulled up by VDD through P1 and the whole SRAM cell restores to its initial state. The other three nodes can be analyzed by the same logic. However, if the stored data pattern is 0, which is 0101 for nodes ABCD. The situation is different. Here, when node A is hit by laser pulses, the state of SRAM will be changed and generate an error, while the other three nodes will restore their initial states if they were hit by laser pulses. For example, if node A is hit, its state changes from 0 to 1, the high-level voltage will turn on N2 & N4, which results in nodes B and D being pulled down. Consequently, the data pattern stored in A1A2A3 is changed from 011 to 100 and an error is generated.
In actual testing, laser pulses with an energy of 90 pJ were injected into the Regular_11T SRAM cell with the data pattern of all 0 and 0/1. The results are shown in Figure 20. In the testing, the dimension of the ROI was 1.90 × 1.30 μm and the step size was set to 0.18 μm.
From the mapping results, the sensitive areas were all located at the left part of the SRAM cell, around node A region. This was consistent with the circuit analysis provided above. However, the result for ‘0/1’ stored data pattern (Figure 20b) has a larger sensitivity area and it drifts slightly downwards. This may be due to the dynamic charging and discharging process at node A, which may make the current dissipation more unstable compared to all ‘0’ data patterns. This could explain the larger sensitive area and spatial drift.

TFIT Simulation Result

A widely used simulation tool called TFIT was used to simulate SEEs in a radiation environment and to generate corresponding results (e.g., cross-section, FIT value, etc.). This tool was provided by iRoC Technologies company. TFIT is a fast simulation tool that can be used to predict and improve the SER and the FIT performance of cells design. TFIT allows for the reasonably accurate calculation of the electrical effect of particles impact to a transistor, a cell or a circuit in the design flow, at much faster speeds than traditional 3D TCAD simulations [18,19].
Figure 21 shows the simulation result of Regular_ 11T SRAM structure based on the 65 nm CMOS process model that has been verified by former researchers [20,21].
The sensitivity distribution shown by the TFIT simulation indicates that the most sensitive areas (indicated by pink & red color) were located at N1, P2 and part of A1. Compared with the actual laser mapping results, a strong consistency can be observed. There were two features that need to be noted for this simulation. First, the size of sensitive area in the actual mapping result was not exactly the same as the one from simulation. This may be due to the limitations of laser spot size and charge diffusion. However, as demonstrated, by carefully controlling the laser energy to be close to the threshold energy, the spatial resolution for a laser beam can be much less than its calculated spot size. Second, by counting the number of steps (0.18 μm per step) in the mapping result, the real spatial resolution was about 0.36 µm (two steps in Figure 20a). This result provides much benefit to related research and extends the boundary of SEE laser mapping technology.

4. Discussion

The testing of op-amps was used to verify the features of the mirror–mirror BSM system for scanning large size of ROIs. The results show that the BSM can locate the sensitive areas with high accuracy and velocity. Two factors need to be noted for testing at this scale. First, the maximum size of a ROI was limited by the field of view (FOV) of the objective lens. If there is a need to scan a ROI larger than the FOV, this BSM system can work with a movable supporting stage. Second, the effect of injection angle needs to be considered. As shown in the previous section, a sufficient injection angle will introduce an offset to the laser beam. As a result, if the DUT has components in several micrometers size located far away from the center, additional adjustment should be considered in the mapping software.
The testing of SRAM cells was used to verify the spatial resolution of the BSM system. Step size of 0.18 μm was used for the testing of the Regular_11T SRAM cell. The results were consistent with what was predicted by circuit analysis and further confirmed by results from the TFIT simulation software. Furthermore, the results confirm that the actual spatial resolution of a laser beam in mapping testing can be much smaller than the calculated spot size (0.36-μm resolution vs. 2.7-μm spot size). This result can extensively extend the application of pulsed lasers in SEE testing. Another significant and easily neglected factor was keeping the SRAM testing system in strictly stable condition throughout the mapping testing process. Because the SRAM cell in testing has a size as small as about 1 micron, any slight vibration of the system can introduce unacceptable offsets to the result. In the actual testing, an enclosure was made to enclose the entire testing system in order to shield the system from air flows and all the cables were fixed with clamps.

5. Conclusions

This study introduces a universal SEE laser mapping system with a mirror–mirror BSM that employs a TPA pulsed laser source. Spatial and temporal verification experiments were performed to confirm that the mapping system was able to generate sensitivity maps for a SRAM cell and op-amps. Testing results show that this system can be used in large ROIs with high scanning velocity and small ROIs with high spatial resolution. Additionally, a brief description of the software is also mentioned in this research, which can be quite useful for researchers who want to build their own mapping system.
In the future, a water-immersed objective lens will be applied in the mapping system and testing will be carried out to verify whether the spatial resolution can be further improved.

Author Contributions

Conceptualization, C.G. and L.C.; methodology, C.G., S.S. and G.B.; software, C.G., I.N. and H.T.; validation, G.C.; formal analysis, C.G.; investigation, C.G. and L.C.; resources, C.G. and G.B.; data curation C.G.; writing—original draft preparation, C.G.; writing—review and editing, C.G., G.B. and L.C.; visualization, C.G.; supervision, L.C.; technical support and sample preparation, S.W.; project administration, G.B. and L.C.; funding acquisition, L.C. All authors have read and agreed to the published version of the manuscript.

Funding

This research was funded by The National Sciences and Engineering Research Council of Canada (NSERC).

Conflicts of Interest

The authors declare no conflict of interest.

References

  1. Buchner, S.; McMorrow, D.; Melinger, J.; Camdbell, A. Laboratory tests for single-event effects. IEEE Trans. Nucl. Sci. 1996, 43, 678–686. [Google Scholar] [CrossRef]
  2. Binder, D.; Smith, E.C.; Holman, A.B. Satellite Anomalies from Galactic Cosmic Rays. IEEE Trans. Nucl. Sci. 1975, 22, 2675–2680. [Google Scholar] [CrossRef]
  3. Dodd, P.E.; Schwank, J.R.; Shaneyfelt, M.R.; Felix, J.; Paillet, P.; Ferlet-Cavrois, V.; Baggio, J.; Reed, R.A.; Warren, K.M.; Weller, R.A.; et al. Impact of Heavy Ion Energy and Nuclear Interactions on Single-Event Upset and Latchup in Integrated Circuits. IEEE Trans. Nucl. Sci. 2007, 54, 2303–2311. [Google Scholar] [CrossRef]
  4. Habing, D. The use of lasers to simulate radiation-induced transients in semiconductor devices and circuits. IEEE Trans. Nucl. Sci. 1965, 12, 91–100. [Google Scholar] [CrossRef]
  5. Buchner, S.P.; Miller, F.; Pouget, V.; McMorrow, D.P. Pulsed-Laser Testing for Single-Event Effects Investigations. IEEE Trans. Nucl. Sci. 2013, 60, 1852–1875. [Google Scholar] [CrossRef]
  6. Watkins, A.; Gnawali, K.; Quinn, H. Single Event Effects Characterization Using a Single Photon Absorption Laser. In 2018 IEEE AUTOTESTCON; IEEE: National Harbor, MD, USA, 2018; pp. 1–4. [Google Scholar] [CrossRef]
  7. Gu, C.; Chen, R.; Belev, G.; Shi, S.; Tian, H.; Nofal, I.; Chen, L. Application of Two-Photon-Absorption Pulsed Laser for Single-Event-Effects Sensitivity Mapping Technology. Materials (Basel) 2019, 12, 3411. [Google Scholar] [CrossRef] [PubMed]
  8. Miller, F.; Buard, N.; Hubert, G.; Alestra, S.; Baudrillard, G.; Carriere, T.; Gaillard, R.; Palau, J.; Saigne, F.; Fouillat, P. Laser Mapping of SRAM Sensitive Cells: A Way to Obtain Input Parameters for DASIE Calculation Code. IEEE Trans. Nucl. Sci. 2006, 53, 1863–1870. [Google Scholar] [CrossRef]
  9. Chugg, A.M.; Burnell, A.J.; Moutrie, M.J.; Jones, R.; Harboe-Sørensen, R. Laser SEE Sensitivity Mapping of SRAM Cells. IEEE Trans. Nucl. Sci. 2007, 54, 2106–2112. [Google Scholar] [CrossRef]
  10. Chugg, A.M.; Ward, J.; McIntosh, J.R.; Flynn, N.; Duncan, P.H.; Barber, T.S.; Poivey, C. Improved fine-scale laser mapping of component SEE sensitivity. In Proceedings of the 2011 12th European Conference on Radiation and Its Effects on Components and Systems; Institute of Electrical and Electronics Engineers (IEEE): Sevilla, Spain, 2011; pp. 442–448. [Google Scholar]
  11. McMorrow, D.; Lotshaw, W.; Melinger, J.; Buchner, S.; Boulghassoul, Y.; Massengill, L.; Pease, R. Three-dimensional mapping of single-event effects using two photon absorption. IEEE Trans. Nucl. Sci. 2003, 50, 2199–2207. [Google Scholar] [CrossRef]
  12. Palomo, F.R.; Mogollon, J.M.; Napoles, J.; Aguirre, M.A. Mixed-Mode Simulation of Bit-Flip with Pulsed Laser. IEEE Trans. Nucl. Sci. 2010, 57, 1884–1891. [Google Scholar] [CrossRef]
  13. Melinger, J.; Buchner, S.; McMorrow, D.; Stapor, W.; Weatherford, T.; Campbell, A.; Eisen, H. Critical evaluation of the pulsed laser method for single event effects testing and fundamental studies. IEEE Trans. Nucl. Sci. 1994, 41, 2574–2584. [Google Scholar] [CrossRef]
  14. Miller, F.; Buard, N.; Carriere, T.; Dufayel, R.; Gaillard, R.; Poirot, P.; Palau, J.-M.; Sagnes, B.; Fouillat, P. Effects of beam spot size on the correlation between laser and heavy ion SEU testing. IEEE Trans. Nucl. Sci. 2004, 51, 3708–3715. [Google Scholar] [CrossRef]
  15. Sang, X.; Tien, E.K.; Boyraz, O. XINZHU SANG, Applications of two-photon absorption in silicon. J. Optoelectron. Adv. Mater. 2008, 11, 15–25. [Google Scholar]
  16. Bocquillon, A.; Foucard, G.; Miller, F.; Buard, N.; Leveugle, R.; Daniel, C.; Rakers, S.; Carriere, T.; Pouget, V.; Velazco, R. Highlights of laser testing capabilities regarding the understanding of SEE in SRAM based FPGAs. In Proceedings of the 2007 9th European Conference on Radiation and Its Effects on Components and Systems, Deauville, France, 10–14 September 2007; pp. 1–6. [Google Scholar] [CrossRef]
  17. Kastensmidt, F.G.L.; Tambara, L.; Bobrovsky, D.V.; Pechenkin, A.A.; Nikiforov, A.Y. Laser Testing Methodology for Diagnosing Diverse Soft Errors in a Nanoscale SRAM-Based FPGA. IEEE Trans. Nucl. Sci. 2014, 61, 3130–3137. [Google Scholar] [CrossRef]
  18. Costenaro, E.; Alexandrescu, D.; Belhaddad, K.; Nicolaidis, M. A Practical Approach to Single Event Transient Analysis for Highly Complex Design. J. Electron. Test. 2013, 29, 301–315. [Google Scholar] [CrossRef]
  19. Noh, J.; Correas, V.; Lee, S.; Jeon, J.; Nofal, I.; Cerba, J.; Belhaddad, H.; Alexandrescu, D.; Lee, Y.; Kwon, S.; et al. Study of Neutron Soft Error Rate (SER) Sensitivity: Investigation of Upset Mechanisms by Comparative Simulation of FinFET and Planar MOSFET SRAMs. IEEE Trans. Nucl. Sci. 2015, 62, 1642–1649. [Google Scholar] [CrossRef]
  20. Wang, H.; Dai, X.; Wang, Y.; Nofal, I.; Cai, L.; Shen, Z.; Sun, W.; Bi, J.; Li, B.; Guo, G.; et al. A single event upset tolerant latch design. Microelectron. Reliab. 2018, 88–90, 909–913. [Google Scholar] [CrossRef]
  21. Li, Y.-Q.; Wang, H.-B.; Liu, R.; Chen, L.; Nofal, I.; Chen, Q.-Y.; He, A.-L.; Guo, G.; Baeg, S.H.; Wen, S.-J.; et al. A 65 nm Temporally Hardened Flip-Flop Circuit. IEEE Trans. Nucl. Sci. 2016, 63, 2934–2940. [Google Scholar] [CrossRef]
Figure 1. (a) Schematic of the two photon absorption (TPA) laser testing system. (b) actual profile of the single event effect (SEE) testing system.
Figure 1. (a) Schematic of the two photon absorption (TPA) laser testing system. (b) actual profile of the single event effect (SEE) testing system.
Applsci 10 03018 g001
Figure 2. Schematic of mirror–mirror module.
Figure 2. Schematic of mirror–mirror module.
Applsci 10 03018 g002
Figure 3. Waveform for each area in a photodiode.
Figure 3. Waveform for each area in a photodiode.
Applsci 10 03018 g003
Figure 4. The location of each region of interest (ROI) in the photodiode.
Figure 4. The location of each region of interest (ROI) in the photodiode.
Applsci 10 03018 g004
Figure 5. Waveform at each location in the photodiode.
Figure 5. Waveform at each location in the photodiode.
Applsci 10 03018 g005
Figure 6. Schematic of the beam scan module (BSM) scanning movement.
Figure 6. Schematic of the beam scan module (BSM) scanning movement.
Applsci 10 03018 g006
Figure 7. (a) Pulses waveform in the entire scanning period; (b) pulse waveform in one scanning step.
Figure 7. (a) Pulses waveform in the entire scanning period; (b) pulse waveform in one scanning step.
Applsci 10 03018 g007
Figure 8. Change of output amplitude with different laser energy levels.
Figure 8. Change of output amplitude with different laser energy levels.
Applsci 10 03018 g008
Figure 9. Injected angle effect via different offset distance.
Figure 9. Injected angle effect via different offset distance.
Applsci 10 03018 g009
Figure 10. Structure of SEE mapping system.
Figure 10. Structure of SEE mapping system.
Applsci 10 03018 g010
Figure 11. Data flow of the mapping program.
Figure 11. Data flow of the mapping program.
Applsci 10 03018 g011
Figure 12. (a) Profile of OP77; (b) profile of AD711; (c) actual op-amps testing system; (d) actual op-amps testing board.
Figure 12. (a) Profile of OP77; (b) profile of AD711; (c) actual op-amps testing system; (d) actual op-amps testing board.
Applsci 10 03018 g012
Figure 13. User interface of the mapping program for amplifier testing.
Figure 13. User interface of the mapping program for amplifier testing.
Applsci 10 03018 g013
Figure 14. Sensitivity map for OP77 amplifier (laser energy: 4 nJ).
Figure 14. Sensitivity map for OP77 amplifier (laser energy: 4 nJ).
Applsci 10 03018 g014
Figure 15. SET results in each ROI. (a) distribution of ROIs; (b) SET pulse in ROI_1; (c) SET pulse in ROI_2; (d) SET pulse in ROI_3; (e) SET pulse in ROI_4; (f) SET pulse in ROI_5.
Figure 15. SET results in each ROI. (a) distribution of ROIs; (b) SET pulse in ROI_1; (c) SET pulse in ROI_2; (d) SET pulse in ROI_3; (e) SET pulse in ROI_4; (f) SET pulse in ROI_5.
Applsci 10 03018 g015
Figure 16. Sensitive map for AD711 amplifier (laser energy: 4 nJ).
Figure 16. Sensitive map for AD711 amplifier (laser energy: 4 nJ).
Applsci 10 03018 g016
Figure 17. SET results in each ROI. (a) distribution of ROIs; (b) SET pulse in ROI_1; (c) SET pulse in ROI_2; (d) SET pulse in ROI_3; (e) SET pulse in ROI_4.
Figure 17. SET results in each ROI. (a) distribution of ROIs; (b) SET pulse in ROI_1; (c) SET pulse in ROI_2; (d) SET pulse in ROI_3; (e) SET pulse in ROI_4.
Applsci 10 03018 g017
Figure 18. (a) Top & bottom sides of SRAM chip; (b) testing system profile.
Figure 18. (a) Top & bottom sides of SRAM chip; (b) testing system profile.
Applsci 10 03018 g018
Figure 19. (a) Schematic of Regular_11T structure; (b) layout of Regular_11T structure.
Figure 19. (a) Schematic of Regular_11T structure; (b) layout of Regular_11T structure.
Applsci 10 03018 g019
Figure 20. (a) Sensitivity map for Regular_11T structure with all ‘0’ stored data pattern; (b) sensitivity map for Regular_11T structure with ‘0/1’ pattern (laser energy: 90 pJ).
Figure 20. (a) Sensitivity map for Regular_11T structure with all ‘0’ stored data pattern; (b) sensitivity map for Regular_11T structure with ‘0/1’ pattern (laser energy: 90 pJ).
Applsci 10 03018 g020
Figure 21. TFIT simulation sensitivity distribution with all ‘0’ stored data pattern.
Figure 21. TFIT simulation sensitivity distribution with all ‘0’ stored data pattern.
Applsci 10 03018 g021

Share and Cite

MDPI and ACS Style

Gu, C.; Belev, G.; Tian, H.; Shi, S.; Nofal, I.; Wen, S.; Chen, L. Developing a Universal Mirror–mirror Laser Mapping System for Single Event Effect Research. Appl. Sci. 2020, 10, 3018. https://doi.org/10.3390/app10093018

AMA Style

Gu C, Belev G, Tian H, Shi S, Nofal I, Wen S, Chen L. Developing a Universal Mirror–mirror Laser Mapping System for Single Event Effect Research. Applied Sciences. 2020; 10(9):3018. https://doi.org/10.3390/app10093018

Chicago/Turabian Style

Gu, Cheng, George Belev, Haonan Tian, Shuting Shi, Issam Nofal, Shijie Wen, and Li Chen. 2020. "Developing a Universal Mirror–mirror Laser Mapping System for Single Event Effect Research" Applied Sciences 10, no. 9: 3018. https://doi.org/10.3390/app10093018

APA Style

Gu, C., Belev, G., Tian, H., Shi, S., Nofal, I., Wen, S., & Chen, L. (2020). Developing a Universal Mirror–mirror Laser Mapping System for Single Event Effect Research. Applied Sciences, 10(9), 3018. https://doi.org/10.3390/app10093018

Note that from the first issue of 2016, this journal uses article numbers instead of page numbers. See further details here.

Article Metrics

Back to TopTop