A System-Level Failure Propagation Detectability Using ANFIS for an Aircraft Electrical Power System
Abstract
1. Introduction
2. Modeling and Simulation of an Aircraft Electrical Power System (EPS)
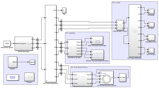
2.1. The EPS Digital Twin
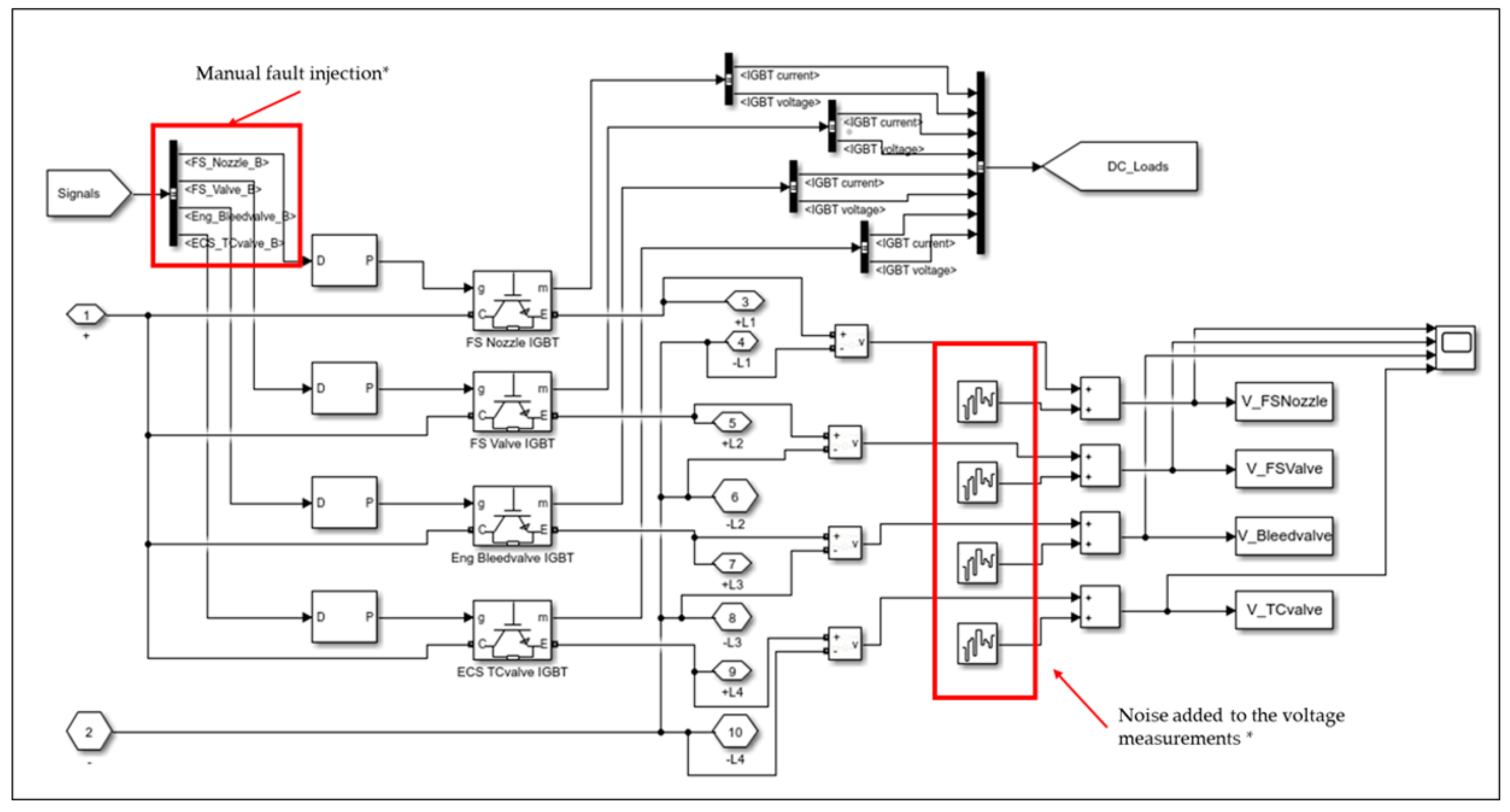
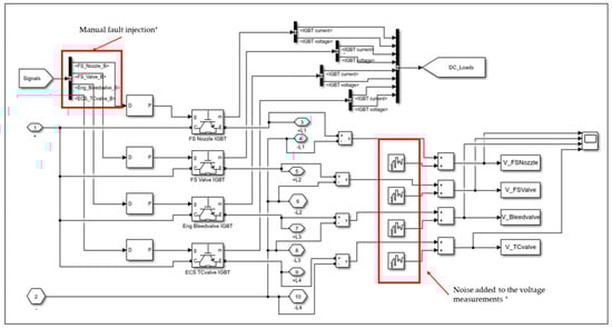
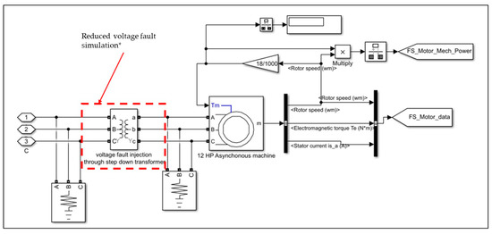
2.2. Fault Injection in the EPS Digital Twin
3. Diagnostic Reasoning for the EPS
3.1. Brief Description of ANFIS
- Input parameters are fuzzified by defining membership functions,
- Logical operators like AND, OR, and NOT are applied to combine the membership functions of the input parameters to get a set of ‘if-then’ rules along with their weights,
- The consequent parts of the rules are implemented depending upon their firing strengths (weights), and
- The outputs are calculated, aggregated, and de-fuzzified to provide the final output.
then z1 = p1 × A + q1 × B + r1
then z2 = p2 × A + q2 × B + r2
3.2. An ANFIS Monitor for the EPS
4. Results and Discussion
4.1. Method 1: The Crisp Boundary Approach
4.1.1. Healthy Case
4.1.2. Faulty Case
4.2. Method 2: The Fuzzy Boundary Approach
5. Conclusions
Author Contributions
Funding
Conflicts of Interest
Appendix A
| Algorithm: The ANFIS monitor with fuzzy boundary approach. |
| Run simulation i1 = 1; for every 5 sec % customizable window % Power_gen (i1) = mean (Power_Generated); i1 = i1 + 1; end %load trained ANFIS file% fis = readfis (‘Neurofis.fis’); test = evalfis(fis, Power_gen); [n] = row(Power_Gen); % Classification using the ANFIS monitor % for i2 = 1:n if (z(i2) < = 5, and z (i2) > = 4) result(i2) = ‘Region 5′ elseif (z(i2) <4, and z (i2) > = 3) result(i2) = ‘Region 4′ elseif (z(i2) <3, and z (i2) > = 2) result(i2) = ‘Region 3′ elseif (z(i2) <2, and z (i2) > = 1) result(i2) = ‘Region 2′ elseif (z(i2) <1, and z (i2) > = 0) result(i2) = ‘Region 1′ elseif (z(i2) <0) result(i2) = ‘Region 0′ elseif (z(i2) >5) result(i2) = ‘Undefined’ end end if z(1) = z(2) = ……..z(n), monitor_res= z(1) else monitor_res = ‘intermittent’ end % Diagnosis with Fuzzy boundary approach and Causal reasoning with diagnostic matrix % if monitor_res =! ‘intermittent’ carry tests from the diagnostic matrix (Table 2) to isolate the root cause end |
References
- Zumberge, J.; Wolff, J.; McCarthy, K.; O’Connell, T.; Walters, E.; Russell, G.; Lucas, C. Integrated Aircraft Electrical Power System Modeling and Simulation Analysis. SAE Techn. Paper Ser. 2010. [Google Scholar] [CrossRef]
- Rosero, J.; Ortega, J.; Aldabas, E.; Romeral, L. Moving towards a more electric aircraft. IEEE Aerosp. Electron. Syst. Mag. 2007, 22, 3–9. [Google Scholar] [CrossRef]
- Air Accidents Investigation Branch. AAIB Bulletin: 4/2014 9M-MPL EW/C2012/08/04. Available online: https://www.gov.uk/aaib-reports/boeing-747-4h6-9m-mpl-17-august-2012 (accessed on 1 March 2020).
- Air Accidents Investigation Branch. Aircraft Accident Report No: 4/2009. Available online: https://assets.publishing.service.gov.uk/media/552659a7e5274a141800000d/Summary_AAR_4-2009_Airbus_A319-111__G-EZAC_09-09.pdf (accessed on 1 March 2020).
- Ezhilarasu, C.M.; Skaf, Z.; Jennions, I.K. Progress towards a Framework for Aerospace Vehicle Reasoning (FAVER). In Proceedings of the Annual Conference of the PHM Society, Scottsdale, AZ, USA, 21–22 September 2019; pp. 1–9. [Google Scholar]
- Sweet, A. Testing HyDE on ADAPT. NASA STI Technical Memorandum; 2008. Available online: https://ntrs.nasa.gov/archive/nasa/casi.ntrs.nasa.gov/20080017209.pdf (accessed on 5 March 2020).
- Knox, W.B.; Mengshoel, O.J. Diagnosis and Reconfiguration using Bayesian Networks: An Electrical Power System Case Study. In Proceedings of the IJCAI-09 Workshop on Self-\star and Autonomous Systems (SAS): Reasoning and Integration Challenges, Paris, France, 2–5 May 2009; pp. 67–74. [Google Scholar]
- Ricks, B.W.; Mengshoel, O.J. Methods for Probabilistic Fault Iagnosis: An Electrical Power System Case Study. Annual Conference of the Prognostics and Health Management Society, PHM 2009; NASA: Washington, DC, USA, 2009; pp. 1–12.
- McIntire, M.G.; Keshavarzi, E.; Tumer, I.Y.; Hoyle, C. Functional Models with Inherent Behavior: Towards a Framework for Safety Analysis Early in the Design of Complex Systems. Adv. Aerosp. Technol. 2016, 1–8. [Google Scholar] [CrossRef]
- Mengshoel, O.J.; Darwiche, A.; Cascio, K.; Chavira, M.; Poll, S.; Uckun, N.S. Diagnosing Faults in Electrical Power Systems of Spacecraft and Aircraft. Artif. Intell. 2008, 650, 1699–1705. [Google Scholar]
- Cao, Y.; Liu, G.; Liu, Z. Condition Based Maintenance for Aircraft Electrical Systems. SAE Tech. Paper Ser. 2009. [Google Scholar] [CrossRef]
- Batzel, T.D.; Swanson, D.C. Prognostic Health Management of Aircraft Power Generators. IEEE Trans. Aerosp. Electron. Syst. 2009, 45, 473–482. [Google Scholar] [CrossRef]
- Faiz, J.; Ghorbanian, V.; Joksimovic, G. Fault Diagnosis of Induction Motors. In Proceedings of the 1st Annual International Interdisciplinary Conference, Azores, Portugal, 24–26 April 2017. [Google Scholar]
- Sekar, B.D.; Dong, M.C. Bayesian fuzzy inference nets online fault diagnosis of induction motor. In Proceedings of the 7th International Conference on Information, ICICS 2009-Conference, Communications and Signal Processing, Aizuwakamatsu, Japan, 15–17 June 2009. [Google Scholar]
- Seok, J.; Kolmanovsky, I.; Girard, A. Integrated/coordinated control of aircraft gas turbine engine and electrical power system: Towards large electrical load handling. In Proceedings of the 2016 IEEE 55th Conference on Decision and Control (CDC), Las Vegas, NV, USA, 12–14 December 2016; pp. 3183–3189. [Google Scholar]
- Shi, X.; Qu, J.; Wu, H.; Cai, J.; Yang, Z. Modelling and simulation of the logical structure of aircraft power distribution systems. Int. J. Simul. Syst. Sci. Technol. 2016, 17, 37.1–37.9. [Google Scholar]
- Boeing. THE BOEING 737 TECHNICAL SITE. Available online: http://www.b737.org.uk/electrics.htm (accessed on 3 March 2020).
- Madonna, V.; Member, S.; Giangrande, P.; Galea, M. Electrical Power Generation in Aircraft: Review, Challenges and Opportunities. Res. Gate 2018. [Google Scholar] [CrossRef]
- Olivier Tremblay L-AD. Aircraft Electrical Power Generation and Distribution. MathWorks. Available online: https://www.mathworks.com/help/physmod/sps/examples/aircraft-electrical-power-generation-and-distribution.html (accessed on 23 February 2020).
- Steve, M. Aircraft Power Network in Simscape Electrical. MathWorks, 2018. Available online: https://www.mathworks.com/matlabcentral/fileexchange/44124-aircraft-power-network-in-simscape-electrical/ (accessed on 23 February 2020).
- Mushiri, T.; Mbohwa, C. Research on the use of matlab in the modeling of 3-phase power systems. In Proceedings of the World Congress on Engineering, London, UK, 1–3 July 2015; pp. 363–369. [Google Scholar]
- MathWorks. Asynchronous Machine. Available online: https://www.mathworks.com/help/physmod/sps/powersys/ref/asynchronousmachine.html (accessed on 23 February 2020).
- MathWorks. Simplified Synchronous Machine. Available online: https://www.mathworks.com/help/physmod/sps/powersys/ref/simplifiedsynchronousmachine.html (accessed on 23 February 2020).
- MathWorks. Excitation Systems. Available online: https://www.mathworks.com/help/physmod/sps/powersys/ref/excitationsystem.html (accessed on 23 February 2020).
- OECO. Transformer Rectifiers. Available online: https://www.oeco.com/wp-content/uploads/2015/07/transformer-rectifier-units.pdf (accessed on 5 March 2020).
- Eaton. Fuel Boost Pump Type 20004 and Canister Type 20005. Available online: https://www.eaton.com/Eaton/ProductsServices/Aerospace/Fuel/FuelBoostPumps/index.htm (accessed on 5 March 2020).
- Aerodynamix Inc. Aircraft Instrument Panel Lighting. Available online: https://aerodynamix.com/aircraft-instrument-panel-lighting/ (accessed on 3 March 2020).
- Valcor Aerospace. 2-Way Normally Open or Normally Closed Shut-Off Solenoid Valve. 2015. Available online: https://www.valcor.com/v4700-2-way-shut-solenoid-valve/ (accessed on 5 March 2020).
- Diyoke, G.C.; Okeke, C.; Aniagwu, U. Different Methods of Speed Control of Three-Phase Asynchronous Motor. Am. J. Electr. Electron. Eng. 2016, 4, 62–68. [Google Scholar]
- Jang, J.S.R. ANFIS: Adaptive-Network-Based Fuzzy Inference System. IEEE Trans. Syst. Man Cybern. 1993, 23, 665–685. [Google Scholar] [CrossRef]
- MathWorks. Fuzzy Logic Toolbox. Available online: https://www.mathworks.com/help/fuzzy/ (accessed on 23 February 2020).
- Bystrov, D.; Westin, J. Neuro-Fuzzy Logic Systems. MathWorks. 2015, pp. 69–76. Available online: https://users.du.se/~jwe/fuzzy/NFL/F10.PDF (accessed on 10 February 2020).
- Ezhilarasu, C.M.; Skaf, Z.; Jennions, I. The application of reasoning to aerospace Integrated Vehicle Health Management (IVHM): Challenges and opportunities. Prog. Aerosp. Sci. 2019, 105, 60–73. [Google Scholar] [CrossRef]















| Monitored Parameters | Healthy Measurements | Unit |
|---|---|---|
| Power_ACLoad | 4182.908 | VA |
| Power_FSPump | 4001.362 | VA |
| Power_ACLamp | 73.349 | VA |
| Power_TRU | 111.102 | VA |
| FS_Motor_Speed | 311.813 | rad/sec |
| FS_Motor_Stator_I | 4.822 | A |
| FS_Motor_Torque | 5.612 | Nm |
| FS_Nozzle_I | 0.908 | A |
| FS_Valve_I | 0.889 | A |
| Eng_BleedValve_I | 0.901 | A |
| ECS_TCValve_I | 0.890 | A |
| AC_Fluro_I | 0.259 | A |
| AC_Instru_I | 4.892 | A |
| Fault_Id | Type of Fault | Location | Fault Label | Timeline of Fault Injection |
|---|---|---|---|---|
| F1 | Switch stuck open @80% | DC supply to fuel system nozzle | FS_Nozzle_SwitchStuckopen | t = 0.25 s to t = 0.5 s |
| F2 | Switch stuck open @70% | DC supply to fuel system shut-off valve | FS_Valve_SwitchStuckopen | t = 0.75 s to t = 1.0 s |
| F3 | Switch stuck open @60% | DC supply to engine bleed valve | Eng_BleedValve_SwitchStuckopen | t = 1.25 s to t = 1.5 s |
| F4 | Switch stuck open @50% | DC supply to ECS Temperature control valve | ECS_TCValve_SwitchStuckopen | t = 1.75 s to t = 2.0 s |
| F5 | Circuit breaker trip | AC power distribution node to TRU for DC circuits | DC_TRU_B | t = 2.5 s to t = 2.75 s |
| F6 | Circuit breaker trip | AC power distribution node to AC fuel pump motor | FS_ACMotor_B | t = 3.0 s to t = 3.25 s |
| F7 | Circuit breaker trip | AC power distribution node to AC Lamps | AC_Lamp_B | t = 3.5 s to t = 3.75 s |
| F8 | Switch stuck open | AC supply to Instrument panel lamp | AC_Instru_Switchopen | t = 4.0 s to t = 4.25 s |
| F9 | Switch stuck open | AC supply to cabin window fluorescent light | AC_fluro_Switchopen | t = 4.5 s to t = 4.75 s |
| F10 | Voltage reduction | Line supply voltage to AC fuel pump motor | FS_Motor_lowvoltage | Simulated separately |
| Region | Tests | F1 | F2 | F3 | F4 | F5 | F6 | F7 | F8 | F9 | F10 |
|---|---|---|---|---|---|---|---|---|---|---|---|
| 5 | All DCValves_V = V_Nominal | - | - | - | - | - | - | - | - | - | - |
| Any DCValve_V < V_Nominal | X | X | X | X | - | - | - | - | - | - | |
| 4 | Any DCValve_V < V_Nominal | X | X | X | X | - | - | - | - | - | - |
| Any ACLamp_V < V_Nominal | - | - | - | - | - | - | - | X | X | - | |
| 3 | Any ACLamp_V < V_Nominal | - | - | - | - | - | - | - | X | X | - |
| All ACLamps_V < V_Nominal | - | - | - | - | - | - | X | - | - | - | |
| All DCValves_V < V_Nominal | - | - | - | - | X | - | - | - | - | - | |
| 2 | All DCValves_V < V_Nominal | - | - | - | - | X | - | - | - | - | - |
| 1 | AC_Motor_Speed < Speed_Nominal && AC_Motor_Torque > AC_Motor_Torque_min | - | - | - | - | - | - | - | - | - | X |
| AC_Motor_Speed < Speed_Nominal && AC_Motor_Torque < AC_Motor_Torque_min | - | - | - | - | - | X | - | - | - | - | |
| 0 | AC_Motor_Speed < Speed_Nominal && AC_Motor_Torque > AC_Motor_Torque_min | - | - | - | - | - | - | - | - | - | X |
| AC_Motor_Speed < Speed_Nominal && AC_Motor_Torque < AC_Motor_Torque_min | - | - | - | - | - | X | - | - | - | - |
© 2020 by the authors. Licensee MDPI, Basel, Switzerland. This article is an open access article distributed under the terms and conditions of the Creative Commons Attribution (CC BY) license (http://creativecommons.org/licenses/by/4.0/).
Share and Cite
Ezhilarasu, C.M.; Jennions, I.K. A System-Level Failure Propagation Detectability Using ANFIS for an Aircraft Electrical Power System. Appl. Sci. 2020, 10, 2854. https://doi.org/10.3390/app10082854
Ezhilarasu CM, Jennions IK. A System-Level Failure Propagation Detectability Using ANFIS for an Aircraft Electrical Power System. Applied Sciences. 2020; 10(8):2854. https://doi.org/10.3390/app10082854
Chicago/Turabian StyleEzhilarasu, Cordelia Mattuvarkuzhali, and Ian K Jennions. 2020. "A System-Level Failure Propagation Detectability Using ANFIS for an Aircraft Electrical Power System" Applied Sciences 10, no. 8: 2854. https://doi.org/10.3390/app10082854
APA StyleEzhilarasu, C. M., & Jennions, I. K. (2020). A System-Level Failure Propagation Detectability Using ANFIS for an Aircraft Electrical Power System. Applied Sciences, 10(8), 2854. https://doi.org/10.3390/app10082854

