Next Article in Journal
How to Confer a Permanent Bio-Repelling and Bio-Adhesive Character to Biomedical Materials through Cold Plasmas
Previous Article in Journal
Mitigating the Impact of Noise on Nonlinear Frequency Division Multiplexing
 
 
Font Type:
Arial Georgia Verdana
Font Size:
Aa Aa Aa
Line Spacing:
Column Width:
Background:
Article

Automatic Parking Path Planning and Tracking Control Research for Intelligent Vehicles

1
School of Automotive and Traffic Engineering, Jiangsu University, Zhenjiang 212013, China
2
Automotive Engineering Research Institute, Jiangsu University, Zhenjiang 212013, China
*
Author to whom correspondence should be addressed.
Appl. Sci. 2020, 10(24), 9100; https://doi.org/10.3390/app10249100
Submission received: 6 November 2020 / Revised: 15 December 2020 / Accepted: 17 December 2020 / Published: 19 December 2020

Abstract

As a key technology for intelligent vehicles, automatic parking is becoming increasingly popular in the area of research. Automatic parking technology is available for safe and quick parking operations without a driver, and improving the driving comfort while greatly reducing the probability of parking accidents. An automatic parking path planning and tracking control method is proposed in this paper to resolve the following issues presented in the existing automatic parking systems, that is, low degree of automation in vehicle control; lack of conformity between segmented path planning and real vehicle motion models; and low success rates of parking due to poor path tracking. To this end, this paper innovatively proposes preview correction which can be applied to parking path planning, and detects the curvature outliers in the parking path through the preview algorithm. In addition, it is also available for correction in advance to optimize the reasonable parking path. Meanwhile, the dual sliding mode variable structure control algorithm is used to formulate path tracking control strategies to improve the path tracking control effect and the vehicle control automation. Based on the above algorithm, an automatic parking system was developed and the real vehicle test was completed, thus exploring a highly intelligent automatic parking technology roadmap. This paper provides two key aspects of system solutions for an automatic parking system, i.e., parking path planning and path tracking control.

1. Introduction

The increase of car ownership in urban areas and the challenges of traffic congestion and insufficient parking spaces are great concerns to urban planners and managers. Consequently, the size of parking space in most urban centers is becoming smaller to overcome the difficulty of inadequate parking space, and the following problem is usually associated with parking difficulties and accidents, such as scuffing and collisions [1,2,3]. Facing these challenges, automatic parking technology for intelligent vehicles receives extensive attention from both the automotive industry and research institutions.
Automatic parking technology refers to the parking process that completes the parking operations safely and quickly without a driver and can effectively improve driving comfort while greatly reducing the probability of accidents during parking. Also, the promotion of automatic parking technology can promote the development and deployment of autonomous driving and intelligent vehicles [4,5,6,7,8,9,10].
A major component of automatic parking technology is parking path planning and tracking control, which significantly affects the requirements of the parking space size and parking success rate. Parking path planning is widely investigated in previous researches with most studies based on the three-segmented path. The three-segment path is composed of two segments of arcs with constant curvature and one segment of a straight line between two arcs. The curvature of the connecting point of the arc and the line in the path is discontinuous. Therefore, the vehicle has to stop and turn in situ to match the planned path, which makes the parking procedure discontinuous and time-consuming in addition to aggravating tire wear. To address this issue, numerous path planning methods based on different theories are proposed. However, most of these methods have certain limitations, and with the nature of only method research and simulation. The real validity of the algorithm has not been verified by real vehicle tests, therefore, the problem is well solved yet. For example, Zhang J. X. et al. [11] planned the parking path by the combination of arc and straight line, and used the cycloid curve to smooth the parking path, thus avoiding in-situ turning during parking. Lamont et al. [12] obtained the parking path by comparing the two paths planned by different constraints and found the parking path of a vehicle robot. Vorobieva et al. [13] designed an automatic parking system which focuses on the path planning method. However, their research did not consider the parking space constraints. Li and Wang [14] also investigated the parallel parking path planning based on the B-spline theory. Their study justified the curvature continuity of parking path in the regular parking space limitations in its application to an irregular parallel parking slot. Furthermore, Zhang [15] conducted the path planning of parallel parking based on continuous curvature, and the curvature outliers were smoothed using the transition curve. However, the speed control of the transition curve path was required to be high. Zhang X. J. et al. [16] used a heuristic search algorithm to design a parking path under irregular and narrow conditions, and the optimization method was used to smooth the parking path. Zips P. et al. [17] researched the path planning by transforming the path planning problem caused by narrow environment into a constrained optimization problem before providing the solution, and the parking success rate of automatic parking system is then improved. However, their research only uses a limited number of narrow parking scenarios to verify the feasibility and effectiveness of the proposed method, besides, the parking success rate of the automatic parking system in the conventional environment has not been effectively reflected.
To effectively track the planned path, investigations on path tracking control systems are implemented based on advanced algorithms in the literature. However, all the tracking control methods were simulated by the design of control model, and the simulation results showed that the control model was available for an effective improvement of path tracking accuracy. Unfortunately, no real vehicle testing was carried out in these studies. Therefore, the effectiveness of the control model on a real vehicle and the tracking control efficiency are not established. For example, a tracking control rate based on the guidance path tracking control theory was proposed by Zheng et al. [18] which can guarantee the global uniform asymptotic stability of the controlled closed-loop system. Based on the fuzzy control algorithm, the path tracking controller was designed by Ouadah [19], Cao [20], Li [21] and Jiang [22] to carry out the control experiment. Demirli and Khoshnejad [23] employed the neural network fuzzy theory to test the automatic parking system. However, the control logic in their study mainly depended on the driver’s driving experience, and relies on a large number of parking test data to establish the control model. Zhang J. X. et al. [24] designed a parking path tracking control strategy based on nonlinear robust control using non-time-reference vehicle kinematics model, therefore, the impact of external interference and model uncertainty was reduced. Li [25] and Ma [26] designed a path tracking controller based on the non-smooth control algorithm. Sun C. Y. et al. [27] used the predictive model of two degree of freedom vehicle dynamics model to design the parking path tracking control strategy based on the model predictive control method.
In general, the existing automatic parking systems show two major drawbacks. First, the curvature of the planned ideal parking path is not continuous. Secondly, the accuracy of automatic parking is poor, and vehicle control is low in terms of degree of automation. In addition to steering, existing parking systems require the driver to control the speed, gear, and brake during parking operation, which may result in poor path tracking efficiency. In order to improve the curvature continuity of parking path and the efficiency of path tracking, this study proposes a new path planning and tracking control method. In this paper, the preview optimization theory is applied to the parking path planning, that is, by previewing the curvature outliers in the parking path, the steering control is carried out in advance, thereby eliminating the problem of discontinuous curvature of the parking path. Meanwhile, the dual closed-loop sliding mode variable structure control algorithm is applied to path-following control. By combining the two control algorithms, a parking path planning and tracking control model is designed, which optimized the parking path and improved the path tracking control effect. Moreover, the automatic control of vehicle speed, steering, gear shifting, and braking during the parking process is realized. This advantage is utilized to improve the effect of path tracking and the parking accuracy, thus increasing the intelligence of automatic parking technology.
The research methodology of this paper can be described by the flowchart shown in Figure 1.
In order to ensure the effectiveness of the research method introduced in this article on vehicle parking control, some assumptions are made on the parking research in combination with the with actual parking restriction requirements.
(1)
Weather conditions are not heavy rain or heavy snow;
(2)
Parking slot is flat and the road slope does not exceed 10%;
(3)
Parking slot length ≥ vehicle length + 0.8 m, parking slot width ≥ vehicle width + 0.3 m;
(4)
Automatic parking speed does not exceed 3 km/h;
(5)
The distance between the obstacle on the opposite side of the parking slot and the vehicle is not less than 1.0 m.

2. Modeling and Parking Path Planning

2.1. Establishment of the Kinematic Model

Vehicle parking is a low-speed (usually below 5 km/h) movement, and when a vehicle’s wheels roll at a low speed, it does not undergo lateral sliding. Thus, the lateral force can be neglected, and there is no wheel side slip angle. Therefore, in this application, the limitations we considered were the response speed and the control accuracy of the associated actuator. The vehicle kinematic model is usually simplified, that is, the vehicle parking kinematics model is established based on the vehicle kinematics model for the parking movement. This paper establishes the following simplified model for low-speed parking.
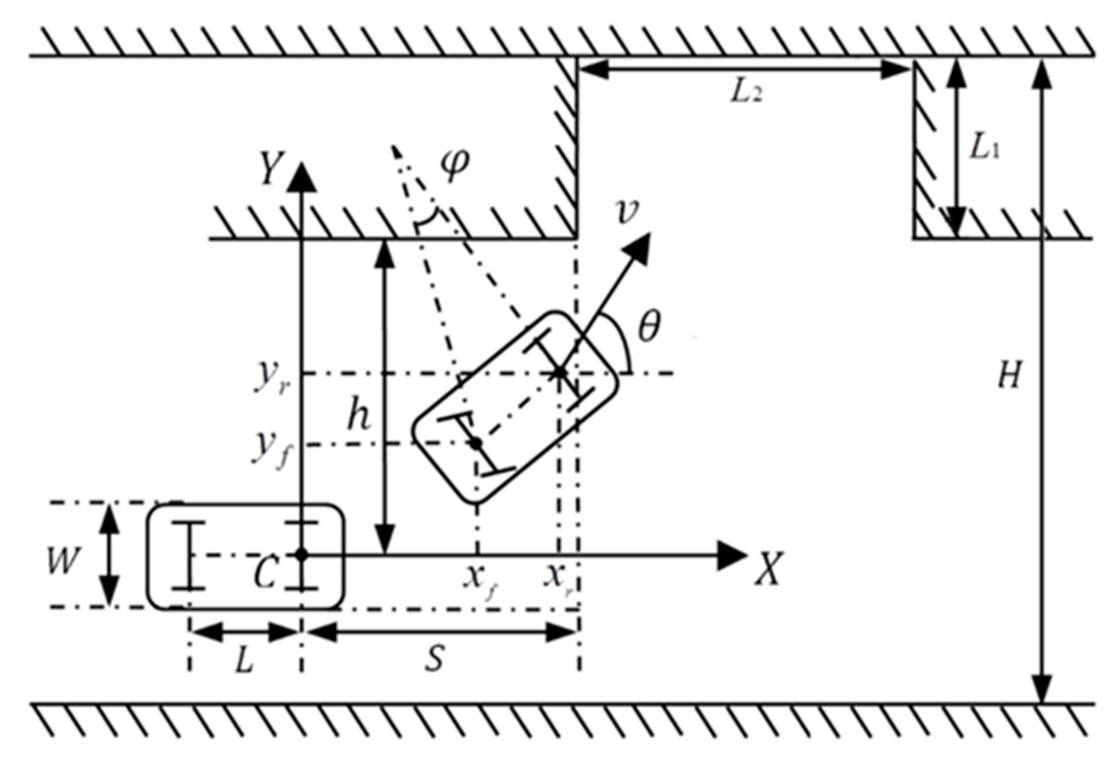
In this chapter, the kinematics model of a vehicle is established, and the path planning method for an automatic parking system is studied based on this model. As shown in Figure 2, ( x r , y r ) present the midpoint coordinates of the rear axle of the vehicle, while ( x f , y f ) refer to the midpoint coordinates of the vehicle’s front axle, W represents the width of the vehicle, H refers to the width of the road, L 1 and L 2 denote the width and length of the target parking space, respectively, h represents the distance between the midpoint of the rear axle and a lateral obstacle, S refers to the distance between the midpoint of the rear axle and the end of an obstacle in front of the target parking space, θ represents the driving direction angle of the vehicle, and φ is the Ackerman angle, besides, the clockwise direction is positive.
Assuming that the lateral velocity of the vehicle rear wheel (be perpendicular to the wheel direction) is zero, the vehicle movement equation in the vertical direction can be obtained as follows:
x ˙ r sin θ y ˙ r cos θ = 0
According to the Ackerman steering geometrical principle, the Ackerman angle φ in the process of car steering is approximately equal to the steering angle of the midpoint of the vehicle front axle, and the center angle of the front axle of the vehicle is approximately in linear proportion to the steering wheel angle γ .
γ = K φ
where K refers to the ratio constant.
The midpoint of the rear axle is taken as the origin; then, the coordinate system is established, as shown in Figure 2. The coordinate of the front axle midpoint can be expressed as follows:
x ˙ f = v f cos ( θ + φ ) y ˙ f = v f sin ( θ + φ )
Integrating the above equation, we can get
x f = v f cos ( θ + φ ) d t y f = v f sin ( θ + φ ) d t
Based on the positional relationship between the midpoints of the front and the rear axles of the vehicle, the follows equation can be obtained.
x r = x f + L cos θ y r = y f + L sin θ
Thus, the speed relationship between the midpoint of the front and rear axis can be obtained as follows:
x ˙ r = x ˙ f L θ ˙ sin θ y ˙ r = y ˙ f + L θ ˙ cos θ
Then, the vehicle movement equation can be written as:
x ˙ f sin θ y ˙ f cos θ L θ ˙ = 0
Substituting Equation (2) into Equation (6), we can get:
θ ˙ = v f sin φ / L
Substituting Equations (2) and (7) into Equation (5), the follow equation is obtained:
x ˙ r = v f cos θ cos φ y ˙ r = v f sin θ cos φ
Then, the coordinates of the rear axle midpoint and the vehicle driving direction angle at time t can be expressed as follows:
{ x ( t + 1 ) = x ( t ) + x ˙ r ( t ) Δ t y ( t + 1 ) = y ( t ) + y ˙ r ( t ) Δ t θ ( t + 1 ) = θ ( t ) + θ ˙ ( t ) Δ t
where, Δ t refers to the sampling time.
Based on the geometric relation between the vehicle parameters and the coordinate positions, the trajectory equations of the four vehicle wheels and envelope points can be obtained. Thus, the actual trajectory of the vehicle during the whole parking process, from the starting point to the terminal point, can be calculated.

2.2. Analysis of Parking Space Constraints

The path curve should not only satisfy the requirements of the geometric characteristics of the movement of the vehicle but also ensure that the process does not result in an accident. Therefore, it is necessary to establish the corresponding constraints, and plan the appropriate parking path curve so that the parking process is safe and accurate. This section analyzes the possible collision points in the parking process.
According to the planned parking path, namely, the rear parking trajectory function, the theoretical curvature ρ of the vehicle at an arbitrary point in the parking process can be given as follows:
ρ = y [ 1 + ( y ) 2 ] 3 / 2
According to the relation of the Ackerman angle:
tan φ = L R
where, L refers to the wheel base, R represents the radius of the turning circle, and R = 1/ρ.
According to the above equations, the Ackermann angle of the vehicle at arbitrary point is as follows:
φ = arctan ( L y [ 1 + ( y ) 2 ] 3 / 2 )
Based on the coordinates of the midpoints of the rear axle and their mutual relationship, the trajectories of A, B, C and D can be obtained as follows:
{ x A = x + ( L f + L ) cos θ + W 2 sin θ y A = y ( L f + L ) sin θ + W 2 cos θ { x B = x + ( L f + L ) cos θ W 2 sin θ y B = y ( L f + L ) sin θ W 2 cos θ { x C = x L r cos θ W 2 sin θ y C = y + L r sin θ W 2 cos θ                       { x D = x L r cos θ + W 2 sin θ y D = y + L r sin θ + W 2 cos θ
where, L f refers to the length of the front overhang, and L r represents the length of the rear overhang.
According to the established parking kinematics model, there are four positions at which danger exists in the process of parallel parking, as shown in Figure 3.
To ensure that no collision occurs during the parking process, the trajectory function for vertical parking has to satisfy the following conditions:
When x A [ 0 , S L 2 ] , y A < h ;
When x A [ 0 , S L r ] , y A < h + L 1 ;
When x B [ 0 , S L 2 ] , y B < h ;
When x B [ 0 , S L r ] , y B < h + L 1 ;
When x [ 0 , S L r ] , y C < h + L 1 H ;
When x = S L r , y C > h ;
When x = S L r , y D > h .
The analysis of the kinematics constraints in the process of parking ensures the safety of the running vehicle during the parking operation, and lays a foundation for the vehicle trajectory planning and path tracking in the parking process.

2.3. Parallel Parking Path Planning

According to the analysis of space constraints, this section uses M language to simulate the parallel parking path of vehicles in MATLAB, as shown in Figure 4. Refer to Table 1 for vehicle parameters.
The content of the program is as follows:
(1)
Set parameters such as road color and indicator signs, set parameters of parking scene, slot length is set at 6.5 m, slot width is set as 2.5 m, and side distance is set as 1.2 m,
(2)
Define the initial position of the vehicle and the location of the target parking space;
(3)
As for the turning radius and travel distance of the vehicle in a circular motion, the radius of the circle is defined as the minimum turning radius of the vehicles, that is, 5.8 m;
(4)
The driving distance of the vehicle in a straight line is about 4.5 m.
The relevant parameters of the vehicle are shown in Table 1.
As shown in Figure 5, the parking path meets the requirements of the parallel parking space constraints, that is, no collision with surrounding obstacles, and can maintain a certain safe distance, which verifies the feasibility of the planned path.
However, the path is composed of two segments, i.e., the arc with constant curvature and a segment of straight line between two arcs. The curvature of the connecting point of arc and line in the path is discontinuous. In the next section, the preview theory is introduced to modify the curvature outlier of the path to optimize the parking path.

2.4. Optimization of Parking Path Curvature

Based on the preview theory, the curvature outlier can be found in the path, i.e., the abrupt change point of the steering wheel. During the advanced and delayed time τ of the steering wheel angle step input, connect the curves before and after the curvature outliers with a sinusoidal that conforms to the changing law of the steering wheel angle. In this way, the curvature of outliers is corrected from step signal to gradient signal [28,29,30].
In order to correct the curvature of the path, it is necessary to obtain the coordinate of the curvature outliers in the path in advance, and make sure that the driving speed is low and stable during parking. Therefore, the preview distance can be set to v 0 τ . In the case that there is no curvature outlier within the preview distance, no path correction will be carried out. In contrast, if there is a curvature outlier within the preview distance, the path curvature will be corrected with the correction algorithm [31]. As shown in Figure 1, the curvature ρ 0 refers to the input data at time t 0 , which is predicted before time τ . It is assumed that there is a step signal of curvature from ρ 0 to ρ in the preview distance. The curvature of the planned parking path is corrected immediately. That is, the steering wheel angle input time is corrected and changed in terms of rate. The effect after correction is shown in Figure 3 by dotted line.
The correction curve is part of the sinusoidal. Based on the diagram in Figure 6, it is assumed that the expression of the correction curve is as follows:
y = ρ ρ 0 2 sin ( ω t + A ) + B
The period of the sine function is T = 4 π , hence ω   =   2 π / T = π / 2 τ , therefore substituting ω into Equation (1), the following equation can be obtained:
y   =   ρ ρ 0 2 sin ( π 2 τ t + A ) + B
Substitute the points ( t 0 , ρ 0 ) and ( t 0 + 2 π , ρ ) on the curve into Equation (2), the parameters of A and B can be obtained by solving the equations:
A   =   π 2 ( t 0 τ + 1 ) ,   B = ρ + ρ 0 2
The expression of the curvature correction curve can be derived as follows, by substituting the parameters of A and B into Equation (9):
y = ρ ρ 0 2 sin [ π 2 τ ( t t 0 τ ) ] + ρ + ρ 0 2
As shown in Figure 7, when τ = 1.0 s, the steering wheel angle change the curve before and after preview correction. The blue dotted line indicates the case before the preview correction, and the red solid line indicates the case after the preview correction. As per the results, the corrected steering wheel angle changes uniformly without step changes.

3. Research of the Path Tracking Control Strategy

3.1. Establishment of the Path Tracking Model

In this section, the simplified parking path tracking model of a vehicle is established, and the path planning and tracking for an automatic parking system is studied based on this model. As shown in Figure 8, the simplified path tracking model for parking is the cartesian coordinate system, ( x 0 , y 0 ) and θ 0 are the current midpoint coordinate of the rear axle and the driving direction angle of the vehicle, respectively, while ( x d , y d ) and θ d are the ideal midpoint coordinate of the rear axle and the driving direction angle of the vehicle. The simplified parking path tracking model can be described by the following nonlinear differential equations:
m . = [ x . y . θ . ] . = [ cos θ 0 sin θ 0 0 1 ] n
In Equation (11), m = [ x y θ ] T , n = [ v w ] T , v refers to the speed in parking, w represents the vehicle angular velocity during parking, θ is the angle between the driving direction of the vehicle and the x-axis, besides, v and w are the input variables controlled in the kinematic model.
The vehicle kinematics model can be obtained from the automatic parking kinematics equation:
{ x . = v cos θ y . = v sin θ θ . = w
Based on the analysis, the kinematic equation has two degrees of freedom, and the vehicle kinematic model has three output variables. The number of input is less than that of output. Therefore, the kinematic model is a typical underdrive system. In the path tracking process, the control law n = [ v w ] T can be designed to track the target coordinates [ x , y ] during parking. At the same time, it can quickly converge and realize the tracking of the vehicle’s driving angle θ [32,33].

3.2. Design of Closed-Loop System of Tracking Controller

In engineering application, the more complex the control algorithm used in the controller is, the larger the amount of calculation and the worse the real-time performance will be. Automatic parking needs to accurately track the ideal path in a restricted area, therefore, a high level in terms of real time is required. Usually, it has to complete the planning of an upper-level decision within 60 ms system cycle. In order to reduce the complexity of the control algorithm, and meet the requirements of engineering applications, the tracking controller system of the kinematic model is transformed into a cascade system, including vehicle position control and vehicle body attitude control, as shown in Figure 9, where the inner-loop refers to the vehicle body attitude subsystem, and the outer-loop represents the vehicle position subsystem. When the inner-loop received the command signal θ d generated by the outer-loop, tracking θ d is achieved through sliding mode control law ( θ d refers to the ideal driving direction angle).

3.3. Design of Vehicle Position Control Law

In the parking process, the tracking of the vehicle position relative to the target position is realized through the vehicle position control law by controlling the speed v . The error tracking equation is expressed as follows:
x e . = x . x d . = v c o s θ x d .
y e . = y . y d . = v sin θ y d .
where, x e = x x d , y e = y y d .
Take
{ u 1 = v cos θ u 2 = v sin θ
For Equations (13) and (14), take the sliding mode function
{ s 1 = x e s 2 = y e
Then
{ s 1 . = x e . = u 1 x d . s 1 . = y e . = u 2 y d .
Cited the global asymptotic stability theorem of dynamic systems [34].
η = φ tanh ( k η )
where, φ > 0 , k > 0 .
Design the following control law as follows:
{ u 1 = x d . p tanh ( g 1 x e ) u 2 = y d . q tanh ( g 2 y e )
where, p , g 1 > 0 ; q , g 2 > 0 .
Thus, Equation (16) can be written as follows:
{ x e . = p tanh ( g 1 x e ) y e . = q tanh ( g 2 y e )
From Equation (15), tan θ = u 2 / u 1 . In the case that the value range of θ is ( π / 2 , π / 2 ) , the ideal tracking angle of path tracking can be obtained as θ = arctan ( u 2 / u 1 ) .
The obtained θ from Equation (15) is the driving direction angle required by the position control law. The tracking control of the ideal path can be achieved only when θ and θ d are equal. But in fact, θ and θ d cannot be equal in the initial stage of control. It is easy to cause the instability of the closed-loop control system. Therefore, it is necessary to take θ obtained from Equation (15) as an ideal value. Therefore, taking θ d = arctan ( u 2 / u 1 ) , the actual vehicle position control law is expressed as follows:
v = u 1 / cos θ d

3.4. Design of Vehicle Attitude Control Law

It can be seen from the above analysis that the deviation of the actual driving direction angle θ from the ideal driving direction angle θ d will cause the instability of the closed-loop system in the initial stage of control. Hence, it is necessary to design the vehicle body attitude control law to make θ track θ d as soon as possible.
Make θ e = θ θ d , where, θ e refers to the angle deviation value, take the sliding mode function s 3 = θ e , then
s 3 . = θ e . = w θ d .
Compared with the traditional exponential approach control law:
s 3 . = k s 3 ε sgn ( s 3 )
An approach law combining exponential and power is designed in this paper:
s 3 . = k | s 3 | b s 3 ε | s 3 | a sgn ( s 3 )
where, ε , a , b , k refer to the positive design parameters respectively, and meet the requirements of 0 < ε < 1 , 0 < a < 1 , b > 1 , k > 0 . Compared with the control law (21), the | s | a term in the control law (22) improves the smoothness of the approach. The k | s | b term ensures that the approach speed is faster when it is far away from the sliding mode surface, and the k | s | b term is smaller when it is near the sliding mode surface, thereby reducing chatter.
When the trajectory of the vehicle body attitude system is outside the sliding mode surface, take Lyapunov function V = s 2 / 2 derivative, and substitute Formula (21) into it to get v . = s 3 s 3 . = k | s 3 | b s 3 2 ε s 3 | s 3 | a < 0 . Thus, θ can be converged to θ d .
Therefore, the actual vehicle body attitude control law can be obtained as follows:
w = θ d . k | s 3 | b s 3 ε | s 3 | a sgn ( s 3 )

3.5. Global Stability Analysis of Closed Loop Controller

Due to the existence of a deviation between the actual driving direction angle θ and the ideal driving direction angle θ d in the initial stage of control, the kinematic model (12) can be written as follows:
{ x . = v cos α d + v ( cos α cos α d ) y . = v sin α d + v ( sin α sin α d ) θ . = w
Then, Equation (18) can be written as follows:
{ x e . = p tanh ( g 1 x e ) + v ( cos θ cos θ d ) y e . = q tanh ( g 2 y e ) + v ( sin θ sin θ d )
The certification process when t , x e 0 is as follows:
Select the Lyapunov function as
V = p I n ( cosh g 1 x e ) + 1 2 g 1 x e 2
Derivation of the above Lyapunov function can obtained as follows:
V . = p g 1 x e . tanh ( g 1 x e ) + g 1 x e x e .
Take n 1 = p tanh ( g 1 x e ) , n 2 = v ( cos α cos α d ) .
Then
x e = n 1 + n 2
Equation (26) can be written as follows:
V . = g 1 ( n 1 1 2 n 2 ) 2 p g 1 x e tanh ( g 1 x e ) + 1 4 g 1 n 2 ( n 2 + 4 x e )
From the nature of the sine function | cos θ cos θ d | = | 2 sin θ + θ d 2 sin θ θ d 2 | 2 | sin θ θ d 2 | 2 | θ θ d 2 | , when θ θ d converges, | cos θ cos θ d | converges, which is followed by the converge of n 2 .
Since p g 1 x e tanh ( g 1 x e ) 0 :
V . g 1 ( n 1 1 2 n 2 ) 2 + 1 4 g 1 n 2 ( n 2 + 4 x e )
In the case that n 2 converges, for any δ 1 > 0 , there is a finite time t δ 1 , when | x e | δ 1 , so that V . < 0 . In that case, when t , x e 0 .
Similarly, it is proved that when t , y e 0 . Since | sin θ sin θ d | | θ θ d | , when | sin θ sin θ d | converges and t , x e 0 .
To sum up, the double closed-loop sliding mode variable structure system designed in this paper is globally and asymptotically stable. The path tracking control law designed in this paper, that is, the input control of vehicle kinematics model is:
{ v = u 1 / cos θ d w = θ d . k | s 3 | b s 3 ε | s 3 | a sgn ( s 3 )
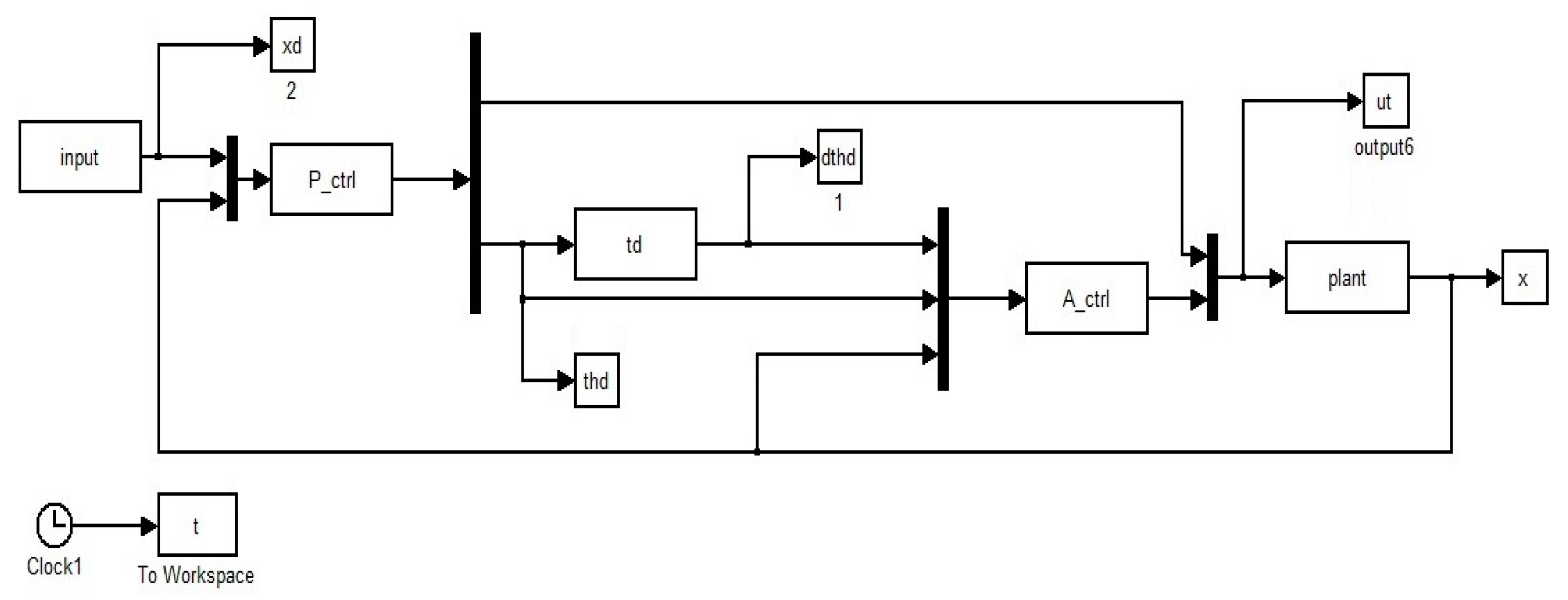
Based on the above control law, the path tracking control model is built in MATLAB/Simulink, as shown in Figure 10. The control parameters of control law are selected as p = 2.9 , g 1 = 10 , q = 2.9 , g 2 = 10 , k 3 = 4 , η 3 = 0.5 , a = 0.5 , b = 5 .

4. Establishment of Co-Simulation Platform

4.1. Subsection Build Test Vehicle Model in CarSim

We set the parameters in CarSim according to Table 1, and use the default values for others. Figure 11 shows the basic parameter setting interface of the CarSim test vehicle model.
To build the co-simulation model of CarSim and MATLAB, the corresponding variables of input and output were selected. The input variables in CarSim were as follows: (1) Speed; (2) Deceleration; (3) Steering wheel angle. The output variables in CarSim were as follows: (1) Left rear wheel speed; (2) Right rear wheel speed; (3) Vehicle yaw rate; (4) Speed; (5) Steering wheel angle; (6) Front axle midpoint x-axis; (7) Front axle midpoint y-axis; (8) Vehicle yaw angle.

4.2. Path Planning and Tracking Control Model Design

We set the input and output parameters of the CarSim module. The input refers to the steering wheel angle, and the output represents the vehicle front axle midpoint coordinate. In the FCN module, the vehicle coordinate system in CarSim was converted to a global coordinate system. We recorded the real-time coordinates of the planned path and output the ideal coordinates in real time, which is different from the actual coordinates of the model car in CarSim. Finally, the steering wheel angle was controlled by the sliding mode algorithm, therefore the model vehicle travelled along the planned path. Figure 12 shows the parking path planning and tracking control model built in the CarSim and MATLAB/Simulink co-simulation platform.
As shown in Figure 13a, the path tracking takes its effect when the speed is set as 1 m/s and the turning radius of the planned path is 37 m. Through the analysis of the data, it can be concluded that there is almost no deviation from the track of the planned path. It is proved that the model can track the parking path ideally at lower speed and a larger turning radius.
As shown in Figure 13b, the path tracking takes its effect when the speed is set as 1 m/s and the turning radius of the planned path is 12 m. The plot shows that although the tracking trajectory slightly deviates from the planned path, it can still effectively track the planned parking path. The effectiveness of the model under a lower speed and a medium turning radius is demonstrated.
As shown in Figure 13c, the path tracking takes its effect when the speed is set as 1 m/s and the turning radius of the planned path is 6 m. It can be seen from the figure that the trajectory of the model vehicle clearly deviated from the planned parking path. It shows that the model fails to track the parking path under a tiny turning radius.
In the process of parking, the steering wheel of the vehicle in the turning path is mostly close to the limit position, that is, driving at the minimum turning radius. Therefore, the control model has to be optimized to address the two main issues encountered in the model:
(1)
The output coordinate parameters of CarSim are for the coordinate of vehicle front axle midpoint, so the midpoint of front axle of the vehicle is selected as the control target in the model to track the planned parking path. However, compared with the midpoint of front axle, the deviation of speed at the rear axle midpoint is smaller, which can better reflect the real trajectory of the vehicle. In that case, the selection of the midpoint of the front axle will produce certain error.
(2)
In the actual parking operation, the steering wheel angle, speed, deceleration and other factors affect each other. In the CarSim model, the speed is set as a constant value, and only the steering wheel angle is controlled in the path tracking process, which lacks authenticity and rationality.

4.3. Optimization of Path Planning and Tracking Control Model

In view of the problems existing in the path planning and tracking control model, the following optimization is carried out [35]:
i.
By adopting the method of coordinate conversion, the rear axle midpoint of the model vehicle is set as the reference point to track the planned parking path, thereby reducing tracking error.
i.
ii. The state flow module is used to optimize the model and embed it into the built co-simulation platform. The sliding mode variable structure control algorithm is utilized to control the three input variables of CarSim: steering wheel angle, speed, and deceleration. The optimized path planning and tracking control model consists of three main functional modules, detailed below.
The first module outputs the rear axle midpoint coordinates, as shown in Figure 14. Using three output variables of CarSim, including left rear wheel speed, right rear wheel speed, and vehicle yaw rate, the coordinates of rear axle midpoint are derived based on unit time of Δt. The memory module is used to output the coordinates of the rear axle midpoint. In the module, the input signal includes steering wheel angle, throttle depth, and brake pressure. The output signal includes vehicle speed, driving direction angle, rear-wheel speed, steering wheel angle, front axle midpoint coordinates, and vehicle yaw angle signals.
The second function module is used to transform the vehicle coordinate system into a global coordinate system, and design an ideal parking path based on the preview curvature correction algorithm, thus further optimizing the parking path. The coordinate error is obtained by subtracting the real-time coordinate of the model vehicle with the ideal path coordinate which are output continuously. The steering wheel angle is controlled based on the feedback of the coordinate error by the dual closed-loop sliding mode variable structure control algorithm, as shown in Figure 15. In this module, the input signal includes the coordinate [y] of the planned path and the coordinate [Y_lat] of the vehicle rear axle midpoint, besides, the output signal is the steering wheel angle, and [yd] is a constant.
The third function module made use of the state flow module to output the target speed of vehicle. Based on the planned path, the target speed of different path segments is designed and output continuously. The speed error can be obtained by subtracting the real-time speed of the model vehicle with the target speed. Dual closed-loop sliding mode variable structure control algorithm is used to control the output speed of the vehicle based on the feedback of the speed error, as shown in Figure 16. In this module, the input signal includes the coordinates of the vehicle, the planned path and control parameters. While the output signal includes the coordinates of vehicle rear axle midpoint, vehicle speed, and steering wheel angle. The flag is used to determine in which stage the vehicle is in parking, and give the next path coordinate, the target steering wheel angle, and the target speed. The throttle and brake in the first module are controlled by feedback of the difference in terms of vehicle speed.

4.4. Co-Simulation Experiment

The co-simulation experiment of CarSim and MATLAB is used to verify the rationality of path planning and tracking control effect with the experimental results shown in Figure 17. In the figure, the red curve refers to the planned parking path based on preview correction, and the blue curve represents the actual tracking path of the vehicle. It can be clearly seen that under the effect of the path planning and tracking control model designed in this paper, the model vehicle is able to track the optimized parking path well in the parking process, and the maximum deviation of coordinates does not exceed 15 cm.
Figure 18 shows the data curve of the co-experiment process. It can be seen from (a) that the steering wheel can quickly track the requested angle. The stable slope during tracking indicates that the steering wheel is turning smoothly. The horizontal line segment in the figure represents the time period for the steering wheel to maintain the angle (such as 540°, 540°, and 0°), indicating that the steering wheel shows good angle retention. As the conclusion, the data in (a) shows that the steering wheel angle changes smoothly, evenly and has good angle maintenance. On the other hand, the data in (b) and (c) show that with the control model, the speed-tracking effect is good, and the variation range of vehicle yaw angle basically conforms to the driving habits of skilled drivers through comparison.
Figure 19 shows the path tracking results of the method designed in Reference [22]. Compared with the simulation results in Figure 17, the path planning and tracking control model designed in this paper is more reasonable and effective. In terms of path planning, the black line in Figure 19 refers to a parallel parking path planned based on the method in Reference [22]. It can be seen that the positions near 3 m and 5 m on the x-axis show obvious curvature changes. The red line in Figure 17 represents the planned path obtained using this research method. The simulation results show that the path exhibits good smooth curvature at any point on the x-axis. It can be seen that the curvature of the parking path obtained by the path planning method and designed in this paper is smoother, that is, the method is more reasonable and effective in parking path planning. In terms of tracking control, by setting the same initial tracking error, comparison is done for the path tracking control effect. Under the tracking control of the method designed in Reference [22], the initial error is eliminated at the position of 1.3 m. There is overshoot and the convergence speed is slow, and the overshoot is eliminated at the position of 2.8 m. During the path tracking process, the maximum tracking error in x-axis exceeds 20 cm, and the error in y-axis also exceeds 15 cm. The research method in this paper is available to track the target position at 0.8 m, and eliminate the overshoot at 1.5 m. The overshoot is small, and the convergence speed is fast. In the whole path tracking process, the tracking error of the x-axis does not exceed 10 cm, and that of the y-axis does not exceed 5 cm. In contrast, the control method designed in this paper shows a better path tracking effect.

5. Automatic Parking Test of Real Vehicle

To verify the effectiveness of the research in this paper, the automatic parking system developed is based on a control model and a real vehicle test. Figure 20 shows the architecture of the automatic parking system developed in this paper. The automatic parking system uses 12 ultrasonic radar sensors to reduce the detection blind area around the vehicle. Among them, the eight radar sensors installed both in front of and at the rear of the vehicle are short-range ultrasonic radar with a detection range of more than 2.5 m, which are mainly used to detect obstacles in the parking path, while the four radar sensors installed on the sides of the vehicle are long-distance ultrasonic radar with the detection distance of more than 4.5 m, which are mainly used for parking space detection. Meanwhile, the four radar sensors on the vehicle sides can detect obstacles around the vehicle during parking operation.
Note: In the above framework diagram, radar refers to ultrasonic radar sensor, EMS/VCU represents the power control unit, GSM denotes the shift control unit, EPS is steering control unit, EPB refers to the parking control unit, HMI represents the human-machine interaction unit, and ABS/ESU is brake control unit. Besides, Controller means the automatic parking controller designed in this paper, and CAN refers to the vehicle controller area network.
The equipment required for real vehicle test included the following: Test Vehicle, Automatic Parking System, CANoe, Laptop (Equipped with the software CodeWarrior 10.6.4, FreeMaster and MATLAB), PE Downloader, Oscilloscope, etc., as shown in Figure 21. Among them, the automatic parking system is installed on the test vehicle for parking test, CANOE is used to collect vehicle operating data, and the laptop is used for data recording and parameter debugging (CodeWarrior 10.6.4 provides the editing environment of the single-chip microcomputer used in this system, while FreeMaster and MATLAB Software is used for data recording and analysis). The PE downloader is available to download the program to the controller ECU, and the oscilloscope is used for signal acquisition and signal monitoring.
To verify the effectiveness of the path planning and path tracking, control model is designed in this paper through real vehicle automatic parking. First of all, an open space was used to build a parking slot with sufficient length. The requirements in terms of parking slot size can be satisfied by only one reverse gear, thus completing the parking. The parameters of the parking slot used in the test are: length × width = 7 m × 2.5 m. After that, FreeMaster software is used to record the driving trajectory data during the whole parking process. Finally, the coordinates of the rear axle midpoint of the vehicle are selected and imported into MATLAB for conversion and processing. The trajectory of the rear axle midpoint of the test vehicle during the parking is plotted, as shown in Figure 22.
The optimized parking path is compared with the actual trajectory of the test vehicle in Matlab. As per Figure 23, the results show that the deviation between the actual trajectory and the planned path is small, and the test vehicle is able to track the planned path to complete the parking well.
Since the above parking slot is large and relatively rare in parking lots, in order to verify the effectiveness of the design control model in the real parking scenario, parking slots were built based on a real parking scenario, and several automatic parking tests were conducted. There are two kinds of parking slots for the automatic parking test. One is the standard parking slot on the right side with a length of 5.9 m (i.e., vehicle length + 1.2 m), which is composed of the front and rear obstacles with the curbstone. The other is the medium parking slot on the right side with a length of 5.6 m (i.e., vehicle length + 0.9 m), which is composed of the front and rear obstacle with the curbstone. In addition, Figure 24 shows the parking scenario for the automatic parking test.
We carried out the automatic parking tests with the side distance of 0.5 m~1.5 m. We chose five side distances of 0.5 m, 0.8 m, 1.0 m, 1.3 m and 1.5 m for the parking test, and five parking tests were carried out with each side distance continuously. We used the automatic parking system performance evaluation method to record all test data [36,37,38]. Table 2 and Table 3 show the automatic parking evaluation index, evaluation criteria and test data of the above standard parking slot and medium parking slot, respectively. Note: the item with gray background in the table refers to the failed item.
Based on the 50 times parking experiment data and the evaluation criteria, the number of both successful and failed parking operations, as well as the reason of parking failure were obtained. The success rate of parking is 90%. Besides, there are two times/types of parking failure caused searching failure of the parking slot. The real parking success rate can reach 93.75% by removing the data of the two times/types of failure. Since the content of this paper does not involve the study of the parking slot search algorithm, instead of the failure analysis of the search, only the cause of the parking failure based on path planning and tracking control is analyzed. By analyzing the real-time bus data collected during the parking process, it is concluded that there are two reasons for the parking failure. First, the deviation from the curbstone data detected by the long-distance ultrasonic radar and the real curbstone distance is more than ±8 cm. This may result in the deviations in the parking path planning, and in turn lead to too low or too high distance between the wheel and the curbstone when the parking is completed, that is, the above distance exceeds the distance limit of 10 cm~25 cm from the wheel to the curbstone required by the parking success standard. Second, due to the long driving distance in the parallel parking process, there are accumulated wheel speed pulse errors, steering wheel angle errors, and wheel slip during steering. These errors may result in the positioning and attitude errors of the vehicle. However, the system is not available to detect the existence of the above errors, which leads to a large deviation in path tracking control, and in turn, the parking failure.
The test results show that the parking path planning and tracking control model designed in this paper is of great significant in the improvement of the parking success rate and the parking effect in the real parking scenario. The repeatability test of the real vehicle automatic parking verifies that the designed model shows high reliability and stability. Figure 25 shows some photos during the automatic parking test.

6. Conclusions and Prospects

A new method is proposed in this paper for path planning and tracking control of an automatic parking system for intelligent vehicles, which involves the optimization of the parking path planning method, verification of the path tracking control algorithm, and the simulation experiments and real vehicle testing of the proposed parking path planning and tracking control model. The results obtained from the automatic parking system developed based on the proposed parking path planning and tracking control model indicates that it is not only highly intelligent, but also available to lead to a higher parking success rate and a better parking efficiency, and offer a higher parking reliability and stability to drivers.
The main objectives and conclusions of this paper are summarized as follows:
(1)
Established the vehicle kinematic model of parking and analyzed the parking movement constraints. A reasonable and feasible parallel parking path planning program was proposed, and the simulation analysis was carried out. In addition, an optimization method for the curvature outliers in the path was studied based on the preview theory. Thus, the parking path was ultimately optimized.
(2)
To reflect the vehicle movement correctly and accurately, the simplified path tracking model for parking was developed. To improve the path tracking accuracy, an automatic parking path tracking controller was designed based on the dual closed-loop sliding mode variable structure control algorithm.
(3)
The testing vehicle model was built in CarSim, and the input and output variables of the control were predefined. The co-simulation platform was built with CarSim and MATLAB/Simulink. The parking path planning and tracking control model was designed and optimized in the platform. Besides, the effectiveness of the control model was verified by the co-simulation experiment.
(4)
An automatic parking system was developed based on the control model designed in this paper, and the real vehicle parking testing was carried out. The effectiveness of the control mode was further verified, and the high reliability and stability of the control mode were justified.
In the follow-up research, we will further optimize the driver and threshold configuration of ultrasonic radar, and improve the parking slot searching algorithm thus improving improve the accuracy of boundary detection, and laying the foundation for further optimizing of the parking path. In addition, we will improve the vehicle control model to eliminate vehicle positioning and attitude errors caused by accumulated errors, thereby improving tracking control accuracy and further increasing the parking success rate.

Author Contributions

C.L. and H.J. designed the scheme. S.M., S.J., and Y.L. checked the feasibility of the scheme. C.L. designed the control model and performed the software simulation experiments. C.L., S.M., and S.J. cooperate designed and developed the controller hardware. H.J. and S.M. provided the resources. S.J. and Y.L. assisted C.L. conducted the real vehicle test. C.L. wrote the paper with help of H.J and S.M. All authors have read and agreed to the published version of the manuscript.

Funding

This research was supported by the Natural Science Fund for Colleges and Universities in Jiangsu Province under Grant 16KJA580001 and the National Natural Science Foundation of China under Grant 51675235.

Conflicts of Interest

The authors declare no conflict of interest.

References

  1. Wang, B.; Shao, C.; Li, J.; Zhao, D.; Meng, M. Investigating the interaction between the parking choice and holiday travel behavior. Adv. Mech. Eng. 2015, 7, 1–11. [Google Scholar] [CrossRef]
  2. Roca-Riu, M.; Fernández, E.; Estrada, M. Parking slot assignment for urban distribution: Models and formulations. Omega 2015, 57, 157–175. [Google Scholar] [CrossRef]
  3. Du, X.; Tan, K.K. Autonomous reverse parking system based on robust path generation and improved sliding mode control. IEEE Trans. Intell. Transp. Syst. 2015, 16, 1225–1237. [Google Scholar] [CrossRef]
  4. Chand, A.; Kawanishi, M.; Narikiyo, T. Application of sigmoidal Gompertz curves in reverse parallel parking for autonomous vehicles. Int. J. Adv. Robot. Syst. 2015, 12, 127. [Google Scholar] [CrossRef]
  5. Hua, Y.; Jiang, H.; Cai, Y.; Zhang, X.; Ma, S.; Wu, D. Path Tracking Control of Automatic Parking Cloud Model considering the Influence of Time Delay. Math. Probl. Eng. 2017, 2017, 1–14. [Google Scholar]
  6. Möller, D.P.F.; Haas, R.E. Connected Parking and Automated Valet Parking. In Guide to Automotive Connectivity and Cybersecurity; Springer: Cham, Switzerland, 2019. [Google Scholar]
  7. Heimberger, M.; Horgan, J.; Hughes, C.; McDonald, J.; Yogamani, S. Computer Vision in Automated Parking Systems: Design, Implementation and Challenges. Image Vis. Comput. 2017, 68, 88–101. [Google Scholar] [CrossRef]
  8. Hua, Y.; Jiang, H.; Ma, S.; Zhang, D.; Ma, J. Integrated model of assisted parking system and performance evaluation with entropy weight extended analytic hierarchy process and two-tuple linguistic information. Adv. Mech. Eng. 2016, 8, 1–14. [Google Scholar] [CrossRef]
  9. Suhr, J.K.; Jung, H.G. Automatic parking space detection and tracking for underground and indoor environments. IEEE Trans. Ind. Electron. 2016, 63, 5687–5698. [Google Scholar] [CrossRef]
  10. Banzhaf, H.; Nienhuser, D.; Knoop, S.; Zöllner, J.M. The future of parking: A survey on automated valet parking with an outlook on high density parking. In Proceedings of the 2017 IEEE Intelligent Vehicles Symposium (IV), Los Angeles, CA, USA, 11–14 June 2017. [Google Scholar]
  11. Zhang, J.X.; Zhao, J.; Shi, Z.T.; Yang, X. Trajectory planning and tracking control perpendicular parking based on clothoid curve. J. Southeast Univ. Nat. Sci. Ed. 2020, 50, 182–191. [Google Scholar]
  12. Laumond, J.P.; Jacobs, P.E.; Taix, M.; Murray, R.M. A motion planner for nonholonomic mobile robots. IEEE Trans. Robot. Autom. 1994, 10, 577–593. [Google Scholar] [CrossRef]
  13. Vorobieva, H.; Glaser, S.; Minoiu-Enache, N.; Mammar, S. Automatic parallel parking in tiny spots: Path planning and control. IEEE Trans. Intell. Transp. Syst. 2015, 16, 396–410. [Google Scholar] [CrossRef]
  14. Hong, L.; Wenjun, W.; Keqiang, L.I. Path Planning for Parallel Parking Based on B Spline Theory. China J. Highw. Transp. 2016, 29, 143–151. [Google Scholar]
  15. Zhang, C. Trajectory Planning of Automatic Parallel Parking Based on Continuous Curvature. Master’s Thesis, Hefei University of Technology, Hefei, China, 2015. [Google Scholar]
  16. Zhang, X.J.; Liniger, A.; Sakai, A.; Borrelli, F. Autonomous parking using optimization-based collision avoidance. In Proceedings of the 2018 IEEE Conference on Decision and Control, Miami Beach, FL, USA, 17–19 December 2018; pp. 4332–4627. [Google Scholar]
  17. Zips, P.; Bock, M.; Kugi, A. Optimisation based path planning for car parking in narrow environments. Robot. Auton. Syst. 2016, 79, 1–11. [Google Scholar] [CrossRef]
  18. Zheng, Z.; Huo, W.; Zhu, B. Global path-following control for nonholonomic mobile robots. Control Theory Appl. 2012, 29, 741–746. [Google Scholar]
  19. Ouadah, N.; Lamine, O.; Fares, B. Car-like mobile robot oriented positioning by fuzzy controllers. Int. J. Adv. Robot. Syst. 2008, 5, 249–256. [Google Scholar]
  20. Cao, Z.; Zhao, Y.; Fu, Y. Trajectory Tracking Control Approach of a Car-Like Mobile Robot. Acta Electron. Sin. 2012, 40, 632–635. [Google Scholar]
  21. Li, T.; Hu, J.; Gao, L.; Liu, X.; Bai, X. Agricultural machine path tracking method based on fuzzy adaptive pure pursuit model. Trans. Chin. Soc. Agric. Mach. 2013, 44, 205–210. [Google Scholar]
  22. Jiang, H.; Wu, D.; Ma, S. Study on Tracking Control of Parking Path with Cloud Model. In Proceedings of the International Conference in Mechanical, Bangkok, Thailand, 17–18 December 2015. [Google Scholar]
  23. Demirli, K.; Khoshnejad, M. Autonomous parallel parking of a car-like mobile robot by a neuro-fuzzy sensor-based controller. Fuzzy Sets Syst. 2009, 160, 2876–2891. [Google Scholar] [CrossRef]
  24. Zhang, J.X.; Zhao, J.; Shi, Z.T.; Yang, X. A trajectory planning and tracking control method for fully-automatic parking system using hp-adaptive pseudo spectral method. J. Xi’an Jiaotong Univ. 2020, 54, 176–184. [Google Scholar]
  25. Li, C. Automatic Vertical Parking System Research Based on Parking Scene Intelligent Recognition Technology. Master’s Thesis, Jiangsu University, Zhenjiang, China, 2016. [Google Scholar]
  26. Ma, S.; Jiang, H.; Han, M.; Xie, J.; Li, C. Research on Automatic Parking Systems Based on Parking Scene Recognition. IEEE Access 2017, 5, 21901–21917. [Google Scholar]
  27. Sun, C.Y.; Zhang, X.; Xi, L.H.; Tian, Y. Design of a path-tracking steering controller for autonomous vehicles. Energies 2018, 11, 1451. [Google Scholar]
  28. Cai, Y.; Zang, Y.; Sun, X.; Chen, X.; Chen, L. Lane-keeping System of Intelligent Vehicles Based on Extension Switching Control Method. China J. Highw. Transp. 2019, 32, 43–52. [Google Scholar]
  29. Li, H.; Li, L.; Song, J.; Yu, L.; Wu, K.; Zhang, X. Optimal Preview Control Driver Model with Adaptive Preview Time. J. Mech. Eng. 2010, 46, 106–111. [Google Scholar] [CrossRef]
  30. Zhao, Z.; Zhou, L.; Zhu, Q. Preview Distance Adaptive Optimization for the Path Tracking Control of Unmanned Vehicle. J. Mech. Eng. 2018, 54, 166–173. [Google Scholar] [CrossRef]
  31. Wang, C. Research on Path Tracking Control of Vehicle Based on the LOOK-Ahead Scheme. Master’s Thesis, Harbin Institute of Technology, Harbin, China, 2014. [Google Scholar]
  32. Shen, Z. Automatic Parking System Research Based on Multi-Sensor Information Fusion. Master’s Thesis, Jiangsu University, Zhenjiang, China, 2017. [Google Scholar]
  33. Cheng, R.; Yu, W.; Song, Y.; Chen, D.; Ma, X.; Cheng, Y. Intelligent Safe Driving Methods Based on Hybrid Automata and Ensemble CART Algorithms for Multihigh-Speed Trains. IEEE Trans. Cybern. 2019, 49, 3816–3826. [Google Scholar] [CrossRef]
  34. Malkin, I.G. On the reversibility of Lyapunov’s theorem on asymptotic stability. Akad. Nauk SSSR Prikl. Mat. Mech. 1954, 18, 129–138. [Google Scholar]
  35. Li, C.; Ma, S.; Jiang, S. Design of Parking Path Tracking Control Model Based on CarSim and Matlab. Automob. Appl. Technol. 2019, 14, 47–49. [Google Scholar]
  36. Zhou, S.; Zhong, Y.; Yan, X.L. Evaluation method of automatic parking system performance. J. Chang’an Univ. Nat. Sci. Ed. 2020, 40, 109–116. [Google Scholar]
  37. ISO. Intelligent Transport Systems-Assisted Parking SYSTEM (APS)—Performance Requirements and Test Procedures; ISO 16787: 2017; ISO: Geneva, Switzerland, 2017. [Google Scholar]
  38. IVISTA-APS. Performance Requirements and Test Procedures for Intelligent Park Assist System (Draft); SAC/TC268; IVISTA-APS: Beijing, China, 2019. [Google Scholar]
Figure 1. Flowchart of the Research Methodology.
Figure 1. Flowchart of the Research Methodology.
Applsci 10 09100 g001
Figure 2. Simplified Vehicle Model for Parking.
Figure 2. Simplified Vehicle Model for Parking.
Applsci 10 09100 g002
Figure 3. Possible Collisions of Parallel Parking.
Figure 3. Possible Collisions of Parallel Parking.
Applsci 10 09100 g003
Figure 4. Parallel Parking Path Simulation with M Language.
Figure 4. Parallel Parking Path Simulation with M Language.
Applsci 10 09100 g004
Figure 5. Parallel Parking Path Simulation Result.
Figure 5. Parallel Parking Path Simulation Result.
Applsci 10 09100 g005
Figure 6. Corrected Curvature with Sinusoidal.
Figure 6. Corrected Curvature with Sinusoidal.
Applsci 10 09100 g006
Figure 7. Steering Wheel Angle Change.
Figure 7. Steering Wheel Angle Change.
Applsci 10 09100 g007
Figure 8. Simplified Path Tracking Model.
Figure 8. Simplified Path Tracking Model.
Applsci 10 09100 g008
Figure 9. Closed-Loop System of Controller.
Figure 9. Closed-Loop System of Controller.
Applsci 10 09100 g009
Figure 10. Path Tracking Control Model Based on Sliding Mode Algorithm.
Figure 10. Path Tracking Control Model Based on Sliding Mode Algorithm.
Applsci 10 09100 g010
Figure 11. Model Vehicle Parameter Setting.
Figure 11. Model Vehicle Parameter Setting.
Applsci 10 09100 g011
Figure 12. Parking Path Planning and Tracking Control Model.
Figure 12. Parking Path Planning and Tracking Control Model.
Applsci 10 09100 g012
Figure 13. Tracking results.
Figure 13. Tracking results.
Applsci 10 09100 g013
Figure 14. Rear Axle Midpoint Coordinate Output Module.
Figure 14. Rear Axle Midpoint Coordinate Output Module.
Applsci 10 09100 g014
Figure 15. Steering Wheel Angle Control Module.
Figure 15. Steering Wheel Angle Control Module.
Applsci 10 09100 g015
Figure 16. Speed Control Module.
Figure 16. Speed Control Module.
Applsci 10 09100 g016
Figure 17. Co-Simulation Experiment Results.
Figure 17. Co-Simulation Experiment Results.
Applsci 10 09100 g017
Figure 18. Data Curve of the Experiment Process.
Figure 18. Data Curve of the Experiment Process.
Applsci 10 09100 g018
Figure 19. Parking Path Tracking Results of Reference [22].
Figure 19. Parking Path Tracking Results of Reference [22].
Applsci 10 09100 g019
Figure 20. Framework of Automatic Parking System.
Figure 20. Framework of Automatic Parking System.
Applsci 10 09100 g020
Figure 21. Real Vehicle Test Equipment.
Figure 21. Real Vehicle Test Equipment.
Applsci 10 09100 g021
Figure 22. Rear Axle Midpoint Trajectory.
Figure 22. Rear Axle Midpoint Trajectory.
Applsci 10 09100 g022
Figure 23. Actual Path Tracking Effect.
Figure 23. Actual Path Tracking Effect.
Applsci 10 09100 g023
Figure 24. Parking Scenario of Automatic Parking Test.
Figure 24. Parking Scenario of Automatic Parking Test.
Applsci 10 09100 g024
Figure 25. Photos of Automatic Parking Test.
Figure 25. Photos of Automatic Parking Test.
Applsci 10 09100 g025
Table 1. Vehicle Parameters.
Table 1. Vehicle Parameters.
Vehicle ParameterSymbolsData/Unit
WidthW1.90 m
WheelbaseL2.80 m
Front Suspension LengthLf0.96 m
Rear Suspension LengthLr0.94 m
Minimum Turning RadiusRmin5.80 m
Steering Ratioi14.6
Unit Pulse Value 0.004438 m
Distance Front to Rear Radar 3.96 m
Diatance Front Radar to Rear Axle 3.28 m
Diatance Rear Radar to Rear Axle 0.44 m
Table 2. Automatic Parking Test Data of Standard Parking Slot.
Table 2. Automatic Parking Test Data of Standard Parking Slot.
Searching PerformanceParking EfficiencyParking Position & AttitudeResult
IndexSide DistanceSearch SpeedSearch Result
1:Y; 0:N
Parking TimeNumber of Gear ShiftsD-Value Front to RearDistance Front Wheel to Curb Distance Rear Wheel to Curb Parking
Angle
1: Success
0: Fail
Unitmkm/h s mmmmMmdeg
Criteria0.5–1.5 m10 ≤60≤6≤300100~250100~250≤3
10.5111444−1001601200.821
20.5110 0
30.5131454801701600.21
40.5131464100130140−0.21
50.5914740120130−0.21
60.8814840190220−0.611
70.8111474401501200.611
80.8101444−1001601400.411
90.81114644019019001
100.8131484−802001700.611
111.0121464100140210−1.431
121.01014941402202100.21
131.01014640170200−0.611
141.0111454100170190−0.411
151.01014740160210−1.021
161.31014742402201900.611
171.3111484−100130150−0.411
181.310150410015015001
191.31114740200240−0.821
201.3121484−15080700.20
211.51214940150160−0.21
221.5101494200160170−0.21
231.5111554−1502202100.21
241.5131494−20140150−0.21
251.51314940120130−0.21
Table 3. Automatic Parking Test Data of Medium Parking Slot.
Table 3. Automatic Parking Test Data of Medium Parking Slot.
Searching PerformanceParking EfficiencyParking Position & AttitudeResult
IndexSide DistanceSearch SpeedSearch Result
1:Y; 0:N
Parking TimeNumber of Gear ShiftsD-Value Front to RearDistance Front Wheel to Curb Distance Rear Wheel to Curb Parking
Angle
1: Success
0: Fail
Unitmkm/h s mmmmMmdeg
Criteria0.5–1.5 m10 ≤60≤6≤300100~250100~250≤3
10.51314742602602500.20 0
20.512149402402300.20 1
30.5131484100200220−0.41 1
40.512152502302300.00 1
50.512149402202200.00 1
60.8815152001501500.00 1
70.8111515−100200220−0.41 1
80.81015051001301300.00 1
90.811153501501500.00 1
100.813149402202200.00 1
111.01415051001901900.00 1
121.01315152001601500.20 1
131.015151502102000.20 1
141.0141474−200180200−0.41 1
151.0151515100160200−0.82 1
161.3151474−40200240−0.82 1
171.3141515100150170−0.41 1
181.31515251001701700.00 1
191.3151515200170220−1.02 1
201.3141525100140160−0.41 1
211.5121555−100290300−0.20 0
221.5141545−200200240−0.82 1
231.5141494−1002101900.41 1
241.5140 0
251.5131484−160200210−0.20 1
Publisher’s Note: MDPI stays neutral with regard to jurisdictional claims in published maps and institutional affiliations.

Share and Cite

MDPI and ACS Style

Li, C.; Jiang, H.; Ma, S.; Jiang, S.; Li, Y. Automatic Parking Path Planning and Tracking Control Research for Intelligent Vehicles. Appl. Sci. 2020, 10, 9100. https://doi.org/10.3390/app10249100

AMA Style

Li C, Jiang H, Ma S, Jiang S, Li Y. Automatic Parking Path Planning and Tracking Control Research for Intelligent Vehicles. Applied Sciences. 2020; 10(24):9100. https://doi.org/10.3390/app10249100

Chicago/Turabian Style

Li, Chenxu, Haobin Jiang, Shidian Ma, Shaokang Jiang, and Yue Li. 2020. "Automatic Parking Path Planning and Tracking Control Research for Intelligent Vehicles" Applied Sciences 10, no. 24: 9100. https://doi.org/10.3390/app10249100

APA Style

Li, C., Jiang, H., Ma, S., Jiang, S., & Li, Y. (2020). Automatic Parking Path Planning and Tracking Control Research for Intelligent Vehicles. Applied Sciences, 10(24), 9100. https://doi.org/10.3390/app10249100

Note that from the first issue of 2016, this journal uses article numbers instead of page numbers. See further details here.

Article Metrics

Back to TopTop