Meshing Stiffness—A Parameter Affecting the Emission of Gearboxes
Abstract
1. Introduction
2. Materials and Methods
2.1. Automobile Transmission Noise Sources
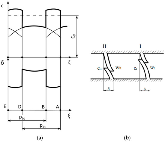
2.2. Definition of Meshing Stiffness
2.3. Determination of Stiffness
3. Results and Discussion
3.1. Influence of Number of Teeth on Meshing Stiffness
3.2. Influence of Contact Ratio on Meshing Stiffness
3.3. Influence of Gear Body Design on Meshing Stiffness
4. Conclusions
Author Contributions
Funding
Conflicts of Interest
References
- Niola, V.; Quaremba, G. The Gear Whine Noise: The Influence of Manufacturing Process on Vibro-Acoustic Emission of Gear-Box. Available online: http://www.wseas.us/e-library/conferences/2011/Cambridge/NEHIPISIC/NEHIPISIC-30.pdf (accessed on 4 December 2020).
- Mohanty, A.; Fatima, S. An Overview of Automobile Noise and Vibration Control. Noise Vib. Worldw. 2013, 44, 10–19. [Google Scholar] [CrossRef]
- Qu, Y.; He, D.; Yoon, J.; Van Hecke, B.; Bechhoefer, E.; Zhu, J. Gearbox Tooth Cut Fault Diagnostics Using Acoustic Emission and Vibration Sensors—A Comparative Study. Sensors 2014, 14, 1372–1393. [Google Scholar] [CrossRef] [PubMed]
- Velex, P.; Ajmi, M. On the modelling of excitations in geared systems by transmission errors. J. Sound Vib. 2006, 290, 882–909. [Google Scholar] [CrossRef]
- Henriksson, M. Analysis of Gear Noise and Dynamic Transmission Error Measurements. Dyn. Syst. Control Parts A B 2004, 229–237. [Google Scholar] [CrossRef]
- Park, S.; Kim, S.; Choi, J.-H. Gear fault diagnosis using transmission error and ensemble empirical mode decomposition. Mech. Syst. Signal Process. 2018, 108, 262–275. [Google Scholar] [CrossRef]
- Hotait, M.A.; Kahraman, A. Experiments on the relationship between the dynamic transmission error and the dynamic stress factor of spur gear pairs. Mech. Mach. Theory 2013, 70, 116–128. [Google Scholar] [CrossRef]
- Tamminana, V.K.; Kahraman, A.; Vijayakar, S. A Study of the Relationship between the Dynamic Factors and the Dynamic Transmission Error of Spur Gear Pairs. J. Mech. Des. 2006, 129, 75–84. [Google Scholar] [CrossRef]
- Fang, Y.; Zhang, T.; Yu, P.; Guo, R. Joint simulation of radiated noise of electric powertrain based on finite element modeling and boundary element method. Nongye Gongcheng Xuebao/Trans. Chin. Soc. Agric. Eng. 2014, 30, 40–46. [Google Scholar] [CrossRef]
- Kumar, A.; Jaiswal, H.; Jain, R.; Patil, P.P. Free Vibration and Material Mechanical Properties Influence Based Frequency and Mode Shape Analysis of Transmission Gearbox Casing. Procedia Eng. 2014, 97, 1097–1106. [Google Scholar] [CrossRef][Green Version]
- Kumar, A.; Patil, P.P. FEA simulation and RSM based parametric optimisation of vibrating transmission gearbox housing. Perspect. Sci. 2016, 8, 388–391. [Google Scholar] [CrossRef][Green Version]
- Del Rincon, A.F.; Viadero, F.; Iglesias, M.; Garcia, P.; De-Juan, A.; Sancibrian, R. A model for the study of meshing stiffness in spur gear transmissions. Mech. Mach. Theory 2013, 61, 30–58. [Google Scholar] [CrossRef]
- Cooley, C.G.; Liu, C.; Dai, X.; Parker, R.G. Gear tooth mesh stiffness: A comparison of calculation approaches. Mech. Mach. Theory 2016, 105, 540–553. [Google Scholar] [CrossRef]
- Ji, H.; Dong, J.; Pei, W.; Long, H.; Chu, J. Solution of Spur Gear Meshing Stiffness and Analysis of Degradation Characteristics. Mechankia 2020, 26, 153–160. [Google Scholar] [CrossRef]
- Sánchez, M.B.; Pleguezuelos, M.; Pedrero, J.I. Approximate equations for the meshing stiffness and the load sharing ratio of spur gears including hertzian effects. Mech. Mach. Theory 2017, 109, 231–249. [Google Scholar] [CrossRef]
- Meng, Z.; Shi, G.; Wang, F. Vibration response and fault characteristics analysis of gear based on time-varying mesh stiffness. Mech. Mach. Theory 2020, 148, 103786. [Google Scholar] [CrossRef]
- Mohammed, O.D.; Rantatalo, M.; Aidanpää, J.-O.; Kumar, U. Vibration signal analysis for gear fault diagnosis with various crack progression scenarios. Mech. Syst. Signal Process. 2013, 41, 176–195. [Google Scholar] [CrossRef]
- Chen, Z.; Wang, K.; Zhai, W.; Shao, Y. Mesh stiffness evaluation of an internal spur gear pair with tooth profile shift. Sci. China Ser. E Technol. Sci. 2016, 59, 1328–1339. [Google Scholar] [CrossRef]
- Pedersen, N.L.; Jørgensen, M.F. On gear tooth stiffness evaluation. Comput. Struct. 2014, 135, 109–117. [Google Scholar] [CrossRef]
- Dodok, T.; Čuboňová, N.; Císar, M.; Kuric, I.; Zajačko, I. Utilization of Strategies to Generate and Optimize Machining Sequences in CAD/CAM. Procedia Eng. 2017, 192, 113–118. [Google Scholar] [CrossRef]
- Brezinová, J.; Hudák, R.; Guzanová, A.; Draganovská, D.; Ižaríková, G.; Koncz, J. Direct metal laser sintering of Ti6Al4V for biomedical applications: Microstructure, corrosion properties, and mechanical treatment of implants. Metals 2016, 6, 171. [Google Scholar] [CrossRef]
- Brestovič, T.; Jasminská, N.; Čarnogurská, M.; Puškár, M.; Kelemen, M.; Fiľo, M. Measuring of thermal characteristics for Peltier thermopile using calorimetric method. Measurement 2014, 53, 40–48. [Google Scholar] [CrossRef]
- Kul’ka, J.; Mantic, M.; Kopas, M.; Faltinová, E. Necessity of wire rope replacement in crane lifting equipment after change of crane operational parameters. Adv. Sci. Technol. Res. J. 2017, 11, 226–230. [Google Scholar] [CrossRef][Green Version]
- Brezinová, J.; Guzanová, A. Possibilities of Utilization High Velocity Oxygen Fuel (HVOF) Coatings in Conditions of Thermal Cyclic Loading. Metalurgija 2012, 51, 211–215. [Google Scholar]
- Puškár, M.; Bigoš, P. Output Performance Increase of Two-stroke Combustion Engine with Detonation Combustion Optimization. Stroj. Čas. Teor. Praksu Stroj. 2010, 52, 577–587. [Google Scholar]
- Kniewald, D.; Guzanová, A.; Brezinová, J. Utilization of Fractal analysis in strength prediction of adhesively-bonded joints. J. Adh. Sci. Tech. 2008, 22, 1–13. [Google Scholar] [CrossRef]
- Elbakian, A.; Sentyakov, B.; Bozek, P.; Kuric, I.; Sentyakov, K. Automated Separation of Basalt Fiber and Other Earth Resources by the Means of Acoustic Vibrations. Acta Montan. Slov. 2018, 23, 271–281. [Google Scholar]












Publisher’s Note: MDPI stays neutral with regard to jurisdictional claims in published maps and institutional affiliations. |
© 2020 by the authors. Licensee MDPI, Basel, Switzerland. This article is an open access article distributed under the terms and conditions of the Creative Commons Attribution (CC BY) license (http://creativecommons.org/licenses/by/4.0/).
Share and Cite
Maláková, S.; Puškár, M.; Frankovský, P.; Sivák, S.; Palko, M.; Palko, M. Meshing Stiffness—A Parameter Affecting the Emission of Gearboxes. Appl. Sci. 2020, 10, 8678. https://doi.org/10.3390/app10238678
Maláková S, Puškár M, Frankovský P, Sivák S, Palko M, Palko M. Meshing Stiffness—A Parameter Affecting the Emission of Gearboxes. Applied Sciences. 2020; 10(23):8678. https://doi.org/10.3390/app10238678
Chicago/Turabian StyleMaláková, Silvia, Michal Puškár, Peter Frankovský, Samuel Sivák, Maroš Palko, and Miroslav Palko. 2020. "Meshing Stiffness—A Parameter Affecting the Emission of Gearboxes" Applied Sciences 10, no. 23: 8678. https://doi.org/10.3390/app10238678
APA StyleMaláková, S., Puškár, M., Frankovský, P., Sivák, S., Palko, M., & Palko, M. (2020). Meshing Stiffness—A Parameter Affecting the Emission of Gearboxes. Applied Sciences, 10(23), 8678. https://doi.org/10.3390/app10238678

