Using Simplified Swarm Optimization on Multiloop Fuzzy PID Controller Tuning Design for Flow and Temperature Control System
Abstract
1. Introduction
2. Methodological Background
2.1. Mathematical Model of Airplane Cockpit ECS
2.2. PID Control
2.2.1. Effects of Kp, Ki, and Kd on the PID Controller
2.2.2. Adjustment of PID Gain Parameters
2.3. Particle Swarm Optimization (PSO)
2.3.1. Algorithm of PSO
2.3.2. Fitness Function of PSO
2.4. Simplified Swarm Optimization (SSO)
2.4.1. Algorithm of SSO
2.4.2. Fitness Function of SSO
2.5. Fuzzy Theory
2.5.1. Mamdani Fuzzy Inference Method
2.5.2. Principles of Fuzzy PID Controller Design
3. Proposed Strategies
3.1. Ziegler–Nichols Tuning
3.2. PSO
3.3. SSO
3.4. Simulation by Fuzzy Logic Designer Package in MATLAB
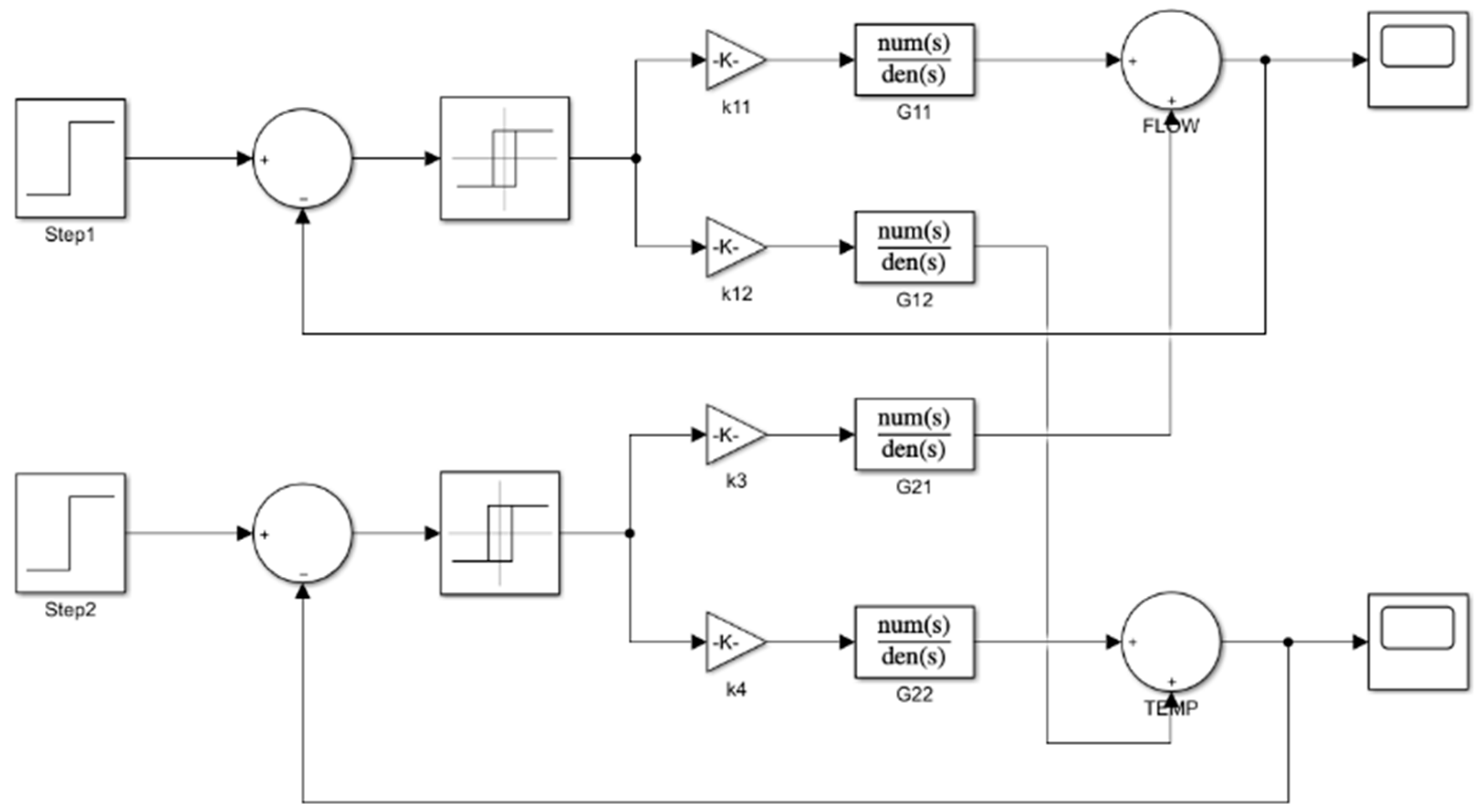
3.5. Simulink Simulation
3.5.1. Simulink Simulation of Z–N, PSO, and SSO
3.5.2. Simulink Simulation of Fuzzy PID
4. Experimental Results
5. Conclusions
Author Contributions
Funding
Conflicts of Interest
Appendix A
References
- Shih, K.H. A Study of the Temperature and Flow Rate Control of Two Mixed Air Flows. Master’s Thesis, Feng Chia University, Taichung, Taiwan, 1993. [Google Scholar]
- Robinson, D. Elements of computer process control with advanced control applications. In IEE Proceedings D Control Theory and Applications; Institution of Engineering and Technology (IET): Carolina, NC, USA, 1982; Volume 129, p. 143. [Google Scholar]
- Bennett, S. A History of Control Engineering 1930–1955, 1st ed.; Peter Peregrinus Ltd.: London, UK, 1993; pp. 1–27. [Google Scholar]
- Bennett, S.; Minorsky, N. The automatic steering of ships. IEEE Control Syst. Mag. 1984, 4, 10–15. [Google Scholar] [CrossRef]
- Isayed, B.M.; Hawwa, M.A. A nonlinear PID control scheme for hard disk drive servosystems. In Proceedings of the 2007 Mediterranean Conference on Control & Automation, Institute of Electrical and Electronics Engineers (IEEE), Athens, Greece, 27–29 June 2007; pp. 1–6. [Google Scholar]
- Sari, N.N.; Jahanshahi, H.; Fakoor, M. Adaptive fuzzy PID control strategy for spacecraft attitude control. Int. J. Fuzzy Syst. 2019, 21, 769–781. [Google Scholar] [CrossRef]
- Eltag, K.; Aslamx, M.S.; Ullah, R. Dynamic stability enhancement using fuzzy PID control technology for power system. Int. J. Control Autom. Syst. 2019, 17, 234–242. [Google Scholar] [CrossRef]
- Ziegler, J.G.; Nichols, N.B. Optimum settings for automatic controllers. J. Dyn. Syst. Meas. Control 1993, 115, 220–222. [Google Scholar] [CrossRef]
- Cohen, G.H.; Coon, G.A. Theoretical considerations of retarded control. Trans. ASME 1953, 75, 823–836. [Google Scholar]
- Luyben, W.L. Simple method for tuning SISO controllers in multivariable systems. Ind. Eng. Chem. Process. Des. Dev. 1986, 25, 654–660. [Google Scholar] [CrossRef]
- Visioli, A. Practical PID Control, 1st ed.; Springer Science & Business Media: London, UK, 2006; pp. 1–18. [Google Scholar]
- Ataslar-Ayyildiz, B.; Karahan, O. Trajectory Tracking for the Magnetic Ball Levitation System via Fuzzy PID Control Based on CS Algorithm. In Proceedings of the IEEE International Conference on Innovations in Intelligent Systems and Applications (INISTA), Sofia, Bulgaria, 3–5 July 2019. [Google Scholar]
- Mirjalili, S.; Wang, G.-G.; Coelho, L.D.S. Binary optimization using hybrid particle swarm optimization and gravitational search algorithm. Neural Comput. Appl. 2014, 25, 1423–1435. [Google Scholar] [CrossRef]
- Kennedy, J.; Eberhard, R.C. Particle swarm optimization. In Proceedings of the IEEE International Conference on Neural Networks, Piscataway, NJ, USA, 27 November–1 December 1995; pp. 1942–1948. [Google Scholar]
- Solihin, M.I.; Tack, L.F.; Kean, M.L. Tuning of PID controller using particle swarm optimization (PSO). Int. J. Adv. Sci. Eng. Inf. Technol. 2011, 1, 458–461. [Google Scholar] [CrossRef]
- Aggrawal, A.; Mishra, A.K.; Zeeshan, A. Speed control of DC motor using particle swarm optimization technique by PSO tunned PID and FOPID. Int. J. Eng. Trends Technol. 2014, 16, 72–79. [Google Scholar] [CrossRef]
- Yeh, W.-C. A two-stage discrete particle swarm optimization for the problem of multiple multi-level redundancy allocation in series systems. Expert Syst. Appl. 2009, 36, 9192–9200. [Google Scholar] [CrossRef]
- Shaomin, L. Measuring the fitness of human thoughts: An application of fuzzy sets to sociological research. J. Math. Sociol. 1989, 14, 67–84. [Google Scholar]
- Woo, Z.-W.; Chung, H.-Y.; Lin, J.-J. A PID type fuzzy controller with self-tuning scaling factors. Fuzzy Sets Syst. 2000, 115, 321–326. [Google Scholar] [CrossRef]
- Mamdani, E.H. Applications of fuzzy algorithm for control a simple dynamic plant. Proc. IEEE 1974, 121, 1583–1588. [Google Scholar] [CrossRef]
- Benjamin, C.K.; Farid, G. Automatic Control Systems, 9th ed.; John Wiley & Sons: Hoboken, NJ, USA, 2009; pp. 487–531. [Google Scholar]
- Bae, C.; Yeh, W.C.; Wahid, N.; Chung, Y.Y.; Liu, Y. A new simplified swarm optimization (SSO) using exchange local search scheme. Int. J. Comput. Inf. Control 2012, 8, 6. [Google Scholar]
- Yeh, W.-C. Novel swarm optimization for mining classification rules on thyroid gland data. Inf. Sci. 2012, 197, 65–76. [Google Scholar] [CrossRef]
- Yeh, W.-C. Simplified swarm optimization in disassembly sequencing problems with learning effects. Comput. Oper. Res. 2012, 39, 2168–2177. [Google Scholar] [CrossRef]
- Yeh, W.C. A new parameter-free simplified swarm optimization for artificial neural network training and its application in prediction of time-series. IEEE Trans. Neural Netw. Learn. Syst. 2014, 24, 661–665. [Google Scholar]
- Yeh, W.-C. Orthogonal simplified swarm optimization for the series & n-dash; parallel redundancy allocation problem with a mix of components. Knowl. Based Syst. 2014, 64, 1–12. [Google Scholar] [CrossRef]
- Yeh, W.-C.; Luo, C.-Y.; Lai, C.-M.; Hsu, C.-T.; Chung, Y.Y.; Lin, J.-S. Simplified swarm optimization with modular search for the general multi-level redundancy allocation problem in series-parallel systems. In Proceedings of the 2016 IEEE Congress on Evolutionary Computation (CEC), Vancouver, BC, Canada, 24–29 July 2016; pp. 778–784. [Google Scholar] [CrossRef]
- Yeh, W.-C.; Lin, W.-T.; Lai, C.-M.; Lee, Y.-C.; Chung, Y.Y.; Lin, J.-S. Application of simplified swarm optimization algorithm in deteriorate supply chain network problem. In Proceedings of the 2016 IEEE Congress on Evolutionary Computation (CEC), Vancouver, BC, Canada, 24–29 July 2016; pp. 2695–2700. [Google Scholar] [CrossRef]
- Yeh, W.-C.; Wang, S.-T.; Lai, C.-M.; Huang, Y.-C.; Chung, Y.Y.; Lin, J.-S. Simplified swarm optimization for repairable redundancy allocation problem in multi-state systems with bridge topology. In Proceedings of the 2016 International Joint Conference on Neural Networks (IJCNN), Vancouver, BC, Canada, 24–29 July 2016; pp. 3935–3941. [Google Scholar] [CrossRef]
- Zadeh, L.A. Fuzzy sets. Inf. Control 1965, 8, 338–353. [Google Scholar] [CrossRef]
- Iancu, I. A Mamdani type fuzzy logical controller. In Fuzzy Logic: Controls, Concepts, Theories and Applications; INTECH: Rijeka, Croatia, 28 March 2012. [Google Scholar]
- Rakic, A. Fuzzy Logic. Introduction 3. Fuzzy Inference; ETF Beograd: Belgrad, Serbia, 2010. [Google Scholar]
- Dubois, D.; Prade, H. Fuzzy Sets and Systems, 1st ed.; Academic Press: New York, NY, USA, 1988; pp. 151–188. [Google Scholar]
- Shen, S.-H.; Yu, C.-C. Use of relay-feedback test for automatic tuning of multivariable systems. AIChE J. 1994, 40, 627–646. [Google Scholar] [CrossRef]
- Liu, Y.; Zhang, J.; Wang, S. Optimization design based on PSO algorithm for PID controller. In Proceedings of the Fifth World Congress on Intelligent Control and Automation (IEEE Cat. No.04EX788), Hangzhou, China, 15–19 June 2004; pp. 2419–2422. [Google Scholar]
- Zhao, Z.Y.; Masayoshi, T.; Satoru, I. Fuzzy gain scheduling of PID controllers. IEEE Trans. Syst. Man Cybern. 1993, 23, 1392–1398. [Google Scholar] [CrossRef]
- Sugeno, M. Industrial Applications of Fuzzy Control, 1st ed.; Elsevier Science Inc.: New York, NY, USA, 1985. [Google Scholar]
- Takagi, T.; Sugeno, M. Fuzzy identification of systems and its applications to modeling and control. IEEE Trans. Syst. Man Cybern. 1985, 15, 116–132. [Google Scholar] [CrossRef]























| Controller | Kp | Ki | Kd |
|---|---|---|---|
| P | 0.5 Ku | NA | NA |
| PI | 0.45 Ku | 0.83 Tu | NA |
| PID | 0.6 Ku | 0.5 Tu | 0.125 Tu |
| Parameter | Values |
|---|---|
| Acceleration Constant C1 | 1.2 |
| Acceleration Constant C2 | 1.2 |
| Inertia weight factor w | 0.9 |
| Number of particles | 100 |
| Number of iterations | 50 |
| Parameter | Values |
|---|---|
| Cw | 0.55 |
| Cp | 0.75 |
| Cg | 0.95 |
| Npop | 100 |
| Ngen | 100 |
| Range | [−1 1] | |
| Display Range | [−1 1] | |
| Name | Type | Params |
| NB | Trapmf | [−1 −1 −0.75 −0.3] |
| NM | Trimf | [−0.75 −0.3 −0.15] |
| NS | Trimf | [−0.15 −0.1 0] |
| ZE | Trimf | [−0.05 0 0.05] |
| PS | Trimf | [0 0.1 0.15] |
| PM | Trimf | [0.15 0.3 0.75] |
| PB | Trapmf | [0.3 0.75 1 1] |
| dE | NB | NM | NS | ZO | PS | PM | PB | |
|---|---|---|---|---|---|---|---|---|
| E | ||||||||
| NB | PB/NB/PS | PB/NB/NS | PM/NM/NB | PM/NM/NB | PS/NS/NB | ZO/ZO/NB | ZO/ZO/PS | |
| NM | PB/NB/PS | PB/NB/NS | PM/NM/NB | PS/NS/NM | PS/NS/NM | ZO/ZO/NS | NS/ZO/ZO | |
| NS | PM/NB/ZO | PM/NM/NS | PM/NS/NM | PS/NS/NM | ZO/ZO/NS | NS/PS/NS | NS/PS/ZO | |
| ZO | PM/NM/ZO | PM/NM/NS | PS/NS/NS | ZO/ZO/NS | NS/PS/NS | NM/PM/NS | NM/PM/ZO | |
| PS | PS/NM/ZO | PS/NS/ZO | ZO/ZO/ZO | NS/NS/ZO | NS/PS/ZO | NM/PM/ZO | NM/PB/ZO | |
| PM | PS/ZO/PB | ZO/ZO/NS | NS/PS/PS | NM/PS/PS | NM/PM/PS | NM/PB/PS | NB/PB/PB | |
| PB | ZO/ZO/PB | ZO/ZO/PM | NM/PS/PM | NM/PM/PM | NM/PM/PS | NB/PB/PS | NB/PB/PB | |
| Method | Kp | Ki | Kd | *ITAE (200 s) |
|---|---|---|---|---|
| Z–N PID (flow controller) | 2.0743 | 0.1200 | 0.0300 | 1148 |
| Z–N PID (temp controller) | 0.2158 | 0.1200 | 0.0300 | 150 |
| PSO PID (flow controller) | 0.8536 | 0.3810 | 0.0620 | 95.79 |
| PSO PID (temp controller) | 0.2410 | 0.4168 | 0.0063 | 15.21 |
| SSO PID (flow controller) | 0.9857 | 0.8732 | 0.3767 | 19.42 |
| SSO PID (temp controller) | 0.0419 | 0.7976 | 0.1098 | 3.468 |
| PSO fuzzy PID (flow controller) | 0.8536 | 0.3810 | 0.0620 | 50.09 |
| PSO fuzzy PID (temp controller) | 0.2410 | 0.4168 | 0.0063 | 10.63 |
| SSO fuzzy PID (flow controller) | 0.9857 | 0.8732 | 0.3767 | 15.79 |
| SSO fuzzy PID (temp controller) | 0.0419 | 0.7976 | 0.1098 | 4.23 |
| SSO fuzzy PI (flow controller) | 0.9857 | 0.8732 | – | 14.68 |
| SSO fuzzy PI (temp controller) | 0.0419 | 0.7976 | – | 3.316 |
Publisher’s Note: MDPI stays neutral with regard to jurisdictional claims in published maps and institutional affiliations. |
© 2020 by the authors. Licensee MDPI, Basel, Switzerland. This article is an open access article distributed under the terms and conditions of the Creative Commons Attribution (CC BY) license (http://creativecommons.org/licenses/by/4.0/).
Share and Cite
Wu, T.-Y.; Jiang, Y.-Z.; Su, Y.-Z.; Yeh, W.-C. Using Simplified Swarm Optimization on Multiloop Fuzzy PID Controller Tuning Design for Flow and Temperature Control System. Appl. Sci. 2020, 10, 8472. https://doi.org/10.3390/app10238472
Wu T-Y, Jiang Y-Z, Su Y-Z, Yeh W-C. Using Simplified Swarm Optimization on Multiloop Fuzzy PID Controller Tuning Design for Flow and Temperature Control System. Applied Sciences. 2020; 10(23):8472. https://doi.org/10.3390/app10238472
Chicago/Turabian StyleWu, Ting-Yun, Yun-Zhi Jiang, Yi-Zhu Su, and Wei-Chang Yeh. 2020. "Using Simplified Swarm Optimization on Multiloop Fuzzy PID Controller Tuning Design for Flow and Temperature Control System" Applied Sciences 10, no. 23: 8472. https://doi.org/10.3390/app10238472
APA StyleWu, T.-Y., Jiang, Y.-Z., Su, Y.-Z., & Yeh, W.-C. (2020). Using Simplified Swarm Optimization on Multiloop Fuzzy PID Controller Tuning Design for Flow and Temperature Control System. Applied Sciences, 10(23), 8472. https://doi.org/10.3390/app10238472

