Next Article in Journal
Fabrication and Characterization of Seawater Temperature Sensor with Self-Calibration Based on Optical Microfiber Coupler Interferometer
Next Article in Special Issue
Structural Analysis and Design of Reinforced Concrete Bridge Corbels
Previous Article in Journal
Optical Fibres for Condition Monitoring of Railway Infrastructure—Encouraging Data Source or Errant Effort?
Previous Article in Special Issue
Fatigue Testing of Shear Reinforcement in Prestressed Concrete T-Beams of Bridges
 
 
Font Type:
Arial Georgia Verdana
Font Size:
Aa Aa Aa
Line Spacing:
Column Width:
Background:
Article

Punching Shear Stress in Post-Tensioned Transfer Plate of Multi-Story Buildings

1
Department of Architecture and Architectural Engineering and Engineering Research Institute, Seoul National University, Seoul 08826, Korea
2
School of Architecture, Soongsil University, Seoul 06978, Korea
3
Structural Engineer, DAELIM, Seoul 03152, Korea
*
Author to whom correspondence should be addressed.
Appl. Sci. 2020, 10(17), 6015; https://doi.org/10.3390/app10176015
Submission received: 9 July 2020 / Revised: 27 August 2020 / Accepted: 28 August 2020 / Published: 31 August 2020

Abstract

:
The design of a post-tensioned transfer plate is typically controlled by shear force—in particular, punching shear at the slab-column connection. To verify the accuracy of the separated model only for one floor currently used in the design of a post-tensioned transfer plate, results were compared to a complete model with multi-story building system for which two representative residential building plans were used to emulate physical structural systems. Punching shear stress for the separated model was calculated using the eccentric shear stress model presented in ACI 318. Punching shear stress was found to be overestimated in the separated model, given that interaction between transfer plates and upper shear walls cannot be reflected therein. Differences at column locations were also noted as the number of stories below the transfer floor increased. Consequently, the separated model is not recommended for design of post-tensioned transfer plates. A complete model is more suitable for more realistic and potential cost-effective design, through the inclusion of the interaction between transfer plates and upper shear walls.

1. Introduction

The need for vertical wall height and large open space on lower floors in buildings such as apartments and hotels exists [1]. Due to large vertical irregularity, stiffness changes dramatically at the transfer floor. In general, transfer structures refer to shear wall-frame systems, i.e., piloti structures.
Transfer structures are susceptible to seismic forces, due to the concentration of stress at the transfer floor under seismic loading [2,3]. Therefore, transfer structures are pragmatic at locations where moderate-to-low seismic zones exist, such as Korea and Hong Kong.
Transfer girder and transfer plate systems are commonly adopted as transfer structures. Since the transfer plate system with post-tensioning tendons is effective in reducing member thickness [4], use has been widely adopted recently. However, research on post-tensioned transfer plate systems—compared to other transfer systems such as reinforced concrete transfer girder and plate systems, which have been studied for decades—is relatively scarce. Given that analysis software commonly used in industry, until recently, did not include the prestressing tendon element, the design of a post-tensioned transfer plate was performed using separate finite element analysis software with post-tensioning modeling features. This analysis method is done only with the transfer plate floor and one-story columns/walls below and internal forces in the shear walls above the plate are modeled with external forces, which are exerted on top of the transfer plate (the separate analysis method, hereafter). Hence, member design for vertical elements above and below the transfer plate is performed without the inclusion of the prestressing effect, and flexural and shear design of the post-tensioned transfer plate is conducted separately (Figure 1).
There is no doubt that the separate analysis methodology is not applicable since it is not enough to simulate the actual behavior of overall structural systems. However, finite element analysis software with post-tensioning modeling features has not offered the multi-story building modeling until recently. The software that offers both the multi-story modeling and post-tensioning feature is developed, but in practice, the analysis and design of post-tensioned transfer plate are still carried out using the separate analysis method, without rigorous verification.
In the separate analysis model, the shear wall above the transfer plate is replaced with an equivalent line load. As a result, the interaction between the shear wall and the transfer plate cannot be considered. Thus, compatibility, which is one of the fundamental assumptions of numerical analysis, is not satisfied. In addition, design codes present that secondary effects should be taken into account. However, secondary effects cannot be considered, since the elastic analysis model used for the design of the vertical members does not address the prestressing effect. The effect of the transfer floor height is also not considered, since the separate analysis used applies only to the floor of the transfer plate and columns/walls just below the plate, regardless of the number of stories below the transfer plate.

2. Literature Review

Analytical studies have been conducted on the analysis method and design of post-tensioned transfer plate systems. Yoon et al. [4,5,6] conducted studies on the post-tensioned transfer plate for a residential building with a height of 25 stories. In this study, the separated analysis model in which the upper shear wall was replaced with equivalent line loads was used. The equivalent line loads were determined from axial force and bending moment of the upper shear wall. Based on the analysis results, the efficiency of post-tensioned transfer plate was compared with that of conventional transfer plate. It was reported that the post-tensioned plate thickness could be reduced by about 14% compared to the conventional transfer plate, and the amount of concrete and reinforcement could be reduced by 13% and 39%, respectively. However, in this study, the analysis was performed using the separate analysis model only.
Several experimental and analytical studies for transfer structures have also been conducted on down-scaled shaking tables to analyze seismic behavior of high-rise buildings with a transfer floor [7,8,9]. Li et al. [7] experimented using a 1:20 scaled model of high-rise residential building (34F) with a transfer plate system. The structures below and above the transfer plate were designed with three stories of frame structure and 31 stories of shear wall structure, respectively, and the thickness of the transfer plate was designed to be 2.7 m. The scaled model was installed on the shaking table and four level ground motions were applied. As a result of the shaking table test, a noticeable vibration was not observed at the minor level (0.02~0.06 g), a little vibration and several cracks were observed at the right top of the transfer plate at the moderate level (0.08~0.14 g). At the major level (0.15~0.2 g), considerable vibration and cracks were observed at the top of the transfer plate and above the middle height. At the severe level (0.25~0.34 g), failure at just above the transfer plate occurred. As a result of excitation of various levels of ground motion, it was found that most of the damage or failure had occurred in the shear wall at the top of the transfer plate. In this study, dynamic behavior and failure patterns of high-rise residential buildings under various levels of ground motion were analyzed, but no analysis on shear behavior of transfer column-plate connections was conducted.
Li et al. [8] also experimented with a 1:4 scaled model of a flat-shape plan building with 17 stories of the shear wall above and a single story of frame below. The cracks on the bottom face of the transfer plate under four levels of ground motion were observed. No cracks occurred under acceleration of 0.02~0.04 g, and several cracks began to occur at the bottom face of the transfer plate at levels of 0.08g~0.16 g. Moderate damage was observed under acceleration level of 0.32 g, and severe damage was observed at the acceleration level of 0.64 g, but did not collapse. In this experimental study, it was found that damage can occur in the transfer plate under lateral load (seismic load). Nevertheless, the shear behavior of transfer column-plate connections under seismic load had not been analyzed.
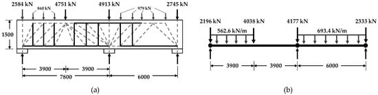
Ko and Lee [9] conducted a 1:2.5 scaled model experiment to analyze the performance and failure of the transfer girder. The transfer girder was designed using two methods, one based on ACI code and the other using the strut-tie model (Figure 2a), and the design was verified with the experimental results. For the design method according to ACI code, the design was carried out replacing the wall parallel and orthogonal to the transfer girder with distributed load and concentrated load, respectively (Figure 2b). The results showed that for the girder designed with ACI code, the maximum shear force was 1.44 times the design shear force and 1.19 times the design force with the strut-tie model. This result shows that the design method, which simply replaces the wall into equivalent load without considering the contribution of the upper shear wall, can lead to excessive design.
Additionally, a number of studies have been conducted on numerical modeling methods in the design of transfer structures [10,11,12,13,14]. Kuang and Puvvala [10] and Kuang and Zhang [11] analyzed the numerical modeling method of continuous transfer girders and shear walls using finite element analysis. By analysis under gravity load, this study showed that the interaction zone exists in the shear wall below a height equal to L, which is the span of the transfer girder. In the interaction zone, it was shown that the stress is transferred to column through the arching action (Figure 3), and the behavior and failure mode of the transfer structure can be affected by the location of the upper shear wall. Thus, it was indicated that the modeling of upper shear wall is important in the numerical model of transfer structures.
Kim et al. [12] similarly carried out analytical studies on the modeling of transfer girders and upper shear walls. As a result of the analysis of the modeling height as a variable under gravity load, the shear and stress distribution of the transfer girder model, where the height of the upper shear wall was 1.5 times the span of the shear wall, was shown to be similar to complete model. Lee and Kim [13] and Kim and Lee [14] also carried out studies on the modeling method on transfer girders. The detailed analysis using finite element analysis and two- and three-dimensional analyses were compared to each other. Based on the comparison of the maximum bending moment due to gravity and lateral loads, the three-dimensional analysis showed the closest results to the detailed analysis. It was also found that the analytical method of replacing the upper shear wall with equivalent load shows a similar distribution pattern of shear force and moment compared with the detailed analysis results. However, the values are overestimated, which may lead to an uneconomical design.
In addition, experimental and analytical studies have also been conducted, where the transfer floor is located at higher levels. Wu et al. [15] carried out the shaking table test for the scaled model of the buildings with transfer story at the fifth, sixth or ninth floor, respectively. To analyze dynamic behavior, the fundamental period of each model was measured. For the building with a transfer story located at the fifth, seventh or ninth floor, the fundamental period was measured as 9.3 s, 9.6 s or 7.9 s, respectively, for the x-direction, and 8.3 s, 9.3 s or 7.3 s, respectively, for the y-direction. As a result of measuring the story shear force and the inter-story drift ratio under three ground motions, no obvious tendency was observed. It also was found that the increase in the height of the transfer story changes the behavior of the building, but the obvious tendency, such as consistent increase or decrease in behavior, was not clear.
A review of studies related to the transfer structure showed a lack of research on the modeling method of post-tensioned transfer plate and the punching shear behavior of the transfer plate. In particular, the behavior of the post-tensioned transfer plate under lateral load had not yet been studied. A number of studies on transfer structure showed that the method of replacing the superstructure with load could lead to excessive design. Therefore, in this study, the modeling method for the post-tensioned transfer plate, especially in point of view of punching shear design, was assessed.
The commercial structural analysis software, ETABS [16], recently included a post-tensioning tendon element. The current software is now able to model the post-tensioned transfer plate with the entire structural system. Therefore, in this study, ETABS 2018 was used to verify the separate analysis method by comparing the complete model, which includes the entire structural system and post-tensioned transfer plate, and the separated model, which includes only the single story of the post-tensioned transfer plate and vertical elements below. Based on the results, design considerations and limitations of the separate analysis method were derived with respect to punching shear of the post-tensioned transfer plate.

3. Theories and Current Design Approach in Punching Shear

3.1. Design Code for Two-Way Shear under Seismic Force

Since the transfer structure supports the load from the superstructure, it is essential to ensure adequate deformation capacity regarding lateral forces. For seismic force-resisting members, structural codes and guidelines stipulate that the punching shear force (Vu) due to gravity loads for two-way flat plate systems shall not exceed 40% of the concrete shear strength (Vc) of the slab-column connection [17,18]. Shear strength of concrete is calculated as the smallest of the followings [19]:
V c = ( 1 + 2 β ) b 0 d λ f c 6 V c = ( α s d b 0 + 2 ) b 0 d λ f c 12 V c = 1 3 b 0 d λ f c
where b0 is the perimeter of the critical section; d is the effective thickness of slab; fc is nominal compressive strength of concrete; β is ratio of long to short dimension of column section; αs is 30 for the interior column, 40 for exterior column (except corner column), and 20 for corner column; and λ is the light concrete coefficient, which is 1.0 in general.
The perimeter length of the critical section b0 is proportional to the effective thickness of the slab, since the critical section is located at a distance of d/2 from the column face in accordance with ACI 318-19, Section 22.6.4.1. Therefore, the concrete shear strength Vc is proportional to the concrete compressive strength and the effective thickness of the slab. The result is that the calculation of punching shear force at the slab-column connection due to gravity load can influence the design and determination of the transfer plate thickness.

3.2. Factored Shear Stress in the Eccentric Shear Stress Model

The eccentric shear stress model is presented in ACI 318-19 as a means for calculating punching shear acting on the slab-column connection. The model is based on unbalanced moment and direct shear force at the slab-column connection for which punching shear was determined using analysis software [20,21]. In the eccentric shear stress model, γvMu, fraction of the unbalanced moment Mu, is supported by the slab in shear, and the shear stress distribution is assumed to be linear. The fraction ratio of unbalanced moment, γv, supported by slab in shear is given as follows:
γ v x = 1 1 1 + ( 2 / 3 ) l y / l x γ v y = 1 1 1 + ( 2 / 3 ) l x / l y
where lx and ly are the lengths of each side in the direction of x and y axes of the critical section, respectively (Figure 4).
The punching shear stress (vu) due to unbalanced moment (Mu) and direct shear force (Vu) acting on the connection is calculated as follows:
v u = V u A c + γ v x M u x y ¯ J c x + γ v y M u y x ¯ J c y
A c = b 0 d
J c x = d ( c y + d ) 3 6 + d 3 ( c y + d ) 6 + d ( c y + d ) 2 ( c x + d ) 2   ( Interior   column )
where Ac is the area of concrete section resisting transferred shear stress; x ¯ and y ¯ are the distances between the center of column and center of the critical section in each direction; Jcx and Jcy are the polar moments of inertia with respect to each principal direction; and cx and cy are the lengths of each side of the column section in each principle direction.
For the exterior and corner columns, the effects of eccentric distances between the center of the column and critical section need to be also considered. The unbalanced moment in exterior and corner columns is calculated as follows:
M u e = M u V u e
where Mue is the unbalanced moment considering eccentric distance; Mu is the unbalanced moment; Vu is the direct shear force; and e is the eccentric distance between the center of the column and center of the critical section.
Given Equations (4) and (5) above, Ac and Jc are proportional to the effective thickness of the slab, d. Ac is linearly related to d. Whereas Jc in terms of d increases exponentially. Intuitively, punching shear stress for thick members, such as a transfer plate, is controlled by direct shear rather than unbalanced moment. Direct shear force and unbalanced moment can be calculated as shown in Figure 5.
Calculating direct shear force and the unbalanced moment is difficult in many cases. As a result, they are conservatively approximated by the axial force and bending moment acting on the top of the column below the plate [22]. However, if a shear wall exists within the critical section for the transfer plate, the magnitude of the direct shear force acting on the critical section will be significantly lower than the axial force at the top of the transfer column. Thus, the methodology to calculate punching shear stress of transfer plate using axial force and moment at the top of the transfer column could lead to a non-economic design exceeding that which may be construed as conservative.

4. Analytical Model

4.1. Analytical Model Overview

Since the purpose of this study was to analyze the shear behavior of the transfer plate, the height of the shear wall above the transfer plate was fixed to 20 stories and two representative apartment plans were selected as shown in Table 1. Table 1, (a) is a typical plan for the low-to-mid-rise apartment and Table 1, (b) is for high-rise apartments, respectively. Concrete strength was assumed to be 30 MPa for the transfer members, and 24 MPa for other members, such as shear walls and coupling beams.
The thickness of the transfer plate is known to be proportional to the height of the superstructure [23]. The relationship between the thickness of the transfer plate and the height of the upper shear wall for seven design cases is shown in Figure 6. Since cases for post-tensioned transfer plate design are scarce, non-PT transfer plate cases are included in the relationship.
The thickness of the transfer plate was assumed to be 1500 mm and 1300 mm for the post-tensioned transfer plates. For the post-tensioned transfer plate, a 15% reduction in thickness was assumed due to the application of prestress. The column span is commonly determined by the layout of the plan. In the case of an apartment, the underground portion is used for parking. Hence, the clear span is generally controlled by size of the parking module. In this study, a clear span of 3.5 to 6.6 m was assumed. To exclude the effect of column shape, a square column with a cross-section of 1 m by 1 m was also assumed.
Since the purpose of this study was also to verify the analysis method for member design, linear-elastic analysis is conducted. In the numerical model, the columns and coupling beams are modeled with line element, and shear walls/core walls are modeled with thin shell element, which has in-plane and out-of-plane bending stiffness. The slab is also modeled with thin shell element and floor load of 3.0 kN/m2 for superimposed dead load and 2.0 kN/m2 for live load is applied on the slab.
All elements, such as the shear wall, transfer plate and prestressing tendon, are modeled in the complete model (Figure 7a).
Meanwhile, the separated model (Figure 7b) addresses only the transfer plate, prestressing tendon and the story of the transfer columns and core walls below. In the separated model, the shear wall above the transfer plate is replaced with an equivalent line load that is calculated based on axial force and in-plane moment of the shear walls.

4.2. Modeling of the Post-Tensioned Transfer Plate

Classical shell element refers to a thin-shell element that follows Kirchhoff’s plate theory, which neglects transverse shear deformation. However, for thick members with span-to-depth ratio of 10:1 to 5:1 or less, the effects of shear deformation tend to increase [24].
Since the span-to-depth ratio of the transfer plate ranges from 5:1 to 3:1, it is considered a thick element and highly affected by shear deformation. So, the use of Kirchhoff’s plate theory is not appropriate. Whereas the Mindlin-Reissner plate theory allows for a constant strain and shear stress in the transverse direction. Therefore, the transfer plate was modeled using the thick-shell element and meshed into 0.2 m size.
To reflect stress concentration due to arch action at the shear wall above the transfer plate, 3 stories of the shear wall have meshed to the same size as the transfer plate.
The post-tensioning force is considered using prestressing tendon element in modeling. The tendon element in ETABS is modeled as equivalent load that acts upon the embedded element, which is the transfer plate element in this study, based on the vertical and horizontal profile of the modeled tendon. The equivalent load acts on the mesh node of the transfer plate. This method is commonly used in the linear design procedure of prestressed concrete. The properties of the prestressing tendon are summarized in Table 2. The tendon is assumed to be a bonded 7-strand wire. To address prestress losses, anchorage slip was assumed to be 6 mm, and wobble coefficient (K) and curvature coefficient (μp) presented in ACI 318-08 [25] was applied.

4.3. Seismic Load

ASCE 41-17 [26] (also the KBC 2016 [18]) recommends performing linear dynamic analysis for a structure with large vertical and soft story irregularity to consider the dynamic behaviors. However, for this study, a simple lateral force profile using equivalent static loads was applied to compare behavior according to the modeling method. The equivalent static load (Fx) was calculated based on KBC 2016 (same as ASCE 7-16 [27]) and applied at the center of mass of each floor. The equivalent static load is calculated as follows:
F x = C v x V
C v x = w x h x k i = 1 n w i h i k
V = C s W
0.01 C s = S D 1 ( R I E ) T S D S ( R I E )
where V is the base shear force; Cs is the seismic response coefficient; W is the effective seismic weight of the building, including the total dead load and other loads; SD1 and SDS are the design effective ground acceleration at 1 s period and short periods, respectively; R is the response modification factor; IE is the occupancy importance factor; T is the fundamental period of the building (s); Fx is the equivalent static load at each level; Cvx is the vertical distribution factor; wi or wx is the effective seismic weight of story level i or x; hi or hx is the height from the base to story level i or x; k is the exponent related to the fundamental period of the structure, which is 1.0 and 2.0 for structures having a period of 0.5 s or less and period of 2.5 s or more, respectively; and n is the number of stories.
The design effective ground acceleration at 1 s period (SD1) and short periods (SDS) can be calculated as follows:
S D S = S × 2.5 × F a × 2 / 3
S D 1 = S × F v × 2 / 3
where S is the effective ground acceleration; and Fa and Fv are the site coefficients for short periods and 1 s period, respectively.
The effective ground acceleration, Site classification and response modification factor are summarized in Table 3. The effective ground acceleration is assumed to be 0.22 g, which is the effective acceleration of the maximum considered earthquake (MCE) level in Korea.
The site coefficient can be determined according to site classification. In this study, site classification is assumed as SD, which is commonly selected when there are no soil test results (Table 3). For site classification of SD, Fa and Fv are determined according to KBC 2016 as 1.6 and 1.8, respectively.
In buildings with a transfer structure, two structural systems are mixed. The building of this study has a frame system and shear wall system together, and it is a better strategy to induce deformation to occur in the upper shear wall, rather than in lower frame structure. Thus, the response modification factor, R, is determined as 4.0, which is for the conventional reinforced concrete shear wall system. Furthermore, occupancy important factor, IE, is determined as 1.2, which is the value for residential building regulated in KBC 2016.

4.4. Punching Shear Stress on the Post-Tensioned Transfer Plate

The two-way slab is designed to have sufficient resistance to punching shear stress at the critical section of the column. The critical section is defined at the effective depth of the slab, d, in accordance with ACI 318-19, Section 22.6.4. Here, the effective thickness of the prestressed concrete member considers both the prestressing tendon as well as the rebar and is calculated as the average distance from the extreme compressive fiber to the center of the tendon and from the center of the rebar. Moreover, for the shear design of prestressed concrete, the effective thickness does not exceed 0.8h. Where, h is the total height of the member. Hence, the effective thickness of the transfer plate is determined to be 0.8h, since the clear span of the transfer plate is relatively short compared to its thickness, and the tendon is located at the center of the plate due to its curvature limit.
The transverse shear stress of the thick-shell element was calculated based on shear strain, which is calculated directly from shear deformation and the following equation [16].
γ 13 = d u 1 d x 3 + d u 3 d x 1 γ 23 = d u 2 d x 3 + d u 3 d x 2   and   τ 13 = G 13 γ 13 τ 23 = G 23 γ 23
where γ13 and γ23 are transverse shear strains in each direction; u1, u2, and u3 are the displacements in each direction; x1, x2, and x3 are the coordinates of in the material’s 1, 2 and 3 directions, and G13 and G23 are the shear moduli.
For the complete model, transverse shear stress (τ13, τ23) of the shell element at the point with constant spacing along the critical section was monitored as punching shear stress. τ13 for the side of local axis 1 and τ23 for the side of local axis 2 of the critical section were also monitored (Figure 8a).
For the separated model, punching shear stress is calculated with Equation (3). As mentioned in Section 3.1, direct shear force (Vu) and unbalanced moment (Mux and Muy) are approximated by the axial force and bending moment acting on the top of the column below the transfer plate. Since the column size is assumed to be 1 m by 1 m, the fraction ratio of the unbalanced moment, γv, is calculated as 0.4 for corner column and interior column for both x and y directions. For the exterior column, the fraction ratios of the unbalanced moment in x and y direction are calculated as 0.37 and 0.44, respectively.

5. Analysis Results according to the Modeling Method

5.1. Column Axial Force

In the separated model, the design of the punching shear of the post-tensioned transfer plate is performed based on axial force and moment of transfer column using the eccentric shear stress model. Given that the transfer plate is thick in comparison to the general slab, direct shear, rather than bending moment, typically governs [28]. In the separated model, load transferred through the core wall (same above and below the plate) is typically not considered. Since it is possible that axial force at the slab-column connection may be lower than that of the complete model, differences in column axial forces between the two modeling methods were compared for two plan shapes, Flat-shape and L-shape. The axial forces at the top of the transfer columns under gravity load are shown in Figure 9a,b.
For the Flat-shape plan, the difference between the axial forces of the separated model and the complete model ranged from 61% to 111%. At the corner columns, it was about 10% lower, and at the exterior columns, it was lower by more than 10%. Where columns were close to the core walls, the difference was more remarkable. Although Col. 2, 5 and 15 to 19 were exterior columns, there were few differences in axial force. However, at Col. 3, 4 and 10, which is relatively close to the core wall, differences noted were more than 18%. Meanwhile, in the L-shape plan, the axial force of the separated model was calculated as 51% to 113% of the complete model. At the corner columns, it was up to 17% lower than the complete model, and at exterior columns, it was up to 49% lower. As in the Flat-shape plan, significant differences were observed in columns near the core wall. The axial forces of Col. 10, 11 and 23 to 27 in the separated model differed by less than 5% from the complete model. Whereas, Col. 7 to 9, 12, 13, 15, 19 and 22 were 10% and up to 51% lower. A comparison of axial forces for the two plan shapes indicated that the current separated analysis model underestimates axial force on transfer columns near the core wall.
Given the separated analysis, the method does not consider load transfer through the core wall, the total load transfer through the columns of the separated model and complete model were compared to analyze the effect (Table 4). The total load transferred through the column of the separated model was lower than that of the complete model by 4.6% in the Flat-shape plan and 5.5% in the L-shape plan. Using a modified separated model that considers load transferred through the core wall, the effect of a load of core wall was also analyzed.
In Figure 10a,b, the difference in axial force using a modified separated model that considers load transferred through the core wall is depicted. The difference is significantly reduced in the modified separated model. In addition, the difference in total column load between the modified separated model and complete model was almost identical. Although the difference in columns located near the core wall decreased to less than 5%, the difference in corner columns was still roughly 7 to 8%. Therefore, the separated model, which does not consider load transfer through the core wall with respect to axial force, is not recommended.

5.2. Punching Shear Stress under Gravity Load

To analyze difference in punching shear behavior of the separated model and the complete model, a comparison of punching shear stress under gravity load was made. Figure 11 shows graphs of the ratio of maximum shear stress at the critical section for each column for the two modeling methods for each plan shape. Although shear stress is distributed along the critical section, shear stress was compared based on the maximum value, since the stress value that governs design is the maximum. The vertical axis of the graph represents the ratio of the maximum shear stress of the separated model to that of the complete model, and the horizontal axis represents each column number. The higher the value of the ratio, the greater is the overestimation of punching shear stress calculated by the separated model. The interior, exterior and corner columns are marked as square, circle and triangle, respectively.
For the Flat-shape plan, the separated model showed greater maximum shear stress than the complete model for all columns. The similarity in the ratios depended on location (exterior, corner and interior). The ratio at exterior columns (black circle) was 3.2 to 4.9 and at corner columns (red triangle) 4.0 to 4.4. In comparison, interior columns (blue square) had relatively lower ratios, 1.4 to 1.9.
In the L-shape plan, higher maximum shear stress in some columns than that noted in the separated model was illustrated. However, overall, the shear stress ratio was similar to the Flat-shape case. Exterior columns (black circle) had a ratio of 0.9 to 10.0, Whereas the ratio for the corner columns (red triangle) was 2.6 to 7.8. Additionally, similar to the Flat-shape case, the interior columns (blue square), in comparison to the other column locations, had relatively low ratios of 0.9 to 1.7.
The results for the separated model and complete model showed differences in shear stress. The primary difference in the two modeling methods is the consideration of the upper shear wall. Figure 11 shows columns in which shear wall(s) exist or do not exist within the column critical section for the L-shape plan. Where no shear wall lies within the critical section, such as in Figure 12a,d, relatively similar shear stress values were calculated, regardless of the modeling method. Conversely, accuracy cannot be ensured where the shear wall(s) exists in the critical section to which interaction between the two structural systems should be considered, such as in Figure 12b,c. Thus, factors that cause a difference between the maximum shear stress values can be divided into column location and shear wall presence within the critical section. In the separated model, the upper shear wall is disregarded, and its impact on punching shear is not reflected, which can lead to over-design.

5.3. Punching Shear Stress under Seismic Load

Figure 13 shows graphs of the ratio of maximum shear stress under lateral loads in global x and y directions at each column for the two modeling methods. In Figure 13, the ratio associated with the location of the column was shown as 0.23 to 7.4 at the exterior column, 1.3 to 6.7 at the corner column and 0.3 to 1.6 at the interior column for the Flat-shape plan. For the L-shape plan, the ratio was 0.1 to 3.9 at the exterior column, 0.6 to 4.4 at the corner column and 0.1 to 0.3 at the interior column.
In comparing the shear stress for the two plan shapes, the interior column, similar to the gravity load case, showed a relatively low ratio compared to other column locations. Especially in the L-shape plan, the shear stress at the interior column of the separated model was lower than that of the complete model. However, unlike the previous gravity load case, which had similar ratios according to the column location, the tendency under lateral load was not obvious.
For columns without shear wall(s) within the critical section (red boxed point in Figure 13) that had shown large differences in the previous gravity load case, the punching shear stress ratio of the two modeling methods was less than 1.0. The implication is that lower shear stress was computed under the separated model in comparison to the complete model, which can lead to potentially insufficient shear design.
Under lateral load, the moment occurs at the shear wall(s), which is transferred to the columns (Figure 14). If a shear wall exists within the critical section of the transfer column, the moment of the shear wall is transferred directly to the column, since the shear wall, transfer plate and column work as united structural system. So, a large moment could act on the transfer column, but the moment acting on the critical section could be small. Thus, the separated model, which does not consider the upper shear wall, may overestimate punching shear stress at the critical section. Whereas, if no shear wall exists within the critical section, the moment transferred from the nearby shear wall will act on the critical section and induce greater punching shear stress (Figure 14).
In the eccentric shear stress model, the moment is transferred by eccentric shear acting on the critical section. The ratio is calculated according to Equation (2), and up to 44% of the moment can be transferred by eccentric shear. Since the eccentric shear stress model presented in ACI 318-19 is derived from the experiment of relatively thin flat plates [29], it does not accurately simulate eccentric shear caused by the moment. Moment acting on the critical section can be supported by bending in a thin slab, such as a flat plate, but the transfer plate is primarily supported by shear at the critical section rather than bending. Therefore, the eccentric shear stress model is less applicable to thick members, such as a transfer plate. Moment transferred to eccentric shear may be at a greater ratio than the ratio calculated in Equation (2).
KBC 2016 requires the use of special seismic load (Em) for load combination in designing components, such as transfer structures, which can change the flow of seismic loads drastically. The purpose is to ensure that the component and its supporting members are designed to be in the elastic state for seismic loads to prevent brittle failure [30]. As a result, seismic loads multiplied by the system overstrength factor (Ω0) are used as shown below.
E m = Ω 0 E ± 0.2 S D S D
where Ω0 and SDS are the overstrength factors and the design effective ground acceleration at short periods, respectively, and D is the dead load.
Since the transfer structure is designed for special seismic loads, the effect is relatively high. Thus, the use of the separated model where gravity and lateral loads are considered at the same time, especially at interior columns and columns without shear walls within the critical section, is not recommended.

5.4. Effect of Number of Stories below the Transfer Plate

To analyze the differences in behavior according to the number of stories below, the results of an analytical model having four stories below the transfer plate were compared. The height of the shear wall above the transfer plate was fixed at 20 stories. In Figure 15, Figure 16 and Figure 17, the results are marked according to the location of the column—exterior, corner and interior, as circle, triangle and square, respectively. According to the number of stories below, black, red and blue for the first story below, and grey, orange and purple for the fourth story below are used, respectively.
In Figure 15, the maximum shear stress ratio of two modeling methods under gravity load at each critical section of transfer columns are shown. In the case of the Flat-shape plan, the ratio changed for the exterior columns as the number of stories below increased in the range of −0.1 to 0.5. It also changed in range of −0.2 to −0.03 at the corner columns and −0.1 to 0.2 at the interior columns.
In the case of the L-shape plan, the ratio changed in the range of −0.3 to 0.05 at the exterior columns, as the number of stories below increased. At the corner columns, the range was −0.2 to 0.13, and at the interior columns, it was −0.02 to 0.4.
The results of the two planar shapes indicate that the separated model in comparison with the complete model overestimated punching shear stress under gravity load, despite increase in the number of stories below.
Figure 16 and Figure 17 show analysis results according to the increasing number of stories below under x and y directional lateral load. In the case of the Flat-shape plan under x directional lateral load, the ratio changed to −0.3 to 0.5 at the exterior columns. It also changed to −0.55 to 0.05 at the corner columns and to −0.4 to 0.13 at the interior columns. Furthermore, it changed under y directional lateral load to −0.25 to 3.3 at the exterior columns and −0.25 to 0.4 at the interior columns. However, at the corner columns, it was −0.03 to 0.01, which is significantly less than other columns.
In the L-shape plan, the ratio changed under x directional lateral load as the number of stories below increased to −0.75 to 2.3 at the exterior columns and 0.7 to 2.5 at the interior columns, respectively. At the corner columns, change was greater than the Flat-shape plan and ranged from 0.3 to 0.3. Under y directional lateral load, the ratio was −0.56 to 45.1 at the exterior columns and 0.3 to 2.3 at the interior columns. At the corner columns, it changed to −0.6 to 0.02.
Lateral load cases also showed lower punching shear stress at interior columns compared to the complete model irrespective of the number of stories below. For the columns where no shear wall(s) exists within the critical section in the L-shape plan, the ratio increased except that for Col. 22 as the number of stories below increased, but the ratio was still under 1.0.
Figure 18 and Figure 19 show the maximum punching shear stress according to the number of stories below the transfer plate under gravity load only or lateral load for x or y direction only. Figure 18 and Figure 19 are the results of the Flat-shape plan and the L-shape plan, respectively, and (a) is the results of the corner and the interior columns, while (b) is the results of the exterior column.
In addition to the comparison of the results of the models with one and four stories below, the tendency was analyzed further by comparing the results of the models with two and three stories below. In the case of the Flat-shape plan, it was found that the maximum shear stress ratio was increased or decreased consistently as the number of stories below the transfer plate increased under the gravity load only. Even in the L-shape plan, consistent tendency of increase or decrease was identified in some columns. However, in columns such as column 11 or 14, the tendency was not obvious. Under lateral load only in each direction, neither the Flat-shape plan and the L-shape plan did show a consistent tendency of increase or decrease in maximum shear stress ratio.
In comparing the results of two planar shapes with an increase in the number of stories below, the tendency of the change in the ratio under gravity load and the lateral load was not obvious. Similar to the result of the behavior analysis study that We et al. [15] conducted, the tendency according to the number of stories below, i.e., the height of the transfer story, did not appear to be clear. However, at the interior columns and columns where no shear wall exists within the critical section, the calculation of punching shear stress through the separated model under lateral load showed lower values than those of the complete model. Hence, at those column locations, punching shear design using the separated model may lead to structurally deficient design.

6. Summary and Conclusions

In this study, the validity of the separated model for the design of the post-tensioned transfer plate was analyzed. From the analysis of the two typical apartment plans, the following conclusions were drawn:
  • The axial force of the separated model was found to be lower than that of the complete model at the corner columns and at columns located near core wall(s), when the load transferred through the core walls is not taken into account. Even considering the loads, the corner columns still showed lower axial force than the complete model.
  • In comparing punching shear stress at the critical section under the gravity load, shear stress calculated using the separated model was significantly higher compared to that of the complete model. The difference is attributed to the separated model and eccentric shear stress model not being able to consider the contribution of the shear wall(s) within the critical section on punching shear. Therefore, under current seismic design criteria, it is possible that the transfer plate could be designed to be thicker than necessary for punching shear at columns with the shear wall(s) within the critical section using the separated model.
  • The difference in maximum shear stress subject to only lateral force using the modeling methods noted did not show obvious tendency, unlike the gravity load cases. However, punching shear stress calculated using the separated model at the interior column, where shear wall(s) is located within the critical section, showed lower values up to 10% than the complete model.
  • In comparing punching shear stress according to the number of stories below the transfer plate, the ratio of maximum shear stresses calculated by the two modeling methods changed as the number of stories below increased. However, there was no obvious tendency depending on the location of columns and the presence of shear wall(s) within the critical section. However, since the separated model is likely to lead to insufficient shear design as the number of stories below increases at the interior columns and at columns with no shear walls within the critical section, the separated analysis method is not recommended if the location of the transfer story is high.
The significance of the current research is that this is the first study to investigate the behavior of the complete model with post-tensioning tendons in the transfer plate and/or that of the separate or complete model with post-tensioning tendons under lateral loads. Further research on various planar shapes, including Y-shape and behavior according to the number of upper stories, would also be needed to generalize the results of this study. In addition, analysis of a secondary effect that may occur in continuous members and the development of the strut-tie model for detailed design for the post-tensioned transfer plate is needed.

Author Contributions

Conceptualization, B.A., T.H.-K.K., S.-M.K. and J.K.Y.; Methodology, B.A., T.H.-K.K., S.-M.K. and J.K.Y.; Software, B.A. and J.K.Y.; Validation, B.A.; Investigation, B.A.; Funding acquisition, T.H.-K.K. and S.-M.K.; Supervision, T.H.-K.K.; Writing—original draft, B.A.; Writing—review & editing, T.H.-K.K. and S.-M.K.; All authors have read and agreed to the published version of the manuscript.

Funding

This research was funded by the National Research Foundation of Korea (NRF) grants funded by the Korea government (MSIT) (Nos. 2015R1A5A1037548 and 2018R1A2B6007559).

Acknowledgments

Valuable comments were provided by Chung-Jong Yi with Freyssinet Korea Co., Ltd. for analytical research.

Conflicts of Interest

The authors declare that they have no conflict of interest.

References

  1. Kang, T.H.-K.; Martin, R.D.; Park, H.-G.; Wilkerson, R.; Youssef, N. Tall building with steel plate shear walls subject to load reversal. Struct. Des. Tall Build. 2013, 22, 500–520. [Google Scholar] [CrossRef]
  2. Su, R.K.; Chandler, A.; Li, J.; Lam, N. Seismic assessment of transfer plate high rise buildings. Struct. Eng. Mech. 2002, 14, 287–306. [Google Scholar] [CrossRef]
  3. Li, J.; Su, R.K.; Chandler, A. Assessment of low-rise building with transfer beam under seismic forces. Eng. Struct. 2003, 25, 1537–1549. [Google Scholar] [CrossRef]
  4. Yoon, J.-K.; Kang, S.-M.; Kim, O.-J.; Lee, D.-B.; Lee, W.-B. Structural Design Method and Tendon Layout of Post-Tension Transfer Slab. Proc. Aut. Annu. Conf. Archit. Inst. Korea 2010, 30, 81–82. [Google Scholar]
  5. Yoon, J.-K.; Kang, S.-M.; Kim, O.-J.; Lee, D.-B.; Choo, M.-S. Structural Analysis and Design of Post-Tension Transfer Slab. Proc. Korea Conc. Inst. 2010, 22, 19–20. [Google Scholar]
  6. Yoon, J.-K.; Kang, S.-M.; Kim, O.-J. Structural Design Method of Post-Tension Transfer Slab. Dealim Tech. Rev. 2010, 11, 92–101. [Google Scholar]
  7. Li, C.S.; Lam, S.S.; Zhang, M.Z.; Wong, Y.L.; Lam, E.S.S. Shaking Table Test of a 1:20 Scale High-Rise Building with a Transfer Plate System. J. Struct. Eng. 2006, 132, 1732–1744. [Google Scholar] [CrossRef]
  8. Li, C.S.; Lam, S.S.; Chen, A.; Wong, Y.L.; Lam, E.S.S. Seismic Performance of a Transfer Plate Structure. J. Struct. Eng. 2008, 134, 1705–1716. [Google Scholar] [CrossRef]
  9. Ko, D.-W.; Lee, H.-S. Experimental Verification of Design Approaches of RC Transfer Girders Topped by Partially Filled Shear Walls. J. Archit. Inst. Korea Struct. Const. 2009, 25, 61–68. [Google Scholar]
  10. Kuang, J.S.; Puvvala, J. Continuous transfer beams supporting in-plane loaded shear walls in tall buildings. Struct. Des. Tall Build. 1996, 5, 281–293. [Google Scholar] [CrossRef]
  11. Kuang, J.S.; Zhang, Z. Analysis and Behavior of Transfer Plate-Shear Wall Systems in Tall Buildings. Struct. Des. Tall Spec. Build. 2003, 12, 409–421. [Google Scholar] [CrossRef]
  12. Kim, H.-A.; Chung, S.-J.; Shin, K.-J.; Song, J.-G.; Chung, H.-K.; Chung, H.-S. Modeling Method of Column-Supported Wall System Subjected to Vertical Loading. J. Archit. Inst. Korea Struct. Const. 1998, 14, 37–44. [Google Scholar]
  13. Lee, D.-H.; Kim, H.-S. A Study on the Analysis Method of Transfer Girder of Column-Supported Wall System. J. Archit. Inst. Korea Struct. Const. 2003, 19, 37–44. [Google Scholar]
  14. Kim, Y.-C.; Lee, J.-J. Investigation of the Structural Modeling of Transfer Floor in Column-Supported Wall Structure. J. Korean Soc. Saf. 2005, 20, 79–83. [Google Scholar]
  15. Wu, M.; Qian, J.; Fang, X.; Yan, W. Experimental and analytical studies on tall buildings with a high-level transfer story. Struct. Des. Tall Spéc. Build. 2007, 16, 301–319. [Google Scholar] [CrossRef]
  16. Computer and Structures Inc. ETABS: Analysis Reference Manual; Computer and Structure Inc.: Walnut Creek, CA, USA, 2018. [Google Scholar]
  17. Joint ACI-ASCE Committee 421. Guide to Seismic Design of Punching Shear Reinforcement in Flat Plates (ACI 421.2R-10); American Concrete Institute: Farmington Hills, MI, USA, 2010. [Google Scholar]
  18. Architecture Institute of Korea. Korea Building Code (KBC 2016); Architecture Institute of Korea: Seoul, Korea, 2016. [Google Scholar]
  19. ACI Committee 318. Building Code Requirements for Structural Concrete (ACI 318-19); American Concrete Institute: Farmington Hills, MI, USA, 2019. [Google Scholar]
  20. ADAPT Corp. Punching Shear Calculation: ACI-318, ADAPT Builder; Technical Note No. TN192_Builder_punching_shear_aci_2102505; ADAPT Corporation: Redwood City, CA, USA, 2005. [Google Scholar]
  21. Computer and Structures Inc. SAFE: Key Features and Terminology; Computer and Structure Inc.: Walnut Creek, CA, USA, 2016. [Google Scholar]
  22. Yoon, J.-K.; Kang, S.-M.; Kim, O.-J.; Lee, D.-B. A Study on the Behavior and Practical Design Method for Transfer Slab used in Shear Wall Type Apartment with Piloti under Pit Level. Proc. Conf. Archit. Inst. Korea 2008, 28, 231–234. [Google Scholar]
  23. Park, C.-G.; Kang, S.-B.; Park, S.-K.; Kim, E.-D. A Comparative Study on Structural Transfer System for Residential-Commercial Buildings. Proc. Aut. Annu. Conf. Archit. Inst. Korea 2001, 21, 51–54. [Google Scholar]
  24. Szilard, R. Theories and Applications of Plate Analysis: Classical, Numerical and Engineering Methods. Appl. Mech. Rev. 2004, 57, B32–B33. [Google Scholar] [CrossRef]
  25. ACI Committee 318. Building Code Requirements for Structural Concrete (ACI 318-08); American Concrete Institute: Farmington Hills, MI, USA, 2008. [Google Scholar]
  26. American Society of Civil Engineers (ASCE). Seismic Evaluation and Retrofit of Existing Buildings (ASCE/SEI 41-17); ASCE: Reston, VA, USA, 2017. [Google Scholar]
  27. American Society of Civil Engineers (ASCE). Minimum Design Loads for Buildings and Other Structures (ASCE 7-16); ASCE: Reston, VA, USA, 2017. [Google Scholar]
  28. Jeong, S.-H.; Kang, S.-M. Two-way Shear Strength Evaluation of Transfer Slab-Column Connections Through Nonlinear FE Analysis. J. Comput. Struct. Eng. Inst. Korea 2018, 31, 315–329. [Google Scholar] [CrossRef]
  29. Hanson, N.W.; Hanson, J.M. Shear and Moment Transfer between Concrete Slabs and Columns. PCA Res. Devel. Lab. 1968, 10, 2–16. [Google Scholar]
  30. Ministry of Land, Infrastructure and Transport (Korea). Guideline for Structure Design of Piloti Buildings; Ministry of Land, Infrastructure and Transport: Sejong, Korea, 2018.
Figure 1. The analysis and design process for residential building with the post-tensioned transfer plate.
Figure 1. The analysis and design process for residential building with the post-tensioned transfer plate.
Applsci 10 06015 g001
Figure 2. Analysis method for the design of transfer girder (redrawn from Ko and Lee [9]).
Figure 2. Analysis method for the design of transfer girder (redrawn from Ko and Lee [9]).
Applsci 10 06015 g002
Figure 3. Distribution of vertical stress in transfer girder-shear wall system (redrawn from Kuang and Zhang [11]).
Figure 3. Distribution of vertical stress in transfer girder-shear wall system (redrawn from Kuang and Zhang [11]).
Applsci 10 06015 g003
Figure 4. Definition of critical section.
Figure 4. Definition of critical section.
Applsci 10 06015 g004
Figure 5. Calculation of direct shear and unbalanced moment at the slab-column connection.
Figure 5. Calculation of direct shear and unbalanced moment at the slab-column connection.
Applsci 10 06015 g005
Figure 6. Relationship between thickness of transfer plate and number of upper stories.
Figure 6. Relationship between thickness of transfer plate and number of upper stories.
Applsci 10 06015 g006
Figure 7. Concept of two analysis modeling methods.
Figure 7. Concept of two analysis modeling methods.
Applsci 10 06015 g007
Figure 8. Punching shear stress along the critical section of slab-column connection.
Figure 8. Punching shear stress along the critical section of slab-column connection.
Applsci 10 06015 g008
Figure 9. Comparison of column axial force under gravity load according to the modeling method (without load transfer through core walls), (a) Flat-shape plan, (b) L-shape plan.
Figure 9. Comparison of column axial force under gravity load according to the modeling method (without load transfer through core walls), (a) Flat-shape plan, (b) L-shape plan.
Applsci 10 06015 g009
Figure 10. Comparison of column axial force under gravity load according to the modeling method (with load transfer through core walls), (a) Flat-shape plan, (b) L-shape plan.
Figure 10. Comparison of column axial force under gravity load according to the modeling method (with load transfer through core walls), (a) Flat-shape plan, (b) L-shape plan.
Applsci 10 06015 g010
Figure 11. Maximum punching shear ratio according to the modeling method (for gravity load only).
Figure 11. Maximum punching shear ratio according to the modeling method (for gravity load only).
Applsci 10 06015 g011
Figure 12. Example of column with/without shear wall within the critical section in L-shape plan.
Figure 12. Example of column with/without shear wall within the critical section in L-shape plan.
Applsci 10 06015 g012
Figure 13. Maximum punching shear ratio according to the modeling method (for lateral load only).
Figure 13. Maximum punching shear ratio according to the modeling method (for lateral load only).
Applsci 10 06015 g013
Figure 14. Moment transfer under later load.
Figure 14. Moment transfer under later load.
Applsci 10 06015 g014
Figure 15. Maximum punching shear stress ratio according to number of stories below transfer plate (for gravity load only).
Figure 15. Maximum punching shear stress ratio according to number of stories below transfer plate (for gravity load only).
Applsci 10 06015 g015
Figure 16. Maximum punching shear stress ratio according to number of stories below transfer plate (for x-dir. lateral load only).
Figure 16. Maximum punching shear stress ratio according to number of stories below transfer plate (for x-dir. lateral load only).
Applsci 10 06015 g016
Figure 17. Maximum punching shear stress ratio according to number of stories below the transfer plate (for y-dir. lateral load only).
Figure 17. Maximum punching shear stress ratio according to number of stories below the transfer plate (for y-dir. lateral load only).
Applsci 10 06015 g017
Figure 18. Maximum shear stress ratio vs. number of stories below (Flat-shape plan).
Figure 18. Maximum shear stress ratio vs. number of stories below (Flat-shape plan).
Applsci 10 06015 g018
Figure 19. Maximum shear stress ratio vs. number of stories below (L-shape plan).
Figure 19. Maximum shear stress ratio vs. number of stories below (L-shape plan).
Applsci 10 06015 g019
Table 1. Summary of the analytic model.
Table 1. Summary of the analytic model.
Plan type Applsci 10 06015 i001 Applsci 10 06015 i002
(a) Flat-shape plan(b) L-shape plan
Thickness of transfer plate1300 mm
Column clear span5.4~6.5 m3.5~6.6 m
Column size1 m × 1 m
Concrete StrengthTransfer members
(Transfer plate and columns)
30 MPa
Others
(Walls and beams)
24 MPa
Table 2. Prestress tendon modeling parameters.
Table 2. Prestress tendon modeling parameters.
Prestress tendonTendon section7-strand wire (Ap = 15.2 mm2)
Bonding typeBonded
Wobble Coefficient0.002/m
Curvature coefficient (K)0.15/rad.
Anchorage slip (μ)6 mm
Table 3. Seismic load parameters summary.
Table 3. Seismic load parameters summary.
ParametersValue
Effective ground acceleration (S)0.22 g
Site classificationSD
Design effective ground acceleration
at 1 s period (SD1)
0.66
Design effective ground acceleration
at short period (SDS)
0.235
Response modification factor (R)4
(Ordinary reinforced concrete shear walls)
Occupancy important factor (IE)1.2
Table 4. Comparison of total axial forces.
Table 4. Comparison of total axial forces.
Plan ShapeCore WallsColumnsError
Complete ModelSeparated ModelComplete ModelSeparated Model
Flat-shape39509 kN10917 kN149810 kN144441 kN4.6%
L-shape77328 kN15022 kN152021 kN143677 kN5.5%

Share and Cite

MDPI and ACS Style

Ahn, B.; Kang, T.H.-K.; Kang, S.-M.; Yoon, J.K. Punching Shear Stress in Post-Tensioned Transfer Plate of Multi-Story Buildings. Appl. Sci. 2020, 10, 6015. https://doi.org/10.3390/app10176015

AMA Style

Ahn B, Kang TH-K, Kang S-M, Yoon JK. Punching Shear Stress in Post-Tensioned Transfer Plate of Multi-Story Buildings. Applied Sciences. 2020; 10(17):6015. https://doi.org/10.3390/app10176015

Chicago/Turabian Style

Ahn, Byeonguk, Thomas H.-K. Kang, Su-Min Kang, and Jang Keun Yoon. 2020. "Punching Shear Stress in Post-Tensioned Transfer Plate of Multi-Story Buildings" Applied Sciences 10, no. 17: 6015. https://doi.org/10.3390/app10176015

APA Style

Ahn, B., Kang, T. H.-K., Kang, S.-M., & Yoon, J. K. (2020). Punching Shear Stress in Post-Tensioned Transfer Plate of Multi-Story Buildings. Applied Sciences, 10(17), 6015. https://doi.org/10.3390/app10176015

Note that from the first issue of 2016, this journal uses article numbers instead of page numbers. See further details here.

Article Metrics

Back to TopTop