Abstract
This paper focuses on high performance adaptive robust position control of electro-hydraulic servo system. The main feature of the paper is the combination of adaptive robust algorithm with discrete disturbance estimation to cope with the parametric uncertainties, uncertain nonlinearities, and external disturbance in the hydraulic servo system. First of all, a mathematical model of the single-rod position control system is developed and a nonlinear adaptive robust controller is proposed using the backstepping design technique. Adaptive robust control is used to encompass the parametric uncertainties and uncertain nonlinearities. Subsequently, a discrete disturbance estimator is employed to compensate for the effect of strong external disturbance. Furthermore, a special Lyapunov function is formulated to handle unknown nonlinear parameters in the system state equations. Simulations are carried out, and the results validate the superior performance and robustness of the proposed method.
1. Introduction
Hydraulic systems are widely used in modern industrial applications such as a parallel robot platform [1], automative suspension system [2], hydraulic load emulator [3], etc., due to their rapid response, high control precision, and large power transmission capability. However, the hydraulic system is always subjected to model uncertainties caused by complex flow–pressure properties of the control valve, oil compressibility, and leakage [4]. In addition, the hydraulic system also contains some hard nonlinearities such as control input saturation, dead zone nonlinear friction, etc. [5]. Due to the presence of high nonlinearities and large uncertainties, it is challenging to design a satisfactory controller for the hydraulic servo system.
During the past two decades, classical control theory and feedback linearization used for the control of the hydraulic system have been studied in [6,7]. These methods performed well under nominal operating conditions. However, in the presence of large uncertainties and unmodeled dynamics, these techniques fail to perform satisfactorily. To attenuate the effect of parametric uncertainties in the hydraulic system, many nonlinear control schemes were proposed, such as adaptive control [8], sliding mode [9], fuzzy logic [10], and neural network control [11]. Adaptive control can reduce the adverse effect of parametric uncertainties, but it could do little to deal with the influence of nonlinear dynamics and external disturbances. Sliding mode control is used to attenuate uncertainties and disturbance, but it contains a fast switching action and large control activities, which may cause system chatter around the desired states. Fuzzy logic control depends heavily on the knowledge of the expert and neural network control needs a huge amount of training data and high computational complexity. Therefore, they are all difficult to implement in practical applications.
To overcome both parametric uncertainties and unknown nonlinearities, adaptive robust control [12], which combines adaptive backstepping control with sliding filter structure, is proposed in [13,14] and is used to deal with the system uncertainties and unmodeled dynamics. This method was thoroughly tested in [15,16,17,18], and the results show that it provides excellent performance in terms of both the transient response and the final tracking accuracy even in the presence of parametric uncertainties and uncertain nonlinearities. An adaptive control based on the Udwadia–Kalaba approach is presented to deal with various uncertainties and the external disturbance in rehabilitation robot applications [19]. To mitigate the effect of measurement noise, a desired compensation adaptive robust control is put forward in [20], which uses desired state variables in regressors instead of measured state variables [21]. A control strategy combining integral robust control and desired compensation adaptive robust control for high-precision position control of electro-hydraulic systems is developed and satisfactory performance is obtained [22]. An indirect adaptive robust scheme is presented in [23] that uses the least mean square method to estimate unknown parameters. In [24], a switch strategy is used to select a better control scheme between direct and indirect adaptive control methods. An RBF-neural-network-based adaptive robust control design is proposed for nonlinear bilateral teleoperation manipulators to cope with uncertainty communication time delay in the remote tasks [25]. In [26], a data-based learning adaptive robust control (LARC) strategy based on the gated recurrent unit (GRU) neural network is proposed to achieve accurate tracking error prediction, rigorous motion accuracy, and accurate tracking certain robustness.
In the design process of an adaptive robust controller [27,28], system state equations are usually required to be linearly parametrized by unknown constant parameters. However, the above condition is not satisfied for some mechanical systems such as hydraulic control systems. Existing adaptive robust control schemes cannot solve the problem with the unknown nonlinear parameters. A special Lyapunov function was developed in [29] to convert unknown nonlinear parameters to unknown linear types. However, this control scheme doesn’t consider the effect of parameter estimation errors, which may result in system unstability.
In this paper, a nonlinear adaptive robust control for the valve-controlled hydraulic system is developed based on adaptive robust control and discrete disturbance estimation. First of all, the dynamics of hydraulic system are investigated. The uncertainties considered in this paper include unknown linear or the nonlinear parameters. Meanwhile, a nonlinear adaptive robust control law is deduced based on a special Lyapunov function, which not only guarantees the boundedness of state variables and control signal but also compensates for the effect of parameter uncertainties, external disturbance, and errors in parametric estimates. Finally, the proposed control scheme is evaluated by some computer simulations in various working conditions to verify its dynamic performance and robustness.
The paper is organized as follows:. In Section 2, problem formulation and the detailed nonlinear model of the hydraulic system are presented. In Section 3, the proposed nonlinear adaptive robust control with a discrete disturbance estimator is described. In Section 4, computer simulations are executed for evaluating the performance and robustness of the proposed control scheme, and the results are discussed. The conclusions are presented in Section 5.
2. Modeling of the Hydraulic System
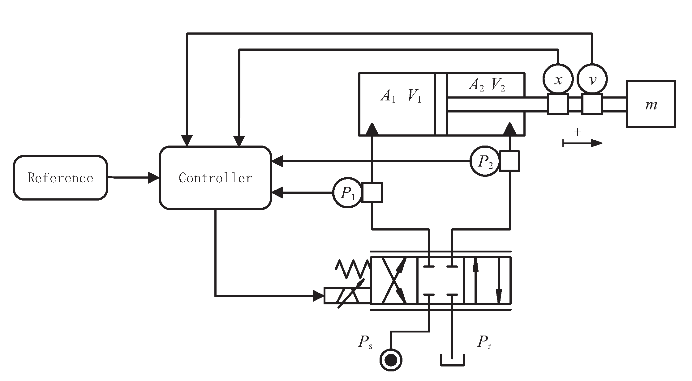
The hydraulic system shown in Figure 1 is comprised of a single-rod cylinder, a - way servo valve, and a mass load. The goal of this paper is to make the mass load track the desired motion trajectory as closely as possible.
Figure 1.
The scheme of the hydraulic system.
The dynamic of the piston can be described as follows:
where , are the pressure in two chambers of cylinder, respectively. , are the piston area of the two chambers, respectively. m is the mass of load, x is the displacement of load, and is lumped disturbance acting on the cylinder.
Assuming that both the internal leakage f of the servo valve and the external leakage flow of the cylinder have been neglected, then the dynamic of oil flow of the cylinder can be written as
where is the coefficient of cylinder internal leakage flow, and is the effective bulk modulus of oil in the container. , are the original total control volumes of two chambers respectively, which include the volume of the servo valve, pipelines, and cylinder chambers, and , . represents the supply flow rate of the forward chamber, and represents the return flow rate of the return chamber.
and are given as
with an index function of valve direction being defined as
where is the system supply pressure and is the container pressure. is the spool displacement of servo valve, is the valve flow gain coefficient and , in which is the discharge coefficient, w is the spool area gradient, and is the oil fluid density.
A high-performance servo valve having a natural frequency of 80 Hz is used, which is much higher than the frequency of desired motion trajectories. Thus, we can assume that the dynamic of spool displacement is linear with the control input, and the following equation is satisfied, where is a positive constant, and u is control input. Meanwhile, can be obtained by following the above assumption.
Therefore, Equation (3) can be transformed into
where .
Defining the system state variables as
and
then the entire state equations of the hydraulic system can be expressed as follows:
To simplify the system state equations, some variables and parameters are defined as follows:
and the state Equations (6) can be rewritten as
Given a bounded desired trajectory , the objective of this paper is to design a bounded control input u such that the output tracks the desired motion trajectory closely in spite of uncertainties and external disturbance. The design of nonlinear adaptive robust controller will be described in the following section.
3. Controller Design
In order to find the correct control input for the hydraulic system, a nonlinear adaptive robust controller is developed for the state Equations (7). Here, we assume that the desired motion trajectory , its velocity , acceleration , and the derivate of acceleration exist and are bounded. The procedure for designing the controller based on the backstepping technique is described as follows:
Step 1: define the system output tracking error as
then the time derivative term of tracking error is calculated as follows:
Define as the state error between state variable and the virtual control as
Here, treat as a virtual control input for , which is defined as
where is a positive constant.
Consider a candidate Lyapunov function
then
It can be found that, if the is close to zero, the tracking error will converge to zero as well. Thus, the next step is to design a control law to make as small as possible.
Step2: Take the derivative of results in the following equation
A virtual control law for Equation (15) is chosen as
where is the estimate of the disturbance d and the estimate error is defined as . and are positive constants and is determined by the acceptable bound of . is the upper bound of and can be expressed as .
Since the ideal values of , and their derivatives are all equal to zero, it is reasonable to construct a discrete disturbance estimator as follows:
where k is the kth sample time.
Define the state error as
Consider a candidate Lyapunov function
Then, the time derivative of is
It is obvious that, if the value of is close to zero, and will converge to a bounded region determined by and system initial state values. Thus, the next step is to maintain the value of close to zero.
Step3: this step is aimed to synthesize an actual control law u for the input of the hydraulic system. For simplicity, the last equation in state Equations (7) can be rewritten as
where
Here, parametric uncertainties in the hydraulic system are considered as a parametric vector, which is defined as
For simplicity, define
and
Obviously, the following statements hold:
To cope with the effect of parametric estimate error, we assume that an unknown parametric vector always lies in a known bounded region, namely,
where and .
Then, Equation (22) can be rewritten as
Since , the Lyapunov function is defined as
The time derivative of Equation(24) is calculated as follows:
Here, the derivative of can be calculated as
Since has some uncertain parameters, a sliding mode observer can be used to estimate the derivative of state , i.e.,
where is the estimate of , is a variable observer gain, and is a design parameter. is a first-order filter time constant, and s is the Laplace operator. is the estimate of .
The observer can ensure the convergence of to in a finite time , so there exists a bounded positive such that estimate error and , where is a positive constant.
Let , , be the estimate of , , , respectively. , and are the estimate errors. Then, the control input u is designed as
where is the adaptive control input to track the desired trajectory and is the robust term which deals with parametric estimate errors and external disturbance. is a positive gain to be determined later. Then, Equation (25) can be written as
where and . can be defined as follows:
where and are the absolute error limits, respectively. , and . , , , and are the design positive constants such that .
In order to consider the effect of parametric uncertainties in the hydraulic system, an augmented Lyapunov function is designed as
where , and are the positive definite constant diagonal matrices. Then, the time derivative of Equation (30) is calculated as
In order to account for the effect of parametric uncertainties, adaptive update laws can be chosen so that these inequalities hold:
Then, the adaptation laws for uncertain terms are designed as follows:
Since the parametric vectors are within known boundness, a simple discontinue projection can be used such that
and the adaptive laws become
Obviously, the projection in Equation (34) satisfies the inequalities in Equations (32), which has been proved in [30]. From Equations (28), (31), and (34), one can obtain that
which leads to the result that all signals , , , , , , , , are bounded and
where and . Furthermore, if and are both equal zero after a time , then the time derivative of satisfies
where . Since and , using the Barbalet’s lemma, one can conclude that as . Thus, , and converge to zero as .
Finally, we can conclude that, given a nonlinear system of equations with uncertainties and disturbance as in Equation (7), employing the controller Equation (28), all signals , , , , , , , , are bounded. Furthermore, after a finite time , if only the parametric uncertainties exist, then zero tracking errors can also be obtained.
Remark:
If adaption laws are removed (i.e., , , 2 are all equal to zero) or the estimation errors are too large, the proposed control scheme can still make all the signals bounded and , where and .
4. Simulation and Discussion
4.1. Simulation Parameters
In order to evaluate the tracking accuracy and robustness of the proposed control scheme for the electro-hydraulic system, three different working conditions are considered, i.e., no load condition, sudden load condition, and load condition with parameter variations. The simulations are conducted on an integrated simulation platform that uses MATLAB and Amesim. The simulation parameters are described as follows:
The supply pressure of pump is set at 10 Mpa by a relief valve and the return pressure of hydraulic system is set at 0 Mpa. The dimensions of cylinder are 80 mm/45 mm/500 mm and the control input of the servo valve is in the range of mA. The system state variables, which include load position x, velocity v, and the chamber pressures and of two cylinder chambers are discretely measured using the sensors in Amesim software. All of the pressure signals are processed through a low-pass filter with 10 Hz cut-off frequency. The control algorithm is implemented in MATLAB and the system sample time is taken as 0.001 s.
The nominal load mass m is 20 kg and the effective bulk modulus of oil fluid is 1.4 Gpa. The coefficient of cylinder internal leakage is (ms/Pa) and servo valve flow gain g is ms/(V). The original position of piston is in the middle of cylinder and the original control volumes of cylinder chambers are 10 m and m, respectively.
To verify the performance of the designed controller, the proposed nonlinear adaptive robust controller (NARC) is compared with the PID controller and determined robust controller (DRC). The control parameters of the proposed controller are selected as , , , , , , , , , , and . The control parameters of determined robust control are the same as that of the proposed controller except that , and . The range limits of parameters used in DRC and NARC are of their nominal values. The initial value of parameter estimates are taken as their nominal value. While the control parameters of PID controller are chosen as , , and by trial and error.
4.2. Simulation Results
4.2.1. Case 1: No Load Condition
In this case, there is no load nor there is any variation in the parameters. The desired trajectory is selected as a sinusoidal signal whose amplitude is 50 mm and its frequency is 0.1 Hz. The reference signal is [mm].
Figure 2 shows the comparison of tracking performances obtained using the PID controller, the DRC, and the proposed nonlinear adaptive robust controller. It is evident that the PID controller presents some lag in tracking the reference signal while DRC and NARC can track the reference signal exactly. The errors in tracking using the three different controllers are shown in Figure 3. It can be observed that, compared with the PID controller, DRC and NARC controllers have smaller tracking error and better dynamic performance. However, there is a small jitter when the DRC and NARC are used.
Figure 2.
Comparison tracking performance with no load conditon.
Figure 3.
Tracking errors with no load condition, (a) tracking error of PID; (b) tracking error of DRC; (c) tracking error of NARC; (d) comparison of tracking errors with the above controllers.
In order to evaluate the effectiveness of the proposed controller under a load disturbance, a sudden load of is added to system at s. The corresponding tracking response with three different controllers are shown in Figure 4. As shown in Figure 4, when the sudden load is applied, some tracking fluctuation can be seen with the PID controller. However, the tracking performance of DRC and NARC is largely unaffected. The strong robustness of DRC and NARC is attributed to the exact estimate of disturbance with a discrete disturbance estimator. The tracking errors under a sudden load disturbance with different controllers are shown in Figure 5. It can also be seen that the tracking error with PID is larger than that obtained with the DRC and NARC, which further confirms that the DRC and NARC are more robust than the PID controller because of the discrete disturbance estimator.
Figure 4.
Comparison tracking performance with sudden load at 10 s.
Figure 5.
Tracking errors with sudden load condition, (a) tracking error of PID; (b) tracking error of DRC; (c) tracking error of NARC; (d) comparison of tracking errors with the above controllers.
4.2.2. Case 2: Sudden Load Condition
The simulations are also carried out to verify the convergence of the NARC under load condition with parameter variations. In simulations, some parameters of the system are changed. The initial displacement of cylinder is changed to 0.247 m. The initial volume of left cylinder chamber is changed to m and the initial volume of right cylinder chamber is changed to m. The bulk volume of oil is changed to 1.5 Gpa.
Figure 6 shows the tracking performance with the three different controllers with parameter variation and load disturbance. The tracking performance of NARC is not better than the other controllers at the beginning. However, the tracking error decreases slowly with time due to the adaptation rate laws as shown in Figure 7. The parameter estimates are shown in Figure 8. It can be seen that, even though the parameters don’t converge to their actual value, they are all bounded and are adjusted to improve the tracking performance. Moreover, the estimate value of load d is almost equal to its actual value as shown in Figure 8, which proves the effectiveness of the discrete disturbance estimator.
Figure 6.
Comparison tracking performance with parameter variations and load conditon.
Figure 7.
Tracking errors with parameter variation and load condition, (a) tracking error of PID; (b) tracking error of DRC; (c) tracking error of NARC; (d) comparison of tracking errors with the above controllers.
Figure 8.
The parameter estimate of the NARC controller.
4.2.3. Case 3: Parameter Variations and Load Disturbance Condition
In order to compare the performance of the three kinds of controllers under different conditions, the maximum tracking error M, the average tracking errors and the tracking lag are statistically analyzed, and results are shown in Table 1. It can be seen from the results that the PID controller can not deal with highly nonlinear parameters and disturbance, and the system control response is so slow that it could not track the reference signal accurately. The maximum tracking error is about 4.8 mm, and the average tracking error is about 3.2 mm. The tracking lag was also apparent than the other controller in all conditions. In addition, the dynamic performance of DRC and NARC are similar under nominal and sudden load conditions because of the same control structure. However, in the variation and load condition, the average tracking error of NARC is 0.126 mm, which is much better than the other controller with the help of the adaptive laws.
Table 1.
Performance indexes of controllers under differential conditions.
Based on these simulation results, it can be concluded that the NARC can improve the system dynamic performance and can reject external load disturbance effectively.
5. Conclusions
A nonlinear adaptive robust controller has been presented for the electro-hydraulic system driven by a single-rod actuator with uncertain nonlinear parameters, and external disturbance. The effect of unknown nonlinear parameters and external disturbance is considered, and a stable controller is developed using a special Lyapunov function. The whole system controller and adaptation laws are given by combining adaptive robust control and a discrete disturbance estimator, which can compensate for unknown nonlinear parameters, uncertain nonlinearities and external disturbance. The simulation results show that the proposed control achieves a more accurate tracking performance and small tracking lag, under various conditions, which is very important in the high-performance motion control fields.
Author Contributions
L.F. and H.Y. conceived and designed the study. L.F. performed the controller design, carried out simulations and wrote the original draft. H.Y. reviewed and edited the the manuscript. All authors have read and agreed to the published version of the manuscript.
Funding
This research was funded by the National Natural Science Foundation of China, Grant No. 51775032 and Foundation of Key Laboratory of Vehicle Advanced Manufacturing, Measuring and Control Technology, Beijing Jiaotong University, Ministry of Education, China and Fundamental Research Funds for the Central Universities Grant No. 2017YJS169.
Conflicts of Interest
The authors declare no conflict of interest. The funders had no role in the design of the study; in the collection, analyses, or interpretation of data; in the writing of the manuscript, or in the decision to publish the results.
References
- Novak, N.; Vladimir, S.; Vladimir, D. Optimal control of hydraulically driven parallel robot platform based on firefly algorithm. Nonlinear Dyn. 2015, 82, 1457–1473. [Google Scholar]
- Jagat, J.R.; Michael, D.; Hamid, R.K.; Kalyana, C.V. Output feedback active suspension control with higher order terminal sliding mode. IEEE Trans. Ind. Electron. 2017, 64, 1392–1403. [Google Scholar]
- Yao, J.Y.; Jiao, Z.X.; Ma, D.W. High dynamic adaptive robust control of load emulator with output feedback signal. J. Frankl. Inst. 2014, 351, 4415–4433. [Google Scholar] [CrossRef]
- Ye, Y.; Yin, C.B.; Gong, Y.; Zhou, J.J. Position control of nonlinear hydraulic system using an improved PSO based PID controller. Mech. Syst. Signal Pr. 2017, 83, 241–259. [Google Scholar] [CrossRef]
- Yao, B.; Bu, F.P.; John, R.; George, T.C. Adaptive robust motion control of single-rod hydraulic actuators: Theory and experiments. IEEE-ASME Trans. Mech. 2000, 5, 79–91. [Google Scholar]
- Honorine, A.M.; Ravinder, V.; Jean-Pierre, K.; Christian, B. Feedback linearization-based position control of an electrohydraulic servo system with supply pressure uncertainty. IEEE Trans. Control. Syst. Technol. 2012, 20, 1092–1099. [Google Scholar]
- Denis, G.; Krishnaswamy, S. Application of nonlinear adaptive control techniques to an electrohydraulic velocity servomechanism. IEEE Trans. Control Syst. Technol. 2004, 12, 303–314. [Google Scholar]
- Andrew, A.; Liu, R. A simplified approach to force control for electro-hydraulic systems. Control Eng. Pract. 2000, 8, 1347–1356. [Google Scholar]
- Guan, C.; Pan, S.X. Adaptive sliding mode control of electro-hydraulic system with nonlinear unknown parameters. Control Eng. Pract. 2008, 16, 1275–1284. [Google Scholar] [CrossRef]
- Mete, K.; Mustafa, H. Mathematical modelling and fuzzy logic based position control of an electrohydraulic servosystem with internal leakage. Mechatronics 2009, 19, 847–858. [Google Scholar]
- Han, M.K.; Sung, H.P.; Ji, M.L.; Jong, S.K. A robust control of electro hydrostatic actuator using the adaptive back-stepping scheme and fuzzy neural networks. Int. J. Precis. Eng. Man. 2010, 11, 227–236. [Google Scholar]
- Yao, B.; Masayoshi, T. Adaptive robust control of SISO nonlinear systems in a semi-strict feedback form. Automatica 1997, 33, 893–900. [Google Scholar] [CrossRef]
- Yao, B. High performance adaptive robust control of nonlinear systems: A general framework and new schemes. In Proceedings of the 36th IEEE Conference on Decision and Control, San Diego, CA, USA, 12 December 1997; pp. 2489–2494. [Google Scholar]
- Tan, Y.L.; Chang, J.; Tan, H.L. Adaptive backstepping control and friction compensation for AC servo with inertia and load uncertainties. IEEE Trans. Ind. Electron. 2003, 50, 944–952. [Google Scholar]
- Yao, B.; Xu, L. Adaptive robust motion control of linear motors for precision manufacturing. Mechatronics 2002, 12, 595–616. [Google Scholar] [CrossRef]
- Yao, J.Y.; Jiao, Z.X.; Ma, D.W. Extended-state-observer-based output feedback nonlinear robust control of hydraulic systems with backstepping. IEEE Trans. Ind. Electron. 2014, 61, 6285–6293. [Google Scholar] [CrossRef]
- Meng, D.Y.; Tao, G.L.; Liu, H.; Zhu, X.C. Adaptive robust motion trajectory tracking control of pneumatic cylinders with LuGre model-based friction compensation. Chin. J. Mech. Eng. 2014, 27, 802–815. [Google Scholar] [CrossRef]
- Yao, J.Y.; Jiao, Z.X.; Yao, B. Nonlinear adaptive robust backstepping force control of hydraulic load simulator: Theory and experiments. J. Mech. Sci. Technol. 2014, 28, 1499–1507. [Google Scholar] [CrossRef]
- Qin, F.; Zhao, H.; Zhen, S.C.; Zhang, Y. Adaptive robust control for lower limb rehabilitation robot with uncertainty based on Udwadia-Kalaba approach. Adv. Robot. 2020, 1–11. [Google Scholar] [CrossRef]
- Xu, L.; Yao, B. Adaptive robust precision motion control of linear motors with negligible electrical dynamics: Theory and experiments. IEEE-ASME Trans. Mech. 2002, 6, 444–452. [Google Scholar]
- Yao, J.Y.; Deng, W.X.; Sun, W.C. Precision motion control for electro-hydraulic servo systems with noise alleviation: A desired compensation adaptive approach. IEEE-ASME Trans. Mech. 2017, 22, 1859–1868. [Google Scholar] [CrossRef]
- Yang, G.; Yao, J.Y. High-precision motion servo control of double-rod electro-hydraulic actuators with exact tracking performance. ISA Trans. 2020. [Google Scholar] [CrossRef] [PubMed]
- Claude, K.; Jean, P.K.; Maarouf, S. Indiscrete adaptive control of an electrohydraulic servo system based on nonlinear backstepping. IEEE-ASME Trans. Mech. 2011, 16, 1171–1177. [Google Scholar]
- Zhang, G.Z.; Chen, J.; Li, Z. Identifier-based adaptive robust control for servomechanisms with improved transient performance. IEEE Trans. Ind. Electron. 2010, 57, 2536–2547. [Google Scholar] [CrossRef]
- Chen, Z.; Sun, W.C.; Gu, J.; Yao, B. RBF-Neural-Network-Based Adaptive Robust Control for Nonlinear Bilateral Teleoperation Manipulators With Uncertainty and Time Delay. IEEE-ASME Trans. Mech. 2020, 25, 906–918. [Google Scholar] [CrossRef]
- Hu, C.; OU, T.S.; Zhu, Y.; Zhu, L.M. GRU-type LARC strategy for precision motion control with accurate tracking error prediction. IEEE Trans. Ind. Electron. 2020. [Google Scholar] [CrossRef]
- Yao, J.Y.; Jiao, Z.X.; Han, S.S. Friction compensation for low velocity control of hydraulic flight motion simulator: A simple adaptive robust approach. Chin. J. Aeronaut. 2013, 26, 814–822. [Google Scholar] [CrossRef]
- Yao, J.Y.; Jiao, Z.X.; Ma, D.W.; Yan, L. High-accuracy tracking control of hydraulic rotary actuators with modeling uncertainties. IEEE-ASME Trans. Mech. 2014, 19, 633–640. [Google Scholar] [CrossRef]
- Guan, C.; Pan, S.X. Nonlinear adaptive robust control of single-rod electro-hydraulic actuator with unknown nonlinear parameters. IEEE Trans. Control Syst. Technol. 2008, 16, 434–445. [Google Scholar] [CrossRef]
- Kyoung, K.A.; Doan, N.C.N.; Jin, M.L. Adaptive backstepping control of an electrohydraulic actuator. IEEE-ASME Trans. Mech. 2014, 19, 987–995. [Google Scholar]
© 2020 by the authors. Licensee MDPI, Basel, Switzerland. This article is an open access article distributed under the terms and conditions of the Creative Commons Attribution (CC BY) license (http://creativecommons.org/licenses/by/4.0/).







