Application of Adaptive Tuned Magneto-Rheological Elastomer for Vibration Reduction of a Plate by a Variable-Unbalance Excitation
Abstract
1. Introduction
2. Numerical Analysis of the ATDVA’s Vibration-Reducing Performance for a Plate Receiving Variable Inputs
2.1. Frequency Characterization of the Plate and Modeling for Numerical Analysis
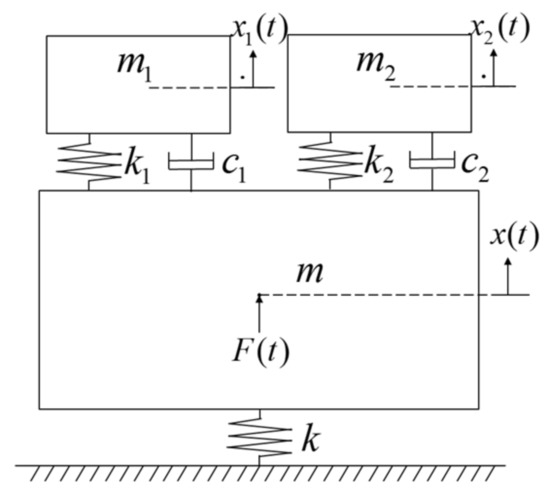
2.2. SDOF and Dual Dynamic Vibration Absorbers
2.3. Adaptive Tuned Dynamic Vibration Absorber (ATDVA)
3. Sensitivity Analysis and Genetic Algorithms for Design Optimization of the MRE-Based ATDVA
3.1. Evaluation of Variations in Shear Modulus for MRE Design
3.2. Derivation of Equations for the Magnetic Field and Mass of the MRE-Based ATDVA
3.3. Application of Sensitivity Analysis and Genetic Algorithms for Optimization of the MRE-Based ATDVA
4. Vibration Reduction by the MRE-Based ATDVA under Variable-Frequency Excitation
4.1. Experimental Setup and Methods
4.2. Building a Current–Frequency Relationship for Stiffness Control
4.3. Vibration Reduction by the MRE-Based ATDVA under Variable-Frequency Excitation
5. Conclusions
- (1)
- The adaptive tuned dynamic vibration absorber exhibited superior performance of vibration reduction to SDOF and dual dynamic vibration absorbers at target frequencies under the condition of variable-frequency excitation.
- (2)
- We identified the natural frequencies of a plane plate as the target object for vibration reduction. MREs were designed for application to the MRE-based ATDVA. In addition, the mass and magnetic field of the MRE-based ATDVA’s mass part were theoretically formulated, and design optimization was performed using a sensitivity analysis and genetic algorithm.
- (3)
- This study attempted to determine how the vibration reduction frequencies of the MRE-based ATDVA are related to the electric currents applied to the dynamic vibration absorber. Our evaluation of the MRE-based ATDVA’s vibration-reducing performance under the condition of variable-frequency excitation found that vibrations were reduced in target frequency ranges.
Funding
Conflicts of Interest
References
- Den Hartog, J.P. Mechanical Vibrations, 4th ed.; Courier Dover Publications: New York, NY, USA, 1985; pp. 112–119. [Google Scholar]
- Inman, D.J. Engineering Vibration, 4th ed.; Pearson: New York, NY, USA, 2014; pp. 455–462. [Google Scholar]
- Ormondroyd, J.; den Hartog, J.P. The theory of the dynamic vibration absorber. ASME J. Appl. Mech. 1928, 50, 9–22. [Google Scholar]
- Bekdaş, G.; Nigdeli, S.M. Mass ratio factor for optimum tuned mass damper strategies. Int. J. Mech. Sci. 2013, 71, 68–84. [Google Scholar] [CrossRef]
- Cheung, Y.; Wong, W.O. H∞ and H2 optimizations of a dynamic vibration absorber for suppressing vibrations in plates. J. Sound Vib. 2009, 320, 29–42. [Google Scholar] [CrossRef]
- Miguélez, M.; Rubio, M.L.; Loya, J.; Fernández-Sáez, J. Improvement of chatter stability in boring operations with passive vibration absorbers. Int. J. Mech. Sci. 2010, 52, 1376–1384. [Google Scholar] [CrossRef]
- Iwanami, K.; Seto, K. An Optimum Design Method for the Dual Dynamic Damper and its Effectiveness. Bull. JSME 1984, 27, 1965–1973. [Google Scholar] [CrossRef][Green Version]
- Yamaguchi, H.; Harnpornchai, N. Fundamental characteristics of Multiple Tuned Mass Dampers for suppressing harmonically forced oscillations. Earthq. Eng. Struct. Dyn. 1993, 22, 51–62. [Google Scholar] [CrossRef]
- Franchek, M.; Ryan, M.; Bernhard, R. Adaptive passive vibration control. J. Sound Vib. 1996, 189, 565–585. [Google Scholar] [CrossRef]
- Rogers, C.; Liang, C.; Jia, J. Behavior of shape memory alloy reinforced composite plates. I-Model formulations and control concepts. 30th Struct. Struct. Dyn. Mater. Conf. 1989, 89, 2011–2017. [Google Scholar] [CrossRef]
- Rustighi, E.; Brennan, M.J.; Mace, B.R. Real-time control of a shape memory alloy adaptive tuned vibration absorber. Smart Mater. Struct. 2005, 14, 1184–1195. [Google Scholar] [CrossRef]
- Williams, K.; Chiu, G.T.-C.; Bernhard, R. Adaptive-passive absorbers using shape-memory alloys. J. Sound Vib. 2002, 249, 835–848. [Google Scholar] [CrossRef]
- Tiseo, B.; Concilio, A.; Ameduri, S.; Gianvito, A. A shape memory alloys based tuneable dynamic vibration absorber for vibration tonal control. J. Theor. Appl. Mech. 2010, 48, 135–153. [Google Scholar]
- Savi, M.A.; De Paula, A.S.; Lagoudas, D. Numerical Investigation of an Adaptive Vibration Absorber Using Shape Memory Alloys. J. Intell. Mater. Syst. Struct. 2010, 22, 67–80. [Google Scholar] [CrossRef]
- Lee, C.-Y.; Chen, C.-C.; Yang, T.-H.; Lin, C.-J. Structural vibration control using a tunable hybrid shape memory material vibration absorber. J. Intell. Mater. Syst. Struct. 2012, 23, 1725–1734. [Google Scholar] [CrossRef]
- Fosdick, R.; Ketema, Y. A Thermoviscoelastic Dynamic Vibration Absorber. J. Appl. Mech. 1998, 65, 17–24. [Google Scholar] [CrossRef]
- Ketema, Y. A Viscoelastic dynamic vibration absorber with adaptable suppression band: A feasibility study. J. Sound Vib. 1998, 216, 133–145. [Google Scholar] [CrossRef]
- Faidley, L.E.; Dapino, M.J.; Washington, G.N.; Lograsso, T.A. Modulus Increase with Magnetic Field in Ferromagnetic Shape Memory Ni–Mn–Ga. J. Intell. Mater. Syst. Struct. 2006, 17, 123–131. [Google Scholar] [CrossRef]
- Sarawate, N.N.; Dapino, M.J. Stiffness Tuning with Bias Magnetic Fields in Ferromagnetic Shape Memory Ni-Mn-Ga. J. Intell. Mater. Syst. Struct. 2009, 20, 1625–1634. [Google Scholar] [CrossRef]
- Deng, H.; Gong, X. Application of magnetorheological elastomer to vibration absorber. Commun. Nonlinear Sci. Numer. Simul. 2008, 13, 1938–1947. [Google Scholar] [CrossRef]
- Yoon, J.-H.; Yang, I.-H.; Jeong, U.-C.; Chung, K.; Lee, J.-Y.; Oh, J.-E. Investigation on variable shear modulus of magnetorheological elastomer based on natural rubber due to change of fabrication design. Polym. Eng. Sci. 2012, 53, 992–1000. [Google Scholar] [CrossRef]
- Chung, K.; Jeong, U.; Oh, J.-E. Effects of magnetic field input cycle and peptizer on the MR effect of magneto-rheological elastomer based on natural rubber. Polym. Eng. Sci. 2015, 55, 2669–2675. [Google Scholar] [CrossRef]
- Du, G.; Huang, X.; Li, Y.; Ouyang, Q.; Wang, J. Performance of a semi-active/passive integrated isolator based on a magnetorheological elastomer and spring. Smart Mater. Struct. 2017, 26, 095024. [Google Scholar] [CrossRef]
- Kaleta, J.; Królewicz, M.; Lewandowski, D. Magnetomechanical properties of anisotropic and isotropic magnetorheological composites with thermoplastic elastomer matrices. Smart Mater. Struct. 2011, 20, 85006. [Google Scholar] [CrossRef]
- Gong, X.; Zhang, X.; Zhang, P. Fabrication and characterization of isotropic magnetorheological elastomers. Polym. Test. 2005, 24, 669–676. [Google Scholar] [CrossRef]
- Schrittesser, B.; Major, Z.; Filipcsei, G. Characterization of the dynamic mechanical behavior of magneto–elastomers. J. Phys. 2009, 149, 012096. [Google Scholar] [CrossRef]
- Alberdi-Muniain, A.; Gil-Negrete, N.; Kari, L. Influence of carbon black and plasticisers on dynamic properties of isotropic magnetosensitive natural rubber. Plast. Rubber Compos. 2012, 41, 310–317. [Google Scholar] [CrossRef]
- Kruželák, J.; Hudec, I.; Dosoudil, R. Elastomeric magnetic composites—Physical properties and network structure. Polimery 2012, 57, 25–32. [Google Scholar] [CrossRef]
- Zhang, W.; Gong, X.; Xuan, S.; Jiang, W. Temperature-Dependent Mechanical Properties and Model of Magnetorheological Elastomers. Ind. Eng. Chem. Res. 2011, 50, 6704–6712. [Google Scholar] [CrossRef]
- Chen, L.; Gong, X.-L.; Jiang, W.-Q.; Yao, J.-J.; Deng, H.; Li, W. Investigation on magnetorheological elastomers based on natural rubber. J. Mater. Sci. 2007, 42, 5483–5489. [Google Scholar] [CrossRef]
- Lei, C.; Li, S.-L.; Xu, R.-J.; Xu, Y.-Q. Thermoplastic vulcanizates based on compatibilized polyurethane and silicone rubber blend. J. Elastomers Plast. 2012, 44, 563–574. [Google Scholar] [CrossRef]
- Balasoiu, M.; Lebedev, V.T.; Orlova, D.N.; Bica, I. Magnetic field and particle concentration competitive effects on ferrofluid based silicone elastomer microsturucture. Critallography Rep. 2011, 56, 1177–1180. [Google Scholar] [CrossRef]
- You, H.; Bai, Q.; Liu, Y.C.; Ning, L.W. Preparation and Mechanics Properties of MR Elastomers Based on Silicone Rubber. Appl. Mech. Mater. 2010, 34, 942–945. [Google Scholar] [CrossRef]
- Von Lockette, P.R.; Lofland, S.; Koo, J.-H.; Kadlowec, J.; Dermond, M. Dynamic characterization of bimodal particle mixtures in silicone rubber magnetorheological materials. Polym. Test. 2008, 27, 931–935. [Google Scholar] [CrossRef]
- Böse, H. Viscoelastic properties of silicone-based magnetorheological elastomers. Int. J. Mod. Phys. B 2007, 21, 4790–4797. [Google Scholar] [CrossRef]
- Kallio, M.; Lindroos, T.; Aalto, S.; Järvinen, E.; Kärnä, T.; Meinander, T. Dynamic compression testing of a tunable spring element consisting of a magnetorheological elastomer. Smart Mater. Struct. 2007, 16, 506–514. [Google Scholar] [CrossRef]
- Li, J.F.; Gong, X.L.; Zhang, X.Z.; Zhang, P.Q. Research on magnetorheological elastomer based on silicone rubber. J. Funct. Mater. 2006, 37, 1005–1012. [Google Scholar]
- Kallio, M. The elastic and damping properties of magnetorheological elastomers. VTT Publ. 2005, 585, 146. [Google Scholar]
- Gong, X.; Wang, Y.; Gong, X.; Zhang, X.; Jiang, W.; Zhang, P.; Chen, Z.; Gong, X. New magnetorheological elastomers based on polyurethane/Si-rubber hybrid. Polym. Test. 2005, 24, 324–329. [Google Scholar] [CrossRef]
- Hu, Y.; Wang, Y.L.; Gong, X.Q.; Gong, X.L.; Zhang, X.Z.; Jiang, W.Q.; Zhang, P.Q.; Chen, Z.Y. Magnetorheological elastomers based on polyurethane/si-rubber hybrid. Int. J. Mod. Phys. B 2005, 19, 1114–1120. [Google Scholar] [CrossRef]
- Zhang, X.; Peng, S.; Wen, W.; Li, W. Analysis and fabrication of patterned magnetorheological elastomers. Smart Mater. Struct. 2008, 17, 45001. [Google Scholar] [CrossRef]
- Minagawa, K.; Koyama, K. Electro- and Magneto-Rheological Materials: Stimuli-Induced Rheological Functions. Curr. Org. Chem. 2005, 9, 1643–1663. [Google Scholar] [CrossRef]
- Malik, A.; Zhang, Z.; Agarwal, R.K. Extraction of battery parameters using a multi-objective genetic algorithm with a non-linear circuit model. J. Power Sources 2014, 259, 76–86. [Google Scholar] [CrossRef]
- Kucharzyk, K.H.; Crawford, R.; Paszczyński, A.; Soule, T.; Hess, T.F. Maximizing microbial degradation of perchlorate using a genetic algorithm: Media optimization. J. Biotechnol. 2012, 157, 189–197. [Google Scholar] [CrossRef]
























| Type | Reduction of Frequency Response (15–23 Hz, Mean) |
|---|---|
| SDOF absorber | 7 dB |
| Dual | 10 dB |
| ATDVA | 15.3 dB |
| Matrix | ZnO (Activator) | Stearic Acid (Activator) | CZ (Accelerator) | Sulfur (Crosslink agent) |
|---|---|---|---|---|
| Natural Rubber | 5 phr | 2 phr | 0.8 phr | 2.5 phr |
| Coil | Core | Connector | Magnetic Conductor |
|---|---|---|---|
| Copper | Brass | SC10 | SC10 |
| Design Parameters | Initial Value | Optimized Value |
|---|---|---|
| a | 120 mm | 120 mm |
| b | 37 mm | 37 mm |
| c | 29 mm | 29 mm |
| d | 52.5 mm | 80.5 mm |
| h | 52.5 mm | 95 mm |
| k | 280 layer | 300 layer |
| Rs | 10 mm | 13 mm |
| Current (A) | Stiffness (kN/m) | Target Frequency (Hz) |
|---|---|---|
| 0.0 | 375.2 | 110 |
| 0.5 | 389.1 | 116 |
| 1.0 | 439.8 | 121 |
| 1.5 | 470.1 | 125 |
| 2.0 | 477.8 | 129 |
| 2.5 | 481.4 | 130 |
| 3.0 | 485.6 | 131 |
© 2020 by the author. Licensee MDPI, Basel, Switzerland. This article is an open access article distributed under the terms and conditions of the Creative Commons Attribution (CC BY) license (http://creativecommons.org/licenses/by/4.0/).
Share and Cite
Jeong, U.-C. Application of Adaptive Tuned Magneto-Rheological Elastomer for Vibration Reduction of a Plate by a Variable-Unbalance Excitation. Appl. Sci. 2020, 10, 3934. https://doi.org/10.3390/app10113934
Jeong U-C. Application of Adaptive Tuned Magneto-Rheological Elastomer for Vibration Reduction of a Plate by a Variable-Unbalance Excitation. Applied Sciences. 2020; 10(11):3934. https://doi.org/10.3390/app10113934
Chicago/Turabian StyleJeong, Un-Chang. 2020. "Application of Adaptive Tuned Magneto-Rheological Elastomer for Vibration Reduction of a Plate by a Variable-Unbalance Excitation" Applied Sciences 10, no. 11: 3934. https://doi.org/10.3390/app10113934
APA StyleJeong, U.-C. (2020). Application of Adaptive Tuned Magneto-Rheological Elastomer for Vibration Reduction of a Plate by a Variable-Unbalance Excitation. Applied Sciences, 10(11), 3934. https://doi.org/10.3390/app10113934
