Research on Inertial Force Suppression Control for Hydraulic Cylinder Synchronization of Shield Tunnel Segment Erector Based on Sliding Mode Control
Abstract
1. Introduction
2. Related Work
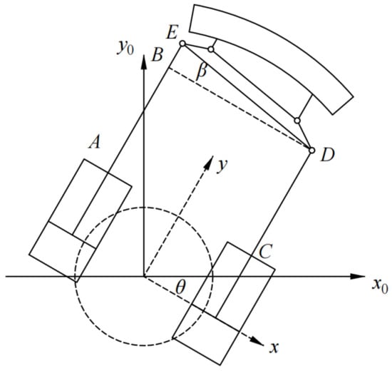
2.1. Problem Description
2.2. Force Equilibrium Equations
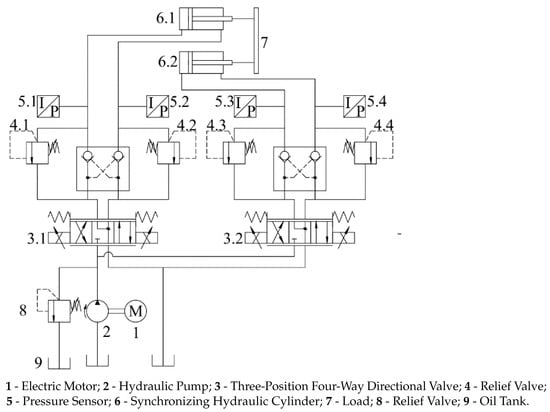
2.3. Integrated Flow Equation
- Relief valve: regulates system input pressure.
- Electro-proportional directional valve: controls the direction and displacement of the hydraulic cylinders.
- Counterbalance valve: ensures system pressure stability and provides instantaneous overpressure relief.
- Displacement sensor: facilitates closed-loop control through real-time monitoring of cylinder displacement.
3. Methodology
3.1. Controller Design
3.2. Simulation and Analysis
- The strong robustness of the sliding surface against uncertainties.
- The use of an adaptive boundary layer to suppress high-frequency switching.
- Inertial force compensation, which effectively counteracts dynamic coupling effects.
- The inherent disturbance invariance of sliding surfaces.
- A power-rate reaching law that ensures rapid convergence.
- Inertial force compensation that effectively counteracts dynamic impacts.
4. Experiments
4.1. Description of the Experimental Platform
- Step displacement test: The target synchronous lifting displacement was set to 800 mm. We recorded the displacement error, inertial forces, and response time.
- Variable load test: Step load disturbances of ±2 t were applied during motion to evaluate the controller’s disturbance rejection capability.
4.2. Experimental Results and Analysis
- The inadequate adaptability of PID control to nonlinear systems.
- The inability of its fixed parameters to compensate for time-varying characteristics.
- The absence of an effective coupling suppression mechanism.
5. Conclusions
Author Contributions
Funding
Data Availability Statement
Conflicts of Interest
References
- Hong, K.R.; Du, Y.L.; Chen, K.; Feng, H.H.; Jia, L.H.; Xu, F. Full-Face Tunnel Boring Machines(Shields/TBMs) in China: History, Achievements, and Prospects. Tunn. Constr. 2022, 42, 739–756. [Google Scholar]
- Miao, W.; Yan, S.; Li, J.; Ding, W.; Li, Y. Development Status and Trend of Tunnel Boring Machine (TBM). Intern. Combust. Engine Parts 2021, 203–205. [Google Scholar] [CrossRef]
- Li, F.; Zeng, C. Development Status and Trend of Intelligent Manufacturing Operation and Maintenance for Full-Face Tunnel Boring Machine. Tunn. Constr. 2023, 43, 6–13. [Google Scholar]
- Bi, Z.; Zhao, H.; Tao, Y.; He, E. Research status of segment erector in shield tunneling machine at home and abroad. Min. Process. Equip. 2014, 42, 1–6. [Google Scholar] [CrossRef]
- Hang, C. Research on Fully Automatic Assembly of Segment Assembly Machine. Master’s Thesis, East China Jiaotong University, Nanchang, China, 2022. [Google Scholar]
- Wang, S.; Zhang, C.; Fu, J.; Yang, J. Shield Tunnel Engineering: From Theory to Practice; Elsevier: Amsterdam, The Netherlands, 2021. [Google Scholar]
- Xu, Z.; Li, J.; Zhao, X.; Li, L.; Wang, Z.; Tong, X.; Bin, T.; Jun, H.; Guiping, W.; Qian, Z. A review on intelligent road and its related key technologies. China J. Highw. Transp. 2019, 32, 1–24. [Google Scholar]
- Cao, T.; Xu, J.; Cao, R.; Qiu, J.; Cheng, B.; Li, B. Design and analysis of gripping device of grasping device for six-degree-freedom pipe segment assembly machine. China Civ. Eng. J. 2024, 57, 141–146. [Google Scholar] [CrossRef]
- He, X.; Wu, Q. Intelligent type selection system of full face rock tunnel boring machine. China Mech. Eng. 2007, 681–686. [Google Scholar]
- Hu, S. Investigation into Electrohydraulic Control Systems for Shield Tunneling Machine and Simulated Experiment Method. Ph.D. Thesis, Zhejiang University, Hangzhou, China, 2012. [Google Scholar]
- Min, Z.; Bo, Y.; Li, W.; Lü, C.; Zheng, W. Impact Design and Simulation of Hydraulic System for AMESim Pruning Machine. J. Agric. Mech. Res. 2025, 47, 284–291. [Google Scholar] [CrossRef]
- Liu, C. Research on Influencing Factors of Reversing Impact of Pendulum Valve in Truck-Mounted Concrete Pump. Constr. Mach. Equip. 2025, 56, 65–67+69. [Google Scholar]
- Stosiak, M.; Karpenko, M.; Skačkauskas, P.; Deptuła, A. Identification of pressure pulsation spectrum in a hydraulic system with a vibrating proportional valve. J. Vib. Control 2024, 30, 4917–4930. [Google Scholar] [CrossRef]
- Zhang, J. Research on the Configuration and Pressure Shock Suppression Method of Servo Booster System for Ultrahigh Pressure Equipment. Master’s Thesis, Taiyuan University of Technology, Taiyuan, China, 2024. [Google Scholar]
- Peng, X.; Gong, G.; Chen, K. Synchronization fuzzy pid control of lifting hydraulic cylinders forsegment erector. J. Zhejiang Univ. Eng. Sci. 2014, 48, 2002–2008. [Google Scholar]
- Shi, Y. Simulation analysis of hydraulic synchronous lifting system based on fuzzy PID control. Comput. Eng. Sci. 2016, 38, 2334. [Google Scholar]
- Bian, Y.; Fang, X. Design of synchronous control system of segment erector for rectangular shield. J. Tongji Univ. (Nat. Sci.) 2016, 44, 637–644. [Google Scholar]
- Han, M.; Song, Y.; Zhao, W.; Cheng, Y.; Xiang, J. Simulation and optimization of synchronization control system for CFETR water hydraulic manipulator based on AMESim. J. Fusion Energy 2015, 34, 566–570. [Google Scholar] [CrossRef]
- Zhang, L.; Li, Y. Synchronous control of double hydraulic cylinders of scissors aerial work platform based on fuzzy PID. In Proceedings of the 2020 5th International Conference on Electromechanical Control Technology and Transportation (ICECTT), Nanchang, China, 15–17 May 2020; pp. 349–354. [Google Scholar]
- Liu, X.; Shan, Z.; Yang, F.; Li, J. Research on Key Problems of Synchronous Control of Hydraulic System Based on Particle Swarm Fuzzy PID. In Proceedings of the 2023 IEEE International Conference on Mechatronics and Automation (ICMA), Harbin, China, 6–9 August 2023; pp. 1732–1737. [Google Scholar]
- Wu, C.; Xin, H. Fuzzy self-tuning integral separation PID synchronous control on multi-cylinder hydraulic press. Forg. Stamp. Technol. 2022, 47, 146–153. [Google Scholar]
- Kassem, S.; El-Din, T.S.; Helduser, S. Motion synchronization enhancement of hydraulic servo cylinders for mould oscillation. Int. J. Fluid Power 2012, 13, 51–60. [Google Scholar] [CrossRef]
- Liu, H.; Liu, Q. Research on synchronous motion control of double-cylinder hydraulic system based on backstepping controller. Mach. Tool Hydraul. 2024, 52, 168–174. [Google Scholar]
- Xu, C.; Xu, X.; Liu, Z. Research on multi-cylinder synchronous control system of multi-directional forging hydraulic press. J. Phys. Conf. Ser. 2022, 2338, 012081. [Google Scholar] [CrossRef]
- Yao, S.; Gao, G.; Gao, Z.; Li, S. Active disturbance rejection synchronization control for parallel electro-coating conveyor. ISA Trans. 2020, 101, 327–334. [Google Scholar] [CrossRef] [PubMed]
- Yang, L.; Cen, Y.; Ye, X.; Huang, J. Synchronous control research for hydraulic bending machine based on single neuron PID strategy. Mach. Tool Hydraul. 2017, 45, 119–123. [Google Scholar]
- Mishra, A.K.; Kulkarni, A.; Moholkar, V. Automatic leveling mechanism for weapon systems launching platform using induction motor. In Proceedings of the 2012 1st International Conference on Power and Energy in NERIST (ICPEN), Nirjuli, India, 28–29 December 2012; pp. 1–4. [Google Scholar]
- Jin, L. Modeling Simulation and Testing of Hydraulic Lifting System of Segment Erector of Shield Machine. Master’s Thesis, Shanghai Jiao Tong University, Shanghai, China, 2012. [Google Scholar]
- Guo, K.; Tao, J. The modeling and simulation of the hydraulic lift system for shield machine erector. Hydraul. Pneum. Seals 2013, 33, 17–21. [Google Scholar]
- Jiang, Z. Research on Design and Precision Control of Segment Erector for Subway Shield. Master’s Thesis, Huazhong University of Science and Technology, Wuhan, China, 2024. [Google Scholar]
- Li, J.; Zhang, X.; Ma, C.; Yang, L.; Guo, J. Analysis and experimental research on synchronous performance of segment erector lifting system. Tunn. Constr. 2020, 40, 1072–1080. [Google Scholar]
- An, Z. Research on Multi-Objective Trajectory Planning of Segment Erector Considering Error Uncertainty. Master’s Thesis, Zhengzhou University of Light Industry, Zhengzhou, China, 2024. [Google Scholar]
- Gong, J.; Bao, T.; Zhu, Z.; Yu, H.; Li, Y. BIM-based framework of automatic tunnel segment assembly and deviation control. Undergr. Space 2024, 16, 59–78. [Google Scholar] [CrossRef]
- Sun, C.; Dong, X.; Li, J. Cross-coupled sliding mode synchronous control for a double lifting point hydraulic hoist. Sensors 2023, 23, 9387. [Google Scholar] [CrossRef] [PubMed]
- Zhang, L.; Feng, J.; Qiu, W.; Zhang, L. Experiment and simulation research on synchronization control of shaking tables system based on adaptive sliding mode controller. J. Vib. Eng. Technol. 2023, 11, 1623–1645. [Google Scholar] [CrossRef]
- Meng, D.; Tao, G.; Li, A.; Li, W. Motion synchronization of dual-cylinder pneumatic servo systems with integration of adaptive robust control and cross-coupling approach. J. Zhejiang Univ. Sci. C 2014, 15, 651–663. [Google Scholar] [CrossRef]
- Kam, J.; Oh, D.; Lee, I.; Kim, J.; Lee, H. Synchronization Control of Two Hydraulic Cylinders Using Feedback Linearization Compensator and Disturbance Observer. J. Drive Control 2013, 10, 14–20. [Google Scholar] [CrossRef][Green Version]
- Xie, P.; Chen, K.; Zhu, Y.; Luo, H. Dynamic parametric modeling of shield tunnel: A WebGL-based framework for assisting shield segment assembly point selection. Tunn. Undergr. Space Technol. 2023, 142, 105395. [Google Scholar] [CrossRef]
- Wang, L.; Sun, W.; Gong, G.; Yang, H. Electro-hydraulic control of high-speed segment erection processes. Autom. Constr. 2017, 73, 67–77. [Google Scholar] [CrossRef]
- Wang, L.; Gong, G.; Hu, S.; Hou, D. Positioning precision and impact force control of segment erector for shield tunneling machine. In Proceedings of the 2012 Third International Conference on Digital Manufacturing & Automation, Guilin, China, 31 July–2 August 2012; pp. 612–617. [Google Scholar]
- Wang, W.; Zhang, Y. Research on real-time attitude detection method of shield machine. In Proceedings of the 2021 International Conference on Big Data Engineering and Education (BDEE), Guiyang, China, 23–25 July 2021; pp. 90–95. [Google Scholar]














| Control Method | Model Precision | Computational Cost | Real-Time Performance | Inertial Force Control | Robustness |
|---|---|---|---|---|---|
| PID Control | Low | Low | Medium | Weak | Strong |
| Intelligent Control | Medium | Medium | Strong | Medium | Weak |
| Real-Time Simulation and Digital Twin | High | High | Strong | Strong | Strong |
| Parameters | Numerical/Model Designation |
|---|---|
| Segment erector model specification | SPM-6000 |
| Hydraulic cylinder dimensions | 280/150–1200 mm |
| Stroke of hydraulic cylinder | 1200 mm |
| Maximum load capacity | 12 t (single-cylinder) |
| The measurement accuracy of displacement sensors | ±0.1 mm (LVDT type) |
| Control signal sampling frequency | 1 kHz |
| Rated pressure of hydraulic system | 21 MPa |
| Hydraulic pump model | Rexroth A10V0180LA7D132R |
| Balance valve pressure | 5 MPa |
| Proportional directional valve flow gain | 40 L/min |
| Characteristic Parameter | Settling Time | Steady-State Time | Maximum Overshoot | Maximum Synchronization Error | Steady-State Error Range |
|---|---|---|---|---|---|
| PID | 3.75 s | 4.73 s | 3.4 mm | ±1.5 mm | ±0.3 mm |
| SMC | 5.33 s | 6.14 s | 0 mm | ±0.5 mm | ±0.15 mm |
Disclaimer/Publisher’s Note: The statements, opinions and data contained in all publications are solely those of the individual author(s) and contributor(s) and not of MDPI and/or the editor(s). MDPI and/or the editor(s) disclaim responsibility for any injury to people or property resulting from any ideas, methods, instructions or products referred to in the content. |
© 2025 by the authors. Licensee MDPI, Basel, Switzerland. This article is an open access article distributed under the terms and conditions of the Creative Commons Attribution (CC BY) license (https://creativecommons.org/licenses/by/4.0/).
Share and Cite
Zhang, F.; Wang, Z.; Zhang, X.; Wang, X.; Hu, X. Research on Inertial Force Suppression Control for Hydraulic Cylinder Synchronization of Shield Tunnel Segment Erector Based on Sliding Mode Control. Actuators 2025, 14, 449. https://doi.org/10.3390/act14090449
Zhang F, Wang Z, Zhang X, Wang X, Hu X. Research on Inertial Force Suppression Control for Hydraulic Cylinder Synchronization of Shield Tunnel Segment Erector Based on Sliding Mode Control. Actuators. 2025; 14(9):449. https://doi.org/10.3390/act14090449
Chicago/Turabian StyleZhang, Fangao, Zhaoqiang Wang, Xiaori Zhang, Xiaoqiang Wang, and Xiaoxi Hu. 2025. "Research on Inertial Force Suppression Control for Hydraulic Cylinder Synchronization of Shield Tunnel Segment Erector Based on Sliding Mode Control" Actuators 14, no. 9: 449. https://doi.org/10.3390/act14090449
APA StyleZhang, F., Wang, Z., Zhang, X., Wang, X., & Hu, X. (2025). Research on Inertial Force Suppression Control for Hydraulic Cylinder Synchronization of Shield Tunnel Segment Erector Based on Sliding Mode Control. Actuators, 14(9), 449. https://doi.org/10.3390/act14090449

