Next Article in Journal
Design and Field Evaluation of an End Effector for Robotic Strawberry Harvesting
Next Article in Special Issue
A Reasoned Attempt to Mitigate Vibrations in Nonlinear Flexible Systems Influenced by Tractive–Elastic Rolling Contact Friction Through Input Shaping: A Case Study on a Trolley–Pipe Benchmark Transport System
Previous Article in Journal
Design and Analysis of Combined Vibration Absorbers for Ship Propulsion Shaft Systems
Previous Article in Special Issue
Study on Dynamics of Overrunning Spring Clutches and Suppression Methods for Their Abnormal Noise
 
 
Font Type:
Arial Georgia Verdana
Font Size:
Aa Aa Aa
Line Spacing:
Column Width:
Background:
Article

Slewing and Active Vibration Control of a Flexible Single-Link Manipulator

1
Department of Mechanical, Robotics and Energy Engineering, Dongguk University, Seoul 04620, Republic of Korea
2
Department of Mechanical Engineering, Michigan State University, East Lansing, MI 48824, USA
*
Author to whom correspondence should be addressed.
Actuators 2025, 14(2), 43; https://doi.org/10.3390/act14020043
Submission received: 26 November 2024 / Revised: 8 January 2025 / Accepted: 17 January 2025 / Published: 22 January 2025
(This article belongs to the Special Issue Nonlinear Active Vibration Control)

Abstract

This study focuses on the slewing and vibration suppression of flexible single-link manipulators. While extensive research has been conducted on such systems, few studies have experimentally validated their theoretical models. To address this gap, an experimental setup is developed, connecting the flexible link to a zero-backlash worm gear and further attaching it to the rotor shaft of the AC servomotor. The worm gear’s characteristics isolate the link’s vibrations from the rotor’s angular motion, enabling independent design of the vibration controller and slewing control. This approach facilitates simultaneous accurate trajectory tracking and vibration suppression. An active vibration control algorithm is implemented based on an accurate dynamic model. This research encompasses dynamic modeling, slewing control, and vibration control for the system. Theoretical predictions are compared with experimental results to validate both the theoretical model and the proposed vibration control algorithm.

1. Introduction

Studying the dynamics of flexible manipulators is crucial for several reasons, particularly in the context of robotics and mechanical systems. Understanding the dynamics is essential for optimizing the performance of the manipulator. Flexible elements such as links, joints, or actuators can introduce vibrations or oscillations that affect the accuracy, speed, and efficiency of operations. By analyzing these dynamics, engineers can design control strategies to mitigate these effects and enhance the overall performance. Effective control design requires a comprehensive understanding of the manipulator’s dynamics. Flexible manipulators often exhibit complex behaviors such as vibration modes, resonance, and coupling effects between different parts of the system. Controllers must account for these dynamics to achieve precise positioning, trajectory tracking, and stability during operation. Unmanaged dynamics can result in unpredictable behaviors, posing safety risks in industrial settings where manipulators interact closely with humans or delicate equipment. By studying these dynamics, engineers can implement safety measures and design manipulators that are robust and reliable under diverse operating conditions. Dynamics studies can contribute to improving energy efficiency. By minimizing unnecessary movements and vibrations through optimized control strategies, energy consumption can be reduced, making the manipulator more cost-effective and environmentally friendly. Flexible manipulators are vital in applications such as space robotics, medical robotics, and manufacturing processes, where precise control and adaptability are critical. Understanding their dynamics enables the development of innovative solutions for these advanced applications. Accurate dynamic models are fundamental for the simulation and virtual testing of manipulator designs before physical implementation. This approach saves time and resources in the design phase and facilitates rapid prototyping and iterative improvements. In essence, studying the dynamics and control of flexible manipulators is indispensable for achieving high-performance, reliable, and safe robotic systems across a wide range of applications, contributing to advancements in automation and technology.
The object of this study is the single-link flexible manipulator, which represents the simplest form of robotic manipulator. A single-link flexible manipulator consists of a beam attached to a hub, which is connected to the rotor shaft of a motor. Slewing or maneuvering the beam induces elastic vibrations due to inertial forces. Research on the coupled dynamic analysis of rotation and vibration in single-link flexible manipulators includes the following.
Bellezza et al. [1] and Morris and Taylor [2] performed dynamic analyses of single-link flexible manipulators using a variational calculus approach, incorporating the rotating inertia of the base and the payload at the tip. They validated their models by comparing the experimental results with the theoretical predictions of natural frequencies. Kwak [3] introduced new admissible functions in the assumed mode method, enabling more accurate numerical analysis of slewing beams with fewer admissible functions. Coleman [4] utilized the wave propagation method (WPM) to analyze the dynamics of a single-link flexible manipulator, aiming to efficiently evaluate multiple modes with minimal computational effort.
The control strategies for single-link flexible manipulators are broadly categorized into model-based and model-free approaches [5]. Among the model-based techniques, input shaping control is a prominent method. Shan et al. [6] proposed a modified input shaping (MIS) control method, integrating MIS with a PD controller for experimental multi-mode vibration suppression in single-link flexible manipulators. Similarly, Tahir et al. [7] developed a control scheme combining an output-based input shaping filter with LQR and PID controllers, comparing their performance through simulations. Input shaping-based controls offer excellent robustness and rapid vibration damping, ensuring fast convergence. However, their performance heavily depends on the accuracy of the system model.
The model-free approaches encompass active control techniques such as positive position feedback (PPF), PID, linear velocity feedback (LVF), and integral resonant control (IRC), as well as intelligent control methods like adaptive control and fuzzy logic. These techniques offer flexibility by minimizing reliance on precise system models, making them well suited for systems with uncertainties or varying dynamics. Most studies on the vibration suppression of single-link flexible manipulators using PPF and LVF controls have employed piezoelectric actuators attached to the manipulator’s surface. Denoyer and Kwak [8] proposed decentralized PPF controllers and multi-input, multi-output linear quadratic Gaussian (LQG) controllers, validating their methods through experiments using both analog and digital implementations. Shan et al. [9] and Lou et al. [10] used PZT actuators to control multi-mode vibrations in single-link flexible manipulators. They designed a PPF controller to drive the PZT actuators while applying PD control for hub motion, with their approach being validated experimentally. Sun et al. [11] optimized the placement of PZT actuators and employed a linear velocity feedback control technique for vibration suppression, combined with PD control for hub motion. Their methods were validated through experiments. Mansour et al. [12] proposed a modified PID controller and validated its performance through experiments comparing it with a conventional PI controller. Abd Latip et al. [13] introduced a novel controller utilizing an adaptive PID approach, enabling robust control even in the presence of actuator faults, and demonstrated its effectiveness through simulations under various scenarios. Pereira et al. [14] proposed a controller based on the IRC technique for collocated actuator–sensor systems, featuring two nested feedback loops and utilizing strain gauges to measure the coupling torque, thereby enhancing the robustness against external disturbances.
Feliu et al. [15] introduced a robust control method for single-link flexible manipulators to address joint friction and payload variations. The scheme incorporates nested feedback loops and adaptive control to achieve real-time tip position control with minimal computational effort. Experimental validation was performed using a camera to measure the tip position as a control input. Belherazem and Chenafa [16] proposed an adaptive passivity-based control method to enhance the robustness of the controllers and validated its performance through simulations. Ahmad et al. [17] developed a composite fuzzy logic control scheme for trajectory tracking and vibration control of a flexible joint manipulator, evaluating its performance through simulations. Zhang et al. [18] addressed challenges related to nonlinear input dead-zones and unknown system parameters/structures by introducing an adaptive fuzzy control method, which was verified through simulations. Recently, there has been growing interest in controllers utilizing artificial neural networks (ANNs). For example, Li and Liu [19] proposed an adaptive fault-tolerant control system incorporating ANNs to handle actuator failures and uncertain boundary disturbances, demonstrating its superiority over a conventional PD controller through simulations. Furthermore, Lima et al. [20] combined a sliding mode controller with ANNs, enabling real-time adjustments via online learning. The experimental results showed that this controller outperformed a nonlinear adaptive controller in terms of performance.
A review of the studies mentioned above reveals that most are theoretical in nature. While some include experimental results [15,21,22,23], discrepancies between theoretical predictions and experimental responses are often observed. The primary reason for these differences in single-link flexible manipulators, considered the simplest structures, lies in the connection between the beam’s rotational axis and the motor via a gearbox. In practical systems, motors are rarely used without a gearbox due to their efficiency and economic benefits. However, the inclusion of a gearbox introduces complexities into the system’s vibration, caused by gear teeth, friction, and backlash, leading to responses that deviate from theoretical predictions. For single-link flexible manipulators connected to gearboxes, developing a theoretical model capable of accurately predicting dynamic responses is challenging, and designing an active vibration controller becomes even more difficult. Furthermore, the electro-mechanical modeling of the motor driving the slewing motion is inherently complex. Motors are electro-mechanical systems, requiring models that incorporate both the motor’s electrical circuitry and the driver controlling the motor. The AC servomotor is commonly used to drive automation processes and manipulators due to its precise control of the motor shaft’s angular motion. The precision is achieved through a built-in PID controller and an encoder for angle measurement. AC servomotors typically operate in three modes: position, velocity, and torque mode. To ensure real-time tracking of a given angle, an external feedback algorithm is often integrated with the velocity mode. Although AC servomotors can accurately control the position, gearboxes are necessary to produce sufficient torque. However, the inclusion of a gearbox can result in unexpected dynamic responses due to issues such as backlash.
As mentioned above, the primary goal of research on single-link flexible manipulators is to accurately track a given angle while minimizing vibrations. Most studies assume that the motor driving the manipulator functions as a torque actuator. However, this assumption is unrealistic, as most motors are equipped with gearboxes. Additionally, the amplifiers driving the motors use pulse-width-modulated (PWM) signals, meaning the torque actuator model in the dynamic analysis does not accurately represent the actual actuating mechanism. When a geared motor is used to drive the manipulator, the desired angular motion of the rotor and the vibration of the flexible link are often decoupled in theoretical dynamic models. Furthermore, the high-frequency noise caused by gear backlash leads to discrepancies between the dynamic response and the actual behavior. As a result, the theoretical model often fails to capture the real dynamic response accurately.
In this study, the flexible manipulator is modeled not with an excitation torque (nor with a force at the payload) but with imposed angular deflection of the hub. A control system is designed to establish the imposed hub rotation for slewing. In an experimental testbed, an AC servo-driven system and a zero-backlash worm gear are utilized to verify the validity of the theoretical dynamic model’s predictions. The zero-backlash worm gear is employed to eliminate the nonlinearity typically associated with gearboxes. Additionally, an external PID control algorithm is implemented to accurately track the time-dependent angle of the motor rotor. The theoretical dynamic model is derived based on the link’s vibration induced by angular acceleration, enabling straightforward response calculations. The experimental results using this system demonstrate that the dynamic responses closely match the predictions of the theoretical model. Furthermore, a new active vibration control algorithm for a slewing manipulator is proposed using the accurate dynamic model. The algorithm’s effectiveness for a single-link flexible manipulator is experimentally validated. This study confirms that the theoretical response obtained from the angular motion control algorithm and the vibration analysis model closely aligns with the experimental results.

2. Dynamic Modeling of a Slewing Flexible Beam with a Tip Mass

Consider a slewing single-link flexible beam, as depicted in the following figure, with a uniform Euler–Bernoulli beam and a concentrated mass at its end.
In Figure 1, X and Y denote the absolute Cartesian coordinate system, while x and y denote the slewing rotational coordinate system. θ represents the rotation angle of the hub, referred to as the slewing angle, and is modeled as imposed. m denotes the mass of the beam, E I is the bending stiffness, L is the beam’s length, and M c represents the concentrated mass attached to the end. u x , t denotes the displacement relative to the hub at an arbitrary location. At the point P, the displacement vector is expressed as
R p = ( x cos θ + u sin θ ) i + ( x sin θ + u cos θ ) j
The velocity can be derived by differentiating Equation (1) with respect to the time.
v p = R ˙ p = ( x θ ˙ sin θ + u ˙ sin θ + u θ ˙ cos θ ) i + ( x θ ˙ cos θ + u ˙ cos θ u θ ˙ sin θ ) j
Hence, we can obtain
v p 2 = v p v p = x 2 θ ˙ 2 + u ˙ 2 + u 2 θ ˙ 2 + 2 x θ ˙ u ˙
The kinetic energy of the structure is expressed as follows:
T = 1 2 0 L m ¯ v p 2 d x + 1 2 M c v p L 2
where
v p L 2 = L 2 θ ˙ 2 + u ˙ 2 ( L , t ) + u 2 ( L , t ) θ ˙ 2 + 2 L θ ˙ u ˙ ( L , t )
The displacement of the beam, based on the assumed mode method (AMM), is expressed as follows:
u ξ , t = Φ ξ q t
where ξ = x / L and Φ = Φ 1   Φ 2     Φ n represents an 1 × n matrix consisting of admissible functions, and q t = q 1   q 2     q n T is an n × 1 vector of generalized coordinates and n is the number of admissible functions used for discretization. Fundamentally, there are two classes of approaches [24,25]. In the “constrained” approach, the admissible functions are based on the normal modes of a cantilevered beam, and the generalized coordinates include the assumed modal coordinates and the hub angle. The “unconstrained” approach is based on the normal modes of the beam–hub system, which may be less practical.
Following the “constrained” approach, by substituting Equations (3) and (5) into Equation (4) and using Equation (6), the kinetic energy is rewritten as
T = 1 2 I t θ ˙ 2 + 1 2 q ˙ T M t q ˙ + 1 2 θ ˙ 2 q T M t q + θ ˙ Φ ˜ t q ˙
where
I t = 1 3 m L 2 + M c L 2 ,   M t = m M ¯ + M c Φ L T Φ L ,   Φ ˜ t = m L Φ ˜ + M c L Φ L
in which
M ¯ = 0 1 Φ T Φ d ξ ,   Φ ˜ = 0 1 ξ   Φ   d ξ ,   Φ L = Φ 1
The potential energy can be written as
V = 1 2 0 L E I 2 u x 2 2 d x
Inserting Equation (6) into (10), we can obtain
V = 1 2 q T K t q
where
K t = E I L 3 K ¯
in which
K ¯ = 0 1 Φ T Φ d ξ
where ″ = d 2 / d ξ 2 .
The equations of motion are derived using Lagrange’s equation to obtain
M t q ¨ + C t q ˙ + K t θ ˙ 2 M t q = Φ ˜ t T θ ¨
Note from Equations (8), (9), (12) and (13), that M t and K t are symmetric. The damping term is incorporated during the derivation of Equation (14). As presented in Equation (14), the equations of motion are nonlinear, or parametrically excited if θ t is imposed, due to the effect of rotation. However, nonlinear stiffness terms are not included in the model (i.e., u is small). Assuming that θ ˙ is small, indicating a slow slewing motion, the linearized equations of motion are
M t q ¨ + C t q ˙ + K t q = Φ ˜ t T θ ¨
Designing active vibration control for the equations of motion in Equation (15) is challenging because they are coupled with multiple modal frequencies. Therefore, the modal transformation, q = U r , where the columns of U are the normalized modal vectors of M t and K t , is employed to decouple the equations of motion. Due to the symmetry in M t and K t , and assuming modal damping, the modal matrix satisfies the orthonormality conditions below:
U T M t U = I , U T K t U = Λ = Ω 2 ,   U T C t U = 2 Z Ω
where Λ = Ω 2 is a diagonal consisting of squares of modal frequencies, and Z is a diagonal matrix of the modal damping factor.
The decoupled equations of motion can then be obtained as
r ¨ + 2 Z Ω r ˙ + Λ r = U T Φ ˜ t T θ ¨ = B t θ ¨
The angular motion is separated into the slewing angle, used to reorient the link, and the residual control angle for active vibration control. Thus,
θ = θ c + θ r
where θ c represents the desired slewing angle achieved through the slewing control and serves as the system input, while θ r denotes fluctuations in the motor angular motion determined by an active vibration control algorithm. Substituting Equation (18) into Equation (17) yields the following equation:
r ¨ + 2 Z Ω r ˙ + Λ r = B t θ ¨ r + d
where d = B t θ ¨ c , indicating that the flexural vibrations arise from disturbances caused by the angular acceleration of the rotor shaft. Fortunately, these disturbances vanish as the slewing halts. However, residual free vibrations persist and must be mitigated through control.

3. Design of Active Vibration Control

As demonstrated in Equation (19), the active vibration control must be designed to address vibrations induced by the angular acceleration of the rotor shaft. To suppress the vibrations, residual angular motion becomes essential. However, controlling all the modes using a single rotor motion is not feasible. Additionally, rapid rotor motion is necessary to account for the natural frequencies of higher modes. Both theoretical and experimental observations indicate that primarily, the fundamental mode is excited. Therefore, active vibration control focused on the fundamental mode appears sufficient to achieve our objective. Considering only the fundamental mode of the modal equations of motion for control, the system can be expressed as follows:
r ¨ 1 + 2 ζ 1 ω 1 r ˙ 1 + ω 1 2 r 1 = g b t 1 θ ¨ r + d 1
where g b t 1 is the first element of B t , and g is the control gain.
This study proposes the following compensator to suppress the elastic vibrations described in Equation (20):
θ ¨ r + 2 ζ f ω 1 θ ˙ r + ω 1 2 θ r = g b t 1 r ¨ 1
where ζ f is the damping factor for the NAF controller. Applying the Laplace transform to Equation (21) yields the following transfer function:
Θ ¯ r s R ¨ ¯ 1 s = g b t 1 s 2 + 2 ζ f ω 1 s + ω 1 2
The compensator equation in Equation (22) corresponds to the negative acceleration feedback (NAF) controller designed for the active mass damper [26]. The transfer function of the NAF controller shares the same mathematical form as that of the PPF controller and a standard low-pass filter. Therefore, the NAF controller, similar to the PPF controller, eliminates spillover effects by rolling off high-frequency modes, ensuring that only the targeted lower-order modes are effectively controlled.
Combining Equations (20) and (21) yields the closed-loop equations of motion as
1 g b t 1 g b t 1 1 r ¨ 1 θ ¨ r + 2 ζ 1 ω 1 0 0 2 ζ f ω 1 r ˙ 1 θ ˙ r + ω 1 2 0 0 ω 1 2 r 1 θ r = d 1 0
Stability analysis of the closed-loop system in Equation (23) reveals that the system remains stable if the control gain is sufficiently small, satisfying g b t 1 < 1 , and active damping is achieved. However, measuring r ¨ 1 is necessary to implement the control law in Equation (22). An accelerometer, the most commonly used sensor for measuring vibrations, is attached to the tip of the beam, as demonstrated in the experiments. Once the slewing ends, u ¨ ( L , t ) = Φ L U r ¨ can be measured. The control algorithm in Equation (22) can then be easily applied, as the proposed control law functions as a low-pass filter. This feature constitutes the primary advantage of the proposed control algorithm.

4. State-Space Equations and Sensor Equation

The n degree-of-freedom state-space equation for the slewing motion without an active vibration controller ( θ r = 0 ) is expressed as
x ˙ u = A u x u + B u θ ¨ c y u = x u = C u x u + D u θ ¨ c
where x u = [   r T     r ˙ T   ] T , and
A u = 0 n × n I n × n Λ 2 Z Ω ,       B u = 0 n × 1 B t ,     C u = I 2 n × 2 n ,       D u = 0 2 n × 1
Using Equation (24), the uncontrolled response of the slewing beam is readily calculated for a given trajectory of θ c . In the nonlinear case, A u must be replaced with A n , where
A n = 0 n × n I n × n Λ + θ ˙ c 2 I n × n 2 Z Ω
The closed-loop control system is derived by combining Equations (19) and (21), such that
x ˙ c = A c x c + B c θ ¨ c y c = x c = C c x c + D c θ ¨ c
where x c = [   r T   θ r     r ˙ T   θ ˙ r   ] T , and
A c = 0 ( n + 1 ) × ( n + 1 ) I ( n + 1 ) × ( n + 1 ) M c s 1 K c s M c s 1 C c s ,       B c = 0 ( n + 1 ) × 1 M c s 1 B c s , C c = I 2 ( n + 1 ) × 2 ( n + 1 ) ,       D c = 0 2 ( n + 1 ) × 1
in which
M c s = I n × n B t g r B t 1 ,       C c s = 2 Z Ω 0 n × 1 0 1 × n 2 ζ f ω 1 , K c s = Λ 0 n × 1 0 1 × n ω 1 2 ,       B c s = B t 0
where g r = [   g     0       0   ]   .
The accelerometer is attached to the tip of the beam, as demonstrated in the experiments. The acceleration at the beam’s tip is expressed as follows:
a t i p = L θ ¨ + u ¨ ( L , t ) = L θ ¨ c + L θ ¨ r + Φ L U r ¨       = ( L Φ L U B t T ) θ ¨ c + ( L Φ L U B t T ) θ ¨ r Φ L U Λ r 2 Φ L U Z Ω r ˙

5. Numerical Simulation

Consider the commanded slewing angle trajectory defined by the following equation:
θ c = 0 0 t 1 1.309 t 1 1 2 π sin 2 π t 1 1 < t 2 1.309 t > 2
Figure 2 illustrates the angle, angular velocity, and angular acceleration of the commanded slewing angle trajectory.
The simulated system is based on the beam described later in the Section 6. The parameters used for the numerical calculation of the slewing beam are
m ¯ = 0.208   kg / m ,   M c = 0.149   kg ,   E I = 0.464   Nm 2 , L = 0.6   m ,   ζ = 0.03 ,   ζ f = 0.3
Figure 3 shows the response difference between the linear system (15) and the nonlinear system (14) in simulations of the uncontrolled response with the imposed θ t of Figure 2a. The theoretically calculated first natural frequency of the system is determined to be 0.94 Hz. A slight difference is observed only during the rapid acceleration phase, with negligible differences elsewhere. Thus, a linear system is deemed suitable for the slewing beam.
Figure 4 and Figure 5 illustrate the rotor angle and tip acceleration with and without vibration control activation. Figure 4 demonstrates that an additional angle fluctuation ( θ r ) for vibration suppression is applied to the rotor angle specified for beam vibration suppression. The uncontrolled angle (dashed line) matches the θ c signal in Figure 2a, and the angle with added fluctuation (solid line) amounts to θ c + θ r . Figure 5 shows that the beam’s vibration is rapidly attenuated when active vibration control is activated.

6. Experiments

To validate the theoretical results, an experimental device comprising an AC servomotor (Mitsubishi HG-KR23, Tokyo, Japan), a worm gearbox (Yangheon Machinery, 40RC, Seoul, Republic of Korea) and a steel beam was constructed, as shown in Figure 6. The steel ruler used in the experiment is made of 304 stainless steel, with a length of 600 mm, a width of 30 mm, and a thickness of 1 mm. An ENDEVCO 7751-500 accelerometer (made in Irvine, CA, USA) was mounted at the beam tip to measure the vibrations. The zero-backlash worm gear with a 15:1 gear ratio is depicted in Figure 7.
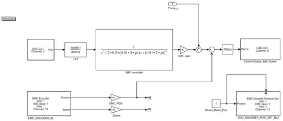
The AC servomotor was controlled using dSPACE’s MicroLabBox (made in Wixom, MI, USA) and the control algorithm was implemented in Mathworks’ Simulink, as shown in Figure 8. Figure 9 depicts the connection diagram of the experimental setup.
The AC servomotor control was designed to precisely track the angle, which is the sum of the slewing trajectory angle and the additional angle for vibration control. A PID controller minimizes the difference between the desired angle and the encoder reading. The use of a zero-backlash worm gear ensures that the rotor shaft’s angular motion remains unaffected by the beam’s elastic vibrations. That is, θ r depends on r ¨ L via feedback but is otherwise independent of u ( x , t ) and its derivatives. This advantage has not been addressed in prior experimental studies. Furthermore, the excitation of high-order vibration modes caused by the backlash in spur gear systems is significantly reduced.
A comparison of the hub’s motion obtained through numerical calculation in Figure 4 and the experimental results in Figure 10 shows close agreement. Figure 11 shows uncontrolled and controlled beam tip accelerations. The associated uncontrolled maximum beam tip displacement is about half of the length of the beam at t = 2.0 s, which may not qualify as a “small” deflection (referred to here as a moderately large deflection). The experimentally measured results indicate that the uncontrolled system’s first natural frequency is 0.91 Hz, with a modal damping ratio of ζ = 0.026 . Comparing the numerical results in Figure 5 with the experimental results in Figure 11 for the beam vibration due to slewing reveals that, without active vibration control, the results are nearly identical, other than a slightly different damping ratio. When the active vibration controller is engaged, the experimental results exhibit slight vibrations at a higher mode, likely due to chattering caused by an excessively large D gain in the PID controller and the imperfect zero-backlash nature of the worm gear. Additional experiments with a reduced D gain confirmed that the chattering was effectively eliminated. Nevertheless, as the fundamental vibration mode is primarily excited, the overall magnitude trends remain consistent. These findings confirm that the theoretical model developed in this study is valid and that the proposed active vibration control method is effective, as demonstrated by both the numerical and experimental results.

7. Discussion and Conclusions

This study differs from previous research on the slewing of flexible single-link systems by deriving a dynamic model under the assumption that the slewing angle trajectory is accurately tracked. Although the vibration displacement is assumed to be small, the derived dynamic model is nonlinear through incorporating the slewing angular velocity. However, the angular velocities used in the numerical and experimental results were not particularly small, and the flexural displacements in the experiment were also not particularly small. Thus, it was shown that the control performance remained robust even at higher angular velocities and flexural displacements. These results demonstrate that the nonlinear term associated with the angular velocity has a negligible effect on the response calculation if the angular velocity is not extremely large, and the control scheme was effective at reducing moderately large deformations. This is consistent with the results of Payo et al. [27], in which the control of a flexible link was effective despite deformations and rotation rates that were not small.
Furthermore, both the numerical calculations and the experimental results confirmed that slewing-induced vibrations can be effectively controlled using a linear control algorithm through a worm gear actuator.
The following conclusions were derived from this study:
  • As the slewing motor is driven by a servomotor, it is preferable to use a model that controls the hub’s angular motion to follow a predetermined trajectory.
  • The active vibration control algorithm proposed in this study effectively suppresses the fundamental vibration mode, enabling control of the vibrations in a slewing flexible-link.
  • The spillover of vibrations to higher modes was observed to be negligible in this experiment, indicating that it does not significantly affect the system’s stability or control performance.
  • Slewing with a zero-backlash worm gear is effective for demonstrating the behavior of both uncontrolled and controlled slewing, and the applicability of the NAF control scheme, as the worm gear decouples the hub shaft’s angular motion from the beam’s vibration.
  • The linear controller designed using the linearized system was effective for controlling the system with moderately large rotation rates and flexural amplitudes, both of which are associated with nonlinearity. However, this study did not address robustness against arbitrarily strong nonlinearities.

Author Contributions

Conceptualization, M.K.K. and D.W.K.; data curation, M.K.K. and D.W.K.; formal analysis, M.K.K. and D.W.K.; investigation, D.W.K.; methodology, M.K.K. and D.W.K.; project administration, M.K.K.; resources, M.K.K.; software, M.K.K. and D.W.K.; supervision, M.K.K. and B.F.F.; validation, M.K.K., D.W.K. and B.F.F.; visualization, M.K.K. and D.W.K.; writing—original draft preparation, M.K.K., D.W.K. and S.-M.K.; writing—review and editing, M.K.K., D.W.K. and B.F.F. All authors have read and agreed to the published version of the manuscript.

Funding

This research was supported by the Korea Institute for Advancement of Technology (KIAT) grant funded by the Korea Government (MOTIE) (RS-2024-00435502, Human Resource Development Program for Industrial Innovation (Global)).

Data Availability Statement

The data that support the findings of this study are available from the corresponding author upon reasonable request.

Conflicts of Interest

The authors declare no conflicts of interest.

References

  1. Bellezza, F.; Lanari, L.; Ulivi, G. Exact modeling of the flexible slewing link. In Proceedings of the IEEE International Conference on Robotics and Automation, Cincinnati, OH, USA, 13–18 May 1990; pp. 734–739. [Google Scholar]
  2. Morris, K.A.; Taylor, K.J. A variational calculus approach to the modelling of flexible manipulators. SIAM Rev. 1996, 38, 294–305. [Google Scholar] [CrossRef]
  3. Kwak, M.K. New admissible functions for the dynamic analysis of a slewing flexible beam. J. Sound Vib. 1998, 210, 581–592. [Google Scholar] [CrossRef]
  4. Coleman, M.P. Vibration eigenfrequency analysis of a single-link flexible manipulator. J. Sound Vib. 1998, 212, 109–120. [Google Scholar] [CrossRef]
  5. Kiang, C.T.; Spowage, A.; Yoong, C.K. Review of control and sensor system of flexible manipulator. J. Intell. Robot. Syst. 2015, 77, 187–213. [Google Scholar] [CrossRef]
  6. Shan, J.; Liu, H.-T.; Sun, D. Modified input shaping for a rotating single-link flexible manipulator. J. Sound Vib. 2005, 285, 187–207. [Google Scholar] [CrossRef]
  7. Tahir, N.M.; Hassan, S.M.; Mohamed, Z.; Ibrahim, A.G. Output based input shaping for optimal control of single link flexible manipulator. Int. J. Smart Sens. Intell. Syst. 2017, 10, 367–386. [Google Scholar] [CrossRef]
  8. Denoyer, K.K.; Kwak, M.K. Dynamic modelling and vibration suppression of a swelling structure utilizing piezoelectric sensors and actuators. J. Sound Vib. 1996, 189, 13–31. [Google Scholar] [CrossRef]
  9. Shan, J.; Liu, H.-T.; Sun, D. Slewing and vibration control of a single-link flexible manipulator by positive position feedback (ppf). Mechatronics 2005, 15, 487–503. [Google Scholar] [CrossRef]
  10. Lou, J.-q.; Wei, Y.-d.; Yang, Y.-l.; Xie, F.-r. Hybrid pd and effective multi-mode positive position feedback control for slewing and vibration suppression of a smart flexible manipulator. Smart Mater. Struct. 2015, 24, 035007. [Google Scholar] [CrossRef]
  11. Sun, D.; Mills, J.K.; Shan, J.; Tso, S.K. A pzt actuator control of a single-link flexible manipulator based on linear velocity feedback and actuator placement. Mechatronics 2004, 14, 381–401. [Google Scholar] [CrossRef]
  12. Mansour, T.; Konno, A.; Uchiyama, M. Modified pid control of a single-link flexible robot. Adv. Robot. 2008, 22, 433–449. [Google Scholar] [CrossRef]
  13. Abd Latip, S.F.; Rashid Husain, A.; Mohamed, Z.; Mohd Basri, M.A. Adaptive pid actuator fault tolerant control of single-link flexible manipulator. Trans. Inst. Meas. Control 2018, 41, 1019–1031. [Google Scholar] [CrossRef]
  14. Pereira, E.; Aphale, S.S.; Feliu, V.; Moheimani, S.O.R. Integral resonant control for vibration damping and precise tip-positioning of a single-link flexible manipulator. IEEE/ASME Trans. Mechatron. 2011, 16, 232–240. [Google Scholar] [CrossRef]
  15. Feliu, V.; Rattan, K.S.; Brown, H.B. Adaptive control of a single-link flexible manipulator. IEEE Control Syst. Mag. 1990, 10, 29–33. [Google Scholar] [CrossRef]
  16. Belherazem, A.; Chenafa, M. Passivity based adaptive control of a single-link flexible manipulator. Autom. Control Comput. Sci. 2021, 55, 1–14. [Google Scholar] [CrossRef]
  17. Ahmad, M.A.; Ismail, R.M.T.R.; Ramli, M.S.; Zawawi, M.A.; Suid, M.H. Vibration control strategy for flexible joint manipulator: A fuzzy logic control approach. In Proceedings of the 2010 IEEE Symposium on Industrial Electronics and Applications (ISIEA), Penang, Malaysia, 3–5 October 2010; pp. 469–474. [Google Scholar]
  18. Zhang, C.; Yang, T.; Sun, N.; Fang, Y. An adaptive fuzzy control method of single-link flexible manipulators with input dead-zones. Int. J. Fuzzy Syst. 2020, 22, 2521–2533. [Google Scholar] [CrossRef]
  19. Li, L.; Liu, J. Neural-network-based adaptive fault-tolerant vibration control of single-link flexible manipulator. Trans. Inst. Meas. Control 2020, 42, 430–438. [Google Scholar] [CrossRef]
  20. Lima, G.d.S.; Porto, D.R.; de Oliveira, A.J.; Bessa, W.M. Intelligent control of a single-link flexible manipulator using sliding modes and artificial neural networks. Electron. Lett. 2021, 57, 869–872. [Google Scholar] [CrossRef]
  21. Pereira, E.; Diaz, I.M.; Cela, J.J.L.; Feliu, V. A new design methodology for passivity-based control of single- link flexible manipulators. In Proceedings of the 2007 IEEE/ASME International Conference on Advanced Intelligent Mechatronics, Zurich, Switzerland, 4–7 September 2007; pp. 1–6. [Google Scholar]
  22. Geniele, H.; Patel, R.V.; Khorasani, K. End-point control of a flexible-link manipulator: Theory and experiments. IEEE Trans. Control Syst. Technol. 1997, 5, 556–570. [Google Scholar] [CrossRef]
  23. Feliu, V.; Pereira, E.; Díaz, I.M. Passivity-based control of single-link flexible manipulators using a linear strain feedback. Mech. Mach. Theory 2014, 71, 191–208. [Google Scholar] [CrossRef]
  24. Barbeiri, E.; Özgüner, U.M. Unconstrained and constrained mode expansions for a flexible slewing link. ASME J. Dyn. Syst. Meas. Control 1988, 110, 416–421. [Google Scholar] [CrossRef]
  25. Chait, Y.; Miklavčič, M.; MacCluer, C.R.; Radcliffe, C.J. A natural modal expansion for the flexible robot arm problem via a self-adjoint formulation. IEEE Trans. Robot. Autom. 1990, 6, 601–603. [Google Scholar] [CrossRef]
  26. Talib, E.; Shin, J.-H.; Kwak, M.K. Designing multi-input multi-output modal-space negative acceleration feedback control for vibration suppression of structures using active mass dampers. J. Sound Vib. 2019, 439, 77–98. [Google Scholar] [CrossRef]
  27. Payo, I.; Ramos, F.; Cortázar, O.D.; Feliu, V. Experimental validation of nonlinear dynamic models for single-link very flexible arms. In Proceedings of the 44th IEEE Conference on Decision and Control, Seville, Spain, 12–15 December 2005; IEEE: Piscataway, NJ, USA, 2005; pp. 5304–5309. [Google Scholar]
Figure 1. A slewing flexible beam with a tip mass.
Figure 1. A slewing flexible beam with a tip mass.
Actuators 14 00043 g001
Figure 2. Slewing angle trajectory: (a) angle; (b) angular velocity; and (c) angular acceleration.
Figure 2. Slewing angle trajectory: (a) angle; (b) angular velocity; and (c) angular acceleration.
Actuators 14 00043 g002
Figure 3. Tip acceleration of the slewing beam.
Figure 3. Tip acceleration of the slewing beam.
Actuators 14 00043 g003
Figure 4. Numerical slewing angle trajectory without and with active vibration control.
Figure 4. Numerical slewing angle trajectory without and with active vibration control.
Actuators 14 00043 g004
Figure 5. Numerical tip acceleration response without and with active vibration control.
Figure 5. Numerical tip acceleration response without and with active vibration control.
Actuators 14 00043 g005
Figure 6. Testbed for the slewing experiment.
Figure 6. Testbed for the slewing experiment.
Actuators 14 00043 g006
Figure 7. Zero-backlash worm gear.
Figure 7. Zero-backlash worm gear.
Actuators 14 00043 g007
Figure 8. Simulink block diagram.
Figure 8. Simulink block diagram.
Actuators 14 00043 g008
Figure 9. Experimental setup.
Figure 9. Experimental setup.
Actuators 14 00043 g009
Figure 10. Experimental slewing angle trajectory without and with active vibration control.
Figure 10. Experimental slewing angle trajectory without and with active vibration control.
Actuators 14 00043 g010
Figure 11. Experimental tip acceleration response without and with active vibration control.
Figure 11. Experimental tip acceleration response without and with active vibration control.
Actuators 14 00043 g011
Disclaimer/Publisher’s Note: The statements, opinions and data contained in all publications are solely those of the individual author(s) and contributor(s) and not of MDPI and/or the editor(s). MDPI and/or the editor(s) disclaim responsibility for any injury to people or property resulting from any ideas, methods, instructions or products referred to in the content.

Share and Cite

MDPI and ACS Style

Kim, D.W.; Kwak, M.K.; Kim, S.-M.; Feeny, B.F. Slewing and Active Vibration Control of a Flexible Single-Link Manipulator. Actuators 2025, 14, 43. https://doi.org/10.3390/act14020043

AMA Style

Kim DW, Kwak MK, Kim S-M, Feeny BF. Slewing and Active Vibration Control of a Flexible Single-Link Manipulator. Actuators. 2025; 14(2):43. https://doi.org/10.3390/act14020043

Chicago/Turabian Style

Kim, Dae W., Moon K. Kwak, Soo-Min Kim, and Brian F. Feeny. 2025. "Slewing and Active Vibration Control of a Flexible Single-Link Manipulator" Actuators 14, no. 2: 43. https://doi.org/10.3390/act14020043

APA Style

Kim, D. W., Kwak, M. K., Kim, S.-M., & Feeny, B. F. (2025). Slewing and Active Vibration Control of a Flexible Single-Link Manipulator. Actuators, 14(2), 43. https://doi.org/10.3390/act14020043

Note that from the first issue of 2016, this journal uses article numbers instead of page numbers. See further details here.

Article Metrics

Back to TopTop