A Combined Fractional Order Repetitive Controller and Dynamic Gain Regulator for Speed Ripple Suppression in PMSM Drives
Abstract
1. Introduction
2. Current Measurement Error and CRC Defect Analysis
2.1. Current Measurement Error
- (1)
- Effect of offset error on motor steady-state speed
- ➀
- When , the maximum steady-state speed ripple value M1max caused by the offset error is
- ➁
- The larger the PI parameter of the speed loop, the smaller the speed ripple caused by the offset error. The PI parameter selection of the speed outer loop is generally proportional to the motor’s rotational inertia. Therefore, the smaller the rotational inertia, the larger the speed ripple caused by the offset error.
2.2. Unsatisfactory Ripple Suppression under Variable Speeds
2.3. Excessive Speed Overshoot Caused by the CRC
3. The Proposed fal-FORC Strategy
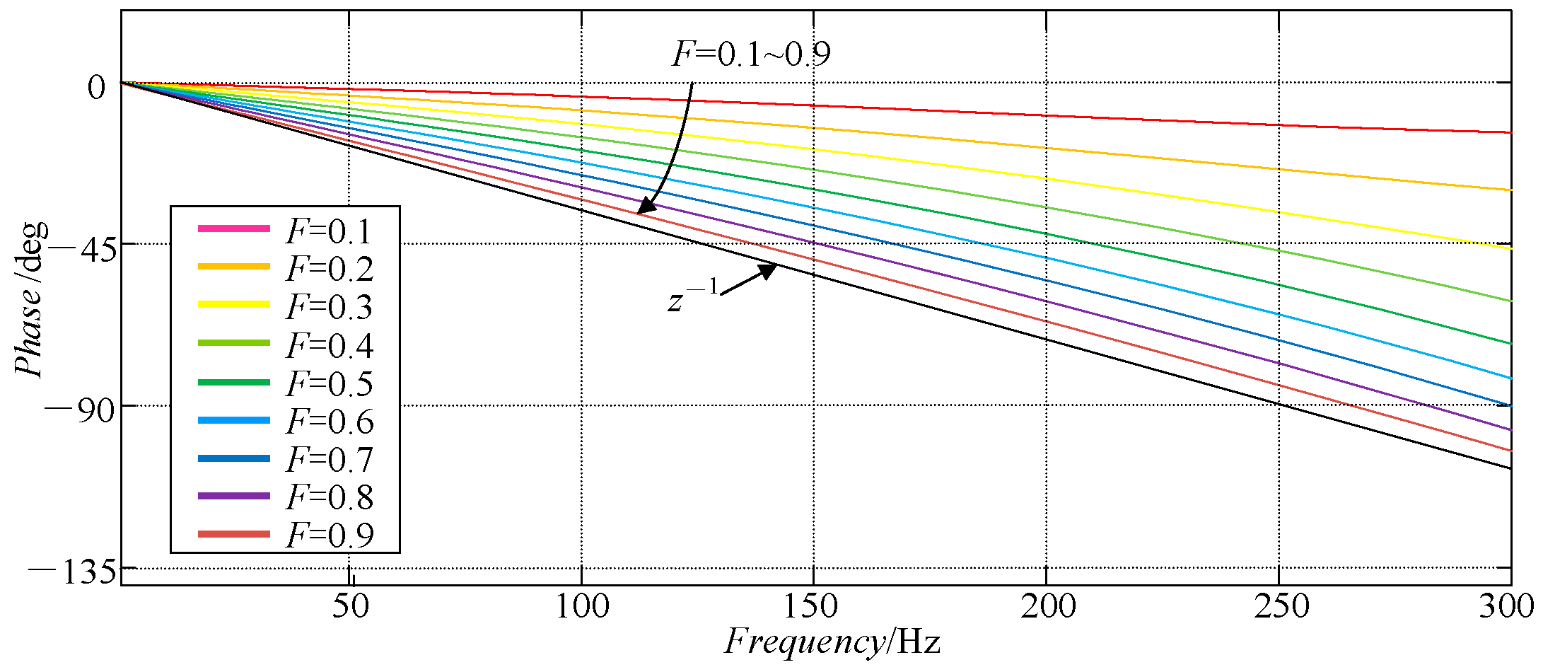
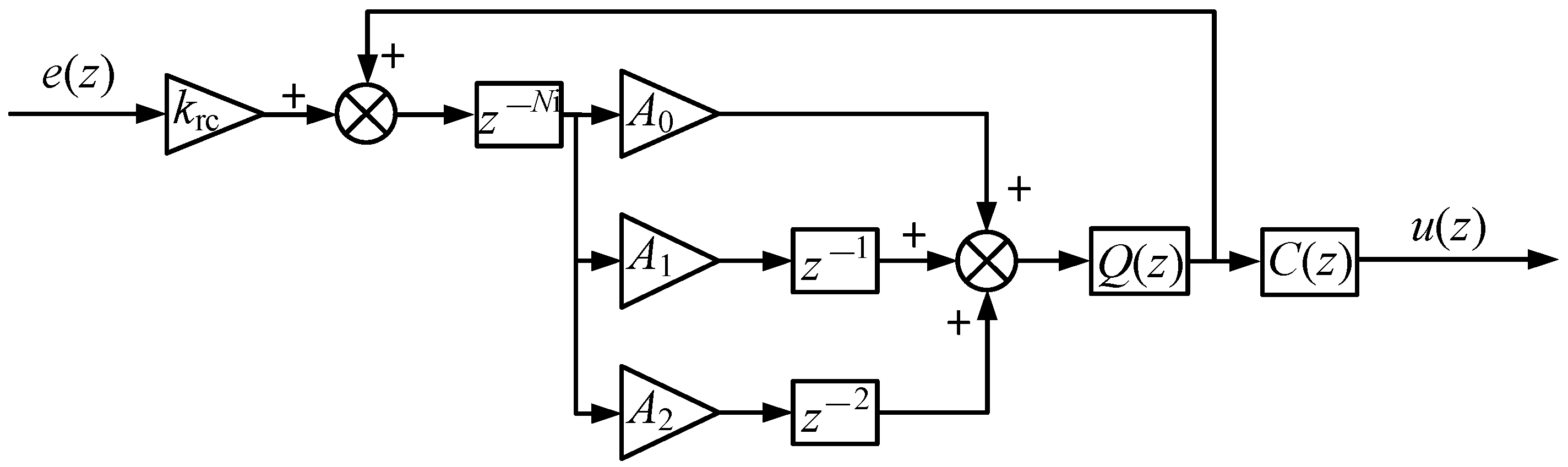
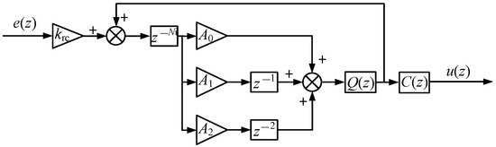
3.1. Principle of FORC
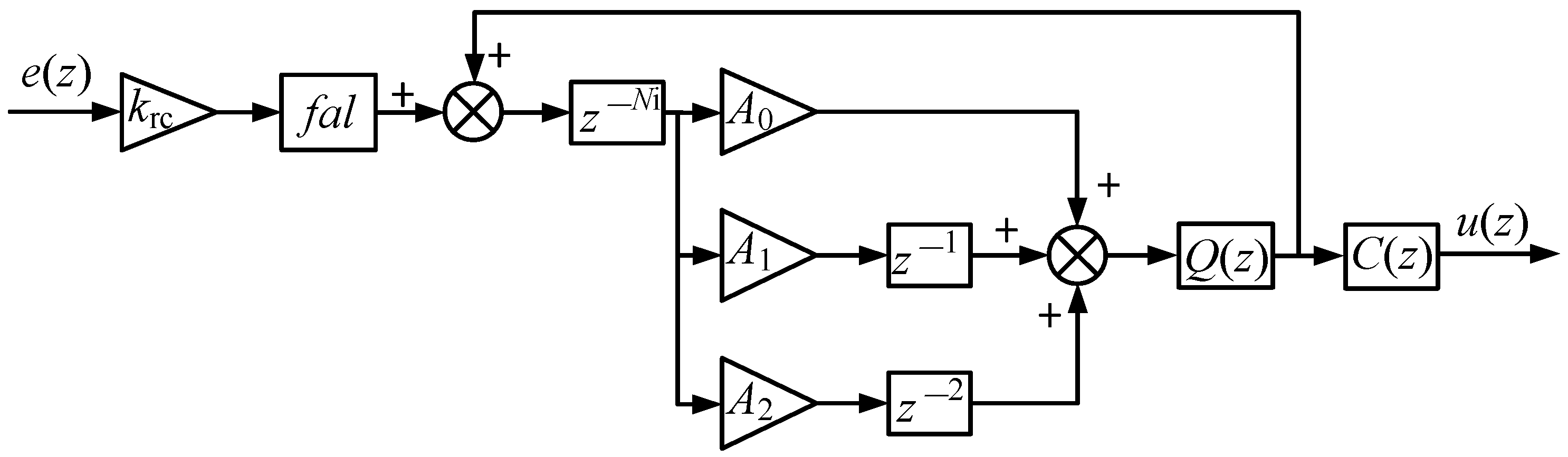
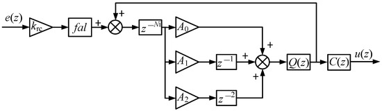
3.2. The Proposed fal-FORC and Parameter Determination
3.3. Stability Analysis
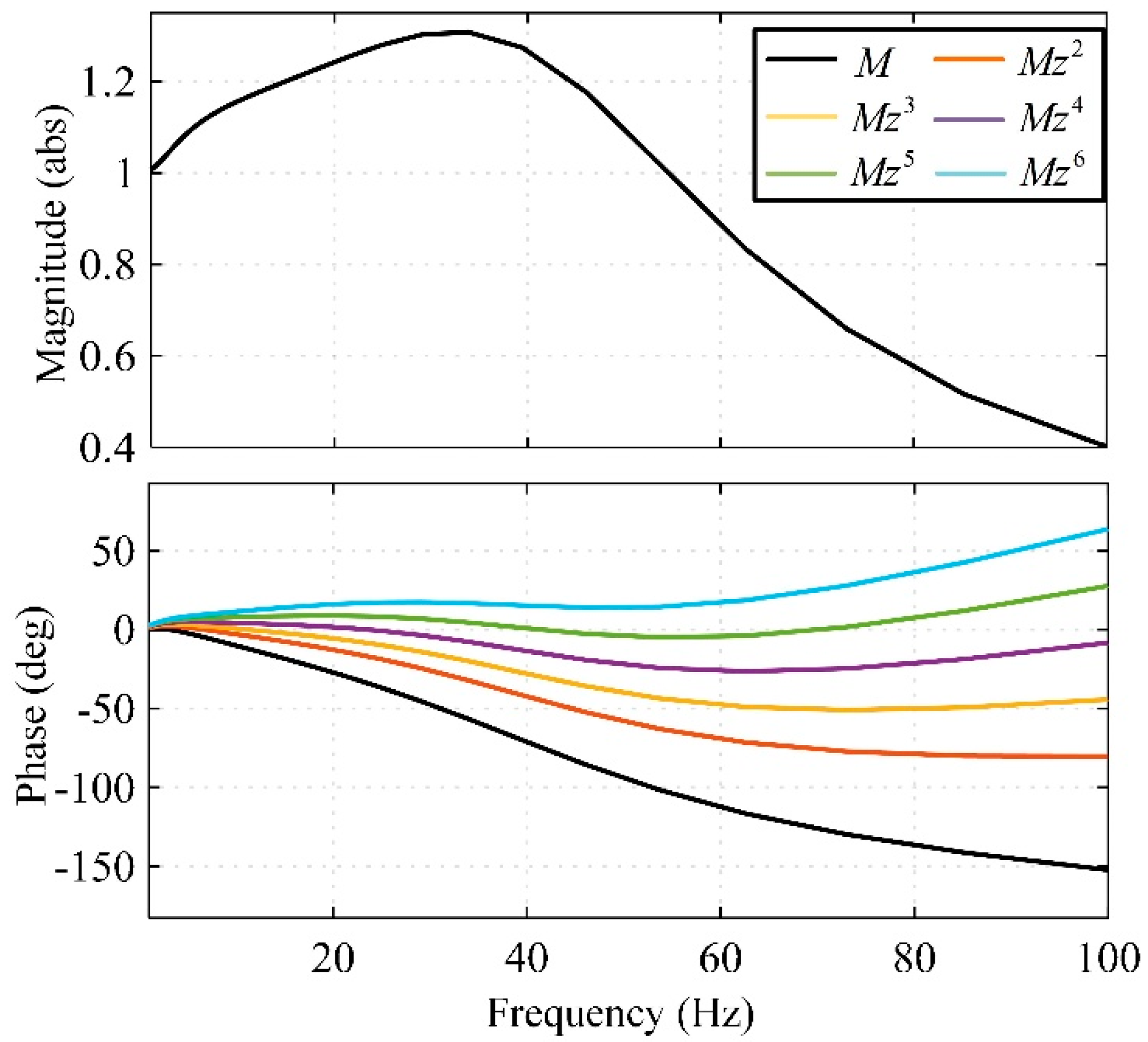
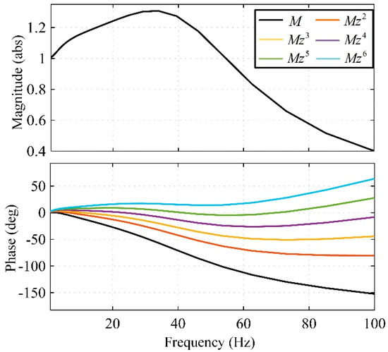
3.3.1. Design of Q(z)
3.3.2. Design of C(z)
3.3.3. Design of krc
3.4. Simulation Results
4. Experimental Results
4.1. Verification of the Effectiveness of the FORC Strategy
4.2. Effectiveness of the fal-FORC Strategy
5. Conclusions
- (1)
- A theoretical analysis of the two problems, the unsatisfactory ripple suppression of the CRC under variable speeds and the overlarge speed overshoot caused by the CRC, are elaborated on before the design of fal-FORC.
- (2)
- A fractional order delay link is introduced to solve the first problem that the CRC strategy has a worse performance in suppressing the periodic speed ripples at frequencies of non-integer multiples of the fundamental frequency. The Lagrange interpolation method is used to fit the fractional delay term. The simulation and experimental results can verify the effectiveness of the FORC strategy.
- (3)
- The nonlinear function fal(e,α,δ) is designed before FORC, and the basis for the parameter selection of the controller is given to ensure the stability of the system. This method can dynamically adjust the gain in the repetitive controller, effectively reduce the speed overshoot caused by excessive open-loop gain, thereby improving the transient process of motor starting and loading.
Author Contributions
Funding
Institutional Review Board Statement
Informed Consent Statement
Data Availability Statement
Conflicts of Interest
References
- Zhu, X.; Shu, Z.; Quan, L.; Xiang, Z.; Pan, X. Design and Multicondition Comparison of Two Outer-Rotor Flux-Switching Permanent-Magnet Motors for In-Wheel Traction Applications. IEEE Trans. Ind. Electron. 2017, 64, 6137–6148. [Google Scholar] [CrossRef]
- Ren, J.-J.; Liu, Y.-C.; Wang, N.; Liu, S.-Y. Sensorless control of ship propulsion interior permanent magnet synchronous motor based on a new sliding mode observer. ISA Trans. 2015, 54, 15–26. [Google Scholar] [CrossRef] [PubMed]
- Zhang, Q.; Guo, H.; Liu, Y.; Guo, C.; Zhang, F.; Zhang, Z.; Li, G. A Novel Error-Injected Solution for Compensation of Current Measurement Errors in PMSM Drive. IEEE Trans. Ind. Electron. 2023, 70, 4608–4619. [Google Scholar] [CrossRef]
- Houari, A.; Bouabdallah, A.; Djerioui, A.; Machmoum, M.; Auger, F.; Darkawi, A.; Olivier, J.-C.; Benkhoris, M.F. An Effective Compensation Technique for Speed Smoothness at Low-Speed Operation of PMSM Drives. IEEE Trans. Ind. Appl. 2018, 54, 647–655. [Google Scholar] [CrossRef]
- Hu, M.; Hua, W.; Wu, Z.; Dai, N.; Xiao, H.; Wang, W. Compensation of Current Measurement Offset Error for Permanent Magnet Synchronous Machines. IEEE Trans. Power Electron. 2020, 35, 11119–11128. [Google Scholar] [CrossRef]
- Chuan, H.; Fazeli, S.M.; Wu, Z.; Burke, R. Mitigating the Torque Ripple in Electric Traction Using Proportional Integral Resonant Controller. IEEE Trans. Veh. Technol. 2020, 69, 10820–10831. [Google Scholar] [CrossRef]
- Mauri, M.; Rossi, M.; Bruha, M. Generation of Torsional Excitation in a Variable-Speed-Drive System. In Proceedings of the 2016 International Symposium on Power Electronics, Electrical Drives, Automation and Motion (SPEEDAM), Capri, Italy, 22–24 June 2016; pp. 510–515. [Google Scholar]
- Qiu, T.; Wen, X.; Zhao, F. Adaptive-Linear-Neuron-Based Dead-Time Effects Compensation Scheme for PMSM Drives. IEEE Trans. Power Electron. 2016, 31, 2530–2538. [Google Scholar] [CrossRef]
- Lu, J.; Hu, Y.; Liu, J.; Wen, H. Self-Calibration of Phase Current Sensors with Sampling Errors by Multipoint Sampling of Current Values in a Single PWM Cycle. IEEE Trans. Ind. Electron. 2021, 68, 2942–2951. [Google Scholar] [CrossRef]
- Lee, K.-W.; Kim, S.-I. Dynamic Performance Improvement of a Current Offset Error Compensator in Current Vector-Controlled SPMSM Drives. IEEE Trans. Ind. Electron. 2019, 66, 6727–6736. [Google Scholar] [CrossRef]
- Zhang, Q.; Guo, H.; Guo, C.; Liu, Y.; Wang, D.; Lu, K.; Zhang, Z.; Zhuang, X.; Chen, D. An adaptive proportional-integral-resonant controller for speed ripple suppression of PMSM drive due to current measurement error. Int. J. Elect. Power Energy Syst. 2021, 129, 106866. [Google Scholar] [CrossRef]
- Xia, C.; Ji, B.; Yan, Y. Smooth Speed Control for Low-Speed High-Torque Permanent-Magnet Synchronous Motor Using Proportional-Integral-Resonant Controller. IEEE Trans. Ind. Electron. 2015, 62, 2123–2134. [Google Scholar] [CrossRef]
- Gao, J.; Wu, X.; Huang, S.; Zhang, W.; Xiao, L. Torque ripple minimisation of permanent magnet synchronous motor using a new proportional resonant controller. IET Power Electron. 2017, 10, 208–214. [Google Scholar] [CrossRef]
- Cho, K.-R.; Seok, J.-K. Pure-Integration-Based Flux Acquisition With Drift and Residual Error Compensation at a Low Stator Frequency. IEEE Trans. Ind. Appl. 2009, 45, 1276–1285. [Google Scholar] [CrossRef]
- Liu, J.; Li, H.; Deng, Y. Torque Ripple Minimization of PMSM Based on Robust ILC Via Adaptive Sliding Mode Control. IEEE Trans. Power Electron. 2018, 33, 3655–3671. [Google Scholar] [CrossRef]
- Mattavelli, P.; Tubiana, L.; Zigliotto, M. Torque-ripple reduction in PM synchronous motor drives using repetitive current control. IEEE Trans. Power Electron. 2005, 20, 1423–1431. [Google Scholar] [CrossRef]
- Tang, Z.; Akin, B. Suppression of Dead-Time Distortion Through Revised Repetitive Controller in PMSM Drives. IEEE Trans. Energy Convers. 2017, 32, 918–930. [Google Scholar] [CrossRef]
- Tang, M.; Gaeta, A.; Formentini, A.; Zanchetta, P. A Fractional Delay Variable Frequency Repetitive Control for Torque Ripple Reduction in PMSMs. IEEE Trans. Ind. Appl. 2017, 53, 5553–5562. [Google Scholar] [CrossRef]
- Tang, M.; Formentini, A.; Odhano, S.A.; Zanchetta, P. Torque Ripple Reduction of PMSMs Using a Novel Angle-Based Repetitive Observer. IEEE Trans. Ind. Electron. 2020, 67, 2689–2699. [Google Scholar] [CrossRef]
- Ullah, K.; Guzinski, J.; Mirza, A.F. Critical Review on Robust Speed Control Techniques for Permanent Magnet Synchronous Motor (PMSM) Speed Regulation. Energies 2022, 15, 1235. [Google Scholar] [CrossRef]
- Zhang, Q.; Guo, H.; Liu, Y.; Guo, C.; Lu, K.; Wang, D.; Zhang, Z.; Sun, J. Robust plug-in repetitive control for speed smoothness of cascaded-PI PMSM drive. Mech. Syst. Signal Process. 2022, 163, 108090. [Google Scholar] [CrossRef]
- Yepes, A.G.; Freijedo, F.D.; Lopez, O.; Doval-Gandoy, J. Analysis and Design of Resonant Current Controllers for Voltage-Source Converters by Means of Nyquist Diagrams and Sensitivity Function. IEEE Trans. Ind. Electron. 2011, 58, 5231–5250. [Google Scholar] [CrossRef]
- Yi, H.; Zhuo, F.; Wang, F. Analysis about Overshoot Peaks Appearing in the Current Loop with Resonant Controller. IEEE J. Emerg. Sel. Top. Power Electron. 2016, 4, 26–36. [Google Scholar] [CrossRef]
- Zhao, Q.; Ye, Y. A PIMR-Type Repetitive Control for a Grid-Tied Inverter: Structure, Analysis, and Design. IEEE Trans. Power Electron. 2018, 33, 2730–2739. [Google Scholar] [CrossRef]
- Zhang, B.; Wang, D.; Zhou, K.; Wang, Y. Linear phase lead compensation repetitive control of a CVCF PWM inverter. IEEE Trans. Ind. Electron. 2008, 55, 1595–1602. [Google Scholar] [CrossRef]
- Shin, H.-B.; Park, J.-G. Anti-Windup PID Controller with Integral State Predictor for Variable-Speed Motor Drives. IEEE Trans. Ind. Electron. 2012, 59, 1509–1516. [Google Scholar] [CrossRef]
- Huang, M.; Deng, Y.; Li, H.; Liu, J.; Shao, M.; Fei, Q. Torque Ripple Suppression of PMSM Based on Robust Two Degrees-of-Freedom Resonant Controller. Energies 2021, 14, 1015. [Google Scholar] [CrossRef]
- Babu, N.R.; Chiranjeevi, T.; Devarapalli, R.; Knypinvski, L.; Garcia Marquez, F.P. Real-time validation of an automatic generation control system considering HPA-ISE with crow search algorithm optimized cascade FOPDN-FOPIDN controller. Arch. Control Sci. 2023, 33, 371–390. [Google Scholar] [CrossRef]
- Zou, Z.-X.; Zhou, K.; Wang, Z.; Cheng, M. Frequency-Adaptive Fractional-Order Repetitive Control of Shunt Active Power Filters. IEEE Trans. Ind. Electron. 2015, 62, 1659–1668. [Google Scholar] [CrossRef]
- Hao, Z.; Yang, Y.; Gong, Y.; Hao, Z.; Zhang, C.; Song, H.; Zhang, J. Linear/Nonlinear Active Disturbance Rejection Switching Control for Permanent Magnet Synchronous Motors. IEEE Trans. Power Electron. 2021, 36, 9334–9347. [Google Scholar] [CrossRef]
- Han, J. From PID to Active Disturbance Rejection Control. IEEE Trans. Ind. Electron. 2009, 56, 900–906. [Google Scholar] [CrossRef]
- Wu, T.; Zheng, Y.; Liu, Q.; Sun, G.; Wang, X.; Li, X. Continuous Commutation Failure Suppression Method Based on Self-adaptive Auto-disturbance Rejection Proportional-integral Controller for HVDC Transmission System. J. Mod. Power Syst. Clean Energy 2020, 8, 1178–1187. [Google Scholar] [CrossRef]
- Yue, F.; Li, X.; Zhang, S. Robust Adaptive Integral Sliding Mode Control for Two-Axis Optoelectronic Tracking and Measuring System Based on Novel Nonlinear Extended State Observer. IEEE Trans. Instrum. Meas. 2023, 72, 1–11. [Google Scholar] [CrossRef]
- Liu, X.; Li, Y.; Xia, L.; Tan, X.; Cao, X. Research on permanent magnet synchronous motor algorithm based on linear nonlinear switching self-disturbance rejection control. Sci. Rep. 2023, 13, 20133. [Google Scholar] [CrossRef] [PubMed]
- Li, J.; Xia, Y.; Qi, X.; Gao, Z. On the Necessity, Scheme, and Basis of the Linear-Nonlinear Switching in Active Disturbance Rejection Control. IEEE Trans. Ind. Electron. 2017, 64, 1425–1435. [Google Scholar] [CrossRef]
- He, L.; Zhang, K.; Xiong, J.; Fan, S. A Repetitive Control Scheme for Harmonic Suppression of Circulating Current in Modular Multilevel Converters. IEEE Trans. Power Electron. 2015, 30, 471–481. [Google Scholar] [CrossRef]































| Parameters | Value |
|---|---|
| Rated power PN/W | 88 |
| Rated torque TN/[N·m] | 0.23 |
| Stator resistance R/Ω | 0.36 |
| d- and q-axis inductance Ld, Lq/mH | 0.201 |
| Permanent magnet flux linkage ψi/Wb | 0.00655 |
| Number of pole pairs p | 4 |
| Rotational inertia J/[Kg·m2] | 0.0000071 |
| Sign | Description |
|---|---|
| id*/id | Reference/feedback of d-axis current |
| iq*/iq | Reference/feedback of q-axis current |
| iA_mea/iB_mea | Feedback of A-phase/B-phase current |
| iα/iβ | Feedback of α-axis/β-axis current |
| ud*/uq* | Reference of d-axis/q-axis voltage |
| uα*/uβ* | Reference of α-axis/β-axis voltage |
| θe | Motor electrical angle |
| Method | Harmonic Content | Speed | q-Axis Current | Speed Overshoot [rpm] | |
|---|---|---|---|---|---|
| Simulation | PI | 1st | 4.89% | 3.26% | 15 |
| 2nd | 3.10% | 4.12% | |||
| CRC | 1st | 0.51% | 0.34% | 70 | |
| 2nd | 0.71% | 0.95% | |||
| FORC | 1st | 0.03% | 0.02% | 71 | |
| 2nd | 0.09% | 0.13% | |||
| fal-FORC | 1st | 0.03% | 0.03% | 35 | |
| 2nd | 0.09% | 0.12% | |||
| Experiment | PI | 1st | 4.34% | 4.77% | 25 |
| 2nd | 2.92% | 3.21% | |||
| CRC | 1st | 0.87% | 1.73% | 90 | |
| 2nd | 0.48% | 0.86% | |||
| FORC | 1st | 0.20% | 1.12% | 95 | |
| 2nd | 0.33% | 0.50% | |||
| fal-FORC | 1st | 0.19% | 1.08% | 29 | |
| 2nd | 0.31% | 0.46% |
Disclaimer/Publisher’s Note: The statements, opinions and data contained in all publications are solely those of the individual author(s) and contributor(s) and not of MDPI and/or the editor(s). MDPI and/or the editor(s) disclaim responsibility for any injury to people or property resulting from any ideas, methods, instructions or products referred to in the content. |
© 2024 by the authors. Licensee MDPI, Basel, Switzerland. This article is an open access article distributed under the terms and conditions of the Creative Commons Attribution (CC BY) license (https://creativecommons.org/licenses/by/4.0/).
Share and Cite
Guo, H.; Zhang, F.; Zhang, Q.; Liu, Y.; Xiang, T.; Xing, J. A Combined Fractional Order Repetitive Controller and Dynamic Gain Regulator for Speed Ripple Suppression in PMSM Drives. Actuators 2024, 13, 73. https://doi.org/10.3390/act13020073
Guo H, Zhang F, Zhang Q, Liu Y, Xiang T, Xing J. A Combined Fractional Order Repetitive Controller and Dynamic Gain Regulator for Speed Ripple Suppression in PMSM Drives. Actuators. 2024; 13(2):73. https://doi.org/10.3390/act13020073
Chicago/Turabian StyleGuo, Haohao, Fengkui Zhang, Qiaofen Zhang, Yancheng Liu, Tianxiang Xiang, and Jintong Xing. 2024. "A Combined Fractional Order Repetitive Controller and Dynamic Gain Regulator for Speed Ripple Suppression in PMSM Drives" Actuators 13, no. 2: 73. https://doi.org/10.3390/act13020073
APA StyleGuo, H., Zhang, F., Zhang, Q., Liu, Y., Xiang, T., & Xing, J. (2024). A Combined Fractional Order Repetitive Controller and Dynamic Gain Regulator for Speed Ripple Suppression in PMSM Drives. Actuators, 13(2), 73. https://doi.org/10.3390/act13020073

