Current Stress Minimization Based on Particle Swarm Optimization for Dual Active Bridge DC–DC Converter
Abstract
1. Introduction
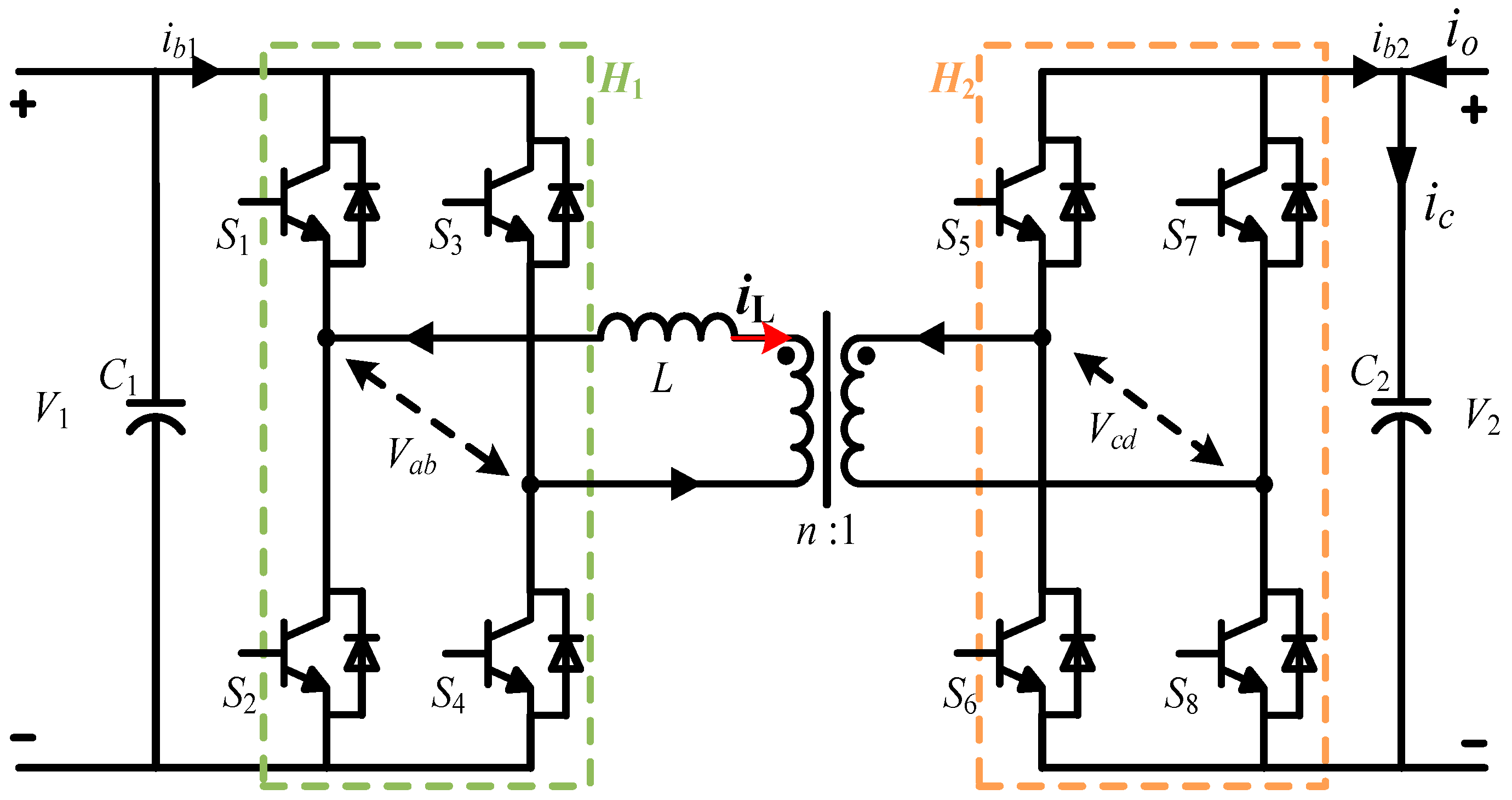
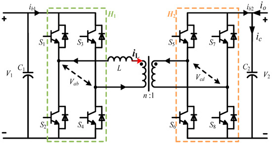
2. Steady Characteristic and Power Transmission with EPS Control
Steady Characteristic with EPS Control
3. Proposed Current Stress Minimization Algorithm
3.1. Objective Function and Constraint Equations
3.2. Algorithm Flowchart
4. Comprehensive Performance Optimization Control of DAB Converter
4.1. Prediction Model
4.2. Optimize Scrolling
4.3. Feedback Correction
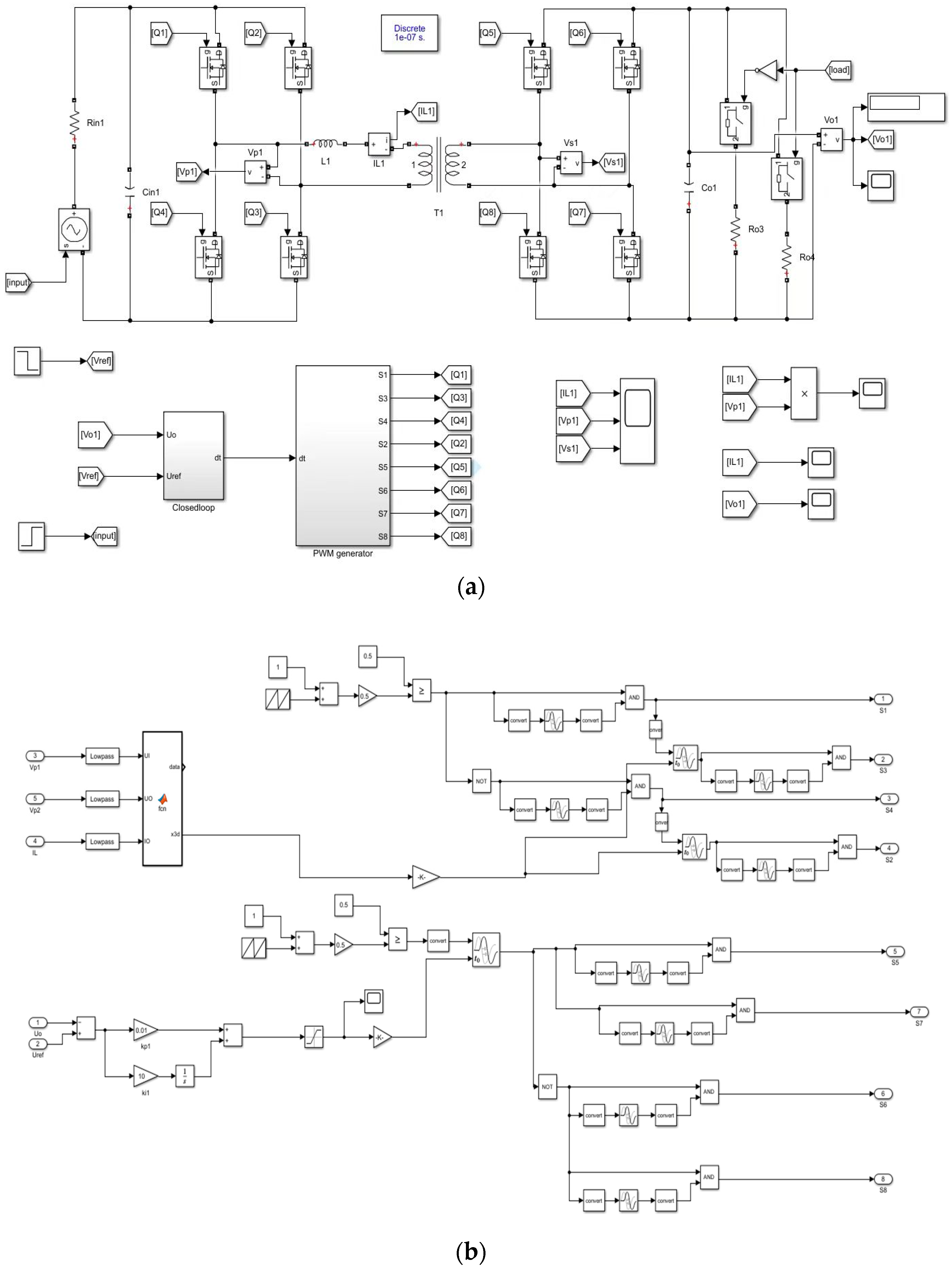
5. Analysis of the Results
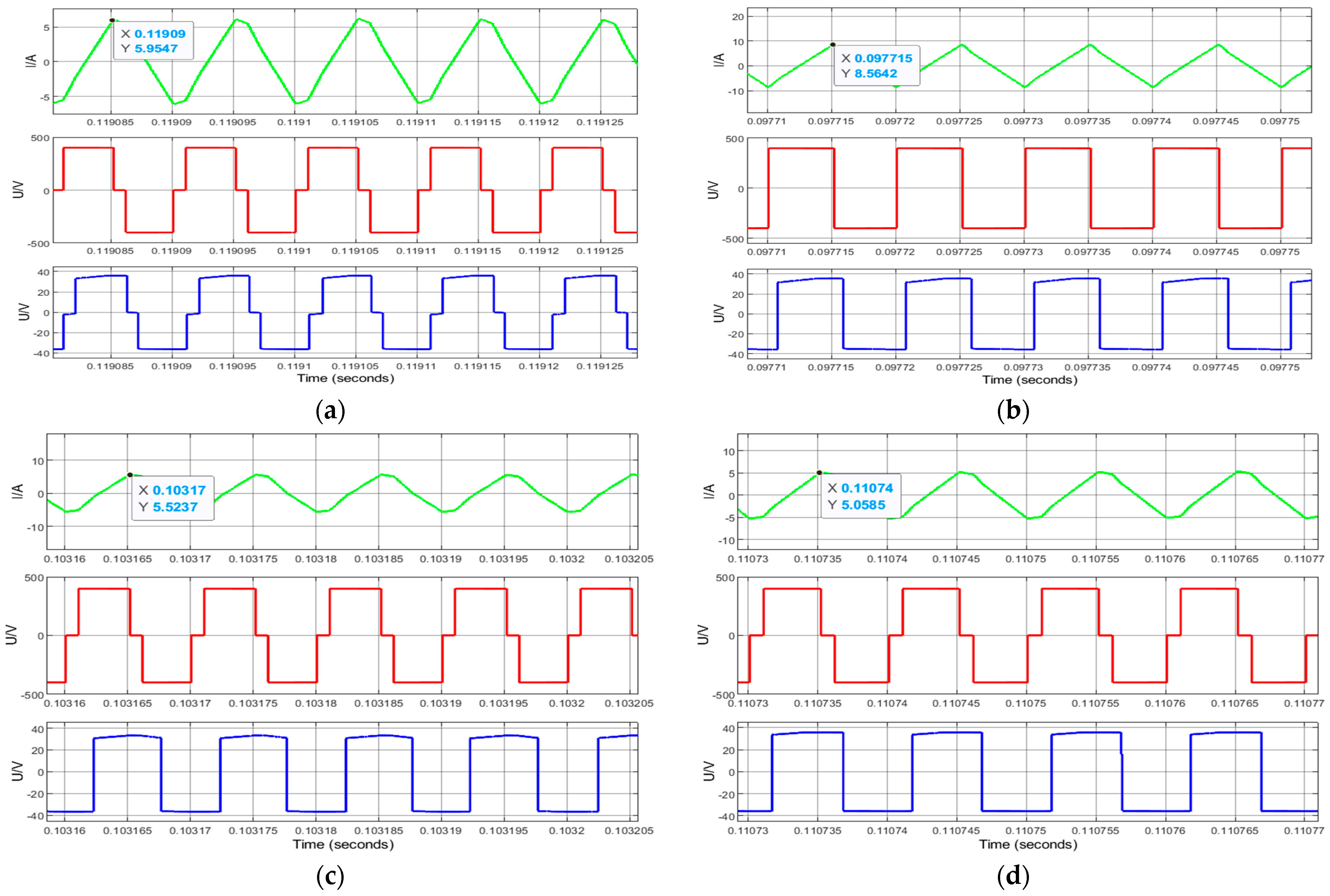
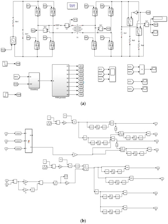
5.1. Analysis of the Simulation Results
5.2. Analysis of the Experimental Results
6. Conclusions
Author Contributions
Funding
Data Availability Statement
Conflicts of Interest
References
- Guan, Y.; Cecati, C.; Alonso, J.M.; Zhang, Z. Review of high-frequency high-voltage-conversion-ratio DC-DC converters. IEEE J. Emerg. Sel. Top. Ind. Electron. 2021, 2, 374–389. [Google Scholar] [CrossRef]
- Hou, N.; Li, Y.W. Overview and comparison of modulation and control strategies for a nonresonant single-phase dual-active-bridge DC–DC converter. IEEE Trans. Power Electron. 2020, 35, 3148–3172. [Google Scholar] [CrossRef]
- Hu, Y.; Li, Z.; Zhang, H.; Zhao, C.; Gao, F.; Luo, L.; Luan, K.; Wang, P.; Li, Y. High-frequency-link current stress optimization of cascaded H-bridge-based solid-state transformer with third-order harmonic voltage injection. IEEE J. Emerg. Sel. Top. Power Electron. 2021, 9, 1027–1038. [Google Scholar] [CrossRef]
- Alhurayyis, I.; Elkhateb, A.; Morrow, J. Isolated and non-isolated DC-to-DC converters for medium-voltage DC networks: A review. IEEE J. Emerg. Sel. Top. Power Electron. 2021, 9, 7486–7500. [Google Scholar] [CrossRef]
- Shousha, M.; Prodi, A.; Marten, V.; Milios, J. Design and implementation of assisting converter- based integrated battery management system for electromobility applications. IEEE J. Emerg. Sel. Top. Power Electron. 2018, 6, 825–842. [Google Scholar] [CrossRef]
- Das, D.; Basu, K. Optimal design of a dual-active-bridge DC–DC converter. IEEE Trans. Ind. Electron. 2021, 68, 12034–12045. [Google Scholar] [CrossRef]
- Lin, F.; Zhang, X.; Li, X. Design methodology for symmetric CLLC resonant DC transformer considering voltage conversion ratio, system stability, and efficiency. IEEE Trans. Power Electron. 2021, 36, 10157–10170. [Google Scholar] [CrossRef]
- Dong, D.; Agamy, M.; Bebic, J.Z.; Chen, Q.; Mandrusiak, G. A modular SiC high-frequency solid- state transformer for medium-voltage applications: Design, implementation, and testing. IEEE J. Emerg. Sel. Top. Power Electron. 2019, 7, 768–778. [Google Scholar] [CrossRef]
- Tuluhong, A.; Wang, W.; Li, Y.; Wang, H.; Xu, L. Parasitic parameter extraction and identification method for HFT based on DC–DC converter in EV application. IEEE J. Emerg. Sel. Top. Power Electron. 2022, 10, 4303–4318. [Google Scholar] [CrossRef]
- Zhao, B.; Yu, Q.; Sun, W. Extended-phase-shift control of isolated bidirectional DC–DC converter for power distribution in microgrid. IEEE Trans. Power Electron. 2012, 27, 4667–4680. [Google Scholar] [CrossRef]
- Bai, H.; Mi, C. Eliminate reactive power and increase system efficiency of isolated bidirectional dual-active-bridge DC–DC converters using novel dual-phase-shift control. IEEE Trans. Power Electron. 2008, 23, 2905–2914. [Google Scholar] [CrossRef]
- Mou, D.; Yuan, L.; Luo, Q.; Li, Y.; Liu, C.; Zheng, J.; Zhao, Z. Overview of multi-degree-of-freedom modulation techniques for dual active bridge converter. IEEE Emerg. Sel. Top. Power Electron. 2023, 6, 5724–5737. [Google Scholar] [CrossRef]
- Mou, D.; Dai, Y.; Yuan, L.; Luo, Q.; Wang, H.; Wei, S.; Zhao, Z. Reactive power minimization for modular multi active-bridge converter with whole operating range. IEEE Trans. Power Electron. 2023, 7, 8011–8015. [Google Scholar] [CrossRef]
- Guo, F.; Zhang, J.; Huang, Z.; Huang, W. Simultaneous charging station location-routing problem for electric vehicles: Effect of nonlinear partial charging and battery degradation. Energy 2022, 250, 123724. [Google Scholar] [CrossRef]
- Han, L.; Yang, K.; Ma, T.; Yang, N.; Liu, H.; Guo, L. Battery life constrained real-time energy management strategy for hybrid electric vehicles based on reinforcement learning. Energy 2022, 259, 124986. [Google Scholar] [CrossRef]
- Manzolli, J.A.; Trovao, J.P.F.; Henggeler Antunes, C. Electric bus coordinated charging strategy considering V2G and battery degradation. Energy 2022, 254, 124252. [Google Scholar] [CrossRef]
- Semeraro, C.; Caggiano, M.; Olabi, A.-G.; Dassisti, M. Battery monitoring and prognostics optimization techniques: Challenges and opportunities. Energy 2022, 255, 124538. [Google Scholar] [CrossRef]
- Shi, H.; Wen, H.; Chen, J.; Hu, Y.; Jiang, L.; Chen, G. Minimum reactive-power scheme of dual-active-bridge DC–DC converter with three-level modulated phase-shift control. IEEE Trans. Ind. Appl. 2017, 53, 5573–5586. [Google Scholar] [CrossRef]
- Chiasson, J.N.; Tolbert, L.M.; McKenzie, K.J.; Du, Z. A unified approach to solving the harmonic elimination equations in multilevel converters. IEEE Trans. Power Electron. 2004, 19, 478–490. [Google Scholar] [CrossRef]
- Du, Z.; Tolbert, L.M.; Chiasson, J.N.; Ozpineci, B. Reduced switching-frequency active harmonic elimination for multilevel converters. IEEE Trans. Ind. Electron. 2008, 55, 1761–1770. [Google Scholar]
- Meng, L.; Dragicevic, T.; Vasquez, J.C.; Guerrero, J.M. Tertiary and secondary control levels for efficiency optimization and system damping in droop controlled DC–DC converters. IEEE Trans. Smart Grid 2015, 6, 2615–2626. [Google Scholar] [CrossRef]
- Zhou, H.; He, L.; Lin, Z. Low frequency current ripple suppression for two-stage single-phase inverter based on impedance editing. IEEE Trans. Ind. Electron. 2022, 69, 13417–13427. [Google Scholar] [CrossRef]
- Xiong, F.; Li, J.; Yan, D.; Chen, X. Current stress optimization of dual active bridge converter in two-stage single-phase inverter system with second harmonic current shaping. IEEE Trans. Power Electron. 2022, 37, 2606–2624. [Google Scholar] [CrossRef]
- Tang, Y.; Hu, W.; Cao, D.; Hou, N.; Li, Y.; Chen, Z.; Blaabjerg, F. Artificial intelligence-aided minimum reactive power control for the DAB converter based on harmonic analysis method. IEEE Trans. Power Electron. 2021, 36, 9704–9710. [Google Scholar] [CrossRef]
- Wu, J.; Wen, P.; Sun, X.; Yan, X. Reactive power optimization control for bidirectional dual-tank resonant DC–DC converters for fuel cells systems. IEEE Trans. Power Electron. 2020, 35, 9202–9214. [Google Scholar] [CrossRef]


















| Mode | Unified Transmission Power | Sub-Mode | Inductor Current Stress |
|---|---|---|---|
| Items | Symbol | Parameter |
|---|---|---|
| turns ratio of the transformer | n | 2 |
| switching frequency | fs | 10 kHz |
| input filter capacitance | C1 | 50 µF |
| output filter capacitance | C2 | 150 µF |
| input voltage | Vin | 36 V |
| output voltage | Vo | 400 V |
| inductance | L | 140 µH |
| Items | Symbol | Parameter |
|---|---|---|
| modeling time domain | N | 20 |
| control time domain | M | 3 |
| predicting time domain | P | 6 |
| error weight matrix | Q | |
| control matrix | R | |
| correction coefficient matrix | h |
Disclaimer/Publisher’s Note: The statements, opinions and data contained in all publications are solely those of the individual author(s) and contributor(s) and not of MDPI and/or the editor(s). MDPI and/or the editor(s) disclaim responsibility for any injury to people or property resulting from any ideas, methods, instructions or products referred to in the content. |
© 2024 by the authors. Licensee MDPI, Basel, Switzerland. This article is an open access article distributed under the terms and conditions of the Creative Commons Attribution (CC BY) license (https://creativecommons.org/licenses/by/4.0/).
Share and Cite
Jia, D.; Wang, D. Current Stress Minimization Based on Particle Swarm Optimization for Dual Active Bridge DC–DC Converter. Actuators 2024, 13, 421. https://doi.org/10.3390/act13100421
Jia D, Wang D. Current Stress Minimization Based on Particle Swarm Optimization for Dual Active Bridge DC–DC Converter. Actuators. 2024; 13(10):421. https://doi.org/10.3390/act13100421
Chicago/Turabian StyleJia, Dabin, and Dazhi Wang. 2024. "Current Stress Minimization Based on Particle Swarm Optimization for Dual Active Bridge DC–DC Converter" Actuators 13, no. 10: 421. https://doi.org/10.3390/act13100421
APA StyleJia, D., & Wang, D. (2024). Current Stress Minimization Based on Particle Swarm Optimization for Dual Active Bridge DC–DC Converter. Actuators, 13(10), 421. https://doi.org/10.3390/act13100421

