Fault Detection and Reliable Controller Design for Fractional-Order Systems Based on Dynamic Observer
Abstract
1. Introduction
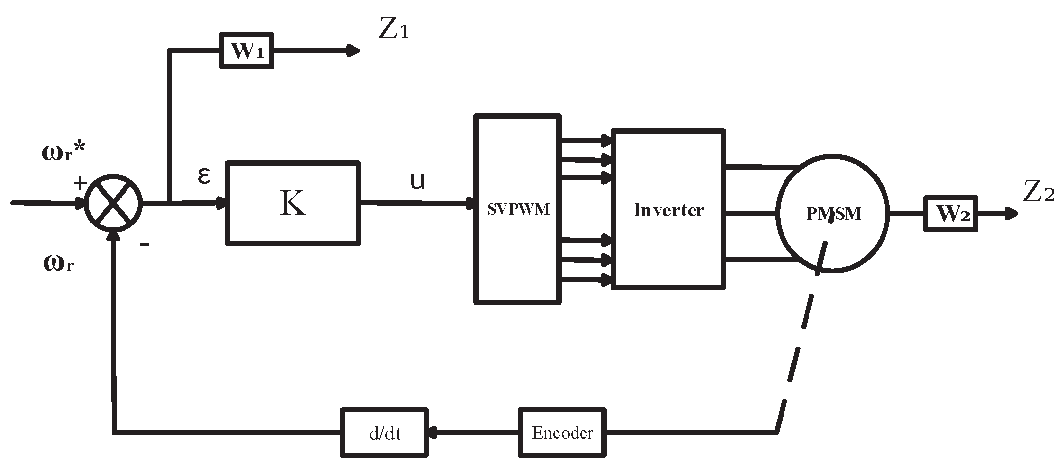
2. Problem Formulation
- (i)
- There is a Hermitian matrix such thatwhere , .
- (ii)
- There is a matrix variable such thatwhere , , .
- (i)
- For , the following LMI holds
- (ii)
3. Main Results
4. Detection Threshold Design
5. Examples
5.1. Example 1
5.2. Example 2
6. Conclusions
Author Contributions
Funding
Institutional Review Board Statement
Informed Consent Statement
Data Availability Statement
Conflicts of Interest
References
- Feliu-Talegon, D.; Feliu-Batlle, V. Improving the position control of a two degrees of freedom robotic sensing antenna using fractional-order controllers. Int. J. Control 2017, 90, 1256–1281. [Google Scholar] [CrossRef]
- Monje, C.A.; Chen, Y.; Vinagre, B.M.; Xue, D.; Feliu-Batlle, V. Fractional-Order Systems and Controls: Fundamentals and Applications; Springer Science & Business Media: Berlin/Heidelberg, Germany, 2010. [Google Scholar]
- Podlubny, I. Fractional Differential Equations; Academic Press: Cambridge, MA, USA, 1999. [Google Scholar]
- Choudhary, N.; Sivaramakrishnan, J.; Kar, I.N. Sliding mode control of uncertain fractional order systems with delay. Int. J. Control 2020, 93, 934–943. [Google Scholar] [CrossRef]
- Hilfer, R. Applications of Fractional Calculus in Physics; World Scientific: Singapore, 2000. [Google Scholar]
- Kilbas, A.A.; Srivastava, H.M.; Trujillo, J.J. Theory and Applications of Fractional Differential Equations; Elsevier: Amsterdam, The Netherlands, 2006. [Google Scholar]
- Lu, J.G.; Chen, Y.Q. Robust stability and stabilization of fractional-order interval systems with the fractional order α: The 0 < α < 1 Case. IEEE Trans. Autom. Control 2010, 55, 152–158. [Google Scholar]
- Soorki, M.N.; Tavazoei, M.S. Asymptotic swarm stability of fractional-order swarm systems in the presence of uniform time-delays. Int. J. Control 2017, 90, 1182–1191. [Google Scholar] [CrossRef]
- Wei, Y. Time-varying Lyapunov functions for nonautonomous nabla fractional order systems. ISA Trans. 2021, 126, 235–241. [Google Scholar] [CrossRef] [PubMed]
- Ibrir, S.; Bettayeb, M. New sufficient conditions for observer-based control of fractional-order uncertain systems. Automatica 2015, 59, 216–223. [Google Scholar] [CrossRef]
- Lu, J.G.; Chen, G. Robust stability and stabilization of fractional-order interval systems: An LMI approach. IEEE Trans. Autom. Control 2009, 54, 1294–1299. [Google Scholar]
- Lan, Y.H.; Huang, H.X.; Zhou, Y. Observer-based robust control of α (1 < α < 2) fractional-order uncertain systems: A linear matrix inequality approach. IET Control Theory Appl. 2012, 6, 229–234. [Google Scholar]
- Boukal, Y.; Darouach, M.; Zasadzinski, M.; Radhy, N. Robust H∞ observer-based control of fractional-order systems with gain parametrization. IEEE Trans. Autom. Control 2017, 62, 5710–5723. [Google Scholar] [CrossRef]
- Farges, C.; Fadiga, L.; Sabatier, J. H∞ analysis and control of commensurate fractional order systems. Mechatronics 2013, 23, 772–780. [Google Scholar] [CrossRef]
- Shen, J.; Lam, J. State feedback H∞ control of commensurate fractional-order systems. Int. J. Syst. Sci. 2014, 45, 363–372. [Google Scholar] [CrossRef]
- Oustaloup, A.; Moreau, X.; Nouillant, M. The CRONE suspension. Control Eng. Pract. 1996, 4, 1101–1108. [Google Scholar] [CrossRef]
- Raynaud, H.F.; Zerganoh, A. State-space representation for fractional order controllers. Automatica 2000, 36, 1017–1021. [Google Scholar] [CrossRef]
- Deng, C.; Yang, G.H. Distributed adaptive fault-tolerant control approach to cooperative output regulation for linear multi-agent systems. Automatica 2019, 103, 62–68. [Google Scholar] [CrossRef]
- Fan, Q.Y.; Yang, G.H.; Ye, D. Adaptive tracking control for a class of Markovian jump systems with time-varying delay and actuator faults. J. Frankl. Inst. 2015, 352, 1979–2001. [Google Scholar] [CrossRef]
- Ye, D.; Chen, M.M.; Yang, H.J. Distributed adaptive event-triggered fault-tolerant consensus of multiagent systems with general linear dynamics. IEEE Trans. Cybern. 2019, 49, 757–767. [Google Scholar] [CrossRef]
- Liu, J.; Wang, J.L.; Yang, G.H. An LMI approach to minimum sensitivity analysis with application to fault detection. Automatica 2005, 41, 1995–2004. [Google Scholar] [CrossRef]
- Liu, N.; Zhou, K. Optimal solutions to multi-objective robust fault detection problems. In Proceedings of the 2007 46th IEEE Conference on Decision and Control, New Orleans, LA, USA, 12–14 December 2007; pp. 981–988. [Google Scholar]
- Henry, D.; Zolghadri, A. Design and analysis of robust residual generators for systems under feedback control. Automatica 2005, 41, 251–264. [Google Scholar] [CrossRef]
- Wang, H.; Wang, J.; Lam, J. An optimization approach for worst-case fault detection observer design. In Proceedings of the 2004 American Control Conference, Boston, MA, USA, 30 June–2 July 2004; pp. 2475–2480. [Google Scholar]
- Iwasaki, T.; Hara, S. Generalized KYP lemma: Unified frequency domain inequalities with design applications. IEEE Trans. Autom. Control 2005, 50, 41–59. [Google Scholar] [CrossRef]
- Gao, H.; Li, X. H∞ filtering for discrete-time state-delayed systems with finite frequency specifications. IEEE Trans. Autom. Control 2011, 56, 2932–2941. [Google Scholar] [CrossRef]
- Li, X.; Yang, G. Fault detection in finite frequency domain for Takagi-Sugeno fuzzy systems with sensor faults. IEEE Trans. Cybern. 2014, 44, 1446–1458. [Google Scholar] [CrossRef] [PubMed]
- Wang, H.; Song, W.; Liang, Y.; Li, Q.; Liang, D. Observer-based finite frequency H∞ state-feedback control for autonomous ground vehicles. ISA Trans. 2021, 121, 75–85. [Google Scholar] [CrossRef] [PubMed]
- Davoodi, M.; Meskin, N.; Khorasani, K. Simultaneous fault detection and consensus control design for a network of multi-agent systems. Automatica 2016, 66, 185–194. [Google Scholar] [CrossRef]
- Wang, S.; Jiang, Y.; Li, Y.; Liu, D. Fault detection and control co-design for discrete-time delayed fuzzy networked control systems subject to quantization and multiple packet dropouts. Fuzzy Sets Syst. 2017, 306, 1–25. [Google Scholar] [CrossRef]
- Zhai, D.; An, L.; Dong, J.; Zhang, Q. Simultaneous H2/H∞ fault detection and control for networked systems with application to forging equipment. Signal Process. 2016, 125, 203–215. [Google Scholar] [CrossRef]
- Shen, H.; Song, X.; Wang, Z. Robust fault-tolerant control of uncertain fractional-order systems against actuator faults. IET Control Theory Appl. 2013, 7, 1233–1241. [Google Scholar] [CrossRef]
- Sakthivel, R.; Ahn, C.K.; Joby, M. Fault-tolerant resilient control for fuzzy fractional order systems. IEEE Trans. Syst. Man Cybern. Syst. 2018, 49, 1797–1805. [Google Scholar] [CrossRef]
- Melendez-Vazquez, F.; Martinez-Fuentes, O.; Martinez-Guerra, R. Fractional fault-tolerant dynamical controller for a class of commensurate-order fractional systems. Int. J. Syst. Sci. 2018, 49, 196–210. [Google Scholar] [CrossRef]
- Pisano, A.; Rapaić, M.R.; Usai, E.; Jelicic, Z. Second-order sliding mode approaches to disturbance estimation and fault detection in fractional-order systems. IFAC Proc. Vol. 2011, 44, 2436–2441. [Google Scholar] [CrossRef]
- Zhong, W.; Lu, J.; Miao, Y. Fault detection observer design for fractional-order systems. In Proceedings of the 2017 29th Chinese Control And Decision Conference, Chongqing, China, 28–30 May 2017; pp. 2796–2801. [Google Scholar]
- Wang, C.; Li, H.; Chen, Y. H∞ output feedback control of linear time-invariant fractional-order systems over finite frequency range. IEEE/CAA J. Autom. Sin. 2016, 3, 304–310. [Google Scholar]
- Golabi, A.; Beheshti, M.T.H.; Asemani, M.H. Dynamic observer-based controllers for linear uncertain systems. J. Control Theory Appl. 2013, 11, 193–199. [Google Scholar] [CrossRef]
- Li, X.J.; Yang, G.H. Dynamic observer-based robust control and fault detection for linear systems. IET Control Theory Appl. 2012, 6, 2657–2666. [Google Scholar] [CrossRef]
- Park, J.K.; Shin, D.R.; Chung, T.M. Dynamic observers for linear time-invariant systems. Automatica 2002, 38, 1083–1087. [Google Scholar] [CrossRef]
- Li, J.; Pan, K.; Su, Q. Sensor fault detection and estimation for switched power electronics systems based on sliding mode observer. Appl. Math. Comput. 2019, 353, 282–294. [Google Scholar] [CrossRef]
- Li, H.; Yang, G.H. Dynamic output feedback H∞ control for fractional-order linear uncertain systems with actuator faults. J. Frankl. Inst. 2019, 356, 4442–4466. [Google Scholar] [CrossRef]
- Gahinet, P.; Apkarian, P. A linear matrix inequality approach to H∞ control. Int. J. Robust Nonlinear Control 1994, 4, 421–448. [Google Scholar] [CrossRef]
- Li, X.J.; Yang, G.H. Fault detection in finite frequency domains for multi-delay uncertain systems with application to ground vehicle. Int. J. Robust Nonlinear Control 2015, 25, 3780–3798. [Google Scholar] [CrossRef]
- Frank, P.M.; Ding, X. Survey of robust residual generation and evaluation methods in observer-based fault detection systems. J. Process Control 1997, 7, 403–424. [Google Scholar] [CrossRef]
- Yu, W.; Luo, Y.; Chen, Y.; Pi, Y. Frequency domain modelling and control of fractional-order system for permanent magnet synchronous motor velocity servo system. IET Control Theory Appl. 2016, 10, 136–143. [Google Scholar] [CrossRef]




| LF | MF | HF | |
|---|---|---|---|
| Fractional Order | Integer Order | |
|---|---|---|
| 4.0339 | 4.0366 |
Disclaimer/Publisher’s Note: The statements, opinions and data contained in all publications are solely those of the individual author(s) and contributor(s) and not of MDPI and/or the editor(s). MDPI and/or the editor(s) disclaim responsibility for any injury to people or property resulting from any ideas, methods, instructions or products referred to in the content. |
© 2023 by the authors. Licensee MDPI, Basel, Switzerland. This article is an open access article distributed under the terms and conditions of the Creative Commons Attribution (CC BY) license (https://creativecommons.org/licenses/by/4.0/).
Share and Cite
Li, H.; Li, J.; Deng, C.; Li, Y. Fault Detection and Reliable Controller Design for Fractional-Order Systems Based on Dynamic Observer. Actuators 2023, 12, 255. https://doi.org/10.3390/act12060255
Li H, Li J, Deng C, Li Y. Fault Detection and Reliable Controller Design for Fractional-Order Systems Based on Dynamic Observer. Actuators. 2023; 12(6):255. https://doi.org/10.3390/act12060255
Chicago/Turabian StyleLi, He, Jie Li, Chao Deng, and Yuanxin Li. 2023. "Fault Detection and Reliable Controller Design for Fractional-Order Systems Based on Dynamic Observer" Actuators 12, no. 6: 255. https://doi.org/10.3390/act12060255
APA StyleLi, H., Li, J., Deng, C., & Li, Y. (2023). Fault Detection and Reliable Controller Design for Fractional-Order Systems Based on Dynamic Observer. Actuators, 12(6), 255. https://doi.org/10.3390/act12060255
