Wheel Deflection Control of Agricultural Vehicles with Four-Wheel Independent Omnidirectional Steering
Abstract
:1. Introduction
2. Vehicle Model and Steering Analysis
2.1. Steering System Hardware Structure Model
2.2. Vehicle Four-Wheel Steering Kinematic Model
2.3. Theoretical Analysis of Steering Actuator Thrust
3. Control System Design
3.1. Wheel Deflection Control System Design
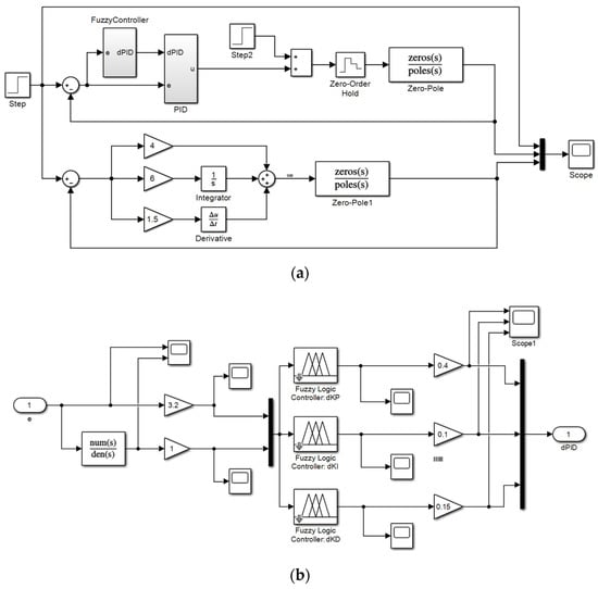
3.2. Wheel Deflection Controller Design
3.2.1. Fuzzy PID Algorithm Structure Design
3.2.2. Fuzzy PID Controller Design
- The quantitative domain of lateral deviation e and deviation change rate ec is: e, ec = {−3, −2, −1, 0, 1, 2, 3};
- The quantitative domain of proportionality coefficient ∆KP is: ∆KP = {−0.3, −0.2, −0.1, 0, 0.1, 0.2, 0.3};
- The quantitative domain of integration coefficient ∆KI is: ∆KI = {−0.06, −0.04, −0.02, 0, 0.02, 0.04, 0.06};
- The quantitative domain of differential coefficient ∆KD is: ∆KD = {−3, −2, −1, 0, 1, 2, 3}.
4. Control System Simulation Analysis
4.1. Dynamic Simulation of Wheel Deflection
4.2. Wheel Deflection Controller Simulation
- Shorter transition time;
- Faster response speed;
- Smaller steady-state error;
- The system overshoot is greatly reduced.
5. Verification of Linear Path Walking Test
5.1. Development Test Platform
5.2. Linear Path Walking Test
5.3. Results and Discussion
6. Conclusions
- (1)
- In this study, for the purpose of relieving the problems of tire sideslip and large turning radius of wheeled agricultural vehicles under complex farmland working environment, a four-wheel independent omnidirectional steering control system was proposed. Compared to the traditional two-wheel differential steering control, which used the speed difference between wheels to change the yaw angular. This kind of steering mechanism has advantages such as being able to accurately control the starting and stopping position during wheel deflection. With higher steering control accuracy, a more reliable control system and a smaller turning radius, it would result in good passing and steering performance under field working conditions.
- (2)
- The fuzzy PID control method was used to realize wheel deflection control, and a controller was established by Matlab/ Simulink to simulate and analyze the control of lateral deviation in the process of wheel deflection. The kinematic characteristics of wheel steering mechanism were analyzed by ADAMS, and the thrust change of linear actuator was defined. According to the linear path tracking test under the condition of flat road, the results indicated that the proposed steering mechanism has good stability and control performance. Furthermore, the high steering control accuracy and rapid response of the closed-loop control system ensure that the agricultural vehicle has a good control level in the state of linear tracking.
Author Contributions
Funding
Institutional Review Board Statement
Informed Consent Statement
Data Availability Statement
Acknowledgments
Conflicts of Interest
References
- Moysiadis, V.; Tsolakis, N.; Katikaridis, D.; Sørensen, C.G.; Pearson, S.; Bochtis, D. Mobile Robotics in Agricultural Operations: A Narrative Review on Planning Aspects. Appl. Sci. 2020, 10, 3453. [Google Scholar] [CrossRef]
- Shamshiri, R.R.; Weltzien, C.; Hameed, I.A.; Yule, I.J.; Chowdhary, G. Research and development in agricultural robotics: A perspective of digital farming. Int. J. Agric. Biol. Eng. 2018, 11, 1–11. [Google Scholar] [CrossRef]
- Oliveira, L.F.P.; Moreira, A.P.; Silva, M.F. Advances in Agriculture Robotics: A State-of-the-Art Review and Challenges Ahead. Robotics 2021, 10, 52. [Google Scholar] [CrossRef]
- Hang, P.; Chen, X.; Luo, F.; Fang, S. Robust Control of a Four-Wheel-Independent-Steering Electric Vehicle for Path Tracking. SAE Int. J. Veh. Dyn. Stab. NVH 2017, 1, 307–316. [Google Scholar] [CrossRef]
- Qiu, Q.; Fan, Z.; Meng, Z.; Zhang, Q.; Cong, Y.; Li, B.; Wang, N.; Zhao, C. Extended Ackerman Steering Principle for the coordinated movement control of a four wheel drive agricultural mobile robot. Comput. Electron. Agric. 2018, 152, 40–50. [Google Scholar] [CrossRef]
- Liu, C.; Sun, W.; Zhang, J. Adaptive sliding mode control for 4–wheel SBW system with Ackerman geometry. ISA Trans. 2020, 96, 103–115. [Google Scholar] [CrossRef]
- Jiang, Z.; Xiao, B.; Xiao, Y.; Li, H.; Zhang, J. Research on Steering Control Strategy for Steering-by-Wire Four-Wheel Electric Vehicle. In Proceedings of the 2018 2nd IEEE Advanced Information Management, Communicates, Electronic and Automation Control Conference (IMCEC), Xi’an, China, 25–27 May 2018; pp. 80–84. [Google Scholar]
- Oksanen, T.; Linkolehto, R. Control of four wheel steering using independent actuators. IFAC Proc. Vol. 2013, 46, 159–163. [Google Scholar] [CrossRef]
- Song, L.; Ju, H.; Li, W.; Sun, C.; Yuan, B. Design and Research of Omni-directional Moving AGV. J. Phys. Conf. Ser. 2020, 1575, 012095. [Google Scholar] [CrossRef]
- Qu, J.; Guo, K.; Zhang, Z.; Song, S.; Li, Y. Coupling Control Strategy and Experiments for Motion Mode Switching of a Novel Electric Chassis. Appl. Sci. 2020, 10, 701. [Google Scholar] [CrossRef] [Green Version]
- Faïza, K.; Rodolfo, O.; Michel, B. Coordinated AFS and DYC for autonomous vehicle steerability and stability enhancement. IFAC Pap. 2020, 53, 14248–14253. [Google Scholar]
- Yue, S.; Fan, Y. Hierarchical Direct Yaw-Moment Control System Design for In-Wheel Motor Driven Electric Vehicle. Int. J. Automot. Technol. 2018, 19, 695–703. [Google Scholar] [CrossRef]
- Ding, S.; Liu, L.; Zheng, W.X. Sliding Mode Direct Yaw-Moment Control Design for In-Wheel Electric Vehicles. IEEE Trans. Ind. Electron. 2017, 64, 6752–6762. [Google Scholar] [CrossRef]
- Peng, H.; Wang, W.; An, Q.; Xiang, C.; Li, L. Path Tracking and Direct Yaw Moment Coordinated Control Based on Robust MPC With the Finite Time Horizon for Autonomous Independent-Drive Vehicles. IEEE Trans. Veh. Technol. 2020, 69, 6053–6066. [Google Scholar] [CrossRef]
- Yong, J.; Gao, F.; Ding, N.; He, Y. An integrated algorithm for vehicle stability improvement with the coordination of direct yaw moment and four-wheel steering control. Int. J. Veh. Des. 2017, 74, 231–256. [Google Scholar] [CrossRef]
- Chen, L.; Li, Z.; Yang, J.; Song, Y. Lateral Stability Control of Four-Wheel-Drive Electric Vehicle Based on Coordinated Control of Torque Distribution and ESP Differential Braking. Actuators 2021, 10, 135. [Google Scholar] [CrossRef]
- Kasinathan, D.; Kasaiezadeh, A.; Wong, A.; Khajepour, A.; Chen, S.K.; Litkouhi, B. An Optimal Torque Vectoring Control for Vehicle Applications via Real-Time Constraints. IEEE Trans. Veh. Technol. 2016, 65, 4368–4378. [Google Scholar] [CrossRef]
- Wang, J.; Wang, Q.; Jin, L.; Song, C. Independent wheel torque control of 4WD electric vehicle for differential drive assisted steering. Mechatronics 2010, 21, 63–76. [Google Scholar] [CrossRef]
- Yin, D.; Wang, J.; Du, J.; Chen, G.; Hu, J. A New Torque Distribution Control for Four-Wheel Independent-Drive Electric Vehicles. Actuators 2021, 10, 122. [Google Scholar] [CrossRef]
- Chen, L.; Li, P.; Lin, W.; Zhou, Q. Observer-Based Fuzzy Control for Four-Wheel Independently Driven Electric Vehicles with Active Steering Systems. Int. J. Fuzzy Syst. 2020, 22, 89–100. [Google Scholar] [CrossRef]
- Sun, H.; Li, H.; Li, Y.; Song, Z.; Xu, K. Accelerating the Validation of Motion Control for a 4WD4WS Ground Vehicle Using a Hierarchical Controller Hardware-in-the-loop System*. In Proceedings of the 2019 IEEE International Conference on Robotics and Biomimetics (ROBIO), Dali, China, 6–8 December 2019; pp. 2396–2401. [Google Scholar]
- Yutian, Z.; Jun, N.; Hanqing, T.; Wei, W.; Jibin, H. Integrated robust dynamics control of all-wheel-independently-actuated unmanned ground vehicle in diagonal steering. Mech. Syst. Signal. Process. 2022, 164, 108263. [Google Scholar]
- Ren, B.; Chen, H.; Zhao, H.; Yuan, L. MPC-based yaw stability control in in-wheel-motored EV via active front steering and motor torque distribution. Mechatronics 2016, 38, 103–114. [Google Scholar] [CrossRef]
- Tu, X.; Gai, J.; Tang, L. Robust navigation control of a 4WD/4WS agricultural robotic vehicle. Comput. Electron. Agric. 2019, 164, 104892. [Google Scholar] [CrossRef]
- Zhang, M.; Ji, Y.; Li, S.; Cao, R.; Xu, H.; Zhang, Z. Research Progress of Agricultural Machinery Navigation Technology. Trans. Chin. Soc. Agric. Mach. 2020, 51, 1–18. [Google Scholar]
- Sharma, R.; Deepak, K.K.; Gaur, P.; Joshi, D. An optimal interval type-2 fuzzy logic control based closed-loop drug administration to regulate the mean arterial blood pressure. Comput. Methods Programs Biomed. 2020, 185, 105167. [Google Scholar] [CrossRef] [PubMed]
- Xu, Q.; Li, H.; He, J.; Wang, Q.; Lu, C.; Wang, C. Design and experiment of the self-propelled agricultural mobile platform for wheat seeding. Trans. Chin. Soc. Agric. Eng. 2021, 37, 1–11. [Google Scholar]
- Lin, H.; Dong, S.; Liu, Z.; Yi, C. Study and Experiment on a Wheat Precision Seeding Robot. J. Robot. 2015, 2015, 12. [Google Scholar]
- Chatzikomis, C.I.; Spentzas, K.N. Comparison of a vehicle equipped with Electronic Stability Control (ESC) to a vehicle with Four Wheel Steering (4WS). Forsch. Ing. 2014, 78, 13–25. [Google Scholar] [CrossRef]
- Tabbache, B.; Kheloui, A.; Benbouzid, M.E.H. An Adaptive Electric Differential for Electric Vehicles Motion Stabilization. IEEE Trans. Veh. Technol. 2011, 60, 104–110. [Google Scholar] [CrossRef] [Green Version]
- Zhang, J.; Chen, D.; Wang, S.; Hu, X.; Wang, D. Design and experiment of four-wheel independent steering driving and control system for agricultural wheeled robot. Trans. Chin. Soc. Agric. Eng. 2015, 31, 63–70. [Google Scholar]
- Guo, X.; Chen, Y.; Li, H. Research on Steering Stability Control of Electric Vehicle Driven by Dual In-Wheel Motor. In Proceedings of the 2020 10th Institute of Electrical and Electronics Engineers International Conference on Cyber Technology in Automation, Control, and Intelligent Systems (CYBER), Xi’an, China, 10–13 October 2020. [Google Scholar]
- Chen, G.; Li, Z.; Zhang, Z.; Li, S. An Improved ACO Algorithm Optimized Fuzzy PID Controller for Load Frequency Control in Multi Area Interconnected Power Systems. IEEE Access 2020, 8, 6429–6447. [Google Scholar] [CrossRef]
- Ma, S.; He, Y.; Li, G.; Li, M.; Li, H. Design and Optimization of the Steering Mechanism of Four-wheel Steering Elevated Vehicle. J. Agric. Mech. Res. 2018, 40, 252–256. [Google Scholar]
- Bouakkaz, M.S.; Boukadoum, A.; Boudebbouz, O.; Fergani, N.; Boutasseta, N.; Attoui, I.; Bouraiou, A.; Necaibia, A. Dynamic performance evaluation and improvement of PV energy generation systems using Moth Flame Optimization with combined fractional order PID and sliding mode controller. Sol. Energy 2020, 199, 411–424. [Google Scholar] [CrossRef]
















| ∆KP | ec | |||||||
|---|---|---|---|---|---|---|---|---|
| NB | NM | NS | ZO | PS | PM | PB | ||
| e | NB | PB | PB | PM | PM | PS | ZO | ZO |
| NM | PB | PB | PM | PS | PS | ZO | NS | |
| NS | PM | PM | PM | PS | ZO | NS | NS | |
| ZO | PM | PM | PS | ZO | NS | NM | NM | |
| PS | PS | PS | ZO | NS | NS | NM | NM | |
| PM | PS | ZO | NS | NM | NM | NM | NB | |
| PB | ZO | ZO | NM | NM | NM | NB | NB | |
| ∆KI | ec | |||||||
|---|---|---|---|---|---|---|---|---|
| NB | NM | NS | ZO | PS | PM | PB | ||
| e | NB | NB | NB | NM | NM | NS | ZO | ZO |
| NM | NB | NB | NM | NS | NS | ZO | ZO | |
| NS | NB | NM | NS | NS | ZO | PS | PS | |
| ZO | NM | NM | NS | ZO | PS | PM | PM | |
| PS | NM | NS | ZO | PS | PS | PM | PB | |
| PM | ZO | ZO | PS | PS | PM | PB | PB | |
| PB | ZO | ZO | PS | PM | PM | PB | PB | |
| ∆KD | ec | |||||||
|---|---|---|---|---|---|---|---|---|
| NB | NM | NS | ZO | PS | PM | PB | ||
| e | NB | PS | NS | NB | NB | NB | NM | PS |
| NM | PS | NS | NB | NM | NM | NS | ZO | |
| NS | ZO | NS | NM | NM | NS | NS | ZO | |
| ZO | ZO | NS | NS | NS | NS | NS | ZO | |
| PS | ZO | ZO | ZO | ZO | ZO | ZO | ZO | |
| PM | PB | PS | PS | PS | PS | PS | PB | |
| PB | PB | PM | PM | PM | PS | PS | PB | |
Publisher’s Note: MDPI stays neutral with regard to jurisdictional claims in published maps and institutional affiliations. |
© 2021 by the authors. Licensee MDPI, Basel, Switzerland. This article is an open access article distributed under the terms and conditions of the Creative Commons Attribution (CC BY) license (https://creativecommons.org/licenses/by/4.0/).
Share and Cite
Xu, Q.; Li, H.; Wang, Q.; Wang, C. Wheel Deflection Control of Agricultural Vehicles with Four-Wheel Independent Omnidirectional Steering. Actuators 2021, 10, 334. https://doi.org/10.3390/act10120334
Xu Q, Li H, Wang Q, Wang C. Wheel Deflection Control of Agricultural Vehicles with Four-Wheel Independent Omnidirectional Steering. Actuators. 2021; 10(12):334. https://doi.org/10.3390/act10120334
Chicago/Turabian StyleXu, Qimeng, Hongwen Li, Quanyu Wang, and Chunlei Wang. 2021. "Wheel Deflection Control of Agricultural Vehicles with Four-Wheel Independent Omnidirectional Steering" Actuators 10, no. 12: 334. https://doi.org/10.3390/act10120334
APA StyleXu, Q., Li, H., Wang, Q., & Wang, C. (2021). Wheel Deflection Control of Agricultural Vehicles with Four-Wheel Independent Omnidirectional Steering. Actuators, 10(12), 334. https://doi.org/10.3390/act10120334
