Next Article in Journal
Historical, Geometrical, and Constructive Analyses of the Rotonda Roman Baths in Catania (Sicily)
Previous Article in Journal
The Aesthetic Imagery of Traditional Garden Door and Window Forms: A Case Study of the Four Major Traditional Gardens of Lingnan
 
 
Font Type:
Arial Georgia Verdana
Font Size:
Aa Aa Aa
Line Spacing:
Column Width:
Background:
Article

Case Studies on Construction Defects in Civil Construction: Evidence and Possible Solutions

DICAAR, University of Cagliari, 09124 Cagliari, Italy
*
Author to whom correspondence should be addressed.
Buildings 2025, 15(4), 514; https://doi.org/10.3390/buildings15040514
Submission received: 28 November 2024 / Revised: 13 January 2025 / Accepted: 15 January 2025 / Published: 7 February 2025
(This article belongs to the Section Construction Management, and Computers & Digitization)

Abstract

This paper deals with the occurrence of construction defects, particularly those due to water penetration in buildings. The considered defects mainly originated from improper management of validation checks during the design or execution phases. From a technical point of view, validation checks are valuable tools for public administrations to mitigate litigation and construction defects during or after building and infrastructure work. A large proportion of defects are due to rigid design procedures, which require technical specialists to address specific issues (architectural, structural, material, etc.), and the main problems are often caused by a lack of coordination. Another frequent cause of defects is the sequence of planning stages (preliminary, final, and executive in Italian regulation), and different technicians may manage the same design, sometimes with different tender procedures. In other cases, the contradictory requirements imposed by various regulatory authorities (fire corps, agency for the management of artistic heritage, etc.) create conflicts and lead to wrong technical decisions through attempts to fulfill contradictory requests. An independent technical board, such as a team of validators, is therefore able to help the regulatory authority, reducing the risks of errors during the design process and avoiding litigation during construction phases. Several approaches to validation are presented, from “best practice” to “prescriptive validation”. An analysis of four examples of litigation due to relevant defects is shown and discussed, where a lack of coordination and the absence of real validation checks are the main causes of litigation. A discussion of these examples provides indications and suggestions for strategies to mitigate the occurrence of construction defects.

1. Introduction

The verification phase of a project is one of the essential stages of the procedure for project approval. A proper testing and validation phase of the project protects public administration from objections from the construction company, after the assignment of the work, on design aspects, and from design errors [1,2]. In this sense, projects must be audited by an independent party before being subjected to procurement. This process is sanctioned by the technical legislation of many countries.
The introduction of the first version of the UNI EN ISO 9000 standard in 1994 constitutes the first and main reference in terms of terminology in the field of quality control and, consequently, in the certification sector. The standard, which was taken up a few years later by the UNI EN ISO 8402 “quality vocabulary” published in 1995, defines the concept of validation for the first time as “confirmation of the satisfaction of the particular requirements relating to a specific use, given following tests and supported by objective evidence”.
The concept and terminological definition are then accepted in legislation from the management systems—fundamentals and terminology. Here, the concept of validation is coded as “confirmation, supported by objective evidence, that the requirements related to a specific intended use or application are satisfied”. In the same place, verification is defined as “confirmation, supported by objective evidence, of the satisfaction of specified requirements”.
One of the primary objectives of validation is the assessment of the minimum requirement for a correct procurement procedure that avoids disputes and economic obstacles. Consequently, production costs certainly represent a primary aspect to be controlled. Verification of the correctness of the costs and their congruity with the planned work is aimed primarily at estimating the economic risks involved in the procurement procedures and in the realization of the work.
Project validation constitutes an important tool to protect public contracting entities, particularly those responsible for the procedure, by reducing the risk of disputes during the manufacturing process. Progressive control of the project and continuous verification of compliance with the planned work also allow the designer to be protected from hypothetical conflicts. Lastly, a proper validation phase also represents an efficient end-user guarantee.
Some significant validation approaches adopted by other countries are briefly outlined below.
  • The UK approach (best practices). Among the existing political and legislative tools, the most interesting aspect lies in the operational strategy of the governing bodies to refer to guidelines of good professional practice, defined as best practices. The cultural approach behind the choice is not to produce a binding regulation but rather to provide a reference for the cultural nature of professional practice in the context of public works.
    The significant number of technical guides available from the British Treasury can be divided into two broad categories: Government Construction Procurement Guidance (PG) and Central Unit on Procurement (CUP). Among the CUPs, two documents explicitly concern the topic of verification and validation of projects: CUP Guidance n° 43 of 1993 on Project Evaluation and PG no. 8 of 2000 on Project Evaluation and Feedback; CUP n° 43 is part of a process aimed at total quality control. Some very precise verification objectives are identified as follows:
    (a)
    The total performance in terms of costs, time, and quality;
    (b)
    Clear definition of responsibilities;
    (c)
    Limited exposure to risks;
    (d)
    Improvement of the value for money (VFM).
    Project evaluation (PE) is a control technique designed for the management of large works. It is developed during the building process and allows progressive monitoring of the process through a multidisciplinary approach. It involves a control activity managed by multiple operators able to carry out checks on different aspects of the project and activate eventual corrective actions. The PE recommendations indicate that the verification process needs to have a systematic nature and become a routine activity to actually facilitate the management of critical issues within a proper amount of time. The systematic nature of PE activities is explained through the distinction between pre-project, in-project, and post-project evaluation activities.
  • The Spanish approach (supervision). The control activity of the design of public works in Spain is stipulated in the practice of supervision envisaged in Article 122 of the Consolidated Law on Public Works, which is obligatory and based on the threshold amount of the works required. In Spain, supervision consists of a control activity focused on the formal verification of project documentation in terms of compliance with technical regulations and the general legal and regulatory provisions. The only technical control that a project is subjected to in Spanish legislation is the “Replanteo del Proyecto” governed by Article 129 of the Consolidated Law. However, only a dimensional check is carried out, along with verification of the availability of the construction site. This step results in binding upon the opening of the work procedures. The Replanteo del Proyecto is then subjected to verification, starting with the real phase of execution of the work.
  • The Italian approach (validation checks). Public works are subject to verification from third parties after the completion of the design procedure. For projects under a specific amount, the validation check is conducted directly by the technical staff of the project, whilst for projects over EUR 5.0 M, the verification check requires a more extensive procedure during the design stages. These checks can be divided into editorial, technical, and administrative, highlighting their formal aspects.
Several companies and technicians are specifically dedicated to checking activities. The first critical aspect is formal control, which tends to address matters related to material use. Another relevant aspect is the integrity of the structural works over time in relation to the field of cultural heritage or existing constructions, such as the certification of the use of certain materials on existing constructions with respect to water penetration [3], natural stone walls [4], diagnosis of concrete elements, or the integrity of historic urban walls [5,6], demonstrating the relevance of maintenance over time and the necessity of periodical checks. Climate events are also a source of defects in infrastructures. Recently, attention has been paid to the rehabilitation of road infrastructures [7] after repeated collapses due to climate events, including a proposed maintenance strategy [7], the causes of defects for a category of common small bridges [8], and several visual inspection strategies [9]. Alternative road paths can be assessed to mitigate the necessity of construction work or in case of extreme events [10], but this solution cannot be applied to public or private buildings (hospitals, social housing, etc.), in which a preventive validation check is of primary importance.
The methodologies for assessing the safety of buildings are also affected by several significant issues, including uncertainty about the mechanical characteristics of materials, which can be handled by using probabilistic tools [11,12,13,14].
In any case, validation checks play an important role during the design and maintenance phases of infrastructures and should be systematically applied in both public and private sectors to avoid poor performance.
A high percentage of disputes caused by construction defects are attributed to design mistakes [15]. In these cases, insurance against design errors represents a partially useful tool. In fact, its application should not be considered a trivial operation and it is invoked only after damage has occurred. A relevant case study [16] shows that the adoption of irregular shapes in new or existing buildings might lead to construction defects. Recent climate changes are creating new perspectives in regard to the prediction and mitigation of defects, as well as in terms of insurance coverage from the probabilistic loading chain [17]. Moreover, the application of BIM procedures to existing or heritage structures can help in the assessment of risks [18,19].
The Italian regulation does not consider validation checks as mandatory in the case of private buildings. However, the regulation allows internal technicians in public bodies to conduct validation checks when the project cost is below a threshold, which is set considerably high (currently EUR 1.0 M or 5.0 M, depending on the work types), thereby exposing many buildings to several risks. Lessons from previous cases can be taken from the literature in the field of collapses and litigation [20,21,22,23,24]. To further contribute to the literature, the present paper describes case studies of construction defects or failures in Italy. In the period 1990–2010, a set of about 200 litigations in the Tuscany region was investigated by one of the authors [15]: about 50% of the cases were initiated due to water penetration from decks, terraces, facades, or basements. At the initial stage of litigation, more than 50% of the responsibility was assigned to errors of execution. At the end of the litigation, the civil court established that more than 50% of the responsibility was due to design errors or lack of inspection. Although the regulatory context has changed, we are still witnessing problems similar to those highlighted in the aforementioned investigation campaign.
The investigation described herein is limited to cases of defects resulting from water penetration into buildings. Four examples of newly constructed buildings, affected by deficiencies due to water penetration, are presented in the sections below. Construction defects caused by insufficient verification procedures, or an absence of such procedures, are pointed out. A common critical aspect in the four examples is the insufficient validation checks during the design stages, together with a lack of inspection during the construction stages. The method used in our investigation consists of two steps: 1. observation of the defects and 2. explanation of the causes. All four case studies present defects due to water penetration from decks, terraces, facades, or pavements. After the investigation of the four case studies, a discussion is presented to highlight the most frequent errors that occur during design, inspection, or construction, together with the necessity of a preventive and independent validation check procedure to mitigate such occurrences.

2. Defects in a Healthcare Building

The first example is a new building for social and health care located in South Italy. It was built at an altitude of 900 m a.s.l. Evident defects arose due to the inappropriate design approach. As a matter of fact, the designer only considered the climatic zone of the town hall (670 m a.s.l.), thereby ignoring the real climate conditions of the building site. This particular location, consisting of an area at the top of a hill, exacerbated this aspect. The acquisition of climate data from a tabular database for the evaluation of climate conditions considering the real context (height and exposure) was a first.
In addition, the agency for the management of artistic heritage, “Superintendence of architectural, artistic and environmental assets”, required a design solution without overhanging eaves, constructed with sun-tiled roofs with reverse brick (Figure 1a). The removal of overhanging eaves decreased the protection of the building façade from environmental events such as snow, strong wind, and rainstorms. This was particularly evident on the exposed façade on the northern side of the building. Moreover, the designer used a product based on hydrated lime and cement as plaster, which was poorly suited to withstand freeze–thaw cycles; a visual inspection of the building shows that the plaster protected under the portico is undamaged, while that of the northern façade is damaged (Figure 1b).
Furthermore, a set of frames was added to the windows during construction to meet aesthetic requirements at the request of the superintendent. This intervention was not previously considered in the initial project. The presence of these frames implied an unforeseen accumulation of snow and frost. During the melting process, cracks were created between the frames and the plaster, leading to water penetration (Figure 1c). The installation of the frames also reduced the required thickness of the window sills to eliminate the flow of rainwater on the façade, thus worsening the negative conditions of the plaster.
The project was initially developed by the technical department of the contracting authority (preliminary phase) and then enforced by an external designer; unfortunately, the verification checks were carried out by the same technical department and approved by means of an internal document, which seemed self-referential, as this procedure did not permit an independent technical judgment of the design phases. As a consequence, significant deviations during construction were necessary to fill some aspects that were not considered in the executive phase.
Without delving into the specific responsibilities for the defects that occurred, it is evident that the absence of a thorough validation check, which should be conducted by an external party not involved in the various stages of design and construction, led to the shortcomings outlined above. Moreover, the consequence of having to spend a significantly increased sum of money to complete the construction and repair the damage, together with a new time schedule, caused a significant delay in building usage. From the economic point of view, the initial value of the work was about EUR 700.000, and the defects were estimated to cost about EUR 250.000. The delay due to the litigation followed by the reparation of defects was about 10 months.

3. Defects in an Aquarium

The second example is a building located in Central Italy along the sea waterfront. The construction involved the expansion of an existing masonry building to host a new aquarium.
In this case, the local climate conditions were not properly taken into account to make a correct selection of materials and technological solutions. The main entrance of the building was exposed to rain and marine seepage during strong winds (Figure 2); the absence of a waterproofing barrier at the bottom of the door caused persistent penetration of humidity on the pavement. The corrugated metal sheets of the slabs in the intrados were deeply corroded, which was caused by insufficient hot-dipped galvanized coating. The air extractors were corroded because of seawater carried by the wind (Figure 3), along with the low quality of the metal elements.
Water infiltration from the bottom arose in the rooms situated in the basement (Figure 4), as this area is close to the sea and was recently filled with stone rubble. The plaster used on the internal partitions was not suitable for humid and salty environments (Figure 5); there are modern technologies that provide solutions to mitigate the effect of soluble salts.
In addition, the edge of the sidewalk on the terrace was not protected from water, causing rain penetration from the ground floor (Figure 6) to the inner part of the aquarium. Machines for the treatment of air and water were placed on the roof without any protection from the marine environment (Figure 7). Steel fixtures were unprotected and incorrectly installed, and this caused corrosion of the pipes below. Electrical equipment on the ground floor was not properly conserved and was exposed to flooding (Figure 8).
Several reasons could be identified to explain the causes of so many defects. The first reason was the absence of verification checks managed by an independent group of technicians. Moreover, the designer who obtained the general contract focused mainly on the aesthetics and requirements of the design, while the indication of construction materials was generic and insufficient; the contractor did not receive precise information on the quality of the materials, the unit prices were not properly analyzed, and, in most cases, insufficient amounts of money were considered to cover equipment with satisfactory quality.
The inspection team of the work was often not present on site, allowing the construction company to take the initiative in the choice of materials to use. The quality control of the various supplies was weak, and there was no independent technical committee to verify the correctness of the use of public resources. The observation of the onset of the first defects led to a long interruption of construction activities. Moreover, it resulted in a legal dispute, where the customer accused the manufacturer of negligence and failure, while the manufacturer blamed deficiencies in the design guidelines and the lack of indication during construction. This situation was resolved with a completely new tender. The new competition identified a new construction and management company with a new inspection office, and numerous technical solutions were proposed to repair the defects along with a new design procedure, whose consequence was a large increment in expenses. The new administrative process consisted of a unique competition joining the construction and use of the building: a reputable aquarium management company stepped up to the challenge by committing itself to remedying all the defects, enabling the opening of the aquarium, and ensuring decade-long maintenance in exchange for the autonomous management of the revenues generated by the activities of the aquarium. From the economic point of view, the initial value of the work was about EUR 1.400.000 and the defects were estimated to cost about EUR 700.000. The delay due to the litigation followed by the reparation of defects was about 3 years.

4. Defects in a Luxury Hotel

A third example is a luxury hotel built in Northern Italy. The architects, commissioned by a private company, curated the executive solutions and developed the design without performing any technical comparison with third parties. Although the drawings and aesthetic renderings impressed the customer, the project was not submitted to a real validation check except for the business plan and the work time schedule, which were topics of apparent priority for the customer. However, the real quality of the building was not evaluated properly and constructive details were not satisfactorily illustrated.
The images displayed in Figure 9, Figure 10, Figure 11, Figure 12, Figure 13 and Figure 14 show the real implications of the designer’s choices. The architectural approach to the ceiling was based on a “brutalist” layout: it was easy to understand and obtained approval from the customer with the view towards saving money in the absence of a technical comparison. However, the final result was not in line with the overall level required for a luxury hotel.
Moreover, modern and effective solutions aimed at saving energy, installing smart shading, and reducing air pollution were not introduced [18,19,20,21]. These elements were of strategic interest, particularly for hospitality facilities in new-generation buildings. The vulnerability of the adopted solutions and a proper maintenance program during the life of the hotel were not sufficiently considered; in that sense, validation checks could have strongly mitigated the risks. It was also evident that an insurance strategy could not solve the aforementioned problems and was not justified in the absence of preventive verifications of the technical solutions: preventive quality control is the basis of civil insurance coverage.
The resultant litigation brought about by the customer to the civil court involved the designer, inspector, and construction company. A contradictory aspect on the part of the customer was that, on the one hand, the customer declared that the defects compromised the use of the hotel. On the other hand, the customer opened the hotel to regularly host guests; the absence of a justification for economic reimbursement due to failure to use the hotel reduced the possibility of receiving full recognition of the value of the defects. The same interpretation was made by the insurance company of the customer: in the absence of an independent validation check, what was contestable was the aesthetic implication or reduced useful life of several elements, mainly the materials used, the roof garden, the technical spaces, and the ceiling.
The technical consultant of the court concluded that a major proportion of responsibility lay with the designer and inspector, with a minor proportion lying with the construction company. A further level of judgment was submitted by the various involved parties. From the economic point of view, the initial value of the work was about EUR 2,400,000 and the defects were estimated to cost about EUR 800,000. The delay due to the litigation followed by the reparation of defects was about 12 months.

5. Defects in a Public Social Housing Complex

The last example is a new complex for public social housing located in Central Italy. The economic parameters established by the regional government stipulate very low unit amounts for this type of construction. Consequently, the following criteria should be observed in order to align with the economic budget while ensuring a proper standard of quality: the technical choices should follow solutions inspired by simplicity in execution, utilization of well-experimented construction details should be preferred, and inspection during work and maintenance after work should be guaranteed.
Nevertheless, the designers opted for unconventional aesthetic solutions for the building, avoiding the use of pitched roofs, traditional plaster, and traditional clay unit façades, while adopting uncommon window frame typologies and avoiding geometrical protection of the top of the building through overhanging roofs or similar solutions. In addition, insufficient attention was given to the most crucial aspect: the proper sealing of the vast underground garage. No redundancies to protect against water penetration from the ground area were adopted; every small inevitable manufacturing defect during the execution of the waterproofing layers turned into generalized degradation, which was neither sustainable nor acceptable to users. It should be emphasized that maintenance control was impossible due to the fact that the waterproofing layers were hidden by the pavements.
Another setting error was the type of competition between construction companies: competition was based only on the best economic offer without any consideration of quality or reputational evaluation of each company’s CV or capability to solve similar constructive details. Although the law regarding compulsory validation checks was not in force yet, the public administration attempted to mitigate the risks of problems by utilizing a robust technical commission during construction. After two incomplete assignments, the contract was signed by the third company in the ranking list based on the lowest offer; the first two companies refused because of the too-low unit prices, even though they were established by a regional directive.
Subsequently, a long controversy ensued between the construction company, the public customer, and the technical commission. However, the low quality of the design and the constraints imposed by the budget, which were not contestable, did not permit satisfactory execution. As a result, the underground garage was not technically certified for its intended use. The absence of a preventive validation check on the correctness of unit prices did not help solve this crucial circumstance. The only solution would have been to reject a project that was too ambitious from an architectural point of view, considering the budget set by the public administration, in favor of construction solutions that were inherently cheaper. The establishment of a validation check committee with independent authority would have had the chance to impose such a solution.
The quality of the apartments was definitely poor, and exposure to the aforementioned defects reduced the housing quality (see damages in Figure 15, Figure 16, Figure 17, Figure 18, Figure 19, Figure 20, Figure 21 and Figure 22). Despite this, the apartments had been put to their intended use: the political pressure generated by the urgent need for new social housing allowed no alternatives. The consequence of the low-quality construction was the necessity of additional work to allow the building’s continued usage in line with health standards. Finally, further maintenance activities proved to be expensive and challenging to conduct. Meanwhile, the communal garage remained unusable due to significant water infiltration. The activation of the insurance coverage was compromised by the lack of technical and administrative precautions to prevent the aforementioned damages.
From the economic point of view, the initial value of the work was about EUR 4,700,000 and the defects were estimated to cost about EUR 1,500,000. The delay due to the litigation followed by the reparation of defects was about 18 months for the apartments, while the garage is still not available for use after 8 years of litigation.

6. Discussion

This manuscript highlights that failures or damages to construction depend on several risk factors, as described in [15,16,17]. In particular, in [15], more than 200 case studies of disputes on construction defects in Italy have been classified by one author of this paper. The lesson has been emblematic: about 50% of defects were due to water penetration. Moreover, in most cases, the dispute started with a consideration of the errors during construction and ended with the major proportion of responsibility assigned to the design phases.
Litigation disputes, including the aforementioned examples, also depend on the setting of the tender and the way in which the project is validated. The statistics review in [24,25] shows that design errors, together with unanticipated engineering and design changes, are the most frequent technical causes of defects. In addition, the unavailability of skilled labor represents a relevant issue nowadays, especially in developing countries. In fact, the communication chain of technical information from designers to construction workers needs to be carefully assessed and simplified in order not to create further obstacles due to bureaucratic procedures. This has also been assessed in the scientific literature [20,21,22,23,24]. In current research and practice, designers and construction companies receive great assistance from modern Building Information Modeling (BIM) instruments [26,27,28]. Raising the degree of detail of the project helps prevent free interpretations in the construction phase, which too often are solved with the most economical and loss-making solution. These tools establish workflows that help technicians involved in validation checks carry out their work more efficiently and quickly, reducing typical errors caused by a lack of coordination.
The examples illustrated in the present paper highlight the importance of performing systematic validation checks to avoid inappropriate technical choices during the design phases of private and public buildings [29,30]. The involvement of a specialist in these issues could be made mandatory in certain areas, as has already happened for structural parts, electrical and fire protection, etc., and the specialist may also assume responsibility for what is planned. The analyzed cases are affected by issues related to insufficient communication between the parties involved in the construction process, starting from the preliminary phase to the usage certification phase. The technical issues generally concern water infiltrations in different environments due to inadequate protection from rain, sunlight, and snow. The different exposure of building façades, terraces, and roofs to climate events is an element that needs to be taken into account during dispute resolution, as material choices might not have been properly addressed by the designer. In addition, the poor quality of materials and the lack of quality control result in early damage. Relatively simple solutions could have been adopted to avoid all these complications, which could also be strongly reduced if robust and substantial third-party control is guaranteed [31,32].
Finally, it should be underlined that the activation of preventive verification measures of a project during its execution, through an independent commission of validators, significantly reduces the occurrence of defects. In fact, defects often do not appear unpredictably but are often produced by deficiencies in the design of the contract.
The strategy of protecting the client from construction defects with robust insurance coverage seems to be not sufficient, and it covers only the economic aspect. Furthermore, damages due to the non-use of the building, social costs, or reputational damage to the client are difficult to claim before a civil court, which can come at the cost of a long and tiring legal battle. The proposal to implement technical boards to support public administrations in case of necessity seems a reasonable solution to manage those circumstances.

7. References for Validation Phases

At each technical control step, before starting the validation checks, formal checks are carried out directly by a coordination team concerning the following aspects:
  • Compliance with contractual deadlines in terms of project delivery;
  • Completeness of all documents required by regulation;
  • Correspondence of the names of the designers with those holding the assignment and signing of the documents for the assumption of related responsibilities;
  • Completeness and adequacy of documentation relating to the investigations carried out to check the technical, administrative, and economic feasibility of the intervention.
This is followed by specialist checks, in which each verification staff organizes their own work starting from basic technical control maps, which contain the possible problems of the project. A single verification cycle is structured as follows:
  • Search for potential errors/deficiencies in the project;
  • Assessment of the criticality of the error/deficiency identified;
  • Indication of corrective needs;
  • Integration checks;
  • Verification of compliance with the requested adjustments;
  • Validation report and update of the control plan.
The integration checks carried out by the verification staff are categorized according to the classes of checks required by the current standards and also outlined in UNI 10722/1-2-3. These are primarily aimed at verifying the following aspects:
(a)
COMPLETENESS:
Verification of the completeness of all the documents envisaged for the project;
Fulfillment of the obligations outlined in the design specification;
Completion of all the documents required by law;
Complete definition of what is included and excluded from the contract;
Completeness and consistency of the specifications with other documents and correct reference to up-to-date standards;
Technical and administrative exhaustiveness of the individual drawings;
Level of detail of the graphic works appropriate to the contractual definition in the contract;
Exhaustiveness of the changes made to the project following the previous examination;
Exhaustiveness of the project in relation to the requirements framework.
(b)
RELIABILITY:
Results of preventive investigations carried out on-site (geotechnical surveys);
Consistency of the design hypotheses underlying the environmental technical elaborations, as well as architectural, structural, and plant engineering and safety;
Application of the specific standards and technical rules outlined in the reference adopted for the drafting of the project;
Level of integration of the assumptions underlying the calculations carried out in different disciplinary fields;
Adherence to the assumptions, specific standards, and technical rules applied during the drafting of the project to the actual situation of the intervention;
Compliance with environmental and landscape protection requirements.
(c)
LEGIBILITY, COHERENCE, AND TRACKABILITY:
Use of conventional standards and language to render the information contained in the elaborates, and traceability of the calculations and critical design choices;
Readability of the design with regard to the use of conventional language during construction;
Consistency of information concerning the same work between different drawings;
Traceability of interferences between works in different construction phases (e.g., interference drawings).
The reporting of the inspection activity will be carried out at a periodicity parallel to that of the design activity. Each report will contain, in addition to the results of the specialist inspection, an indication of the results of the technical inspections carried out on other aspects of the project (in addition to the standard information according to the UNI CEI EN 45004, RT-07, UNI 10721, and Guide EA 5/01) and an indication of the relevance of the actions required to resolve the problems detected in terms of their probable impact on the design time and cost of the work. Each interim report should contain at least the following standard information: identification of the document; indication of the type of document; identification of the inspection body; identification of the client; and a description of the work required. The flowchart of validation activities should be as simple as possible; an example of such a scheme is presented in Figure 23.
The identification of possible defects could be performed with the help of simple forms, such as the table below (Table 1).
More detailed forms may be less adaptable to multiple different situations with regard to buildings. Research studies on climate action events, such as [33,34,35], can mitigate risks in terms of prediction of the occurrence of extreme events in specific areas.
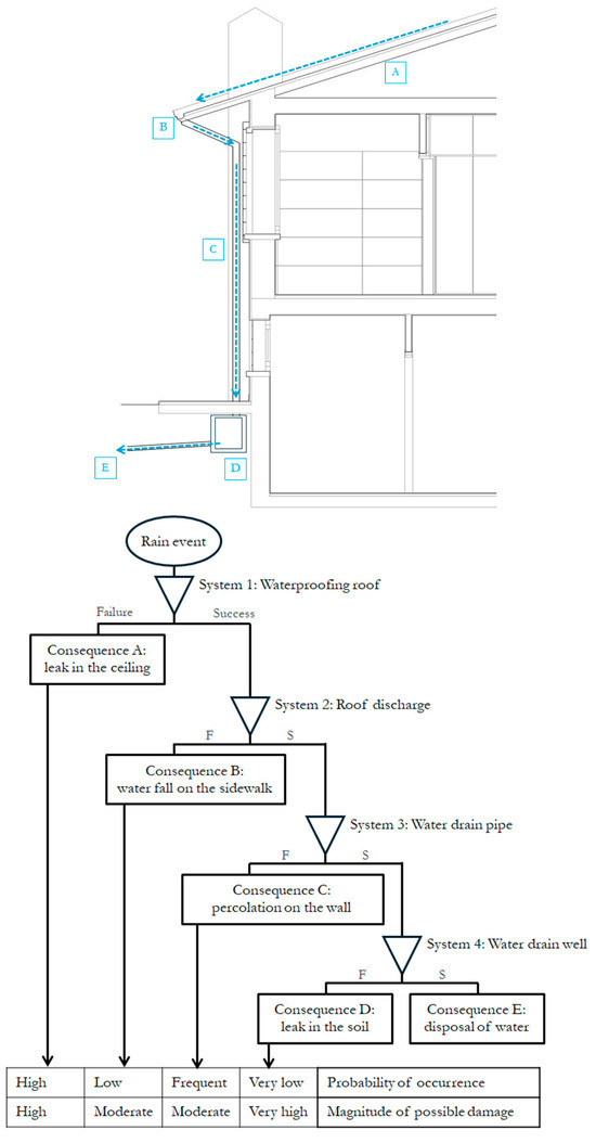
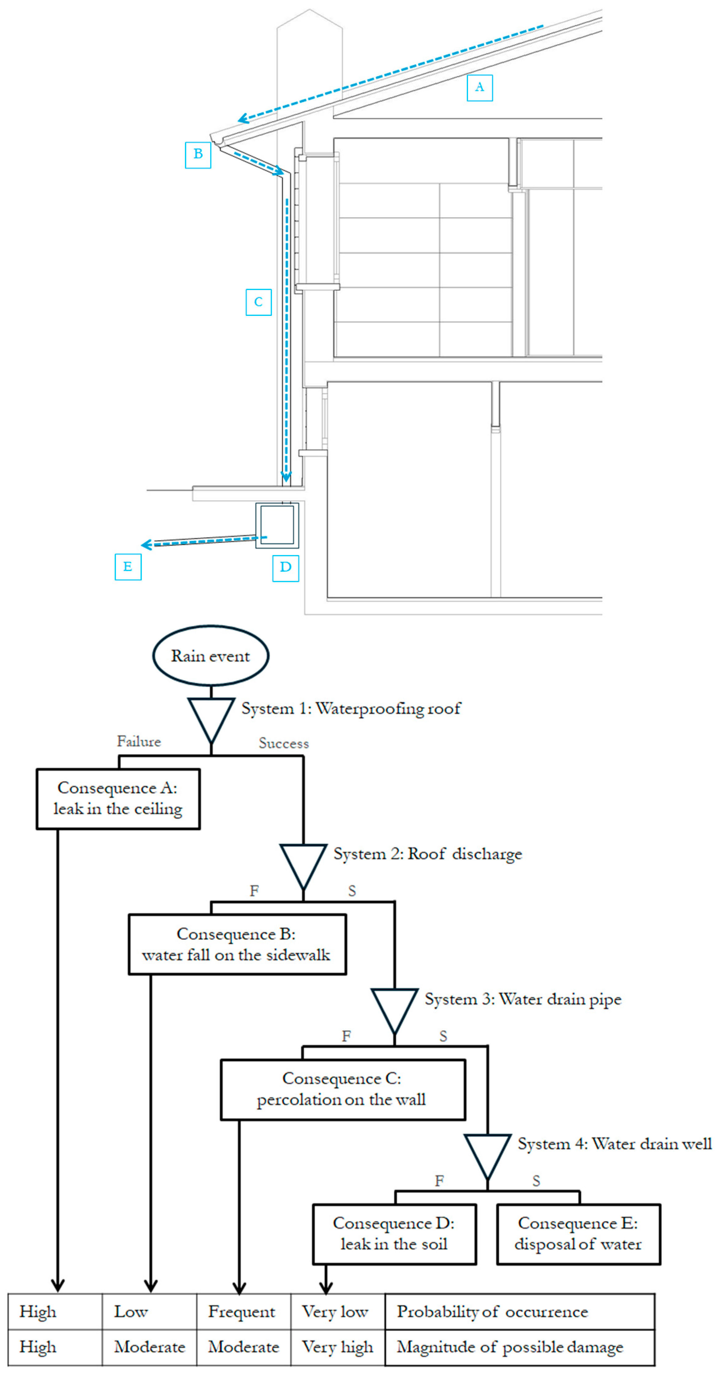
A profitable strategy for addressing the specific case of water penetration is the “event tree analysis” described in CEI EN 62502. The event tree analysis (ETA) method is based on the application of inductive logic, meaning the analysis begins with the failure or malfunction of a safety function, followed by an evaluation of all the steps and consequences induced by that malfunction. This analysis relies on binary logic, assigning two conditions—success (S) and failure (F)—each being associated with complementary probabilities. The process starts with a malfunction or failure, and the safety functions activated in response to it are analyzed. These safety functions are referred to as independent protection layers.
In our specific case, the studied process concerns the pathway of water running from the top of a building to its discharge into the drainage system, assuming that there is a failure in the water management system at each stage. The goal is to anticipate and design an auxiliary water collection system to mitigate severe damage in cases where a rupture or deficit occurs. An example is presented in [36]. Figure 24 explains how designers or inspectors can consider the risk due to rain.
One of the most useful products for the implementation of new monitoring systems on roofs is a tension indicator (Figure 25), which is coupled with lifelines. It is useful for assessing the correct tension force on the wire, both at the installation phase and during maintenance. This aspect is crucial for the correct functioning of the fall protection system (Figure 26).
Current advances in sensors, PCB, and transmission networks allow for the production and development of monitoring systems for industrial use at reasonable prices. Monitoring systems can be adopted at different scales: (i) the device level; (ii) the building level; and (iii) the geographical level. These systems include sensors capable of providing environmental and safety data. They are commonly used in laboratories and are expensive, making them difficult to implement on a large scale. Both climate changes and uncertainties regarding the dynamic behavior of buildings require point data corresponding to specific actions.

8. Conclusions

Defects due to water penetration are a non-negotiable category from the economic point of view and need to be addressed to avoid negative consequences in the use and conservation of construction buildings [33]. To avoid these defects, as illustrated in the Introduction and the four case studies, a rigorous validation check during the design stages must be implemented. Moreover, an independent committee established during the construction phases can mitigate the occurrence of litigation, helping inspectors and favoring dialogue among executors, clients, and technicians to avoid delays in the work time schedule while controlling the quality of the work with respect to the budget. The flowchart of validation checks should be based on the references in Section 7 according to the criteria of completeness, reliability, and legibility, not only for the documentation of the constructive design but also during the inspection phases. The use of very simple forms can help in the detection of defects. In this sense, the robustness of a water penetration system (from the top and at the bottom of buildings) plays a primary role in mitigating the occurrence of defects.

Author Contributions

Conceptualization and methodology, M.S.; validation, M.A., F.D. and M.F.; investigation, F.D.; resources, M.F.; data curation, M.A.; funding acquisition, M.S. All authors have read and agreed to the published version of the manuscript.

Funding

This research was funded by the Italian Ministry of University and Research—Research Project “Smart Monitoring for Safety of Existing Structures and Infrastructures” (S-MoSES) financed by PRIN 2020–D.R. N.607—3 July 2020.

Data Availability Statement

The data are not publicly available due to litigations in progress.

Conflicts of Interest

The authors declare no conflicts of interest. The funders had no role in the design of the study; in the collection, analyses, or interpretation of data; in the writing of the manuscript; or in the decision to publish the results.

References

  1. Carper, K.L. Lessons Architects Can Learn from Failures. In Structural Failures and Reliability of Civil Structures; Gori, R., Ed.; Libreria Cortina: Padova, Italy, 2002; pp. 3–22. [Google Scholar]
  2. Chong, W.K.; Low, S.P. Latent Building Defects: Causes and Design Standard to Prevent Them. J. Perform. Constr. Facil. 2006, 20, 213–221. [Google Scholar] [CrossRef]
  3. Coli, M.; Donigaglia, T.; Cristofaro, M.T.; Tanganelli, M.; Viti, S. Assessments on the material properties of the Pietraforte stone of Florence (Italy) in conservation, restoration and construction. Case Stud. Constr. Mater. 2022, 16, e00986. [Google Scholar] [CrossRef]
  4. Cristofaro, M.T.; Viti, S.; Tanganelli, M. New predictive models to evaluate concrete compressive strength using the SonReb method. J. Build. Eng. 2020, 27, 100962. [Google Scholar] [CrossRef]
  5. Puppio, M.L.; Sassu, M.; Safabakhsh, A. Damage and restoration of historical urban walls: Literature review and case of studies. Frat. Integrita Strutt. 2023, 17, 194–207. [Google Scholar]
  6. Puppio, M.L.; Vagaggini, E.; Giresini, L.; Sassu, M. Landslide Analysis of Historical Urban Walls: Case Study of Volterra, Italy. J. Perform. Constr. Facil. 2021, 35, 04021086. [Google Scholar] [CrossRef]
  7. Zucca, M.; Crespi, P.; Stochino, F.; Puppio, M.L.; Coni, M. Maintenance interventions period of existing RC motorway viaducts located in moderate/high seismicity zones. Structures 2023, 47, 976–990. [Google Scholar] [CrossRef]
  8. Sassu, M.; Giresini, L.; Puppio, M.L. Failure scenarios of small bridges in case of extreme rainstorms. Sustain. Resilient Infrastruct. 2017, 2, 108–116. [Google Scholar] [CrossRef]
  9. Fadda, M.L.; Mistretta, F.; Piras, M.V. Vulnerability assessment of concrete bridges using different methods of visual inspection. Civ.-Comp Proc. 2014, 105, 105–114. [Google Scholar]
  10. Pucci, A.; Puppio, M.L.; Sousa, H.S.; Giresini, L.; Matos, J.C.; Sassu, M. Detour-impact index method and traffic gathering algorithm for assessing alternative paths of disrupted roads. Transp. Res. Rec. 2021, 2675, 717–729. [Google Scholar] [CrossRef]
  11. Sassu, M.; Puppio, M.; Mannari, E. Seismic Reinforcement of a R.C. School Structure with Strength Irregularities throughout External Bracing Walls. Buildings 2017, 7, 58. [Google Scholar] [CrossRef]
  12. Zeris, C.; Leondaris, A. Numerical investigation of the seismic performance of RC columns and entire buildings including second order effects. In Proceedings of the OpenSees Days 2022 Eurasia, 2nd Eurasian Conference on OpenSees, Turin, Italy, 7–8 July 2022. [Google Scholar]
  13. Anagnostopoulou, V.V.; Volakos, E.K.; Zeris, C.A. Objective evaluation of the q factor of irregular RC buildings designed according to EC8—Design and analyses procedures. In Proceedings of the 5th ECCOMAS Thematic Conference on Computational Methods in Structural Dynamics and Earthquake Engineering, Crete Island, Greece, 25–27 May 2015; pp. 1040–1053. [Google Scholar]
  14. Puppio, M.L.; Giresini, L.; Doveri, F.; Sassu, M. Structural irregularity: The analysis of two reinforced concrete (r.c.) buildings. Eng. Solid Mech. 2019, 7, 13–34. [Google Scholar] [CrossRef]
  15. Sassu, M.; De Falco, A. Legal disputes and building defects: Some data from Tuscany (Italy). J. Perform. Constr. Facil. 2014, 28, 04014017. [Google Scholar] [CrossRef]
  16. Alecci, V.; De Stefano, M.; Galassi, S.; Nudo, R.; Pugliese, D.; Stipo, G. Evaluation of vertical irregularity effects of historical masonry buildings through a simplified procedure: The case of Florence city center. Bull. Earthq. Eng. 2024, 22, 2085–2104. [Google Scholar] [CrossRef]
  17. Picozzi, V.; Landi, F.; Avossa, A.M.; Croce, P.; Formichi, P.; Ricciardelli, F. The Climatic Action Uncertainty Chain. Eng. Struct. 2024, 30115, 117357. [Google Scholar] [CrossRef]
  18. Croce, P.; Landi, F.; Puccini, B.; Martino, M.; Maneo, A. Parametric H-BIM Procedure for the Structural Evaluation of Heritage Masonry Buildings. Buildings 2022, 12, 194. [Google Scholar] [CrossRef]
  19. Cardinali, V.; Ciuffreda, A.L.; Coli, M.; De Stefano, M.; Meli, F.; Tanganelli, M.; Trovatelli, F. An Oriented H-BIM Approach for the Seismic Assessment of Cultural Heritage Buildings: Palazzo Vecchio in Florence. Buildings 2023, 13, 913. [Google Scholar] [CrossRef]
  20. Kaminetzky, D. Design and Construction Failures: Lesson from Forensic Investigations; Mc Graw Hill: New York, NY, USA, 1991. [Google Scholar]
  21. Yates, J.K.; Lockley, E.E. Documenting and Analyzing Construction Failures. J. Constr. Eng. Manag. 2002, 128, 8–17. [Google Scholar] [CrossRef]
  22. Delatte, N.; Bosela, P. Systems for structural failure investigations in the United States. In Proceedings IFCRASC15; ASCE Library: Napoli, Italy, 2015; pp. 37–49. [Google Scholar]
  23. Olanrewaju, A.; Tee, S.H.; Lim, P.I.; Wong, W.F. Defect management of hospital buildings. J. Build. Rehabil. 2022, 7, 19. [Google Scholar] [CrossRef]
  24. Nasir, B.; Siraj, A.; Robinson, F. Risk Identification and Common Risks in Construction: Literature Review and Content Analysis. J. Constr. Eng. Manag. ASCE 2019, 145, 03119004. [Google Scholar]
  25. Ysabel, G.C.; Luis, S.S.; Philipp, W.; Tilo, B.; Fernando, S.; Simon, M.; Moritz, M.; Christian, M.; Miguel, S.M. Independent Check and Validation Activities for the New Storstrøm Bridge. In Proceedings of the IABSE Symposium Prague 2022, Challenges for Existing and Oncoming Structures, Prague, Czech Republic, 25–27 May 2022. [Google Scholar]
  26. Andrich, W.; Daniotti, B.; Pavan, A.; Mirarchi, C. Check and Validation of Building Information Models in Detailed Design Phase: A Check Flow to Pave the Way for BIM Based Renovation and Construction Processes. Buildings 2022, 12, 154. [Google Scholar] [CrossRef]
  27. Eastman, C.M. BIM Handbook: A Guide to Building Information Modeling for Owners, Managers, Designers, Engineers and Contractors; John Wiley and Sons Ltd.: Hoboken, NJ, USA, 2008. [Google Scholar]
  28. ISO 19650-1:2018; Organization and Digitization of Information about Buildings and Civil Engineering Works, Including Building Information Modelling (BIM)-Information Management Using Building Information Modelling–Part 1: Concepts and Principles. International Organization for Standardization: Geneva, Switzerland, 2018. Available online: https://www.iso.org/obp/ui/#iso:std:iso:19650:-1:ed-1:v1:en (accessed on 27 July 2024).
  29. ISO/IEC 17020:2012; Inspection Standard Application Document. Available online: https://www.iso.org/standard/52994.html (accessed on 27 July 2024).
  30. EN ISO 9000:2015; Quality Management System. Available online: https://www.iso.org/obp/ui/fr/#iso:std:iso:9000:ed-4:v1:en (accessed on 27 July 2024).
  31. Cecchi, R.; Gasparoli, P. Preventive and Planned Maintenance of Protected Buildings. Methodological Tools for the Development of Inspection Activities and Maintenance Plans; Alinea International: Firenze, Italy, 2012; p. 176. ISBN 978-88-6055-689-9. [Google Scholar]
  32. Puppio, M.L.; Coccu, F.; Usman, A.; Sassu, M.; Casali, L. Aggregates for innovative use in precast concrete panels: State of the Art and perspectives Life-Cycle of Structures and Infrastructure Systems. In Proceedings of the 8th International Symposium on Life-Cycle Civil Engineering, IALCCE 2023, Milan, Italy, 2–6 July 2023; pp. 2515–2522. [Google Scholar]
  33. Sassu, M.; Puppio, M.L.; Doveri, F.; Ferrini, M.; Mistretta, F. A time and cost-effective strengthening of RC half joint bridges exposed to brittle failure: Application to a case study. Struct. Infrastruct. Eng. 2023, 1, 1–16. [Google Scholar] [CrossRef]
  34. Croce, P.; Formichi, P.; Landi, F. Evaluation of current trends of climatic actions in Europe based on observations and regional reanalysis. Remote Sens. 2021, 13, 2025. [Google Scholar] [CrossRef]
  35. Bevilacqua, M.G.; Caroti, G.; Croce, P.; Friedman, N.; Landi, F.; Piemonte, A. The Horizon Europe “BUILDCHAIN” Project Presentation: Trustworthy Building Life-Cycle Knowledge Graph for Sustainability and Energy Efficiency. SCIRES-IT 2023, 13, 137–150. [Google Scholar]
  36. Rosqvist, T.; Molarius, R.; Virta, H.; Perrels, A. Event tree analysis for flood protection—An exploratory study in Finland. Reliab. Eng. Syst. Saf. 2013, 112, 1–7. [Google Scholar] [CrossRef]
Figure 1. Snow and ice effects on the façade of the healthcare building: ice on the façade without overhanging eaves (a); unprotected façade plaster (b); and creep caused by melted snow (c).
Figure 1. Snow and ice effects on the façade of the healthcare building: ice on the façade without overhanging eaves (a); unprotected façade plaster (b); and creep caused by melted snow (c).
Buildings 15 00514 g001
Figure 2. Main entrance without water protection (vertical and basement sides).
Figure 2. Main entrance without water protection (vertical and basement sides).
Buildings 15 00514 g002
Figure 3. Corrugated metal sheets with deep corrosion.
Figure 3. Corrugated metal sheets with deep corrosion.
Buildings 15 00514 g003
Figure 4. Water infiltration from the basement with the use of plaster not suitable for protection against moisture.
Figure 4. Water infiltration from the basement with the use of plaster not suitable for protection against moisture.
Buildings 15 00514 g004
Figure 5. Air extractors exposed to seawater atmosphere.
Figure 5. Air extractors exposed to seawater atmosphere.
Buildings 15 00514 g005
Figure 6. Edge of the sidewalk not protected from rain.
Figure 6. Edge of the sidewalk not protected from rain.
Buildings 15 00514 g006
Figure 7. Unprotected machines on the roof exposed to marine environment.
Figure 7. Unprotected machines on the roof exposed to marine environment.
Buildings 15 00514 g007
Figure 8. Corroded steel fixtures with pipes below (a); electrical equipment exposed to flood (b).
Figure 8. Corroded steel fixtures with pipes below (a); electrical equipment exposed to flood (b).
Buildings 15 00514 g008
Figure 9. Rusted ceiling in deluxe hotel rooms.
Figure 9. Rusted ceiling in deluxe hotel rooms.
Buildings 15 00514 g009
Figure 10. Damaged resin floor.
Figure 10. Damaged resin floor.
Buildings 15 00514 g010
Figure 11. Unprotected ventilation grid on the top of the building.
Figure 11. Unprotected ventilation grid on the top of the building.
Buildings 15 00514 g011
Figure 12. Technical space between the glass façade and the building where equipment is installed is not protected from rain.
Figure 12. Technical space between the glass façade and the building where equipment is installed is not protected from rain.
Buildings 15 00514 g012
Figure 13. Bottom of the doors in the terrace without barrier to protect against rain infiltration.
Figure 13. Bottom of the doors in the terrace without barrier to protect against rain infiltration.
Buildings 15 00514 g013
Figure 14. Roof garden with edges not designed to prevent water infiltration.
Figure 14. Roof garden with edges not designed to prevent water infiltration.
Buildings 15 00514 g014
Figure 15. Water channel (underground garage) with reduced section and unusual position (a); underground structural joint not waterproofed appropriately (b).
Figure 15. Water channel (underground garage) with reduced section and unusual position (a); underground structural joint not waterproofed appropriately (b).
Buildings 15 00514 g015
Figure 16. Cover of an electrical box above the garage with no waterproofing.
Figure 16. Cover of an electrical box above the garage with no waterproofing.
Buildings 15 00514 g016
Figure 17. Unsuitable position of air grills with flooding in the underground garage.
Figure 17. Unsuitable position of air grills with flooding in the underground garage.
Buildings 15 00514 g017
Figure 18. Gypsum plasterboard in the underground garage exposed to water infiltration.
Figure 18. Gypsum plasterboard in the underground garage exposed to water infiltration.
Buildings 15 00514 g018
Figure 19. Façade without overhanging eaves and no protection against rain runoff.
Figure 19. Façade without overhanging eaves and no protection against rain runoff.
Buildings 15 00514 g019
Figure 20. Top of the clay unit wall without protection from rain.
Figure 20. Top of the clay unit wall without protection from rain.
Buildings 15 00514 g020
Figure 21. Inadequate quality of bricks, with effect of soluble salts shown in (a,b).
Figure 21. Inadequate quality of bricks, with effect of soluble salts shown in (a,b).
Buildings 15 00514 g021
Figure 22. Vertical edge of window frames not protected from water shown in (a,b).
Figure 22. Vertical edge of window frames not protected from water shown in (a,b).
Buildings 15 00514 g022
Figure 23. A scheme of the inspection body.
Figure 23. A scheme of the inspection body.
Buildings 15 00514 g023
Figure 24. A scheme of the risks associated with a rain event.
Figure 24. A scheme of the risks associated with a rain event.
Buildings 15 00514 g024
Figure 25. Tie-rod tension indicator coupled to lifeline systems.
Figure 25. Tie-rod tension indicator coupled to lifeline systems.
Buildings 15 00514 g025
Figure 26. Application of skyline lifelines with dissipating tensioners.
Figure 26. Application of skyline lifelines with dissipating tensioners.
Buildings 15 00514 g026
Table 1. Scheme for survey of defects.
Table 1. Scheme for survey of defects.
Humidity DefectCeilingWallFloorOpeningOtherOrigin
Room/Space
Filtration
Condensation
Capillarity
Crack
Other
Disclaimer/Publisher’s Note: The statements, opinions and data contained in all publications are solely those of the individual author(s) and contributor(s) and not of MDPI and/or the editor(s). MDPI and/or the editor(s) disclaim responsibility for any injury to people or property resulting from any ideas, methods, instructions or products referred to in the content.

Share and Cite

MDPI and ACS Style

Sassu, M.; Ariu, M.; Doveri, F.; Ferrini, M. Case Studies on Construction Defects in Civil Construction: Evidence and Possible Solutions. Buildings 2025, 15, 514. https://doi.org/10.3390/buildings15040514

AMA Style

Sassu M, Ariu M, Doveri F, Ferrini M. Case Studies on Construction Defects in Civil Construction: Evidence and Possible Solutions. Buildings. 2025; 15(4):514. https://doi.org/10.3390/buildings15040514

Chicago/Turabian Style

Sassu, Mauro, Matteo Ariu, Fabio Doveri, and Martina Ferrini. 2025. "Case Studies on Construction Defects in Civil Construction: Evidence and Possible Solutions" Buildings 15, no. 4: 514. https://doi.org/10.3390/buildings15040514

APA Style

Sassu, M., Ariu, M., Doveri, F., & Ferrini, M. (2025). Case Studies on Construction Defects in Civil Construction: Evidence and Possible Solutions. Buildings, 15(4), 514. https://doi.org/10.3390/buildings15040514

Note that from the first issue of 2016, this journal uses article numbers instead of page numbers. See further details here.

Article Metrics

Back to TopTop