Next Article in Journal
A Proposal for Electromagnetic Performance in Cementitious Systems: Carbon Fiber and Copper Slag
Previous Article in Journal
Axial Compressive Performance of Wood-Cored GFRP Sandwich Columns
 
 
Font Type:
Arial Georgia Verdana
Font Size:
Aa Aa Aa
Line Spacing:
Column Width:
Background:
Article

Mathematical Development for the Minimum Cost of Elliptical Combined Footings

by
Griselda Santiago-Hurtado
1,
Arnulfo Luévanos-Rojas
2,*,
Victor Manuel Moreno-Landeros
2,
Eyran Roberto Diaz-Gurrola
2,
Rajeswari Narayanasamy
3,
Facundo Cortés-Martínez
3 and
Luis Daimir López-León
4
1
Facultad de Ingeniería Civil, Universidad Autónoma de Coahuila, Torreón 27276, Coahuila, Mexico
2
Instituto de Investigaciones Multidisciplinaria, Universidad Autónoma de Coahuila, Blvd. Revolución No, 151 Ote, Torreón 27000, Coahuila, Mexico
3
Facultad de Ingeniería, Ciencias y Arquitectura, Universidad Juárez del Estado de Durango, Av. Universidad S/N, Fracc. Filadelfia, Gómez Palacio 35010, Durango, Mexico
4
Área Académica de Ingeniería y Arquitectura, Universidad Autónoma del Estado de Hidalgo, Carretera Pachuca-Tulancingo Km 4.5, Pachuca de Soto 42082, Hidalgo, Mexico
*
Author to whom correspondence should be addressed.
Buildings 2025, 15(19), 3633; https://doi.org/10.3390/buildings15193633
Submission received: 15 August 2025 / Revised: 13 September 2025 / Accepted: 8 October 2025 / Published: 9 October 2025
(This article belongs to the Section Building Structures)

Abstract

This work shows the mathematical development for the minimum cost of ECF (elliptical combined footings) subjected to biaxial bending due to the two columns, assuming that the distribution of soil pressure below the footing is linear and that the footing rests on elastic soil. There are no similar contributions on the subject of this article, as it is an innovative contribution in terms of its form. This work is developed in two parts: first, determine the minimum area in contact with the soil below the footing, and then the minimum cost is obtained. The formulation of the development by integration is shown to determine the moments, unidirectional shears, and punching shears acting on the critical sections, according to the ACI (American Concrete Institute) design code, and then the flowchart algorithm is applied to determine the solution using Maple Software, which is the main contribution of this article. Some authors show studies on the combined footings of various shapes such as rectangular, trapezoidal, strap, corner or L, and T, but there are none for ECF. Two numerical studies are shown with different length: the first with free ends in the longitudinal direction and the second with ends limited in the longitudinal direction to estimate the minimum cost of ECF under biaxial bending. A third numerical study is shown, with different allowable bearing capacities of the ground and with free ends in the longitudinal direction. Also, a comparison is developed between ECF and RCF (rectangular combined footings). The model for the design of ECF shows a savings of 7.17% with limited ends and a savings of 1.67% with free ends for the minimum area, and for the minimum cost, it shows a savings of 23.95% with limited ends and a savings of 9.14% with free ends rather than RCF. Therefore, the proposed development will be of great help to structural engineers specializing in foundations, as it represents significant savings.

1. Introduction

The main function of a foundation is to transfer the loads from the superstructure to the ground that supports the entire construction.
The types of foundations usually depend on the depth and are called shallow and deep. Shallow foundations can be (1) masonry foundations, also known as stone foundations or cyclopean foundations, which are a type of shallow foundation used to build load-bearing walls; (2) isolated footings are usually square, rectangular, circular, and recently elliptical, and are used to support point loads, such as those from columns or pillars, distributing the weight of the structure over the ground; (3) combined footings can be of various types such as rectangular, trapezoidal, strap, corner or L-shaped, and T-shaped and are used to distribute the load of two or more adjacent columns over a larger area of land, and they are also are used when columns are close together or when a column is close to a property line, avoiding the overlapping of individual footings; (4) strip footings, also known as continuous footings, are used to distribute the weight of load-bearing walls or a series of columns across a continuous strip of reinforced concrete; and (5) foundation slabs are reinforced concrete slabs that extend across the entire area of a building and distribute the weight of the structure over the ground.
The ground pressure below the foundation depends on the type and relative stiffness of the ground, as well as the stiffness and depth of the foundation.
Figure 1 shows the distribution of pressure below the footing as a function of the ground type and the stiffness of the foundation. Figure 1a presents a rigid base on sandy ground. Figure 1b shows a rigid base on clay ground. Figure 1c presents a flexible base on sandy ground. Figure 1d shows a flexible base on clay ground. Figure 1e presents the uniform distribution commonly used in design for all types of soil, assuming that the load is located at the center of gravity of the footing [1].
This mathematical development assumes that the distribution of pressure of the ground below the footing is linear because it is subjected to biaxial bending in each column, i.e., the resultant force is not located at the center of gravity of the footing.
Mathematical developments have been investigated to determine the smallest contact area with the soil for isolated footings with square, rectangular, and circular shapes under biaxial bending [2,3,4,5,6,7,8,9,10,11,12,13]. Complete models for the design of reinforced concrete isolated footings of square, rectangular, circular, and elliptical shapes subjected to biaxial bending have been studied [14,15,16,17,18,19,20,21,22,23,24].
Mathematical developments have been studied to estimate the smallest contact area with the soil for combined footings with rectangular, trapezoidal, strap, L (corner), and T shapes under biaxial bending due to each column [25,26,27]. Complete models for the design of reinforced concrete combined footings of rectangular, trapezoidal, strap, L (corner), and T shapes subjected to biaxial bending due to each column have been presented [28,29,30,31,32,33,34,35,36,37].
The most recent studies on the topic of cost optimization in footing design using computational approaches are by Waheed et al. [38], who introduced a parametric investigation based on cost optimization for foundation design by applying the Metaheuristic Practical Tool; Nawaz et al. [39] developed a cost optimization for the design of isolated footings resting cohesively by introducing ultimate and serviceability limit states; Khajehzadeh et al. [40] conducted research to predict the maximum load capacity of footings using artificial neural networks and a modified rat swarm optimizer by introducing the optimal design. All these works have been developed for rectangular isolated footings.
Listed below are the articles most related to the topic of elliptical footings: Diaz-Gurrola et al. [22] presented an investigation to obtain the minimum cost for elliptical isolated footings; Elhanash et al. [21] presented a method to determine the minimum cost of circular and elliptical isolated footings using Lagrange multipliers, but the numerical studies are developed only for circular isolated footings and not for elliptical isolated footings. All these works have been developed for elliptical isolated footings.
After the bibliographic review, it is observed that there is no article on the minimum cost of ECF, so this study is innovative research.
This article presents a new model for the minimum cost of ECF subjected to biaxial bending due to the two columns, assuming that the ground pressure distribution below the footing is linear and that the footing rests on elastic soil (innovative contribution in terms of its form). This study is presented in two parts: first, find the minimum area in contact with the ground under the footing, and then the minimum cost is determined. Some authors present studies on the combined footings of various shapes such as rectangular, trapezoidal, strap, L (corner), and T, but there are none for ECF. Two numerical examples are shown with different lengths: the first with free ends in the longitudinal direction and the second with ends limited in the longitudinal direction to obtain the minimum cost for ECF subjected to biaxial bending. A third numerical study is shown, with different allowable bearing capacities of the ground and with free ends in the longitudinal direction. Since there are no articles that refer to this topic, a comparison is made between elliptical and rectangular combined footings for RCF limited at its ends in the longitudinal direction [41] and for RCF free at its ends in the longitudinal direction [42]. Therefore, the proposed development will be of great help to structural engineers specializing in foundations, as it represents significant savings.

2. Methodology

The loads and moments that the footings must support are transferred from the columns that support the entire structure. The minimum contact surface with the ground is developed from the loads and moments without applying the factors “P, Mx, and My”. The minimum cost is estimated from the factored loads and moments “Pu, Mxu and Myu”.
This paper is based on the following assumption: the foundation is completely rigid and rests on elastic and homogeneous soils; that is, the ground pressure under the foundation behaves linearly according to Bowles [1], Das et al. [43], and McCormac and Brown [44].
The soil pressure on any type of foundation due to biaxial bending can be expressed as follows (the contact surface with the ground is fully compressed):
p s = P A + M x y I x + M y x I y .
The resultant force and resultant moments about each axis can be seen as follows:
R = P 1 + P 2 ,
M x T = M x 1 + M x 2 + R e y P 2 L ,
M y T = M y 1 + M y 2 .
The geometric properties of an ellipse are shown below:
A = π a b ,
I x = π a b 3 4 ,
I y = π a 3 b 4 .
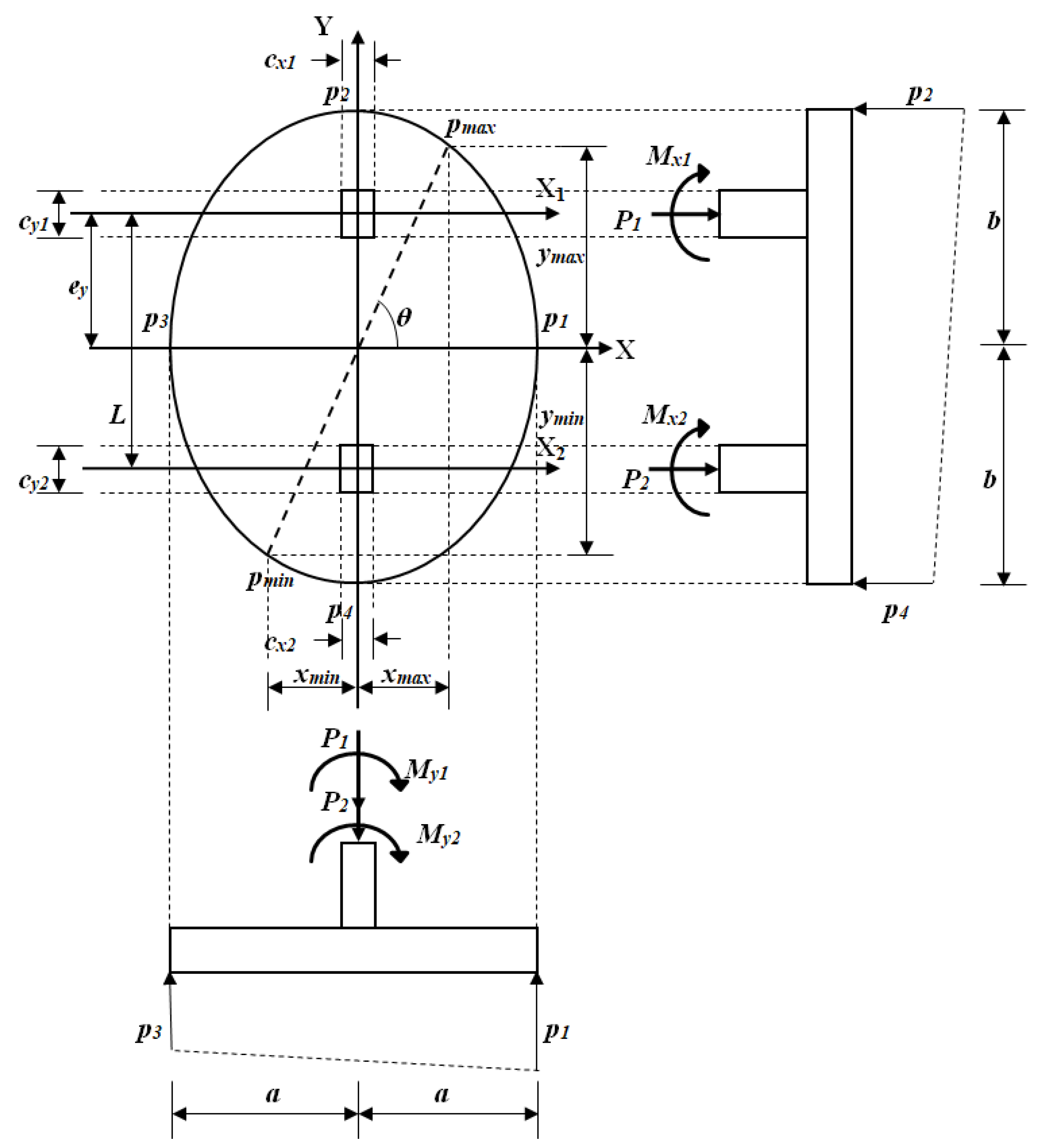
Figure 2 shows an ECF subjected to biaxial bending due to the two columns that rest on the footing.
The general equation with the center of the footing at the origin is shown below:
x 2 a 2 + y 2 b 2 = 1 x = a b 2 y 2 b .
Substituting Equations (5)–(8) into Equation (1) (assuming P = R, Mx = MxT, and My = MyT), the soil pressure at any part located below the footing is determined:
p s = R π a b + 4 M x T y π a b 3 + 4 M y T b 2 y 2 π a 2 b 2 .
Deriving Equation (9) with respect to y to determine the location of maximum pressure and minimum pressure, these points are shown below:
y m a x = a b M x T a 2 M x T 2 + b 2 M y T 2 ; y m i n = a b M x T a 2 M x T 2 + b 2 M y T 2 .
Now, substitute Equation (10) into Equation (8) to obtain xmax and xmin:
x m a x = a b M y T a 2 M x T 2 + b 2 M y T 2 ; x m i n = a b M y T a 2 M x T 2 + b 2 M y T 2 .
The coordinates of the maximum pressure “cmax” are shown as follows:
c m a x = x m a x , y m a x = a b M y T a 2 M x T 2 + b 2 M y T 2 , a b M x T a 2 M x T 2 + b 2 M y T 2 .
The coordinates of the minimum pressure “cmin” are shown as follows:
c m i n = x m i n , y m i n = a b M y T a 2 M x T 2 + b 2 M y T 2 , a b M x T a 2 M x T 2 + b 2 M y T 2 .
Now, by substituting Equation (12) into Equation (9), the maximum pressure is determined:
p m a x = R π a b + 4 a 2 M x T 2 + b 2 M y T 2 π a 2 b 2 .
Now, by substituting Equation (13) into Equation (9), the minimum pressure is determined:
p m i n = R π a b 4 a 2 M x T 2 + b 2 M y T 2 π a 2 b 2 .

2.1. Minimum Surface of Elliptical Combined Footings

Amin (objective function) can be determined as follows:
A m i n = π a b .
The constraints are shown in Equations (14) and (15), where 0 ≤ pmax and pminpaabcs. paabcs is equal to the pabcs less γcd and less γsd.

2.2. Minimum Cost of Elliptical Combined Footings

pu by Equation (1) with factored loads and factored moments (X and Y axes) is determined as follows:
p u x ,   y = R u π a b + 4 M u x T y π a b 3 + 4 M u y T x π a 3 b ,
where the factored loads and factored moments can be determined as follows: 1.2D + 1.6L, where D represents the dead load or moment due to dead load, and L represents the live load or moment due to live load, according to ACI [45].
pu1 by Equation (1) with Pu1, Mux1, and Muy1 is determined as follows:
p u 1 x ,   y = P u 1 2 h 1 w 1 + 6 M u x 1 y 1 h 1 w 1 3 + 3 M u y 1 x 1 2 h 1 3 w 1 .
pu2 by Equation (1) with Pu2, Mux2, and Muy2 is determined as follows:
p u 2 x ,   y = P u 2 2 h 2 w 2 + 6 M u x 2 y 2 h 2 w 2 3 + 3 M u y 2 x 2 2 h 2 3 w 2 .
The thickness of all reinforced concrete foundations must satisfy the effects of moments, unidirectional shears, and punching shears, according to ACI [45].

2.2.1. Moments

Figure 3 indicates the sections where the moments must be considered for an ECF subjected to biaxial bending due to each column; these sections occur at the faces of the column, according to ACI [45].
Factored moments about axes parallel to the Y axis (axes a, b, c, and e) are determined below:
M u a = c x 1 2 h 1 w 1 2 w 1 2 p u 1 x 1 ,   y 1 x c x 1 2 d y d x ,
M u b = P u 1 c x 1 2 + M u y 1 c x 1 2 h 1 w 1 2 w 1 2 p u 1 x 1 ,   y 1 x + c x 1 2 d y d x ,
M u c = c x 2 2 h 2 w 2 2 w 2 2 p u 2 x 2 ,   y 2 x c x 2 2 d y d x ,
M u e = P u 2 c x 2 2 + M u y 2 c x 2 2 h 2 w 2 2 w 2 2 p u 2 x 2 ,   y 2 x + c x 2 2 d y d x .
Factored moments about axes parallel to the X axis (axes f, g, h, i, and j) are obtained below:
M u f = e y + c y 1 2 b a b 2 y 2 b a b 2 y 2 b p u x ,   y y e y c y 1 2 d x d y ,
M u g = P u 1 c y 1 2 + M u x 1 e y c y 1 2 b a b 2 y 2 b a b 2 y 2 b p u x ,   y y e y + c y 1 2 d x d y ,
M u h = P u 1 e y y m + M u x 1 y m b a b 2 y 2 b a b 2 y 2 b p u x ,   y y y m d x d y ,
M u i = P u 1 L c y 2 2 + M u x 1 e y L + c y 2 2 b a b 2 y 2 b a b 2 y 2 b p u x ,   y y e y + L c y 2 2 d x d y ,
M u j = P u 1 L + c y 2 2 + P u 2 c y 2 2 + M u x 1 + M u x 2 e y L c y 2 2 b a b 2 y 2 b a b 2 y 2 b p u x ,   y y e y + L + c y 2 2 d x d y ,
Note: Muh is obtained by developing the integral of Equation (26), then it is derived with respect to ym, and then ym is substituted into Equation (26) to determine the Muh.

2.2.2. Unidirectional Shears

Figure 4 indicates the sections where the unidirectional shears must be considered for an ECF subjected to biaxial bending, these sections occur at a distance d from the column faces, according to ACI [45].
Factored unidirectional shears in the axes parallel to the Y axis are determined below:
V u k = c x 1 2 + d h 1 w 1 2 w 1 2 p u 1 x 1 ,   y 1 d y d x ,
V u l = P u 1 c x 1 2 d h 1 w 1 2 w 1 2 p u 1 x 1 ,   y 1 d y d x ,
V u m = c x 2 2 + d h 2 w 2 2 w 2 2 p u 2 x 2 ,   y 2 d y d x ,
V u n = P u 2 c x 2 2 d h 2 w 2 2 w 2 2 p u 2 x 2 ,   y 2 d y d x .
Factored unidirectional shears in the axes parallel to the X axis are determined below:
V u o = e y + c y 1 2 + d b a b 2 y 2 b a b 2 y 2 b p u x ,   y d x d y ,
V u p = P u 1 e y c y 1 2 d b a b 2 y 2 b a b 2 y 2 b p u x ,   y d x d y ,
V u q = P u 1 e y L + c y 2 2 + d b a b 2 y 2 b a b 2 y 2 b p u x ,   y d x d y ,
V u r = P u 1 + P u 2 e y L c y 2 2 d b a b 2 y 2 b a b 2 y 2 b p u x ,   y d x d y .
Note: When column 1 is located at the end of the footing in the positive Y-axis direction, Vuo = 0. When column 2 is located at the end of the footing in the negative Y-axis direction, Vur = 0 (because the columns are located on the property boundary).

2.2.3. Punching Shears

Figure 5 indicates two cases for the sections where the punching shears must be considered for an ECF subjected to biaxial bending; these sections occur at a distance “d/2” from the column faces in both directions, according to ACI [45].
Factored punching shears at the critical sections are determined as follows:
V u p 1 = P u 1 e y c y 1 2 d 2 y p 1 c x 1 2 d 2 c x 1 2 + d 2 p u x ,   y d x d y ,
V u p 2 = P u 2 y p 2 e y L + c y 2 2 + d 2 c x 2 2 d 2 c x 2 2 + d 2 p u x ,   y d x d y .
where yp1 = ey + cy1/2 + d/2 and yp2 = eyL − cy1/2 − d/2 (critical perimeter not limited), and y p 1 = b 4 a 2 c x 1 + d 2 4 a 2 and y p 2 = b 4 a 2 c x 2 + d 2 4 a 2 (critical perimeter limited in the Y-axis direction).

2.2.4. Objective Function

The minimum total cost is determined as follows:
C m i n = V c C c + V s γ s C s .
The reinforcing steel in the X and Y directions is determined as follows:
A s x t B 1 = 0.0018 b 1 d ; A s x t B 2 = 0.0018 b 2 d ; A s x t B 3 = 0.0018 b 3 d ; A s x B p 1 = ρ 1 w 1 d ; A s x B p 2 = ρ 2 w 2 d ; A s x t T = 0.0036 b d ; A s y f = 2 ρ y B b x f d ; A s y g = 2 ρ y B b x g d ; A s y i = 2 ρ y B b x i d ; A s y j = 2 ρ y B b x j d ; A s y l B A s y f , A s y g , A s y i , A s y j ; A s y l T = 2 ρ y T b x h d ,
where AsxBp1 indicates the largest reinforcing steel of Asxa and Asxb in the X direction at the bottom of column 1; AsxBp2 indicates the largest reinforcing steel of Asxc and Asxe in the X direction at the bottom of column 2; AsylB indicates the largest reinforcing steel of Asyf, Asyg, Asyi, and Asyj at the bottom in the Y direction (negative maximum moment).
Note: In widths b1, b2, and b3, no bending occurs; therefore, the steel reinforcement must be by temperature according to ACI [45] and this equation is given by
A s t = 0.0018 b w d .
The widths of each section can be determined as follows:
b 1 = L 1 w 1 2 ; b 2 = L w 1 2 w 2 2 ; b 3 = L 2 w 2 2 ; b x f = 2 a b b 2 e y + c y 1 2 2 ; b x g = 2 a b b 2 e y c y 1 2 2 ; b x i = 2 a b b 2 e y L + c y 2 2 2 ; b x j = 2 a b b 2 e y L c y 2 2 2 ; b x h = 2 a b 2 y m 2 b .
The number of rods parallel to the X and Y axes can be determined as follows:
n x t B 1 = A s x t B 1 a s t ; n x t B 2 = A s x t B 2 a s t ; n x t B 3 = A s x t B 3 a s t ; n x B p 1 = A s x B p 1 a s p 1 ; n x B p 2 = A s x B p 2 a s p 2 ; n x t T = A s x t T a s t ; n y l B = A s y l B a s l B ; n y l T = A s y l T a s l T .
The separation of the rods for each zone can be obtained as follows:
s x t B 1 = b 1 a s t A s x t B 1 ; s x t B 2 = b 2 a s t A s x t B 2 ; s x t B 3 = b 3 a s t A s x t B 3 ; s x B p 1 = w 1 a s p 1 A s x B p 1 ; s x B p 2 = w 2 a s p 2 A s x B p 2 ; s x t T = 2 b a s t A s x t T ; s y l B = 2 a a s l B A s y l B ; s y l T = 2 a a s l T A s y l T .
The total lengths of the rods in the X and Y directions are determined as follows:
L x B p 1 = 2 a i = 0 n x B p 1 b 2 b L 1 + 0.5 c y 1 + 0.5 d i s x B p 1 2 b ,
L x B p 2 = 2 a j = 0 n x B p 2 b 2 b L L 1 + 0.5 c y 2 + 0.5 d j s x B p 2 2 b ,
L x t B 1 = 2 a h = 0 n x t B 1 b 2 h s x t B 1 2 b ,
L x t B 2 = 2 a m = 0 n x t B 2 b 2 b L 1 0.5 c y 1 0.5 d m s x t B 2 2 b ,
L x t B 3 = 2 a l = 0 n x t B 3 b 2 b L 2 + 0.5 c y 2 + 0.5 d l s x t B 3 2 b ,
L x t T = 4 a o = 0 n x t T / 2 b 2 o s x t T 2 b 2 a ,
L y l B = 4 b r = 0 n y l B / 2 a 2 r s y l B 2 a 2 b ,
L y l T = 4 b q = 0 n y l T / 2 a 2 q s y l T 2 a 2 b .
Vs is determined as follows:
V s = a s t L x t B 1 + L x t B 2 + L x t B 3 + L x t T + a s p 1 L x B p 1 + a s p 2 L x B p 2 + a s y l B L y l B + a s y l T L y l T .
Vc is determined as follows:
V c = π a b d + r V s .
Substituting Equation (54) into Equation (39) determines
C m i n = π a b d + r V s C c + V s γ s C s .
Substituting α = γsCs/CcγsCs = αCc into Equation (55) determines
C m i n = π a b d + r + α 1 V s C c .
Now, by substituting Equation (53) and all the values of the lengths of the rods into Equation (56), the general equation for the minimum cost of ECF is determined:
C m i n = α 1 2 a s t a h = 0 n x t B 1 b 2 h s x t B 1 2 b + m = 0 n x t B 2 b 2 b L 1 0.5 c y 1 0.5 d m s x t B 2 2 b + l = 0 n x t B 3 b 2 b L 2 + 0.5 c y 2 + 0.5 d l s x t B 3 2 b + 2 o = 0 n x t T 2 b 2 o s x t T 2 b 1 2 a s y l B + a s y l T b + 2 a s p 1 a i = 0 n x B p 1 b 2 b L 1 + 0.5 c y 1 + 0.5 d i s x B p 1 2 b + 4 a s y l T b q = 0 n y l T 2 a 2 q s y l T 2 a + 2 a s p 2 a j = 0 n x B p 2 b 2 b L L 1 + 0.5 c y 2 + 0.5 d j s x B p 2 2 b + 4 a s y l B b r = 0 n y l B 2 a 2 r s y l B 2 a 2 a s y l B b + π a b d + r C c .

2.2.5. Constraints

The ACI code equations are shown [45].
The moments can be expressed as follows [45]:
M u a , M u b Ø f f y d A s x B p 1 1     A s x B p 1 f y 1.7 w 1 d f c ,
M u c , M u e Ø f f y d A s x B p 2 1 A s x B p 2 f y 1.7 w 2 d f c ,
M u f Ø f f y d A s y f 1 A s y f f y 1.7 b x f d f c ,
M u g Ø f f y d A s y g 1 A s y g f y 1.7 b x g d f c ,
M u h Ø f f y d A s y T 1 A s y T f y 1.7 b x h d f c ,
M u i Ø f f y d A s y i 1 A s y i f y 1.7 b x i d f c ,
M u j Ø f f y d A s y j 1 A s y j f y 1.7 b x j d f c ,
where Øf = 0.90.
The unidirectional shears can be expressed as follows [45]:
V u k , V u l 0.17 Ø v f c w 1 d ,
V u m , V u n 0.17 Ø v f c w 1 d ,
V u o 0.17 Ø v f c b w s x o d ,
V u p 0.17 Ø v f c b w s x p d ,
V u q 0.17 Ø v f c b w s x q d ,
V u r 0.17 Ø v f c b w s x r d ,
where Øv = 0.85.
Note: bwsxo, bwsxp, bwsxq, and bwsxr are expressed as follows:
b w s x o = 2 a b b 2 e y + c y 1 2 + d 2 ; b w s x p = 2 a b b 2 e y c y 1 2 d 2 ; b w s x q = 2 a b b 2 e y L + c y 2 2 + d 2 ; b w s x r = 2 a b b 2 e y L c y 2 2 d 2 .
The punching shears can be expressed as follows [39]:
V u p 1 , V u p 2 0.17 Ø v 1 + 2 β c f c b 0 d 0.083 Ø v α s d b 0 + 2 f c b 0 d 0.33 Ø v f c b 0 d ,
where b0 = 2(cx + cy) + 4d (critical perimeter not limited), b0 = cx + 2cy + 2d (critical perimeter limited in the Y-axis direction), b0 = 2cx + cy + 2d (critical perimeter limited in the X-axis direction), b0 = cx + cy + d (critical perimeter limited in the X and Y axes directions); αs = 20 for the corner column; αs = 30 for the edge column; and αs = 40 for the interior column [45]. For an ECF b0 = 2(cx + cy) + 4d (unconstrained critical perimeter), b0 = cx + cy + 2d + 2yp − 2ey (constrained critical perimeter in the Y-axis direction); for the other two cases, it is not possible due to space problems.
The percentages of steel can be expressed as follows [45]:
ρ 1 , ρ 2 , ρ y B , ρ y T 0.75 0.85 β 1 f c f y 600 600 + f y ,
ρ 1 , ρ 2 , ρ y B , ρ y T 0.25 f c f y 1.4 f y ,
0.65 β 1 = 1.05 f c 140 0.85 .
The steel area of each section is presented in Equation (40).
The number of rods in each section is shown in Equation (43).
The separation of rods in each section is presented in Equation (44).
The proposed model is presented in two stages: the first step consists of determining the minimum area, and the second consists of obtaining the minimum cost. For the minimum area, the independent or known parameters are paabcs, L, cx1, cx2, cy1, cy2, P1, Mx1, My1, P2, Mx2, and My2, and the design or unknown variables are Amin, a, b, L1, L2, ey, pmax, and pmin. For the minimum cost: the independent or known parameters are a, b, Pu1, Mux1, Muy1, Pu2, Mux2, Muy2, ast, aslB, aslT, asp1, and asp2, and the design or unknown variables are Cmin, d, AsxtB1, AsxtB2, AsxtB3, AsxBp1, AsxBp2, AsxtT, AsylB, AsylT, ρ1, ρ2, ρyB, ρyT, sxtB1, sxtB2, sxtB3, sxBp1, sxBp2, sxtT, sylB, sylT, nxtB1, nxtB2, nxtB3, nxBp1, nxBp2, nxtT, nylB, and nylT.
The minimum cost procedure of an ECF is shown in the flowchart algorithm (see Figure 6).
The procedure is detailed for the design in the following steps below:
  • The parameters known as L, cx1, cx2, cy1, cy2, P1, P2, Mx1, Mx2, My1, My2, and paabcs must be well defined, where paabcs = pabcsγcdHγsd(Ht).
  • Show the objective function and evaluate the constraints for minimum area.
  • Use MAPLE software to determine the minimum area, assuming all variables are non-negative except MxT, which can be negative.
  • If the optimal solution is not obtained, narrow the decision variables and then determine the optimal solution again. Once the solution is reached, these variables are adjusted.
  • Determine the factored moments, the factored bending shears, and the factored punching shears (the latter two are presented as a function of “d”).
  • Show the objective function and evaluate the constraints for minimum cost.
  • Use MAPLE software to determine the minimum cost, assuming all variables are non-negative.
  • Step 4 is the same but for the minimum cost.
Using the Maple software (v.15) to determine the minimum cost of an ECF is presented in the flowchart (see Figure 7).

3. Numerical Studies

Two numerical studies are shown with different lengths: the first with free ends in the longitudinal direction and the second with ends limited in the longitudinal direction to estimate the minimum cost of ECF subjected to biaxial bending. The data provided for the two studies are cx1 = cy1 = cx2 = cy2 = 40 cm, H = 2.00 m, r = 7.5 cm, PD1 = 1000 kN, PL1 = 1100 kN, PD2 = 700 kN, PL2 = 900 kN, MDx1 = 70 kN-m, MLx1 = 80 kN-m, MDx2 = 100 kN-m, MLx2 = 150 kN-m, MDy1 = 200 kN-m, MLy1 = 300 kN-m, MDy2 = 90 kN-m, MLy2 = 110 kN-m, ast = 2.85 cm2 (Ø 3/4″), aslB = aslT = asp1 = asp2 = 7.92 cm2 (Ø 1–1/4″), pabcs = 260 kN/m2, γcd = 24 kN/m3, γsd = 15 kN/m3, f’c = 21 MPa, fy = 420 MPa, and α = 90.
The proposed thickness of the footing after several iterations is 1.04 m and paabcs = pabcsγcdHγsd(Ht) = 260 − 24(1.04) − 15(2.00 − 1.04) = 220.64 kN/m2.
Now, the unfactored loads and moments acting on the soil are P1 = 2100 kN, Mx1 = 150 kN-m, My1 = 500 kN-m, P2 = 1600 kN, Mx2 = 250 kN-m, and My2 = 200 kN-m.
Table 1 shows the minimum area with free ends in the longitudinal direction for L = 4.00, 5.00, 6.00, and 7.00 m (study 1).
Now, the factored loads and moments acting on the soil are Pu1 = 2960 kN, Mux1 = 212 kN-m, Muy1 = 720 kN-m, Pu2 = 2280 kN, Mux2 = 360 kN-m, and Muy2 = 284 kN-m.
Table 2 indicates the minimum cost with free ends in the longitudinal direction for L = 4.00, 5.00, 6.00, and 7.00 m (study 1).
Table 3 indicates the minimum area with ends limited in the longitudinal direction for L = 4.00, 5.00, 6.00, and 7.00 m (study 2).
Table 4 indicates the minimum cost with ends limited in the longitudinal direction for L = 4.00, 5.00, 6.00, and 7.00 m (study 2).
A third numerical study is shown with different allowable bearing capacities of the ground and with free ends in the longitudinal direction to determine the minimum cost of an ECF subjected to biaxial bending. The data provided for this study are cx1 = cy1 = cx2 = cy2 = 40 cm, H = 2.00 m, r = 7.5 cm, PD1 = 700 kN, PL1 = 500 kN, PD2 = 400 kN, PL2 = 300 kN, MDx1 = 600 kN-m, MLx1 = 400 kN-m, MDx2 = 300 kN-m, MLx2 = 200 kN-m, MDy1 = 300 kN-m, MLy1 = 200 kN-m, MDy2 = 150 kN-m, MLy2 = 100 kN-m, ast = 2.85 cm2 (Ø 3/4″), aslB = aslT = asp1 = asp2 = 7.92 cm2 (Ø 1–1/4″), L = 5.00 m, γcd = 24 kN/m3, γsd = 13 kN/m3, f’c = 21 MPa, fy = 420 MPa, and α = 90.
Now, the unfactored loads and moments acting on the soil are P1 = 1200 kN, Mx1 = 1000 kN-m, My1 = 500 kN-m, P2 = 700 kN, Mx2 = 500 kN-m, and My2 = 250 kN-m.
Table 5 shows the minimum area for different allowable bearing capacities of the ground, pabcs = 160, 210, 260, and 310 kN/m2 (study 3).
The proposed thickness of the footing after several iterations is 1.25 m, and paabcs for each example is obtained as follows: paabcs = pabcsγcdHγsd(Ht).
Now, the factored loads and moments acting on the soil are Pu1 = 1640 kN, Mux1 = 1360 kN-m, Muy1 = 680 kN-m, Pu2 = 960 kN, Mux2 = 680 kN-m, and Muy2 = 340 kN-m.
Table 6 indicates the minimum cost for different allowable bearing capacities of the ground pabcs = 160, 210, 260, and 310 kN/m2 (study 3).

4. Results

The new development can be verified by the equilibrium and continuity as follows.
For moments
  • If the integral of Equation (20) is developed with limits from “h1” to “h1”, the moment at the free end at “h1” gives Mua = 0.
  • If the integral of Equation (20) is developed with limits from “−h1” to “h1”, the moment at the free end at “−h1” gives Mua = − Muy1Pu1h1. This moment is equal to the moment acting on the footing but of opposite signs.
  • If the integral of Equation (20) is developed with limits from “0” to “h1”, the moment at “0” gives Mua = − Muy1/2 − Pu1h1/4; now, if the integral of Equation (21) is developed with limits from “−h1” to “0”, the moment at “0” gives Mub = Muy1/2 + Pu1h1/4. Therefore, Mua and Mub are the same, but in the opposite signs. In this way, continuity is verified.
  • If the integral of Equation (22) is developed with limits from “h2” to “h2”, the moment at the free end at “h2” gives Muc = 0.
  • If the integral of Equation (22) is developed with limits from “−h2” to “h2”, the moment at the free end at “−h2” gives Muc = −Muy2 − Pu2h2. This moment is equal to the moment acting on the footing but of opposite signs.
  • If the integral of Equation (22) is developed with limits from “0” to “h2”, the moment at “0” gives Muc = −Muy2/2 − Pu2h2/4; now, if the integral of Equation (23) is developed with limits from “−h2” to “0”, the moment at “0” gives Mue = Muy2/2 + Pu2h2/4. Therefore, Muc and Mue are the same but in the opposite signs. In this way, continuity is verified.
  • If the integral of Equation (24) is developed with limits from “b” to “b”, the moment at the free end at “b” gives Muf = 0.
  • If the integral of Equation (24) is developed with limits from “b − L1” to “b”, the moment at “b − L1”gives Muf; now, if the integral of Equation (25) is developed with limits from “b − L1” to “b”, the moment at “b − L1”gives Mug, and if Muf = Mug is performed, the following is given: Mux1.
  • If the integral of Equation (27) is developed with limits from “b − L1 − L” to “b”, the moment at “b − L1 − L” gives Mui; now, if the integral of Equation (28) is developed with limits from “b − L1 − L” to “b”, the moment at “b − L1 − L” gives Muj, and if Mui = Muj is performed, the following is given: Mux2.
  • If the integral of Equation (28) is developed with limits from “−b” to “b”, the moment at the free end at “−b” gives Muj = 0.
For unidirectional shears
  • If the integral of Equation (29) is developed with limits from “h1” to “h1”, the unidirectional shear at the free end at “h1” gives Vuk = 0.
  • If the integral of Equation (29) is developed with limits from “−h1” to “h1”, the unidirectional shear at the free end at “−h1” gives Vuk = − Pu1. This unidirectional shear is equal to the unidirectional shear acting on the footing but of opposite signs.
  • If the integral of Equation (29) is developed with limits from “0” to “h1”, the unidirectional shear at “0” gives Vuk = −3Muy1/4h1Pu1/2; now, if the integral of Equation (30) is developed with limits from “−h1” to “0”, the unidirectional shear at “0” gives Vul = 3Muy1/4h1 + Pu1/2. Therefore, Vuk and Vul are the same but in the opposite signs. In this way, continuity is verified.
  • If the integral of Equation (31) is developed with limits from “h2” to “h2”, the unidirectional shear at the free end at “h2” gives Vum = 0.
  • If the integral of Equation (31) is developed with limits from “−h2” to “h2”, the unidirectional shear at the free end at “−h2” gives Vum = −Pu2. This unidirectional shear is equal to the unidirectional shear acting on the footing but of opposite signs.
  • If the integral of Equation (31) is developed with limits from “0” to “h2”, the unidirectional shear at “0” gives Vum = −3Muy2/4h2Pu2/2; now, if the integral of Equation (32) is developed with limits from “−h2” to “0”, the unidirectional shear at “0” gives Vun = 3Muy2/4h2 + Pu2/2. Therefore, Vum and Vun are the same but in the opposite signs. In this way continuity is verified.
  • If the integral of Equation (33) is developed with limits from “b” to “b”, the unidirectional shear at the free end at “b” gives Vuo = 0.
  • If the integral of Equation (33) is developed with limits from “b − L1” to “b”, the unidirectional shear at “b − L1” gives Vuo; now, if the integral of Equation (34) is developed with limits from “b − L1” to “b”, the unidirectional shear at “b − L1”gives Vup, and if Vuo = Vup is performed, the following is given: Pu1.
  • If the integral of Equation (35) is developed with limits from “b − L1 − L” to “b”, the unidirectional shear at “b − L1 − L” gives Vuq, now, if the integral of Equation (36) is developed with limits from “b − L1 − L” to “b”, the unidirectional shear at “b − L1 − L” gives Vur, and if Vuq = Vur is performed, the following is given: Pu2.
  • If the integral of Equation (36) is developed with limits from “−b” to “b”, the unidirectional shear at the free end at “−b” gives Vur = 0.
Table 1 shows the results for the optimal area with the free ends (L1cy1/2 and L2cy2/2) of study 1: As L increases, a, h1, h2, and pmin decrease; Amin, b, ey, L1, and MxT increase; and L2, R, and MyT remain constant.
Table 2 presents the results for the optimal cost with the free ends (L1cy1/2 and L2cy2/2) of study 1: As L increases, AsxtB1, AsxtB2, AsxtT, and MuxT increase; AsxBp1, AsxBp2, ρ1, and ρ2 increase up to L = 5.00 m, then decrease to L = 6.00 m, and then increase; AsylB, AsylT, ρyB, and ρyT decrease to L = 5.00 m, then increase up to L = 6.00 m, and then decrease; Cmin and d decrease to L = 5.00 m and then increase; and Ru and MuyT remain constant. The d is governed by unidirectional shears: The unidirectional critical shear appears in section “k” for L = 4.00 m, and the unidirectional critical shear appears in section “p” for L = 500, 6.00, and 7.00 m. This is because in section “k” the value of h1 tends to decrease, and then section “p” becomes critical.
Table 3 shows the results for the optimal area with ends limited in the longitudinal direction (L1 = cy1/2 and L2 = cy2/2) of study 2: As L increases, a, h1, and h2 decrease; b, ey, and MxT increase; pmin increases up to L = 6.00 m and then decreases; L1, L2, R, and MyT remain constant; and Amin decreases to L = 6.00 m and then increases.
Table 4 presents the results for the optimal cost with ends limited in the longitudinal direction (L1 = cy1/2 and L2 = cy2/2) of study 2: As L increases, AsxtB2, AsxtT, ρyB, ρyT, and MuxT increase; AsxBp1, AsxBp2, ρ1, and ρ2 decrease to L = 6.00 m and then increase; Cmin, AsylB, AsylT, and d decrease up to L = 6.00 m and then increase; and Ru and MuyT remain constant. The d is governed by unidirectional shears: The unidirectional critical shear appears in section “k” for L = 4.00 and 5.00 m, and the unidirectional critical shear appears in section “p” for L = 6.00 and 7.00 m. This is because in section “k” the value of h1 tends to decrease, and then section “p” becomes critical.
Figure 8 shows the two studies for the elliptical combined footings varying the lengths between the columns, for which L = 4, 5, 6, and 7 m.
Figure 8a shows the optimal or minimum area for two studies: Study 1 (L1cy1/2 and L2cy2/2) shows that increasing the length of the column spacing results in a larger area, and study 2 (L1 = cy1/2 and L2 = cy2/2) shows a decrease to L = 6.00 m, and then it increases.
Figure 8b shows the optimal or minimum cost for two studies: Study 1 (L1cy1/2 and L2cy2/2) shows a decrease to L = 5.00 m, and then it increases, and study 2 (L1 = cy1/2 and L2 = cy2/2) shows a decrease to L = 6.00 m, and then it increases.
Table 5 shows the results for the optimal area for different allowable bearing capacities of the ground and with the free ends (L1cy1/2 and L2cy2/2) of study 3: As paabcs increases, a, b, L1, h1, and h2 decrease; ey and MxT increase; pmin decreases; L2, R, and MyT remain constant; and Amin decreases. Examples 3.3 and 3.4 are the same because they are governed by pmin, which is zero.
Table 6 presents the results for the optimal cost for different allowable bearing capacities of the ground and with the free ends (L1cy1/2 and L2cy2/2) of study 3: As paabcs increases, MuxT increases; Cmin, AsxBp1, AsxBp2, AsxtB2, AsxtT, AsylB, AsylT, ρ1, ρ2, ρyB, ρyT, and d decrease; and Ru and MuyT remain constant. Examples 3.3 and 3.4 are the same because they are governed by pmin, which is zero.
Figure 9 shows the third study for the elliptical combined footings with L = 5 m and free ends and different allowable ground bearing capacities paabcs for paabcs = 120.25, 170.25, 220.75, and 270.25 kN/m2.
Figure 9a shows the optimal or minimum area for third study (L1cy1/2 and L2cy2/2), which shows a decrease to paabcs 220.75 kN/m2, and then it remains constant.
Figure 9b shows the optimal or minimum cost for the third study; this study shows the same behavior as the optimal area.
A sensitivity analysis is presented for study 1 of example 1.1 for parameter “a” to show the validity of this model.
Table 7 shows the optimal area and Table 8 shows the optimal cost design for an elliptical combined footing for different values of a = 2.00, 2.20, 2.40, 2.60, 2.68, 2.80, 3.00, 3.20, and 3.40 m and with free ends (L1cy1/2 and L2cy2/2) (study 1 of example 1.1).
Table 7 shows the results for the optimal area with the free ends (L1cy1/2 and L2cy2/2) of study 1 of example 1.1: As “a” increases, b and L1 decrease; L2 decreases to a = 2.60 and then remains constant; ey remains constant until a = 2.60 and then increases; h1 increases up to a = 2.68 and then more or less remains constant; h2 decreases to a = 2.68 and then increases; MxT tends to be constant with a value very close to 1 until a = 2.60 and then increases; and Amin decreases to a = 2.68 and then increases. Therefore, the optimal or minimum area is verified for a = 2.68 m of Amin = 21.64 m2, as shown in Table 1.
Table 8 shows the results for the optimal cost design with the free ends (L1cy1/2 and L2cy2/2) of study 1 of example 1.1: As “a” increases, d increases up to a = 2.60, then decreases to a = 2.68, then increases up to a = 3.00, and then remains constant; MuxT tends to be constant with a value of −59.20 until a = 2.60, and then it increases; and Cmin decreases to a = 2.68 and then increases. Therefore, the optimal or minimum cost design is verified for a = 2.68 m of Cmin = 40.30Cc, as shown in Table 2.
Also, two comparisons are made to demonstrate the superiority of the proposed model for ECF (elliptical combined footings) over other authors for RCF (rectangular combined footings).
The first comparison is the model developed by Luévanos-Rojas [41] for an RCF versus the model proposed for an ECF; both are limited in the longitudinal direction (Y direction). The data provided for the two examples are cx1 = cy1 = cx2 = cy2 = 40 cm, H = 2.00 m, r = 8 cm, L = 5.60 m, PD1 = 600 kN, PL1 = 400 kN, PD2 = 500 kN, PL2 = 300 kN, MDx1 = 140 kN-m, MLx1 = 100 kN-m, MDx2 = 120 kN-m, MLx2 = 100 kN-m, MDy1 = 120 kN-m, MLy1 = 80 kN-m, MDy2 = 110 kN-m, MLy2 = 90 kN-m, ast = 2.85 cm2 (Ø 3/4″), aslB = aslT = asp1 = asp2 = 7.92 cm2 (Ø 1–1/4″), pabcs = 220 kN/m2, γcd = 24 kN/m3, γsd = 15 kN/m3, f’c = 21 MPa, fy = 420 MPa, and α = 90.
The proposed thickness of the ECF after several iterations is 0.62 m and paabcs = 184.42 kN/m2.
The unfactored loads and moments acting on the soil are P1 = 1000 kN, Mx1 = 240 kN-m, My1 = 200 kN-m, P2 = 800 kN, Mx2 = 220 kN-m, and My2 = 200 kN-m.
Now, the factored loads and moments acting on the soil are Pu1 = 1360 kN, Mux1 = 328 kN-m, Muy1 = 272 kN-m, Pu2 = 1080 kN, Mux2 = 304 kN-m, and Muy2 = 276 kN-m.
Table 9 presents the minimum cost with ends limited in the longitudinal direction of the model developed by Luévanos-Rojas (2016) [41] for RCF and the new model for ECF.
The second comparison is the model developed by Velázquez-Santillán et al. [42] for an RCF versus the model proposed for an ECF, both with free ends in the longitudinal direction (Y direction). The data provided for the two examples are cx1 = cy1 = cx2 = cy2 = 40 cm, H = 1.50 m, r = 8 cm, L = 6.00 m, PD1 = 700 kN, PL1 = 500 kN, PD2 = 1400 kN, PL2 = 1000 kN, MDx1 = 140 kN-m, MLx1 = 100 kN-m, MDx2 = 280 kN-m, MLx2 = 200 kN-m, MDy1 = 120 kN-m, MLy1 = 80 kN-m, MDy2 = 240 kN-m, MLy2 = 160 kN-m, ast = 2.85 cm2 (Ø 3/4″), aslB = aslT = asp1 = asp2 = 7.92 cm2 (Ø 1–1/4″), pabcs = 220 kN/m2, γcd = 24 kN/m3, γsd = 15 kN/m3, f’c = 21 MPa, fy = 420 MPa, and α = 90.
The proposed thickness of the ECF after several iterations is 0.80 m and paabcs = 190.30 kN/m2.
The unfactored loads and moments acting on the soil are P1 = 1200 kN, Mx1 = 240 kN-m, My1 = 200 kN-m, P2 = 2400 kN, Mx2 = 480 kN-m, and My2 = 400 kN-m.
Now, the factored loads and moments acting on the soil are Pu1 = 1640 kN, Mux1 = 328 kN-m, Muy1 = 272 kN-m, Pu2 = 3280 kN, Mux2 = 656 kN-m, and Muy2 = 544 kN-m.
Table 10 shows the minimum cost with free ends in the longitudinal direction of the model developed by Velázquez-Santillán et al. (2018) [42] for RCF and the new model for ECF.
Table 9 presents the comparison of the minimum area and the minimum cost with ends limited in the longitudinal direction of the model developed by Luévanos-Rojas (2016) [41] for RCF and the new model for ECF:
  • The minimum area “Amin” is smaller for ECF compared to RCF, presenting a savings of 7.17% using the ECF.
  • The minimum cost “Cmin” is lower for ECF compared to RCF, showing a savings of 23.95% using the ECF.
  • The ECF and RCF are governed by unidirectional shears: For the unidirectional critical shear for RCF, it appears in section “k”, and for ECF, it appears in section “p”. This is because in section “k” for ECF h1 = 0.70 m, the critical section must appear at a distance “d” from the face of the column, and this distance is outside the footing. For this reason, “d” is smaller for ECF, and therefore, ECF is more economical than RCF.
Table 10 presents the comparison of the minimum area and the minimum cost with free ends in the longitudinal direction of the model developed by Velázquez-Santillán et al. (2018) [42] for RCF and the new model for ECF:
  • The minimum area “Amin” is smaller for ECF compared to RCF, presenting a savings of 1.67% using the ECF.
  • The minimum cost “Cmin” is lower for ECF compared to RCF, showing a savings of 9.14% using the ECF.
  • ECF and RCF are governed by unidirectional shears: For the unidirectional critical shear for RCF, it appears in section “k”, and for ECF, it appears in section “p”. This is because in section “k” for ECF h1 = 0.63 m, the critical section must appear at a distance “d” from the face of the column, and this distance is outside the footing. For this reason, “d” is smaller for ECF, and therefore, ECF is more economical than RCF.
Figure 10 indicates, in detail, the assembly of the steel reinforcement of an ECF. Figure 10a represents the plan view. Figure 10b indicates the elevation view of the cross section. Figure 10c represents the elevation view of the longitudinal section.

5. Conclusions

This research presents a mathematical model to determine the minimum cost of design of an ECF under biaxial bending in the two columns, assuming that the base is rigid and rests on elastic soils, and the soil pressure acts linearly (innovative contribution in terms of its form). This model can be used for an ECF with free ends in the Y direction and ends limited in the Y direction.
The proposed model for ECF is developed in two steps: first, determining the minimum area and second, obtaining the minimum cost. For the minimum area, the known values (independent parameters) are paabcs, L, cx1, cx2, cy1, cy2, P1, Mx1, My1, P2, Mx2, and My2, and the unknown values (design variables) are Amin, a, b, L1, L2, ey, pmax, and pmin. For the minimum cost, the known values (independent parameters) are a, b, Pu1, Mux1, Muy1, Pu2, Mux2, Muy2, ast, aslB, aslT, asp1, and asp2, and the unknown values (design variables) are Cmin, d, AsxtB1, AsxtB2, AsxtB3, AsxBp1, AsxBp2, AsxtT, AsylB, AsylT, ρ1, ρ2, ρyB, ρyT, sxtB1, sxtB2, sxtB3, sxBp1, sxBp2, sxtT, sylB, sylT, nxtB1, nxtB2, nxtB3, nxBp1, nxBp2, nxtT, nylB, and nylT.
The main conclusions are shown below:
(1)
There are no similar contributions on the subject of this article, as it is an innovative contribution in terms of its form.
(2)
The moments and unidirectional shears are verified by continuity and equilibrium (see results section).
(3)
This model for an ECF can be used for other construction codes since the moments, unidirectional shears, and punching shears acting on the foundation do not vary; the values that vary are the resistant effects.
(4)
When the spacing “L” between columns increases with free ends in the Y direction for these examples, the minimum area “Amin” increases (see Table 1).
(5)
When the spacing “L” between columns increases with free ends in the Y direction for these examples, the minimum cost “Cmin” tends to decrease to L = 5.00 m and then increases (see Table 2).
(6)
When the spacing “L” between columns increases with ends limited in the Y direction for these examples, the minimum area “Amin” tends to decrease to L = 6.00 m and then increases (see Table 3).
(7)
When the spacing “L” between columns increases with ends limited in the Y direction for these examples, the minimum cost “Cmin” tends to decrease to L = 6.00 m and then increases (see Table 4).
(8)
When the allowable bearing capacity of the ground “pabcs” increases with free ends in the Y direction for these examples, the minimum area “Amin” decreases (see Table 5).
(9)
When the allowable bearing capacity of the ground “pabcs” increases with free ends in the Y direction for these examples, the minimum cost “Cmin” decreases (see Table 6).
(10)
ECFs are cheaper than RCFs in the minimum area, with a savings of 7.17% with limited ends and a savings of 1.67% with free ends, and the minimum cost, with a savings of 23.95% with limited ends and a savings of 9.14% with free ends (see Table 9 and Table 10).
One of the limitations of this type of footing is that it cannot be used on property or edge boundaries in the X direction.
Suggestions for future studies are a model for the minimum area and minimum cost of an ECF, assuming that the surface in contact with the ground operates partially under compression.

Author Contributions

Conceptualization, A.L.-R. and G.S.-H.; Methodology, A.L.-R.; Software, R.N. and F.C.-M.; Validation, E.R.D.-G., V.M.M.-L. and L.D.L.-L.; Formal Analysis, V.M.M.-L.; Investigation, A.L.-R.; Resources, G.S.-H.; Data Curation, V.M.M.-L.; Writing—Original Draft Preparation, F.C.-M.; Writing—Review and Editing, R.N.; Visualization, G.S.-H.; Supervision, A.L.-R.; Project Administration, R.N. and E.R.D.-G.; Funding Acquisition, L.D.L.-L. and F.C.-M. All authors have read and agreed to the published version of the manuscript.

Funding

The research was funded by the Universidad Autónoma de Coahuila, Universidad Juárez del Estado de Durango, and Universidad Autónoma del Estado de Hidalgo, México.

Data Availability Statement

Data are contained within the article.

Acknowledgments

The research described in this work was developed at the Universidad Autónoma de Coahuila, Universidad Juárez del Estado de Durango and Universidad Autónoma del Estado de Hidalgo México.

Conflicts of Interest

The authors declare no conflicts of interest.

Nomenclature

ps = pressure on the ground at any point below the footing in kN/m2
P = unfactored load in kN
A = contact area with the ground under the footing in m2
Mx = unfactored moment on the X axis in kN-m
My = unfactored moment on the Y axis in kN-m
Ix = moment of inertia on the X axis in m4
Iy = moment of inertia on the Y axis in m4
x = coordinate in the X direction of the foundation in m
y = coordinate in the Y direction of the foundation in m
P1 = load on column 1 in kN
P2 = load on column 2 in kN
R = resultant force in kN
Mx1 = moment on the X1 axis due to column 1 in kN-m
Mx2 = moment on the X2 axis due to column 2 in kN-m
MxT = resultant moment on the X axis in kN-m
My1 = moment on the Y1 axis due to column 1 in kN-m
My2 = moment on the Y2 axis due to column 2 in kN-m
MyT = resultant moment on the Y axis in kN-m
ey (eccentricity in the Y direction) = distance from the center of the footing to the center of column 1 in m
L = center-to-center distance of the columns in m
p1, p2, p3, and p4 = soil pressures on the extreme fibers of the X and Y axes in kN/m2
pmax = maximum pressure with coordinates (xmax, ymax) in kN/m2
pmin = minimum pressure with coordinates (xmin, ymin) in kN/m2
a = distance of the X semi-axis of the ellipse in m
b = distance of the Y semi-axis of the ellipse in m
cmax = coordinates of the maximum pressure in m
cmin = coordinates of the minimum pressure in m
paabcs = available allowable bearing capacity of the ground to support all loads in kN/m2
pabcs = allowable bearing capacity of the ground in kN/m2
γcd = weight of the concrete in kN/m3
γsd = weight of the earth fill in kN/m3
H = depth of the footing in m
t = total thickness of the footing
Ru = factored resultant force in kN
MuxT = factored total moment on the X axis in kN-m
MuyT = factored total moment on the Y axis in kN-m
Amin = minimum area in m2
pu = factored soil pressure in kN/m2
pu1 = factored soil pressure due to column 1 in kN/m2
Pu1 = factored load of column 1 in kN
Mux1 = factored moment on the X1 axis in kN-m
Muy1 = factored moment on the Y1 axis in kN-m
w1 = analysis width which is the side of the column 1 more a distance d/2 on each side of the column 1 in m
h1 = horizontal distance from the center of column 1 to the free end of the foundation in m.
pu2 = factored soil pressure due to column 2 in kN/m2
Pu2 = factored load of column 2 in kN
Mux2 = factored moment on the X2 axis in kN-m
Muy2 = factored moment on the Y2 axis in kN-m
w2 = analysis width which is the side of the column 2 more a distance d/2 on each side of the column 2 in m
h2 = horizontal distance from the center of column 2 to the free end of the foundation in m.
Mua = factored moment on the a axis in kN-m
Mub = factored moment on the b axis in kN-m
Muc = factored moment on the c axis in kN-m
Mue = factored moment on the e axis in kN-m
cx1 = side of the column 1 in the X direction in m
cx2 = side of the column 2 in the X direction in m
Muf = factored moment on the f axis in kN-m
Mug = factored moment on the g axis in kN-m
Muh = maximum positive moment factored on the h axis in kN-m
Mui = factored moment on the i axis in kN-m
Muj = factored moment on the j axis in kN-m
ym = position of the maximum moment in m
cy1 = side of the column 1 in the Y direction in m
cy2 = side of the column 2 in the Y direction in m
d = effective depth of the footing in m
Vuk = factored unidirectional shear on the k axis in kN
Vul = factored unidirectional shear on the l axis in kN
Vum = factored unidirectional shear on the m axis in kN
Vun = factored unidirectional shear on the n axis in kN
Vuo = factored unidirectional shear on the o axis in kN
Vup = factored unidirectional shear on the p axis in kN
Vuq = factored unidirectional shear on the q axis in kN
Vur = factored unidirectional shear on the r axis in kN
Vup1 = factored punching shear in column 1 in kN
Vup2 = factored punching shear in column 2 in kN
Cmin = minimum cost in USD
Cc = cost of concrete in USD/m3
Vc = volume of concrete in m3
Cs = cost of steel in USD/kN
Vs = volume of steel in m3
γs = steel density = 78 kN/m3
AsxtB1 = steel by temperature in width b1 in m2
AsxtB2 = steel by temperature in width b2 in m2
AsxtB3 = steel by temperature in width b3 in m2
AsxBp1 = steel in the X direction at the bottom of column 1 in m2
Asxa = steel on the a-axis in the X direction in m2
Asxb = steel on the b-axis in the X direction in m2
ρ1 = percentage of reinforcing steel in the X direction at the bottom of column 1
AsxBp2 = steel in the X direction at the bottom of column 2 in m2
Asxc = steel on the c-axis in the X direction in m2
Asxe = steel on the e-axis in the X direction in m2
ρ2 = percentage of reinforcing steel in the X direction at the bottom of column 2
AsxtT = steel in the X direction at the top in m2
AsylB = steel in the Y direction at the bottom in m2
Asyf = steel on the f-axis in the Y direction in m2
Asyg = steel on the g-axis in the Y direction in m2
Asyi = steel on the i-axis in the Y direction in m2
Asyj = steel on the j-axis in the Y direction in m2
ρyB = percentage of reinforcing steel in the Y direction at the bottom
AsylT = steel in the Y direction at the top in m2
ρyT = percentage of reinforcing steel in the Y direction at the top of section h
nxtB1, nxtB2, nxtB3, nxBp1, nxBp2, nxtT, nylB, nylT = number of rods in each zone
ast = area of the rod used in the steel by temperature in m2
asp1 = area of the rod used at the bottom of column 1 in m2
asp2 = area of the rod used at the bottom of column 2 in m2
aslB = area of the rod used at the bottom in the Y direction in m2
aslT = area of the rod used at the top in the Y direction in m2
Ast = area of steel per temperature in m2
bw = analysis width in m
b1, b2, b3, bxf, bxg, bxi, bxj, bxh = analysis width in each zone in m
sxtB1, sxtB2, sxtB3, sxBp1, sxBp2, sxtT, sylB, sylT = separation of the rods in each zone in m
LxBp1 = total length of the rods in the X direction at the bottom of column 1 in m
LxBp2 = total length of the rods in the X direction at the bottom of column 2 in m
LxtB1 = total length of the rods in the X direction at the width b1 in m
LxtB2 = total length of the rods in the X direction at the width b2 in m
LxtB3 = total length of the rods in the X direction at the width b3 in m
LxtT = total length of the rods in the X direction at the top in m
LylB = total length of the rods in the Y direction at the bottom in m
LylT = total length of the rods in the Y direction at the top in m
r = concrete cover in m
fy = strength of the reinforcing steel in MPa
f’c = compressive strength of the concrete in MPa
Øf = bending strength reduction factor
Øv = shear strength reduction factor
bwsxo, bwsxp, bwsxq, and bwsxr = analysis width in each zone in m
βc = long side of column/short side of column
b0 = perimeter of the critical punching shear section in m
β1 = factor relating the depth of the equivalent rectangular compressive stress block to the depth of the neutral axis

References

  1. Bowles, J.E. Foundation Analysis and Design; McGraw-Hill: New York, NY, USA, 2001. [Google Scholar]
  2. Girgin, K. Simplified formulations for the determination of rotational spring constants in rigid spread footings resting on tensionless soil. J. Civ. Eng. Manag. 2017, 23, 464–474. [Google Scholar] [CrossRef]
  3. Basudhar, P.K.; Das, A.; Das, S.K.; Dey, A.; Deb, K.; De, S. Optimal cost design of rigid raft foundation. In Proceedings of the 10th East Asia-Pacific Conference on Structural Engineering and Construction (EASEC-10), Bangkok, Thailand, 3–5 August 2006; pp. 39–44. [Google Scholar]
  4. Algin, H.M. Stresses from linearly distributed pressures over rectangular areas. Int. J. Numer. Anal. Methods Geomech. 2000, 24, 681–692. [Google Scholar] [CrossRef]
  5. Algin, H.M. Practical formula for dimensioning a rectangular footing. Eng. Struct. 2007, 29, 1128–1134. [Google Scholar] [CrossRef]
  6. Aydogdu, I. New Iterative method to Calculate Base Stress of Footings under Biaxial Bending. Int. J. Eng. Appl. Sci. 2016, 8, 40–48. [Google Scholar] [CrossRef]
  7. Highter, W.H.; Anders, J.C. Dimensioning Footings Subjected to Eccentric Loads. J. Geotech. Eng. 1985, 111, 659–665. [Google Scholar] [CrossRef]
  8. Vitone, D.M.A.; Valsangkar, A.J. Stresses from Loads over Rectangular Areas. J. Geotech. Eng. 1986, 112, 961–964. [Google Scholar] [CrossRef]
  9. Ozmen, G. Determination of Base Stresses in Rectangular Footings under Biaxial Bending. Tek. Dergi 2011, 22, 1519–1535. Available online: https://dergipark.org.tr/tr/download/article-file/136568 (accessed on 15 May 2025).
  10. Dagdeviren, U. Shear stresses below the rectangular foundations subjected to biaxial bending. Geomech. Eng. 2016, 10, 189–205. [Google Scholar] [CrossRef]
  11. Keskin, M.S.; Bildik, S.; Laman, M. Experimental and Numerical Studies of Vertical Stresses Beneath the Circular Footings on Sand. Appl. Sci. 2023, 13, 1635. [Google Scholar] [CrossRef]
  12. Shaaban, M.Q.; Al-kuaity, S.A.; Aliakbar, M.R.M. Simple function to find base pressure under triangular and trapezoidal footing with two eccentric loads. Open Eng. 2023, 13, 20220458. [Google Scholar] [CrossRef]
  13. Luevanos-Soto, I.; Luevanos-Rojas, A.; Moreno-Landeros, V.M.; Santiago-Hurtado, G. Minimum area for circular isolated footings with eccentric column taking into account that the surface in contact with the ground works partially in compression. Couple Syst. Mech. 2024, 13, 201–217. [Google Scholar] [CrossRef]
  14. Babu, T.S.; Ibrahim, S.K.N. Design of circular footings considering soil-structure interaction. In Proceedings of the International Conference on Smart Materials and Structures, ICSMS-2022, Andhra Pradesh, India, 15–16 February 2022. [Google Scholar] [CrossRef]
  15. Fazeli-Dehkordi, P.; Karim, U.F.A. Behaviour of circular footings confined by rigid base and geocell reinforcement. Arab. J. Geosci. 2020, 13, 1100. [Google Scholar] [CrossRef]
  16. Magade, S.B.; Ingle, R.K. Numerical method for analysis and design of isolated square footing under concentric loading. Int. J. Adv. Struct. Eng. 2019, 11, 9–20. [Google Scholar] [CrossRef]
  17. Galvis, F.A.; Smith-Pardo, P.J. Axial load biaxial moment interaction (PMM) diagrams for shallow foundations: Design aids, experimental verification, and examples. Eng. Struct. 2020, 213, 110582. [Google Scholar] [CrossRef]
  18. Rawat, S.; Mittal, R.K.; Muthukumar, G. Isolated Rectangular Footings under Biaxial Bending: A Critical Appraisal and Simplified Analysis Methodology. Pract. Period. Struct. Des. Const. 2020, 25, 04020011. [Google Scholar] [CrossRef]
  19. Al-Ansari, M.S.; Afzal, M.S. Structural analysis and design of irregular shaped footings subjected to eccentric loading. Eng. Rep. 2021, 3, e12283. [Google Scholar] [CrossRef]
  20. Luévanos-Rojas, A.; Moreno-Landeros, V.M.; Santiago-Hurtado, G.; Olguin-Coca, F.J.; López-León, L.D.; Baltazar-Zamora, M.A.; Diaz-Gurrola, E.R. Mathematical Modeling for the Optimal Cost Design of Circular Isolated Footings with Eccentric Column. Mathematics 2024, 12, 733. [Google Scholar] [CrossRef]
  21. Elhanash, M.; Elsherif, A.K.; Aref, A.; Nagy, N.M. New analytical method for optimum design of circular and elliptical footings. Adv. Comput. Des. 2025, 10, 151–167. [Google Scholar] [CrossRef]
  22. Diaz-Gurrola, E.R.; Luevanos-Rojas, A.; Santiago-Hurtado, G.; Moreno-Landeros, V.M.; Landa-Gomez, A.E. Mathematical Calculations for the Design of Elliptical Isolated Foundations with Optimal Cost. Mathematics 2025, 13, 1777. [Google Scholar] [CrossRef]
  23. Luevanos-Soto, I.; Luevanos-Rojas, A.; Moreno-Landeros, V.M.; Santiago-Hurtado, G. Minimum cost design for circular isolated footings with eccentric column taking into account that the surface in contact with the ground works partially in compression. Couple Syst. Mech. 2024, 13, 311–335. [Google Scholar] [CrossRef]
  24. Nigdeli, S.M.; Bekdaş, G. The investigation of optimization of eccentricity in reinforced concrete footings. In Proceedings of the 7th International Conference on Harmony Search, Soft Computing and Applications; Springer Nature Singapore: Singapore, 2022; pp. 207–215. [Google Scholar] [CrossRef]
  25. Naik, B.; Sandeep Nighojkar, S.; Pendharkar, D.U. Effectiveness of Skirt in Rectangular Combined Footing for Two Symmetric Columns. IOSR J. Mech. Civ. Eng. 2020, 17, 11–23. [Google Scholar]
  26. Ranpura, N.A.; Areakar, V.; Patel, V. Optimum Design of Combined Rectangular RCC Footing using GA. Int. J. Adv. Res. Sci. Commun. Technol. 2021, 7, 202–210. [Google Scholar] [CrossRef]
  27. Solorzano, G.; Plevris, V. Optimum design of RC footings with genetic algorithms according to ACI 318-19. Buildings 2020, 10, 110. [Google Scholar] [CrossRef]
  28. Al-Douri, E.M.F. Optimum design of trapezoidal combined footings. Tikrit J. Eng. Sci. 2007, 14, 85–115. [Google Scholar] [CrossRef]
  29. Moreno-Landeros, V.M.; Luévanos-Rojas, A.; Santiago-Hurtado, G.; López-León, L.D.; Olguin-Coca, F.J.; López-León, A.L.; Landa-Gómez, A.E. Optimal Cost Design of RC T-Shaped Combined Footings. Buildings 2024, 14, 3688. [Google Scholar] [CrossRef]
  30. Naik, B.; Sandeep Nighojkar, S.; Pendharkar, D.U. Design of Skirted Rectangular Combined Footing with Vertical Skirt All Around the Four Edges. Int. J. Creat. Res. Thoughts 2020, 8, 674–680. [Google Scholar]
  31. Aishwarya, K.M.; Balaji, N.C. Analysis and design of eccentrically loaded corner combined footing for rectangular columns. In Proceedings of the International Conference on Advances in Sustainable Construction Materials, Guntur, India, 18–19 March 2022. [Google Scholar] [CrossRef]
  32. Luévanos-Rojas, A.; Santiago-Hurtado, G.; Moreno-Landeros, V.M.; Olguin-Coca, F.J.; López-León, L.D.; Diaz-Gurrola, E.R. Mathematical Modeling of the Optimal Cost for the Design of Strap Combined Footings. Mathematics 2024, 12, 294. [Google Scholar] [CrossRef]
  33. Rizwan, M.; Alam, B.; Rehman, F.U.; Masud, N.; Shahzada, K.; Masud, T. Cost Optimization of Combined Footings Using Modified Complex Method of Box. Int. J. Adv. Struct. Geotech. Eng. 2012, 1, 24–28. [Google Scholar]
  34. Kashani, A.R.; Camp, C.V.; Akhani, M.; Ebrahimi, S. Optimum design of combined footings using swarm intelligence-based algorithms. Adv. Eng. Soft. 2022, 169, 103140. [Google Scholar] [CrossRef]
  35. Moayedi, H.; Hayati, S. Modelling and optimization of ultimate bearing capacity of strip footing near a slope by soft computing methods. Appl. Soft Comput. 2018, 14, 208–221. [Google Scholar] [CrossRef]
  36. Konapure, C.G.; Vivek, B. Analysis of Combined rectangular footing by Winkler’s Model and Finite Element Method. Int. J. Eng. Innov. Technol. 2013, 3, 128–132. Available online: https://www.ijeit.com/Vol%203/Issue%205/IJEIT1412201311_21.pdf (accessed on 16 May 2025).
  37. Ravi Kumar Reddy, C.; Satish Kumar, M.; Kondala Rao, M.; Gopika, N. Numerical Analysis of Rectangular Combined Footings Resting on Soil for Contact Pressure. Int. J. Civil Eng. Technol. 2018, 9, 1425–1431. Available online: https://iaeme.com/MasterAdmin/Journal_uploads/IJCIET/VOLUME_9_ISSUE_9/IJCIET_09_09_137.pdf (accessed on 3 June 2025).
  38. Waheed, J.; Azam, R.; Riaz, M.R.; Shakeel, M.; Mohamed, A.; Ali, E. Metaheuristic-Based Practical Tool for Optimal Design of Reinforced Concrete Isolated Footings: Development and Application for Parametric Investigation. Buildings 2022, 12, 471. [Google Scholar] [CrossRef]
  39. Nawaz, M.N.; Ali, A.S.; Jaffar, S.T.A.; Jafri, T.H.; Oh, T.-M.; Abdallah, M.; Karam, S.; Azab, M. Cost-Based Optimization of Isolated Footing in Cohesive Soils Using Generalized Reduced Gradient Method. Buildings 2022, 12, 1646. [Google Scholar] [CrossRef]
  40. Khajehzadeh, M.; Keawsawasvong, S.; Nehdi, M.L. Effective Hybrid Soft Computing Approach for Optimum Design of Shallow Foundations. Sustainability 2022, 14, 1847. [Google Scholar] [CrossRef]
  41. Luévanos-Rojas, A. A new model for the design of rectangular combined boundary footings with two restricted opposite sides. Rev. ALCONPAT 2016, 6, 173–189. [Google Scholar] [CrossRef]
  42. Velázquez-Santillán, F.; Luévanos-Rojas, A.; López-Chavarría, S.; Medina-Elizondo, M.; Sandoval-Rivas, R. Numerical experimentation for the optimal design for reinforced concrete rectangular combined footings. Adv. Compt. Des. 2018, 3, 49–69. [Google Scholar] [CrossRef]
  43. Das, B.M.; Sordo-Zabay, E.; Arrioja-Juárez, R. Principios de Ingeniería de Cimentaciones; Cengage Learning Latín América: Mexico City, Mexico, 2006. [Google Scholar]
  44. McCormac, J.C.; Brown, R.H. Design of Reinforced Concrete; John Wiley & Sons, Inc.: Mexico City, Mexico, 2014. [Google Scholar]
  45. ACI 318-19; Building Code Requirements for Structural Concrete and Commentary. American Concrete Institute: Farmington Hills, MI, USA, 2019.
Figure 1. Distribution of ground pressure under the footing: (a) rigid base on sandy ground, (b) rigid base on clay ground, (c) flexible base on sandy ground, (d) flexible base on clay ground, and (e) current design.
Figure 1. Distribution of ground pressure under the footing: (a) rigid base on sandy ground, (b) rigid base on clay ground, (c) flexible base on sandy ground, (d) flexible base on clay ground, and (e) current design.
Buildings 15 03633 g001
Figure 2. Elliptical combined footing.
Figure 2. Elliptical combined footing.
Buildings 15 03633 g002
Figure 3. Location of sections for the moments.
Figure 3. Location of sections for the moments.
Buildings 15 03633 g003
Figure 4. Location of sections for unidirectional shears.
Figure 4. Location of sections for unidirectional shears.
Buildings 15 03633 g004
Figure 5. Location of sections for punching shears: (a) critical perimeter with ends not limited in the Y-axis direction, (b) critical perimeter limited in the Y-axis direction.
Figure 5. Location of sections for punching shears: (a) critical perimeter with ends not limited in the Y-axis direction, (b) critical perimeter limited in the Y-axis direction.
Buildings 15 03633 g005
Figure 6. Minimum cost procedure of an ECF.
Figure 6. Minimum cost procedure of an ECF.
Buildings 15 03633 g006
Figure 7. Maple software (v.15) to determine the minimum cost of an ECF.
Figure 7. Maple software (v.15) to determine the minimum cost of an ECF.
Buildings 15 03633 g007
Figure 8. Areas and costs of the two studies for the elliptical combined footings: (a) optimal or minimum area, (b) optimal or minimum cost.
Figure 8. Areas and costs of the two studies for the elliptical combined footings: (a) optimal or minimum area, (b) optimal or minimum cost.
Buildings 15 03633 g008
Figure 9. Areas and costs of the third study for the elliptical combined footings: (a) optimal or minimum area, (b) optimal or minimum cost.
Figure 9. Areas and costs of the third study for the elliptical combined footings: (a) optimal or minimum area, (b) optimal or minimum cost.
Buildings 15 03633 g009
Figure 10. Assembly of the steel reinforcement of an ECF: (a) in plant, (b) cross section (X axis), and (c) longitudinal section (Y axis).
Figure 10. Assembly of the steel reinforcement of an ECF: (a) in plant, (b) cross section (X axis), and (c) longitudinal section (Y axis).
Buildings 15 03633 g010
Table 1. Optimal area for elliptical combined footings with L1cy1/2 and L2cy2/2 (study 1).
Table 1. Optimal area for elliptical combined footings with L1cy1/2 and L2cy2/2 (study 1).
Examplea
(m)
b
(m)
ey
(m)
L
(m)
L1
(m)
L2
(m)
h1
(m)
h2
(m)
R
(kN)
MxT
(kN-m)
MyT
(kN-m)
pmax
(kN/m2)
pmin
(kN/m2)
Amin
(m2)
1.12.682.571.634.000.940.202.071.04370047.15700219.33122.6621.64
1.22.293.122.085.001.040.201.710.81370078.85700219.50110.1822.45
1.32.013.682.526.001.160.201.460.653700120.15700219.4399.0123.24
1.41.804.242.977.001.280.201.280.563700171.44700219.5489.0923.98
Table 2. Optimal design for elliptical combined footings with L1cy1/2 and L2cy2/2 (study 1).
Table 2. Optimal design for elliptical combined footings with L1cy1/2 and L2cy2/2 (study 1).
ExampleMuxT
(kN-m)
MuyT
(kN-m)
Ru
(kN)
AsxBp1
(cm2)
AsxBp2
(cm2)
AsxtB1
(cm2)
AsxtB2
(cm2)
AsxtT
(cm2)
AsylB
(cm2)
AsylT
(cm2)
d
(m)
ρ1ρ2ρyTρyBCmin
(USD)
1.1−6.801004524061.3441.284.7839.0970.90173.28219.320.770.006860.006880.006010.0060140.30Cc
1.271.201004524074.5560.536.4750.7781.84120.96120.960.730.009060.010870.004130.0053137.41Cc
1.396.801004524050.5132.848.1972.68112.62144.74187.380.850.004750.004680.006290.0062946.46Cc
1.4174.801004524099.4770.5510.2399.26149.8195.05110.900.980.007340.008070.003620.0040547.66Cc
Cmin is represented as a function of Cc.
Table 3. Optimal area for elliptical combined footings with L1 = cy1/2 and L2 = cy2/2 (study 2).
Table 3. Optimal area for elliptical combined footings with L1 = cy1/2 and L2 = cy2/2 (study 2).
Examplea
(m)
b
(m)
ey
(m)
L
(m)
L1
(m)
L2
(m)
h1
(m)
h2
(m)
R
(kN)
MxT
(kN-m)
MyT
(kN-m)
pmax
(kN/m2)
pmin
(kN/m2)
Amin
(m2)
2.14.172.202.004.000.200.201.741.7437001400700219.7237.0428.82
2.23.372.702.505.000.200.201.271.2737001650700219.7639.1228.59
2.32.843.203.006.000.200.200.990.9937001900700219.6739.5228.55
2.42.463.703.507.000.200.200.800.8037002150700219.9038.8928.59
Table 4. Optimal design for elliptical combined footings with L1 = cy1/2 and L2 = cy2/2 (study 2).
Table 4. Optimal design for elliptical combined footings with L1 = cy1/2 and L2 = cy2/2 (study 2).
ExampleMuxT
(kN-m)
MuyT
(kN-m)
Ru
(kN)
AsxBp1
(cm2)
AsxBp2
(cm2)
AsxtB2
(cm2)
AsxtT
(cm2)
AsylB
(cm2)
AsylT
(cm2)
d
(m)
ρ1ρ2ρyTρyBCmin
(USD)
2.119321004524041.5127.8343.4870.65220.18220.360.890.005500.003680.003590.0051553.42Cc
2.222721004524033.5121.6354.3977.17177.94177.940.790.005300.003420.004080.0063548.17Cc
2.326121004524026.7320.7566.8888.61149.95149.950.770.004430.003440.004240.0070946.35Cc
2.429521004524057.69112.5088.29113.70189.91233.560.850.008170.015940.006920.0100060.65Cc
Table 5. Optimal area for elliptical combined footings with L1cy1/2 and L2cy2/2 (study 3).
Table 5. Optimal area for elliptical combined footings with L1cy1/2 and L2cy2/2 (study 3).
Examplepaabcs
(kN/m2)
a
(m)
b
(m)
ey
(m)
L1
(m)
L2
(m)
h1
(m)
h2
(m)
R
(kN)
MxT
(kN-m)
MyT
(kN-m)
pmax
(kN/m2)
pmin
(kN/m2)
Amin
(m2)
3.1120.252.184.021.182.840.202.080.701900243.28750119.7618.2627.53
3.2170.251.743.951.252.710.201.650.551900369.64750169.716.2821.59
3.3220.251.633.931.272.650.201.540.511900419.19750188.290.5320.12
3.4270.251.633.931.272.650.201.540.511900419.19750188.290.5320.12
Table 6. Optimal design for elliptical combined footings with L1cy1/2 and L2cy2/2 (study 3).
Table 6. Optimal design for elliptical combined footings with L1cy1/2 and L2cy2/2 (study 3).
ExampleMuxT
(kN-m)
MuyT
(kN-m)
Ru
(kN)
AsxBp1
(cm2)
AsxBp2
(cm2)
AsxtB1
(cm2)
AsxtB2
(cm2)
AsxtT
(cm2)
AsylB
(cm2)
AsylT
(cm2)
d
(m)
ρ1ρ2ρyTρyBCmin
(USD)
3.1308.0010202600117.8171.5043.7873.01172.11257.78265.681.190.006230.006040.005290.0052979.50Cc
3.2490.001020260065.4741.0037.5167.09149.28133.19138.351.050.004300.004220.003920.0039245.60Cc
3.3542.001020260048.3531.0435.2265.02142.15102.81107.051.010.003430.003420.003380.0033841.23Cc
3.4542.001020260048.3531.0435.2265.02142.15102.81107.051.010.003430.003420.003380.0033841.23Cc
Table 7. Optimal area for study 1 of example 1.1.
Table 7. Optimal area for study 1 of example 1.1.
Examplea
(m)
b
(m)
ey
(m)
L
(m)
L1
(m)
L2
(m)
h1
(m)
h2
(m)
R
(kN)
MxT
(kN-m)
MyT
(kN-m)
pmax
(kN/m2)
pmin
(kN/m2)
Amin
(m2)
1.12.003.701.624.002.081.321.801.5337000.98700219.4098.9323.25
2.203.281.624.001.660.901.911.5137000.99700219.36107.0722.67
2.402.941.624.001.320.562.001.4137000.99700219.54114.2822.17
2.602.661.624.001.040.282.061.1637000.99700219.86120.7321.73
2.682.571.634.000.940.202.071.04370047.15700219.33122.6621.64
2.802.501.704.000.800.202.051.103700290.00700218.38118.1221.99
3.002.431.774.000.660.202.061.193700549.00700218.28104.8322.90
3.202.381.824.000.560.202.061.283700734.00700217.8591.4323.93
3.402.341.864.000.480.202.061.383700882.00700216.7779.3024.99
Table 8. Optimal cost design for study 1 of example 1.1.
Table 8. Optimal cost design for study 1 of example 1.1.
ExampleMuxT
(kN-m)
MuyT
(kN-m)
Ru
(kN)
AsxBp1
(cm2)
AsxBp2
(cm2)
AsxtB1
(cm2)
AsxtB2
(cm2)
AsxtB3
(cm2)
AsxtT
(cm2)
AsylB
(cm2)
AsylT
(cm2)
d
(m)
ρ1ρ2ρyTρyBCmin
(USD)
1.1−59.201004524070.2770.2722.9443.6210.68119.41207.79225.480.900.006050.006050.006660.0066655.30Cc
−59.201004524086.6772.6916.5344.303.98108.32226.91234.580.920.007170.006020.006760.0067654.42Cc
−59.201004524083.6971.2710.9844.84098.92209.63244.060.930.006710.005710.005950.0059551.51Cc
−59.201004524045.8144.806.2545.12090.37137.28146.500.940.003610.003330.003330.0038441.31Cc
−6.801004524061.3441.284.7839.09070.90173.28219.320.770.006860.006880.006010.0060140.30Cc
360.001004524073.2946.022.1545.23085.26170.31230.550.950.005740.005560.004940.0049446.14Cc
726.801004524064.5140.58051.950105.44158.40212.121.210.003330.003360.003370.0037453.95Cc
988.8010045240170.72131.56046.21083.94291.50475.230.980.012630.015090.008800.0087970.68Cc
1198.4010045240170.63131.56046.21082.54277.89501.040.980.012620.015090.008800.0087973.00Cc
Table 9. Optimal design for an ECF using the proposed model and for an RCF using the model developed by Luévanos-Rojas [41].
Table 9. Optimal design for an ECF using the proposed model and for an RCF using the model developed by Luévanos-Rojas [41].
Footing a
(m)
b
(m)
d
(m)
L
(m)
L1
(m)
L2
(m)
AsxBp1
(cm2)
AsxBp2
(cm2)
AsxtB2
(cm2)
AsxtT
(cm2)
AsylB
(cm2)
AsylT
(cm2)
ρp1ρp2ρyBρyTAmin
(m2)
Cmin
(USD)
ECF1.953.000.535.600.200.2027.7327.7344.5857.29102.96102.960.007860.007860.009980.0060418.3824.45Cc
RCF6.003.300.775.600.200.2022.8022.8068.4194.0686.1986.190.003330.003330.003330.0033319.8032.15Cc
Where a describes the side of the base in the Y direction for RCF, b indicates the side of the base in the X direction for RCF, a describes the X semi-axis of the base for ECF, and b indicates the Y semi-axis of the base for ECF.
Table 10. Optimal design for an ECF using the proposed model and for an RCF using the model developed by Velázquez-Santillán et al. [42].
Table 10. Optimal design for an ECF using the proposed model and for an RCF using the model developed by Velázquez-Santillán et al. [42].
Footinga
(m)
b
(m)
d
(m)
L
(m)
L1
(m)
L2
(m)
AsxBp1
(cm2)
AsxBp2
(cm2)
AsxtB2
(cm2)
AsxtB3
(cm2)
AsxtT
(cm2)
AsylB
(cm2)
AsylT
(cm2)
ρp1ρp2ρyBρyTAmin
(m2)
Cmin
(USD)
ECF2.014.000.716.000.201.8018.1058.0363.0116.02103.2283.1098.750.003330.007250.003330.0040925.2637.97Cc
RCF9.112.820.806.000.202.9121.1431.6868.7633.09130.3374.8474.840.003330.003330.003330.0033325.6941.79Cc
Where a describes the side of the base in the Y direction for RCF, b indicates the side of the base in the X direction for RCF, a describes the X semi-axis of the base for ECF, and b indicates the Y semi-axis of the base for ECF.
Disclaimer/Publisher’s Note: The statements, opinions and data contained in all publications are solely those of the individual author(s) and contributor(s) and not of MDPI and/or the editor(s). MDPI and/or the editor(s) disclaim responsibility for any injury to people or property resulting from any ideas, methods, instructions or products referred to in the content.

Share and Cite

MDPI and ACS Style

Santiago-Hurtado, G.; Luévanos-Rojas, A.; Moreno-Landeros, V.M.; Diaz-Gurrola, E.R.; Narayanasamy, R.; Cortés-Martínez, F.; López-León, L.D. Mathematical Development for the Minimum Cost of Elliptical Combined Footings. Buildings 2025, 15, 3633. https://doi.org/10.3390/buildings15193633

AMA Style

Santiago-Hurtado G, Luévanos-Rojas A, Moreno-Landeros VM, Diaz-Gurrola ER, Narayanasamy R, Cortés-Martínez F, López-León LD. Mathematical Development for the Minimum Cost of Elliptical Combined Footings. Buildings. 2025; 15(19):3633. https://doi.org/10.3390/buildings15193633

Chicago/Turabian Style

Santiago-Hurtado, Griselda, Arnulfo Luévanos-Rojas, Victor Manuel Moreno-Landeros, Eyran Roberto Diaz-Gurrola, Rajeswari Narayanasamy, Facundo Cortés-Martínez, and Luis Daimir López-León. 2025. "Mathematical Development for the Minimum Cost of Elliptical Combined Footings" Buildings 15, no. 19: 3633. https://doi.org/10.3390/buildings15193633

APA Style

Santiago-Hurtado, G., Luévanos-Rojas, A., Moreno-Landeros, V. M., Diaz-Gurrola, E. R., Narayanasamy, R., Cortés-Martínez, F., & López-León, L. D. (2025). Mathematical Development for the Minimum Cost of Elliptical Combined Footings. Buildings, 15(19), 3633. https://doi.org/10.3390/buildings15193633

Note that from the first issue of 2016, this journal uses article numbers instead of page numbers. See further details here.

Article Metrics

Back to TopTop