Next Article in Journal
Numerical Investigations of Snowdrift Characteristics on Roofs with Consideration of Snow Crystal Morphological Features
Next Article in Special Issue
Study on Mooring Design and Hydrodynamic Performance of Floating Offshore Wind Turbines with CFRP Mooring Lines
Previous Article in Journal
Improving Building Heat Load Forecasting Models with Automated Identification and Attribution of Day Types
Previous Article in Special Issue
Study on Mechanical Properties of Coarse-Fine Polypropylene Fiber Blended Concrete
 
 
Font Type:
Arial Georgia Verdana
Font Size:
Aa Aa Aa
Line Spacing:
Column Width:
Background:
Article

Structural and Chemical Stability of TiO2-Doped Basalt Fibers in Alkaline and Seawater Conditions

Chemistry Department, Lomonosov Moscow State University, Moscow 119991, Russia
*
Author to whom correspondence should be addressed.
Buildings 2025, 15(19), 3605; https://doi.org/10.3390/buildings15193605
Submission received: 24 August 2025 / Revised: 11 September 2025 / Accepted: 30 September 2025 / Published: 8 October 2025

Abstract

Alkali resistance is a critical factor for the long-term performance of glass fibers in cementitious composites. While zirconium oxide doping has proven effective in enhancing the durability of basalt fibers, its high cost and limited solubility motivate the search for viable alternatives. This study presents the first systematic investigation of titanium dioxide (TiO2) doping in basalt-based glasses across a wide compositional range (0–8 mol%). X-ray fluorescence and diffraction analyses confirm complete dissolution of TiO2 within the amorphous silicate network, with no phase segregation. At low concentrations (≤3 mol%), Ti4+ acts as a network modifier in octahedral coordination ([TiO6]), reducing melt viscosity and lowering processing temperatures. As TiO2 content increases, titanium in-corporates into tetrahedral sites ([TiO4]), competing with Fe3+ for network-forming positions and displacing it into octahedral coordination, as revealed by Mössbauer spectroscopy. This structural redistribution promotes phase separation and triggers the crystallization of pseudobrukite (Fe2TiO5) at elevated temperatures. The formation of a protective Ti(OH)4 surface layer upon alkali exposure enhances chemical resistance, with optimal performance observed at 4.6 mol% TiO2—reducing mass loss in NaOH and seawater by 13.3% and 25%, respectively, and improving residual tensile strength. However, higher TiO2 concentrations (≥5 mol%) lead to pseudobrukite crystallization and a narrowed fiber-forming temperature window, rendering continuous fiber drawing unfeasible. The results demonstrate that TiO2 is a promising, cost-effective dopant for basalt fibers, but its benefits are constrained by a critical solubility threshold and structural trade-offs between durability and processability.

1. Introduction

Alkali-resistant (AR) glass fiber has been specifically engineered to enhance the performance of cement-based composites in construction applications. This material plays a key role in glass fiber-reinforced concrete (GFRC) and textile-reinforced concrete (TRC), where its properties help improve durability and mechanical behavior [1]. In GFRC, short AR-glass fibers are commonly incorporated to mitigate early-age shrinkage cracking and enhance the fracture resistance of the otherwise brittle cement matrix [2]. Both TRC and GFRC are widely used in lightweight architectural elements and structural strengthening applications. A critical requirement for these materials is maintaining their high tensile strength and toughness over time, ensuring long-term performance in demanding environments [3].
There are several stages in the reaction process of the glass with alkaline solution. Initially OH- is adsorbed on the glass surface [4]. Then the following reactions occur:
S i O S i O S i   +   O H +   m H 2 O n S i O 2 m H 2 O + O H
S i O R   +   H 2 O S i O H   +   R + +   O H
n S i O 2 m H 2 O + 2 q N a O H q N a 2 O n S i O 2 p H 2 O + n H 2 O
The final phase, reaction products are desorbed from the glass. The limited availability of active adsorption sites causes the corrosion process to stabilize, after which the rate of glass destruction is determined exclusively by how quickly these products dissolve [5].
The primary strategies for improving fiber alkali resistance include:
  • Optimizing the glass composition [6,7,8];
  • Developing new protective coatings [9,10];
  • Employing additives in the cement or concrete mix [11].
Basalt fibers demonstrate superior alkali resistance compared to conventional E-glass fibers widely used in construction [12]. Our previous research has identified zirconium oxide doping as an effective method for enhancing the alkali stability of continuous basalt fibers [13].
We have thoroughly characterized the mechanism underlying this approach. When exposed to hydroxide ions, zirconium oxides form insoluble hydroxides (primarily Zr(OH)4) on the fiber surface. This protective layer significantly impedes alkaline penetration, thereby preserving the structural integrity of the fibers [7,14].
While zirconium oxide is particularly effective due to the exceptional chemical stability of Zr(OH)4 in alkaline environments, we have observed that its solubility in basalt glasses and fibers is inherently limited. To address this, we developed a novel method to increase zirconium incorporation. The resulting zirconium-enriched basalt fibers achieve performance characteristics comparable to commercial AR-glass fibers. The persistent zirconium hydroxide surface film—owing to its extremely low solubility in alkaline solutions—provides long-term protection by preventing solution infiltration and subsequent fiber degradation.
The exceptional durability of zirconium-enriched basalt fibers in alkaline environments stems from the extremely low solubility of zirconium hydroxide (Zr(OH)4), with a solubility product constant (Ksp)~10−52. This property allows the protective surface film to remain stable for extended periods, effectively blocking alkaline solution penetration and preventing fiber degradation. Comparative analysis of hydroxide solubility products reveals why basalt fibers inherently outperform conventional E-glass fibers: while Ca(OH)2 (Ksp~10−6), Mg(OH)2 (~10−10), and even Ti(OH)4 (~10−29) show progressively better stability, they cannot match the performance of Zr(OH)4. The natural alkali resistance of basalt fibers is further enhanced by their high iron oxide content, as evidenced by the remarkably low Ksp of Fe(OH)3 (~10−38). Interestingly, titanium oxide emerges as a potentially cost-effective alternative to expensive zirconium oxide for fiber doping, given the intermediate but still substantial insolubility of Ti(OH)4 in alkaline solutions. This solubility hierarchy explains both the superior performance of modified basalt fibers compared to E-glass and the potential for optimizing cost/performance ratios in fiber development.
This hypothesis finds experimental confirmation in practice studies [14,15], where the addition of 2 wt.% titanium oxide was shown to increase alkali resistance by 50%. However, a higher doping level of 4 wt.% resulted in less significant improvements, suggesting the existence of an optimal concentration range for titanium oxide additives.
The addition of TiO2 to silicate melts leads to a decrease in their heat capacity and enthalpy, as well as a decrease in the activation energy of viscous flow, which indicates a weakening of the melt network due to the formation of weaker Ti–O bonds compared to Si–O [16]. The studies demonstrate the potential of TiO2 as a functional filler not only for improving the mechanical and tribological properties of polymer matrices [14], but also as a possible candidate for modifying inorganic fibers, such as basalt, to expand their application in seawater [10].
The application of basalt fiber extends beyond conventional concrete reinforcement: it is successfully employed in self-compacting concretes blended with bagasse ash and metakaolin [17], in lightweight geopolymer composites based on pumice, and in environmentally conscious solutions where thermal performance and carbon footprint reduction are as critical as mechanical properties [18]. In all these applications, long-term alkali resistance remains a key factor determining composite durability and service life
In the present work, we conducted the first systematic investigation of titanium oxide doping effects in basalt fibers in wide range of composition. We produced a series of basalt glass samples with titanium oxide content varying up to 8 mol%, significantly expanding the concentration range studied in earlier research.

2. Materials and Methods

2.1. Glass Sample Preparation

The bulk glasses were prepared by adding reagent-grade TiO2 to milled basalt batches. Each batch of mixture placed in a platinum crucible was heated in a high-temperature furnace at a rate of 300 °C/h to 1200 °C and at 50 °C/h in a range of 1200–1550 °C and then held at 1550 °C for 20 h. The bulk glass was quenched from 1550 °C to 20 °C by rapidly pouring the melt into water.

2.2. Continuous Glass Fiber Preparation

Continuous fibers were produced using a laboratory-scale system [4]. The temperature of fiber manufacturing was measured with an accuracy of ±5 °C. The fiber diameter was controlled by varying the rotation rate of the reel. Lower temperature limit (Tll) was taken to be the temperature at which a continuous fiber with a diameter less than 20 μm was manufactured within 30 min. The upper temperature limit (Tul) was determined as the temperature at which the die field started to be flooded and drop formation ceased.

2.3. XRD Studies

X-ray diffraction (XRD) was performed at room temperature on a Thermo ARL X’TRA powder diffractometer (Thermo Scientific, Switzerland), CuKα1 radiation, λ = 1.54060 Å; CuK α2 radiation, λ = 1.54443 Å). XRD patterns were collected in an angular range 2θ = 10–60° at a scan step 2θ = 0.02° and a scan rate of 1° (2θ)/min. The phases were iden-tified using the Crystallographica Search-Match (CSM) software (Version 2.0.3.1) and the International Center for Diffraction Data (ICDD) database. Quantitative Rietveld analysis was not performed, as the primary goal was qualitative phase identification to establish crystallization trends correlating with loss of spinnability.

2.4. X-Ray Fluorescence Analysis

X-ray fluorescence analysis of the specimens was performed on a PAN Analytical Axios Advanced spectrometer (PANalytical B.V., Almelo, The Netherlands). Characteristic X-rays were excited using a 4 kW Rh-anode X-ray tube. The excited radiation was recorded by a wavelength-dispersive spectrometer (PANalytical B.V., Almelo, The Netherlands) with five exchangeable analyzer crystals (PE_002_C, PX_1, GEIII_C, LIF_200, LIF_220) and a detector (flow proportional and scintillation). Measurements were made in trans-mission geometry in vacuum.
The concentration of elements was expressed as mol percentage (mol%) of the corresponding oxides. The accuracy of XRF determinations of elements was controlled by analyses of standard samples OOKO 301 and OOKO 201 (State certified reference material 5358-90/5367-90) and was within 0.6% for SiO2, within 0.4% for Al2O3, within 0.2% for Fe2O3, within 0.3% for CaO, within 0.1% for MgO, within 0.1% for K2O, within 0.2% for Na2O, within 0.1% for TiO2, and within 0.3% for P2O5.

2.5. Mechanical Properties

The mechanical properties of the fibers were determined on a Hounsfield H100K-S universal tensile testing machine (Hounsfield Test Equipment Ltd., Redhill, UK). Specimens were mounted in paper support frames using epoxy. The gauge length was 10 mm, and the crosshead speed was 5 mm/min (ISO 5079 [19]). Fibers for mechanical testing were produced at the midpoint of each composition’s fiber-forming temperature range (ΔTff) to ensure consistent processing conditions. Statistical analysis included 50 independent measurements per composition, with narrow confidence intervals (95% CI < ±5% of mean strength) con-firming data robustness.

2.6. Optical Analysis

Optical analysis of the fibers and fiber diameter measurements were performed at magnifications of 200× to 1000× on an Olympus BX51TRF modular optical microscope (12V100WHAL lamp (Philips 7724) in transmission, and U-LH75XEAPO xenon lamp in reflection) equipped with an Olympus C-5060 camera (Olympus Optical Co., Tokyo, Japan). The linear dimensions of the fibers were determined by analyzing their images using Image Scope Color software (ver. 10.1).

2.7. SEM

A JEOL JSM-6390LA microscope was used for the scanning electron microscope (SEM) analysis (JEOL, Tokyo, Japan). The accelerating voltage was set to 20 kV. The morphology of the fibers was determined in secondary electron imaging (SEI) mode. Energy-dispersive X-ray (EDX) analysis was carried out on a JEOL EX-54175 JMH system. Before the examinations all the fibers were coated with a conducting carbon layer.

2.8. Mössbauer Spectra

Mössbauer spectra were collected using a 57Co single-line source embedded in Rh. Isomer shifts were referred to metallic α-Fe. All spectra were first collected on a large velocity scale between −10 and +10 mm s−1. Spectra showed no indication of magnetic interaction, were re-collected on a smaller velocity scale between −4 and +4 mm s−1 to improve resolution. Parameters of the Mössbauer spectra obtained at 298 K (σ—isomer shift, Δ—quadrupole splitting, Г—line width at half maximum). Fits were performed using Univem MS software with high statistical confidence (typical error margins: ±0.02 mm/s for σ, ±0.05 mm/s for Δ), sufficient to reliably distinguish coordination states.

2.9. Alkali and Seawater Resistance

The alkali and seawater resistance of basalt fibers was evaluated using a standardized corrosion protocol with controlled surface area exposure. Fiber samples with an average diameter of about 11 μm were used to ensure consistency in surface-to-volume ratio. To achieve a specific surface area of 5000 cm2 per test, the required fiber mass was calculated using the following formula:
m = ρ S d 40,000 ,
where:
  • m—mass of fibers (g);
  • S = 5000—specific surface area (cm2);
  • d—fiber diameter (μm);
  • ρ = 2.65 g/cm3.
The calculated mass of fibers was placed in a plastic flask, and 250 mL of 2 M NaOH solution was added to simulate highly alkaline cement environments. The mixture was refluxed for 3 h in a water bath using a condenser to prevent evaporation and maintain constant solution concentration. For seawater resistance testing, an artificial seawater solution was prepared according to the ASTM D1141-98 standard, with the following approximate composition (g/L): NaCl (24.0), MgCl2·6H2O (5.0), Na2SO4 (4.0), CaCl2 (1.2), KCl (0.7), NaHCO3 (0.2). The fiber samples were immersed in 250 mL of this solution and similarly refluxed for 3 h.
After exposure, the fibers were thoroughly rinsed multiple times with deionized water to remove residual salts and alkali, then dried in air until constant mass was achieved. The mass loss was calculated as:
Δ m = m H m K m H ,
  • mн—initial mass, g;
  • mк—mass after treatment, g;
  • Δm—mass loss, %.

3. Results

3.1. Glass Composition

The chemical compositions and specimen designation of fibers are presented in Table 1. Total iron content is restated as Fe2O3. The XRD patterns of all obtained fibers confirm their amorphous nature.

3.2. XRD

Samples of the glasses were heat-treated at different temperatures—700, 800, 900, and 1000 °C—for 24 h in air atmosphere. After thermal treatment, the samples were analyzed by X-ray diffraction (XRD) to investigate phase evolution and crystallization behavior. The results are presented in Figure 1, Figure 2 and Figure 3, that show the XRD patterns of the TiO2-doped basalt fibers across the temperature range studied.
For the natural basalt (Ti0) and low-TiO2 (Ti2) samples, the main crystalline phases identified after heat treatment were magnetite (M, Fe3O4), pyroxene-type silicates (Py), hematite (H, α-Fe2O3), and plagioclase feldspar (Pl). With increasing TiO2 content (Ti4, Ti6, and Ti8), new diffraction peaks emerge, which can be attributed to pseudobrukite (Ps, Fe2TiO5). This phase begins to form at 900 °C in the Ti4 sample and becomes more pronounced at 1000 °C in the Ti6 and Ti8 compositions. The appearance of pseudobrukite suggests that titanium is actively participating in the crystallization process, incorporating into the lattice in octahedral coordination as part of [TiO6] octahedra.

3.3. Alkali and Seawater Resistant

Table 2 presents the tensile strength, Young’s modulus, mass loss after exposure to artificial seawater and 2 M NaOH solution, and the residual tensile strength of basalt fibers with varying TiO2 content. Mass loss is given in both relative (%) and absolute (mg/cm2) terms. Residual strength is expressed as a percentage of the initial value.

3.4. Mössbauer Spectra

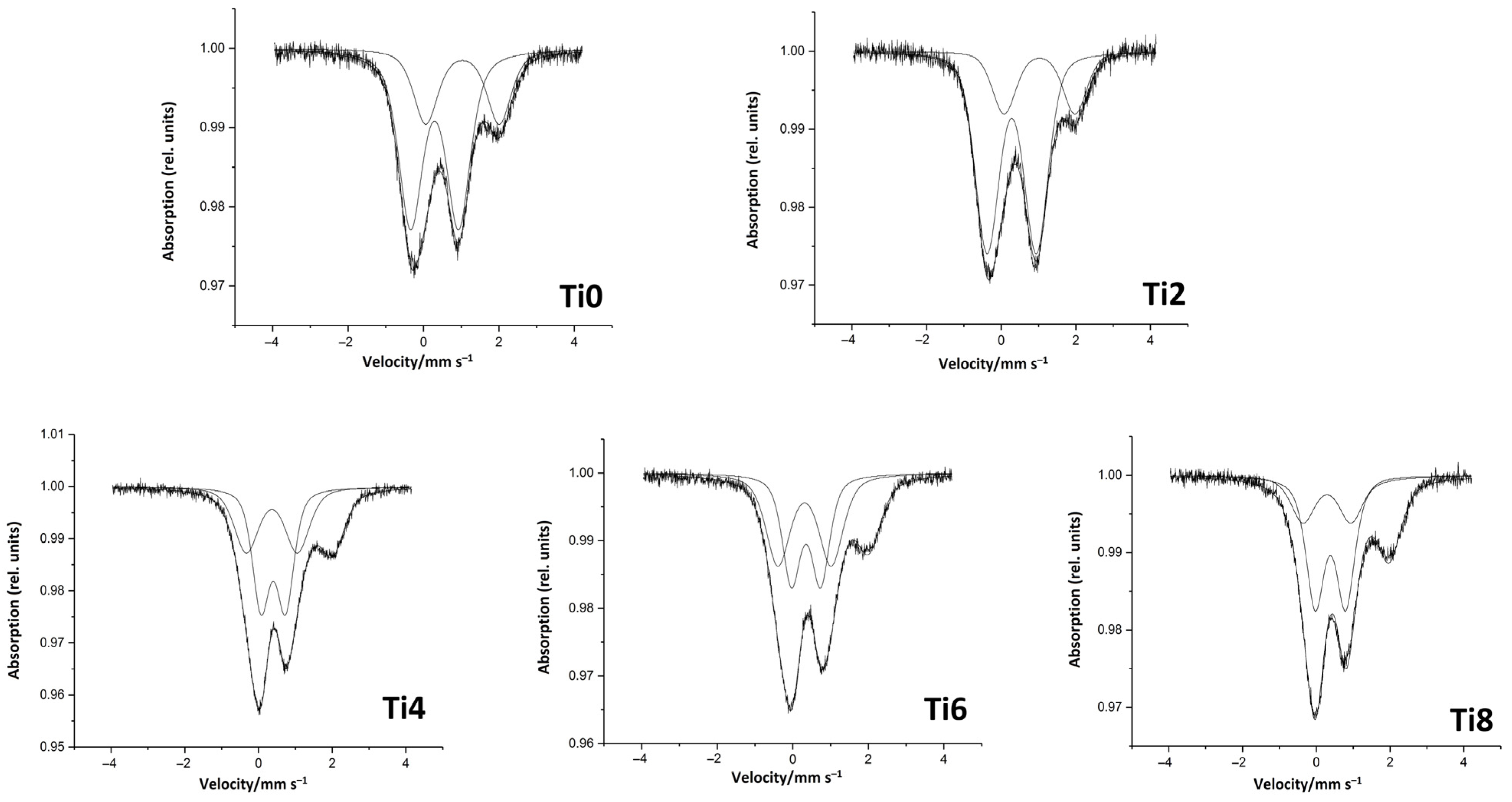
All glass samples synthesized in this study were characterized by Mössbauer spectroscopy. The resulting spectra are presented in Figure 4, revealing the iron oxidation states and local coordination environments within the glass network. The analysis provides crucial insights into the structural modifications induced by TiO2 doping across different temperature regimes.

4. Discussion

The incorporation of titanium dioxide (TiO2) into the composition of continuous basalt fibers represents a promising strategy for enhancing their chemical and alkali resistance. Basalt fibers inherently exhibit superior durability in alkaline environments compared to conventional E-glass fibers, primarily due to the high iron oxide content in natural basalt and the extremely low solubility of iron hydroxides—particularly Fe(OH)3 (Ksp~10−38) [12]. This natural resistance can be further improved through chemical modification of the glass network. As previously demonstrated in our studies, doping basalt glass with zirconium oxide (ZrO2) significantly enhances fiber stability in aggressive environments [7,13]. The protective mechanism involves the formation of an insoluble zirconium hydroxide layer (Zr(OH)4, Ksp~10−52) on the fiber surface upon exposure to alkali, which acts as a diffusion barrier, effectively preventing further penetration of hydroxide ions and subsequent glass degradation [15].
However, despite its excellent protective properties, zirconium oxide has notable practical limitations. It is a high-melting-point compound, requiring elevated processing temperatures, and is relatively expensive, which may hinder its widespread industrial application [20]. Moreover, its solubility in basalt melts is limited, restricting the achievable concentration and potentially leading to phase separation or crystallization during fiber production [21].
In this study, titanium oxide is explored as a cost-effective alternative to zirconium oxide. Although titanium hydroxide (Ti(OH)4, Ksp~10−29) is more soluble than its zirconium counterpart, it still exhibits very low solubility in alkaline media, making it a viable candidate for forming a protective surface layer. The hypothesis is that, similar to Zr4+, Ti4+ ions can integrate into the glass network and, upon alkali exposure, precipitate as insoluble hydroxides, thereby improving long-term chemical stability.
For the first time, this work systematically investigates TiO2 doping across a broad compositional range—from 2 to 8 mol%—in basalt-based glasses. X-ray fluorescence (XRF) analysis confirms that titanium oxide dissolves completely in the basalt melt within this concentration range. This is further supported by X-ray diffraction (XRD) data, which show no crystalline reflections attributable to free TiO2 phases (Figure 5) in the quenched glass samples, indicating full incorporation of Ti4+ into the amorphous silicate network. The absence of phase segregation suggests that titanium is not merely present as an inert filler but actively participates in the glass structure, likely in both network-forming and modifying roles depending on concentration and local coordination.
The feasibility of fiber drawing from the prepared glass compositions was evaluated by determining the fiber-forming temperature range (ΔTff), defined as the interval between the lower limit (Tll)—the minimum temperature at which a continuous fiber with diameter below 20 μm could be drawn—and the upper limit (Tul)—the temperature at which the spinneret begins to flood and fiber formation ceases. As shown in Figure 6, the fiber-forming window progressively narrows with increasing TiO2 content more than 2 mol %. In the undoped (Ti0) and low-doped (Ti2) samples, a sufficiently wide ΔTff allows stable fiber production. However, with further TiO2 addition—starting from approximately 4 mol% (Ti4)—the processing window becomes significantly reduced. For compositions with 6 mol% TiO2 (Ti6) and higher, the temperature interval is so narrow that continuous fiber drawing becomes practically unfeasible under standard conditions.
Moreover, the onset temperature for fiber formation (Tll) increases with TiO2 content, more than 2 mol % indicating a rise in the viscosity of the melt at high temperatures. This trend is contrary to earlier experimental findings [15], where titanium oxide was observed to act as a network modifier, typically associated with a reduction in melting temperature and enhanced glass melt fluidity in silicate systems. For instance, in a study on basalt melts, it was demonstrated that the addition of TiO2 leads to a significant decrease in viscosity due to the depolymerization of the silicate network, which can effectively lower the processing temperature and reduce production costs [22]. Within certain concentration limits, this effect is beneficial for fiber manufacturing, as reduced viscosity improves melt homogeneity and drawing stability.
The role of TiO2 is system-dependent. In simple silicate melts, Ti4+ predominantly remains in octahedral coordination and acts as a network modifier even at high concentrations. However, in complex multicomponent basalt glass—rich in Si, Al, and Fe—Ti4+ competes effectively for tetrahedral sites with Fe3+. Our Mössbauer data (Table 3) show a clear decrease in tetrahedral Fe3+ and increase in octahedral Fe3+ with rising TiO2 content, indicating Ti4+ incorporation into [TiO4] units at higher concentrations (>4 mol%). This aligns with studies on glass-ceramics where TiO2 acts as a nucleating agent due to its ability to form tetrahedral units [22], and explains both the improved alkali resistance and the narrowed fiber-forming window observed here. Specifically, when TiO2 content exceeds approximately 1 wt% (equivalent to 2.33 mol%), the melt viscosity above the crystallization temperature decreases below the optimal range of 10–30 Pa·s required for stable continuous fiber formation. This reduction in viscosity leads to excessive melt fluidity, resulting in frequent fiber breakage during drawing [21]. Our results extend these observations by systematically investigating higher TiO2 concentrations up to 8 mol%. We observe that the fiber-forming temperature window progressively narrows with increasing TiO2 content, starting from approximately 4.6 mol%, and becomes unfeasibly narrow at 5.8 mol% and above, leading to complete loss of spinnability. These findings are consistent with the literature, demonstrating that while low TiO2 levels act as network modifiers, enhancing melt fluidity, higher concentrations induce structural changes that compromise processability
Our data indicate that, in the basaltic system studied here, higher TiO2 loading promotes the incorporation of Ti4+ into tetrahedral network-forming positions, thereby enhancing polymerization and increasing melt rigidity—contrary to the depolymerizing effect observed at lower concentrations in other systems. This network-forming behavior is consistent results reported in other studies on continuous basalt fibers [14,22], where an increase in glass transition temperature with TiO2 addition was observed. Although the authors did not interpret this effect in terms of titanium coordination, we attribute this trend to the incorporation of Ti4+ ions into the glass network as network formers, which enhances structural rigidity. The combined evidence supports a dual role for TiO2: as a network modifier at low concentrations, reducing viscosity, and as a network former at higher concentrations, strengthening the glass structure at the expense of processability.
Both alkali resistance and seawater durability improve with increasing TiO2 content up to 4.6 mol% (Ti4 composition). The higher tensile strength observed at 2 mol% TiO2 (2345 MPa) compared to 4.6 mol% (2100 MPa) reflects titanium’s concentration-dependent structural role: at low concentrations (≤3 mol%), Ti4+ in octahedral coordination ([TiO6]) acts as a network modifier, improving melt homogeneity and reducing flaw density, thereby enhancing mechanical strength. At 4.6 mol%, increased incorporation into tetrahedral sites ([TiO4]) strengthens the network against chemical attack but may introduce subtle heterogeneities that slightly reduce intrinsic tensile strength. Compared to ZrO2-doped fibers [7,13], where solubility is limited to ~2–3 mol%, TiO2 offers higher amorphous solubility (up to 8 mol%) but exhibits a similar functional limit (~4–5 mol%) due to induced crystallization—aligning with literature optima around 2 wt.% (~4.7 mol%).
As shown in Table 1, the mass loss after exposure to NaOH solution decreases from 9.8% (Ti0) to 8.5% (Ti4), while the mass loss in seawater drops from 5.2% to 3.9%. Similarly, the residual tensile strength after seawater exposure increases from 76.6% (Ti0) to 84.4% (Ti4), and after NaOH treatment—from 34.3% to 43.7%. These results indicate that moderate TiO2 doping enhances the chemical stability of basalt fibers in aggressive environments (Table 2).
The mechanism of improved alkali resistance is believed to be analogous to that previously observed in zirconium-modified basalt fibers. In this scenario, Ti4+ ions are released from the glass network upon exposure to alkaline solutions and hydrolyze to form an insoluble titanium hydroxide (Ti(OH)4) layer on the fiber surface. This protective film acts as a diffusion barrier, limiting the penetration of OH ions and slowing down the degradation of the silicate network.
This hypothesis is supported by SEM micrographs (Figure 7), which reveal the presence of a dense, continuous surface layer on TiO2-doped fibers after alkali treatment. The morphology of this layer is consistent with the formation of a passivating hydroxide-rich film, similar to the Zr(OH)4 layers reported in our earlier studies. A similar protective mechanism and results were shown previously [14].
Thus, while TiO2 doping up to 4 mol% effectively improves both chemical resistance and residual mechanical properties, higher concentrations are not feasible due to processing limitations. This optimal range represents a favorable balance between enhanced functional performance and technological viability in fiber manufacturing.
To elucidate the structural origin of the observed changes in fiber performance, the synthesized glasses were systematically investigated using Mössbauer spectroscopy and X-ray diffraction (XRD) after heat treatment at 700, 800, 900, and 1000 °C for 24 h in air. These analyses provide critical insights into the coordination environment of iron, the role of Ti4+ in the glass network, and the crystallization behavior, all of which govern the functional and technological properties of the fibers.
Mössbauer spectra of all TiO2-modified glass samples exhibit a superposition of contributions from Fe2+ and Fe3+ cations, consistent with the redox equilibrium established during high-temperature melting in air. The isomer shift (σ) and quadrupole splitting (Δ) values, along with the relative spectral areas, allow for the identification of the local oxygen coordination of iron species (Table 3). In the undoped (Ti0) and low-TiO2 (Ti2) samples, the spectra are well-fitted by two doublets: a Fe3+ component with σ ≈ 0.28–0.29 mm/s and Δ ≈ 1.27–1.32 mm/s, characteristic of tetrahedrally coordinated Fe3+ (Fe3+tet), and a Fe2+ component with σ ≈ 1.03 mm/s and Δ ≈ 1.90–1.95 mm/s, assigned to octahedrally coordinated Fe2+ (Fe2+okt). The Fe3+tet/Fe2okt area ratio is approximately 2:1, which aligns well with literature data for natural basaltic glasses [23], where Fe2+ content typically does not exceed 30 wt.% of total iron after redox equilibration [24].
A significant structural transition is observed starting at 4 mol% TiO2 (Ti4). The Mössbauer spectrum of the Ti4 sample reveals the emergence of a third doublet with σ = 0.40 mm/s and Δ = 0.66 mm/s—characteristic of octahedrally coordinated Fe3+ (Fe3+okt). This component becomes more prominent in the Ti6 and Ti8 samples, where the relative area of Fe3+okt increases while the Fe3+tet fraction decreases. This shift indicates a progressive change in the local environment of iron ions, driven by the increasing TiO2 content.
The decrease in Fe3+tet content suggests that tetrahedral sites are being occupied by another high-field-strength cation—most likely Ti4+—which competes effectively for these network-forming positions at higher concentrations. This interpretation aligns with the observed evolution of melt properties. At low TiO2 concentrations (≤2–3 mol%), the deacresing fiber forming temperature (Figure 6) indicate a network-modifying role of Ti4+, likely in octahedral coordination ([TiO6]), leading to depolymerization and reduced viscosity. However, as the TiO2 content increases beyond ~4 mol%, the Fe3+tet fraction decreases, and the onset of pseudobrukite crystallization suggests that Ti4+ begins to incorporate into tetrahedral sites ([TiO4]), strengthening the network and promoting phase separation. Thus, the dual role of titanium is concentration-dependent: at low levels (≤3 mol%), it acts primarily as a network modifier in octahedral coordination ([TiO6]), reducing viscosity; at higher concentrations (≥4 mol%), it increasingly occupies tetrahedral sites ([TiO4]), displacing Fe3+ into octahedral positions and reinforcing the glass network. This conclusion is supported by convergent evidence: (1) Mössbauer data showing Fe3+tet → Fe3+okt redistribution, (2) XRD detection of pseudobrukite (requiring octahedral Ti4+/Fe3+) upon heat treatment, and (3) non-monotonic change in fiber-forming temperature. Direct confirmation via 47Ti NMR is planned for future work. This transition explains both the initial improvement in chemical resistance and the subsequent deterioration in spinnability.
The phase transformation processes in basaltic amorphous systems are well-established in the literature. In natural basalt glasses, crystallization typically initiates with the spontaneous formation of magnetite (Fe3O4), which is promoted by initial liquid–liquid phase separation [25]. These magnetite nanocrystals act as heterogeneous nucleation sites for the subsequent precipitation of pyroxene-type silicate phases. The overall crystallization kinetics in bulk basalt glasses have been widely interpreted as a three-dimensional, diffusion-controlled growth of pyroxene-like phases on a fixed number of nuclei. At higher temperatures, further crystallization leads to the formation of plagioclase phase [26].
In the present study, this classical crystallization pathway is clearly observed for the undoped (Ti0) and low-TiO2 (Ti2) samples. XRD patterns after heat treatment reveal the sequential appearance of magnetite, pyroxene, hematite, and plagioclase phases between 700 and 1000 °C, confirming that the base basalt system follows the expected thermodynamic evolution. However, a significant deviation occurs with increasing TiO2 content. For compositions Ti4, Ti6, and Ti8, a new crystalline phase—pseudobrukite (Fe2TiO5)—emerges upon heat treatment. This phase is first detected at 900 °C in the Ti4 sample and becomes increasingly dominant at 1000 °C in Ti6 and Ti8, indicating a strong concentration-dependent crystallization tendency (Figure 8).
Studies of the CaO–SiO2–TiO2 system with the addition of 10 wt.% Al2O3 showed that at 1300–1400 °C, solid phases of perovskite (CaO TiO2), rutile (TiO2), wollastonite and sphene (CaO SiO2 TiO2) exist in equilibrium with the liquid phase, indicating the complex participation of TiO2 in crystallization processes [27]. In glass-ceramic systems with zero coefficient of thermal expansion, titanium plays a key role as a crystallization initiator, while its coordination state (4, 5, 6) directly affects the crystal nucleation mechanism and the stability of the amorphous network [28]. Pseudobrukite, like other TiO2 polymorphs (rutile, anatase, brukite), is built upon [TiO6] octahedra. The formation of Fe2TiO5 requires the availability of Ti4+ in octahedral coordination, either residual from the glass structure or formed during heat treatment, as well as local enrichment of Fe3+ in octahedral sites—consistent with the Mössbauer-observed increase in Fe3+okt. This structural distortion arises from the partial substitution of Ti4+ by Fe3+ ions, which occupy irregular lattice positions due to differences in ionic radius and charge. The formation of Fe2TiO5 demonstrates that titanium is not merely a passive network constituent but actively participates in phase separation and crystallization, particularly when its concentration exceeds the network’s capacity for homogeneous dispersion.
The emergence of pseudobrukite at relatively low temperatures (≥900 °C) has critical implications for fiber manufacturing. Although quantitative phase analysis (e.g., Rietveld refinement) was not performed, the strong correlation is evident: pseudobrukite is first detected at 900 °C in Ti4 (where ΔTff begins to narrow significantly) and becomes dominant at 1000 °C in Ti6/Ti8 (where fiber drawing becomes impossible). Since fiber drawing occurs at 1380–1550 °C—well above these crystallization temperatures—pseudobrukite nucleation in the melt at the spinneret inevitably increases viscosity and causes die clogging, directly linking crystallization to loss of spinnability. Since continuous fiber drawing occurs at temperatures between 1380 °C and 1550 °C, any tendency toward early crystallization significantly increases the risk of nucleation and growth of solid phases in the molten glass at the spinneret. This leads to increased melt viscosity, die clogging, and surface defects—ultimately resulting in fiber breakage. This explains the dramatic narrowing of the fiber-forming temperature window (ΔTff) with increasing TiO2 content and the complete inability to produce continuous fibers at Ti6 and Ti8.
Based on the combined Mössbauer and XRD results, we conclude that the structural role of Ti4+ evolves with concentration. At low levels (≤3 mol%), Ti4+ predominantly occupies octahedral sites ([TiO6]), acting as a network modifier that reduces melt viscosity and lowers processing temperatures. At higher concentrations (≥4 mol%), increasing incorporation of Ti4+ into tetrahedral coordination ([TiO4]) strengthens the network and displaces Fe3+ from tetrahedral to octahedral sites. This redistribution promotes local clustering and provides the structural prerequisites for pseudobrukite nucleation, ultimately compromising spinnability. While direct spectroscopic probes of Ti coordination (e.g., Raman, XPS, NMR) were not employed in this study, future work will include 47Ti NMR analysis to directly confirm the tetrahedral/octahedral site occupancy of Ti4+.
To overcome this limitation, we propose two potential strategies. First, following our earlier work with zirconium, titanium could be introduced in the form of a pre-formed silicate (e.g., titanosilicate) to enhance its compatibility with the basalt network and promote tetrahedral coordination. Second, the addition of fluxing agents (e.g., B2O3, F, or alkali borates) may lower the melting and processing temperatures, thereby suppressing premature crystallization and improving melt homogeneity. The latter approach is particularly promising from a technological standpoint, as it directly addresses the processing challenges identified in this study.
While a full cost–benefit analysis is beyond the scope of this study, the economic advantage of TiO2 is clear: it is 5–10 times cheaper than ZrO2. Although 4.6 mol% TiO2-doped fibers show slightly lower alkali resistance than ZrO2-modified ones—due to the higher solubility of Ti(OH)4 (Ksp~10−29) versus Zr(OH)4 (Ksp~10−52)—the cost difference makes TiO2 doping highly attractive for applications requiring sufficient, not maximum, durability. This is especially relevant in large-scale construction, where material cost dominates decision-making. At scale, the advantage grows: lower raw material cost, compatibility with existing basalt fiber production, and no need for complex processing additives make TiO2 a practical, cost-effective alternative.
These considerations are the subject of our ongoing research. The goal is to extend the solubility limit of Ti4+ in the basalt matrix while maintaining a stable amorphous structure, thereby decoupling functional enhancement from processability constraints.

5. Conclusions

This study demonstrates that titanium dioxide (TiO2) is a viable and cost-effective alternative to zirconium oxide for enhancing the alkali and seawater resistance of basalt fibers. Systematic doping with TiO2 up to 8 mol% results in complete incorporation of Ti4+ into the amorphous basalt glass network, as confirmed by XRF and XRD analyses. The improved chemical durability—particularly at 4.6 mol% TiO2—is attributed to the formation of an insoluble Ti(OH)4 surface layer that acts as a diffusion barrier against aggressive alkaline environments. This leads to a notable reduction in mass loss and a significant increase in residual tensile strength after exposure to NaOH and seawater.
However, higher TiO2 concentrations (≥5.8 mol%) induce structural changes that compromise fiber production. At low concentrations (≤3 mol%), Ti4+ primarily acts as a network modifier in octahedral coordination ([TiO6]), reducing melt viscosity and lowering processing temperatures. As the TiO2 content increases, titanium increasingly incorporates into tetrahedral sites ([TiO4]), competing with Fe3+ for network-forming positions and displacing it into octahedral coordination. This structural redistribution promotes phase separation and triggers the crystallization of pseudobrukite (Fe2TiO5) at elevated temperatures, as confirmed by Mössbauer and XRD data. The early onset of crystallization narrows the fiber-forming temperature window and ultimately prevents stable fiber drawing.
Thus, while TiO2 doping up to ~4–5 mol% offers an optimal balance between enhanced durability and processability, exceeding this threshold introduces significant technological challenges due to the saturation of the glass network and loss of amorphous stability. The narrowing of the fiber-forming temperature window (ΔTff) beyond 4 mol% TiO2 presents a significant industrial constraint, increasing sensitivity to temperature fluctuations and reducing production yield. To mitigate this, two strategies are proposed: (1) introducing titanium as a pre-reacted titanosilicate to promote homogeneous tetrahedral incorporation, and (2) adding fluxing agents (e.g., B2O3, F) to lower melt viscosity and suppress pseudobrukite crystallization. While 4.6 mol% TiO2-doped fibers do not match the absolute alkali resistance of commercial ZrO2-containing AR-glass (due to Ksp(Ti(OH)4)~10−29 vs. Ksp(Zr(OH)4)~10−52), the 5–10× lower cost of TiO2 makes them a cost-effective, mid-performance alternative for applications where sufficient durability—not maximum—is required, particularly in large-scale construction. These findings provide a foundation for the rational design of high-performance, economically viable basalt fibers for durable construction materials.

Author Contributions

S.I.G.: methodology, formal analysis, investigation, writing—original draft preparation; T.A.T.: analysis, figures; S.S.P.: synthesis, analytic; B.I.L.: review, conceptualization. All authors have read and agreed to the published version of the manuscript.

Funding

This work has been supported by the grants the Russian Science Foundation, RSF 24-29-00279.

Data Availability Statement

Data available upon request.

Conflicts of Interest

The authors declare no conflicts of interest.

References

  1. Huang, Z.; Chen, W.; Tran, T.T.; Pham, T.M.; Hao, H.; Chen, Z.; Elchalakani, M. Experimental and Numerical Study on Concrete Beams Reinforced with Basalt FRP Bars under Static and Impact Loads. Compos. Struct. 2021, 263, 113648. [Google Scholar] [CrossRef]
  2. Kiran Prabha, M.; Vishnu Vardhan, K.; Santhi, A.S.; Mohan Ganesh, G. Advancements in Self-Compacting Concrete Reinforced with Basalt Fiber: A Comprehensive Review. Eng. Rep. 2025, 7, e70147. [Google Scholar] [CrossRef]
  3. Scheinherrová, L.; Keppert, M.; Černý, R. Chemical Aspects of the Application of Basalt in Cement Composites. Constr. Build. Mater. 2022, 350, 128873. [Google Scholar] [CrossRef]
  4. Cui, S.; Xu, X.; Yan, X.; Chen, Z.; Hu, C.; Liu, Z. Experimental Study on the Interfacial Bond between Short Cut Basalt Fiber Bundles and Cement Matrix. Constr. Build. Mater. 2020, 256, 119353. [Google Scholar] [CrossRef]
  5. Gutnikov, S.I.; Lazoryak, B.I. Effect of Nozzle Diameter on Basalt Continuous Fiber Properties. Fibers 2019, 7, 65. [Google Scholar] [CrossRef]
  6. Liu, C.; Tong, X.; Liu, Z.; Guo, L.; Yang, C.; Li, H.; Jiang, L. Preparation of Continuous Silicate Fiber from Pyroxene and K-Feldspar Mixture. J. Non-Cryst. Solids 2022, 575, 121173. [Google Scholar] [CrossRef]
  7. Lipatov, Y.V.; Gutnikov, S.I.; Manylov, M.S.; Lazoryak, B.I. Effect of ZrO2 on the Alkali Resistance and Mechanical Properties of Basalt Fibers. Inorg. Mater. 2012, 48, 751–756. [Google Scholar] [CrossRef]
  8. Wang, Q.; Zhang, Q.; Luo, L.; Yan, T.; Liu, J.; Ding, L.; Jiang, W. Effects of High-Temperature Treatment and Iron Reduction Index on Tensile Strength of Basalt Continuous Fiber. J. Non-Cryst. Solids 2021, 564, 120836. [Google Scholar] [CrossRef]
  9. Cieślak, M.; Celichowski, G.; Giesz, P.; Nejman, A.; Puchowicz, D.; Grobelny, J. Formation of Nanostructured TiO2-Anatase Films on the Basalt Fiber Surface. Surf. Coat. Technol. 2015, 276, 686–695. [Google Scholar] [CrossRef]
  10. Ghani, S.N.; Alithari, A.S.; Hasan, H.S. Effect of Titanium Dioxide (Tio2) Nanoparticles on the Wear Rate of Marine Journal Bearings Made of Composite Materials. Results Eng. 2025, 27, 105949. [Google Scholar] [CrossRef]
  11. Hu, Z.; Wang, Q.; Lv, H.; Li, K.; Zhang, J.; Ma, Y. Improved Mechanical and Macro-Microscopic Characteristics of Shotcrete by Incorporating Hybrid Alkali-Resistant Glass Fibers. Constr. Build. Mater. 2023, 403, 133131. [Google Scholar] [CrossRef]
  12. Liu, J.; Chen, M.; Yang, J.; Wu, Z. Study on Mechanical Properties of Basalt Fibers Superior to E-Glass Fibers. J. Nat. Fibers 2022, 19, 882–894. [Google Scholar] [CrossRef]
  13. Lipatov, Y.V.; Gutnikov, S.I.; Manylov, M.S.; Zhukovskaya, E.S.; Lazoryak, B.I. High Alkali-Resistant Basalt Fiber for Reinforcing Concrete. Mater. Des. 2015, 73, 60–66. [Google Scholar] [CrossRef]
  14. Dou, H.; Bai, J.; Lu, H.; Zhang, T.; Kong, L.; Bai, Z.; Li, W. Effect of TiO2 on Preparation Condition, Mechanical Properties and Alkali Resistance of Continuous Basalt Fibers. Cem. Concr. Compos. 2023, 136, 104861. [Google Scholar] [CrossRef]
  15. Zeng, L.; Geng, Y.; Li, T.; Zhang, H.; Zhang, R.; Yuan, Z.; Liu, C.; Yang, C.; Li, H.; Li, Y. Effect of ZrO2-TiO2 Co-Doping on the Structure, Alkali Resistance and Mechanical Properties of Basalt Fibers. Constr. Build. Mater. 2024, 438, 137312. [Google Scholar] [CrossRef]
  16. Fang, J.; Pang, Z.; Xing, X.; Xu, R. Thermodynamic Properties, Viscosity, and Structure of CaO–SiO2–MgO–Al2O3–TiO2–Based Slag. Materials 2020, 14, 124. [Google Scholar] [CrossRef]
  17. Bayraktar, O.Y.; Jamal, A.S.; Öz, A.; Shi, J.; Bodur, B.; Kaplan, G. Effects of Metakaolin and Waste Tire Aggregate on the Properties of Pumice-Based Lightweight Geopolymer. Adv. Cem. Res. 2025, 1–16. [Google Scholar] [CrossRef]
  18. Mabrouk, A.; Raza, A.; Elhadi, K.M.; Ahmed, B.; Kubica, J.; Chen, W. Effect of Curing Temperature, Silica Fume, and Waste Tire Rubber Aggregate on Material Characterization of Lightweight Geopolymer Composite. Constr. Build. Mater. 2024, 453, 139063. [Google Scholar] [CrossRef]
  19. ISO 5079:2020; Textile Fibres—Determination of Breaking Force and Elongation at Break of Individual Fibres. ISO: Geneva, Switzerland, 2020.
  20. Wei, C.; Zhou, Q.; Deng, K.; Lin, Y.; Wang, L.; Luo, Y.; Zhang, Y.; Zhou, H. Alkali Resistance Prediction and Degradation Mechanism of Basalt Fiber: Integrated with Artificial Neural Network Machine Learning Model. J. Build. Eng. 2024, 86, 108850. [Google Scholar] [CrossRef]
  21. Yue, Y.; Zheng, Q. Fiber Spinnability of Glass Melts. Int. J. Appl. Glass Sci. 2017, 8, 37–47. [Google Scholar] [CrossRef]
  22. Yang, D.; Zhou, H.; Wang, J.; Pang, Z.; Pei, G.; Yan, Z.; Mao, H.; Qiu, G.; Lv, X. Influence of TiO2 on Viscosity, Phase Composition and Structure of Chromium-Containing High-Titanium Blast Furnace Slag. J. Mater. Res. Technol. 2021, 12, 1615–1622. [Google Scholar] [CrossRef]
  23. Smedskjaer, M.M.; Solvang, M.; Yue, Y. Crystallisation Behaviour and High-Temperature Stability of Stone Wool Fibres. J. Eur. Ceram. Soc. 2010, 30, 1287–1295. [Google Scholar] [CrossRef]
  24. Manylov, M.S.; Gutnikov, S.I.; Pokholok, K.V.; Lazoryak, B.I.; Lipatov, Y.V. Crystallization Mechanism of Basalt Glass Fibers in Air. Mendeleev Commun. 2013, 23, 361–363. [Google Scholar] [CrossRef]
  25. Shi, K.; Xu, G.; Wu, D.; Li, Z.; Wang, H.; Liu, H.; Li, J.; Liang, J. The Impact of Redox Atmosphere on the High-Temperature Melting Behavior of Basalt Materials. Minerals 2025, 15, 596. [Google Scholar] [CrossRef]
  26. Gutnikov, S.I.; Malakho, A.P.; Lazoryak, B.I.; Loginov, V.S. Influence of Alumina on the Properties of Continuous Basalt Fibers. Russ. J. Inorg. Chem. 2009, 54, 191–196. [Google Scholar] [CrossRef]
  27. Chen, M.; Shi, J.; Taskinen, P.; Jokilaakso, A. Experimental Determination of the 1300 °C and 1400 °C Isotherms for CaO–SiO2–TiO2-10 Wt% Al2O3 System in Air. Ceram. Int. 2020, 46, 9183–9191. [Google Scholar] [CrossRef]
  28. Kleebusch, E.; Patzig, C.; Krause, M.; Hu, Y.; Höche, T.; Rüssel, C. The Titanium Coordination State and Its Temporal Evolution in Li2O–Al2O3–SiO2 (LAS) Glasses with ZrO2 and TiO2 as Nucleation Agents—A XANES Investigation. Ceram. Int. 2020, 46, 3498–3501. [Google Scholar] [CrossRef]
Figure 1. XRD patterns of (a) natural basalt continuous fiber (BCF) and (b) TiO2-doped BCF (2.7 mol%) after 24 h heat treatment in air at 700, 800, 900 and 1000 °C The peaks were assigned to (H) hematite ([Fe3O4] [ICDD no. 87-1164]), (Py) pyroxene (augite [Ca(Fe,Mg)Si2O6] [ICDD no. 24-201]), (Pl) plagioclase (anorthite (CaAl2Si2O8) [ICDD no. 2-523]) and (M) magnetite ([Fe3O4] [ICDD no. 89-688]).
Figure 1. XRD patterns of (a) natural basalt continuous fiber (BCF) and (b) TiO2-doped BCF (2.7 mol%) after 24 h heat treatment in air at 700, 800, 900 and 1000 °C The peaks were assigned to (H) hematite ([Fe3O4] [ICDD no. 87-1164]), (Py) pyroxene (augite [Ca(Fe,Mg)Si2O6] [ICDD no. 24-201]), (Pl) plagioclase (anorthite (CaAl2Si2O8) [ICDD no. 2-523]) and (M) magnetite ([Fe3O4] [ICDD no. 89-688]).
Buildings 15 03605 g001
Figure 2. XRD patterns of (a) TiO2-doped BCF (4.6 mol%) and (b) TiO2-doped BCF (5.8 mol%) after 24 h heat treatment in air at 700, 800, 900 and 1000 °C. The peaks were assigned to (Ps) pseudobrukite (Fe2TiO5, [ICDD no. 73-1631]), (Py) pyroxene (augite [Ca(Fe,Mg)Si2O6] [ICDD no. 24-201]), (Pl) plagioclase (anorthite (CaAl2Si2O8) [ICDD no. 2-523]) and (M) magnetite ([Fe3O4] [ICDD no. 89-688]).
Figure 2. XRD patterns of (a) TiO2-doped BCF (4.6 mol%) and (b) TiO2-doped BCF (5.8 mol%) after 24 h heat treatment in air at 700, 800, 900 and 1000 °C. The peaks were assigned to (Ps) pseudobrukite (Fe2TiO5, [ICDD no. 73-1631]), (Py) pyroxene (augite [Ca(Fe,Mg)Si2O6] [ICDD no. 24-201]), (Pl) plagioclase (anorthite (CaAl2Si2O8) [ICDD no. 2-523]) and (M) magnetite ([Fe3O4] [ICDD no. 89-688]).
Buildings 15 03605 g002
Figure 3. XRD patterns of TiO2-doped BCF (7.8 mol%) after 24 h heat treatment in air at 700, 800, 900 and 1000 °C The peaks were assigned to (Ps) pseudobrukite (Fe2TiO5, [ICDD no. 73-1631]), (Py) pyroxene (augite [Ca(Fe,Mg)Si2O6] [ICDD no. 24-201]), (Pl) plagioclase (anorthite (CaAl2Si2O8) [ICDD no. 2-523]) and (M) magnetite ([Fe3O4] [ICDD no. 89-688]).
Figure 3. XRD patterns of TiO2-doped BCF (7.8 mol%) after 24 h heat treatment in air at 700, 800, 900 and 1000 °C The peaks were assigned to (Ps) pseudobrukite (Fe2TiO5, [ICDD no. 73-1631]), (Py) pyroxene (augite [Ca(Fe,Mg)Si2O6] [ICDD no. 24-201]), (Pl) plagioclase (anorthite (CaAl2Si2O8) [ICDD no. 2-523]) and (M) magnetite ([Fe3O4] [ICDD no. 89-688]).
Buildings 15 03605 g003
Figure 4. Mössbauer spectra of undoped basalt continuous fiber (BCF) and TiO2-doped BCF after heat treatment at different temperatures.
Figure 4. Mössbauer spectra of undoped basalt continuous fiber (BCF) and TiO2-doped BCF after heat treatment at different temperatures.
Buildings 15 03605 g004
Figure 5. XRD patterns of TiO2-doped basalt glasses.
Figure 5. XRD patterns of TiO2-doped basalt glasses.
Buildings 15 03605 g005
Figure 6. TiO2-doped basalt fiber spinnability.
Figure 6. TiO2-doped basalt fiber spinnability.
Buildings 15 03605 g006
Figure 7. SEM images TiO2-doped BCF (2.7 mol%) (a) before alkali treatment and (b) after alkali treatment.
Figure 7. SEM images TiO2-doped BCF (2.7 mol%) (a) before alkali treatment and (b) after alkali treatment.
Buildings 15 03605 g007
Figure 8. XRD patterns of TiO2-doped BCF after 24 h heat treatment in air at 1000 °C.
Figure 8. XRD patterns of TiO2-doped BCF after 24 h heat treatment in air at 1000 °C.
Buildings 15 03605 g008
Table 1. Glass samples chemical composition (in mol%).
Table 1. Glass samples chemical composition (in mol%).
SampleSiO2Al2O3TiO2FeO + Fe2O3FeOFe2O3
okt
Fe2O3
tet
CaOMgONa2OK2O
Ti061.19.90.95.90.300.000.7010.77.42.91.1
Ti260.79.62.75.80.240.000.7610.16.82.91.2
Ti460.19.94.65.70.280.410.319.85.92.91.2
Ti660.510.15.85.30.290.340.379.25.12.91.1
Ti859.510.17.85.40.340.450.218.94.62.71.1
Table 2. Mechanical properties and chemical resistance of TiO2-doped basalt fibers. Tensile strength values are mean ± SD (n = 50); coefficient of variation (CV) < 4.5% for all compositions. Mass loss values are mean ± SD (n = 3). Differences in mass loss between Ti0, Ti2, and Ti4 are statistically significant (p < 0.01, two-tailed Student’s t-test).
Table 2. Mechanical properties and chemical resistance of TiO2-doped basalt fibers. Tensile strength values are mean ± SD (n = 50); coefficient of variation (CV) < 4.5% for all compositions. Mass loss values are mean ± SD (n = 3). Differences in mass loss between Ti0, Ti2, and Ti4 are statistically significant (p < 0.01, two-tailed Student’s t-test).
SampleTensile StrengthModulusMass Loss After
Sea Water
Treatment
Mass Loss After
NaOH
Treatment
Tensile Strength
After Sea Water
Treatment
Tensile Strength
After NaOH
Treatment
UnitMPaGPa%mg/cm2%mg/cm2MPaResidual %MPaResidual %
Ti01915 ± 4164 ± 15.2 ± 0.10.0359.8 ± 0.20.0661466 ± 3176.6656 ± 5534.3%
Ti22345 ± 7568 ± 14.1 ± 0.10.0279.0 ± 0.20.0601898 ± 7380.9884 ± 3837.7%
Ti42100 ± 6667 ± 13.9 ± 0.10.0268.5 ± 0.10.0571772 ± 5184.4918 ± 5143.7%
Table 3. Parameters of the Mössbauer spectra obtained at 298 K (σ—isomer shift, Δ—quadrupole splitting, Г—line width at half maximum).
Table 3. Parameters of the Mössbauer spectra obtained at 298 K (σ—isomer shift, Δ—quadrupole splitting, Г—line width at half maximum).
SampleComponentsσΔГAreaFe Coordination
Units mm/s−1mm/smm/s%
Ti0Fe3+ (doublet)0.291.270.7669.8tet
Fe2+ (doublet)1.031.950.7730.2okt
Ti2Fe3+ (doublet)0.281.320.7676.4tet
Fe2+ (doublet)1.031.900.7523.6okt
Ti4Fe3+ (doublet)0.361.390.7969.9tet
Fe3+ (doublet)0.400.660.5630.1okt
Fe2+ (doublet)0.962.070.7830.8okt
Ti6Fe3+ (doublet)0.311.410.7640.8tet
Fe3+ (doublet)0.350.770.5828.4okt
Fe2+ (doublet)1.021.970.7837.3okt
Ti8Fe3+ (doublet)0.291.300.7834.1tet
Fe3+ (doublet)0.380.820.6028.6okt
Fe2+ (doublet)0.981.990.7820.8okt
Disclaimer/Publisher’s Note: The statements, opinions and data contained in all publications are solely those of the individual author(s) and contributor(s) and not of MDPI and/or the editor(s). MDPI and/or the editor(s) disclaim responsibility for any injury to people or property resulting from any ideas, methods, instructions or products referred to in the content.

Share and Cite

MDPI and ACS Style

Gutnikov, S.I.; Popov, S.S.; Terentev, T.A.; Lazoryak, B.I. Structural and Chemical Stability of TiO2-Doped Basalt Fibers in Alkaline and Seawater Conditions. Buildings 2025, 15, 3605. https://doi.org/10.3390/buildings15193605

AMA Style

Gutnikov SI, Popov SS, Terentev TA, Lazoryak BI. Structural and Chemical Stability of TiO2-Doped Basalt Fibers in Alkaline and Seawater Conditions. Buildings. 2025; 15(19):3605. https://doi.org/10.3390/buildings15193605

Chicago/Turabian Style

Gutnikov, Sergey I., Sergey S. Popov, Timur A. Terentev, and Bogdan I. Lazoryak. 2025. "Structural and Chemical Stability of TiO2-Doped Basalt Fibers in Alkaline and Seawater Conditions" Buildings 15, no. 19: 3605. https://doi.org/10.3390/buildings15193605

APA Style

Gutnikov, S. I., Popov, S. S., Terentev, T. A., & Lazoryak, B. I. (2025). Structural and Chemical Stability of TiO2-Doped Basalt Fibers in Alkaline and Seawater Conditions. Buildings, 15(19), 3605. https://doi.org/10.3390/buildings15193605

Note that from the first issue of 2016, this journal uses article numbers instead of page numbers. See further details here.

Article Metrics

Back to TopTop