Numerical Simulation of Cluster-Connected Shear Wall Structures under Seismic Loading
Abstract
1. Introduction
2. Tests Settings
2.1. Design of Tests
2.2. Preparation of the Specimens
2.3. Material Properties
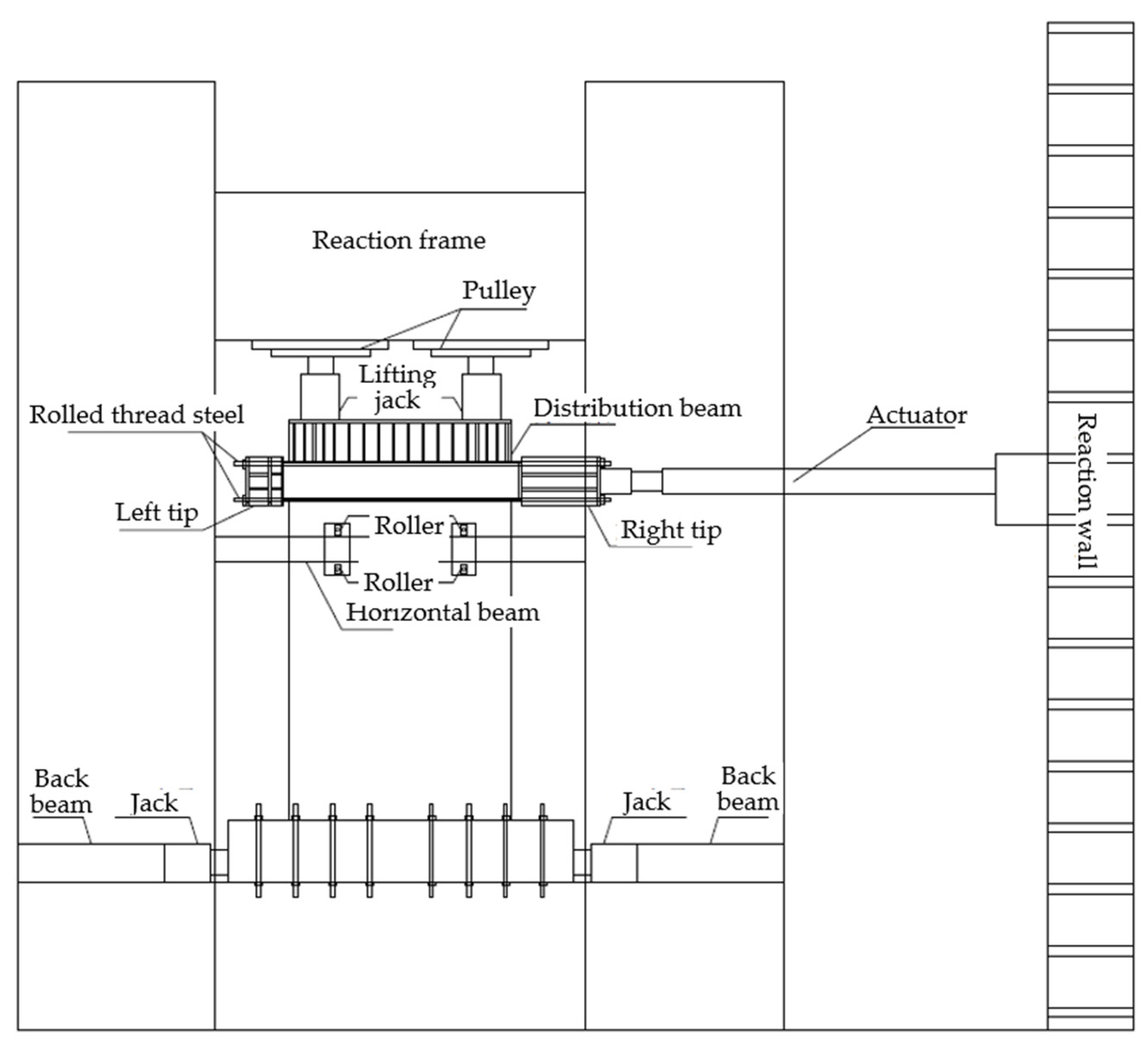
2.4. Experimental Loading System and Measurement
3. Setup of the Finite Element Model
3.1. Material Properties
3.1.1. Constitutive Relationship of Concrete
3.1.2. Constitutive Relationship of Rebars
3.2. Interaction between Concrete and Rebar
3.3. Boundary Condition and Loading Method
3.4. Grid Division
4. Justification of the Finite Element Model
4.1. The Comparison of the Crack Distribution
4.2. Load–Displacement Curve
5. Finite Element Model Analysis under Different Axial Pressure Ratios
5.1. Comparison of Development of Cracks
5.2. Load–Displacement Curve
6. Conclusions
Author Contributions
Funding
Data Availability Statement
Conflicts of Interest
References
- Zhu, F.; Yu, Y.; Wang, Z.; Shi, G.; Liu, H. Experimental Study on Seismic Behavior of Monolithic Precast Double-Skin Composite Shear Wall. J. Build. Struct. 2023, 44, 146. [Google Scholar]
- Xu, G.; Wang, Z.; Wu, B.; Bursi, O.S.; Tan, X.; Yang, Q.; Wen, L. Seismic performance of precast shear wall with sleeves connection based on experimental and numerical studies. Eng. Struct. 2017, 150, 346–358. [Google Scholar] [CrossRef]
- Lee, D.; Kang, S.M. Safe Seismic Design of Intermediate Precast Shear Wall System. J. Struct. Eng. 2024, 150, 04024101. [Google Scholar] [CrossRef]
- Sørensen, J.H.; Hoang, L.C.; Poulsen, P.N. Full-scale tests of two-story precast reinforced concrete shear walls: Investigation of strength and deformation capacity. Eng. Struct. 2024, 315, 118487. [Google Scholar] [CrossRef]
- Xiao, M.; Han, W.; Lü, W.; Wang, Z.; Li, W.; Li, L. Experimental study on seismic performance of multi-story prefabricated shear wall. J. Build. Struct. 2023, 44, 32–45. [Google Scholar]
- Liu, C.; Zhang, F.; Zhang, H. Comparative analysis of off-site precast concrete and cast-in-place concrete in low-carbon built environment. Fresenius Environ. Bull. 2020, 29, 1804–1812. [Google Scholar]
- Kulkarni, V.R. High performance concrete for high-rise buildings: Some crucial issues. Int. J. Res. Eng. Technol. 2016, 5, 26–33. [Google Scholar]
- Yang, B.; Liu, B.; Xiao, J.; Zhang, B.; Wang, Z.; Dong, M. A novel construction scheduling framework for a mixed construction process of precast components and cast-in-place parts in prefabricated buildings. J. Build. Eng. 2021, 43, 103181. [Google Scholar] [CrossRef]
- Ozkul, T.A.; Kurtbeyoglu, A.; Borekci, M.; Zengin, B.; Kocak, A. Effect of shear wall on seismic performance of RC frame buildings. Eng. Fail. Anal. 2019, 100, 60–75. [Google Scholar] [CrossRef]
- Surana, M.; Singh, Y.; Lang, D.H. Seismic performance of shear-wall and shear-wall core buildings designed for Indian codes. In Advances in Structural Engineering: Dynamics; Springer: New Delhi, India, 2015; Volume 2, pp. 1229–1241. [Google Scholar]
- Zhao, B.; Wu, D.; Zhu, H. New modular precast composite shear wall structural system and experimental study on its seismic performance. Eng. Struct. 2022, 264, 114381. [Google Scholar] [CrossRef]
- Singhal, S.; Chourasia, A.; Chellappa, S.; Parashar, J. Precast reinforced concrete shear walls: State of the art review. Struct. Concr. 2019, 20, 886–898. [Google Scholar] [CrossRef]
- Zhang, J.; Hou, H.; Dong, N.; Gong, J.; Guo, Z. Design and Application of Assembly Integral Shear Wall Residence with Prefabricated Reinforced Concrete. Constr. Technol. 2009, 38, 22–24. [Google Scholar]
- Chen, Y. Research on industrialized fully-prefabricated assembly integral shear wall structure system nodes. Archit. Technol. 2010, 41, 153–156. [Google Scholar]
- Zhang, J.Q. Experimental Research on Seismic Behavior of Full-Scale Precast Shear Wall Sub-Structure; Harbin Institute of Technology: Harbin, China, 2010. [Google Scholar]
- Liu, X.; Guo, Z.; Dong, N.; Zhang, J. Experimental Research on Behavior of Joints of Fully Precast Assembled Shear Wall Structure. Jiangsu Constr. 2010, 2, 21–24. [Google Scholar]
- Zhu, Z.; Guo, Z. Seismic Performance Research Wall-Slab Joints of New Precast Concrete Shear Wall Structure. Earthq. Eng. Eng. Vib. 2011, 31, 35–40. [Google Scholar]
- Pan, L.D.; Lu, L.; Liang, L.; Li, J.B. Test and Study on shearing strength of precast laminated wall. In Proceedings of the Eighteenth National Conference on Structural Engineering, Guangzhou, China, 28 November–1 December 2009; Volume 2, pp. 124–126. [Google Scholar]
- Jafari, A.; Beheshti, M.; Shahmansouri, A.A.; Bengar, H.A. Cyclic response and damage status of coupled and hybrid-coupled shear walls. Structures 2024, 61, 106010. [Google Scholar] [CrossRef]
- Feng, J.; Chen, Y.; Zhang, Z. A New Type of Prefabricated Integral Shear Wall. CN102943536B, 16 September 2015. [Google Scholar]
- Feng, J.; Liu, Y.F.; Jin, R.Y.; Chen, Y.; Pang, T.; Cai, J.G.; Liu, L.X. Prefabricated Shear Wall Vertical Steel Bar Concentrated Restraint Lap Connection. CN104929279B, 24 May 2017. [Google Scholar]
- Zhang, Z. Shear Mechanism Analysis of Prefabricated Concrete Shear Wall. Master’s Thesis, Southeast University, Nanjing, China, 2012. [Google Scholar]
- Liu, G. Experimental Study on Seismic Behavior of Bundle Connected Precast Concrete Shear Wall Structures. Master’s Thesis, Southeast University, Nanjing, China, 2018. [Google Scholar]
- Guo, Z.H. Principles of Reinforced Concrete, 3rd ed.; Tsinghua University Press: Beijing, China, 2012. [Google Scholar]












| Specimen Number | Designed Axial Compression Ratio | Height–Thickness Ratio | Dimension of the Wall (Length × Thickness × Height/mm) |
|---|---|---|---|
| YZ-1 | 0.3 | 5 | 1000 × 200 × 2600 |
| YZ-2 | 0.2 | 9 | 1800 × 200 × 2600 |
| Specification of Rebar | Diameter/mm | Yield Strength/MPa | Ultimate Strength/MPa | Elongation/% |
|---|---|---|---|---|
| HPB300 | 6 | 380 | 615 | 12.1 |
| HRB400 | 8 | 430 | 645 | 9.2 |
| 10 | 445 | 660 | 9.4 | |
| 14 | 450 | 640 | 9.9 | |
| 16 | 435 | 640 | 9.5 |
| Specimen Number | Axial Compression Ratio | Yield Load/kN | Peak Load/kN | Ultimate Load/kN |
|---|---|---|---|---|
| YZ-1 | 0.1 | 340 | 501 | 481 |
| 0.2 | 369 | 518 | 477 | |
| 0.3 | 390 | 527 | 473 | |
| 0.4 | 410 | 548 | 441 | |
| 0.5 | 430 | 551 | 438 | |
| YZ-2 | 0.1 | 803 | 1060 | 981 |
| 0.2 | 911 | 1100 | 921 | |
| 0.3 | 982 | 1130 | 836 | |
| 0.4 | 998 | 1130 | 765 | |
| 0.5 | 933 | 1110 | 600 |
Disclaimer/Publisher’s Note: The statements, opinions and data contained in all publications are solely those of the individual author(s) and contributor(s) and not of MDPI and/or the editor(s). MDPI and/or the editor(s) disclaim responsibility for any injury to people or property resulting from any ideas, methods, instructions or products referred to in the content. |
© 2024 by the authors. Licensee MDPI, Basel, Switzerland. This article is an open access article distributed under the terms and conditions of the Creative Commons Attribution (CC BY) license (https://creativecommons.org/licenses/by/4.0/).
Share and Cite
He, Z.; Zhang, X.; Yang, H.; Li, S.; Cai, J.; Satyanaga, A.; Zhang, R.; Dai, G. Numerical Simulation of Cluster-Connected Shear Wall Structures under Seismic Loading. Buildings 2024, 14, 2247. https://doi.org/10.3390/buildings14072247
He Z, Zhang X, Yang H, Li S, Cai J, Satyanaga A, Zhang R, Dai G. Numerical Simulation of Cluster-Connected Shear Wall Structures under Seismic Loading. Buildings. 2024; 14(7):2247. https://doi.org/10.3390/buildings14072247
Chicago/Turabian StyleHe, Zirui, Xiaohan Zhang, Hailong Yang, Shuai Li, Jianguo Cai, Alfrendo Satyanaga, Ruize Zhang, and Guoliang Dai. 2024. "Numerical Simulation of Cluster-Connected Shear Wall Structures under Seismic Loading" Buildings 14, no. 7: 2247. https://doi.org/10.3390/buildings14072247
APA StyleHe, Z., Zhang, X., Yang, H., Li, S., Cai, J., Satyanaga, A., Zhang, R., & Dai, G. (2024). Numerical Simulation of Cluster-Connected Shear Wall Structures under Seismic Loading. Buildings, 14(7), 2247. https://doi.org/10.3390/buildings14072247

