A Novel Model for Calculating Human-Body Angle Factor in Radiant Heat Transfer: Balancing Computation Accuracy and Speed
Abstract
1. Introduction
2. Methods
2.1. Existing Methods for Calculating Angle Factor
2.1.1. Angle Factor Obtained by Experiments (Fanger’s Method)
2.1.2. Angle Factor Obtained Using Contour Integral Method
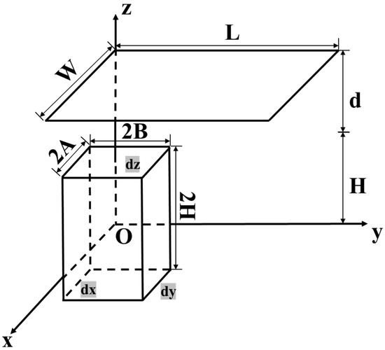
2.2. HNU Angle Factor Model
2.2.1. Human Body Model
2.2.2. Human Body vs. Horizontal Plane
2.2.3. Human Body vs. Vertical Plane
- 1
- The angle factor for the top of the human body, , and the area ratio :
- 2
- The angle factor for the bottom of the human body, , and the area ratio :
- 3
- It is assumed that each vertical surface of the human body part is divided into segments. The angle factor for the front of the human body, , and the area ratio :
- 4
- The angle factor for the back of the human body, , and the area ratio :
- 5
- The angle factor for the right side of the human body, , and the area ratio :
- 6
- The angle factor for the left side of the human body, , and the area ratio :
2.3. Evaluation of the HNU Angle Factor Model
3. Results
3.1. Angle Factors for a Sedentary Human Body
3.2. Angle Factors for the Standing Human Body
3.3. Distribution of Angle Factors for the Sedentary Human Body Model
3.4. Distribution of Angle Factors for the Standing Human Body Model
3.5. MRT and Operative Temperature of the Human Body Model
4. Discussion
4.1. Comparison among Fanger Diagrams, Contour Integral Methods, and HNU Angle Factor Model
4.2. Potential Applications of the HNU Angle Factor Model
4.3. Limitations
5. Conclusions
Supplementary Materials
Author Contributions
Funding
Data Availability Statement
Conflicts of Interest
Nomenclature
| β | Altitude angle between camera and subject in Fanger’s method (degree) |
| α | Azimuth angle between camera and subject in Fanger’s method (degree) |
| A2 | Assumed sphere for surrounding faces of a subject |
| Ap | A person’s projected area on a plane perpendicular to the direction of a surface element (dA2) with the angle coordinates (α, β) |
| Aeff | Effective radiation area of the subject |
| MRT | ) |
| Angle for the side direction of the human body model using the HNU Angle Factor Model | |
| Angle for the front direction of the human body model using the HNU Angle Factor Model | |
| Angle factor, the ratio of the radiant heat transfer area to the whole space around the human body or body part | |
| Surface area coefficient of a body part | |
| Top | ) |
| CFD | Computational fluid dynamics |
| PMV | Predicted mean vote |
| PPD | Predicted percentage of dissatisfied |
| PCSs | Personal comfort systems |
References
- Karmann, C.; Schiavon, S.; Bauman, F. Thermal comfort in buildings using radiant vs. all-air systems: A critical literature review. Build. Environ. 2017, 111, 123–131. [Google Scholar] [CrossRef]
- Wang, Z.; Ning, H.; Ji, Y.; Hou, J.; He, Y. Human thermal physiological and psychological responses under different heating environments. J. Therm. Biol. 2015, 52, 177–186. [Google Scholar] [CrossRef]
- Zhang, F.; Guo, H.A.; Liu, Z.; Zhang, G. A critical review of the research about radiant cooling systems in China. Energy Build. 2021, 235, 110756. [Google Scholar] [CrossRef]
- Peng, P.; Gong, G.; Mei, X.; Liu, J.; Wu, F. Investigation on thermal comfort of air carrying energy radiant air-conditioning system in south-central China. Energy Build. 2019, 182, 51–60. [Google Scholar] [CrossRef]
- Tian, Z.; Love, J.A. A field study of occupant thermal comfort and thermal environments with radiant slab cooling. Build. Environ. 2008, 43, 1658–1670. [Google Scholar] [CrossRef]
- Jin, W.; Jia, L.; Gao, P.; Wang, Q. The moisture content distribution of a room with radiant ceiling cooling and wall-attached jet system. Build. Simul. 2017, 10, 41–50. [Google Scholar] [CrossRef]
- Shen, L.; Tu, Z.; Hu, Q.; Tao, C.; Chen, H. The optimization design and parametric study of thermoelectric radiant cooling and heating panel. Appl. Therm. Eng. 2017, 112, 688–697. [Google Scholar] [CrossRef]
- Kilkis, B.I. Cost optimization of a hybrid HVAC system with composite radiant wall panels. Appl. Therm. Eng. 2006, 26, 10–17. [Google Scholar] [CrossRef]
- Mohammadzadeh, A.; Kavgic, M. Multivariable optimization of PCM-enhanced radiant floor of a highly glazed study room in cold climates. Build. Simul. 2020, 13, 559–574. [Google Scholar] [CrossRef]
- Aviv, D.; Hou, M.; Teitelbaum, E.; Guo, H.; Meggers, F. Simulating Invisible Light: Adapting Lighting and Geometry Models for Radiant Heat Transfer. In Proceedings of the 11th Annual Symposium on Simulation for Architecture and Urban Design, San Diego, CA, USA, 25–27 May 2020. [Google Scholar]
- Mohamed, S.; Srinavin, K. Thermal environment effects on construction workers’ productivity. Work Study 2002, 51, 297–302. [Google Scholar] [CrossRef]
- ISO 7726:1998; Ergonomics of the Thermal Environment—Instruments for Measuring Physical Quantities. ISO: Geneva, Switzerland, 1998.
- Rayson, M.; Wilkinson, D.; Carter, J.; Richmond, V.; Blacker, S.; Bullock, N.; Robertson, I.; Donovan, K.; Graveling, R.; Jones, D. Physiological Assessment of Firefighting in the Built Environment; Optimal Performance Ltd.: Bristol, UK, 2004. [Google Scholar]
- Sparrow, E.M. A new and simpler formulation for radiative angle factors. J. Heat Transf. 1963, 85, 81–87. [Google Scholar] [CrossRef]
- Zhang, S.; Niu, D.; Lin, Z. Mean radiant temperature calculated based on radiant heat dissipation of human body addressing effect of emissivity of inner surfaces of envelope. Sol. Energy 2022, 246, 14–22. [Google Scholar] [CrossRef]
- Zheng, D.; Li, N.; Long, J. Radiant angle factor calculation between human body and radiant panel by contour integral method. HV&AC 2015, 45, 91–96. (In Chineses) [Google Scholar]
- La Gennusa, M.; Nucara, A.; Pietrafesa, M.; Rizzo, G.; Scaccianoce, G. Angle factors and projected area factors for comfort analysis of subjects in complex confined enclosures: Analytical relations and experimental results. Indoor Built Environ. 2008, 17, 346–360. [Google Scholar] [CrossRef]
- Wang, Y.; Meng, X.; Zhang, L.; Liu, Y.; Long, E. Angle factor calculation for the thermal radiation environment of the human body. Lect. Notes Electr. Eng. 2014, 261, 447–455. [Google Scholar] [CrossRef]
- Zmeureanu, R.; Iliescu, S.; Dauce, D.; Jacob, Y. Radiation from cold or warm windows: Computer model development and experimental validation. Build. Environ. 2003, 38, 427–434. [Google Scholar] [CrossRef]
- Catalina, T.; Virgone, J.; Kuznik, F. Evaluation of thermal comfort using combined CFD and experimentation study in a test room equipped with a cooling ceiling. Build. Environ. 2009, 44, 1740–1750. [Google Scholar] [CrossRef]
- Wang, Y.; Li, N.; Hu, J.; He, Y.; Yongga, A.; Yuan, C.; Wang, M. Influence of the Shade from Other Occupants on the Angle Factor between a Human Body and Radiant Surface in Buildings; no. Ishvac 2019; Springer: Singapore, 2020. [Google Scholar]
- Li, Z.; Feng, X.; Chen, W.; Fang, Z. Quantifying the effect of ground view factor and ground temperature on outdoor mean radiant temperature. Sustain. Cities Soc. 2022, 84, 104030. [Google Scholar] [CrossRef]
- Fanger, P.O.; Angelius, O.; Kjerulf-Jensen, P. Radiation Data for the Human Body. ASHRAE Trans. 1970, 76, 338–373. [Google Scholar]
- Horikoshi, T.; Tsuchikawa, T.; Kobayashi, Y.; Miwa, E.; Kurazumi, Y.; Hirayama, K. The effective radiation area and angle factor between man and a rectangular plane near him. ASHRAE Trans. 1990, 96, 60–66. [Google Scholar]
- Kalisperis, L.N.; Steinman, M.; Summers, L.H. Angle Factor Graphs for a Person to Inclined Surfaces; ASHRAE: Peachtree Corners, GA, USA, 1991. [Google Scholar]
- Hardy, J.D.; Du Bois, E.F.; Soderstrom, G.F. The Technic of Measuring Radiation and Convection: One Figure. J. Nutr. 1938, 15, 461–475. [Google Scholar] [CrossRef]
- Chinese Government. National Physical Monitoring Bulletin. Available online: https://www.gov.cn/guoqing/2023-03/12/content_5745851.htm?eqid=8f0dd38a0000df9900000003646f1961 (accessed on 25 January 2024).
- Vorre, M.H.; Jensen, R.L.; Le Dréau, J. Radiation exchange between persons and surfaces for building energy simulations. Energy Build. 2015, 101, 110–121. [Google Scholar] [CrossRef]
- Ozbey, M.F.; Turhan, C. A comprehensive comparison and accuracy of different methods to obtain mean radiant temperature in indoor environment. Therm. Sci. Eng. Prog. 2022, 31, 101295. [Google Scholar] [CrossRef]
- Guo, H.; Ferrara, M.; Coleman, J.; Loyola, M.; Meggers, F. Simulation and measurement of air temperatures and mean radiant temperatures in a radiantly heated indoor space. Energy 2020, 193, 116369. [Google Scholar] [CrossRef]
- Shan, X.; Xu, W.; Lee, Y.K.; Lu, W.Z. Evaluation of thermal environment by coupling CFD analysis and wireless-sensor measurements of a full-scale room with cooling system. Sustain. Cities Soc. 2019, 45, 395–405. [Google Scholar] [CrossRef]
- Zhang, C.; Heiselberg, P.K.; Chen, Q.; Pomianowski, M. Numerical analysis of diffuse ceiling ventilation and its integration with a radiant ceiling system. Build. Simul. 2017, 10, 203–218. [Google Scholar] [CrossRef]
- Dhamodharan, P.; Ayalur, B.K.; Judefelix, J.; Prabakaran, R.; Kim, S.C. Energy saving potential in radiant cooling system by utilizing air-conditioning condensate: A strategy for green building rating. Appl. Therm. Eng. 2024, 236, 121492. [Google Scholar] [CrossRef]
- Echarri Iribarren, V.; Galiano Garrigós, A.L.; González Avilés, B. Cerámica y climatización saludable: Paneles cerámicos radiantes en edificios. Condiciones de confort y demanda energética frente a sistemas convectivos. Inf. Constr. 2016, 68, e161. [Google Scholar] [CrossRef]
- Xing, D.; Li, N. Numerical Prediction of Mean Radiant Temperature in Radiant Cooling Indoor Environments. J. Therm. Sci. 2022, 31, 359–369. [Google Scholar] [CrossRef]
- Xie, Y.; Ishida, Y.; Hu, J.; Mochida, A. Prediction of mean radiant temperature distribution around a building in hot summer days using optimized multilayer neural network model. Sustain. Cities Soc. 2022, 84, 103995. [Google Scholar] [CrossRef]
- Halawa, E.; Van Hoof, J.; Soebarto, V. The impacts of the thermal radiation field on thermal comfort, energy consumption and control—A critical overview. Renew. Sustain. Energy Rev. 2014, 37, 907–918. [Google Scholar] [CrossRef]
- Ghaddar, N.; Salam, M.; Ghali, K. Steady Thermal Comfort by Radiant Heat Transfer: The Impact of the Heater Position. Heat Transf. Eng. 2006, 27, 29–40. [Google Scholar] [CrossRef]
- Magni, M.; Campana, J.P.; Ochs, F.; Morini, G.L. Numerical investigation of the influence of heat emitters on the local thermal comfort in a room. Build. Simul. 2019, 12, 395–410. [Google Scholar] [CrossRef]
- Huang, C.; Li, N.; Yongga, A.; Huang, L.; Yuan, C.; Wang, Y. Simulation Research on Indoor Environment and Energy Consumption of Multiple Radiant Heating Modes; no. Ishvac 2019; Springer: Singapore, 2020. [Google Scholar]
- Imanari, T.; Omori, T.; Bogaki, K. Thermal comfort and energy consumption of the radiant ceiling panel system. Comparison with the conventional all-air system. Energy Build. 1999, 30, 167–175. [Google Scholar] [CrossRef]
- Su, X.; Wang, Z.; Xu, Y.; Liu, N. Thermal comfort under asymmetric cold radiant environment at different exposure distances. Build. Environ. 2020, 178, 106961. [Google Scholar] [CrossRef]
- Zhang, H.; Arens, E.; Taub, M.; Dickerhoff, D.; Bauman, F.; Fountain, M.; Pasut, W.; Fannon, D.; Zhai, Y.; Pigman, M. Using footwarmers in offices for thermal comfort and energy savings. Energy Build. 2015, 104, 233–243. [Google Scholar] [CrossRef]
- Su, X.; Wang, Z.; Yang, Y. Field study of cold radiant asymmetry caused by exterior built elements of educational buildings in severe cold area, China. Energy Build. 2021, 252, 111401. [Google Scholar] [CrossRef]
- Yongga, A.; Li, N.; He, Y.; Yuan, C.; Zhou, L.; Lu, J. Occupant-centered evaluation on indoor environments and energy savings of radiant cooling systems with high-intensity solar radiation. Sol. Energy 2022, 242, 30–44. [Google Scholar] [CrossRef]
- Zheng, J.; Yu, T.; Lei, B.; Chen, C. Experimental study on the thermal performance of radiant floor heating system with the influence of solar radiation on the local floor surface. Indoor Built Environ. 2023, 32, 977–991. [Google Scholar] [CrossRef]
- Arens, E.; Hoyt, T.; Zhou, X.; Huang, L.; Zhang, H.; Schiavon, S. Modeling the comfort effects of short-wave solar radiation indoors. Build. Environ. 2015, 88, 3–9. [Google Scholar] [CrossRef]
- Li, T.; Merabtine, A.; Lachi, M.; Bennacer, R.; Kauffmann, J. Experimental study on the effects of a moving sun patch on heating radiant slabs: The issue of occupants’ thermal comfort. Sol. Energy 2023, 255, 36–49. [Google Scholar] [CrossRef]














Disclaimer/Publisher’s Note: The statements, opinions and data contained in all publications are solely those of the individual author(s) and contributor(s) and not of MDPI and/or the editor(s). MDPI and/or the editor(s) disclaim responsibility for any injury to people or property resulting from any ideas, methods, instructions or products referred to in the content. |
© 2024 by the authors. Licensee MDPI, Basel, Switzerland. This article is an open access article distributed under the terms and conditions of the Creative Commons Attribution (CC BY) license (https://creativecommons.org/licenses/by/4.0/).
Share and Cite
Chen, Y.; He, Y.; Li, N. A Novel Model for Calculating Human-Body Angle Factor in Radiant Heat Transfer: Balancing Computation Accuracy and Speed. Buildings 2024, 14, 366. https://doi.org/10.3390/buildings14020366
Chen Y, He Y, Li N. A Novel Model for Calculating Human-Body Angle Factor in Radiant Heat Transfer: Balancing Computation Accuracy and Speed. Buildings. 2024; 14(2):366. https://doi.org/10.3390/buildings14020366
Chicago/Turabian StyleChen, Yuyan, Yingdong He, and Nianping Li. 2024. "A Novel Model for Calculating Human-Body Angle Factor in Radiant Heat Transfer: Balancing Computation Accuracy and Speed" Buildings 14, no. 2: 366. https://doi.org/10.3390/buildings14020366
APA StyleChen, Y., He, Y., & Li, N. (2024). A Novel Model for Calculating Human-Body Angle Factor in Radiant Heat Transfer: Balancing Computation Accuracy and Speed. Buildings, 14(2), 366. https://doi.org/10.3390/buildings14020366
