Next Article in Journal
Vibration in Floors Induced for Human Walking: Comparison of Two Design Guidelines
Previous Article in Journal
Sustainable Management of Cities with a Focus on the Spread of Pollution in the Built Environment Using Information Modeling
 
 
Due to scheduled maintenance work on our servers, there may be short service disruptions on this website between 11:00 and 12:00 CEST on March 28th.
Font Type:
Arial Georgia Verdana
Font Size:
Aa Aa Aa
Line Spacing:
Column Width:
Background:
Article

Investigation of Passive Controlled Post-Tensioning System on the Structural Behaviour of Precast Reinforced Concrete Beam–Column Connections

Department of Civil Engineering, Harran University, Sanliurfa 63200, Turkey
*
Author to whom correspondence should be addressed.
Buildings 2024, 14(12), 3910; https://doi.org/10.3390/buildings14123910
Submission received: 3 November 2024 / Revised: 29 November 2024 / Accepted: 2 December 2024 / Published: 6 December 2024
(This article belongs to the Section Building Structures)

Abstract

Precast structures are widely used in many parts of the world. This construction technique is more commonly preferred for low-rise industrial buildings than multi-story structures. The most commonly used column–beam connection in precast buildings is the dowel connection (DC). Past earthquakes in various parts of the world have shown that these connections do not provide sufficient resistance. The main deficiencies of such connections are that they are sheared or stripped due to the shear force demand from the in-plane effects of large earthquakes, and that they do not provide sufficient resistance to the overturning moments from the out-of-plane effects of the earthquakes. Correspondingly, many prefabricated buildings have collapsed during earthquakes, causing loss of life and property. This study proposes using post-tensioning tendon (PT) systems and systems created by adding steel springs (PTS) to eliminate the weaknesses in column–beam connections in precast structures. To this end, real-sized column and beam specimens used in precast buildings were produced, and experiments were conducted under the cyclic loads defined by the American Concrete Institute (ACI) Committee, Report 374, simulating earthquake effects for three different connection types (DC, PT, and PTS). It was observed that the proposed PTS connection type dissipated approximately one-third of the energy transferred to the joint through elastic deformation in the springs, compared to the DC and PT connection types. This indicates that the PTS specimens transferred significantly less energy to the column–beam connection region. Consequently, the PTS system exhibited much less damage in the column foundation and especially the column–beam connection areas than other test specimens. In conclusion, it can be stated that the use of the PTS connection type in prefabricated structures has high potential to reduce damages due to dynamic loads such as earthquakes.

1. Introduction

Precast structures are widely used in many countries, particularly for low-rise industrial buildings, warehouses, and animal shelters, due to their advantages, such as rapid assembly, high-quality production, and cost-effectiveness compared to reinforced concrete and steel structures. Precast elements are less preferred in the construction of multi-storey buildings. Because in a building constructed with these elements (precast beams, columns, and slabs), the “rigid diaphragm effect” cannot be realised, as well as in a building constructed as cast-in-place, and because prefabricated elements are generally quite heavy, they require the use of high-capacity cranes, thus resulting in higher energy consumption. Precast buildings are typically created by connecting columns and beams. Various connection methods are employed to assemble precast elements, with the steel dowel connection being the most commonly used [1]. However, precast structures demonstrate weak system behaviour against earthquakes. Past earthquakes have shown that precast buildings sustain damage from column–beam connections, column–foundation connections, roof–rafter junctions, and points where panel walls connect to the load-bearing system, leading to loss of life and property [2,3,4,5]. It is expected that the performance of these structures against earthquakes will improve significantly with the use of post-tensioning techniques [6] and especially various energy-dissipating devices, such as mild steel dampers [7] and friction dampers [8].
Many experimental studies have been conducted on precast structures in recent years, and such research will certainly continue in the future. Performed experimental studies have primarily focused on increasing the energy-dissipation capacities of column–beam connections, ensuring adequate initial stiffness and reducing resulting damage [9,10,11,12]. While these regions, on one hand, must be able to safely carry the internal forces acting on them (the condition of sufficient strength), on the other hand, they must also be able to meet the deformation demand of the earthquake (the condition of sufficient ductility); these are the issues of vital importance. As is well-known, the transfer of internal forces between the elements takes place in the column–beam joints; that is, these areas are among the most stressed parts of the structures under seismic loads. Therefore, as an example in the research, Li et al. [13] conducted experimental research on using dampers to enhance the energy dissipation capacity of column–beam connections. As another example, Morgen and Kurama developed a non-bonded, post-tensioned ductile precast column–beam connection [8,14].
One of the methods used in assembling joints in precast structures involves welding steel plates anchored to columns and beams. Ersoy and Tankut [15] placed steel plates with anchors at the top and bottom of the column–beam connection region and then welded these to the beam, successfully creating the connection. They indicated that their proposed connection yielded results similar to monolithic connections in terms of stiffness, energy dissipation, and strength capacity. A significant portion of the damage occurring during earthquakes in precast structures is attributed to the failure of connection regions and the inability to achieve adequate ductility capacity. It has been observed that a ductile joint in precast structures plays a crucial role in reducing resulting damage [16,17].
Experimental studies are also being conducted on full-scale multi-story precast buildings. An example of such research is a five-story frame-type precast structure in the U.S. under the pan-European project, which focuses on the behaviour of frame connections and optimising high-quality concrete elements [18].
This study aims to investigate the effects of adding spiral steel springs to post-tensioning tendon systems, in addition to the commonly used dowel connections and post-tensioning tendon systems, on the energy dissipation capacity, damage state, and overall behaviour under cyclic loading conditions, and to compare the results obtained. As is known, steel springs in many different shapes have been used successfully in different areas of the industry for many years. Springs are also used in earthquake-resistant structural design. For example, there are many applications wherein they are used together with isolators to increase the damping effect in structures with seismic isolators. Steel springs are also used to reduce the transmission of vibrations produced by vibration-producing machines to elements such as foundations and slabs. It is seen that their use in structural connections is limited. Already, in this study, steel springs were used in one of the selected connection types in order to see how springs contribute to the structural behaviour of column–beam connections in precast structures. It is obvious that a connection type using the post-tensioning technique and springs will have a slightly higher cost and installation time compared to a traditional connection type. However, the increase in cost is not at a level to be exaggerated.
In this study, a total of six specimens were produced: two column samples with cross-sectional dimensions of 400 × 550 mm and a height of 2550 mm, and two beam samples with cross-sectional dimensions of 400 × 450 mm and a span of 3160 mm, representing dowel (Dowel Component DC1-2), post-tensioned (Post Tensioning PT1-2), and post-tensioned with spiral springs (Post Tensioning Spring PTS1-2) configurations.
All specimens were cured in a laboratory environment for 28 days, continuously covered and kept moist. After the specimens reached sufficient strength, the experiments were conducted.
The experimental results revealed that the proposed PTS system dissipated approximately one-third of the energy transferred to the precast column–beam connection specimen through elastic deformations in the springs. This behaviour of the system reduced the damage of the column–foundation connection region and allowed the column–beam connection region to withstand the applied dynamic effect nearly without any damage. These findings indicated that the proposed PTS system can effectively protect precast structures, occupants, and equipment against dynamic impacts such as earthquakes and storms.

2. Materials and Method

2.1. Material Properties

To investigate the effect of connection type on ductility capacity and damage formation mechanisms in precast column–beam joint regions, six column and beam specimens were tested at the Structural and Earthquake Engineering Research Laboratory of Harran University Faculty of Engineering. Table 1 shows the materials and quantities used in the concrete mix.
All experimental specimens were produced using Portland CEM I 52.5 N cement manufactured according to the TS EN 197-1 [19] standard, river sand, and basalt aggregate with a maximum particle size of 22.4 mm. C40/50 class concrete was used to produce the beams and columns. The concrete’s average cube (150 × 150 × 150 mm) compressive strength was determined to be 50 MPa according to the TS EN 12390-3 [20] standard. The columns were produced with cross-sectional dimensions of 400 × 550 mm and a height of 2550 mm, while the beams had cross-sectional dimensions of 400 × 450 mm and a span of 3160 mm. The design and production of the experimental specimens were based on the TS 500 [21] and TS EN 13369 [22] standards.
The steel tendons that connect the columns and beams are high-strength, low-elongation multi-stranded steel. The properties of the steel tendons used are presented in Table 2. The characteristic yield strength of the reinforcing steel used was 420 MPa. A tensile test was conducted according to the TS EN ISO 6892-1 [23] standard to determine the mechanical properties of the reinforcing bars. The mechanical properties obtained from the test results are shown in Table 3.

2.2. Test Specimens

Full-scale experimental specimens used in precast structures were produced as six units: DC1-2, PT1-2, and PTS1-2. The reinforcements’ numbers, diameters, and arrangements in all experimental specimens were the same. The reinforcement details for each column and beam are shown in Figure 1. The only difference among the experimental specimens was the selection of different types of connection elements.
In the DC1-2 specimens, two Φ26 mm diameter dowels were used to connect the column and beam, as shown in Figure 2a. The dowels were positioned 12.5 cm from the edge of the cantilever overlap section on the column. Grooves were cut at the ends of the dowels, and larger-diameter holes were left in the beam to allow the dowels to pass through. Before the experiments, high-strength concrete was poured into the space between the dowels and the holes to fill the gap. Bolts were then inserted into the grooved sections of the dowels to complete the column–beam connection.
In the PT1-2 experimental specimens, as shown in Figure 2b, two plastic ducts were placed parallel to the axis, aligned with the centroid of the beam cross-section, to allow the passage of post-tensioning tendons before pouring the concrete for the column and beam. Additionally, two plastic ducts corresponding to the beam ducts were installed in the column. After placing the column and beam specimens into the testing setup, tendons were passed through the two ducts along the column and beam. The tendons were then anchored at both ends using anchorage elements. To complete the column–beam connection, a tensile force of 58 kN was applied to each tendon from the section behind the column.
In the PTS1-2 experimental specimens, tendon installation in the columns and beams, as shown in Figure 2c, was the same as in the PT specimens. The only difference in these specimens was the inclusion of two spiral steel springs with a stiffness of 1000 N/mm placed between each tendon and in the rear section of the column. Four springs were in the system, resulting in a total spring stiffness of 4000 N/mm. The springs’ stiffness was calculated in the numerical model representing the testing setup, considering different ratios of beam elongation stiffness as spring stiffness based on the ratio that would provide the maximum energy dissipation capacity. After passing the tendons, one end was fixed with an anchorage, while the other was anchored behind the springs. Like the PT specimens, each tendon was tensioned with a force of 58 kN to complete the column–beam connection.

2.3. Experimental Program and Testing Procedure

The six full-scale precast column and beam specimens described above were tested at the Structural and Earthquake Engineering Research Laboratory of Harran University. After placing the precast column into a square socket foundation constructed on the reinforced floor of the laboratory, one end of the beam specimen was rested on the short cantilever at the top of the column. The other end of the beam specimen was placed on a sliding support that allowed only horizontal movement. It is worth noting that the gaps between the column and the socket foundation were filled by placing steel plates prepared to fit perfectly in these areas, thus ensuring that the column base behaved as fixed as possible. Photographs of the test setup are shown in Figure 3, and the schematic view is depicted in Figure 4. A hydraulic actuator was connected to the system, applying cyclic loads; one end of the beam specimen was attached to the sliding support, while the other was connected to a reaction wall. A constant vertical load of 188 kN (15% of the column capacity) was applied to represent the vertical loads acting on the column specimen.
In the test setup consisting of precast columns and beams, reversible cyclic loads were applied, and the experiments were conducted using displacement control. As shown in Figure 5, the displacement-controlled loading had a cyclic nature with three equal displacement values for each loading step. This loading method is recommended in the American Concrete Institute (ACI) Committee 374 report for structural testing [24]. This function has been utilized by many researchers in experimental studies [25,26,27].
All experimental specimens were loaded starting from a 0.75% drift ratio and increased to a maximum of 5% drift ratio. The target displacement value for the displacement-controlled loading was calculated by multiplying the drift ratio by the distance between the section where the column exits the socket foundation and the beam axis. During the experiment, the force applied at the end of the beam specimen and the displacement were recorded via Linear Voltage Differential Transformers (LVDTs) in the actuator and were measured and logged in the data acquisition unit connected to the test setup. Additionally, the displacements between the column and beam, and at the back face of the column corresponding to the beam axis level, were also measured by again using LVDTs. At the end of the tests, load–drift ratio graphs were plotted based on the data obtained from these measurements.

3. Results and Discussion

3.1. Failure Mechanisms

During the experiments, the crack patterns and load values developing in the specimens under loading were monitored throughout the testing. The trajectories of the cracks formed in the column and beam specimens were drawn on the specimens and recorded with the corresponding load values. At the end of the experiments, photographs showing the crack patterns formed in the specimens (DC1-2, PT1-2, and PTS1-2) were taken; they are presented in Figure 6a–f.
Due to the structure of the testing setup, in the pushing load condition, mainly the beam is pushed towards the column, and once the gap between the column and beam is closed, the column is forced to move forward. However, in the pulling condition, the load is transferred to the column through the dowels and friction in the DC1-2 specimens, the post-tensioning tendons and friction in the PT1-2 specimens, and the tendons, friction, and steel springs in the PTS1-2 specimens. The friction phenomenon mentioned here occurs in the surface where the beam sits on the short cantilever. Accordingly, while the samples suffer greater forces under pushing loads, in the case of pulling loads, shear deformations in dowels and some slippage in DC specimens, axial deformations of tendons in PT specimens, and axial deformations of tendons and springs in PTS specimens impart an important elasticity to the behaviour, ensuring the specimens are forced with smaller forces compared to thrust. This situation, as will be seen later also (Figure 7a–f), caused the samples to exhibit asymmetric load-displacement behaviour during pushing and pulling.
When the cracks formed in the specimens were examined, it was observed that the damage was concentrated in the area where the column was connected to the socket foundation and in the area where the beam was connected to the column. The cracks started initially as flexural cracks at the level of the section of the column corresponding to the upper surface of the socket foundation. As the load increased, cracks continued to form upward along the column, while diagonal shear cracks also developed. As the loading continued, the initially formed cracks widened and deepened, and cracks also formed in the column–beam connection area. The damage pattern in this area varies depending on the column-to-beam connection type.
In the DC1-2 specimens, representing the traditional connection in precast structures, as shown in Figure 6a,b, the first cracks initiated at the junction of the column and socket foundation, appearing as flexural cracks oriented perpendicularly to the column axis. Cracks developed on both surfaces of the column (the surface where the photographs were taken and the opposite surface) under the effect of cyclic loading and progressed towards the middle section of the column at different levels as the load increased. In this middle region, several minor shear cracks compared to the flexural ones were also observed. On the beam, diagonal cracks also formed in the short cantilever region, where the dowels were located. As the load increased, these cracks expanded and led to damage in the form of spalling of concrete in that region. At the end of the experiment, a separation of about 100 mm between the beam and column was observed, along with permanent deformations in the dowels. Finally, it should be noted that among the three connection types (DC, PT, and PTS), the shortest crack concentration length (plastic hinge length) in the column-socket foundation connection region was observed in the DC specimens.
In the PT1-2 specimens, where the columns and beams were connected using post-tensioning tendons, initial crack formation occurred as flexural cracks oriented perpendicularly to the column axis at the junction of the column and socket foundation, as shown in Figure 6c,d. With the increase in cyclic loading, the initial cracks deepened and widened, while new flexural and diagonal shear cracks developed towards the midsection of the column. Crack formation in the short cantilever section where the beam connects to the column occurred as the loading increased, and some concrete spalling was observed towards the end of the experiment. The notable difference in damage between these specimens and the DC1-2 specimens is that the cracks in the PT1-2 specimens spread over a larger area of the column. In contrast, damage in the short cantilever section was less pronounced. It can be said that the main reason the column-to-beam connection area was less damaged in the PT samples is that the applied load was transferred more uniformly thanks to the tendons compared to the DC samples.
As previously explained, PTS specimens are those in which the post-tensioning tendons are connected to steel springs at one end. Also in these specimens, the first cracks began as flexural cracks at the connection area of the column and socket foundation, as shown in Figure 6e,f. As the cyclic loading increased, the cracks spread towards the midsection of the column, and a small number of diagonal shear cracks also formed. These cracks were fewer in number and less deep compared to those in the DC1-2 and PT1-2 specimens. Almost no damage was observed in the short cantilever region in the PTS specimens. All of this indicates that the PTS connection type performs noticeably well in reducing damage both in the column and in the column-to-beam connection area. It is clear that this good behaviour is mainly due to the elastic deformations of the springs existing in these specimens, as well as the uniform force transfer by virtue of the post-tensioning tendons.
In summary, in all samples, with increasing cyclic load, first flexural cracks were formed, then shear cracks occurred, which differed slightly depending on the type of column–beam connection. The maximum drift ratio applied during the tests did not cause any of the samples to collapse (see Figure 6). However, when the shear force capacity (Mr/hcolumn) based on flexural strength and the shear force capacity based on diagonal cracking were calculated for the columns of the samples according to the TS 500 [21] regulation, approximately 650 kN and 420 kN values were determined, respectively. Therefore, it is understood that if the samples had been loaded to the collapse stage, each column would have reached its limit state due to the diagonal tension caused by the shear forces.

3.2. Load-Displacement Behaviour of Specimens

The graphs showing the load–drift ratio changes for the specimens are presented in Figure 7a–f. As is known, as the intensity of a dynamic loading acting on any structure increases, the consequent drift ratios in that structure also increase. Limiting the drift ratios is one of the most important criteria to control the damage in all modern earthquake regulations. In the three column–beam connection types considered in this study, drift ratios increased with the magnitude of loading, and more damage was observed naturally in the specimens.
Figure 7. Load-displacement relationships of specimens: (a) specimen DC1; (b) specimen DC2; (c) specimen PT1; (d) specimen PT2; (e) specimen PTS1; and (f) specimen PTS2.
Figure 7. Load-displacement relationships of specimens: (a) specimen DC1; (b) specimen DC2; (c) specimen PT1; (d) specimen PT2; (e) specimen PTS1; and (f) specimen PTS2.
Buildings 14 03910 g007
When the graphs in Figure 7 are examined, it is seen that only the DC samples exhibit a slippage behaviour, especially in the positive region and in the advanced stages of the loading. It seems that if the loading had been carried to further stages, there would have been a possibility of failure in the DC specimens due to slippage in the connection region. In fact, examinations made after earthquakes in precast structures reveal that this traditional connection type suffers from sliding damage, especially in great earthquakes. On the other hand, in Figure 7c–f, it is clearly seen that such a sliding behaviour does not occur in the PT or PTS specimens. In these samples, load-displacement curves exhibit stable hysteretic loops without obvious sudden loss of strength or stiffness, pointing out that there was no sliding or shear effect until the end of testing. This observation shows that these two connection types are significantly safer against the risk of sliding than the DC connection type.
It is useful to explain how the initial stiffnesses of the samples were obtained. Skeleton curves were drawn by taking into account the maximum load value in the hysteresis curves (in the third cycle of each) for each drift ratio from the load–drift ratio graphs. Using these skeleton curves, yield load Py, the corresponding yield displacement Δy, the peak load Pu, and the corresponding displacement Δu are the calculated parameters. Yield load and the yield displacement corresponding to this load are defined in Figure 8. The calculation of these parameters is conducted by the geometro-graph method [28]. The calculation steps of this method are: (1) The point c, where the tangent drawn from the origin O to the skeleton curve intersects the horizontal a-b line drawn from the peak point of the curve, is determined; (2) the point d, where the vertical line drawn from the point c intersects the skeleton curve, is found; (3) the line drawn from the origin O to the point d is extended to intersect the a-b line, and the point e is determined; and (4) the load amount corresponding to the point f, where the line drawn from point e intersects the skeleton curve, is the yield load, and the displacement amount is the yield displacement. The parameters calculated from the results obtained from the experimental specimens are summarized in Table 4. Although the stiffness value explained above is called “initial stiffness” in the literature, it is actually more correct to call it “secant stiffness.” This is because, as is seen, in obtaining this parameter, the inelastic, i.e., plastic, behaviour exhibited by the element is also taken into account.
The initial stiffness of the connection region was determined according to Equation (1). In this equation, Py represents the yield force and Δy represents the yield displacement. The initial stiffness values of the experimental specimens range from 4–5 kN/mm in the positive region of the skeleton curves and from 2–3 kN/mm in the negative area. The displacement at the moment of formation of the first crack and the corresponding load value are taken as basis for the calculation of the initial stiffness of the specimens.
K 0 = P y y ,
In all the experimental specimens, the first crack occurred as a flexural crack near the junction of the column and foundation. The first crack was observed at approximately 80 kN in the DC1-2 specimens, about 50 kN in the PT1-2 specimens, and around 80 kN in the PTS1-2 specimens. When considering the initial stiffness values and crack formations together, it can be concluded that the specimens exhibited similar behaviours in terms of initial stiffness.
As is very well-known, the initial slope of the load-displacement curve of a structural element or structural system, that is, the initial stiffness, is a very good indicator of the strength of that element or system. On the other hand, the high initial stiffness also gives a good idea about the inelastic energy dissipation capacity of the element or the system. When the ‘skeleton curves’ of the test specimens presented in Figure 9 are evaluated in light of this technical knowledge, it is seen that the specimens with high initial stiffness also have high load-carrying ability and high inelastic energy absorption capacity (compare, for example, the curves of the PTS2 and DC1 specimens). Of course, some deviations were observed in the test results. However, it is clear that these occurred for reasons such as the test conditions (for example, the engagement of the column base to the socket foundation) not being able to be realized identically in all samples.
Some specimens could not have their initial stiffness calculated because they had not yet reached the peak load values in the positive region of the skeleton curves. Since all specimens had not reached their ultimate load values, ductility ratios could not be calculated, either. This indicates that a drift ratio of 5% was insufficient for clearly revealing the results in the experiments involving precast structures. To effectively compare essential parameters such as energy dissipation capacity and ductility ratios between the specimens, the drift ratio in the experiments should be increased beyond 5%.

3.3. Energy Dissipation

The capacity of the column–beam connection regions to undergo inelastic deformations under cyclic loading, along with the amount of energy dissipated through the resulting hysteretic cyclic behaviour, is a significant determinant in reducing the overall damage to a structure. For structures to maintain their strength within certain limits under dynamic loads such as earthquakes, a high energy dissipation capacity is a crucial feature expected to reduce damage and loss of life. Numerous studies have been conducted to determine the energy dissipation capacities by evaluating the hysteretic curves’ total areas formed from the column–beam joints’ load-displacement relationships under cyclic loading [29,30].
The graph showing the cumulative energy dissipation capacities of the test specimens is presented in Figure 10a. When an evaluation is formed by taking the averages of the energy dissipation capacities among the specimens (DC1-DC2, PT1-PT2, and PTS1-PTS2), it is seen that the specimens have similar energy capacities. When the average energy dissipation capacities of the DC specimens were taken as comparison values, it was determined that the average energy dissipation capacities of the PT and PTS samples were 2.85% lower and 3.65% higher than the DC samples, respectively. Therefore, it is understood that the column–beam connection types considered are not very different from each other in terms of energy absorption capacities. The columns of all the samples are identical, and the beams are also identical in terms of their dimensions and reinforced concrete reinforcement except for the types of connections to the columns. In other words, the test samples were globally sized equivalently to each other in order for the comparisons to be meaningful. Also, while determining the dimensions of the tendons in the PT samples and the tendons and springs in the PTS samples, the preservation of the mentioned equivalence was maintained with the calculations made. For all these reasons, it is not surprising that the energy dissipation capacities obtained from the hysteresis curves of the samples are close to each other. If the samples had been loaded to their limit states, of course, the effect of the difference between the column–beam connection types on the energy dissipation capacities would have been more evident.
In the precast column–beam connections, the energy dissipation factor ηed was used to evaluate the energy dissipation capacity of the specimens [31]. For a given drift ratio, ηed is defined by the expression in Equation (2).
η e d = 2 E T Δ m a x + P m a x + + m a x P m a x ,
Here, ET represents the hysteretic cycle area (of the third cycle), m a x + , m a x are the maximum displacements in the positive and negative directions, respectively, and P m a x + , P m a x are the maximum loads in the positive and negative directions, respectively. The graphs of the energy dissipation ratios for the test specimens are shown in Figure 10b.
The kinetic energy applied to the test specimens through a hydraulic actuator is dissipated differently depending on the connection types of the columns and beams, specifically at the column–socket foundation junction and the column–beam junction. In the DC specimens, the region with dowels exhibited post-elastic behaviour, resulting in permanent deformations and damage in the dowels and that area. In the PT specimens, the energy dissipation capacity was somewhat lower than in the DC and PTS specimens. Still, the elastic connection provided by the tendons led to less damage than the DC specimens. In the PTS specimens, displacements occurred in the springs, as shown in Figure 11. These displacements resulted in forces (F) that are equal to the product of the equivalent stiffness (keq) and the displacement amount (x), as indicated in Equation (3).
F = k e q x
The forces generated in the springs work through the displacements they produce, dissipating energy within the springs. The amount of dissipated energy in the PTS1 and PTS2 specimens is illustrated in Figure 12. On average, 28% of the energy in the PTS specimens was dissipated through elastic deformations in the springs. This significant portion of energy dissipation through elastic deformation explains why the PTS specimens exhibited minimal damage at the column–foundation junction and remained undamaged at the column–beam connections, as described in Section 3.1. This research demonstrates that the proposed steel spring tendon system can significantly enhance the protection of column–beam connections in precast structures against dynamic loads such as earthquakes and strong winds, thereby better safeguarding the structure and its occupants and equipment.
Small plastic deformations began to develop in all test specimens at a drift ratio of 0.75%. The energy dissipation factor at this drift ratio was 1.3 times greater for the PT specimens and 1.5 times greater for the PTS specimens than the DC specimens. After a drift ratio of 1.85%, an upward trend began in all specimens, continuing up to a drift ratio of 5%. It was observed that if the drift ratio could be increased further, there would likely be a continued tendency for an increase. This result further highlights that exceeding a drift ratio of 5% is necessary to observe the ultimate behaviour in experimental studies related to precast structures.

4. Conclusions

In this study, the effects of different connection types on the behaviour of precast structures under cyclic loading were investigated, focusing on dowel connections (DC), post-tensioned tendon connections (PT), and a system incorporating steel springs with post-tensioned tendons (PTS). The key findings of the study are summarized below.
As cyclic loading commenced and gradually increased, initial cracks developed in all specimens at the junction of the column and socket foundation, manifesting as bending cracks in the columns, which then continued parallel towards the midsection of the columns. Damage also occurred at the short console joint where the beam rests on the column, depending on the specimen type. In the DC specimens, more numerous and more profound bending cracks formed at the column–socket junction compared to the PT and PTS specimens. It can be expressed that the main reason for this situation is that the force is transmitted directly from the beam to the column in the DC connection type, whereas in the other two connection types, due to the presence of tendons and tendons + springs, it is transferred indirectly, that is, more softly. In the DC specimens, concrete spalling and permanent deformations occurred in the dowels, while the PT specimens showed minimal damage, and the PTS specimens exhibited almost no damage. The PTS specimens displayed significantly better behaviour than the DC and PT specimens regarding crack development and damage formation.
The initial stiffnesses calculated according to the test results of the samples were very close to each other. On the other hand, it was observed that none of the specimens reached their ultimate load values based on the skeleton curves, resulting in the inability to calculate specific parameters like the ductility ratio. It became clear that a drift ratio of 5% is insufficient for experiments on precast structures, suggesting the need to exceed this ratio in similar tests.
When comparing the energy dissipation capacities of the specimens, it was observed that they had similar capacities. In the DC specimens, due to the absence of equipment existing in the PT and PTS samples, energy was dissipated through almost entirely with inelastic behaviour, causing permanent deformations and concrete spalling at the column–foundation and column–beam connections. While significant slippage was observed in the DC samples, no such event occurred in the other samples. In the PT specimens, tendons provided a more elastic connection at the column–beam junction, resulting in less damage than the DC specimens. In the PTS specimens, the added steel springs dissipated approximately one-third of the energy via elastic deformations. This reduced crack depths and broader distribution in the column–foundation area, with almost no damage at the column–beam connection. This indicates that the proposed PTS system offers significant advantages in protecting the structure and its occupants from dynamic loads like earthquakes.
In summary, the study has shown that the PTS system proposed in this work is an advisable connection type for column–beam connections in precast structures to be constructed in earthquake zones. In case the beam of the structural system is short, the post-tensioning tendons can be passed along the entire length of the beam, while in the systems with long beams, the tendons can be placed close to the connection area of the beam with a suitable arrangement. The springs to be used in these systems are quite easy to find, and their costs are reasonable in today’s conditions. Finally, it can be said that the PTS connection proposed does not have a significant difference in terms of longevity and maintenance compared to the DC and PT systems. It is sufficient to protect the region where the springs are located from atmospheric conditions.

Author Contributions

Conceptualization, R.K.P. and I.Y.; methodology, R.K.P. and I.Y.; software, R.K.P.; validation, R.K.P. and I.Y.; formal analysis, R.K.P. and I.Y.; investigation, R.K.P. and I.Y.; resources, R.K.P. and I.Y.; data curation, R.K.P. and I.Y. writing—original draft preparation, R.K.P.; writing—review and editing, I.Y.; visualisation, I.Y.; supervision, R.K.P.; project administration, R.K.P.; funding acquisition, R.K.P. and I.Y. All authors have read and agreed to the published version of the manuscript.

Funding

This research was supported by the Harran University Scientific Research Projects Coordination Unit of Turkey (HUBAP project numbers: 16073 and 17122).

Data Availability Statement

Most data are included in the manuscript.

Acknowledgments

The authors would like to express their gratitude to the Turkish Prefabricated Association.

Conflicts of Interest

The authors declare no conflicts of interest.

References

  1. Fischinger, M.; Zoubek, B.; Kramar, T.; Isakovic, T. Cyclic Response of Dowel Connections in Precast Structures. In Proceedings of the World Conference on Earthquake Engineering, Lisbon, Portugal, 24–28 September 2012. [Google Scholar]
  2. Toniolo, G.; Colombo, A. Precast concrete structures: The lessons learned from the L’Aquila Earthquake. Struct. Concr. 2012, 13, 73–83. [Google Scholar] [CrossRef]
  3. Khare, R.K.; Maniyar, M.M.; Uma, S.R.; Bidwai, V.B. Seismic performance and design of precast concrete building structures: An overview. J. Struct. Eng. 2011, 38, 272–284. [Google Scholar]
  4. Avcil, F. Investigation of Precast Reinforced Concrete Structures during the 6 February 2023 Türkiye Earthquakes. Sustainability 2023, 15, 14846. [Google Scholar] [CrossRef]
  5. Arslan, M.H.; Dere, Y.; Ecemiş, A.S.; Doğan, G.; Özturk, M.; Korkmaz, S.Z. Code-based damage assessment of existing precast industrial buildings following the February 6th, 2023 Kahramanmaraş earthquakes (Pazarcık Mw 7.7 and Elbistan Mw7. 6). J. Build. Eng. 2024, 86, 108811. [Google Scholar] [CrossRef]
  6. Reza, H.; Osama, Y.; Julie, E.M.; Rajibul, K.; Thomas, V. Performance of segmental self-centering rubberized concrete columns under different loading directions. J. Build. Eng. 2018, 20, 285–302. [Google Scholar]
  7. Li, Y.; Geng, F.; Ding, Y.; Wang, L. Influence of mild steel damper design parameters on energy dissipation performance of low-damage self-centering precast concrete frame connections. Soil. Dyn. Earthq. Eng. 2021, 144, 106696. [Google Scholar] [CrossRef]
  8. Morgen, B.G.; Kuruma, Y.C. Seismic design of friction-damped precast concrete frame structures. J. Struct. Eng. 2007, 133, 1501–1511. [Google Scholar] [CrossRef]
  9. Vinutha, D.; Vidjeapriya, R. Cyclic performance of precast hollow core slab to beam connections using innovative assembling technique. Soil. Dyn. Earthq. Eng. 2024, 183, 108816. [Google Scholar] [CrossRef]
  10. Ertas, O.; Ozden, S.; Ozturan, T. Ductile connections in precast concrete moment resisting frames. Concr. Constr. 2006, 9, 11. [Google Scholar] [CrossRef]
  11. Maya, L.F.; Zanuy, C.; Albajar, L.; Lopez, C.; Portabella, J. Experimental assessment of connections for precast concrete frames using ultra high performance fibre re inforced concrete. Constr. Build. Mater. 2013, 48, 173–186. [Google Scholar] [CrossRef]
  12. Vidjeapriya, R.; Jaya, K.P. Behaviour of precast beam-column mechanical connections under cyclic loading. Asian J. Civ. Eng. 2012, 13, 233–245. [Google Scholar]
  13. Li, Z.; Lv, Y.; Xu, L.; Ding, Y.; Zhao, Q. Experimental studies on nonlinear seismic control of a steel-concrete hybrid structure using mr dampers. Eng. Struct. 2013, 49, 248–263. [Google Scholar] [CrossRef]
  14. Morgen, B.; Kurama, Y.C. Friction damper for post-tensioned precast concrete beam to-column joints. PCI J. 2004, 49, 112–133. [Google Scholar] [CrossRef]
  15. Ersoy, U.; Tankut, T. Precast concrete members with welded plate connections under reversed cyclic loading. PCI J. 1993, 38, 94–100. [Google Scholar] [CrossRef]
  16. Mitchell, D.; DeVall, R.H.; Saatcioglu, M.; Simpson, R.; Tinawi, R.; Tremblay, R. Damage to concrete structures due to the 1994 Northridge earthquake. Can. J. Civ. Eng. 1995, 22, 361–377. [Google Scholar] [CrossRef]
  17. Nakaki, S.D.; Englekirk, R.E.; Plaehn, J.L. Ductile connectors for a precast concrete frame. PCI J. 1994, 39, 46–59. [Google Scholar] [CrossRef]
  18. Elliott, K.S. Research and Development in Precast Concrete Framed Structures. Prog. Struct. Engng. Mater. 2000, 2, 405–428. [Google Scholar] [CrossRef]
  19. TS EN 197-1; Cement-Part 1: Composition Specification and Conformity Criteria for Common Cements. Turkish Standart Institute: Ankara, Turkey, 2012.
  20. TS EN 12390-3; Testing Hardened Concrete—Part 3: Compressive Strenght of Test Specimens. Turkish Standart Institute: Ankara, Turkey, 2019.
  21. TS 500; Requirements for Design and Construction of Reinforced Concrete Structures. Turkish Standart Institute: Ankara, Turkey, 2000.
  22. TS EN 13369; Common Rules for Precast Concrete Products. Turkish Standart Institute: Ankara, Turkey, 2024.
  23. TS EN ISO 6892-1; Metallic Materials—Tensile Testing—Part 1: Method of Test at Room Temperature. Turkish Standart Institute: Ankara, Turkey, 2020.
  24. ACI 374.1-05; Acceptance Criteria for Moment Frames Based on Structural Testing and Commentary. American Concrete Institute: Detroit, MI, USA, 2005.
  25. Hakuto, S.; Park, R.; Tanaka, H. Seismic load tests on interior and exterior beam-column joints with substandard reinforcing details. ACI Struct. J. 2000, 97, 11–25. [Google Scholar]
  26. Ghobarah, A.; El-Amoury, T. Seismic rehabilitation of deficient exterior concrete frame joints. J. Compos. Constr. 2005, 9, 408–416. [Google Scholar] [CrossRef]
  27. Chun, S.C.; Lee, S.H.; Kang, T.H.-K.; Oh, B.; Wallace, J.W. Mechanical anchorage in exterior beam-column joints subjected to cyclic loading. ACI Struct. J. 2007, 104, 102–112. [Google Scholar]
  28. Nie, J.G.; Qin, K.; Liu, R. Experimental study on seismic behavior of connections composed of concrete-filled square steel tulubar columns and steel-concrete composite beams with interior diaphragms. J. Build. Struct. 2006, 20, 1–9. [Google Scholar]
  29. Ghayeb, H.H.; Razak, H.A.; Sulong, N.H.R. Development and testing of hybrid precast concrete beam-to-column connections under cyclic loading. Constr. Build. Mater. 2017, 151, 258–278. [Google Scholar] [CrossRef]
  30. Pekgökgöz, R.K.; Avcil, F. Effect of steel fibres on reinforced concrete beam-column joints under reseved cyclic loading. Gradevinar 2021, 12, 1185–1194. [Google Scholar]
  31. European Commitee for Standardization. Eurocode 8: Design of Structures for Earthquake Resistance-Part 1: General Rules, Seismic Actions and Rules for Buildings; European Committee for Standardization: Brussels, Belgium, 2004. [Google Scholar]
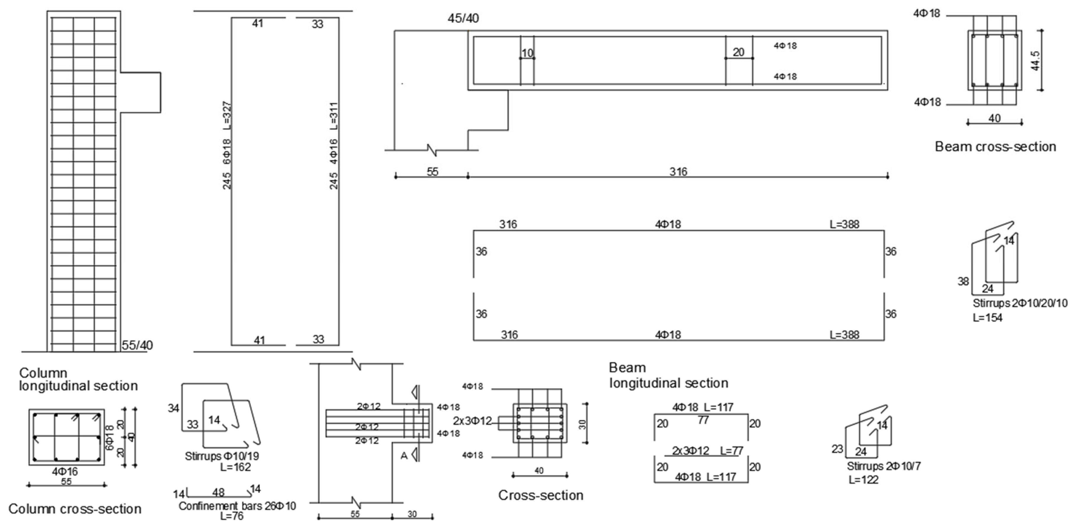
Figure 1. Details of the test specimens (all dimensions are in cm).
Figure 1. Details of the test specimens (all dimensions are in cm).
Buildings 14 03910 g001
Figure 2. Connection types used in test specimens: (a) dowel connection; (b) post-tensioning connection; and (c) post-tensioning and springs connection.
Figure 2. Connection types used in test specimens: (a) dowel connection; (b) post-tensioning connection; and (c) post-tensioning and springs connection.
Buildings 14 03910 g002
Figure 3. Photographs of the experimental setup.
Figure 3. Photographs of the experimental setup.
Buildings 14 03910 g003
Figure 4. Schematic view of the experimental setup.
Figure 4. Schematic view of the experimental setup.
Buildings 14 03910 g004
Figure 5. Displacement controlled loading.
Figure 5. Displacement controlled loading.
Buildings 14 03910 g005
Figure 6. Failure modes of concrete specimens: (a) specimen DC1; (b) specimen DC2; (c) specimen PT1; (d) specimen PT2; (e) specimen PTS1; and (f) specimen PTS2.
Figure 6. Failure modes of concrete specimens: (a) specimen DC1; (b) specimen DC2; (c) specimen PT1; (d) specimen PT2; (e) specimen PTS1; and (f) specimen PTS2.
Buildings 14 03910 g006
Figure 8. Definitions of yielding displacement and yielding load.
Figure 8. Definitions of yielding displacement and yielding load.
Buildings 14 03910 g008
Figure 9. Skeleton curves of specimens.
Figure 9. Skeleton curves of specimens.
Buildings 14 03910 g009
Figure 10. (a) Cumulative energy dissipation of specimens; (b) energy dissipation factors for specimens.
Figure 10. (a) Cumulative energy dissipation of specimens; (b) energy dissipation factors for specimens.
Buildings 14 03910 g010
Figure 11. Displacement variation in the springs of PTS specimens.
Figure 11. Displacement variation in the springs of PTS specimens.
Buildings 14 03910 g011
Figure 12. Change in energy dissipation in springs of PTS specimens.
Figure 12. Change in energy dissipation in springs of PTS specimens.
Buildings 14 03910 g012
Table 1. Amounts of materials used in concrete mix.
Table 1. Amounts of materials used in concrete mix.
Cement
(kN/m3)
Water
(kN/m3)
Water/CementRiver Sand
(0–4 mm)
(kN/m3)
Middle Basalt
(8–16 mm)
(kN/m3)
Rough Basalt
(11–22.4 mm)
(kN/m3)
Chemical Additive
(kN/m3)
3.81.60.4210.601.676.330.04
Table 2. Properties of steel tendons.
Table 2. Properties of steel tendons.
Diameter
(mm)
Cross-Sectional Area
(mm2)
Yield Strength
(MPa)
Ultimate Strength
(MPa)
Modulus of Elasticity
(GPa)
Elongation at Rupture
(%)
15.24140167618601903.5
Table 3. Properties of steel reinforcement.
Table 3. Properties of steel reinforcement.
RebarYield Strength
(MPa)
Tensile Strength
(MPa)
Modulus of Elasticity
(GPa)
Elongation
(%)
S42047760020021.1
Table 4. Summary of the experimental results for the specimens.
Table 4. Summary of the experimental results for the specimens.
SpecimenCumulative Energy Dissipation Yielding LoadMaximum LoadInitial Stiffness
kNmm Δy/mmPy/kNΔu/mmPu/kNkN/mm
DC119,411Positive-----
Negative49.6122801532.46
DC222,030Positive62.425168.82544.02
Negative45.6138801553.02
PT122,153Positive6430880325
Negative37.617251.21874.57
PT218,104Positive59.2320803505.41
Negative-----
PTS120,674Positive-----
Negative36.8105801222.85
PTS222,340Positive-----
Negative64164801682.56
Disclaimer/Publisher’s Note: The statements, opinions and data contained in all publications are solely those of the individual author(s) and contributor(s) and not of MDPI and/or the editor(s). MDPI and/or the editor(s) disclaim responsibility for any injury to people or property resulting from any ideas, methods, instructions or products referred to in the content.

Share and Cite

MDPI and ACS Style

Pekgokgoz, R.K.; Yakut, I. Investigation of Passive Controlled Post-Tensioning System on the Structural Behaviour of Precast Reinforced Concrete Beam–Column Connections. Buildings 2024, 14, 3910. https://doi.org/10.3390/buildings14123910

AMA Style

Pekgokgoz RK, Yakut I. Investigation of Passive Controlled Post-Tensioning System on the Structural Behaviour of Precast Reinforced Concrete Beam–Column Connections. Buildings. 2024; 14(12):3910. https://doi.org/10.3390/buildings14123910

Chicago/Turabian Style

Pekgokgoz, Recep Kadir, and Ihsan Yakut. 2024. "Investigation of Passive Controlled Post-Tensioning System on the Structural Behaviour of Precast Reinforced Concrete Beam–Column Connections" Buildings 14, no. 12: 3910. https://doi.org/10.3390/buildings14123910

APA Style

Pekgokgoz, R. K., & Yakut, I. (2024). Investigation of Passive Controlled Post-Tensioning System on the Structural Behaviour of Precast Reinforced Concrete Beam–Column Connections. Buildings, 14(12), 3910. https://doi.org/10.3390/buildings14123910

Note that from the first issue of 2016, this journal uses article numbers instead of page numbers. See further details here.

Article Metrics

Back to TopTop