Deformation Analysis of Novel Sorbite Stainless Steel-Aluminum Alloy Attached Lifting Protection Platform
Abstract
:1. Introduction
2. Midas GEN Finite Element Model Verification
2.1. Experiment Overview
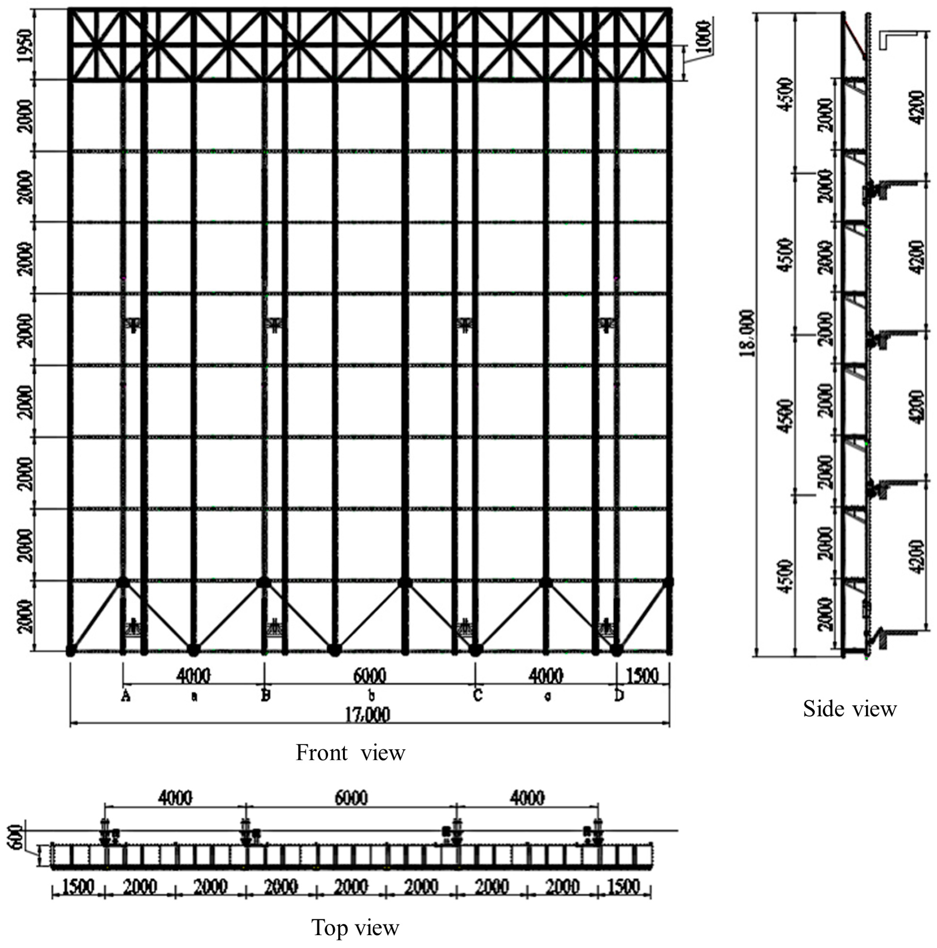
2.1.1. Structural Layout
2.1.2. Loading Scheme
2.1.3. Measurement Points Arrangement
- (1)
- Strain measurement points
- (2)
- Deflection measurement points
2.2. Establishment of Finite Element Model of All-Steel Attached Lifting Protection Platform
2.2.1. Material Properties
2.2.2. Connection Condition
2.3. Comparison between Simulation and Experimental Data of All-Steel Attached Lifting Protection Platform
2.3.1. Operating Condition
2.3.2. Lifting Condition
3. Establishment and Analysis of Whole Model of a Novel Sorbite Stainless Steel-Aluminum Alloy Attached Lifting Protection Platform
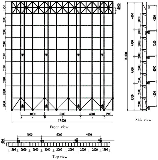
3.1. Establishment of Whole Model
3.1.1. Material Selection
3.1.2. Connection Condition
3.1.3. Boundary Condition
3.2. Overall Deformation Analysis
4. Establishment and Analysis of Wall-Attached Support Model of Novel Sorbite Stainless Steel-Aluminum Alloy Attached Lifting Protection Platform
4.1. Constitutive Relation of Materials
4.2. Element Selection and Boundary Condition
4.3. Load Condition
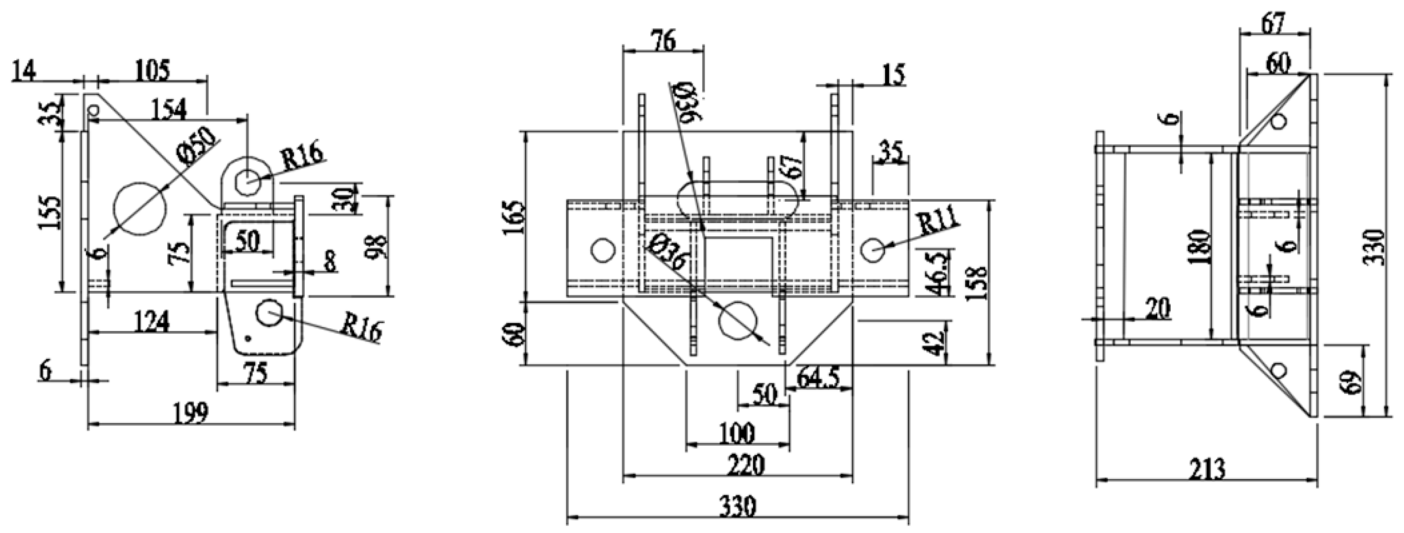
4.4. Finite Element Analysis of Wall-Attached Support
4.4.1. Deformation Results
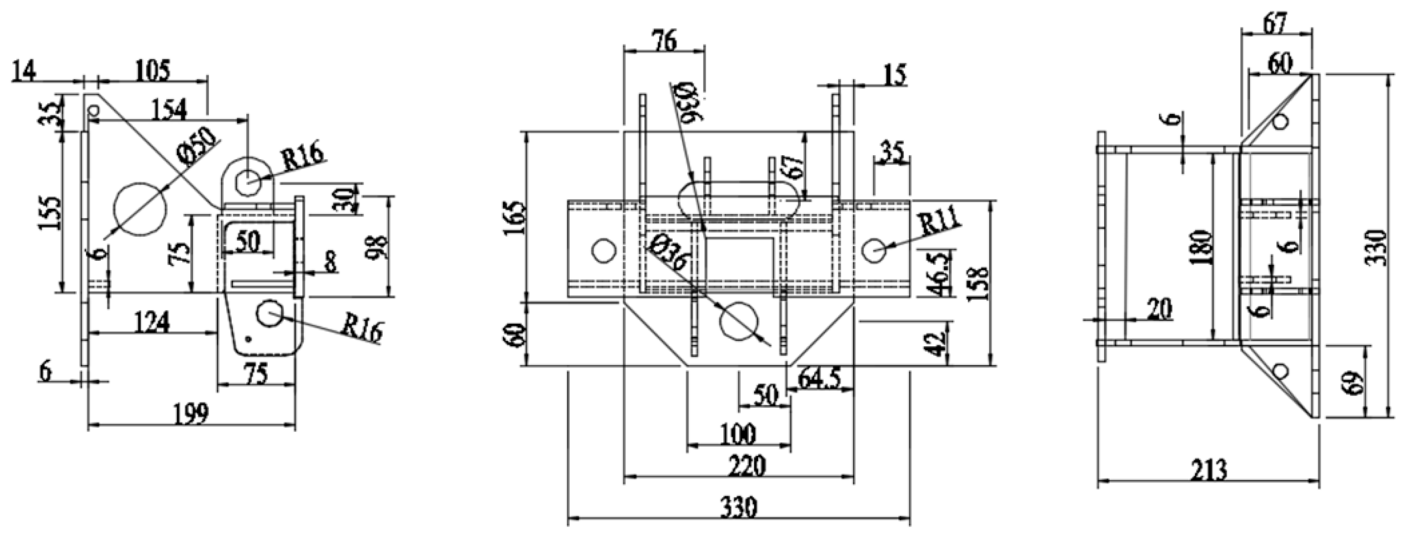
4.4.2. Verifying Estimation of Bolt Strength at Connection between Wall-Attached Support and Main Structure
4.4.3. Verifying Estimation of Concrete Strength at Connection between Wall-Attached Support and Main Structure
5. Key Parameters Analysis on Deformation of Novel Sorbite Stainless Steel-Aluminum Alloy Attached Lifting Protection Platform
5.1. Influence of Cantilever Height of Protection Platform on Deformation
5.2. Influence of Horizontal Spacing between Two Wall-Attached Supports on Deformation
5.3. Influence of Cross-Sectional Size of Main Frame Fittings on Deformation
5.3.1. Influence of Type of Channel Steel of Guide Rail on Deformation
5.3.2. Influence of Sectional Size of Vertical Bar of Guideway Rail on Deformation
6. Comparison of Economic Benefits
7. Conclusions
- (1)
- Deformation of the novel sorbite stainless steel-aluminum alloy attached lifting protection platform in all directions under operating and lifting conditions with positive and negative wind pressure is less than 70% limitation of the “Code for Design of Aluminum Alloy structures”. Among these, the Y-direction deformation under the lifting condition with negative wind pressure reaches 76.9%. The maximum composite deformation of the wall-attached support is 0.725 mm, and the highest stress (490.2 MPa < 510 MPa) appears at the intersection of the bottom and the side plate, satisfying the code requirements and maintaining structural safety.
- (2)
- Maximum deformation of the main frame correlates positively with the cantilever height. Under operating conditions with negative wind pressure, an increase of 100 mm in cantilever height causes a 1.25 mm increment in deformation. The maximum frame deformation reduces as the section height of the guide rail grows, but the range of variation is limited (1.61 mm vs. 10 mm), whose most significant value is under lifting condition with negative wind pressure. The quadratic coefficient of negative wind pressure under lifting conditions can reach 9.52.
- (3)
- When the support spacing on one side remains constant, the maximum deformation of the main frame rises when the support spacing on the other side is extended. When the whole spacing is fixed, uniform spacing helps decrease deformation. Moreover, the shifting trend under operation condition is less pronounced than under lifting condition. The maximum slope of the lifting condition is 2.27 times that of the operating condition.
- (4)
- With an increase in channel steel type of guide rail, the maximum deformation of the main frame falls (each type vs. 6.45 mm), and the decline is most apparent under lifting condition. Therefore, this is the most critical factor in structural optimization.
- (5)
- The raw cost and structural performance of all-steel and novel sorbite stainless steel-aluminum safety protection platforms are comparable. Nevertheless, the corrosion resistance of stainless steel and aluminum alloy is far more excellent than that of conventional steel. Therefore, the reuse rate of the former (300–500 times in standardized construction projects) is significantly higher than that of the latter (30–40 times), favorable for substantial long-term economic benefits.
Author Contributions
Funding
Institutional Review Board Statement
Informed Consent Statement
Data Availability Statement
Acknowledgments
Conflicts of Interest
References
- Yue, F.; Li, G.Q.; Yuan, Y. Design Methods of Integral-Lift Tubular Steel Scaffolds for High-Rise Building Construction. Struct. Des. Tall Spec. Build. 2012, 21, 46–56. [Google Scholar] [CrossRef]
- Liu, J.; Huang, H.; Ma, Z.J.; Chen, J. Effect of shear reinforcement corrosion on interface shear transfer between concretes cast at different times. Eng. Struct. 2021, 232, 111872. [Google Scholar] [CrossRef]
- Wang, Y.; Li, Q. Application of Aluminum Alloy Formwork in Some Super Tall Building. Constr. Technol. 2011, 40, 35–37,75. [Google Scholar]
- Liu, J. Application Foreground and ProductionState of Aluminium Alloy Large-Size Extrusion Materials. Light Alloy Fabr. Technol. 2005, 33, 8–11. [Google Scholar]
- GB/T 50429-2007; Code for Design of Aluminium Structures. Ministry of Construction of the People’s Republic of China: Beijing, China, 2007.
- Ma, X.; Zhang, C.; Zhang, Z. Microstructure and Properties of Sorbite Stainless Steel Designed by “Hybrid” Idea. Mater. Rep. 2020, 34, 103–107. [Google Scholar] [CrossRef]
- Zhong, C.; Shen, R.; Wang, H. Research on ultimate bearing capacity state and structure optimization of main cable saddle. Structures 2021, 33, 28–40. [Google Scholar] [CrossRef]
- Zheng, B.; Yang, S.; Jin, X.; Shu, G.; Dong, S.; Jiang, Q. Test on Residual Stress Distribution of Welded S600E High-Strength Stainless Steel Sections. J. Constr. Steel Res. 2020, 168, 105994. [Google Scholar] [CrossRef]
- Huang, Y.; Gan, V.J.L.; Chen, H.; Yang, J. Behavior of a two-way lightweight steel-concrete composite slab voided with thin-walled core boxes towards sustainable construction. Materials 2020, 13, 4129. [Google Scholar] [CrossRef] [PubMed]
- Sun, Z.; Niu, D.; Wang, X.; Zhang, L.; Luo, D. Bond behavior of coral aggregate concrete and corroded Cr alloy steel bar. J. Build. Eng. 2022, 61, 105294. [Google Scholar] [CrossRef]
- Chen, H.; Qin, R.; Lau, D. Recycling used engine oil in concrete design mix: An ecofriendly and feasible solution. J. Clean. Prod. 2021, 329, 129555. [Google Scholar] [CrossRef]
- PrEN1999-1-1:2002; Design of Aluminium Structures-General Structural Rules. CEN: Brussels, Belgium, 2002.
- Li, J. Theoretical and Experimental Study on Static Strength of Aluminum Alloy Structural Connection. Ph.D. Thesis, Tongji University, Shanghai, China, 2006. [Google Scholar]
- Guo, X.; Shen, Z.; Li, Y. Stress-Strain Relationship and Physical-Mechanical Properties of Domestic Structural Aluminum Alloy. J. Build. Struct. 2007, 28, 110–117. [Google Scholar]
- Yang, X. Stability Capacity Experimental Investigation and Numerical Analysis of H-Section High Strength Aluminum Alloy Beam-Columns. Master’s Thesis, Harbin Institute of Technology, Harbin, China, 2013. [Google Scholar]
- Huang, Y.; Yang, J.; Zhong, C. Flexural performance of assembly integral floor structure voided with steel mesh boxes. J. Build. Eng. 2022, 54, 104693. [Google Scholar] [CrossRef]
- Yang, J.; Chen, H.; Hu, S.; Gan, V.J.L. Experimental studies on the flexural behaviour of steel-concrete composite beams with transverse and longitudinal hidden girders. Eng. Struct. 2019, 179, 583–594. [Google Scholar] [CrossRef]
- Wang, H.; Du, W.; Zhao, Y.; Wang, Y.; Yang, M. Optimization and experimental research on treelike joints based on generative design and powder bed fusion. Eng. Struct. 2023, 278, 115564. [Google Scholar] [CrossRef]
- Macdonald, M.; Rhodes, J.; Taylor, G.T. Mechanical Properties of Stainless Steel Lipped Channels. In Proceedings of the International Specialty Conference on Cold-Formed Steel Structures, St. Louis, MO, USA, 19–20 October 2000; pp. 673–686. [Google Scholar]
- Rasmussen, K.J.R.; Burns, T.B.P. Design of Stiffened Elements in Cold-Formed Stainless Steel Sections. J. Struct. Eng. 2004, 130, 1764–1771. [Google Scholar] [CrossRef]
- Hradil, P.; Fülöp, L.T.A. Global Stability of Thin-Walled Ferritic Stainless Steel Members. Thin-Walled Struct. 2012, 61, 106–114. [Google Scholar] [CrossRef]
- Yuan, H. Local and Local-Overall Buckling Behaviour of Welded Stainless Steel Members under Axial Compression. Ph.D. Thesis, Tsinghua University, Beijing, China, 2014. [Google Scholar]
- Gardner, L.; Nethercot, D.A. Experiments on Stainless Steel Hollow Sections-Part 1: Material and Cross-Sectional Behaviour. J. Constr. Steel Res. 2004, 60, 1291–1318. [Google Scholar] [CrossRef]
- Zheng, B. Experimental Study on Material Properties of Stainless Steelat Room Temperature. Steel Constr. 2011, 26, 1–6+55. [Google Scholar]
- Zheng, B. Investigations on the Key Problems in the Mechanical Proper-Ties of Cold Formed Stainlesssteel Structures. Ph.D. Thesis, Southeast University, Nanjing, China, 2017. [Google Scholar]
- Quach, W.M.; Teng, J.G.; Chung, K.F. Three-Stage Full-Range Stress-Strain Model for Stainless Steels. J. Struct. Eng. 2008, 134, 1518–1527. [Google Scholar] [CrossRef]
- Huang, Y.; Yang, J.; Feng, R.; Chen, H. Resistance of Cold-Formed Sorbite Stainless Steel Circular Tubes under Uniaxial Compression. Thin-Walled Struct. 2022, 179, 109739. [Google Scholar] [CrossRef]
- Yu, W.K.; Chung, K.F.; Chan, S.L. Structural Instability of Multi-Storey Door-Type Modular Steel Scaffolds. Eng. Struct. 2004, 26, 867–881. [Google Scholar] [CrossRef]
- Zhang, H.; Rasmussen, K.J.R.; Ellingwood, B.R. Reliability Assessment of Steel Scaffold Shoring Structures for Concrete Formwork. Eng. Struct. 2012, 36, 81–89. [Google Scholar] [CrossRef]
- JGJ 202-2010; Technical Code for Safety of Implementation Scaffold Practice in Construction. Ministry of Housing and Urban-Rural Development of the People’s Republic of China: Beijing, China, 2010.
- JG/T 546-2019; Safety Protection Platform for Adhering Type Lifting Operation for Building Construction. Ministry of Housing and Urban-Rural Development of the People’s Republic of China: Beijing, China, 2019.
- Wu, X. Simulation Analysis of Aluminum Alloy Attached Lifting Scaffold in Engineering. Technol. Innov. Appl. 2022, 12, 32–36. [Google Scholar]
- Wang, Z.; Wang, Z. Application Research of Construction Mode Based on “Aluminum Mold + Climbing Frame” in Super High-Rise Building. Eng. Constr. 2022, 36, 1069–1071. [Google Scholar]
- DBJ 43/T375-2021; Safety Technical Specification for Attached Lifting Scaffolding in Hunan Province. Department of Housing and Urban-Rural Development of Hunan Province: Changsha, China, 2021.
- GB 50009-2012; Load Code for the Design of Building Structures. General Administration of Quality Supervision, Inspection and Quarantine of the PR China: Beijing, China; Ministry of Housing and Urban-Rural Development of the People’s Republic of China: Beijing, China, 2012.
- Guo, H.; Huang, C.; Li, H. Selection of Welding Materials for Sorbite Stainless Steel and 30CrMnSi Dissimilar Steel. Coal Mine Mach. 2019, 40, 104–106. [Google Scholar]
- Wang, P. Marine Tempered Sorbite High Strength and Toughness Stainless Structural Steel and Its Preparation Method. CN201910973471.3, 7 August 2019. [Google Scholar]
- Shi, Q. Production Process of Saustenite Strip Steel. CN110157883A, 23 August 2019. [Google Scholar]
- Li, Z. Applicationof Aluminum Alloy Latticed Shell Structure with Large Span. Eng. Constr. 2005, 37, 14–17. [Google Scholar]
- Ouyang, Y.; Qiu, L.; Li, Z. Application and Development Review of Large—Span Aluminum Alloy Structure. Build. Struct. 2018, 48, 1–7. [Google Scholar]
- He, Q.; Wang, X. Analysis of Application and Design Points of Aluminum Alloy Structure. Eng. Technol. Res. 2019, 4, 108–109. [Google Scholar] [CrossRef]
- Zhang, G.; Shi, Y.; Wang, Y. Analysis of Connection and Design Method of Aluminum Alloy Structure. Proc. Fifth Natl. Symp. Mod. Struct. Eng. 2005, 1429–1436. [Google Scholar]
- Liu, H.J.; Fujii, H.; Maeda, M.; Nogi, K. Tensile Properties and Fracture Locations of Friction-Stir Welded Joints of 6061-T6 Aluminum Alloy. J. Mater. Sci. Lett. 2003, 22, 1061–1063. [Google Scholar] [CrossRef]
- Shi, Y.; Cheng, M.; Wang, Y. Application and Research of Aluminum Alloy in Building Structure. Build. Sci. 2005, 21, 7–11. [Google Scholar]
- Özkılıç, Y.O. Interaction of Flange and Web Slenderness, Overstrength Factor and Proposed Stiffener Arrangements for Long Links. J. Constr. Steel Res. 2022, 190, 107150. [Google Scholar] [CrossRef]















| Number | Measurement Point Position | Number | Measurement Point Position |
|---|---|---|---|
| 1 | Wall-attached support | 7 | Lifting support |
| 2 | Internal bar of vertical main frame | 8 | Diagonal bar of lower lifting frame |
| 3 | External bar of vertical main frame | 9 | Crossbar of lower lifting frame |
| 4 | Crossbar of scaffold board | 10 | Internal bar of sub-frame |
| 5 | Crossbar of vertical main frame | 11 | Crossbar of vertical main frame |
| 6 | Diagonal bar of horizontal supporting truss | 12 | Diagonal bar of horizontal supporting truss |
| Material Level | Elastic Modulus GPa | Yield Strength MPa | Density kg/m³ |
|---|---|---|---|
| Q235 | 206 | 235 | 7850 |
| Q345 | 206 | 345 | 7850 |
| Measurement Point Number | Simulation Value N/mm2 | Experimental Value N/mm2 | Simulation Value/Experimental Value | Error % |
|---|---|---|---|---|
| 2 | +54.42 | +52.62 | 1.034 | 3.43 |
| 3 | +73.51 | +72.58 | 1.013 | 1.28 |
| 4 | +45.20 | +48.20 | 0.938 | −6.23 |
| 5 | +49.02 | +46.63 | 1.051 | 5.14 |
| 6 | +48.73 | +47.62 | 1.023 | 2.33 |
| Measurement Point Number | Simulation Value N/mm2 | Experimental Value N/mm2 | Simulation Value/Experimental Value | Error % |
|---|---|---|---|---|
| 2 | +62.13 | +59.62 | 1.042 | 4.21 |
| 3 | +82.08 | +80.41 | 1.020 | 2.08 |
| 4 | +51.1 | +53.55 | 0.954 | −4.58 |
| 5 | +54.28 | +51.58 | 1.052 | 6.81 |
| 6 | +56.39 | +54.42 | 1.036 | 3.63 |
| Measurement Point Number | Simulation Value mm | Experimental Value mm | Simulation Value/Experimental Value | Error % |
|---|---|---|---|---|
| a | 3.15 | 3.01 | 1.045 | 4.52 |
| b | 5.30 | 5.14 | 1.032 | 3.21 |
| c | 3.00 | 2.97 | 1.011 | 1.13 |
| Measurement Point Number | Simulation Value mm | Experimental Value mm | Simulation Value/Experimental Value | Error % |
|---|---|---|---|---|
| a | 4.29 | 4.11 | 1.043 | 4.32 |
| b | 7.44 | 7.31 | 1.018 | 1.84 |
| c | 4.29 | 4.17 | 1.028 | 2.81 |
| Measurement Point Number | Simulation Value N/mm2 | Experimental Value N/mm2 | Simulation Value/Experimental Value | Error % |
|---|---|---|---|---|
| 8 | +86.6 | +91.80 | 0.9432 | −5.68 |
| 10 | −67.46 | −72.12 | 0.9354 | −6.46 |
| 11 | +31.31 | +30.36 | 1.031 | 3.13 |
| 12 | +32.55 | +31.76 | 1.025 | 2.48 |
| Material | Elastic Modulus GPa | Yield Strength MPa | Tensile/Compressive/Bending Strength MPa | Shearing Strength MPa | Density kg/m³ |
|---|---|---|---|---|---|
| S600E | 206 | 600 | 510 | 200 | 7890 |
| 6061-T6 | 70 | 240 | 150 | 85 | 2700 |
| Serial Number | Component | Specifications | Material |
|---|---|---|---|
| 1 | Channel steel of guide rail | [ 8.0 | S600E |
| 2 | Vertical bar of guide rail | □ 80 × 40 × 3.0 | S600E |
| 3 | Circular bar of guide rail | ◯ 32 × 5.0 | S600E |
| 4 | External bar of main frame | □ 60 × 50 × 5.0 | 6061-T6 |
| 5 | Bar of electric gourd frame ① | □ 100 × 50 × 6.0 × 3.0 | 6061-T6 |
| 6 | Bar of electric gourd frame ② | □ 70 × 50 × 6.0 × 3.0 | 6061-T6 |
| 7 | Bar of electric gourd frame ③ | □ 60 × 50 × 6.0 × 3.0 | 6061-T6 |
| 8 | Diagonal bar of electric gourd frame | □ 50 × 50 × 3.0 | 6061-T6 |
| 9 | Sub-bar of electric gourd frame | □ 60 × 50 × 3.0 | 6061-T6 |
| 10 | Triangular brace of main frame (vertical) | □ 50 × 50 × 4.0 | 6061-T6 |
| 11 | Triangular brace of main frame (horizontal, diagonal) | □ 60 × 50 × 4.0 | 6061-T6 |
| 12 | External bar of sub-frame | □ 60 × 50 × 3.0 | 6061-T6 |
| 13 | Inner bar of sub-frame | □ 60 × 50 × 3.0 | 6061-T6 |
| 14 | Triangular brace of sub-frame (vertical) | □ 50 × 50 × 3.0 | 6061-T6 |
| 15 | Triangular brace of sub-frame (horizontal, diagonal) | □ 60 × 50 × 3.0 | 6061-T6 |
| 16 | Longitudinal large crossbar | □ 60 × 50 × 4.0 | 6061-T6 |
| 17 | Longitudinal small crossbar | ▐ 30 × 3.0 | 6061-T6 |
| 18 | Transverse large crossbar | ▐ 60 × 5.0 | 6061-T6 |
| 19 | Transverse small crossbar | ▐ 57 × 5.0 | 6061-T6 |
| 20 | Scaffold board | − 2.0 | 6061-T6 |
| 21 | Top diagonal bar | □ 60 × 50 × 3.0 | 6061-T6 |
| 22 | Diagonal bar of horizontal supporting truss | □ 50 × 50 × 4.0 | 6061-T6 |
| 23 | Safety net frame | □ 20 × 20 × 1.5 | 6061-T6 |
| 24 | Safety net | − 0.7 | 6061-T6 |
| Status | Displacement Direction | Location of Maximum Displacement | Displacement (Absolute Value)/mm | Allowable Deflection Value/mm | Ratio |
|---|---|---|---|---|---|
| Positive wind pressure under operating condition | X | Lower part of internal bar of first sub-frame | 3.715 | 2000/250 = 8 | 46.4% |
| Y | Top of external bar of middle main frame | 15.173 | 9000/250 = 36 | 42.1% | |
| Z | Inside mid-span longitudinal large crossbar of first floor | 5.401 | 2000/250 = 8 | 67.5% | |
| Negative wind pressure under operating condition | X | Lower part of internal bar of first sub-frame | 3.238 | 2000/250 = 8 | 40.5% |
| Y | Top of external bar of middle main frame | 20.881 | 9000/250 = 36 | 58.0% | |
| Z | Outside mid-span longitudinal large crossbar of first floor | 4.751 | 2000/250 = 8 | 59.4% | |
| Positive wind pressure under lifting condition | X | Lower part of internal bar of first sub-frame | 2.321 | 2000/250 = 8 | 29.0% |
| Y | Top of external bar of middle main frame | 41.616 | 15,000/250 = 60 | 69.4% | |
| Z | Inside mid-span longitudinal large crossbar of first floor | 2.408 | 2000/250 = 8 | 30.1% | |
| Negative wind pressure under lifting condition | X | Top of external bar of middle main frame | 4.517 | 2000/250 = 8 | 56.5% |
| Y | Top of external bar of middle main frame | 46.151 | 15,000/250 = 60 | 76.9% | |
| Z | Outside mid-span longitudinal large crossbar of first floor | 3.889 | 2000/250 = 8 | 48.6% |
| Status | Cantilever Height/mm | Maximum Deformation of Main Frame/mm | Status | Cantilever Height/mm | Maximum Deformation of Main Frame/mm |
|---|---|---|---|---|---|
| Positive wind pressure under operating condition | 4100 | 15.535 | Negative wind pressure under operating condition | 4100 | −15.599 |
| 4300 | 14.017 | 4300 | −18.320 | ||
| 4500 | 15.200 | 4500 | −20.991 | ||
| 4700 | 16.999 | 4700 | −23.363 | ||
| 4900 | 18.835 | 4900 | −25.601 | ||
| Positive wind pressure under lifting condition | 7100 | 36.421 | Negative wind pressure under lifting condition | 7100 | −40.635 |
| 7300 | 38.833 | 7300 | −43.303 | ||
| 7500 | 41.686 | 7500 | −46.408 | ||
| 7700 | 45.248 | 7700 | −50.253 | ||
| 7900 | 49.813 | 7900 | −55.216 |
| Equation | ||
| Category | Positive wind pressure under lifting condition | Negative wind pressure under lifting condition |
| Intercept | 420.92636 ± 47.19382 | |
| B1 | ||
| B2 | ||
| Status | Horizontal Spacing between two Wall-attached Supports /m | Maximum Deformation of Main Frame /mm | Status | Horizontal Spacing between Two Wall-attached Supports /m | Maximum Deformation of Main Frame /mm |
|---|---|---|---|---|---|
| Positive wind pressure under operating condition | 2 + 4 | 6.962 | Negative wind pressure under operating condition | 2 + 4 | −9.972 |
| 2 + 6 | 8.946 | 2 + 6 | −12.543 | ||
| 4 + 4 | 9.526 | 4 + 4 | −13.350 | ||
| 4 + 6 | 12.225 | 4 + 6 | −16.951 | ||
| 6 + 6 | 15.200 | 6 + 6 | −20.991 | ||
| Positive wind pressure under lifting condition | 2 + 4 | 23.389 | Negative wind pressure under lifting condition | 2 + 4 | −27.237 |
| 2 + 6 | 31.868 | 2 + 6 | −36.420 | ||
| 4 + 4 | 27.739 | 4 + 4 | −31.035 | ||
| 4 + 6 | 35.692 | 4 + 6 | −38.235 | ||
| 6 + 6 | 41.686 | 6 + 6 | −46.408 |
| Status | Channel Steel | Maximum Deformation of Main Frame/mm | Status | Channel Steel | Maximum Deformation of Main Frame/mm |
|---|---|---|---|---|---|
| Positive wind pressure under operating condition | 5# | 19.767 | Negative wind pressure under operating condition | 5# | −29.098 |
| 6.3# | 17.427 | 6.3# | −24.789 | ||
| 8# | 15.200 | 8# | −20.991 | ||
| 10# | 13.146 | 10# | −17.745 | ||
| 12.6# | 11.187 | 12.6# | −14.926 | ||
| Positive wind pressure under lifting condition | 5# | 55.829 | Negative wind pressure under lifting condition | 5# | −61.243 |
| 6.3# | 48.282 | 6.3# | −53.261 | ||
| 8# | 41.686 | 8# | −46.408 | ||
| 10# | 35.939 | 10# | −40.622 | ||
| 12.6# | 30.611 | 12.6# | −35.301 |
| Status | Vertical Bar of Guide Rail/mm | Maximum Deformation of Main Frame/mm | Status | Vertical Bar of Guide Rail/mm | Maximum Deformation of Main Frame/mm |
|---|---|---|---|---|---|
| Positive wind pressure under operating condition | 80 × 30 × 3 | 15.785 | Positive wind pressure under operating condition | 80 × 30 × 3 | −21.934 |
| 80 × 40 × 3 | 15.200 | 80 × 40 × 3 | −20.991 | ||
| 80 × 50 × 3 | 14.635 | 80 × 50 × 3 | −20.081 | ||
| 80 × 60 × 3 | 14.092 | 80 × 60 × 3 | −19.213 | ||
| 80 × 70 × 3 | 13.575 | 80 × 70 × 3 | −18.392 | ||
| Positive wind pressure under lifting condition | 80 × 30 × 3 | 43.349 | Negative wind pressure under lifting condition | 80 × 30 × 3 | −48.144 |
| 80 × 40 × 3 | 41.686 | 80 × 40 × 3 | −46.408 | ||
| 80 × 50 × 3 | 40.109 | 80 × 50 × 3 | −44.755 | ||
| 80 × 60 × 3 | 38.621 | 80 × 60 × 3 | −43.194 | ||
| 80 × 70 × 3 | 37.223 | 80 × 70 × 3 | −41.726 |
| Material | Vertical Bearing Reaction/N | Mass per Extension Meter/t | |||
|---|---|---|---|---|---|
| F1 | F2 | F3 | Total | ||
| Stainless steel-aluminum alloy | 8065.0 | 12,001.2 | 8142.2 | 28,199.4 | 0.235 |
| Steel | 16,399.9 | 27,080.4 | 16,626.7 | 60,107 | 0.5 |
Disclaimer/Publisher’s Note: The statements, opinions and data contained in all publications are solely those of the individual author(s) and contributor(s) and not of MDPI and/or the editor(s). MDPI and/or the editor(s) disclaim responsibility for any injury to people or property resulting from any ideas, methods, instructions or products referred to in the content. |
© 2023 by the authors. Licensee MDPI, Basel, Switzerland. This article is an open access article distributed under the terms and conditions of the Creative Commons Attribution (CC BY) license (https://creativecommons.org/licenses/by/4.0/).
Share and Cite
Xu, J.; Yang, J.; Huang, Y.; Jiang, L.; Zeng, J. Deformation Analysis of Novel Sorbite Stainless Steel-Aluminum Alloy Attached Lifting Protection Platform. Buildings 2023, 13, 1374. https://doi.org/10.3390/buildings13061374
Xu J, Yang J, Huang Y, Jiang L, Zeng J. Deformation Analysis of Novel Sorbite Stainless Steel-Aluminum Alloy Attached Lifting Protection Platform. Buildings. 2023; 13(6):1374. https://doi.org/10.3390/buildings13061374
Chicago/Turabian StyleXu, Jin, Jianjun Yang, Yongqi Huang, Liqiang Jiang, and Jie Zeng. 2023. "Deformation Analysis of Novel Sorbite Stainless Steel-Aluminum Alloy Attached Lifting Protection Platform" Buildings 13, no. 6: 1374. https://doi.org/10.3390/buildings13061374
APA StyleXu, J., Yang, J., Huang, Y., Jiang, L., & Zeng, J. (2023). Deformation Analysis of Novel Sorbite Stainless Steel-Aluminum Alloy Attached Lifting Protection Platform. Buildings, 13(6), 1374. https://doi.org/10.3390/buildings13061374

