Application and Analysis of a Heat Pump System for Building Heating and Cooling Using Extracting Heat Energy from Untreated Sewage
Abstract
1. Introduction
2. The Technical Principle and System of Sewage Source Heat Pump
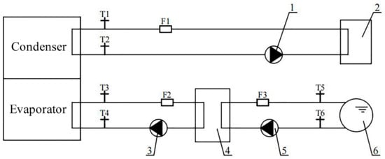
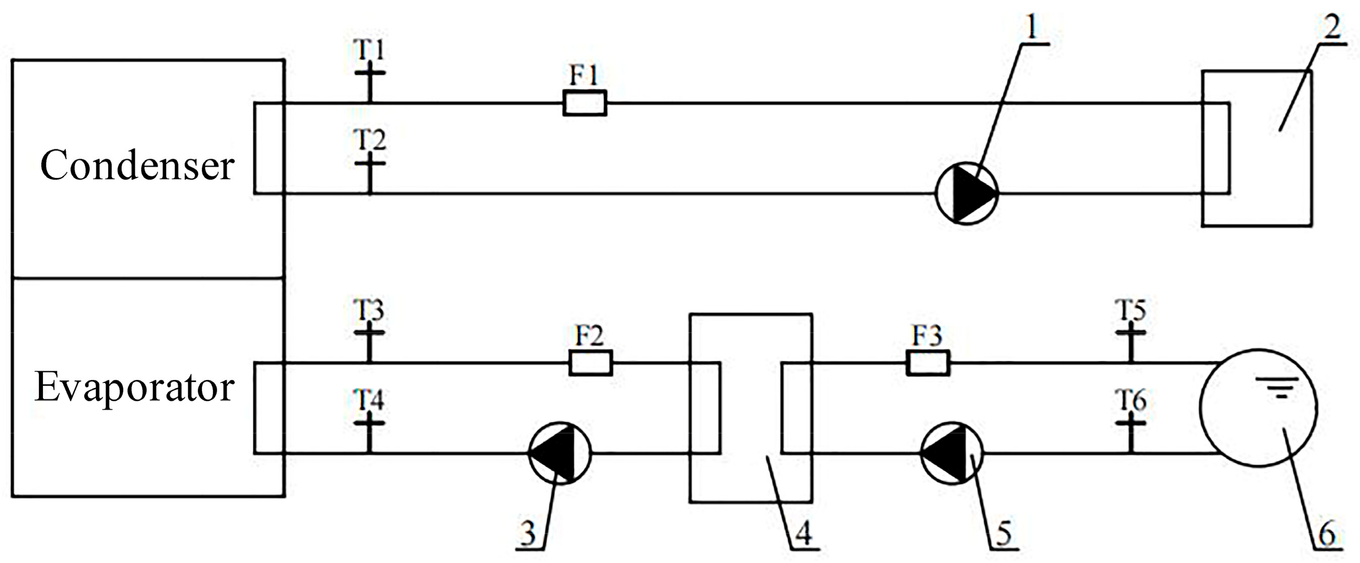
2.1. System Principle
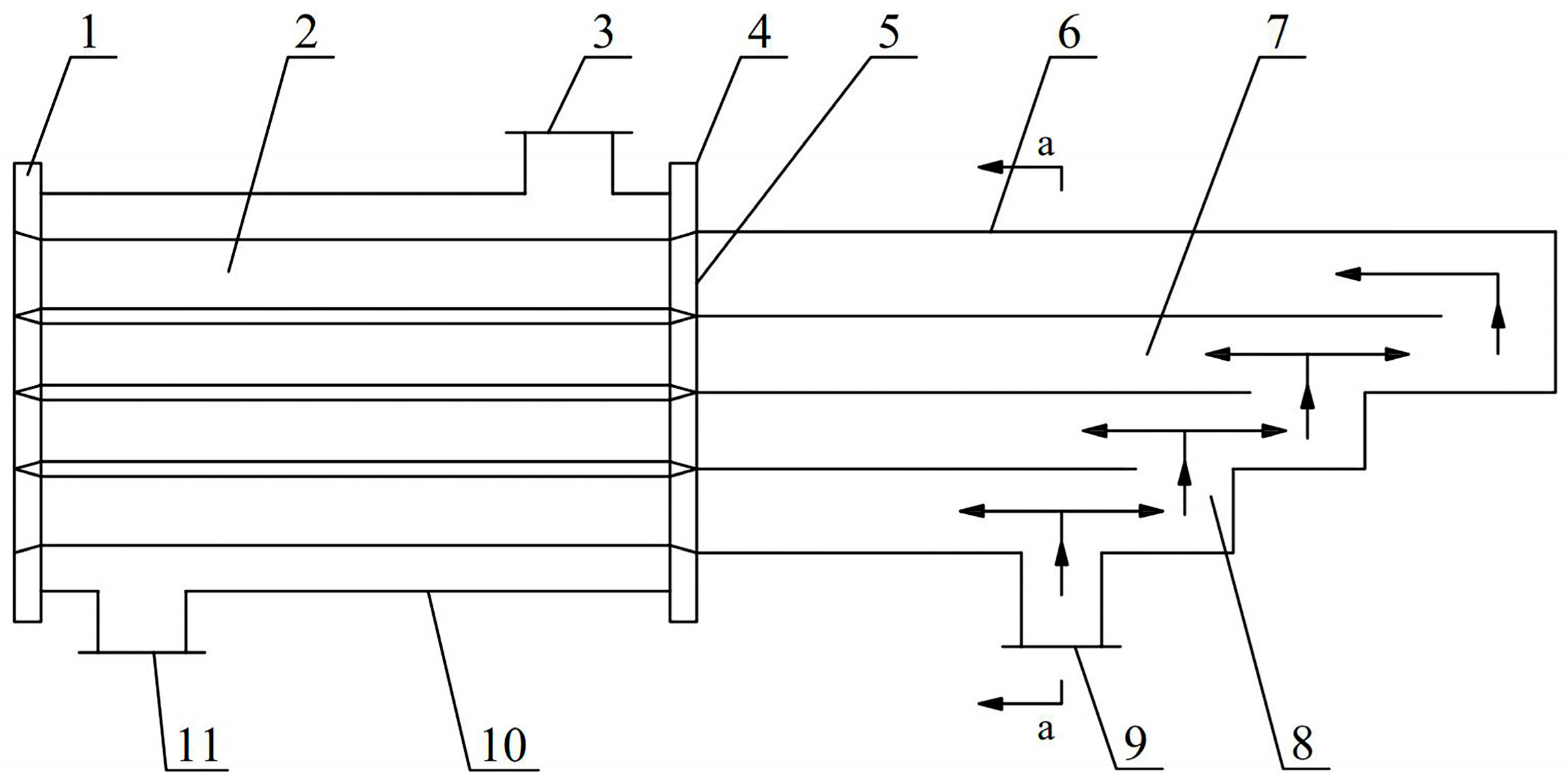
2.2. Special Heat Transfer Technology for Sewage
3. Engineering Application Analysis
3.1. Project Overview
3.2. Engineering System Test Methods
3.3. Main Performance Parameters of Heat Pump System
3.4. Uncertainty Analysis of Each Measured Quantity of the System
3.5. Heat Pump System Performance Analysis
3.5.1. Temperature Variation
3.5.2. System Key Performance Factor Changes
3.5.3. Unit Heating/Cooling Capacity and Power Consumption
4. Analysis of System Economy and Energy Saving
4.1. Energy Efficiency Analysis
4.2. Economic Benefit Analysis
4.3. Environmental Benefit Analysis
5. Conclusions
- (1)
- The temperature of municipal sewage was 12~15.8 °C in winter and 19.7~24.2 °C in summer, which was very suitable as a low-level cooling and heating source for heat pump systems;
- (2)
- Fouling has a huge impact on the heat transfer effect of the sewage heat exchanger. When the system initially operated, the heat exchanger was free of fouling generation, and the heat transfer coefficient of this sewage heat exchanger could reach the maximum value of 2003 W/(m2 °C). When the unit ran smoothly for a period of time, the thermal fouling resistance gradually increased, the heat transfer coefficient of the sewage heat exchanger gradually decreased, and its heat transfer coefficient finally stabilized at approx. 982 W/(m2·°C);
- (3)
- The system operated stably in winter and summer during the test period, with an average heat supply of 1266.1 kW and an average power consumption of 321.91 kW in winter, and an average cooling capacity of 1488.97 kW and an average power consumption of 335.6 kW in summer;
- (4)
- During the test period, the average COP of the heat pump unit was 3.95 in winter and 4.45 in summer, and the average COP of the heat pump system was 2.96 in winter and 3.25 in summer, taking into account the power consumption of the wastewater pump, intermediary pump, and end circulation pump;
- (5)
- The energy efficiency analysis shows that the energy consumption of sewage source heat pump systems in winter is 68.66% of that of traditional coal-fired boilers and 94.5% of that of air source heat pump systems. The energy consumption in summer is 96.27% of that of a chiller and cooling tower system and 92.31% of that of an air source heat pump system. The results show that the sewage source heat pump technology has a remarkable energy-saving effect. Through the economic benefit analysis, it is calculated that the operation cost of the heat pump system can be reduced by 17,377.9 yuan per year. Through the analysis of environmental benefits, the use of a sewage source heat pump system can reduce CO2, NOx, SOx, and dust emissions; the CO2 emission reduction effect is the most significant;
- (6)
- The sewage source heat pump system has enormous economic and social benefits. However, the quality of sewage is poor, the heat exchanger has severe scaling, the flow resistance of sewage heat exchange is high, and the heat transfer coefficient is low. These unfavorable factors limit the application and promotion of the system. Suggest future research on sewage heat exchange technology and the invention of online cleaning and descaling technology to improve the operational performance of the system.
Author Contributions
Funding
Data Availability Statement
Acknowledgments
Conflicts of Interest
References
- Cecconet, D.; Raček, J.; Callegari, A.; Hlavínek, P. Energy recovery from wastewater: A study on heating and cooling of a multipurpose building with sewage-reclaimed heat energy. Sustainability 2019, 12, 116. [Google Scholar] [CrossRef]
- Pochwała, S.; Paulina, K. Possibility of Obtaining Wastewater Heat from a Sewage Treatment Plant by the Means of a Heat Pump—A Case Study. In E3S Web of Conferences; EDP Sciences: Les Ulis, France, 2018; Volume 44. [Google Scholar]
- IEAHPC. Heat Sources[Z/OL]. Available online: http://www.heatpumpcentre.org/Aout~heat~pumps/heat~sources.asp (accessed on 17 May 2012).
- Yin, J.; Wei, X. Analysis on the running condition of urban sewage Thermal energy utilization system in Japan. J. Jilin Inst. Civ. Eng. Archit. 1999, 12, 31–38. [Google Scholar]
- Quan, Z.; Yin, J. Development Status of Heat Energy Recovery and Utilization of Municipal sewage in Japan. J. Jilin Inst. Civ. Eng. 2003, 3, 4–6. [Google Scholar]
- Lindström, H.O. Experiences with a 3.3 MW heat pump using sewage water a8 heat source. Heat Recovery Syst. 1985, 5, 33–38. [Google Scholar] [CrossRef]
- Pedersen, S.E.; Stene, J. 18 MW heat pump system in Norway utilizes untreated sewage as heat source. IEA Heat Pump Cent. Newsl. 2006, 24, 37–38. [Google Scholar]
- Zhou, W.Z.; Li, J.X.; Tu, G.B. Analysis of wastewater source heat pump system and the prospect of wastewater cold and heat energy utilization. HVAC 2004, 34, 25–29. [Google Scholar] [CrossRef]
- Wu, R.H.; Sun, D.X.; Zhang, C.H.; Ma, G.X. Application and research status of urban sewage source heat pump. J. Harbin Inst. Technol. 2006, 38, 1326–1329. [Google Scholar] [CrossRef]
- Liu, Z.; Ma, L.; Zhang, J. Application of a heat pump system using untreated urban sewage as a heat source. Appl. Therm. Eng. Des. Process. Equip. Econ. 2014, 62, 747–757. [Google Scholar] [CrossRef]
- Wu, R.H.; Chi, F.; Wang, G.; Yu, Y.; Guan, S.; Miao, Z. Evacuated Single Wide Flow Channel Type Heat Exchanger for Sewage or 488 Surface Water. China Patent ZL 201220610653.8, 5 November 2014. [Google Scholar]
- Baek, N.C.; Shin, U.C.; Yoon, J.H. A study on the design and analysis of a heat pump heating system using wastewater as a heat source. Sol. Energy 2005, 78, 427–440. [Google Scholar] [CrossRef]
- Korea Institute of Energy Research. Feasibility Study on Heat Pump System Using Waste Thermal Hot Water as a Heat Source; Internal Report of Korea Institute of Energy Research: Daejeon, Republic of Korea, 2001. [Google Scholar]
- Łokietek, T.; Tuchowski, W.; Leciej-Pirczewska, D.; Głowacka, A. Heat Recovery from a Wastewater Treatment Process—Case Study. Energies 2023, 16, 44. [Google Scholar] [CrossRef]
- Qunli, Z.; Zhiming, W.; Chaohui, Y.; Qian, N.; Liwen, J. Field Test Analysis of a Urban Sewage Source Heat Pump System Performance. Energy Procedia 2017, 143, 131–136. [Google Scholar]
- Shen, C.; Jiang, Y.; Yao, Y. Experimental study on dry sewage source Heat pump System with self-cleaning. Acta Energ. Sol. Sin. 2013, 34, 154–159. [Google Scholar]
- Yao, Z. Application of MIDAD/Gen in space steel structure design. Build. Struct. 2017, 47, 741–743. [Google Scholar]
- Wu, R.H.; Chi, F.; Yu, Y.; Miao, Z. A Tubular Evacuation Type Heat Exchange Method for Wastewater or Surface Water. China Patent CN103033073B, 5 November 2014. [Google Scholar]
- Song, T.; Tian, J.; Ni, L.; Shen, C.; Yao, Y. Experimental study on performance of a de-foulant hydrocyclone with different reflux devices for sewage source heat pump. Appl. Therm. Eng. Des. Process. Equip. Econ. 2019, 149, 354–365. [Google Scholar] [CrossRef]
- Yoo, Y.-J. Fault Detection Method Using Multi-mode Principal Component Analysis Based on Gaussian Mixture Model for Sewage Source Heat Pump System. Int. J. Control. Autom. Syst. 2019, 17, 2125–2134. [Google Scholar] [CrossRef]
- Mi, P.; Ma, L.; Zhang, J. Integrated optimization study of hot water supply system with multi-heat-source for the public bath based on PVT heat pump and water source heat pump. Appl. Therm. Eng. Des. Process. Equip. Econ. 2020, 176, 115146. [Google Scholar] [CrossRef]
- Wang, Q.; Zhang, X.; Geng, X.; Chen, X.; Xing, M. Experiments on the characteristics of a sewage water source heat pump system for heat recovery from bath waste. Appl. Therm. Eng. 2022, 204, 117956. [Google Scholar] [CrossRef]
- Zhang, Q.; Yang, Y.; Wang, B.; Zhang, S. Development and example of high-efficiency urban wastewater source heat pump utilization system. HVAC 2021, 51, 302–306. [Google Scholar]
- Mao, N.; Hao, J.; He, T.; Xu, Y.; Song, M.; Tang, J. Unsteady heat transfer properties of spray falling over a horizontal tube in an oily sewage source heat pump. Appl. Therm. Eng. Des. Process. Equip. Econ. 2020, 179, 115675. [Google Scholar] [CrossRef]
- Qin, N.; Tian, H. Operational analysis of a newly untreated sewage source heat pump with a plate heat exchanger. Heat Mass Transf. 2022, 58, 683–693. [Google Scholar] [CrossRef]
- Wu, R.H.; Zhang, C.H.; Sun, D.X.; Ren, N.Q. Energy saving and environmental evaluation of surface water source heat pump systems in rivers, lakes and seas. J. Harbin Inst. Technol. 2008, 40, 226–229. [Google Scholar] [CrossRef]
- Tangwe, S.; Kusakana, K. Using statistical tests to compare the coefficient of performance of air source heat pump water heaters. J. Energy South. Afr. 2022, 33, 40–51. [Google Scholar] [CrossRef]













| Equipment Name | Quantity | Remarks |
|---|---|---|
| Sewage circulation pump | 3 | The flow rate is 170 m3/h, and the head is 28 m |
| Intermediate water circulation pump | 3 | The flow rate is 170 m3/h, and the head is 22 m |
| End circulation pump | 3 | The flow rate is 180 m3/h, and the head is 35 m |
| Special sewage heat exchanger | 2 | Heat exchange area of 350 m2, heat exchange of 1200 kW |
| Heat pump unit | 2 | Single unit heat production of 720 kW with an input power of 165 kW Cooling capacity of 1050 kW, input power of 240 kW |
| Instrument Name | Measurement Accuracy |
|---|---|
| Digital temperature meter (remote transmission type) ACT-201 | 0.2 level (±0.2%) |
| WSF-50 intelligent electromagnetic flowmeter | ±0.5% |
| 8962A1 Multichannel Power Analyzer | 0.1 level (±0.1%) |
| Multi-variable low-temperature level and pressure smart meters | 0.2% FS |
| Parameters Analyzed | Measurement Uncertainty |
|---|---|
| E (δQ) | 7.21% |
| E (δK) | 7.84% |
| E (δCOP) | 7.26% |
| Heating Season | Cooling Season | Total | |
|---|---|---|---|
| Saving amount (yuan) | 14,355 | 2698.25 | 17,377.9 |
| ΔRc,i | CO2 | NOx | SOx | Dust |
|---|---|---|---|---|
| Quality of pollutants produced during the heating season (kg/kg) | 2.75 | 0.004 | 0.03 | 0.02 |
| Quality of pollutants produced in the cooling season (kg/kWh) | 1.126 | 0.0016 | 0.0123 | 0.082 |
| Pollutant Reduction (kg) | CO2 | NOx | SOx | Dust |
|---|---|---|---|---|
| Heating season | 352.11 | 0.51 | 3.84 | 2.56 |
| Cooling season | 15.00 | 0.02 | 0.16 | 1.09 |
Disclaimer/Publisher’s Note: The statements, opinions and data contained in all publications are solely those of the individual author(s) and contributor(s) and not of MDPI and/or the editor(s). MDPI and/or the editor(s) disclaim responsibility for any injury to people or property resulting from any ideas, methods, instructions or products referred to in the content. |
© 2023 by the authors. Licensee MDPI, Basel, Switzerland. This article is an open access article distributed under the terms and conditions of the Creative Commons Attribution (CC BY) license (https://creativecommons.org/licenses/by/4.0/).
Share and Cite
Zhuang, Z.; Zhao, J.; Mi, F.; Zhang, T.; Hao, Y.; Li, S. Application and Analysis of a Heat Pump System for Building Heating and Cooling Using Extracting Heat Energy from Untreated Sewage. Buildings 2023, 13, 1342. https://doi.org/10.3390/buildings13051342
Zhuang Z, Zhao J, Mi F, Zhang T, Hao Y, Li S. Application and Analysis of a Heat Pump System for Building Heating and Cooling Using Extracting Heat Energy from Untreated Sewage. Buildings. 2023; 13(5):1342. https://doi.org/10.3390/buildings13051342
Chicago/Turabian StyleZhuang, Zhaoyi, Jin Zhao, Fengfeng Mi, Teng Zhang, Yuguo Hao, and Shangyue Li. 2023. "Application and Analysis of a Heat Pump System for Building Heating and Cooling Using Extracting Heat Energy from Untreated Sewage" Buildings 13, no. 5: 1342. https://doi.org/10.3390/buildings13051342
APA StyleZhuang, Z., Zhao, J., Mi, F., Zhang, T., Hao, Y., & Li, S. (2023). Application and Analysis of a Heat Pump System for Building Heating and Cooling Using Extracting Heat Energy from Untreated Sewage. Buildings, 13(5), 1342. https://doi.org/10.3390/buildings13051342
