Next Article in Journal
Characterization and Comparative Analysis of Natural, Sustainable Composite Material Properties Using Bio-Binder for Eco-Friendly Construction Applications
Next Article in Special Issue
Experimental and Numerical Assessment of the Thermal Bridging Effect in a Reinforced Concrete Corner Pillar
Previous Article in Journal
Special Issue on Innovative Circular Building Design and Construction
Previous Article in Special Issue
Renewable Energies and Architectural Heritage: Advanced Solutions and Future Perspectives
 
 
Font Type:
Arial Georgia Verdana
Font Size:
Aa Aa Aa
Line Spacing:
Column Width:
Background:
Article

Early-Age Cement Paste Temperature Development Monitoring Using Infrared Thermography and Thermo-Sensors

1
Faculty of Civil Engineering, University of Belgrade, 11000 Belgrade, Serbia
2
Elsis, 11070 Belgrade, Serbia
3
Technical Faculty Bor, School of Electrical Engineering Belgrade, University of Belgrade, 11000 Belgrade, Serbia
*
Author to whom correspondence should be addressed.
Buildings 2023, 13(5), 1323; https://doi.org/10.3390/buildings13051323
Submission received: 21 April 2023 / Revised: 12 May 2023 / Accepted: 14 May 2023 / Published: 19 May 2023

Abstract

Infrared thermography is an advanced technique usually applied for the assessment of thermal losses through different elements of the building envelope, or as a method for detection of damage (cracks) in reinforced concrete elements, such as bridges. Use of this method for the investigation of temperature development during early cement hydration is still an evolving area of research. For the purpose of verifying the reliability of the method, two types of cubic samples of different heights were prepared using a cement-based paste, with 20% of cement (by mass) replaced with fly ash. Temperature development was measured in two ways: using infrared thermography and thermo-sensors embedded in the samples. Additionally, the obtained results were modeled using the asymmetric Gaussian function. Peak temperatures in the middle of each sample were higher than the peak temperatures measured on the sample surface, with differences ranging between 2 °C and 4 °C. Differences between the temperature measurements of the thermo-sensors placed on the surface of the sample and thermal camera were lower than 2 °C. Very good compliance of the results was obtained for both the camera and the surface sensors measurements, as well as for the modeling coefficients.

1. Introduction

Infrared thermography is an advanced technique of obtaining the intensity of heat radiation invisible to the human eye. The measurements are performed with no contact between the object that is emitting heat and the measuring device (thermal camera). The result of the measurements is an image of temperature distribution on the tested surface, commonly referred to as a thermogram. Surfaces with the same temperature are usually presented using the same color.
As far as the application of this method in the building sector is concerned, its greatest impact lies in the assessment of thermal losses through different elements of the building envelope. It is usually applied in the context of improving the energy efficiency of buildings (for example: detection and identification of thermal bridges, detection of thermal irregularities, determination of building envelope thermal properties) [1,2]. Another application of this method is in the detection of damage (cracks) in reinforced concrete elements, such as bridges [3]. It is also used as a measure of inhomogeneity in certain building materials, as well as for inspection of heating and electrical installations [4].
This paper is focused on a less well known application of infrared thermography, temperature measurement during an early age hydration of cement paste, a known exothermic process. Due to this reaction, the maximum temperature of concrete can reach up to 60 °C to 70 °C in the core, while the high temperature differential between the concrete’s surface and core can result in tensile stresses followed by cracking [5,6].
One of the methods used for reducing the temperature development in the early phases of the hydration process is the addition of supplementary cementitious materials (SCMs) as a partial replacement of pure Portland cement (PC). The most common mineral admixtures used for this purpose are fly ash (FA), steel slag (SS), ground granulated blast-furnace slag (GGBS), and natural pozzolanic materials [7,8]. Zhang et al. [9] investigated the effects of different SCMs on hydration heat and temperature of cement pastes. Four types of pastes were tested, one ordinary Portland cement paste and three pastes where 40% of Portland cement was replaced with FA, SS, and GGBS. As expected, the highest temperature was reached for the sample containing only pure cement paste (54 °C), while the temperatures for three other pastes were lower, reaching 39.8 °C for the paste containing GGBS, 38.4 °C for the paste containing SS, and 37 °C for the paste containing FA. The authors also concluded that addition of these SCMs did not change the type of hydration products of the paste system at the early ages.
Liu et al. [10] developed a hydration temperature test device to evaluate the effects of various steel slags with potential hydraulic activity on different properties of cement pastes. The hydration temperature results showed that when the slag content was higher than 30%, the maximum hydration temperature of the cement paste decreased linearly with increasing slag content.
Almattarneh et al. [11] followed the development of the hydration process of two cement pastes—one with pure Portland cement and the other where 20% of the cement was replaced with FA—by measuring dielectric properties during the first 24 h. Through this method, four different stages of the hydration process were detected in both pastes: stage I lasted for approximately 3 h, stage II for 7 h, stage III for 8.3 h, and finally stage IV until the end of measurements. Bentz et al. [12] showed that the heat release curves for the first 24 h of hydration, measured using isothermal calorimetry, are very similar for cement pastes with water-to-cement ratios ranging from 0.325 to 0.425. The maximum heat flow was reached approximately 7 h after the production of samples. However, a change in the water/cement (w/c) ratio had a more distinctive influence on the semi-adiabatic temperature curves of the pastes. The peak temperature was increased when the w/c ratio was lowered from 0.425 to 0.400 to 0.350, but it did not increase when it was further lowered to 0.325. Greater differences between the heat releases of different pastes were noticed during the first 7 days of the hydration process.
Xu and Chung [13] measured the changes in specific heat of several cement pastes using admixture surface treatments. The w/c ratio of the tested pastes was 0.35, and Portland cement type I was used in the mixtures. The authors tested 12 different pastes with the addition of as-received silica fume and silane-treated silica fume, together with carbon fibers. The reference paste containing only cement and water had a w/c ratio of 0.45 and a measured specific heat of 0.736 J/gK. The addition of silica fume influenced the increase in the cement paste specific heat by 12% and the reduction of thermal conductivity of the paste by 40% when compared to addition of silane-treated silica fume.
Azenha et al. [14] used infrared thermography and embedded sensors to monitor the surface and internal temperatures, respectively, of a 0.4 × 0.4 × 0.4 m3 concrete cube since casting. Emissivity was assumed constant, with an adopted value of 0.88. The cement hydration heat release was characterized with the isothermal conduction calorimetry method. The obtained results of the temperature measurements were compared with numerically calculated values using a 3D finite element model. When the measurements using a sensor placed on the surface of the tested cube and thermography in the same point were compared, they showed a very similar trend, with the sensor measuring slightly higher temperatures during the whole experiment. The highest temperature was reached at about 8.3 h after the casting of the concrete. The authors concluded that the coherence between the data collected using two different measuring techniques allowed for strong confidence in the results obtained through thermography for hardening concrete. The authors also emphasized that infrared thermography offers greater information richness regarding the temperature distribution in concrete surfaces, which cannot be obtained using other conventional temperature sensors. The drawback of the method is that it needs “visual contact” with the object in question.
Apart from the high temperature development in massive concrete structures, temperature measurements in the early age concrete are of great interest. They are applied in maturity methods in estimating the concrete strength. These methods are based on the calibration performed in laboratory conditions, as well as in situ measurements of concrete temperature development in time [15]. Measurements of concrete and ambient temperatures are for this purpose usually conducted through embedded thermo-sensors. The thermo-sensors used for the concrete temperature measurements often cannot be reused on another element of structure, which makes these kinds of measurements very costly. Another issue connected to the use of thermo-sensors is that they measure the temperature in one point of the sample (element) volume. Development of a method that would enable measurements of temperature in a higher number of points is an object of interest both for the scientific and engineering communities. Infrared thermography is one of the proposed solutions, due to the possibility of performing measurements in many points and in this way obtaining additional information on the homogeneity of the mass.
This paper aimed to investigate the relationship between measurements performed using infrared thermography and direct temperature measurements using embedded sensors through the testing of an early age hydration process of one cement-based paste, where fly ash was used as an SCM, replacing 20% of the cement (by mass).

2. Materials and Methods

Testing the applications of a thermal camera for the measurement of temperature development in the early stages of cement paste hydration was performed on a paste consisting of pure Portland cement CEM I 42.5 N and fly ash, using water from the city pipeline.
Standard testing of the cement paste (PCP) and the cement–fly ash paste (PCFP) with 20% mass replacement of the cement was performed first. The measurement of standard consistency and setting time, according to SRPS EN 196-3:2017 [16], was included. These results were used as initial data for the planning of the temperature measurements, since standard consistency paste was used for the preparation of samples. Moreover, in order to define the binder properties, two types of standard cement mortar (designated as PCM and PCFM) were prepared for testing of the flexural and compressive strength, according to SRPS EN 196-1:2017 [17], at the age of 7 and 28 days. Measurements were performed on three prismatic specimens, 4 × 4 × 16 cm in size, for each type and age of testing. The breaking force for flexural strength was measured using a range between 0 and 6 kN, with the precision of 0.1 kN, and for compressive strength using range between 0 and 200 kN, with the precision of 0.25 kN. The first mortar mix consisted of pure cement, standard sand, and water (PCM), while in the second mix, 20% of cement was replaced with fly ash (PCFM).
For measurements of cement hydration temperature at the early ages, cubic concrete molds with a 10 cm edge were used. For two samples, the mold was completely filled in, while for two samples, the mold was filled up to the height of 5 cm. Cement–fly ash paste (PCFP) of a water-to-binder ratio 0.25 was used for all of the sample preparations. Two sensors were placed in each of the four samples, one in the middle (at the cross section of the cube diagonals) and another in the center of the only free side. In order not to disturb the placing of the sensors, the samples were placed and compacted by hand. The room temperature and humidity were held constant (22 °C, 50%).

2.1. Testing of Cement

The chemical composition of the cement and fly ash used in the test is presented in Table 1, while the specific and bulk densities of the cement, fly-ash, and sand used are presented in Table 2. Composition of the pastes and mortars tested is presented in Table 3.
The results of the basic properties of the cement and cement–fly ash pastes used in this experiment are presented in Table 4. The mechanical properties of the tested mortars are presented in Table 5. The addition of fly ash led to an increase in both flexural and compressive strength at the age of 28 days. Setting time was prolonged with the addition of fly ash, which was an important information for the temperature measurements.

2.2. Temperature Measurement Setup

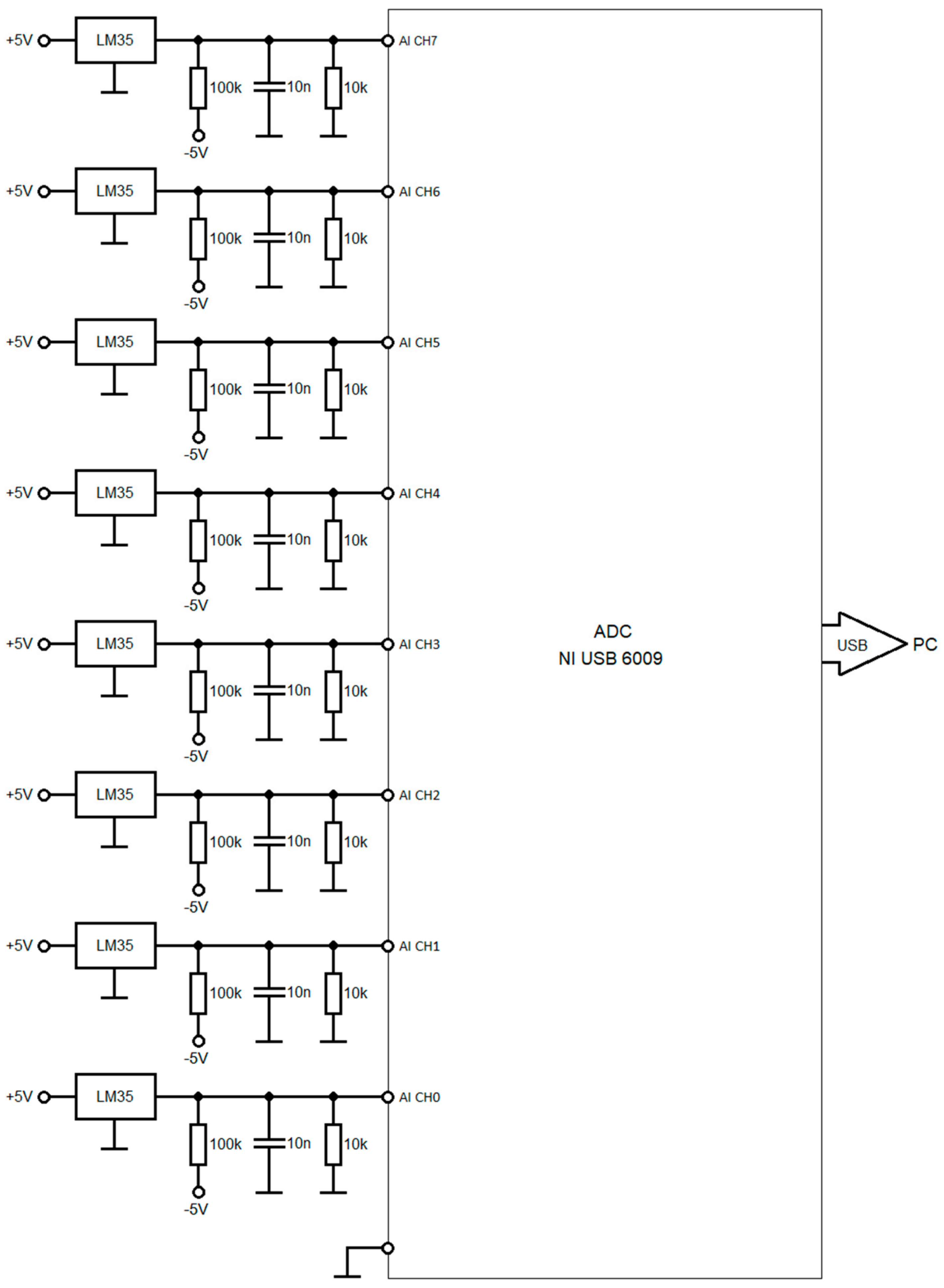
The effects of the heat of hydration were recorded simultaneously on all four samples using a thermal imaging camera (FLIR E6) to monitor the temperature on the surface of the samples, as well as two thermo-sensors (IC LM35) installed in the middle and on the surface of each sample. To measure, display, and record the temperature in the center and on the surface of the four samples, we developed a custom LabVIEW application connected to an eight-channel system of thermo-sensors (see details below). The ambient temperature (thermostatic laboratory) was 22 °C. Temperature monitoring of the fresh concrete lasted for 30 h, and the sampling period was 10 min.
Figure 1 shows the experimental setup used, and Figure 2 presents the positions of the sensors in the samples. A thermal imaging camera (with an accuracy of ±2 °C) recorded a thermogram of the upper surface of the sample. To prevent the reflection of IR radiation from the environment, PVC pipes with diameters of 200 mm were used.
On the basis of the expected temperature range and the required accuracy, an integrated LM35 circuit [18] was used as the thermo-transducer. An additional resistor (100 k) to the negative source (−5 V) enabled the measurement of negative temperatures (Figure 3). After filtering (capacitors 10 nF) and adjustment (resistors 10 kΩ), the signals from the thermo-sensor were fed to the input channels (AI CH0 to AI CH7) of the analog-to-digital converter (NI USB 6009) [19]. The obtained digital signals were fed into a computer (PC) via the USB port and further processed by software. The temperature transmitters themselves were factory-calibrated in the range of −40 °C to 110 °C, so no additional adjustments were required. The accuracy of the measurement was ±0.2 °C. Due to the physical dispersion of the thermal sensors, shielded conductors were used for the transmission of analog signals over a relatively large distance (several meters) for each channel separately.
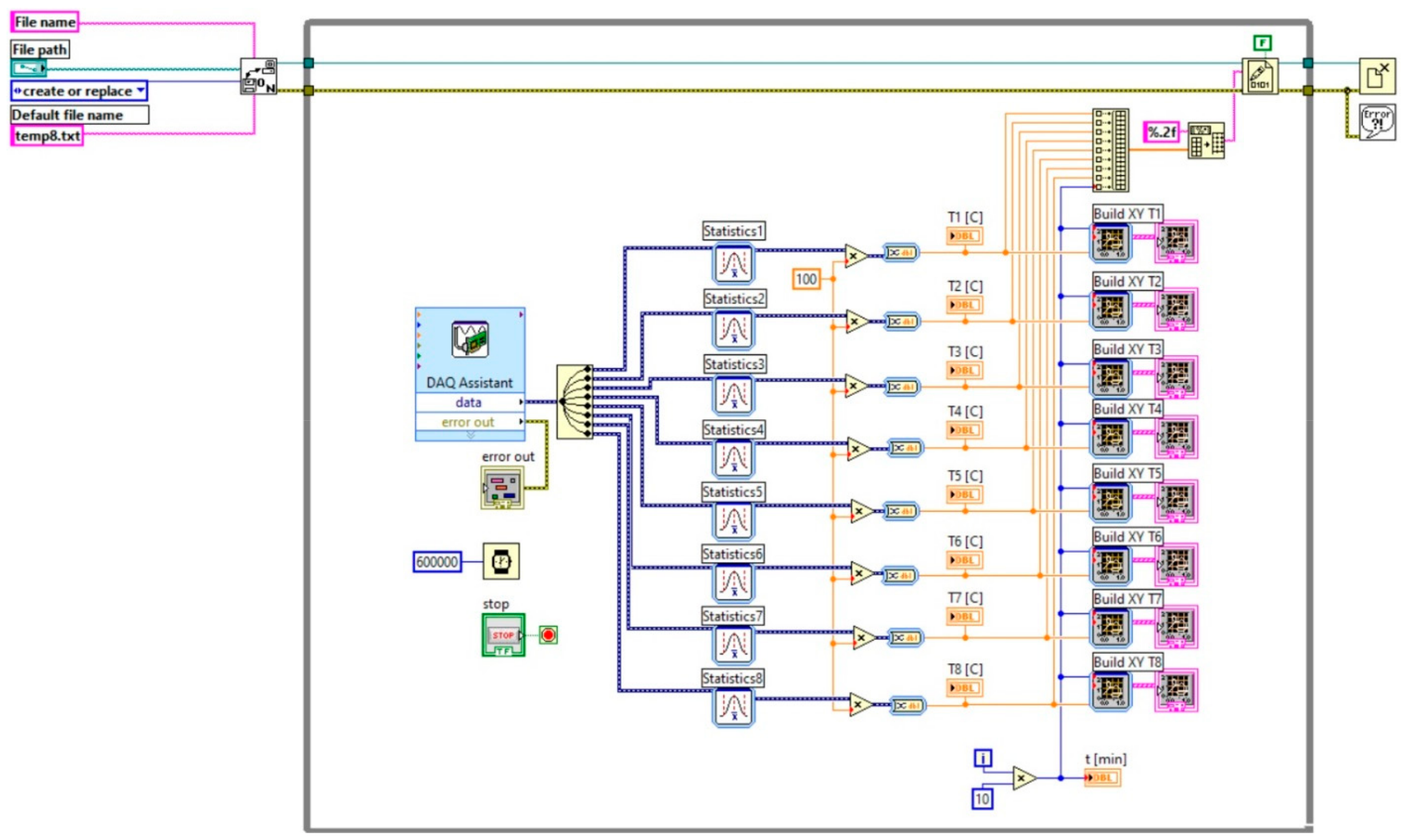
An application for measuring, displaying, and storing temperature in 8 points was developed in the software package LabVIEW 2016 [20]. The graphic code (block diagram) of the application is shown in Figure 4. DAQ Assistant, a standard module of the LabVIEW package for data acquisition, was used to measure analog signals from thermo-transducers. The data were then separated into eight channels, averaged (Statistics), and multiplied by 100 to transform the temperature into °C (output from LM35 is 10 mV/°C). The obtained temperatures are shown on the displays Ti (°C) and diagrams (XY Ti) and finally saved in the form of a text file whose name is specified before starting the measurement. The program was able to be stopped at any time by clicking the STOP button [21].
For clarity, separate diagrams for each of the 8 channels were included on the front panel of the virtual instrument. Numerical displays for temperature (Ti (°C)) and time (t (min)), a file name input field, the STOP button, and an error code display field were also included.

2.3. Thermal Camera Measurement Setup

Images were obtained using a FLIR E6 thermal camera positioned at a distance of 60 cm from the sample, through a tube (as presented in Figure 1). This was done to stabilize the environment between the camera and the surface of the samples. Images were always taken in the same order, after the stabilization of the temperature.
After the finalization of the measurements (30 h), images were processed using the FLIR Tools Plus V12 software, and the reports for each sample were extracted. The processing included defining the surface from which the temperatures should be calculated and inputting the values for emissivity, reflected temperature, and atmospheric temperature, as presented in Figure 5.
The emissivity was measured using two focus points for each sample. The first point was prepared by placing black tape on the surface of the sample. The measurement of temperature on the middle point of this black surface with known emissivity 0.95 [14] is shown in Figure 6a. The second point of measurement was placed on the similar position, but on the sample surface. During the image processing of the second image, it was brought to the same level of the temperature by changing emissivity (as shown in Figure 6b). A value of 0.85 was adopted for the tested paste.
The pictures using the FLIR camera were taken every half an hour in periods of stable temperatures and every 10 min in periods of intensive temperature fluctuation.
Results from the embedded thermo-sensors were plotted in LabVIEW using temperature–time diagrams. Similar diagrams were generated from the test results of the thermal camera images, after the appropriate image analysis.
These diagrams were then analyzed and compared with the setting time results measured on the cement–fly ash paste samples.

2.4. Modelling

Modelling of the diagrams was performed for the periods where intensive temperature change was noted. Since the heating of the samples was faster than the cooling, the asymmetric Gaussian was used to describe the process, defined by the following parameters:
A z i , μ i z , σ i 2 , r i 2 2 π 1 σ i 2 r i + 1 e x p z i μ i z 2 2 σ i 2 i f   z i > μ i z . e x p z i μ i z 2 2 r i 2 σ i 2   o t h e r w i s e .
This model was referred to as univariate asymmetric Gaussian by the authors Kato et al. [22]. This function returns normalized results ranging from 0 to 1. In order to fit the results of the temperature measurements, the parameters  μ i z , σ i 2 , r i  were adopted for every diagram. This necessitated the addition of the additional parameters A1, A2, N1, and N2 in order to correlate the obtained results with the actual temperature measurements, which is explained in more detail in Section 3. The adopted model was then
A z i , μ i z , σ i 2 , r i , A 1 , A 2 , N 1 , N 2 2 2 π 1 σ i 2 r i + 1 A 1 · e x p z i μ i z 2 2 σ i 2 + N 1   i f   z i > μ i z . A 2 · e x p z i μ i z 2 2 r i 2 σ i 2 + N 2   o t h e r w i s e .
The moment when the temperature began to rise was adopted as t = 0, while the moment when the temperature began to stabilize was taken as final.

3. Results

3.1. Temperature Measurements

The results of the temperature measurements from the embedded sensors are presented in Figure 7 and Figure 8, while the results of the thermal camera measurements are presented in Figure 9 and Figure 10. On each of the figures, an additional vertical line was added to mark the beginning of the setting time, as presented in Table 4.
Peak temperatures in the middle of each sample were higher than the peak temperatures measured on the sample surface. The differences were around 4 °C for the full cubic samples, and around 2 °C for the samples with half height. These differences were the consequence of the expected greater development of the temperatures induced by the cement hydration in the core of the samples. The temperatures were reduced towards the surfaces of the samples due to the temperature exchange with the surrounding environment.
Extreme temperatures measured with the thermal camera were 1 to 2 °C lower than the values measured with sensors placed on the surface of the samples. The durations of the temperature increase and final stabilization periods were very similar for all of the samples and measuring methods.

3.2. Modelling

Figure 11 and Figure 12 present the same results, fitted using the asymmetric Gaussian as explained in Section 2. For the purpose of the modelling, the coordinate origin was placed in the moment corresponding to the onset of the temperature increase, while the cutoff was defined as 1200 min. The parameters adopted for the fitting functions are presented in Table 6.
The parameter µi was defined as the time in minutes needed to reach the maximum temperature in the sample. The same parameter also defines the point of the change in the applied calculation of the two branches in the modeling curve. Parameters σi and ri describe the skewness of the two branches and their mutual relationship. They are the measure of the differences in the rate of temperature change at the onset of the hydration process. Parameters N1 and N2 correspond to the temperature of the samples at the beginning (start of the temperature increase)—N2, and after 1200 min—N1. Parameters A1 and A2 were included in the model in order to adapt the normalized function to the presented temperature measurements. The sum of each of the two parameters A1 + N1 and A2 + N2 corresponds to the maximal temperature measured by the sensor in question, while the parameters A1 and A2 show the difference in the temperatures when compared to the temperature at the beginning of the test (N2) and at the end (N1). The lower values of these two coefficients for sensors TS IIIsurf, TS IIImid, TS IVsurf. and TS IVmid were derived from the fact that they were placed in samples of lower height, with a smaller volume of paste, which resulted in the development of lower temperatures. These values corresponded to approximately 40% of the A1 and A2 coefficient values adopted for larger samples. Figure 13 presents the fitting function for one of the samples measured using the thermal camera. The parameters adopted for the fitting of all four measurements are presented in Table 7.
The values of the fitting parameters chosen for describing the infrared thermography results were almost identical to the values adopted for the surface sensors, shown in Table 6. The values for samples III and IV were identical. For samples I and II, the maximum temperature was reached with a delay of approximately 10 min, while the highest temperatures were 1–2 °C lower than recorded by the sensors placed on the surface of the samples.

4. Discussion

4.1. The Influence of the Fly Ash Addition to the Cement-Based Composites

The mechanical properties of the mortars containing fly ash were improved, reaching 10.1 MPa for flexural strength and 53.3 MPa for compressive strength after 28 days. Both values were higher than the values measured on the pure cement mortar samples. The beginning and the setting time of the paste containing fly ash were prolonged for one and two hours, respectively, when compared to the pure cement paste.

4.2. Temperature Development Discussion

The maximum temperature measured in the central point of the samples was 44 °C, while the maximum temperature on the surface of the samples was 40 °C. These temperatures were measured for the paste in which 20% of cement was replaced with fly ash. The maximum temperature for the paste containing 40% FA (as measured by Zhang et al. [9]) was 37 °C. The difference was expected due to the larger amount of fly ash used in this study.
If the stages in the temperature development are to be compared to the stages defined in Almattarneh et al. [11], very good compliance can be observed as well. The first stage in the temperature measurements was approximately 200 min (3.3 h), while the second stage lasted until the maximum temperature was reached, lasting for approximately 7.5 h. The third, cooling stage, lasted for approximately 9 h, which was all in accordance with Almattarneh et al. [11].
According to the aforementioned, it can be concluded that the obtained results show very good compliance with the results presented in the literature.

4.3. Comparison between the Results Obtained by Thermal Camera and Thermo-Sensors

The values obtained from the sensor placed in the central part of the samples were expectedly higher than the temperatures measured through sensors placed on the surface or with the thermal camera. The temperatures measured on the surface with two different devices showed very good accordance. Figure 14 and Figure 15 represent the results of thermal camera measurements ±2 °C in the central point of the sample and the surface thermal sensors measurements for samples I and III.
As shown in Figure 14, the highest differences between the measurements occurred in the period of rising temperature and during the temperature peak. Even in this period, the difference was under 2 °C, considered to be the accuracy of the thermal camera measurements. The differences were even smaller for sample III. In conclusion, very good accordance was achieved between the two measuring techniques.
The time when the maximum temperature was reached in the thermal camera recordings slightly differed from the time measured by sensors, but only for the 10 cm high samples.

4.4. Modelling Discussion

All the measurements were modelled through the asymmetric Gaussian function, with very similar coefficients. Small differences between coefficients A1 and A2 probably occurred due to the imprecisions in the emissivity measurements, which will be improved through further investigations. The values adopted for the coefficients ri and σi were probably in correlation with the specific heat of the cement paste, which was measured in the literature to be 0.736 J/gK for pastes containing larger amounts of water and using only cement as a binder [13].
For future research, it would be of great importance to perform similar measurements on concrete cubic samples, where the higher heterogeneity of the material could open more interesting questions. Finally, full-scale in situ tests should be performed using the results obtained through the testing of the concrete slabs, bridges, etc.

5. Conclusions

The main focus of the experimental work presented in this paper was the possibility of applying infrared thermography to describe the effects of the temperature development during the early hydration phase of the cement composites. In order to achieve this, a special testing setup was developed and used for temperature measurements in the sample middle point and on the central point of the exposed surface.
The following conclusions were drawn:
The partial replacement of the cement with 20% of fly ash prolonged the setting time of the paste, increased the amount of water necessary for obtaining standard consistency, and increased the flexural and compressive strength of the mortars prepared with these materials.
The results obtained through the system of embedded sensors were very uniform and in accordance with the results found in the literature. As expected, the highest temperatures were measured in the central point of the samples.
Infrared thermography results are comparable with results measured through the embedded thermo-sensors, especially at the surface of the samples.
Although additional confirmatory measurements are necessary, infrared thermography shows the potential to replace embedded sensors on the testing surface of the sample. As noted in the literature, the amount of data collected through the infrared thermography method is greater than by any other method, and its potential is still to be investigated. Further research is necessary to obtain a reliable relation between the inner temperature of the sample and infrared-thermography-based surface measurements.

Author Contributions

Conceptualization, Z.S., A.S. and M.A.; methodology, Z.S.; software, M.S.; hardware, M.S.; validation, Z.S. and A.S.; formal analysis, N.Ž. and M.A.; investigation, N.Ž.; resources, Z.S. and A.S.; data curation, N.Ž. and M.S.; writing—original draft preparation, M.A. and N.Ž.; writing—review and editing, Z.S. and A.S.; visualization, Z.S., A.S., M.S. and M.A.; supervision, Z.S. and A.S. All authors have read and agreed to the published version of the manuscript.

Funding

This research received no external funding.

Data Availability Statement

Not applicable.

Acknowledgments

This research was supported by the Ministry of Education, Science and Technological Development of the Republic of Serbia, contract numbers 451-03-47/2023-01/200131 and 200092.

Conflicts of Interest

The authors declare no conflict of interest.

References

  1. EN 13187:1999; Thermal Performance of Buildings—Qualitative Detection of Thermal Irregularities in Building Envelopes—Infrared Method. Comite Europeen de Normalisation: Brussels, Belgium, 1999.
  2. Lu, X.; Memari, A. Application of infrared thermography for in-situ determination of building envelope thermal properties. J. Build. Eng. 2019, 26, 100885. [Google Scholar] [CrossRef]
  3. Zheng, Y.; Wang, S.; Zhang, P.; Xu, T.; Zhuo, J. Application of nondestructive testing technology in quality evaluation of plain concrete and RC structures in bridge engineering: A review. Buildings 2022, 12, 843. [Google Scholar] [CrossRef]
  4. Balaras, C.A.; Argiriou, A.A. Infrared thermography for building diagnostics. Energy Build. 2002, 34, 171–183. [Google Scholar] [CrossRef]
  5. Bakour, A.; Ftima, M.B. Experimental investigations on the asymptotic fracture energy for large mass concrete specimens using wedge splitting test. Constr. Build. Mater. 2021, 279, 122405. [Google Scholar] [CrossRef]
  6. Ouyang, J.; Chen, X.; Huangfu, Z.; Lu, C.; Huang, D.; Li, Y. Application of distributed temperature sensing for cracking control of mass concrete. Constr. Build. Mater. 2019, 197, 778–791. [Google Scholar] [CrossRef]
  7. Savić, A.; Jevtić, D.; Zakić, D.; Radević, A.; Aškrabić, M. The Use of Industrial Byproducts as Fillers in Self-Compacting Concrete. In Proceedings of the 14th International conference iNDiS 2018, Subconference Eco Build; Department of Civil Engineering and Geodesy—Faculty of Technical Sciences: Novi Sad, Serbia, 2018; pp. 1267–1273. ISBN 978-86-6022-105-8. [Google Scholar]
  8. Govedarica, O.; Aškrabić, M.; Hadnađev-Kostić, M.; Vulić, T.; Lekić, B.; Rajaković-Ognjanović, V.; Zakić, D. Evaluation of Solidified Wastewater Treatment Sludge as a Potential SCM in Pervious Concrete Pavements. Materials 2022, 15, 4919. [Google Scholar] [CrossRef] [PubMed]
  9. Zhang, T.; Ma, B.; Jiang, D.; Jiang, Q.; Jin, Z. Comparative research on the effect of various mineral admixtures on the early hydration process of cement. Constr. Build. Mater. 2021, 301, 124372. [Google Scholar] [CrossRef]
  10. Liu, K.; Ma, Y.; Yuan, Z.; Wu, Y.; Zhang, X.; Zhang, X. Optimisation of early hydration, microstructure, and elevated-temperature resistance of calcium aluminate cement using steel-making slag. Ceram. Int. 2022, 48, 35328–35339. [Google Scholar] [CrossRef]
  11. Almattarneh, H.; Alwadie, A.; Malkawi, A.; Nuruddin, M.F. A novel method for monitoring hydration process of cement paste material. Appl. Mechs. Mater. 2014, 567, 333–338. [Google Scholar] [CrossRef]
  12. Bentz, D.; Peltz, M.; Winpigler, J. Early-age properties of cement-based materials: II. Influence of water-to-cement ratio. J. Mater. Civ. Eng. 2009, 21, 9. [Google Scholar] [CrossRef]
  13. Xu, Y.; Chung, D.L.L. Increasing the specific heat of cement paste by admixture surface treatments. Cem. Concr. Res. 1999, 29, 1117–1121. [Google Scholar] [CrossRef]
  14. Azenha, M.; Faria, R.; Figueiras, H. Thermography as a technique for monitoring early age temperatures of hardening concrete. Constr. Build. Mat. 2011, 25, 4232–4240. [Google Scholar] [CrossRef]
  15. NEN 5970:2001 nl; Determination of the Compressive Strength Development of Young Concrete Based on the Weighted Maturity. Royal Netherlands Standardization Institute: Delft, The Netherlands, 2001.
  16. EN 196-3:2016; Methods of Testing Cement—Part 3: Determination of Setting Times and Soundness. Comite Europeen de Normalisation (CEN): Brussels, Belgium, 2016.
  17. EN 196-1:2016; Methods of Testing Cement—Part 1: Determination of Strength. Comite Europeen de Normalisation (CEN): Brussels, Belgium, 2016.
  18. LM35 Precision Centigrade Temperature Sensors, Texas Instruments. 2017. Available online: https://www.ti.com/product/LM35/datasheet (accessed on 20 October 2022).
  19. NI USB-6008/6009, National Instruments, USA. 2015. Available online: http://www.ni.com/pdf/manuals/371303n.pdf (accessed on 20 October 2022).
  20. NI LabVIEW Documentation. Available online: https://www.ni.com/docs/en-US/category/labview-docs (accessed on 21 October 2022).
  21. Stević, Z.; Stević, M.; Radovanović, I.; Stolić, P.; Radivojević, M.; Petronić, S. PC and LabVIEW based voltage and current source for electrochemical investigations. In Proceedings of the International Scientific-Practical Conference, Modern Information and Electronic Technologies, Odessa, Ukraine, 24–28 May 2021; pp. 46–49. [Google Scholar]
  22. Kato, T.; Omachi, S.; Aso, H. Asymmetric Gaussian and Its Application to Pattern Recognition. In Structural, Syntactic, and Statistical Pattern Recognition, Proceedings of the SSPR /SPR 2002, Windsor, ON, Canada, 6–9 August 2002; Lecture Notes in Computer Science; Caelli, T., Amin, A., Duin, R.P.W., de Ridder, D., Kamel, M., Eds.; Springer: Berlin, Germany, 2002; Volume 2396, p. 2396. [Google Scholar] [CrossRef]
Figure 1. Experimental setup.
Figure 1. Experimental setup.
Buildings 13 01323 g001
Figure 2. Disposition of the sensors in the samples.
Figure 2. Disposition of the sensors in the samples.
Buildings 13 01323 g002
Figure 3. Scheme of the hardware.
Figure 3. Scheme of the hardware.
Buildings 13 01323 g003
Figure 4. The LabVIEW application.
Figure 4. The LabVIEW application.
Buildings 13 01323 g004
Figure 5. Example of image processing using the FLIR Tools Plus software (the square in the middle represents the surface of interest).
Figure 5. Example of image processing using the FLIR Tools Plus software (the square in the middle represents the surface of interest).
Buildings 13 01323 g005
Figure 6. Testing of paste emissivity (a) measurement on the surface of known emissivity; (b) processed image of the second measurement point.
Figure 6. Testing of paste emissivity (a) measurement on the surface of known emissivity; (b) processed image of the second measurement point.
Buildings 13 01323 g006
Figure 7. Temperature measurements of the samples PCFP Ifull and PCFP IIfull (using sensors).
Figure 7. Temperature measurements of the samples PCFP Ifull and PCFP IIfull (using sensors).
Buildings 13 01323 g007
Figure 8. Temperature measurements of the samples PCFP IIIhalf and PCFP IVhalf (using sensors).
Figure 8. Temperature measurements of the samples PCFP IIIhalf and PCFP IVhalf (using sensors).
Buildings 13 01323 g008
Figure 9. Temperature measurements of the samples I and II (using thermal camera).
Figure 9. Temperature measurements of the samples I and II (using thermal camera).
Buildings 13 01323 g009
Figure 10. Temperature measurements of the samples III and IV (using thermal camera).
Figure 10. Temperature measurements of the samples III and IV (using thermal camera).
Buildings 13 01323 g010
Figure 11. Results of the temperature measurements of sensor TS Isurf fitted with asymmetric Gaussian function.
Figure 11. Results of the temperature measurements of sensor TS Isurf fitted with asymmetric Gaussian function.
Buildings 13 01323 g011
Figure 12. Results of the temperature measurements of sensor TS IIIsurf fitted with asymmetric Gaussian function.
Figure 12. Results of the temperature measurements of sensor TS IIIsurf fitted with asymmetric Gaussian function.
Buildings 13 01323 g012
Figure 13. Results of the temperature measurements of the thermal camera for sample I fitted with asymmetric Gaussian function.
Figure 13. Results of the temperature measurements of the thermal camera for sample I fitted with asymmetric Gaussian function.
Buildings 13 01323 g013
Figure 14. Results of the temperature measurements of the thermal camera for sample I with ±2 °C limits together with Sensor TS Isurf measurements.
Figure 14. Results of the temperature measurements of the thermal camera for sample I with ±2 °C limits together with Sensor TS Isurf measurements.
Buildings 13 01323 g014
Figure 15. Results of the temperature measurements of the thermal camera for sample III with ±2 °C limits together with Sensor TS IIIsurf measurements.
Figure 15. Results of the temperature measurements of the thermal camera for sample III with ±2 °C limits together with Sensor TS IIIsurf measurements.
Buildings 13 01323 g015
Table 1. Chemical composition of cement and fly ash used (%).
Table 1. Chemical composition of cement and fly ash used (%).
OxideCement (PC)Fly Ash (F)
CaO 63.126.12
SiO2 20.32 58.60
Al2O3 4.60 21.92
Fe2O3 3.30 5.97
MgO 1.921.77
K2O 0.611.50
Na2O 0.260.37
TiO2 0.440.49
MnO 0.07 -
P2O5 0.35-
SO3 3.20-
Loss on ignition1.69 3.26
Table 2. Basic properties of the component materials used.
Table 2. Basic properties of the component materials used.
Cement (PC)Fly Ash (F)Sand
Specific density (g/cm3)3.0402.1902.740
Bulk density (g/cm3)0.8900.6901.610
Table 3. Composition of the pastes and mortars.
Table 3. Composition of the pastes and mortars.
PCPPCFPPCMPCFM
Mass of cement (g)500400450360
Mass of fly ash (g)-100-90
Mass of water (g)125125225225
Mass of sand (g)--13501350
Table 4. Properties of the tested pastes.
Table 4. Properties of the tested pastes.
PropertyProperty/TimePCPPCFP
Setting time of the pasteWater/cement factor0.250.28
Beginning, h:min02:4503:48
Ending, h:min04:0006:08
Standard consistency of the pasteWater/cement factor0.250.28
Vicat’s apparatus (mm)6.56.0
Table 5. Properties of the tested mortars.
Table 5. Properties of the tested mortars.
PropertyAge/TimePCMPCFM
Flexural strength of mortar (MPa)7 days6.886.44
28 days9.3810.13
Compressive strength of mortar (MPa)7 days34.6932.42
28 days47.6653.28
Table 6. Parameters used for the fitting functions.
Table 6. Parameters used for the fitting functions.
CoefficientPCFPIfullPCFP IIfullPCFP IIIhalfPCFP IVhalf
TS IsurfTS ImidTS IIsurfTS IImidTS IIIsurfTS IIImidTS IVsurfTS IVmid
µi460440460440470440440440
σi244236.5245.5249295303311311
ri0.7580.7740.7620.7910.78980.6860.63980.686
A115.519.515.519.56.58.06.58.0
A217.521.517.521.58.510.08.510.0
N125242524.52323.52323.5
N223222322.52121.52121.5
Table 7. Parameters used for the creation of the fitting functions for thermal camera measurements.
Table 7. Parameters used for the creation of the fitting functions for thermal camera measurements.
CoefficientTC IsurfTC IIsurfTC IIIsurfTC IVsurf
µi470470470440
σi244245.5295311
ri0.7580.7620.78980.6398
A114146.56.5
A216168.58.5
N125252323
N223232121
Disclaimer/Publisher’s Note: The statements, opinions and data contained in all publications are solely those of the individual author(s) and contributor(s) and not of MDPI and/or the editor(s). MDPI and/or the editor(s) disclaim responsibility for any injury to people or property resulting from any ideas, methods, instructions or products referred to in the content.

Share and Cite

MDPI and ACS Style

Živanović, N.; Aškrabić, M.; Savić, A.; Stević, M.; Stević, Z. Early-Age Cement Paste Temperature Development Monitoring Using Infrared Thermography and Thermo-Sensors. Buildings 2023, 13, 1323. https://doi.org/10.3390/buildings13051323

AMA Style

Živanović N, Aškrabić M, Savić A, Stević M, Stević Z. Early-Age Cement Paste Temperature Development Monitoring Using Infrared Thermography and Thermo-Sensors. Buildings. 2023; 13(5):1323. https://doi.org/10.3390/buildings13051323

Chicago/Turabian Style

Živanović, Nevena, Marina Aškrabić, Aleksandar Savić, Miša Stević, and Zoran Stević. 2023. "Early-Age Cement Paste Temperature Development Monitoring Using Infrared Thermography and Thermo-Sensors" Buildings 13, no. 5: 1323. https://doi.org/10.3390/buildings13051323

APA Style

Živanović, N., Aškrabić, M., Savić, A., Stević, M., & Stević, Z. (2023). Early-Age Cement Paste Temperature Development Monitoring Using Infrared Thermography and Thermo-Sensors. Buildings, 13(5), 1323. https://doi.org/10.3390/buildings13051323

Note that from the first issue of 2016, this journal uses article numbers instead of page numbers. See further details here.

Article Metrics

Back to TopTop