Abstract
Local knowledge of a region is an asset that encourages the identification of a region. Hence, the specificity, uniqueness, and character that animates a particular city can distinguish it significantly from other cities. Sago tree fronds are widely applied to buildings as an alternative material for making tiles for roofs and other parts of buildings. The sago palm has long been used for making roofs and walls, especially in traditional houses. Few previous studies have used sago fronds as a manufacturing material for traditional houses. However, based on data in the field, many traditional houses still use sago fronds as a roof and wall framing material. This is also an effort to overcome the urban heat island phenomenon (UHI) in buildings. The UHI phenomenon is a phenomenon of urban development that highly affects environmental quality conditions and causes microclimate changes where air temperature conditions in urban areas are higher than the surrounding air temperatures. Sago midrib fiber is a natural composite material used as a reinforcing material for natural composite materials due to its thermal and mechanical properties. Composite materials using the hand lay-up technique—with characterization methods including the impact test and the DSC test, variations in levels, and variations in the resin–catalyst matrix—were used in this study. The results obtained were then compared with those in the literature. The results showed that 6% obtained the most significant impact value of 2.1 , and the resin–catalyst matrix variation of 97.5%:2.5% obtained the most significant impact value, which was 2.4 . Meanwhile, the DSC test results showed that the material’s best value for retaining heat was at 4% content variation and a resin–catalyst matrix variation of 97.5%:2.5%.
1. Introduction
The rapid development of urban infrastructure has led to climate change. It has made local air temperatures warmer, providing the knowledge that eliminating the issue of climate change in development can result in more significant losses in the future. High urban development affects environmental quality conditions, especially microclimate changes where the air temperature in urban areas is higher than in the surrounding areas [1,2]. This phenomenon is often called an urban heat island (UHI).
Urban heat islands are among the most pressing urban environmental problems and challenges for many cities. Over the past decade, there has been much research on urban heat islands in significant cities around the world [3].
Traditional house designs using natural composite materials combined with local wisdom have become residents’ choices, especially in areas with these resources. The design is intended to maintain the surrounding culture and prevent the development of the UHI phenomenon in the region. The midrib is the most prominent leaf bone of a plant. The midrib of the tree has long been applied as a roofing material for houses, especially in traditional houses. In most parts of Papua, especially West Papua, the sago palm midrib has been used in traditional buildings. This is because most areas of Papua have abundant sago palms. The midrib chosen by the community aims not only to preserve the culture but also to shelter residents from the heat. Recently, the public has learned that the design of a house with a framed roof and walls can prevent the UHI phenomenon. Figure 1 shows the traditional building design of the Papua people, who still use the sago frond as a framed roof and wall material. The building is located in the village of Malaumkarta, Sorong Regency.
Figure 1.
Traditional building design using sago midrib for the house’s roof.
Rumbia, also called (tree) sago, is a type of palm-producing sago flour. The sago palm (Metroxylon sagu Rottb) is a potent food and energy source. Sago fronds are produced as waste from harvesting sago in abundant quantities; however, their use is less than optimal. Sago fronds, especially sago leaves, are only used as walls and roofs in traditional buildings and are applied in a simple arrangement. In addition, the use of sago palm midrib has been investigated as an alternative acoustic material [4]. Inside the bones of sago leaves, there are strong fibers that resemble hair or feathers. These can be used as reinforcing materials in natural fiber composite materials [5,6,7]. Several studies have shown the use of sago midrib fiber as a natural composite material, as a bio-composite [8], and as an alternative to synthetic fiberglass fiber [9].
Research has shown that parts of the sago tree can be used as reinforcing materials in natural fiber composite materials. Some parts of the sago tree that have been researched include the leaves [10], sago midrib [4], and sago midrib fiber [5,6,7,8,9]. The main focus of research is the fiber part of the sago midrib. This is because sago fiber has the potential to be an alternative to synthetic fibers.
There are two types of plastics: thermoplastics and thermosets. These two types have different characteristics, which significantly affect the final product [11]. Thermoplastic-type plastic is easily reshaped when exposed to heat [12,13]. Thus, thermoplastic materials, such as derivatives of polystyrene [14], glass [15,16], polyethylene glycol (PEG), and the superabsorbent polymer (SAP) group [17,18], are favored by engineers for recycling processes. This is because recycling thermoplastic plastic does not require a chemical reaction and a catalyst or accelerator. On the other hand, thermoset plastic is difficult to re-form when exposed to heat and does not melt. Because of these properties, this type of plastic is often used as a material reinforced by load-bearing. For instance, the thermoset-type plastic materials are propylene [19], orthophthalic polyester (SO), low-styrene-content DCPD (dicyclopentadiene) orthophthalic polyester (LS), low-styrene-emission orthophthalic polyester (LES), and vinyl ester (SV) [20].
Then, the filling or polymer matrix materials commonly used are polyester or epoxy resin types. This type of thermoset plastic has a low viscosity and can be easily injected under low pressure into a closed mold containing a fiber preform [21]. Epoxy resins are generally dysfunctional, producing anhydrides with high temperatures [12] such as methylnadic (218 °C), pyrolytic (290 °C), or nadic (305 °C). Figure 2 shows the temperature sensitivity of polyester resin. This polymer material is often used as a fiber-filling material.
Figure 2.
The temperature sensitivity of the dc volume resistivity and the dielectric loss tangent of the polyester resin [22].
, smooth fracture surface;
, rough fracture surface. Strain rates are shown, 1 mm min-1.
, smooth fracture surface;
, rough fracture surface. Strain rates are shown, 1 mm min-1.
Composite materials are complex multi-component systems which are difficult to define accurately. A concise definition is that a composite material is a multiphase combination material of two or more material components with different properties and shapes created through a fusion process. The not only retain the main characteristics of the original components but also exhibit new characteristics that the original components do not have [23]. An analogy of composite materials is shown in Figure 3.
Figure 3.
Composite material analogy.
Composite materials consist of two types of reinforcement: synthetic and natural. A synthetic reinforcement is a material made from a mixture of chemical solutions that have high strength and extraordinary progress [16,19,24,25,26,27,28,29]. In addition, natural reinforced composites are natural reinforcing materials that can be found in nature, such as the sago leaf [10], wood [14], coconut midrib [30], bagasse [31,32,33], sago midrib [34], lontar midrib fiber [35], basalt fiber [36], abaca banana fiber, hemp, sisal [14,37,38,39,40], cotton [39], rubber wood [41], wood flour fiber tectona grandis [42], phragmites australis fiber [43], durian skin fiber [44], jute fiber [45], basalt aggregates and powders [46], and limestone [46].
Natural composite materials have been widely studied for application in buildings, for example, the manufacture of insulation materials from wood and hemp [14]; the use of sugarcane fiber (bagasse) as a reinforcing material in the manufacture of ceiling composites [31,32,33,47]; the connection of sago fronds to the walls of Gaba Gaba Houses [34]; the design of masonry ring blocks made of clay bricks reinforced with natural fibers [38]; the manufacture of concrete blocks with restraints of cotton fiber rope and hemp fiber rope [39]; natural aggregate concrete manufacture using hemp rope restraints [40]; the manufacture of soundproofing materials from durian fibers [44]; the manufacture of reinforced cement concrete with nylon and jute fibers [45]; the modification of brick using basalt components [46]; and recently, natural composite materials which have been used for the manufacture of concrete [43].
Furthermore, it is necessary to fulfil several conditions in roof construction. According to [48], the requirements that must be met in roof construction include: (1) the roof construction must be strong enough to withstand its weight and loads; (2) the appropriate roof shape must be selected to add beauty and comfort for the occupants; (3) the roof covering material must be in accordance with the function of the building and be resistant to weather influences; (4) it should be in accordance with the characteristics of the traditional architecture of the surrounding buildings; and (5) the slope or angle of the roof must be in accordance with the covering material. The denser the type of covering material, the gentler the slope can be; such materials can be from zinc, glass, asbestos and others. Natural composite materials can be used in roofing applications, such as sago leaves in house roofs [49].
Sago palm midrib fiber, as a local material, is used in natural composite materials that are used as reinforcing materials. It is hoped that the application of natural composite materials with sago palm midrib fibers will be reinforced in Sorong City. This is expected to potentially prevent the urban heat island (UHI) phenomenon in buildings. This study will review the mechanical and thermal properties, and it is hoped that a reinforcing composition of sago midrib fiber and an epoxy resin matrix can be obtained. This paper can be used as a reference in the construction sector to overcome the urban heat island (UHI) phenomenon in buildings. Thus, it will consider the composition of the reinforcement and the matrix to improve the quality of buildings and reduce production costs incurred by industry players.
2. Materials and Methods
2.1. Materials
The primary material used in this study was sago sheath fibers with random diameters and lengths. The amount of sago fiber used was adjusted to the needs of the later test spacing. The sago midrib fiber was obtained through several stages: taking the old sago midrib, located at the bottom of the sago tree, and then, separating the sago leaves from the midrib. The sago pith used is shown in Figure 4a. Then, the sago midrib was cut to the same length, and the midrib was left to dry for three days. The peeled sago midrib was ground or shaved using a knife to separate the pith from the sago midrib fiber. Thus, the sago midrib fiber was obtained. The sago sheath fiber used was a reinforcing material in this study. Figure 4 shows the process of obtaining the sago midrib fiber as a reinforcing material for natural composite materials.

Figure 4.
The process of obtaining sago midrib fiber material: (a) separation of the leaf from the midrib; (b) cutting the sago midrib; (c) separation of pith from the fiber; and (d) sago midrib fiber.
Moreover, the resins and catalysts used in this study were, respectively, epoxy resin type BQTN-EX 157 and Hardener type MEPOXE (methyl ethyl ketone peroxide). These resins and catalysts are the most familiar types of resin catalysts in Sorong city since local people often use them to make or repair fiberglass boats (fiber-reinforced plastic). Table 1 shows the material properties of epoxy resin type BQTN-EX 157, while Table 2 shows the material properties of MEPOXE (methyl ethyl ketone peroxide).
Table 1.
The material properties of epoxy resin type BQTN-EX 157.
Table 2.
Material properties of MEPOXE (methyl ethyl ketone peroxide).
2.2. Specimen Preparation
After this, the sago midrib fiber was obtained, and then, the sago fiber soaked using a solution of and with variations of 4%, 4.5%, 5%, 5.5%, and 6%, for 15 min. Previously, studies have used natural sago fibers and soaked the fibers with [5,6,7,9]. This treatment also applies to other natural fibers, including palm midrib fibers [35] and durian skin fibers [44]. Recently, was used to soak natural fibers from the Australian Phragmites (PA) plant species [43]. This aims to make the dirt from lignin, hemicellulose, or other impurities, including sago pith contained in the fiber, fall out. After the samples were soaked, the samples were dried in the sun until the sago midrib fibers were dry.
After the sago midrib fibers were dry, we weighed and mixed the reinforcing material with the matrix material. Previously, many studies have used the percentage of fiber given to resin–catalyst mixtures with various variants [50]. In the literature, the volume composition of fiber is the matrix used to obtain optimal results, namely 15% fiber:85% matrix, and the tensile value increases with the addition of fiber volume [8,9]. In this study, we tried to use the composition of the matrix fiber, and the volume percentage ratio of the fiber to the resin–catalyst mixture was 30%:70%, respectively. with variations of 4%, 4.5%, 5%, 5.5%, and 6% was compared to the study’s results. Based on the literature, the 5% variation has a good heat resistance value [51]. Therefore, with a variation of 5% was taken to be used as a parameter for the percentage variation in the resin–catalyst matrix, for 99.5%:0.5%, 99%:1%, 98.5%:1.5%, 98%:2%, and 97.5%:2.5%, respectively. The experimental designs in this study are shown in Table 3 and Table 4. In the experimental design used, a sample was used as the basis for making other variations in the sample. For example, in this study, the matrix variation sample C2 (98.5%:1.5%) was used as a basis for making samples of variations. On the other hand, the variation sample C1 (5%) was used as the basis for making sample variation matrices.
Table 3.
Experimental design for various polymer composite materials with a variety of C2 sample matrices as a reference.
Table 4.
Experimental design for various matrix polymer composite materials with variations in NaOH sample C1 as a reference.
2.3. Testing Method
Several testing methods were carried out, including the impact method and DSC (Differential Scanning Calorimetry). In this research, each test was conducted thrice. After testing, the test results were discussed by comparing several works of literature.
2.3.1. Impact Test
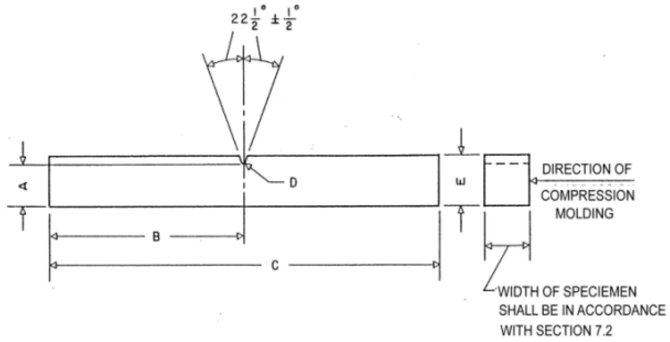
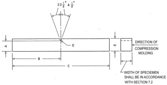
Impact tests can be used instead of tensile tests to determine the mechanical properties of polymer composite materials. The impact is used to obtain a material’s strength, hardness, and toughness. An impact test was conducted by pounding the test object using a swayed pendulum. The specimens were made according to ASTM D6110 as shown in Figure 5, and Table 5 shows the required specimen geometry. Figure 6 and Figure 7 show an impact specimen that was ready to be tested and the sample testing process, respectively.
Figure 5.
Impact test specimen (ASTM D6110).
Table 5.
Impact test specimen geometry (ASTM D6110).
Figure 6.
Impact Specimen.
Figure 7.
Impact testing process.
2.3.2. DSC Test
DSC (Differential Scanning Calorimetry) is a thermal analysis technique that measures the energy absorbed or emitted by a sample as a function of time to temperature. When a thermal transition occurs in the sample, the DSC provides a calorimetric measurement of the transition energy of a given temperature. The composite material that has been prepared is then cut into small squares or circles according to the test tray of the tool to be tested using the DSC test. After we completed this process, the material was tested using temperature settings ranging from – °C with a heating rate of . Furthermore, an analysis of the behavior of heat changes caused by the material was carried out.
3. Results
3.1. Impact Test Results
Each material has various mechanical properties because mechanical properties are inherent properties of the material itself. Composite materials have unique mechanical properties. This is because the composite material has a multiphase system composed of reinforcing and matrix materials. This causes composite materials to have low density, high mechanical properties, performance comparable to metals, corrosion resistance, and easy fabrication [23].
According to the results of impact testing on natural composite materials reinforced with sago midrib fiber, it was found that there were varying results. This is natural because it is the nature of the composite material itself. Figure 8 and Figure 9 show a graphic image of impact testing results on natural composite materials reinforced with sago sheath fiber, with variations and resin–catalyst matrix percentage variations.
Figure 8.
The results of impact testing on natural composite materials reinforced with sago midrib fiber with variations in (A1) 4%; (B1) 4.5%; (C1) 5%; (D1) 5.5%; (E1) 6%.
Figure 9.
The results of impact testing on natural composite materials reinforced with sago midrib fiber, with percentage variations in the resin–catalyst matrix: (A2) 99.5%:0.5; (B2) 99%:1%; (C2) 98.5%:1.5%; (D2) 98%:2%; (E2) 97.5%:2.5%.
The results of visual observations showed that natural composite materials reinforced with sago midrib fiber were natural, with differences in the test results. This was because, in some samples, there was little reinforcement with sago midrib fiber, and there were air cavities for other samples. Figure 10 and Figure 11 show a visualization of the failure of a natural composite material specimen reinforced with sago sheath fiber with variation and resin–catalyst matrix percentage variation.
Figure 10.
Variation in impact specimen failure and sample cross-sectional images for (A1) 4%; (B1) 4.5%; (C1) 5%; (D1) 5.5%; (E1) 6%.
Figure 11.
Variation in impact specimen failure of resin–catalyst matrix and sample cross-sectional images: (A2) 99.5%:0.5; (B2) 99%:1%; (C2) 98.5%:1.5%; (D2) 98%:2%; (E2) 97.5%:2.5%.
3.2. DSC Test Results
Furthermore, in its application to roofs, it is necessary to test the resistance of the material to temperature. According to the results of the data collection on air temperature for 2009–2021, conducted by the Meteorology, Climatology and Geophysics Agency (BMKG) of Sorong City, the average air temperature of the city reaches 26.2–27.5 °C (BMKG, 2021). Therefore, testing was necessary. In this test, it was necessary to conduct Differential Scanning Calorimetry (DSC) to obtain data on the effects of certain temperatures on changes in physical and chemical characteristics [52].
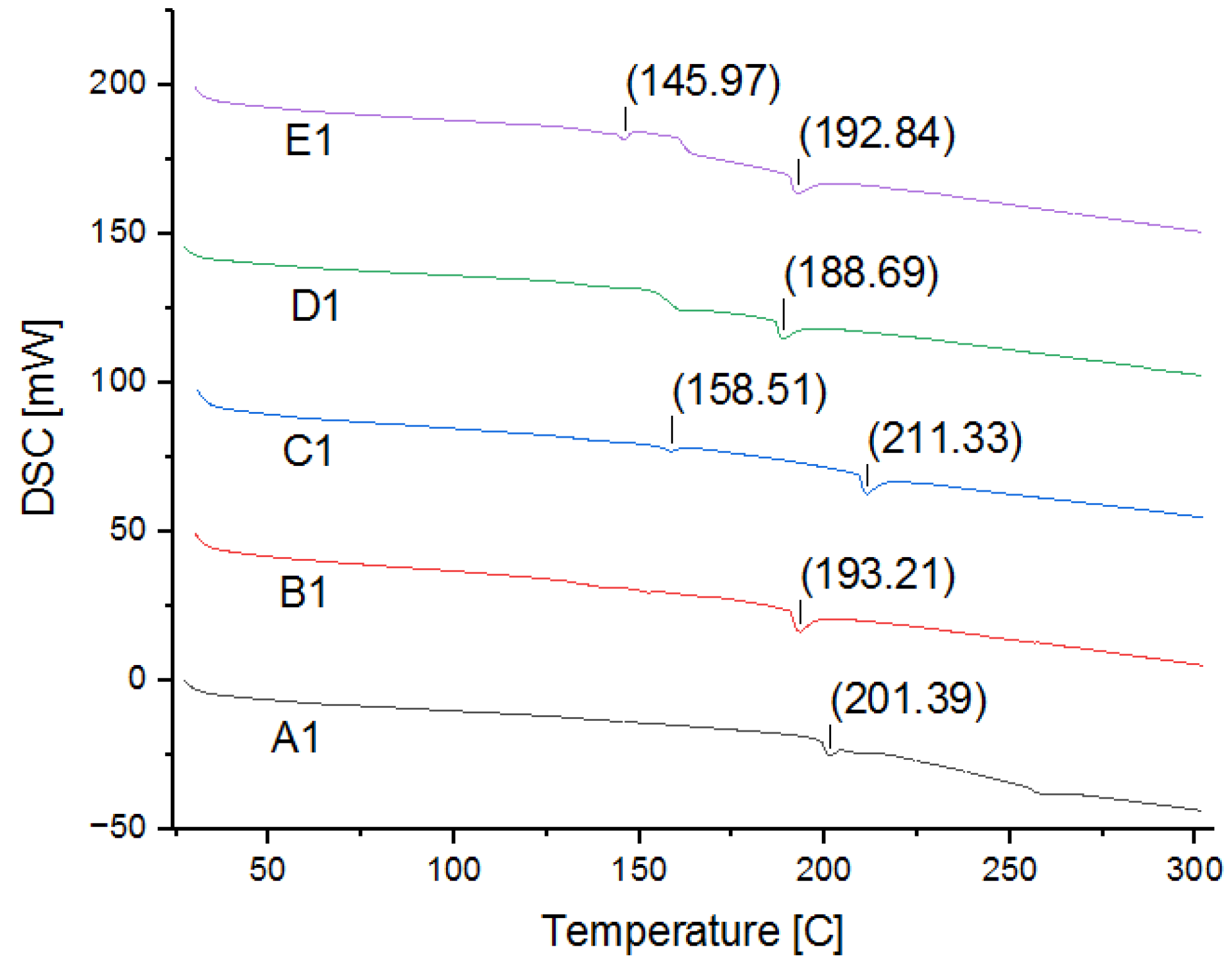
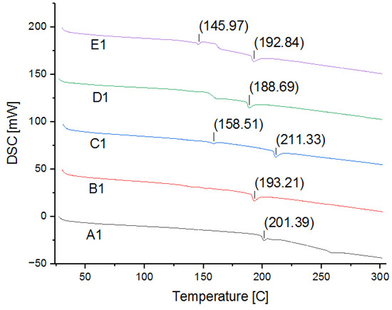
Furthermore, from the results of the DSC testing on natural composite materials reinforced with sago midrib fiber, it was found that there were varying results. This is natural because it is the nature of the composite material itself. Figure 7 and Figure 8, respectively, show a graphic image of the results of impact testing on natural composite materials reinforced with sago sheath fiber, with variations and resin–catalyst matrix percentage variations. Figure 12 and Figure 13, respectively, show the variation results of the DSC test and the percentage variation in the resin–catalyst matrix.
Figure 12.
DSC test results for (A1) 4%; (B1) 4.5%; (C1) 5%; (D1) 5.5%; (E1) 6%.
Figure 13.
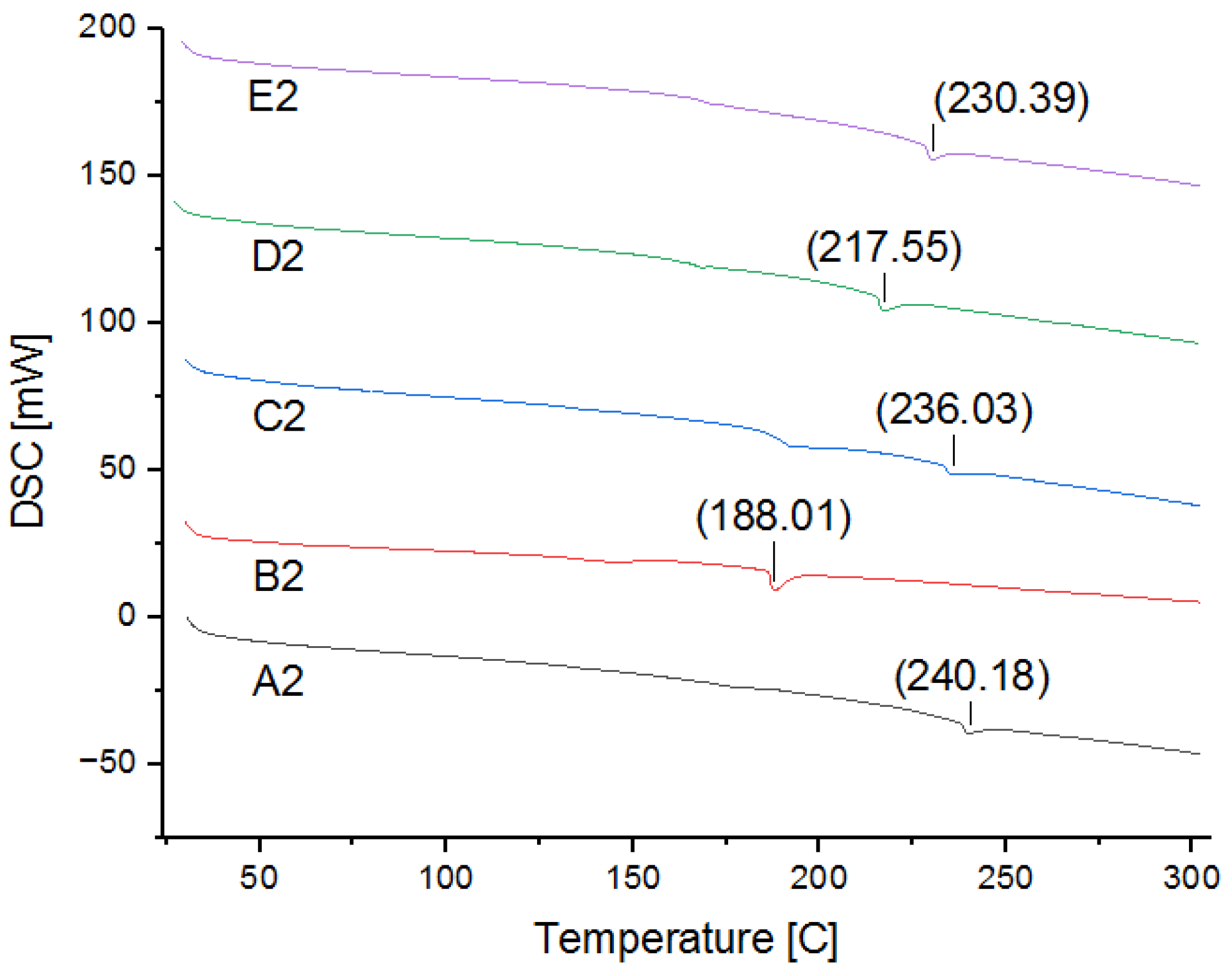
The results of the DSC test showing the percentage variation in the resin–catalyst matrix: (A2) 99.5%:0.5; (B2) 99%:1%; (C2) 98.5%:1.5%; (D2) 98%:2%; (E2) 97.5%:2.5%.
4. Discussion
4.1. Impact Test
4.1.1. Variation in
Figure 7 shows the impact testing results on natural composite materials reinforced with sago midrib fiber with variations. It can be seen that the sample with the highest impact value was sample E1, with percentage and test results of 6% and 2.1 . In contrast, the lowest value obtained from the test was for sample C1, with percentage and test results of 4% each and 1.3 . According to some of the literature, the higher the percentage of the higher the impact yield [7,9]. The variation in during the making of natural composite materials significantly affects this yield. The higher the percentage of , the higher the impact value obtained. Another study stated that an alkaline treatment effectively removed lignin, hemicellulose, and impurities in the fiber [51]. This also has an impact on sago fiber. There are components of lignin and hemicellulose and impurities in sago that need to be cleaned to improve the material’s mechanical ability. The results of this study were generally in accordance with the literature in that the higher the percentage of , the higher the impact value obtained.
Furthermore, if observed from the viewpoint of material failure that occurred, specimen A1 experienced severe failure when compared to other specimens. The specimen was divided into four parts, and a small part was wasted. This could have happened because the part was experiencing rapid cooling of the material. The same happened to specimen C1. In this specimen, the material failed in three parts. As in the literature, we found that epoxy resin materials have unique properties at certain temperatures, while in other specimens, they failed in general. Another specimen failed right at the notch, which is expected because this part was a part with a low value. Hence, this part was easily broken. This phenomenon of composite materials is natural [23]. In the hardening process, this part was hardened first, so material failure occurred in that area. The possibility of an uneven hardening process existed because there were still impurities in the form of lignin, hemicellulose, or other impurities. In addition, another possibility was that the resin–catalyst mixing process was uneven, and the ambient temperature was unstable. Figure 10 shows the appearance of failure of the material with variation.
4.1.2. Variation in Resin–Catalyst Matrix
Figure 8 shows the impact testing results on natural composite materials reinforced with sago sheath fiber, with a variation in the percentage of the resin–catalyst matrix. It can be seen that the sample with the highest impact value was sample D2, with a percentage of the resin–catalyst and test result of 97.5%:2.5% and 2.4 , respectively. Meanwhile, the lowest value obtained from the test was in sample A2, with a percentage of the resin–catalyst and test result of 99.5%:0.5% and 1.3 , respectively. According to some of the literature, the higher the resin–catalyst percentage, the higher the impact result [50]. Based on the literature, the results obtained were appropriate. There is an increase in value along with the addition of resin. This is in line with the literature [50]. An increase in impact value occurs in natural composite materials reinforced with sago frond fiber because the material uses a polyester or epoxy resin-type matrix. In samples A2 to E2, there is an acceleration of heat flow. So, sample E2 hardens faster than A2. This gives sample E2 a high impact value compared to the other five samples.
Meanwhile, if observed from the appearance of material failure that occurred, specimen A1 experienced a severe failure when compared to other specimens. The specimen is divided into four parts, and a small part is wasted. This can happen because the part is experiencing rapid cooling of the material. The same thing happened to specimen C1. In this specimen, the material failed into three parts. As in the literature, epoxy resin materials have unique properties at temperature. While in other specimens, it only failed in general. Another specimen failed right at the notch, and this was normal because that part is a part that has a small value. Figure 11 shows the material failure percentage variation in the resin–catalyst matrix. As in the variation, this part had already hardened when the hardening process occurred. Moreover, this experiment had variations in the resin–catalyst and unevenness in the resin–catalyst mixing process. This would have greatly affected the results. Thus, material failure occurred in that area. Figure 11 shows the material failure percentage variation in the resin–catalyst matrix.
4.2. DSC Test
4.2.1. Variation in
Figure 12 shows the results of the DSC test on natural composite materials reinforced with sago sheath fiber with variations. It can be seen that sample E1 at the transition temperature undergoes an earlier transition than the others, followed by C1, with a transition temperature value of . Then, with good results in absorbing heat, sample C1 has a transition temperature of , followed by A1, with a transition temperature value of . The average value decrease upon adding an alkali () is 20%.
Based on these results, it is reasonable that this happened because alkaline solutions function to remove impurities from lignin, hemicellulose, and other impurities. The natural heat resistance was lost due to the alkaline solutions. Natural composite materials treated with an alkali had a low transition temperature value. This is in line with the literature results. Differences in alkaline () values will greatly affect the results of the transition temperature of natural composite materials [16]. This is proven in this study. It appears that differences in alkaline () values also affected the value of the transition temperature. The higher the alkaline value given, the lower the heat resistance value of the natural composite material reinforced with sago sheath fiber. Conversely, if the alkaline value was lower, natural composite materials with sago sheath fiber increased the heat resistance value. Thus, natural composite material reinforced with sago sheath fiber suffers from mild corrosion in an alkaline environment.
4.2.2. Variation in Resin–Catalyst Matrix
Figure 13 shows the results of the DSC test on natural composite materials reinforced with sago sheath fiber, with variation in the percentage of the resin–catalyst matrix. It can be seen that sample B2 at a temperature of experienced an earlier transition than the others, followed by D2 at . Then, with good results in absorbing heat, sample A2 had a transition temperature of , followed by C2, with a transition temperature value of . The average value increase due to the addition of a catalyst was 20%.
Based on these results, we found that the variation in the resin–catalyst matrix in the sample caused the addition of a catalyst. Adding a catalyst will accelerate the process of hardening the material [50]. This will increase the heat resistance of the material. The literature’s results reinforce that in polymer materials, the peak size depends on the annealing time and temperature, which is below the glass transition temperature . If the enthalpy of relaxation is large, there will also be a large area of measured peaks in the DSC plot [53]. This is proven in this study, and it is seen that the difference in the value of the resin–catalyst matrix will also affect the value of the transition temperature. The higher the resin–catalyst matrix, the higher the heat resistance value of the natural composite material reinforced with sago sheath fiber. On the other hand, the lower the resin–catalyst matrix, the lower the heat resistance value of natural composite materials reinforced with sago sheath fiber. Thus, natural composite materials reinforced with sago sheath fiber also experience corrosion.
5. Conclusions
The results showed an increase in the impact value of natural composite materials reinforced with sago midrib fiberm with variations in levels and the resin–catalyst matrix. The results showed that the variant of the content of 6% obtained the most significant impact value of 2.1 , and for the resin–catalyst matrix variation 97.5%:2.5%, the largest impact value was 2.4 .
Furthermore, in the visualization of the impact failure sample of natural composite materials reinforced with sago midrib fiber, we found quite severe material failure with variations in content experienced by A1. Because in this sample, the sago fiber only received a small amount of NaOH mixture, there was still dirt on the sago fiber. In contrast, A2 experienced variation in the resin–catalyst matrix. Because in this sample, the composite material was not completely dry, weak material adhesion was obtained.
However, the results of the DSC test showed that the best value of natural composite materials with sago sheath fiber reinforcement in retaining heat was the variation of 4% content. Because in this sample, the fiber only received a small amount of NaOH mixture, the fiber could conduct heat well in the composite materials. In contrast, the variation in the resin–catalyst matrix was 97.5%:2.5%. Because in this sample, the composite material was not completely dry, when given heat treatment, the heat was distributed evenly in the composite material.
Based on these results, natural composite materials reinforced with sago midrib fiber, combined with local wisdom, could potentially be a chosen material for traditional buildings to reduce urban heat islands (UHIs). As this material undergoes additional treatment, it is expected to improve the life cycles of buildings. For the next development stage, it is necessary to carry out further research on sago fronds or sago frond fibers for retaining building heat.
Author Contributions
Conceptualization, E.T.M.; methodology, E.T.M. and A.S.; software, A.S.; validation, A.S., T.S.B.M., and W.A.; formal analysis, E.T.M.; investigation, E.T.M.; resources, E.T.M.; data curation, E.T.M. and A.S.; writing—original draft preparation, E.T.M.; writing—review and editing, E.T.M., A.S., T.S.B.M., and W.A.; visualization, E.T.M., A.S., T.S.B.M., and W.A.; supervision, E.T.M.; project administration, E.T.M.; funding acquisition, E.T.M. All authors have read and agreed to the published version of the manuscript.
Funding
This research received no external funding.
Data Availability Statement
The data presented in this study are publicly available.
Acknowledgments
I would like to thank the promoter, who provided constructive input for the results of this research. Furthermore, I thank my colleagues and students who helped to carry out this research.
Conflicts of Interest
The authors declare no conflict of interest.
Abbreviations
| Chemical formula of sodium hydroxide | |
| Chemical formula of water |
References
- Lo, C.P.; Quattrochi, D.A. Land-Use and Land-Cover Change, Urban Heat Island Phenomenon, and Health Implications: A Remote Sensing Approach. Am. Soc. Photogramm. Remote Sens. 2003, 69, 1053–1063. [Google Scholar] [CrossRef]
- Chen, X.L.; Zhao, H.M.; Li, P.X.; Yin, Z.Y. Remote sensing image-based analysis of the relationship between urban heat island and land use/cover changes. Remote Sens. Environ. 2006, 104, 133–146. [Google Scholar] [CrossRef]
- Dararat, K.; Shobhakar, D. Time series analysis of land use and land cover changes related to urban heat island intensity: Case of Bangkok Metropolitan Area in Thailand. J. Urban Manag. 2020, 9, 383–395. [Google Scholar]
- Asniawaty, K.; Sherly, A. Pelepah Sagu sebagai Material Akustik Alternatif. Temu Ilm. Ikat. Peneliti Lingkung. Binaan Indones. 2017, 6, 55–60. [Google Scholar]
- Yuspian, G.; Prinob, A.; La, O.I. Analisa pengaruh ukuran diameter serat tangkai sagu terhadap sifat mekanik pada material komposit. ENTHALPY J. Ilm. Mhs. Tek. Mesin 2016, 2, 62–67. [Google Scholar]
- Arthur, Y.L. Pengaruh fraksi volume serat ampas empulur sagu terhadap kekuatan bending dan impak pada komposit bermatrik polyester. Arika 2016, 10, 147–156. [Google Scholar]
- Nevada, M.N.; Wahyono, S.; Rudy, S. Pengaruh fraksi volume serat empulur sagu (metroxylon sp) dan presentase alkali terhadap pengujian impak serta absorpsi air pada komposit berserat sagu. J. Rekayasa Mesin 2018, 9, 163–168. [Google Scholar]
- Agus, S.; Dody, Y. Utilization of sagu tree for fiber waste making biocomposite. J. REM (Renew. Energy Mech.) 2020, 3, 22–31. [Google Scholar]
- Budiawan, S.; Rakhmawati, N. Serat Pelepah Sagu Sebagai Alternatif Pengganti Serat Sintesis Fiberglass. Pena Tek. J. Ilm. Ilmu-Ilmu Tek. 2021, 6, 14–23. [Google Scholar]
- Muhammad, Z.U.; Muhammad, A. Prinsip-prinsip arsitektur berkelanjutan pada material atap daun sagu. In Seminar Nasional Inovasi Dan Aplikasi Teknologi Di Industri; ITN, Malang. 2017. Available online: https://ejournal.itn.ac.id/index.php/seniati/article/view/1938 (accessed on 9 September 2022).
- Geoffrey, P. Reinforced Plastics Durability, 1st ed.; CRC Press: Boca Raton, FL, USA, 1999; pp. 11–12. [Google Scholar]
- Margolis, J.M. (Ed.) Engineering Thermoplastics–Properties and Applications; Marcel Dekker: New York, NY, USA, 1985. [Google Scholar]
- A Brent Strong, High Performance and Engineering Thermoplastic Composites; Technomic: Lancaster, PA, USA, 1993.
- Cassandra, L.; Pierre, B. Technical performance overview of bio-based insulation materials compared to expanded polystyrene. Buildings 2020, 10, 81–94. [Google Scholar]
- Xiangxiang, C.; Xudongxiang, C.; Andrew, C.; Yingyao, C.; Hongfan, W. A fdem parametric investigation on the impact fracture of monolithic glass. Buildings 2022, 12, 271–290. [Google Scholar]
- Wenchao, L.; Fusheng, W.; Min, Z.; Fusheng, L.; Yuzhao, J.; Qingfeng, W.; Hengan, L. Assessment and prediction model of gfrp bars’ durability performance in seawater environment. Buildings 2022, 12, 127–140. [Google Scholar]
- Norhaliza, H.; Hamidah, M.S.; Mohammad, H.B.; Abdul, R.M.S.; Iman, F.; Muhd, N.M.S.; Omrane, B.; Ghasan, F.H. A review on the use of self-curing agents and its mechanism in high-performance cementitious materials. Buildings 2022, 12, 152–179. [Google Scholar]
- Xinglong, Y.; Zhiyang, P.; Haoyuan, Z.; Qizhou, G.; Fupeng, W.; Shuo, W.; Yongcheng, J. Review of mechanical and temperature properties of fiber reinforced recycled aggregate concrete. Buildings 2022, 12, 1224–1248. [Google Scholar]
- Genbao, Z.; Zhiqing, D.; Runhong, Z.; Changfu, C.; Guihai, F.; Xiao, L.; Yufei, W.; Chao, Z. Combined utilization of construction and demolition waste and propylene fiber in cement-stabilized soil. Buildings 2022, 12, 350–367. [Google Scholar]
- Romain, M.; Yves, P.; Alain, B.; Peter, D.; Christophe, B. Seawater ageing of low styrene emission resins for marine composites: Mechanical behaviour and nano-indentation studies. Compos. Part A 2009, 40, 1024–1032. [Google Scholar]
- Autar, K.K. Mechanics of Composite Materials, 2nd ed.; Taylor & Francis: Boca Raton, FL, USA, 2006; pp. 33–34. [Google Scholar]
- Ho, D. Effect of Chain Length on the Retention of Polyester Mechanical Properties in Water. MPhil Thesis, Kingston Polytechnic, Kingston upon Thames, Abington Cambridge, UK, 1983. [Google Scholar]
- Wang, R.-M.; Zheng, S.-R.; Zheng, Y.-P. Polymer Matrix Composites and Technology, 1st ed.; Woodhead Publishing Limited: Hong Kong, China, 2011; pp. 3–4. [Google Scholar]
- Han, W.; Guiyuan, X.; Minghe, F.; Zhe, Y.; Yu, T.; You, Z. Electrical and mechanical properties of antistatic PVC films containing multi-layer graphene. Compos. Part B 2015, 79, 444–450. [Google Scholar]
- Naresh, K.; Shankar, K.; Rao, B.S.; Velmurugan, R. Effect of high strain rate on glass/carbon/hybrid fiber reinforced epoxy laminated composites. Compos. Part B 2016, 100, 125–135. [Google Scholar] [CrossRef]
- Mardiyati. Polymer composite as ballistic-resistant material. J. Inov. Pertahanan Dan Keamanan 2018, 1, 20–28. [Google Scholar] [CrossRef]
- Prabina, K.P.; Priyadarshi, T.R.S.; Srimant, K.M.; Abhilash, P.; Sandhyarani, B. Recent developments on characterization of needle-punched nonwoven fabric reinforced polymer composites—A review. Mater. Today Proc. 2020, 26, 466–470. [Google Scholar]
- Arun, M.; Vincent, S.; Karthikeyan, R. Development and characterization of sisal and jute cellulose reinforced polymer composite. Mater. Today Proc. 2019, 28, 556–561. [Google Scholar] [CrossRef]
- Dong, C.; Kuaikuai, L.; Zhiyang, Y.; Baoquan, C.; Xing, K. Shear behavior of FRP connectors in precast sandwich insulation wall panels. Buildings 2022, 12, 1095–1114. [Google Scholar]
- Gloria, S.T.; Phebe, V. Development of coconut midrib application as applied interior for school of lentera harapan rote. J. Strateg. DesainInov. Sos. 2020, 2, 16–44. [Google Scholar]
- Eqitha, D.C.; Lizda, J.M. Pembuatan dan karakteristik komposit polimer berpenguat bagasse. J. Tek. Pomits 2013, 2, F-208–F-213. [Google Scholar]
- Faidliyah, N.M.; Siswi, A.; Endah, K.R. Karakterisasi material komposit polimer polistyrene dan serat tebu. Karakter. Mater. Komposit Polim. 2017, 7, 1–6. [Google Scholar]
- Rizki, W.; Akhiruddin, S. Pembuatan dan karakterisasi plafon dari serbuk ampas tebu dengan perekat poliester. St. Fis. (JSF) 2013, 1, 1–6. [Google Scholar]
- Yashinta, I.P.H.; Mukhlis, A.; Diana, S.S. Kajian rumah gaba-gaba (rumah material dinding dari pelepah sagu) di perkotaan merauke: Sambungan dinding, potensi, dan tantangan pelestarian. J. Arsit. NALARs 2022, 21, 35–44. [Google Scholar]
- Melsiani, R.F.S.; Fransisko, P.N. Kajian sifat tarik serat pelepah lontar dengan singular fiber tensile testing methode. J. Mettek 2018, 4, 8–15. [Google Scholar]
- Parinya, C.; Wichit, P.; Pitcharat, I.; Nutthita, C.; Edward, A.L.; Nuntaporn, K. Properties and performance of the basalt-fiber reinforced texture roof tiles. Case Stud. Constr. Mater. 2020, 13, e00444. [Google Scholar]
- Elanchezhian, C.; Ramnath, B.V.; Ramakrishnan, G.; Rajendrakumar, M.; Naveenkumar, V.; Saravanakumar, M.K. Review on mechanical properties of natural fiber composites. Mater. Today Proc. 2018, 5, 1785–1790. [Google Scholar] [CrossRef]
- Mariateresa, G.; Giuseppe, F. Simplified design of masonry ring-beams reinforced by flax fibers for existing buildings retrofitting. Buildings 2020, 10, 12–17. [Google Scholar]
- Qudeer, H.; Anat, R.; Panuwat, J.; Anil, C.W. Shear enhancement of RC beams using low-cost natural fiber rope reinforced polymer composites. Buildings 2022, 12, 602–624. [Google Scholar]
- Suniti, S.; Nazam, A.; Ahmed, W.A.Z.; Krisada, C.; Muhammad, U.R.; Ekkachai, Y.; Qudeer, H.; Panuwat, J. Axial load enhancement of lightweight aggregate concrete (lac) using environmentally sustainable composites. Buildings 2022, 12, 851–868. [Google Scholar]
- Amini, M.H.M.; Hashim, R.; Hiziroglu, S.; Sulaiman, N.S.; Sulaiman, O. Properties of particleboard made from rubberwood using modified starch as binder. Compos. Part B: Eng. 2013, 50, 259–264. [Google Scholar] [CrossRef]
- Sandeep, B.N.; Buddha, K.; Ashok Raj, J.; Chandra Babu Naidu, K.; Manjunatha, M. Preparation and characterization using Tectona Grandis natural fiber for the green composite polymer matrix. Mater. Today Proc. 2021, 47, 3703–3710. [Google Scholar] [CrossRef]
- Meheddene, M.; Jamal, K.; Safaa, B.; Adel, E.; Joseph, J.A. The effect of adding phragmites australis fibers on the properties of concrete. Buildings 2022, 12, 278–291. [Google Scholar]
- Azma, P.; Muhammad, N.O.; Thaynan, O.; M’hamed, S.; Dg, H.K.; Irianto; Safarudin, H. Waste durian husk fibers as natural sound absorber: Performance and acoustic characterization. Buildings 2022, 12, 1112–1124. [Google Scholar]
- Naraindas, B.; Tafsirojjaman, T.; Yue, L.; Paul, A.; Aneel, K.; Manthar, A.K. Experimental Study on Engineering Properties of Cement Concrete Reinforced with Nylon and Jute Fibers. Buildings 2021, 11, 454–470. [Google Scholar]
- Anna, S.; Paulina, K. The impact of basalt components on the structure of bricks formed as a result of hydrothermal treatment. Buildings 2019, 9, 192–209. [Google Scholar]
- Simões, N.; Fino, R.; Tadeu, A. Uncoated medium density expanded cork boards for building façades and roofs: Mechanical, hygrothermal and durability characterization. Constr. Build. Mater. 2019, 200, 447–464. [Google Scholar] [CrossRef]
- Noorlaelasari, Y. Konstruksi Atap Bangunan Gedung; Politeknik Negeri Bandung: Bandung, Indonesian, 2010; Volume 54. [Google Scholar]
- Lestari, M.; Ridha, A. Pemanfaatan daun sagu sebagai bahan penutup atap dan dinding pada rumah rakyat di kalimantan barat, SEMINAR NASIONAL SCAN#4:2013, “Stone, Steel, and Straw” Building Materials and Sustainable Environment. 2013. Available online: http://digilib.mercubuana.ac.id/manager/t!@file_artikel_abstrak/Isi_Artikel_732586016997.pdf (accessed on 9 September 2022).
- Rezza, R. Impact strength analysis of polymer composite materials (PCM) fiber reinforced in the fiberboat application. Mater. Sci. Res. India 2020, 17, 170–178. [Google Scholar]
- Adhi, S.; Vivin, S.; Fitri, H.; Devina, P. Pengaruh treatment alkali terhadap karakteristik fiber sabut kelapa sawit dan pelepah pisang sebagai bahan komposit polimer. J. Res. Technol. 2019, 5, 117–127. [Google Scholar]
- Takeo, O. Thermal analysis—Review and prospect. Thermochim. Acta 2000, 355, 35–42. [Google Scholar]
- Jablonski, P.; Golloch, A.; Borchard, W. DSC-Measurements of amber and resin samples. Thermochim. Acta 1999, 333, 87–93. [Google Scholar] [CrossRef]
Disclaimer/Publisher’s Note: The statements, opinions and data contained in all publications are solely those of the individual author(s) and contributor(s) and not of MDPI and/or the editor(s). MDPI and/or the editor(s) disclaim responsibility for any injury to people or property resulting from any ideas, methods, instructions or products referred to in the content. |
© 2022 by the authors. Licensee MDPI, Basel, Switzerland. This article is an open access article distributed under the terms and conditions of the Creative Commons Attribution (CC BY) license (https://creativecommons.org/licenses/by/4.0/).













