Buffer Sizing in Critical Chain Project Management by Brittle Risk Entropy
Abstract
:1. Introduction
- When considering the uncertainty calculation buffer for the duration of each activity, it is divided into multiple target factors for study. However, the correlation between the various target factors is present and creates a new uncertainty on the duration.
- Buffers are designed to eliminate schedule risk, which arises from risk factors causing risk incidents. However, most studies have analyzed and quantified various uncertainty factors in terms of project attributes. Few studies have been conducted to calculate buffer sizes from a system perspective.
2. Literature Review
3. Analysis of Brittleness during Construction
- Hiddenness. Brittleness does not manifest itself under normal circumstances. It only becomes apparent when a part of a complex system is disturbed by external factors.
- Variety. As the brittleness is excited in different times, locations and states, the final manifestation and degree of brittleness also vary.
- Harmfulness. The first manifestation of brittleness in a subsystem is the disturbance of the links, which reduces the operational efficiency of the whole system.
- Chainability. When the brittleness of a subsystem is triggered, it will first cause fluctuations in the normal operation of one subsystem, further spreading to other subsystems and eventually leading to the collapse of the whole system.
4. Brittle Risk Entropy Function
4.1. The Concept of Brittle Risk Entropy
4.2. Combined Risk Impact Rate
4.2.1. Calculate the Probability of a Risk Occurring and the Degree of Its Impact
4.2.2. Calculation of Risk Weights
5. Buffer Sizing Method Based on Brittle Risk Entropy
6. Application
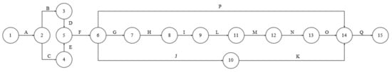
6.1. Information of the Project
6.2. Application of the Brittleness Risk Entropy Function
6.3. Calculation of Buffer Size
6.4. Comparative Analysis
- (1)
- The Cut-and-Paste Method can lead to excessive buffer settings as the links get longer [49]. This case consisted of 17 activities, which make up a long chain. We used the Cut-and-Paste method to calculate buffers, which can lead to too large a buffer that eventually lasts too long.
- (2)
- The Root Square Error Method failed to measure project-specific uncertainties [50], resulting in the setting of a small buffer that ultimately led to the original plan to deviating from reality.
- (3)
- Although the buffer size calculation method proposed by Gong Jun et al. [25] takes into account the uncertainty in the construction process and divides it into multiple objectives for quantification, it does not consider the correlation between the various set objective factors.
- (4)
- The total duration of project completion under different completion probabilities obtained using this method is better than the other two methods, except for the root variance method. During actual construction, if the buffer size was managed appropriately, the real completion time will be smaller than the simulation prediction. Therefore, it is effective and reasonable to use the improved critical chain approach to project construction schedule management from a systems perspective.
7. Conclusions
- (1)
- Brittle risk entropy can be used to describe the uncertainty of potential risks within a complex system. There is a great deal of uncertainty in the progress process, which needs to be quantified and described. We were the first to introduce the concept of brittle risk entropy into the determination of project buffers.
- (2)
- The emergence of new methods has led to new directions for the subsequent development of the theory. The approach to critical chain buffer setting from a system perspective is complemented by our study based on brittle risk entropy.
Author Contributions
Funding
Institutional Review Board Statement
Informed Consent Statement
Data Availability Statement
Acknowledgments
Conflicts of Interest
References
- Chitkara, K. Construction Project Management; Tata McGraw-Hill Education: New York, NY, USA, 1998. [Google Scholar]
- De Marco, A.; Rafele, C.; Thaheem, M.J. Dynamic management of risk contingency in complex design-build projects. J. Constr. Eng. Manag. 2016, 142, 04015080. [Google Scholar] [CrossRef]
- Nicholas, J.M. Project Management for Business and Engineering: Principles and Practice; Elsevier: Amsterdam, The Netherlands, 2004. [Google Scholar]
- Ibbs, C.W.; Kwak, Y.H. Assessing Project Management Maturity. Proj. Manag. J. 2000, 31, 32–43. [Google Scholar] [CrossRef]
- Peng, J.; Peng, C.; Wang, M.; Hu, K.; Wu, D. Research on the factors of extremely short construction period under the sufficient resources based on Grey-DEMATEL-ISM. PLoS ONE 2022, 17, e0265087. [Google Scholar] [CrossRef]
- Segerstedt, A.; Olofsson, T.; Eriksson, P.E. Improving construction supply chain collaboration and performance: A lean construction pilot project. Supply Chain Manag. Int. J. 2010, 15, 394–403. [Google Scholar] [CrossRef]
- Zhang, Y. Taking the Time Characteristic into Account of Life Cycle Assessment: Method and Application for Buildings. Sustainability 2017, 9, 922. [Google Scholar] [CrossRef]
- Cheng, M.-Y.; Darsa, M. Construction Schedule Risk Assessment and Management Strategy for Foreign General Contractors Working in the Ethiopian Construction Industry. Sustainability 2021, 13, 7830. [Google Scholar] [CrossRef]
- Ghaffari, M.; Emsley, M.W. Current status and future potential of the research on Critical Chain Project Management. Surv. Oper. Res. Manag. Sci. 2015, 20, 43–54. [Google Scholar] [CrossRef]
- Hegazy, T.; Menesi, W. Enhancing the critical path segments scheduling technique for project control. Can. J. Civ. Eng. 2012, 39, 968–977. [Google Scholar] [CrossRef]
- Habibi, F.; Birgani, O.T.; Koppelaar, H.; Radenović, S. Using fuzzy logic to improve the project time and cost estimation based on Project Evaluation and Review Technique (PERT). J. Proj. Manag. 2018, 3, 183–196. [Google Scholar] [CrossRef]
- Goldratt, E.M. Critical Chain; North River Press: Great Barrington, MA, USA, 1997; p. 0884271536. [Google Scholar]
- Stratton, R. Critical chain project management theory and practice. J. Proj. Manag. Syst. Eng. 2009, 21, 149–173. [Google Scholar]
- Kulkarni, A.; Yadav, D.K.; Nikraz, H. Aircraft maintenance checks using critical chain project path. Aircr. Eng. Aerosp. Technol. 2017, 89, 879–892. [Google Scholar] [CrossRef] [Green Version]
- Phillis, R.C.D.; Gumede, H. A case study on stoping shift buffering at Impala Platinum: A critical chain project management perspective. J. South. Afr. Inst. Min. Metall. 2011, 111, 793–800. [Google Scholar]
- Sarkar, D.; Jha, K.N.; Patel, S. Critical chain project management for a highway construction project with a focus on theory of constraints. Int. J. Constr. Manag. 2021, 21, 194–207. [Google Scholar] [CrossRef]
- Bevilacqua, M.; Ciarapica, F.; Giacchetta, G. Critical chain and risk analysis applied to high-risk industry maintenance: A case study. Int. J. Proj. Manag. 2009, 27, 419–432. [Google Scholar] [CrossRef]
- Yang, S.; Fu, L. Critical chain and evidence reasoning applied to multi-project resource schedule in automobile R&D process. Int. J. Proj. Manag. 2014, 32, 166–177. [Google Scholar] [CrossRef]
- Zhang, J.-W.; Li, R.-N. Review of critical chain project scheduling method. Kongzhi Yu Juece/Control. Decis. 2013, 28, 1281–1287. [Google Scholar]
- Newbold, R.C. Project Management in the Fast Lane: Applying the Theory of Constraints; CRC Press: Boca Raton, FL, USA, 1998. [Google Scholar]
- Tukel, O.I.; Rom, W.O.; Eksioglu, S.D. An investigation of buffer sizing techniques in critical chain scheduling. Eur. J. Oper. Res. 2006, 172, 401–416. [Google Scholar] [CrossRef]
- Zhang, J.; Song, X.; Diaz, E. Project buffer sizing of a critical chain based on comprehensive resource tightness. Eur. J. Oper. Res. 2016, 248, 174–182. [Google Scholar] [CrossRef]
- Ghoddousi, P.; Ansari, R.; Makui, A. A risk-oriented buffer allocation model based on critical chain project management. KSCE J. Civ. Eng. 2017, 21, 1536–1548. [Google Scholar] [CrossRef]
- Zhao, C.W.; Dong, X.B.; Hong, Q.; Business, S.O. Critical Chain Buffering Calculation Method Based on Z-number Theory. J. Civ. Eng. Manag. 2017. [Google Scholar]
- Jun, G.; Tao, H.; Lu, Y. Buffer Setting Method of Critical Chain Based on Information Entropy. Acta Autom. Sin. 2019, 45, 1–11. [Google Scholar]
- Zhang, J.; Wan, D. Determination of early warning time window for bottleneck resource buffer. Ann. Oper. Res. 2021, 300, 289–305. [Google Scholar] [CrossRef]
- Bie, L.; Cui, N.; Zhang, X. Buffer sizing approach with dependence assumption between activities in critical chain scheduling. Int. J. Prod. Res. 2012, 50, 7343–7356. [Google Scholar] [CrossRef]
- Farag, M.A.M. A Bridge between Increasing Reliability and Reducing Variability in Construction Work Flow: A Fuzzy-Based Sizing Buffer Model. J. Adv. Manag. Sci. 2014, 2, 287–294. [Google Scholar] [CrossRef]
- Leng, K.J.; Shi, W.; Hu, X.J.; Pan, L. Schedule of supply chain management project based on TOC. J. Intell. Fuzzy Syst. 2017, 33, 2801–2809. [Google Scholar]
- Zarghami, S.A.; Gunawan, I.; De Zubielqui, G.C.; Baroudi, B. Incorporation of resource reliability into critical chain project management buffer sizing. Int. J. Prod. Res. 2020, 58, 6130–6144. [Google Scholar] [CrossRef]
- Roghanian, E.; Alipour, M.; Rezaei, M. An improved fuzzy critical chain approach in order to face uncertainty in project scheduling. Int. J. Constr. Manag. 2018, 18, 1–13. [Google Scholar] [CrossRef]
- She, B.; Chen, B.; Hall, N.G. Buffer sizing in critical chain project management by network decomposition. Omega 2021, 102, 102382. [Google Scholar] [CrossRef]
- Wu, H.-M.; Jin, H.-Z. Brittleness of complex system based on entropy theory. Zhongnan Daxue Xuebao (Ziran Kexue Ban)/J. Cent. South Univ. (Sci. Technol.) 2009, 40, 347–351. [Google Scholar]
- Cao, R.; Jin, H.-Z. Brittleness analysis of complex systems subject to cascading failure. In Proceedings of the 2013 10th IEEE International Conference on Mechatronics and Automation, IEEE ICMA 2013, Takamastu, Japan, 4–7 August 2013. [Google Scholar]
- Liu, W.; Xu, L.; Chen, Y. Brittle measurement and evaluation analysis of manufacturing equipment based on brittle risk entropy. Jisuanji Jicheng Zhizao Xitong/Comput. Integr. Manuf. Syst. CIMS 2019, 25, 2820–2830. [Google Scholar]
- Liu, J.; Zhang, G.-B.; Li, D.-Y.; Li, Y.; Qian, B.-M. Reliability analysis for multi-state manufacturing system based on brittleness theory. Jisuanji Jicheng Zhizao Xitong/Comput. Integr. Manuf. Syst. CIMS 2014, 20, 155–164. [Google Scholar]
- Shannon, C.E. A mathematical theory of communication. Bell Syst. Tech. J. 1948, 27, 379–423. [Google Scholar] [CrossRef]
- Xiang, Y.; Mo, R.; Chang, Z.; Qiao, H. Evolution of product module based on complex network brittleness theory. Jisuanji Jicheng Zhizao Xitong/Comput. Integr. Manuf. Syst. CIMS 2016, 22, 1415–1423. [Google Scholar]
- Liu, B.; Li, Y.; Xue, B.; Li, Q.; Zou, P.X.; Li, L. Why do individuals engage in collective actions against major construction projects?—An empirical analysis based on Chinese data. Int. J. Proj. Manag. 2018, 36, 612–626. [Google Scholar] [CrossRef]
- Miao, J.; Huang, D.; He, Z. Social Risk Assessment and Management for Major Construction Projects in China Based on Fuzzy Integrated Analysis. Complexity 2019, 2019, 2452895. [Google Scholar] [CrossRef]
- Voit, E.O.; Schwacke, L.H. Random number generation from right-skewed, symmetric, and left-skewed distributions. Risk Anal. Off. Publ. Soc. Risk Anal. 2000, 20, 59–71. [Google Scholar] [CrossRef]
- L’Ecuyer, P. Random numbers for simulation. Commun. ACM 1990, 33, 85–97. [Google Scholar] [CrossRef]
- Liu, Y.; Ralescu, D.A. Risk Index in Uncertain Random Risk Analysis. Int. J. Uncertain. Fuzziness Knowl.-Based Syst. 2014, 22, 491–504. [Google Scholar] [CrossRef]
- Tian, J.; Zhao, K. Optimal selection of financial risk investment portfolio based on random matrix method. J. Comput. Methods Sci. Eng. 2020, 20, 859–868. [Google Scholar] [CrossRef]
- Li, F.; Phoon, K.K.; Du, X.; Zhang, M. Improved AHP Method and Its Application in Risk Identification. J. Constr. Eng. Manag. 2013, 139, 312–320. [Google Scholar] [CrossRef] [Green Version]
- Zhang, W.; Zhu, L.; Zhang, F.; Lou, X.; Liu, C.; Meng, X. Evaluating the liquid path stability of a flow cytometer. Cytom. Part A 2016, 89, 941–948. [Google Scholar] [CrossRef] [PubMed]
- Jeong, K.-S.; Lee, K.-W.; Moon, J.-K.; Jeong, S.-Y.; Lee, J.-J.; Kim, G.-H.; Choi, B.-S. Life time estimation of SSCs for decommissioning safety of nuclear facilities. Ann. Nucl. Energy 2012, 46, 244–247. [Google Scholar] [CrossRef]
- Leach, L. Schedule and Cost Buffer Sizing: How to Account for the Bias between Project Performance and Your Model. Proj. Manag. J. 2003, 34, 34–47. [Google Scholar] [CrossRef]
- Ghaffari, M.; Emsley, M.W. Buffer Sizing in CCPM Portfolios with Different Resource Capacities. Int. J. Inf. Technol. Proj. Manag. 2017, 8, 40–51. [Google Scholar] [CrossRef]
- Zhang, J.; Song, X.; Diaz, E. Buffer sizing of critical chain based on attribute optimization. Concurr. Eng. 2014, 22, 253–264. [Google Scholar] [CrossRef]
- Luiz, O.R.; De Souza, F.B.; Luiz, J.V.; Jugend, D. Linking the Critical Chain Project Management literature. Int. J. Manag. Proj. Bus. 2019, 12, 423–443. [Google Scholar] [CrossRef]
- Zohrehvandi, S.; Soltani, R. Project scheduling and buffer management: A comprehensive review and future directions. J. Proj. Manag. 2022, 7, 121–132. [Google Scholar] [CrossRef]







| Activity | Pre-Immediate Activity | Post-Immediate Activity | Activity Times | Resources Required | ||||
|---|---|---|---|---|---|---|---|---|
| Most Optimistic Time | Most Probable Interval | Most Pessimistic Time | r1 | r2 | r3 | |||
| A | B, C | 2 | (2.5, 3.5) | 4 | 2 | 2 | 0 | |
| B | A | D | 3 | (3.5, 4) | 4.5 | 3 | 4 | 0 |
| C | A | E | 3.5 | (4, 4.5) | 5.5 | 4 | 6 | 4 |
| D | B | F | 2 | (3.5, 4) | 4.5 | 3 | 3 | 0 |
| E | C | F | 1.5 | (2, 3) | 4 | 2 | 3 | 5 |
| F | D, E | J, Q | 1 | (1.5, 2.5) | 3 | 3 | 3 | 4 |
| G | F | H | 2.5 | (3.5, 4) | 4.5 | 2 | 2 | 0 |
| H | G | I | 1 | (1.5, 2.5) | 3 | 2 | 1 | 0 |
| I | H | L | 1 | (1.5, 2.5) | 3 | 2 | 3 | 1 |
| J | F | K | 2 | (3.5, 4) | 4.5 | 3 | 5 | 5 |
| K | J | Q | 1.5 | (2.5, 3.5) | 4 | 3 | 3 | 5 |
| L | I | M | 1 | (1.5, 2.5) | 3 | 2 | 2 | 1 |
| M | L | N | 1.5 | (2.5, 3.5) | 3.5 | 2 | 2 | 0 |
| N | M | O | 1 | (1.5, 2.5) | 3 | 2 | 3 | 0 |
| O | N | Q | 2 | (3.5, 4) | 4.5 | 2 | 2 | 0 |
| P | F | Q | 3 | (4.5, 5.5) | 6 | 3 | 5 | 4 |
| Q | P, K | 1 | (1.5, 2.5) | 3 | 2 | 0 | 0 | |
| Activity Number | |||
|---|---|---|---|
| A | 3.73 | 2.33 | 1.39 |
| B | 4.28 | 3 | 1.28 |
| C | 5.15 | 3.5 | 1.65 |
| D | 4.23 | 2.67 | 1.56 |
| E | 3.58 | 2 | 1.58 |
| F | 2.73 | 1.5 | 1.23 |
| G | 4.7 | 3 | 1.7 |
| H | 2.73 | 1.5 | 1.23 |
| I | 2.73 | 1.5 | 1.23 |
| J | 4.23 | 2.67 | 1.56 |
| K | 3.7 | 2.17 | 1.54 |
| L | 2.73 | 1.5 | 1.23 |
| M | 3.25 | 2 | 1.25 |
| N | 2.73 | 1.5 | 1.23 |
| O | 4.23 | 2.67 | 1.56 |
| P | 5.68 | 3.67 | 2.02 |
| Q | 2.73 | 1.5 | 1.23 |
| Influencing Outcomes | B1 | B2 | B3 | B4 | B5 |
|---|---|---|---|---|---|
| not worse | (0, 0.25] | (0, 0.4] | (0, 0.5] | (0, 0.6] | (0, 0.2] |
| worse | (0.25, 1) | (0.4, 1) | (0.5, 1) | (0.6, 1) | (0.2, 1) |
| Activity Number | |||
|---|---|---|---|
| A | 0.379 | 0.053 | 0.048 |
| B | 0.888 | 0.004 | 0.001 |
| C | 0.385 | 0.006 | 0.006 |
| D | 0.459 | 0.067 | 0.060 |
| E | 0.092 | 0.075 | 0.041 |
| F | 0.733 | 0.097 | 0.055 |
| G | 0.885 | 0.032 | 0.009 |
| H | 0.237 | 0.097 | 0.082 |
| I | 0.560 | 0.038 | 0.030 |
| J | 0.326 | 0.006 | 0.005 |
| K | 0.463 | 0.072 | 0.064 |
| L | 0.052 | 0.068 | 0.026 |
| M | 0.342 | 0.105 | 0.095 |
| N | 0.401 | 0.105 | 0.095 |
| O | 0.718 | 0.055 | 0.032 |
| P | 0.272 | 0.077 | 0.068 |
| Q | 0.439 | 0.045 | 0.040 |
| Method | Critical Chain | Non-Critical Chains | ||
|---|---|---|---|---|
| PB | FB1 | FB2 | FB3 | |
| C&PM | 9.188 | 0.65 | 1.21 | 2.83 |
| RSEM | 4.969 | 1.58 | 2.02 | 2.98 |
| Method proposed by Gong Jun [25] | 10.7 | 2.24 | 2.86 | 4.96 |
| Method for this article | 7.845 | 1.64 | 2.16 | 3.39 |
| Probability/% | Completion Period | |||
|---|---|---|---|---|
| C&PM | RSEM | Method Proposed by Gong Jun [25] | Method for This Article | |
| 0% | 44.57 | 32.17 | 37.8 | 34.97 |
| 10% | 45.41 | 32.7 | 38.45 | 35.59 |
| 20% | 45.58 | 32.84 | 38.59 | 35.75 |
| 30% | 45.72 | 32.94 | 38.69 | 35.85 |
| 40% | 45.82 | 33.04 | 38.78 | 35.95 |
| 50% | 45.93 | 33.12 | 38.86 | 36.04 |
| 60% | 46.03 | 33.19 | 38.96 | 36.14 |
| 70% | 46.15 | 33.3 | 39.06 | 36.22 |
| 80% | 46.26 | 33.39 | 39.17 | 36.31 |
| 90% | 46.47 | 33.55 | 39.32 | 36.45 |
| 100% | 47.39 | 34.13 | 39.98 | 37.11 |
Publisher’s Note: MDPI stays neutral with regard to jurisdictional claims in published maps and institutional affiliations. |
© 2022 by the authors. Licensee MDPI, Basel, Switzerland. This article is an open access article distributed under the terms and conditions of the Creative Commons Attribution (CC BY) license (https://creativecommons.org/licenses/by/4.0/).
Share and Cite
Peng, J.-l.; Peng, C. Buffer Sizing in Critical Chain Project Management by Brittle Risk Entropy. Buildings 2022, 12, 1390. https://doi.org/10.3390/buildings12091390
Peng J-l, Peng C. Buffer Sizing in Critical Chain Project Management by Brittle Risk Entropy. Buildings. 2022; 12(9):1390. https://doi.org/10.3390/buildings12091390
Chicago/Turabian StylePeng, Jun-long, and Chao Peng. 2022. "Buffer Sizing in Critical Chain Project Management by Brittle Risk Entropy" Buildings 12, no. 9: 1390. https://doi.org/10.3390/buildings12091390
APA StylePeng, J.-l., & Peng, C. (2022). Buffer Sizing in Critical Chain Project Management by Brittle Risk Entropy. Buildings, 12(9), 1390. https://doi.org/10.3390/buildings12091390

