The Specificity of Shaping and Execution of Monolithic Pocket Foundations (PF) in Hall Buildings
Abstract
:1. Introduction
- Construct PF in accordance with the guidelines;
- Properly select and finish the interior surface of PF;
- Precisely install the column in the PF;
- Precisely connect the column with the PF;
- Check the correctness of the connection and, if necessary, correct any dimensional deviations.
2. Background and Significance of the Study
- With keyed contact surface;
- With smooth contact surface.
- Design of reinforcement for force F1;
- Transfer of force F1 along the vertical walls of the footing;
- Correct anchor installation of the main reinforcement of the column and the footing’s walls;
- Ensuring the shear load capacity of the column;
- Checking punching load capacity of PF.
3. Structure of Pocket Foundations
3.1. Foundation Requirements
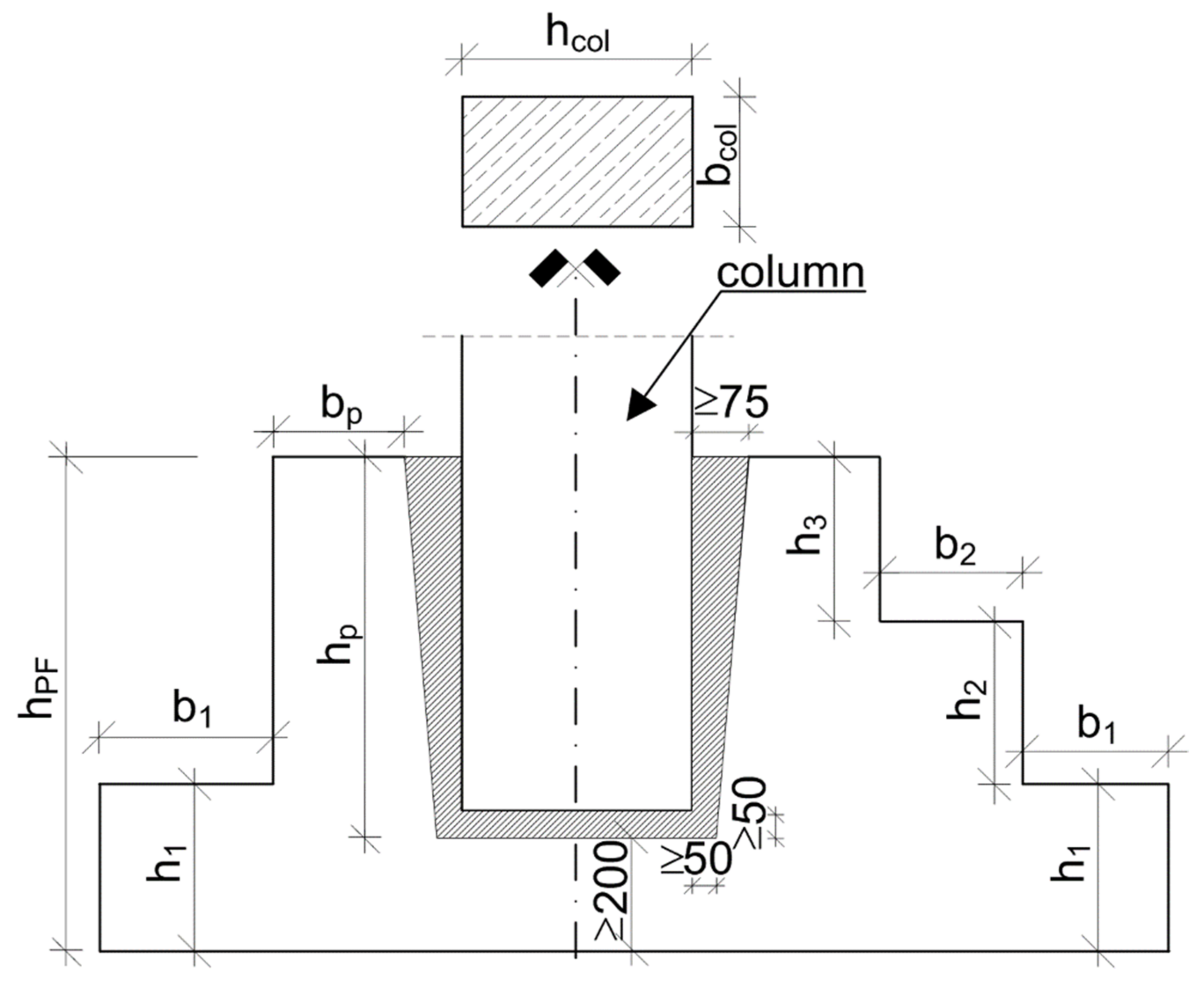
- Depth and width of the pocket, i.e., hp and bp;
- Number of offsets, i.e., h1, h2, h3, b1, b2.
3.2. Design of the Inside of the Pocket
- Special composite with its structure—in the case of concreting the foundation base together with the pocket at one time;
- Anchored in the concrete of the slab foundation to a depth of several dozen mm (Figure 8c)—in the case of two-stage concreting; slab of PF and pocket separately.
4. Stages in the Process of Construction of Monolithic PF and Installing Columns in Them
4.1. Construction of a Footing
4.2. Installation of the Columns in the Pocket Footings
- Stage 1: pouring a 5 cm layer of levelling base concrete on the bottom of the pocket, on which the columns will be placed;
- Stage 2: installation of columns in the footings with the use of cranes (usually self-propelled) with the use of special slings; this operation should be conducted very precisely in order to minimise the possible damage of the pocket in the event of the column hitting the wall; in order to ensure adequate comfort of installation works, it should be borne in mind that the installation of columns should be suspended in bad weather conditions, i.e. during strong winds, the speed of which exceeds 5.0 m/s;
- Stage 3: vertical alignment of the columns with the use of geodetic measurements; for this purpose, specially prepared oak wedges are hammered to the appropriate depth between the edge of the pocket and the column (at least six wedges are required); an example of column wedging in PF is shown in Figure 12;
- Stage 4: temporary support of the columns and release of the crane hooks in their upper part (Figure 13);
- Stage 5: geodetic checks of the correct installation of columns and possible corrections of their positioning;
- Stage 6: placing monolithic concrete inside the pocket; due to the narrow space between the column and the pocket, it is recommended to use concrete with smaller grain size (preferably with a maximum grain size of Dmax = 8 mm) and a strength class higher than the structural concrete PF;
- Stage 7: precise compaction of monolithic concrete in the pocket space, preferably with an internal vibrating poker with a thin tip, e.g., needle.
5. Control of the Correctness of the Conducted Assembly Works
- Values of the upper and lower deviations of the columns (mm);
- Directions of column deviations marked with arrows (right or left side);
- Differences in the height of columns (mm) determined from the highest point in relation to the zero of the building.
6. Summary and Conclusions
- Proper selection of the depth and width of the pocket and the number of offsets, which mainly depend on the height of PF and the dimensions of the column’s cross-section (Figure 6);
- However, during the construction of PF, attention should be paid to the following:
- Preparing a geodetic sketch from the control measurements of columns after installation (Figure 14).
Funding
Institutional Review Board Statement
Informed Consent Statement
Data Availability Statement
Conflicts of Interest
References
- Wang, S.; Sinha, R. Life Cycle Assessment of Different Prefabricated Rates for Building Construction. Buildings 2021, 11, 552. [Google Scholar] [CrossRef]
- Zabielski, J.; Srokosz, P. Monitoring of Structural Safety of Buildings Using Wireless Network of MEMS Sensors. Buildings 2020, 10, 0193. [Google Scholar] [CrossRef]
- Brunesi, E.; Nascimbene, R.; Bologini, D.; Bellotti, D. Experimental investigation of the cyclic response of reinforced precast concrete framed structures. PCI J. 2015, 60, 57–79. [Google Scholar] [CrossRef]
- Golewski, G.L. Validation of the Favorable Quantity of Fly Ash in Concrete and Analysis of Crack Propagation and its Length—Using the Crack Tip Tracking (CTT) Method—In the Fracture Toughness Examinations under Mode II, Through Digital Image Correlation. Constr. Build. Mater. 2021, 296, 122362. [Google Scholar] [CrossRef]
- Nowogońska, B. Diagnoses in the Aging Process of Residential Buildinds Constructed Using Traditional Technology. Buildings 2019, 9, 126. [Google Scholar] [CrossRef] [Green Version]
- Pul, S.; Senturk, M.; Ilki, A.; Hajirasouliha, I. Experimental and Numerical Investigation of a Proposed Monolithic-Like Precast Concrete Column-Foundation Connection. Eng. Struct. 2021, 246, 113090. [Google Scholar] [CrossRef]
- El-Ariss, B.; Mansour, M.; El-Maaddawy, T. Effects of Web Weight Reduction and Skew Angle Variation on Behavior of RC Inverted T-Beams. Buildings 2021, 11, 451. [Google Scholar] [CrossRef]
- Priya, A.K.; Nagan, S.; Rajeswari, M.; Nithya, M.; Priyanka, P.M.; Vanitha, R. Analytical Investigation on the Seismic Behaviour of Precast Pocket Foundation Connection. Int. J. Adv. Eng. Tech. 2016, 7, 214–218. [Google Scholar]
- Osanai, Y.; Watanabe, F.; Okamoto, S. Stress Transfer Mechanism of Socket Base Connections with Precast Concrete Columns. ACI Struct. J. 1996, 93, 266–276. [Google Scholar]
- Canha, R.M.F.; El Debs, A.L.d.C.; El Debs, M.K. Design Model for Socket Base Connections Adjusted from Experimental Results. Struct. Concr. 2007, 8, 3–10. [Google Scholar] [CrossRef]
- The European Union Per Regulation EN 1992-1-1. Eurocode 2: Design of Concrete Structures—Part 1-1: General Rules and Rules for Buildings. 2004. Available online: https://www.phd.eng.br/wp-content/uploads/2015/12/en.1992.1.1.2004.pdf (accessed on 2 December 2021).
- Park, S.; Beak, J.; Kim, K.; Park, Y.-J. Study on Reduction Effect of Vibration Propagation Due to Internal Explosion Using Composite Materials. Int. J. Concr. Struct. Mater. 2021, 15, 30. [Google Scholar] [CrossRef]
- Golewski, G.L. Physical Characteristics of Concrete, Essential in Design of Fracture-Resistant, Dynamically Loaded Reinforced Concrete Structures. Mater. Des. Proc. Comm. 2019, 1, 82. [Google Scholar] [CrossRef] [Green Version]
- Lyratzakis, A.; Tsompanakis, Y.; Psarropoulos, P.N. Efficient Mitigation of High-speed Train Vibrations on Adjacent Reinforced Concrete Buildings. Constr. Build. Mater. 2022, 314, 125653. [Google Scholar] [CrossRef]
- Maneetes, H.; Memari, A.M. Introduction of an Innovative Cladding Panel System for Multi-Story Buildings. Buildings 2004, 4, 418–436. [Google Scholar] [CrossRef] [Green Version]
- Hemamahti, L.; Jaya, K.P. Behaviour of Precast Column Foundation Connection under Reverse Cyclic Loading. Adv. Civ. Eng. 2021, 2021, 6677007. [Google Scholar] [CrossRef]
- Golewski, G.L. On the special construction and materials conditions reducing the negative impact of vibrations on concrete structures. Mater. Today. Procs. 2021, 45, 4344–4348. [Google Scholar] [CrossRef]
- Jean, N.; Gormley, M. A Photogrammetric Technique for Developing Boundary Wquations for Flexible Sheath Waterless Trap Seals as Used in Building Drainage Systems. Buildings 2021, 11, 136. [Google Scholar] [CrossRef]
- Akram, A. The Overview of Fracture Mechanics Models for Concrete. Arch. Civ. Eng. Env. 2021, 1, 376–385. [Google Scholar] [CrossRef]
- Słowik, M. The Role of Aggregate Granulation on Testing Fracture Properties of Concrete. Frat. Int. Strutt. 2021, 58, 47–57. [Google Scholar] [CrossRef]
- Gautham, S.; Sasmal, S. Nano-scale Fracture Toughness of Fly Ash Incorporated Hydrating Cementitious Composites Using Experimental Nanoidentation Technique. Theor. Appl. Fract. Mech. 2022, 117, 103180. [Google Scholar] [CrossRef]
- Golewski, G.L. Evaluation of Fracture Processes under Shear with the Use of DIC Technique in Fly Ash Concrete and Accurate Measurement of Crack Path Lengths with the Use of a New Crack Tip Tracking Method. Measurement 2021, 181, 109632. [Google Scholar] [CrossRef]
- Golewski, G.L. An Analysis of Fracture Toughness in Concrete with Fly Ash Addition, Considering All Models of Cracking. IOP Conf. Ser. Mater. Sci. Eng. 2018, 416, 012029. [Google Scholar] [CrossRef] [Green Version]
- Gil, D.M.; Golewski, G.L. Effect of Silica Fume and Siliceous Fly Ash Addition on the Fracture Toughness of Plain Concrete in Mode. I. IOP Conf. Ser. Mater. Sci. Eng. 2018, 416, 012065. [Google Scholar] [CrossRef]
- Krentowski, J.R. Assessment of Destructive Impact of Different Factors on Concrete Structures Durability. Materials 2022, 15, 225. [Google Scholar] [CrossRef] [PubMed]
- Krentowski, J.R. Disaster of an Industrial Hall Caused by an Explasion of Wood Dust and Fire. Eng. Fail. Anal. 2015, 56, 403–411. [Google Scholar] [CrossRef]
- Aboukifa, M.A.; Reyad, K.H.; Saad, F.A. Baehavior and Design of Precast Column/Base Pocket Connections with Smooth Surface Interface. CERM 2017, 39, 191–202. [Google Scholar]
- Campos, G.M.; Canha, R.M.F.; Debs, M.K.E.L. Baehavior and Design of Precast Column/Base Pocket Connections with Smooth Surface Interface. IBRACON 2011, 4, 304–323. [Google Scholar]
- Chandra Paul, S.; Babafemi, A.J.; Anggraini, V.; Rahman, M.M. Properties of Normal and Recycled Brick Aggregates for Production of Medium Range (25–30 MPa) Structural Strength Concrete. Buildings 2018, 8, 72. [Google Scholar] [CrossRef] [Green Version]
- Al Ajmani, H.; Suleiman, F.; Abuzayed, I.; Tamimi, A. Evaluation of Concrete Strength Made with Recycled Aggregates. Buildings 2019, 9, 56. [Google Scholar] [CrossRef] [Green Version]
- Golewski, G.L. Energy savings associated with the use of fly ash and nanoadditives in the cement composition. Energies 2020, 13, 2184. [Google Scholar] [CrossRef]
- Miraldo, S.; Lopes, S.; Pcheco-Torgal, F.; Lopes, A. Advantages and Shortcomings of the Utilization of Recycled Wastes as Aggregates in Sstructural Concretes. Constr. Build. Mater. 2021, 298, 123729. [Google Scholar] [CrossRef]
- Golewski, G.L. Green Concrete Based on Quaternary Binders with Significant Reduced of CO2 Emissions. Energies 2021, 14, 4558. [Google Scholar] [CrossRef]
- Kovacik, J.; Marsavina, L.; Linul, E. Poisson’s Ratio of Closed-cell Aluminum Foams. Materials 2018, 11, 1904. [Google Scholar] [CrossRef] [PubMed] [Green Version]
- Sekar, A.; Kandasamy, G. Study on Durability Properties of Coconut Shell Concrete with Coconut Fiber. Buildings 2019, 9, 107. [Google Scholar] [CrossRef] [Green Version]
- Gil, D.M.; Golewski, G.L. Potential of Siliceous Fly Ash and Silica Fume as a Substitute of Binder in Cementitious Concrete. E3S Web Conf. 2018, 49, 00030. [Google Scholar] [CrossRef] [Green Version]
- Szostak, B.; Golewski, G.L. Improvement of Strength Parameters of Cement Matrix with the Addition of Siliceous Fly Ash by using Nanometric C-S-H Seeds. Energies 2020, 13, 6734. [Google Scholar] [CrossRef]
- Barnat-Hunek, D.; Grzegorczyk-Frańczak, M.; Szymańska-Chargot, M.; Łagód, G. Effect of Eco-friendly Cellulose Nanocrystals on Physical Properties of Cement Mortars. Polymers 2019, 11, 2088. [Google Scholar] [CrossRef] [Green Version]
- Golewski, G.L. Studies of natural radioactivity of concrete with siliceous fly ash addition. Cem. Wapno Beton 2015, 2, 106–114. [Google Scholar]
- Harasymiuk, J.; Rudziński, A. Old Dumped Fly Ash as a Sand Peplacement in Cement Composites. Buildings 2020, 10, 67. [Google Scholar] [CrossRef] [Green Version]
- Szostak, B.; Golewski, G.L. Effect of Nano Admixture of CSH on Selected Strength Parameters of Concrete Including Fly Ash. IOP Conf. Ser. Mater. Sci. Eng. 2018, 416, 012105. [Google Scholar] [CrossRef]
- Szostak, B.; Golewski, G.L. Rheology of Cement Pastes with Siliceous Fly Ash and the CSH Nano-admixture. Materials 2021, 14, 3640. [Google Scholar] [CrossRef] [PubMed]
- Suchorab, Z.; Franus, M.; Barnat-Hunek, D. Properties of Fibrous Concrete made with Plastic Fibers from E-Waste. Materials 2020, 13, 2414. [Google Scholar] [CrossRef] [PubMed]
- Chajec, A.; Chowaniec, A.; Królicka, A.; Sadowski, Ł.; Żak, A.; Piechowiak-Milenik, M.; Savija, B. Engineering of Green Cementitious Composites Modified with Siliceous Fly Ash: Understanding the Importance of Curing Conditions. Constr. Build. Mater. 2021, 136, 125209. [Google Scholar] [CrossRef]
- Zhang, P.; Han, S.; Golewski, G.L.; Wang, X. Nanoparticle-reinforced Building Materials with Applications in Civil Engineering. Adv. Mech. Eng. 2020, 12, 1–4. [Google Scholar] [CrossRef]
- Qaidi, S.M.A.; Dinkha, Y.Z.; Haido, J.H.; Ali, M.H.; Tyeh, B.A. Engineering Properties of Sustainable Green Concrete Incorporating Eco-friendly Aggregate of Crumb Rubber: A review. J. Clean. Prod. 2021, 224, 129521. [Google Scholar]
- Li, L.; Zheng, Q.; Wang, X.; Han, B.; Ou, J. Modifying Fatigue Performance of Reactive Powder Concrete Through Adding Pozzolanic Nanofillers. Int. J. Fat. 2022, 156, 106681. [Google Scholar] [CrossRef]
- Golewski, G.L.; Szostak, B. Strengthening the Very Early-Age Structure of Cementitious Composites with Coal Fly Ash via Incorporating a Novel Nanoadmixture Based on C-S-H Phase Activators. Constr. Build. Mater. 2021, 312, 125426. [Google Scholar] [CrossRef]
- Silva, F.A.N.; Delgado, J.M.P.Q.; Azevedo, A.C.; Mahfoud, T.; Khelidj, A.; Nascimento, N.; Lima, A.G.B. Diagnosis and Assessment of Deep Pile Cap Foundation of a Tall Building by Internal Expansion Reactions. Buildings 2021, 11, 104. [Google Scholar] [CrossRef]
- Szeląg, M. Development of Cracking Patterns in Modified Cement Matrix with Microsilica. Materials 2018, 11, 1928. [Google Scholar] [CrossRef] [Green Version]
- Golewski, G.; Sadowski, T. Fracture Toughness at Shear (Mode II) of Concretes Made of Natural and Broken Aggregates. Brittle Matrix Compos. 2006, 8, 537–546. [Google Scholar]
- Barroqueiro, T.; da Silva, P.R.; de Brito, J. High-Performance Self-Compacting Concrete with Pecycled Aggregates from the Precast Industry: Durability Assessment. Buildings 2020, 10, 113. [Google Scholar] [CrossRef]
- Golewski, G.L. A New Principles for Implementation and Operation of Foundations for Machines: A Review of Recent Advances. Struct. Eng. Mech. 2019, 71, 317–327. [Google Scholar]
- Fakoor, M.; Shahsavar, S. The Effect of T-Stress on Mixed Mode I/II Fracture of Composite Materials: Reinforcement Isotropic solid Model in Combination with Maximum Shear Stress Theory. Int. J. Sol. Struct. 2021, 229, 111145. [Google Scholar] [CrossRef]
- Mehri Khansari, N.; Fakoor, M.; Berto, F. Probabilistic Micromechanical Damage Model for Mixed Mode I/II Fracture Investigation of Composite Materials. Theor. Appl. Fract. Mech. 2019, 99, 177–193. [Google Scholar] [CrossRef]
- Craciun, E.M. Energy Criteria for Crack Propagation in Prestresses Elastic Composites. Sol. Mech. Appl. 2008, 154, 193–237. [Google Scholar]
- Berto, F.; Ayatollahi, M.; Marsavina, L. Mixed Mode Fracture. Theor. Appl. Fract. Mech. 2017, 91, 1. [Google Scholar] [CrossRef]
- Golewski, G.L.; Sadowski, T. Experimental Investigation and Numerical Modeling Fracture Processes in Fly Ash Concrete at Early Age. Solid State Phenom. 2012, 188, 158–163. [Google Scholar] [CrossRef]
- Lata, P.; Kaur, I. Thermomechanical Interactions in Transversely Isotropic Magneto Thermoelastic Solid with Two Temperatures and Without Energy Dissipation. Steel Compos. Struct. 2019, 32, 779–793. [Google Scholar]
- Golewski, G.L. A Novel Specific Requirement for Materials used in Reinforced Concrete Composites Subjected to Dynamic Loads. Compos. Struct. 2019, 223, 110939. [Google Scholar] [CrossRef]
- Fu, J.; Haeri, H.; Sarfarazi, V.; Marji, M.F. Interaction Between the Notch and Mortar–Mortar Interface (with Different Inclinations) in Semi-Circular Bend Specimens. Iran. J. Sci. Technol. Trans. Civ. Eng. 2021. [Google Scholar] [CrossRef]
- Golewski, G.L.; Szostak, B. Application of the C-S-H Phase Nucleating Agents to Improve the Performance of Sustainable Concrete Composites Containing Fly Ash for Use in the Precast Concrete Industry. Materials 2021, 14, 6514. [Google Scholar] [CrossRef]
- Gurlich, D.; Reber, A.; Biesinger, A.; Eicker, U. Daylight Performance of a Translucent Texttile Membrane Roof with Thermal Insulation. Buildings 2018, 8, 118. [Google Scholar] [CrossRef] [Green Version]
- Kobiak, J.; Stachurski, W. Konstrukcje Żelbetowe. Tom II [Concrete Structures. Volume II]; Arkady: Warsaw, Poland, 1989. [Google Scholar]
- Starosolski, W. Konstrukcje Żelbetowe wg PN-B-03264:2002 i Eurokodu 2. Tom III (Concrete Structures According to PN-B-0324:2002 and Eurocode 2. Volume 3); Wydawnictwo Naukowe PWN: Warsaw, Poland, 2007. [Google Scholar]














| Footing Height hPF (mm) | Number of Offsets |
|---|---|
| 1 | |
| 2 | |
| 3 |
Publisher’s Note: MDPI stays neutral with regard to jurisdictional claims in published maps and institutional affiliations. |
© 2022 by the author. Licensee MDPI, Basel, Switzerland. This article is an open access article distributed under the terms and conditions of the Creative Commons Attribution (CC BY) license (https://creativecommons.org/licenses/by/4.0/).
Share and Cite
Golewski, G.L. The Specificity of Shaping and Execution of Monolithic Pocket Foundations (PF) in Hall Buildings. Buildings 2022, 12, 192. https://doi.org/10.3390/buildings12020192
Golewski GL. The Specificity of Shaping and Execution of Monolithic Pocket Foundations (PF) in Hall Buildings. Buildings. 2022; 12(2):192. https://doi.org/10.3390/buildings12020192
Chicago/Turabian StyleGolewski, Grzegorz Ludwik. 2022. "The Specificity of Shaping and Execution of Monolithic Pocket Foundations (PF) in Hall Buildings" Buildings 12, no. 2: 192. https://doi.org/10.3390/buildings12020192
APA StyleGolewski, G. L. (2022). The Specificity of Shaping and Execution of Monolithic Pocket Foundations (PF) in Hall Buildings. Buildings, 12(2), 192. https://doi.org/10.3390/buildings12020192
