Effects of Web Height Reduction and Skew Angle Variation on Behavior of RC Inverted T-Beams
Abstract
:1. Introduction
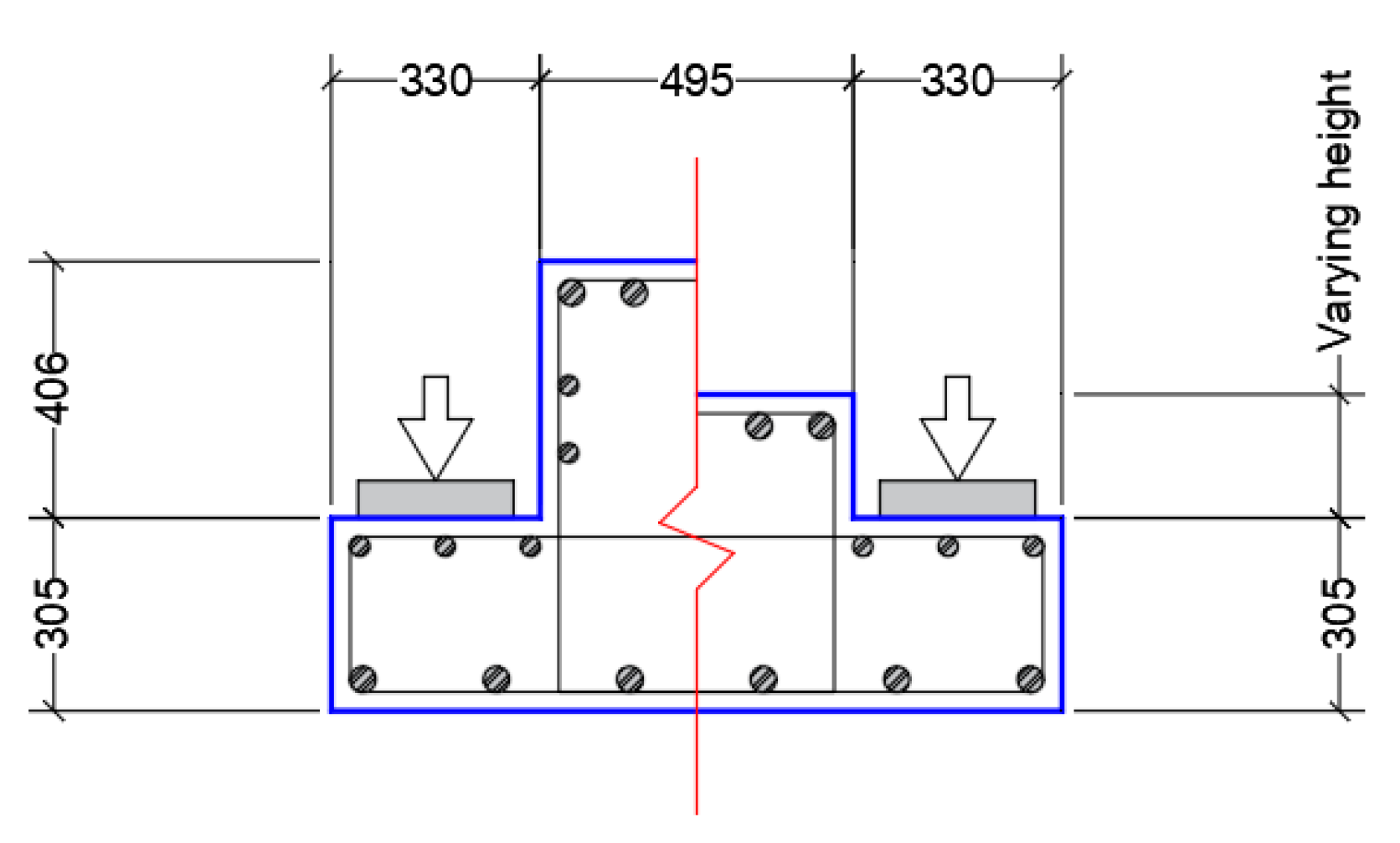
2. Experimental Test Data
3. Finite-Element Modeling of the Test Beams
4. Verification of the Finite Element Simulation
5. Parametric Study of Inverted T-Beams
5.1. Effect of Skew Angle
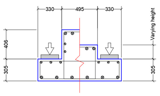
5.2. Effect of Web Height Reduction
5.3. Crack Patterns, Crack Widths, and Tensile Strains
6. Conclusions
Author Contributions
Funding
Institutional Review Board Statement
Informed Consent Statement
Data Availability Statement
Conflicts of Interest
References
- WisDOT (Wisconsin Department of Transportation). Standard Detail Drawings Structures Development Section. In Precast Pier Cap and Column Details; Department of Transportation: Madison, WI, USA, 2014. [Google Scholar]
- Khaleghi, B.; Schultz, E.; Seguirant, S.; Marsh, L.; Haraldsson, O.; Eberhard, M.; Stanton, J. Accelerated Bridge Construction in Washington State: From Research to Practice. PCI J. 2012, 57, 34–49. [Google Scholar] [CrossRef]
- SHRP (Strategic Highway Research Program). Innovative Bridge Designs for Rapid Renewal: ABC Toolkit; The Second Strategic Highway Research Program; Transportation Research Board: Washington, DC, USA, 2013. [Google Scholar]
- Culmo, M.P. Connection Details for Prefabricated Bridge Elements and Systems; Federal Highway Administration, Office of Bridge Technology: Washington, DC, USA, 2009. [Google Scholar]
- Li, Z.; Leiva, J.D. Pretensioned, Precast Concrete Hollow-Core Units Used For Interchange Bridge Project in Honduras. PCI J. 2010, 55. [Google Scholar] [CrossRef]
- Billington, S.; Barnes, R.; Breen, J. A Precast Substructure Design for Standard Bridge Systems; University of Texas at Austin, Center for Transportation Research: Austin, TX, USA, 1998. [Google Scholar]
- Birely, A.C.; Mander, J.B.; Lee, J.D.; McKee, C.D.; Yole, K.J.; Barooah, U. Precast, Prestressed Concrete Bent Caps: Volume 1, Preliminary Design Considerations and Experimental Test Program; Texas A&M Transportation Institute: Austin, TX, USA, 2018. [Google Scholar]
- Birely, A.C.; Mander, J.B.; McKee, C.D.; Lee, J.D. Precast, Prestressed Concrete Bent Caps: Volume 2, Design Recommendations and Design Examples; Texas A&M Transportation Institute: Austin, TX, USA, 2018. [Google Scholar]
- Lee, J.D.; McKee, C.D.; Birely, A.C.; Mander, J.B. TxDOT 0-6863: Pretensioned Concrete Bent Caps Phase 1 Experimental Data. Tex. Data Repos. 2018. [Google Scholar] [CrossRef]
- McKee, C.D.; Lee, J.D.; Birely, A.C.; Mander, J.B. TxDOT 0-6863: Pretensioned Concrete Bent Caps Phase 2 Experimental Data. Tex. Data Repos. 2018. [Google Scholar] [CrossRef]
- McKee, C.D.; Lee, J.D.; Birely, A.C.; Mander, J.B. Experimental Behavior of Pretensioned Bent Caps with Internal Voids for Weight Reduction. J. Bridge Eng. 2020, 25, 04019123. [Google Scholar] [CrossRef]
- Larson, N.; Gomez, E.F.; Garber, D.; Bayrak, O.; Ghannoum, W. Strength and Serviceability Design of Reinforced Concrete Inverted-T Beams; University of Texas at Austin. Center for Transportation Research (CTR): Austin, TX, USA, 2013. [Google Scholar]
- Zhou, T.; Roy, S.S.; Wang, J.; Nie, X.; Chen, H.; Mo, Y.L. Parametric Study on the Structural Behavior and Failure Mechanism of Skewed Inverted-T Bent Caps. J. Bridge Eng. 2020, 25, 04020092. [Google Scholar] [CrossRef]
- Roy, S.S.; Sawab, J.; Zhou, T.; Mo, Y.L.; Hsu, T.T. Performance of Skew Reinforcing in Inverted-T Bridge Caps. Transp. Res. Rec. 2018, 2672, 65–74. [Google Scholar] [CrossRef]
- Roy, S.S.; Sawab, J.; Zhou, T.; Wang, J.; Mo, Y.L.; Hsu, T.T.C. Experimental Study on Skew Inverted-T Bent Caps with Minimum Traditional and Skew Transverse Reinforcing. Eng. Struct. 2021, 230, 111653. [Google Scholar] [CrossRef]
- Roy, S.S. Structural Performance of Skew Reinforcing in Inverted-T Bridge Caps. Ph.D. Thesis, University of Houston, Houston, TX, USA, 2019. [Google Scholar]
- Dhonde, S.J. Structural Behavior of Sixty Degree Skew Reinforcing in Inverted-T Bent Caps in Bridges. Ph.D. Thesis, University of Houston, Houston, TX, USA, 2018. [Google Scholar]
- Wang, J.; Oz, Y.; Joshi, B.; Roy, S.S.; Mo, Y.L.; Hsu, T.T. Investigation of Performance of Skewed Reinforcing in Inverted-T Bridge Caps; University of Houston, Department of Civil and Environmental Engineering: Austin, TX, USA, 2020. [Google Scholar]
- Ebeido, T.; Kennedy, J.B. Shear and Reaction Distributions in Continuous Skew Composite Bridges. J. Bridge Eng. 1996, 1, 155–165. [Google Scholar] [CrossRef]
- Huo, X.S.; Zhang, Q. Effect of Skewness on the Distribution of Live Load Reaction at Piers of Skewed Continuous Bridges. J. Bridge Eng. 2008, 13, 110–114. [Google Scholar] [CrossRef]
- Khaloo, A.R.; Mirzabozorg, H. Load Distribution Factors in Simply Supported Skew Bridges. J. Bridge Eng. 2003, 8, 241–244. [Google Scholar] [CrossRef]
- Mohseni, I.; Khalim Rashid, A. Transverse Load Distribution of Skew Cast-in-Place Concrete Multicell Box—Girder Bridges Subjected to Traffic Condition. Lat. Am. J. Solids Struct. 2013, 10, 247–262. [Google Scholar] [CrossRef] [Green Version]
- Nouri, G.; Ahmadi, Z. Influence of Skew Angle on Continuous Composite Girder Bridge. J. Bridge Eng. 2012, 17, 617–623. [Google Scholar] [CrossRef]
- Li, R.W.; Cao, D.S.; Wu, H.; Wang, D.F. Collapse Analysis and Damage Evaluation of Typical Simply Supported Double-Pier RC Bridge under Truck Collision. Structures 2021, 33, 3222–3238. [Google Scholar] [CrossRef]
- Mahboubi, S.; Kioumarsi, M. Damage Assessment of RC Bridges Considering Joint Impact of Corrosion and Seismic Loads: A Systematic Literature Review. Constr. Build. Mater. 2021, 295, 123662. [Google Scholar] [CrossRef]
- Marcheggiani, L.; Clementi, F.; Formisano, A. Static and Dynamic Testing of Highway Bridges: A Best Practice Example. J. Civil Struct. Health Monit. 2020, 10, 43–56. [Google Scholar] [CrossRef]
- Perdomo, C.; Monteiro, R. Extension of Displacement-Based Simplified Procedures to the Seismic Loss Assessment of Multi-Span RC Bridges. Earthq. Eng. Struct. Dyn. 2021, 50, 1101–1124. [Google Scholar] [CrossRef]
- American Association of State Highway and Transportation Officials. AASHTO LRFD Bridge Design Specifications, Seventh Edition, 2014, U.S. Customary Units: 2015 Interim Revisions; American Association of State Highway and Transportation Officials: Washington, DC, USA, 2014; ISBN 978-1-56051-627-9. [Google Scholar]
- Cervenka, V.; Cervenka, J.; Pukl, R. ATENA [Computer Software]; Červenka Consulting s.r.o.: Prague, Czech Republic, 2018. [Google Scholar]
- Mansour, M.; El-Ariss, B.; El-Maaddawy, T. Effect of Support Conditions on Performance of Continuous Reinforced Concrete Deep Beams. Buildings 2020, 10, 212. [Google Scholar] [CrossRef]
- El-Ariss, B.; Elkholy, S. Feasibility of Reusing Damaged Steel Beams in Temporary Structures. Infrastructures 2021, 6, 69. [Google Scholar] [CrossRef]
- Menetrey, P.; Willam, K.J. Triaxial Failure Criterion for Concrete and Its Generalization. Struct. J. 1995, 92, 311–318. [Google Scholar]
- Van Mier, J.G. Multiaxial Strain-Softening of Concrete. Mater. Struct. 1986, 19, 190–200. [Google Scholar] [CrossRef]




















| Specimen | Skew Angle | Detailing of Transverse Reinforcement | Amount of Transverse Reinforcement | f’c (MPa) |
|---|---|---|---|---|
| ITBC-0-T-2M | 0° | Traditional | 2M | 44.8 |
| ITBC-30-S-2M | 30° | Skew | 2M | 50.3 |
| Web Depth | Ultimate Reaction Force (kN) | Ratio | |||||
|---|---|---|---|---|---|---|---|
| Fu0 (0°) | Fu30 (30°) | Fu45 (45°) | Fu60 (60°) | Fu30/Fu0 | Fu45/Fu0 | Fu60/Fu0 | |
| 406 mm (full depth) | 1714 | 1661 | 1638 | 1526 | 97% | 96% | 89% |
| 305 mm | 1576 | 1586 | 1571 | 1516 | 101% | 100% | 96% |
| 200 mm | 1537 | 1558 | 1551 | 1430 | 101% | 101% | 93% |
| 100 mm | 1448 | 1490 | 1386 | 1386 | 103% | 96% | 96% |
| Skew Angle | Ultimate Reaction Force (kN) | Ratio | |||||
|---|---|---|---|---|---|---|---|
| Ffull | F305 | F200 | F100 | F305/Ffull | F200/Ffull | F100/Ffull | |
| 0° | 1714 | 1576 | 1537 | 1448 | 92% | 90% | 84% |
| 30° | 1661 | 1586 | 1558 | 1490 | 95% | 94% | 90% |
| 45° | 1638 | 1571 | 1551 | 1386 | 96% | 95% | 85% |
| 60° | 1526 | 1516 | 1430 | 1386 | 92% | 90% | 84% |
| Beam with Different Web Heights | Volume | Weight * | Reduction in Weight |
|---|---|---|---|
| (m3) | (kN) | ||
| Full depth (406 mm) | 3.035 | 74.4 | - |
| 305 mm web depth | 2.761 | 67.6 | 9% |
| 200 mm web depth | 2.476 | 60.7 | 18% |
| 100 mm web depth | 2.204 | 54.0 | 27% |
Publisher’s Note: MDPI stays neutral with regard to jurisdictional claims in published maps and institutional affiliations. |
© 2021 by the authors. Licensee MDPI, Basel, Switzerland. This article is an open access article distributed under the terms and conditions of the Creative Commons Attribution (CC BY) license (https://creativecommons.org/licenses/by/4.0/).
Share and Cite
El-Ariss, B.; Mansour, M.; El-Maaddawy, T. Effects of Web Height Reduction and Skew Angle Variation on Behavior of RC Inverted T-Beams. Buildings 2021, 11, 451. https://doi.org/10.3390/buildings11100451
El-Ariss B, Mansour M, El-Maaddawy T. Effects of Web Height Reduction and Skew Angle Variation on Behavior of RC Inverted T-Beams. Buildings. 2021; 11(10):451. https://doi.org/10.3390/buildings11100451
Chicago/Turabian StyleEl-Ariss, Bilal, Moustafa Mansour, and Tamer El-Maaddawy. 2021. "Effects of Web Height Reduction and Skew Angle Variation on Behavior of RC Inverted T-Beams" Buildings 11, no. 10: 451. https://doi.org/10.3390/buildings11100451
APA StyleEl-Ariss, B., Mansour, M., & El-Maaddawy, T. (2021). Effects of Web Height Reduction and Skew Angle Variation on Behavior of RC Inverted T-Beams. Buildings, 11(10), 451. https://doi.org/10.3390/buildings11100451

