Study on the Effect of Energy-Input on the Joint Mechanical Properties of Rotary Friction-Welding
Abstract
:1. Introduction
2. Experimental Procedures
3. Results and Discussion
3.1. The Relationship between Energy-Input and Tensile Strength
3.2. The Thermal Cycle of Different Joints
3.3. Variation of Microstructure with Energy-Input
3.4. Hardness Distribution
3.5. The Relationship of Tensile Specimen Fracture Zone and Energy-Input
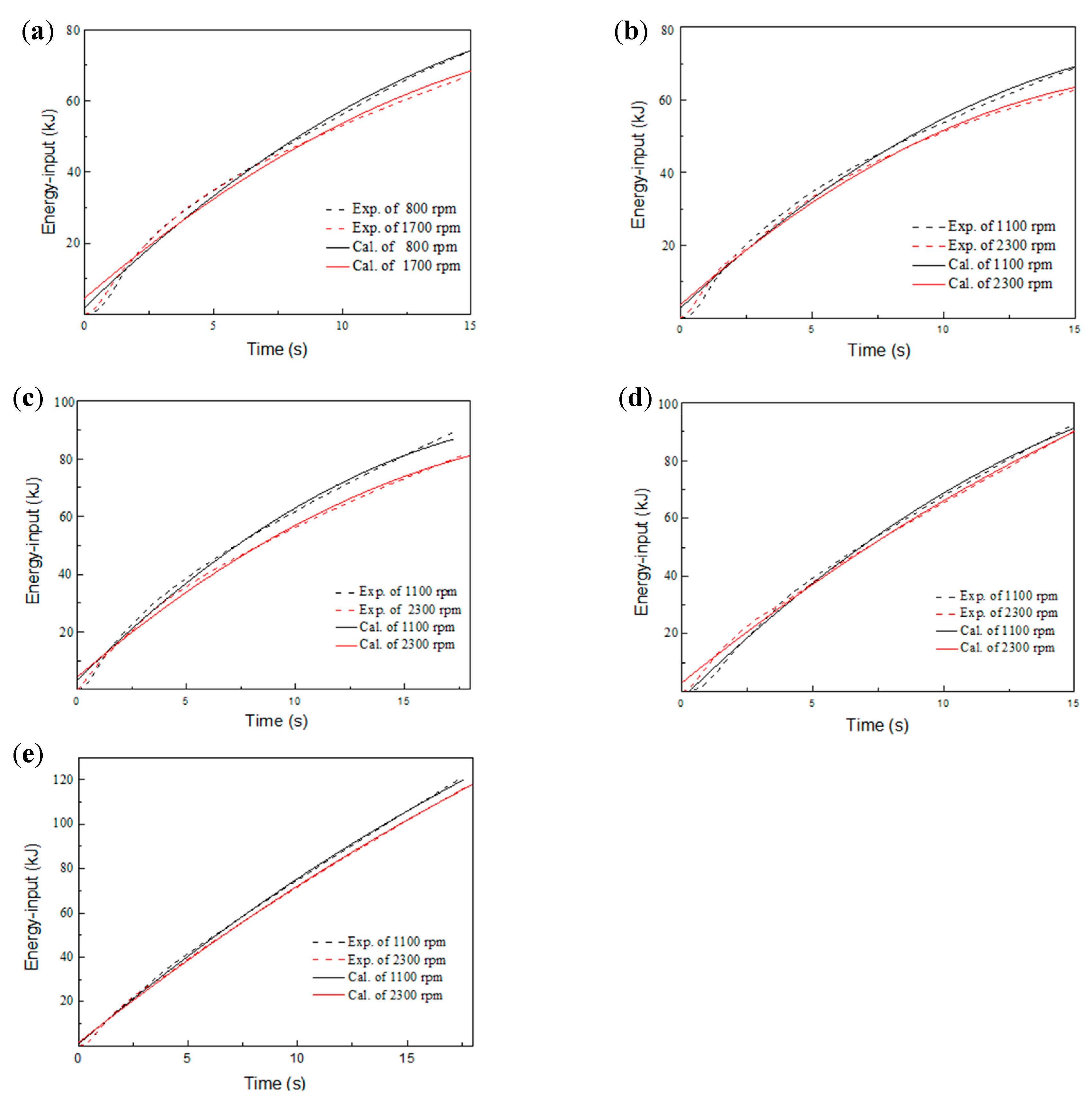
4. Modeling of the Energy-Input
5. Conclusions
- (1)
- When forging pressure is kept constant, the tensile strength increases with the increase of energy-input until reaching a maximum and then decreases.
- (2)
- Though the maximum temperature has no obvious variation regularity with the change of energy-input, the thermal cycle has a positive correlation with the increase of energy-input, i.e., as energy-input increases, the duration time from the commencement of welding to joint cooling to room temperature increases.
- (3)
- An empirical model was established that describes energy-input as a function of the welding parameters. The accuracy of the model was verified by extra RFW experiments.
- (4)
- An empirical model for the optimal energy-input of different forging pressures was obtained. Then, the optimal energy-input for 170 MPa forging pressure was calculated. Three group experiments were made based on the calculated energy-input value. The joints’ tensile strength coefficients of these three experiments were 93%, 90%, and 96%, respectively. The results proved the accuracy of the model for optimal energy-input.
Author Contributions
Funding
Conflicts of Interest
References
- Bouarroudj, E.; Chikh, S.; Abdi, S.; Miroud, D. Thermal analysis during a rotational friction welding. Appl. Therm. Eng. 2017, 110, 1543–1553. [Google Scholar] [CrossRef]
- Li, W.Y.; Vairis, A.; Preuss, M.; Ma, T.J. Linear and rotary friction welding review. Int. Mater. Rev. 2016, 61, 71–100. [Google Scholar] [CrossRef]
- Maalekian, M. Friction welding–critical assessment of literature. Sci. Technol. Weld Join. 2007, 12, 738–759. [Google Scholar] [CrossRef]
- Li, P.; Li, J.L.; Li, X.; Xiong, J.T.; Zhang, F.S.; Liang, L. A study of the mechanisms involved in initial friction process of continuous drive friction welding. J. Adhes. Sci. Technol. 2015, 29, 1246–1257. [Google Scholar] [CrossRef]
- Sahin, M. Evaluation of the joint-interface properties of austenitic-stainless steels (AISI 304) joined by friction welding. Mater. Des. 2007, 28, 2244–2250. [Google Scholar] [CrossRef]
- Sathiya, P.; Aravindan, S.; Haq, A.N. Some experimental investigations on friction welded stainless steel joints. Mater. Des. 2008, 29, 1099–1109. [Google Scholar] [CrossRef]
- Ates, H.; Turker, M.; Kurt, A. Effect of friction pressure on the properties of friction welded MA956 iron-based superalloy. Mater. Des. 2007, 28, 948–953. [Google Scholar] [CrossRef]
- Li, W.Y.; Wang, F.F. Modeling of continuous drive friction welding of mild steel. Sci. Eng. A-Struct. 2011, 528, 5921–5926. [Google Scholar] [CrossRef]
- Chander, G.S.; Reddy, G.M.; Rao, A.V. Influence of Rotational Speed on Microstructure and Mechanical Properties of Dissimilar Metal AISI 304-AISI 4140 Continuous Drive Friction Welds. J. Iron Steel Res. Int. 2012, 19, 64–73. [Google Scholar] [CrossRef]
- Palanivel, R.; Laubscher, R.F.; Dinaharan, I. An investigation into the effect of friction welding parameters on tensile strength of titanium tubes by utilizing an empirical relationship. Measurement 2017, 98, 77–91. [Google Scholar] [CrossRef]
- Maalekian, M.; Kozeschnik, E.; Brantner, H.P.; Ceriak, H. Comparative analysis of heat generation in friction welding of steel bars. Acta Mater. 2008, 56, 2843–2855. [Google Scholar] [CrossRef]
- Guo, W.; You, G.Q.; Yuan, G.Y.; Zhang, X.L. Microstructure and mechanical properties of dissimilar inertia friction welding of 7A04 aluminum alloy to AZ31 magnesium alloy. J. Alloy Compd. 2017, 695, 3267–3277. [Google Scholar] [CrossRef]
- Xiong, J.T.; Zhou, W.; Li, J.L.; Zhang, F.S.; Huang, W.D. The thermodynamic analytical models for steady-state of linear friction welding based on the maximum entropy production principle. Mater. Des. 2017, 129, 53–62. [Google Scholar] [CrossRef]
- Sahin, M. Characterization of properties in plastically deformed austenitic-stainless steels joined by friction welding. Mater. Des. 2009, 30, 135–144. [Google Scholar] [CrossRef]
- Xiong, J.T.; Li, J.L.; Wei, Y.N.; Zhang, F.S.; Huang, W.D. An analytical model of steady-state continuous drive friction welding. Acta Mater. 2013, 61, 1662–1675. [Google Scholar] [CrossRef]
- Hazra, M.; Rao, K.S.; Reddy, G.M. Friction welding of a nickel free high nitrogen steel: Influence of forge force on microstructure, mechanical properties and pitting corrosion resistance. J. Mater. Res. Technol. 2014, 3, 90–100. [Google Scholar] [CrossRef]
- Li, P.; Li, J.L.; Salman, M.; Liang, L.; Xiong, J.T.; Zhang, F.S. Effect of friction time on mechanical and metallurgical properties of continuous drive friction welded Ti6Al4V/SUS321 joints. Mater. Des. 2014, 56, 649–656. [Google Scholar] [CrossRef]
- Rajasekhara, S.; Ferreira, P.J.; Karjalainen, L.P.; Kyrolkainen, A. Hall–Petch behavior in ultra-fine-grained AISI 301LN stainless steel. Metall. Mater. Trans. A 2007, 38, 1202–1210. [Google Scholar] [CrossRef]
- Di Schino, A.; Kenny, J.M. Grain refinement strengthening of a micro-crystalline high nitrogen austenitic stainless steel. Mate. Lett. 2003, 57, 1830–1834. [Google Scholar] [CrossRef]
- Fu, H.H.; Benson, D.J.; Meyers, M.A. Analytical and computational description of effect of grain size on yield stress of metals. Acta Mater. 2001, 49, 2567–2582. [Google Scholar] [CrossRef]
- Mori, K.I.; Bay, N.; Fratini, L.; Micari, F.; Tekkaya, A.E. Joining by plastic deformation. CIRP Ann-Manuf. Technol. 2013, 62, 673–694. [Google Scholar] [CrossRef]
- Uday, M.B.; Ahmad Fauzi, M.N.; Zuhailawati, H.; Ismail, A.B. Advances in friction welding process: A review. Sci. Technol. Weld. Join. 2010, 15, 534–558. [Google Scholar] [CrossRef]














| No. | Friction Pressure (MPa) | Rotation Speed (rpm) | Friction Time (s) | Energy-Input (kJ) | Average Tensile Strength (MPa) |
|---|---|---|---|---|---|
| No.1 | 40 | 1200 | 4 | 25 | 603 |
| No.2 | 40 | 500 | 9 | 35 | 698 |
| No.3 | 120 | 800 | 7 | 55 | 635 |
| No.4 | 160 | 1400 | 19 | 120 | 592 |
| P (MPa) | N (rpm) | C0 | C1 | C2 |
|---|---|---|---|---|
| 25 | 500 | −3969.91 | 7720.94 | −160.97 |
| 800 | 1792.98 | 6995.59 | −144.81 | |
| 1100 | 1594.45 | 6956.77 | −160.58 | |
| 1400 | 4350.03 | 6335.06 | −137.91 | |
| 1700 | 4423.71 | 6233.98 | −131.23 | |
| 2000 | 4319.92 | 5931.05 | −121.72 | |
| 40 | 500 | −4249.60 | 7053.29 | −128.14 |
| 1100 | 2637.38 | 6802.22 | −157.76 | |
| 1700 | 4130.76 | 6353.79 | −149.41 | |
| 2300 | 3590.85 | 6437.81 | −163.03 | |
| 80 | 500 | −3599.73 | 8111.83 | −121.67 |
| 800 | 2395.92 | 7738.01 | −158.53 | |
| 1100 | 3134.80 | 7545.50 | −156.31 | |
| 1400 | 3832.45 | 6973.78 | −158.59 | |
| 1700 | 4268.07 | 6899.27 | −131.95 | |
| 2300 | 4324.83 | 6509.14 | −124.84 | |
| 120 | 500 | −4163.32 | 9006.37 | −131.23 |
| 800 | −2473.33 | 8864.62 | −174.24 | |
| 1100 | 1636.11 | 8242.70 | −147.53 | |
| 1400 | 1745.32 | 7831.08 | −133.24 | |
| 1700 | 3049.07 | 7313.38 | −100.93 | |
| 2300 | 3238.76 | 3238.76 | −73.20 | |
| 160 | 1100 | 825.70 | 8365.38 | −90.80 |
| 1400 | 897.32 | 8165.46 | −80.14 | |
| 1700 | 1452.71 | 7813.79 | −74.77 | |
| 2300 | 1436.52 | 6701.22 | −15.79 | |
| 200 | 1100 | 359.98 | 9759.89 | −94.88 |
| 1400 | 140.55 | 7950.32 | −16.90 |
| No. | Friction Pressure (MPa) | Rotation Speed (rpm) | Friction Time (s) | Tensile Strength (MPa) |
|---|---|---|---|---|
| No.5 | 100 | 1300 | 6 | 93% |
| No.6 | 40 | 2000 | 8 | 90% |
| No.7 | 160 | 800 | 5 | 96% |
© 2018 by the authors. Licensee MDPI, Basel, Switzerland. This article is an open access article distributed under the terms and conditions of the Creative Commons Attribution (CC BY) license (http://creativecommons.org/licenses/by/4.0/).
Share and Cite
Wang, G.; Li, J.; Wang, W.; Xiong, J.; Zhang, F. Study on the Effect of Energy-Input on the Joint Mechanical Properties of Rotary Friction-Welding. Metals 2018, 8, 908. https://doi.org/10.3390/met8110908
Wang G, Li J, Wang W, Xiong J, Zhang F. Study on the Effect of Energy-Input on the Joint Mechanical Properties of Rotary Friction-Welding. Metals. 2018; 8(11):908. https://doi.org/10.3390/met8110908
Chicago/Turabian StyleWang, Guilong, Jinglong Li, Weilong Wang, Jiangtao Xiong, and Fusheng Zhang. 2018. "Study on the Effect of Energy-Input on the Joint Mechanical Properties of Rotary Friction-Welding" Metals 8, no. 11: 908. https://doi.org/10.3390/met8110908
APA StyleWang, G., Li, J., Wang, W., Xiong, J., & Zhang, F. (2018). Study on the Effect of Energy-Input on the Joint Mechanical Properties of Rotary Friction-Welding. Metals, 8(11), 908. https://doi.org/10.3390/met8110908

