The Effect of the Forming Mode on Twinning and Springback in the Bending-Dominated Forming of Magnesium AZ31 Sheet
Abstract
1. Introduction
2. Materials and Methods
2.1. Material
2.2. Bending Deformation Analysis
2.2.1. The Pure Bend Test
2.2.2. The V-Bending Test
2.2.3. The Channel Bending Test
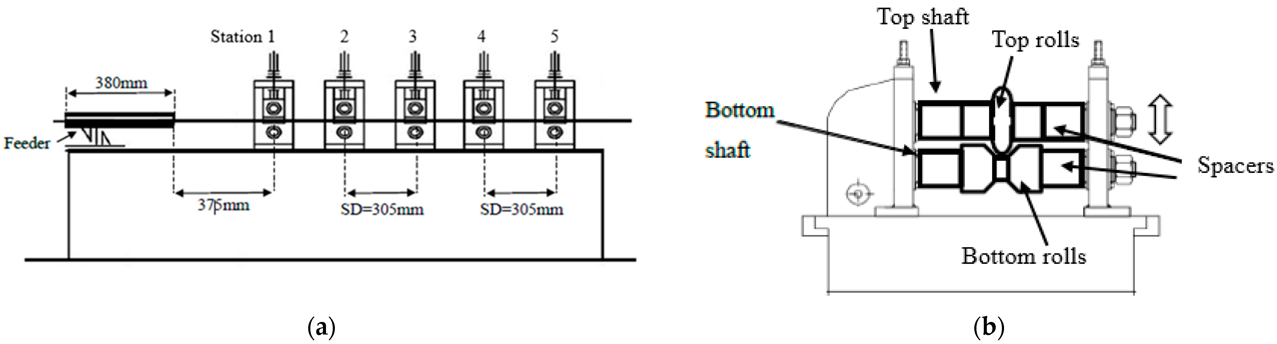
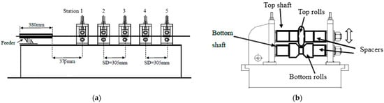
2.2.4. Roll Forming
2.2.5. The Critical Forming Zones
2.3. Microstructure Analysis
3. Results
3.1. Microstructure
3.2. Mechanical Properties
3.3. The Springback Ratio (SBR) and Twinning Area Fraction (TAF)
3.4. Twinning Behaviour—Twin Type and Area Fraction
4. Discussion
4.1. Twinning Inhomogeneity throughout the Sheet Thickness
4.2. The Effect of the Grain Size
4.3. The Effect of Strain
4.4. The Effect of the Bend Forming Mode
4.4.1. The Twinning Area Fraction (TAF)
4.4.2. The Springback Ratio
4.4.3. The Side Wall Curl in Drawing
4.4.4. The Twinning Type
5. Conclusions
- The TAF in bending magnesium sheet increased with the grain size and the maximum outer fibre strain. In contrast to previous work which suggests that the increase in TAF mostly occurs below a limit of 5% strain, this study has shown that even at strain levels that exceed 11%, the TAF keeps increasing with material deformation.
- The springback ratio in bending magnesium reduced with increasing outer fibre strain and an increasing TAF. However, the results of this work also suggest that for similar levels of TAF, the springback ratio can be significantly different. Overall, it can be concluded that springback in bending magnesium sheet is mostly affected by the forming strain level and to a lesser extent by the TAF.
- There is a clear effect of the forming mode on the TAF and springback. Especially in roll forming, the TAF level was significantly higher compared to that in simple V-bending even when the grain size, the bend radius and the maximum outer fibre strain were the same. There was also a clear effect of the incremental bending sequence on the TAF in roll forming. The higher TAF in roll forming might be due to the bending–restraightening action that occurs in a longitudinal direction, i.e., perpendicular to the transverse bending direction, when material enters the forming rolls. The increased TAF in roll forming leads to a reduced springback ratio compared to the simple V-bending case.
- In contrast to roll forming, in channel bending, the bending and restraightening of the material over the die corner radius in the transverse bending direction leads to near zero TAF in the channel wall. This suggests that for some condition, the forming and reverse forming of material can cause twinning and detwinning, as was observed in some previous studies.
- Side wall curl in channel drawing increased with the grain size and was related to an increased shift in neutral layer position during bending leading to higher stress inhomogeneity through the material thickness.
- The type of the developed twins in the tension and the compression bending zones was not significantly affected by the bend forming mode, i.e., the same types of twins were identified in V-die and channel bending as well as in the roll forming process. In the tension region, some extension twins were observed, which suggests that springback in bending magnesium can lead to detwinning and/or the generation of new twins.
Author Contributions
Funding
Data Availability Statement
Acknowledgments
Conflicts of Interest
References
- Wang, W.; Zhang, W.; Chen, W.; Cui, G.; Wang, E. Effect of initial texture on the bending behavior, microstructure and texture evolution of ZK60 magnesium alloy during the bending process. J. Alloys Compd. 2017, 737, 505–514. [Google Scholar] [CrossRef]
- Xue, S.; Yang, T.; Liu, X.; Ren, Y.; Peng, Y.; Zheng, L. Strain Rate and Temperature Effects on Formability and Microstructure of AZ31B Magnesium Alloy Sheet. Metals 2022, 12, 1103. [Google Scholar] [CrossRef]
- Zhao, H.; Yang, X.; Peng, Y.; Wu, L.; Wu, Y.; Shi, B. Loading path and strain rate effects on the deformation behavior of [0001] textured nanocrystalline magnesium: An atomic-scale investigation. J. Magnes. Alloys, 2024; in press. [Google Scholar] [CrossRef]
- Huang, G.; Wang, L.; Zhang, H.; Wang, Y.; Shi, Z.; Pan, F. Evolution of neutral layer and microstructure of AZ31B magnesium alloy sheet during bending. Mater. Lett. 2013, 98, 47–50. [Google Scholar] [CrossRef]
- Wu, W.; Stoica, A.D.; Yu, D.; Frost, M.J.; Skorpenske, H.D.; An, K. Bending behavior of a wrought magnesium alloy investigated by the in-situ pinhole neutron diffraction method. Crystals 2018, 8, 348. [Google Scholar] [CrossRef]
- Li, F.F.; Zhu, J.; Zhang, W.; Fang, G. Investigation on the inhomogeneous deformation of magnesium alloy during bending using an advanced plasticity model. J. Mater. Res. Tech. 2023, 25, 5064–5075. [Google Scholar] [CrossRef]
- Tang, D.; Zhou, K.; Tang, W.; Wu, P.; Wang, H. On the inhomogeneous deformation behavior of magnesium alloy beam subjected to bending. Int. J. Plast. 2022, 150, 103180. [Google Scholar] [CrossRef]
- Desinghege, S.G.; Hodgson, P.; Weiss, M. Microstructure effects on the material behaviour of magnesium sheet in bending dominated forming. J. Mater. Proc. Tech. 2021, 289, 116951. [Google Scholar] [CrossRef]
- Bruni, C.; Forcellese, A.; Gabrielli, F.; Simoncini, M. Air bending of AZ31 magnesium alloy in warm and hot forming conditions. J. Mater. Proc. Tech. 2006, 177, 373–376. [Google Scholar] [CrossRef]
- Wang, L.; Huang, G.; Zhang, H.; Wang, Y.; Yin, L. Evolution of springback and neutral layer of AZ31B magnesium alloy V-bending under warm forming conditions. J. Mater. Proc. Tech. 2013, 213, 844–850. [Google Scholar] [CrossRef]
- Kim, D.; Kim, J.H.; Lee, M.G.; Lee, Y.S.; Kang, S.H. Experimental investigation into effect of annealing treatment on springback of magnesium alloy sheets. Mater. Res. Inn. 2011, 15 (Suppl. S1), s183–s186. [Google Scholar] [CrossRef]
- Pereira, R.; Peixinho, N.; Costa, S.L. A Review of Sheet Metal Forming Evaluation of Advanced High-Strength Steels (AHSS). Metals 2024, 14, 394. [Google Scholar] [CrossRef]
- Badr, O.M.; Rolfe, B.; Hodgson, P.; Weiss, M. Forming of high strength titanium sheet at room temperature. Mater. Des. 2015, 66, 618–626. [Google Scholar] [CrossRef]
- Halmos, G.T. Roll Forming Handbook; CRC Press: Boca Raton, FL, USA, 2005; pp. 1–584. [Google Scholar]
- Weiss, M.; Sreenivas, A.; Jeganathan, H.; Jiang, L.; Zhang, P.; Oxley, B.; Abeyrathna, B. The effect of the calibration method on the critical forming strains and fracture limits in the roll forming of 7075 series aluminium. J. Mater. Proc. Tech. 2023, 316, 117948. [Google Scholar] [CrossRef]
- Khan, A.S.; Pandey, A.; Herold, T.G.; Mishra, R.K. Mechanical response and texture evolution of AZ31 alloy at large strains for different strain rates and temperatures. Int. J. Plast. 2011, 27, 688–706. [Google Scholar] [CrossRef]
- Mendiguren, J.; Abvabi, A.; Rolfe, B.; Weiss, M. Improvement of accuracy in a free bending test for material characterization. Int. J. Mech. Sci. 2015, 103, 288–296. [Google Scholar] [CrossRef]
- Weiss, M.; Dingle, M.; Rolfe, B.; Hodgson, P. The influence of temperature on the forming behavior of metal/polymer laminates in sheet metal forming. J. Eng. Mater. Tech. 2007, 129, 530–537. [Google Scholar] [CrossRef]
- Samuel, M. Experimental and numerical prediction of springback and side wall curl in U-bendings of anisotropic sheet metals. J. Mater. Proc. Tech. 2000, 105, 382–393. [Google Scholar] [CrossRef]
- Kim, H.J.; Choi, S.C.; Lee, K.T.; Kim, H.Y. Experimental determination of forming limit diagram and springback characteristics of AZ31B Mg alloy sheets at elevated temperatures. Mater. Trans. 2008, 49, 1112–1119. [Google Scholar] [CrossRef]
- Moneke, M.; Groche, P. Control of residual stresses in roll forming through targeted adaptation of the roll gap. J. Mater. Proc. Tech. 2021, 294, 117129. [Google Scholar] [CrossRef]
- Hu, J.; Marciniak, Z.; Duncan, J. Mechanics of Sheet Metal Forming; Elsevier Science: Amsterdam, The Netherlands, 2002. [Google Scholar]
- Wang, L.; Huang, G.; Pan, F.; Vedani, M. Effect of strain rate on the shift of neutral layer in AZ31B alloys during V-bending at warm conditions. Mater. Lett. 2015, 143, 44–47. [Google Scholar] [CrossRef]
- Barnett, M.; Keshavarz, Z.; Beer, A.; Atwell, D. Influence of grain size on the compressive deformation of wrought Mg–3Al–1Zn. Acta Mater. 2004, 52, 5093–5103. [Google Scholar] [CrossRef]
- Barnett, M. A rationale for the strong dependence of mechanical twinning on grain size. Scripta Mater. 2008, 59, 696–698. [Google Scholar] [CrossRef]
- Gutierrez-Urrutia, I.; Zaefferer, S.; Raabe, D. The effect of grain size and grain orientation on deformation twinning in a Fe–22 wt.% Mn–0.6 wt.% C TWIP steel. Mater. Sci. Eng. A 2010, 527, 3552–3560. [Google Scholar] [CrossRef]
- Li, L.; Liu, W.; Qi, F.; Wu, D.; Zhang, Z. Effects of deformation twins on microstructure evolution, mechanical properties and corrosion behaviors in magnesium alloys—A review. J. Magnes. Alloys 2022, 10, 2334–2353. [Google Scholar] [CrossRef]
- Choi, S.H.; Shin, E.J.; Seong, B.S. Simulation of deformation twins and deformation texture in an AZ31 Mg alloy under uniaxial compression. Acta Mater. 2007, 55, 4181–4192. [Google Scholar] [CrossRef]
- Chen, F.K.; Huang, T.B. Formability of stamping magnesium-alloy AZ31 sheets. J. Mater. Proc. Tech. 2003, 142, 643–647. [Google Scholar] [CrossRef]
- Moon, Y.H.; Kim, D.W.; Van Tyne, C.J. Analytical model for prediction of sidewall curl during stretch-bend sheet metal forming. Int. J. Mech. Sci. 2008, 50, 666–675. [Google Scholar] [CrossRef]
- Davies, R.G. Side-wall curl in high-strength steels. J. App. Metal. 1984, 3, 120–126. [Google Scholar] [CrossRef]
- Yue, Y.; Wang, J.; Nie, J.-F. Twin-solute, twin-dislocation and twin-twin interactions in magnesium. J. Magnes. Alloys 2023, 11, 3427–3462. [Google Scholar] [CrossRef]














| Abbreviations: | Definition: |
|---|---|
| Springback Ratio | |
| Roll Forming Sequences 1 and 2 | |
| True Outer Fibre Strain | |
| TAF | Twinning Area Fraction |
| PR | Punch Radius |
| DR | Die Radius |
| SW | Side Wall |
| PB | Pure Bend |
| VB | V-Bend |
| CB | Channel Bend |
| RF | Roll Forming |
| Forming Mode | 3D View | Section A-A | Mapping Region |
|---|---|---|---|
| Pure bend | ![]() | ![]() | ![]() |
| V bend Roll Forming | ![]() | ![]() | ![]() |
| Channel bend | ![]() | ![]()
| ![]() |
Disclaimer/Publisher’s Note: The statements, opinions and data contained in all publications are solely those of the individual author(s) and contributor(s) and not of MDPI and/or the editor(s). MDPI and/or the editor(s) disclaim responsibility for any injury to people or property resulting from any ideas, methods, instructions or products referred to in the content. |
© 2024 by the authors. Licensee MDPI, Basel, Switzerland. This article is an open access article distributed under the terms and conditions of the Creative Commons Attribution (CC BY) license (https://creativecommons.org/licenses/by/4.0/).
Share and Cite
Weiss, M.; Desinghe, S.G.; Hodgson, P.; Beladi, H. The Effect of the Forming Mode on Twinning and Springback in the Bending-Dominated Forming of Magnesium AZ31 Sheet. Metals 2024, 14, 983. https://doi.org/10.3390/met14090983
Weiss M, Desinghe SG, Hodgson P, Beladi H. The Effect of the Forming Mode on Twinning and Springback in the Bending-Dominated Forming of Magnesium AZ31 Sheet. Metals. 2024; 14(9):983. https://doi.org/10.3390/met14090983
Chicago/Turabian StyleWeiss, Matthias, Shiromani Gangoda Desinghe, Peter Hodgson, and Hossein Beladi. 2024. "The Effect of the Forming Mode on Twinning and Springback in the Bending-Dominated Forming of Magnesium AZ31 Sheet" Metals 14, no. 9: 983. https://doi.org/10.3390/met14090983
APA StyleWeiss, M., Desinghe, S. G., Hodgson, P., & Beladi, H. (2024). The Effect of the Forming Mode on Twinning and Springback in the Bending-Dominated Forming of Magnesium AZ31 Sheet. Metals, 14(9), 983. https://doi.org/10.3390/met14090983










