Abstract
The following study examines the impact of temperature on the deposition of components using Cold Metal Transfer–Wire Arc Additive Manufacturing technology. In the experiment, two overlay weld wall structures were created by applying an interpass temperature of 100 °C and without additional cooling. Subsequently, the microstructural and mechanical properties were observed. No changes in the microstructure due to the application of the interpass temperature were confirmed, and the microstructure of the manufactured components, in both cases, consisted of columnar dendrites. It was found that applying an interpass temperature reduced the average ultimate tensile strength by nearly 65 MPa and the average offset yield strength by 82 MPa. The influence of the cooling strategy on the resulting microstructure was not confirmed. Transmission electron microscopy analysis confirmed the presence of strengthening phases γ′/γ″ in both components; however, a larger amount of the strengthening phase γ″ was found in the component manufactured without the application of an interpass temperature.
1. Introduction
Due to rising material costs and worsening climatic conditions, there is an increasing worldwide demand for alternative technologies that would significantly reduce the amount of materials consumed, which would have a positive impact on both product prices and the environment. One suitable technology for processing such materials is Wire Arc Additive Manufacturing (WAAM) [1]. The WAAM process is based on depositing solid wire layer by layer until the component is finished, while the motion mechanism is typically provided by an industrial robot controlled by a computer to ensure movement along the desired path [2,3]. The resulting component is composed of multiple layers with a constant or adaptive thickness, which are laid down along the outline trajectory of the future product [4,5].
Compared to other additive technologies, WAAM stands out with numerous advantages. WAAM can be considered as an advantageous economic process due to its low acquisition cost and the possibility of utilizing a wide range of feedstock, making it suitable for the production of large-scale components [6]. With this technology, it is possible to achieve a deposition rate of 10 kg/h for steel, which is up to 16 times higher compared to metal-powder-based additive manufacturing techniques [7]. Additionally, by using metal powder, the process becomes more susceptible to defect formations, such as pores, that can compromise structural integrity, especially under dynamic loading conditions [8]. Moreover, WAAM components exhibit superior mechanical properties compared to components produced through traditional casting methods [9,10,11]. Materials with a high cost and limited availability, such as various types of nickel alloy Inconel, find application in the WAAM technology across different industries. The Inconel is known for its high mechanical properties, strong material adhesion to cutting edges, and the presence of abrasive carbide particles. These factors make these alloys difficult to machine, and as a result, their application is found in WAAM technology to prevent significant losses associated with their processing [12,13,14].
Despite its many advantages, WAAM has several drawbacks, such as a higher heat input, which can lead to decreased geometric accuracy, higher surface waviness values, and lower mechanical properties of deposited components [15,16,17,18]. High heat input in WAAM technology can be reduced by the CMT process, which also results in less spattering, reduced emissions, and high process stability [19,20,21]. Hackenhaar et al. examined the influence of deposition mode selection on the resulting mechanical properties of a component made from AISI H13 tool steel. In their study, they applied CMT, LSC, and PS modes. The authors did not observe significant differences in terms of mechanical properties among the components. However, the component deposited with the CMT mode achieved the greatest height [22]. Another way to reduce the heat input and improve mechanical properties is by maintaining the interpass temperature or using active cooling.
Wu et al. investigated the influence of a cooling strategy on the resulting mechanical properties of a component made from Ti6Al4V alloy. In their experiment, they applied interpass temperatures of 100, 200, and 300 °C along with forced interpass cooling using compressed CO2. The authors found that decreasing the interpass temperature led to a slight improvement in the mechanical properties of deposited components. However, the sample cooled with the compressed CO2 showed the best ultimate tensile strength values [23]. Similar results were also observed by other authors who studied the influence of an interpass temperature on the resulting mechanical properties [24,25,26]. On the other hand, Shen et al. discovered that applying a higher interpass temperature during the deposition of a component made of Fe3Al alloy led to reduced weld pool asymmetry, attributed to the different thermal conductivities of the substrate and filler metal. This, in turn, resulted in a higher yield strength in the middle section of the component [27]. Dash et al. observed the impact of active cooling on the resulting microhardness of the fabricated components from mild steel. The authors found that the application of active cooling led to an increase in microhardness compared to samples deposited without active cooling [28]. Tonelli et al. investigated the effect of interlayer active cooling on the final mechanical properties of WAAM-produced components of austenitic AISI 304 L steel. The authors concluded that there was no difference in the mechanical properties between components fabricated with and without active cooling and that mechanical properties were more affected by microstructural anisotropy [29].
The aim of the research is to assess the influence of cooling strategy choice on the resulting mechanical properties of Inconel 718 alloy components deposited using the WAAM-CMT process.
2. Materials and Methods
The overlay weld walls were deposited on an S235JR low carbon steel substrate with dimensions of 200 mm × 100 mm × 10 mm. In WAAM, the base material is typically a more cost-effective option since it is eventually removed after the deposition. WAAM is efficient for manufacturing larger components using expensive alloys due to its favorable buy-to-fly (BTF) ratio. It represents the proportion of input material used in production to the final component, and this ratio is notably smaller compared to conventional machining [30,31]. Therefore, the corrosion-resistant nickel alloy Inconel 718 in the form of NiCro 718 MIG wire with a diameter of 1.2 mm was used as a filler material. This precipitation-hardened alloy was developed in the 1960s and is still considered the first choice for most components of aircraft engines operating at temperatures below 650 °C due to the dissolution of the γ″ phase and the formation of a stable δ phase at higher temperatures [32]. Table 1 shows the chemical composition of the welding wire based on the 3.1 inspection certificate delivered by the producer according to EN10204 [33].
Table 1.
Chemical composition of NiCro 718 wire in %.
The fully digitized inventor welding source TransPuls Synergic 3200 CMT from Fronius company (Wels, Austria), which is specially designed for the CMT mode, was used for the production of multilayer components. The movement of the welding torch was ensured by the portal device Multiweld from the company First Welding Company (Bratislava, Slovakia), Inc. Argon 4.6 from Messer Tatragas company (Bratislava, Slovakia) was used as shielding gas.
Two components consisting of 53 overlay beads were made. The first component was made without applying the interpass temperature. The overlaying began according to Figure 1 by moving the welding torch from reference point 1 to point 2, which was 150 mm away from the reference point in the direction of the Y axis. At point 2, the welding process was finished, and the welding torch was subsequently moved by 3 mm in the direction of the Z axis. Then, the welding torch moved 150 mm from point 2 to point 1 along the direction of the Y axis. In point 1, the torch was moved again by 3 mm, and the whole cycle was repeated until the component was finished.
Figure 1.
The experiment WAAM setup.
In the case of applying the interpass temperature, the next overlay bead was made when the temperature of the previous layer dropped below 100 °C. The interpass temperature was monitored by a K-type thermocouple and HH-507 R thermometer from Omega Engineering Inc. (Norwalk, CA, USA). The deposition parameters are listed in Table 2.
Table 2.
Deposition parameters.
The edges of the components (Figure 2) with a length of 15 mm were cut by an electric discharge machine, Sharmilles Robofil 310 (Charmilles technologies, Geneva, Switzerland), from both sides. Cross-sections acquired this way were used for macro- and micro-analysis as well as microhardness evaluation. The remaining part was milled from both sides to a thickness of 7.5 mm on the DMU 85 MonoBlock device (DMG Mori, Leonberg, Germany). Tensile and notch test specimens were subsequently cut by water abrasive cutting using Aquacut 6001.20 device from Microstep (Bratislava, Slovakia) in order to prevent thermal influence. The location of samples on the deposit is documented in Figure 3. The tensile test specimens were oriented vertically at the same height. The Charpy impact test samples were oriented vertically, with the notch located at 1/3, ½, and 2/3 of the height of the component.
Figure 2.
Components deposited: (a) without interpass temperature, (b) by applying interpass temperature of 100 °C.
Figure 3.
Samples’ locations on the deposited components after abrasive water jet cutting.
The final dimensions of the samples for the tensile test and Charpy pendulum impact test were finished to the final size in accordance with ISO 6892-1 and ISO 148-1 (Figure 4 and Figure 5) by milling on the DMU 85 MonoBlock device (DMG Mori, Leonberg, Germany) [34,35].
Figure 4.
Geometric dimensions of specimens for tensile test.
Figure 5.
Geometric dimensions of specimen for Charpy impact test.
The obtained data were statistically evaluated using GraphPad Prism 8. All data showed normal distribution. The data from the static tensile test, Charpy impact test, and microhardness test of components made with and without interpass temperature were compared with a parametric T-test. Used levels of significance were * p < 0.05, *** p < 0.001, **** p < 0.0001. All error bars shown in the figures represent standard deviation (SD).
Samples for macroscopic and microscopic analysis were prepared using a standard procedure on a PHOENIX 4000 device from Buehler company (Lake Bluff, IL, USA), which consisted of wet grinding on 240, 600, and 1200 grit silicon carbide papers. Subsequently, the samples were polished on 9, 3, and 1 µm diamond suspensions.
Electrolytic etching in a 10% solution of oxalic acid (C2H2O4) at 10 V for 10 s was used to highlight the microstructure of Inconel 718. The microstructure was observed on a NEOPHOT 32 metallographic light microscope from Carl Zeiss (Jena, Germany).
A more detailed examination of the microstructure was performed using the transmission electron microscope JEOL 200 CX (TEM) from Jeol producer (Nieuw-Vennep, The Netherlands) operating at 200 KV. Thin foils were used to identify secondary phases. The preparation of thin metal foils consisted of cutting a 1 mm thick sample with a Isomet 5000 linear precision saw from Buehler company (Lake Bluff, IL, USA). This was followed by mechanical grinding on silicon carbide paper (1200 grit) to a thickness of approximately 150 μm. Final thinning was carried out using an electro-polisher Struers-Tenupol5, which was done in a solution of 10% perchloric acid (HClO4) in 90% methanol (CH3OH) at −30 °C temperature and with a voltage of 25 V.
The microhardness measurement, static tensile test, and Charpy impact test were used to evaluate the mechanical properties. The microhardness HV0.1 was measured on a Indentamet 1105 from Buehler company (Lake Bluff, IL, USA) upwards from the substrate in the wall axis with a step of 5 mm. The static tensile test was performed on a LabTech Labtest 5.250 SP1 device at a temperature of 22 °C with a loading speed of 5 mm/s. The ultimate tensile strength (UTS) and offset yield strength of 0.2% (YS0.2) were evaluated. The Charpy impact test was performed on a CHK-300 instrumented pendulum hammer at a temperature of 22 °C with a hammer energy of 300 J.
3. Results
3.1. Microstructure Analysis
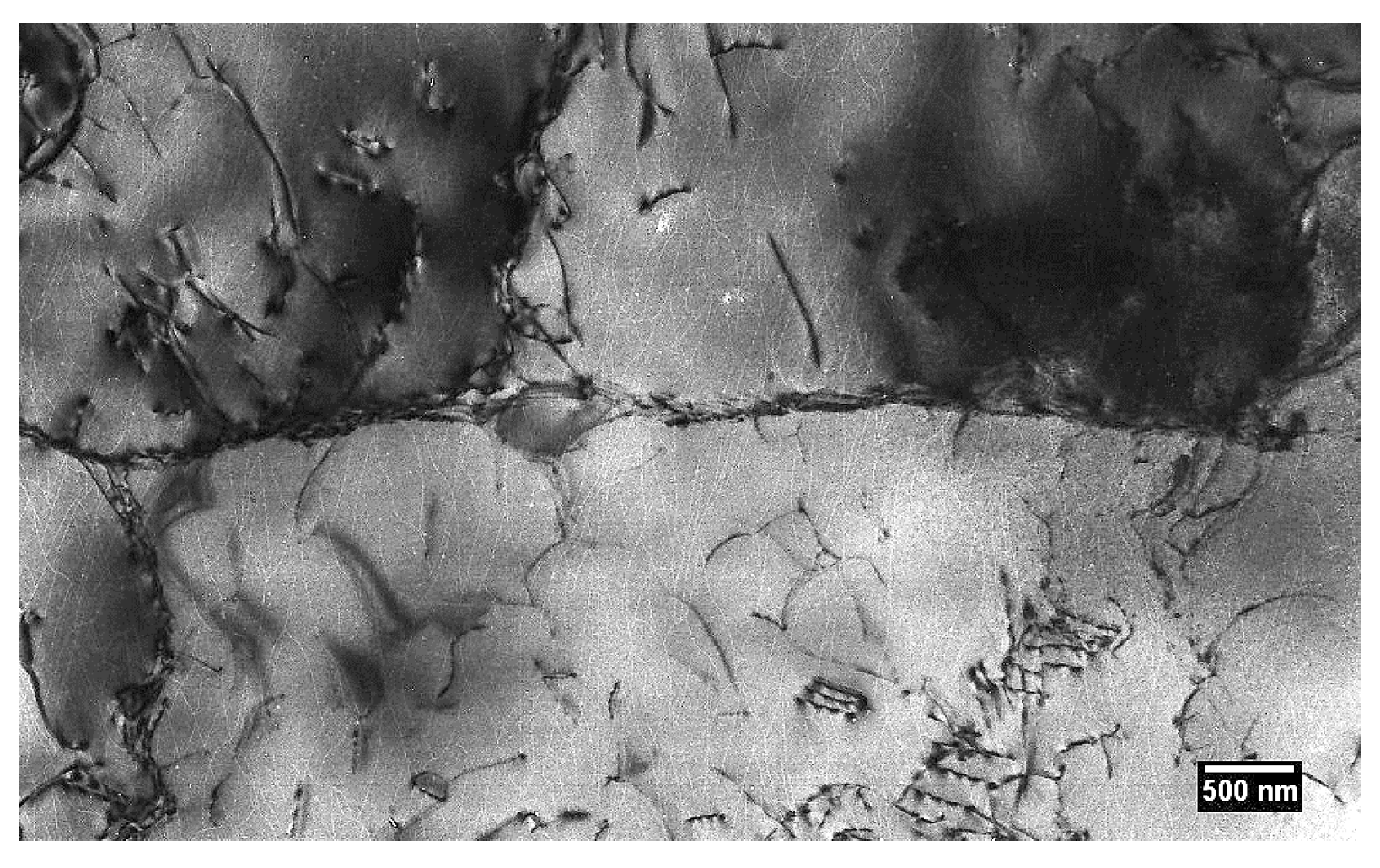
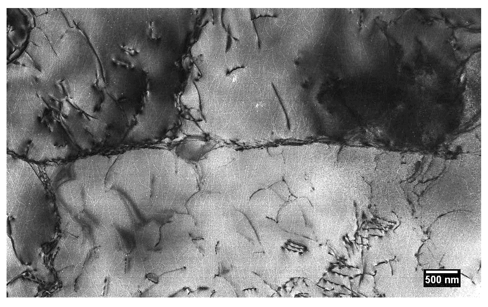
Figure 6 and Figure 7 illustrate the microstructure of the fabricated components, which is characterized by columnar dendrites that extend throughout the entire height of the deposited welds. Such a structure is typical for the WAAM technology, which involves the deposition of multiple layers on top of each other. When a new layer is deposited, a part of the previous layer melts, along with the columnar dendrites, which subsequently grow in the direction of heat dissipation during solidification; that is, in the direction of the greatest temperature gradient. Dendrites located closer to the edges of the component preferred growth in that direction, indicating a change in heat flow in that area. In the upper and lower sections of the fabricated components, a smaller size of dendritic grains was observed, which can be explained by the faster cooling of these parts.
Figure 6.
Microstructural analysis of a component deposited without applying interpass temperature.
Figure 7.
Microstructural analysis of a component deposited by applying interpass temperature.
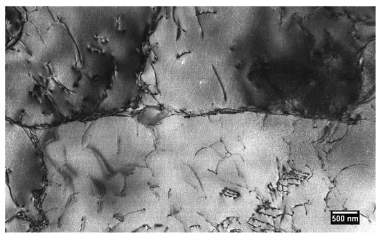
Figure 8 details the heat-affected zone with a markedly finer dendritic structure that arises from the reheating of the previous layers of the component. This process of structural refinement is a typical phenomenon in welding procedures, where the heat from the deposited layers induces recrystallization and grain refinement of the underlying layers.
Figure 8.
Microstructure of transition between annealed and non-annealed areas: (a) w/o interpass, (b) interpass.
In the boundary regions of components, changes in heat flow occur, resulting in heat dissipation not only through the previous layer but also through the surrounding atmosphere. This phenomenon, which leads to a change in the orientation of columnar dendrites towards the edges of the components, is characteristic of WAAM technology (Figure 9).
Figure 9.
Boundary regions of the overlay component produced w/o interpass temperature: (a) left side, (b) right side.
In Inconel 718, these dendrites are predominantly strengthened by γ’ and γ″ phases, while the interdendritic spaces are filled with precipitating phases. For a more detailed analysis of the microstructure of multilayered components, it was necessary to utilize higher magnifications and resolution capabilities provided by TEM analysis.
3.2. Microhardness Analysis
Figure 10 represents the microhardness HV 0.1 distribution along the height of the deposited components. There were non-significant fluctuations observed. Multilayer components deposited using an interpass temperature of 100 °C had an average microhardness of 259 HV 0.1 with an SD of 16 HV 0.1. The component fabricated without applying an interpass temperature reached a microhardness of 263 HV 0.1 with an SD of 13 HV 0.1. The average microhardness HV 0.1 of the multilayer components manufactured with the application of the interpass temperature was approximately 1.5% lower compared to the average microhardness HV 0.1 of a multilayer component manufactured without its application. From the perspective of measurement precision, this difference can be considered insignificant.
Figure 10.
Microhardness course in the direction of the height of the component along the axis passing through the center of cross-section.
The statistical analysis (Figure 11) did not confirm the significance among different cooling strategies concerning the microhardness HV 0.1 in the direction of the component’s height along the axis passing through the center of its cross-section (p > 0.05).
Figure 11.
T-test of the microhardness of deposited components regarding cooling strategy ns—non-significant.
3.3. Tensile Test
Table 3 displays, for the particular samples, the ultimate tensile strength (UTS), an offset yield strength of 0.2%, and their average values (AVG) and standard deviations (SD).
Table 3.
Tensile properties of samples with and their average values and standard deviations.
The UTS and YS0.2 show an increasing trend in the case of deposition without applying an interpass temperature. Deposits produced without an interpass temperature exhibit, on average, an 8.5% higher UTS and an up-to 19.2% higher YS0.2. During deposition, these components reach higher temperatures, leading to prolonged cooling within the temperature range necessary for the precipitation of strengthening phases. This process increases the content of strengthening phases, which subsequently contributes to the improvement of the strength characteristics of the produced components.
However, it is essential to note that one section extracted from the interpass temperature component exhibited a lower YS0.2 value, which could be attributed to an internal component defect, potentially impacting the results.
This finding is inconsistent with the results of authors [25,36], who determined that the application of the interpass temperature and the reduction in the heat input lead to improved mechanical properties in components produced using WAAM technology. The discrepancy in results may be due to the different types of filler material examined.
All values related to the tensile properties of the deposited overlay weld walls showed a normal distribution. T-test statistical analysis confirmed the significance between both cooling strategies in terms of UTS and YS0.2 (Figure 12 and Figure 13).
Figure 12.
T-Test of the UTS of the component with respect to the cooling strategy; **** p ≤ 0.0001.
Figure 13.
T-Test of the YS0.2 of the component with respect to the cooling strategy; * p ≤ 0.05.
3.4. Charpy Impact Test
Impact energy values (KV) obtained by the Charpy impact test are presented in Table 4. In the case of samples one to three without an applied interpass temperature, non-significant differences in KV values were observed. For this reason, the SD value is also low. It can be assumed that the toughness of a component made without the application of an interpass temperature does not change with its height. On the other hand, the samples made with an applied interpass temperature had an almost identical average value of KV, but the SD was more than four times higher. The lowest KV value was achieved by sample one, which had a notch in 1/3 of the component’s height. On the contrary, the highest value was achieved by sample three, with a notch situated in 2/3 of the component height. It is possible to assume that this fact is related to a greater accumulation of heat in the lower layers of the component, which results in more intense precipitation of the strengthening or brittle phases.
Table 4.
Impact energy, average impact energy and standard deviation of samples.
Contrary to the tensile strength test, the difference in impact energy was minimal; the sample fabricated by applying interpass temperature achieved only a 3.1% greater average impact energy.
Statistical analysis of the impact energy did not confirm the significance between the components made with and without the application of interpass temperature (Figure 14).
Figure 14.
T-test of the impact energy of the component with respect to the cooling strategy; ns—non-significant.
Currently, there is a lack of scientific studies addressing the impact of applying interpass temperatures on the resulting impact energy of components produced using WAAM technology. However, the most significant effect on impact energy in Inconel is caused by the Laves phase, which is characterized by its embrittling effect. One of the most commonly used methods to eliminate this phase and increase impact energy is solution annealing [37].
3.5. Transmission Electron Microscopy
Transmission electron microscopy made it possible to detect and precisely determine the phases occurring in the individual walls. From a theoretical point of view, the occurrence of the following phases such as γ, strengthening phases γ′ and γ″, carbides MC, M6C, M23C6, δ-phase, σ-phase, Laves phase, and η-phase were assumed.
Figure 15 shows the microstructure of the samples with and w/o interpass temperature observed by TEM. The microstructure of both samples was formed by dendrites of the γ phase. Figure 15a shows the interdendritic space with a Chinese script morphology, indicating the probable presence of carbide. In the case of Figure 15b, it can be assumed that the interdendritic space is not monophasic but consists of several phases.
Figure 15.
Interdendritic regions (a) interpass temperature 100 °C (b) w/o interpass temperature.
Figure 16a shows the interdentritic space with needle-like morphology. By solving the diffraction pattern (Figure 16c), the δ-phase was identified. Observing in a dark field (Figure 16b) revealed the entire interdendritic space was not highlighted. Based on this, it is possible to assume the presence of another phase in the interdendritic space.
Figure 16.
Detail of δ-phase in interdendritic region (interpass 100 °C) (a) bright field (b) dark field—reflection (201) was used—(c) diffraction pattern.
An interdendritic space with a Chinese script morphology was observed repeatedly (Figure 17a). Electron diffraction (Figure 17c) confirmed it to be the M6C carbide.
Figure 17.
Detail of M6C carbide in interdendritic region (interpass 100 °C) (a) bright field (b) dark field—reflection (044) was used—(c) diffraction pattern.
Figure 18 documents a particle precipitated along the dendrite boundary. By solving the diffraction spectrum (Figure 18c), the presence of the Laves phase was confirmed. The presence of the Laves phase can affect the mechanical properties. In our case, its occurrence was observed only rarely.
Figure 18.
Detail of Laves phase at dendritic boundaries (interpass 100 °C) (a) bright field (b) dark field—reflection (110) was used—(c) diffraction pattern.
Figure 19 documents the presence of particles precipitated at dendrite boundaries. By electron diffraction (Figure 19c), these particles were identified as M23C6 carbides. On the other hand, strengthening phases inside the dendrite were not observed.
Figure 19.
Detail of M23C6 carbide on dendrite boundaries (interpass 100 °C) (a) bright field (b) dark field—reflection (242) was used—(c) diffraction pattern.
Whereas the M23C6 carbides (Figure 19) and δ-phase were observed at the dendrite boundaries, the MC carbide (Figure 20) was observed inside the dendrite. MC carbide has regular morphology.
Figure 20.
Detail of MC carbide inside the dendrite (interpass 100 °C) (a) bright field (b) diffraction pattern.
Strengthening phases of γ′ in the matrix were occasionally observed. Strengthening phase γ′ (Figure 21) with quasi-globular morphology was found in the sample with an interpass temperature.
Figure 21.
Detail of strengthening phases γ′ + matrix γ phase (interpass 100 °C) (a) bright field (b) dark field—reflection (100) was used—(c) diffraction pattern.
A strengthening γ″ phase with disk-like morphology was observed in the case of both components made with and without an interpass temperature (Figure 22). The strengthening phases γ′/γ″ occurred to a greater extent in the lower part of the components. This could be caused by the accumulation of heat in the lower part of the component due to the gradual formation of individual layers.
Figure 22.
Strengthening γ″ phase + matrix γ phase (w/o interpass) (a) bright field (b) dark field—reflection () was used—(c) diffraction pattern.
As already mentioned, both components were formed by the dendritic structure of the γ phase. In the case when the matrix was not strengthened by one of the strengthening phases (γ′/γ″), dislocations were observed in the matrix (Figure 23). On the other hand, if the strengthening phases were precipitated in the matrix, dislocations in the matrix were not observed. We assume that dislocation annihilation occurs before the precipitation of the strengthening phases itself.
Figure 23.
Dislocation in the matrix (sample w/o interpass).
Table 5 summarizes the identified phases in components manufactured with and without the application of interpass temperature. In the case of the component without applying the interpass temperature, the Laves phase, which may have an embrittlement effect, was not confirmed.
Table 5.
Confirmed phases by TEM.
4. Discussion
The microstructure of the components was formed by a columnar dendritic structure, while the orientation of the dendrites was in the direction of the height of the component. Due to the application of individual layers, it was possible to observe annealed areas characterized by softened dendrites. At the edges of the manufactured components, a change in the orientation of the dendrites was observed, which were no longer oriented in the direction of the height of the component but in the direction of the greatest heat dissipation—to the edge parts of the components. The same character of the microstructure was also observed in the studies of other authors [38,39,40].
Components made without applying the interpass temperature were characterized by the highest UTS and YS0.2. During overlaying, these components reached higher temperatures, which led to longer cooling in the range of temperatures necessary for the precipitation of strengthening phases. This process increases the content of strengthening phases, which subsequently contributes to the improvement of the strength characteristics of the manufactured components. Conversely, applying the interpass temperature resulted in a lower UTS and YS0.2. This finding does not correspond to the results of the authors [23,25], who, in their studies, investigated the effect of heat input and interpass temperature on the final mechanical properties of the produced deposits. The authors [25] found that the application of an interpass temperature of 100 °C and the reduction in the heat input led to an increase in the mechanical properties of the components produced by WAAM technology. The reason for the different results may be the different types of Inconel 625 filler material investigated.
TEM analysis confirmed the presence of strengthening phases γ′ and γ″ that precipitated in the matrix. The γ′ phase was characterized by a quasi-globular morphology and was observed only in the component with the applied interpass temperature. The γ″ phase was observed in the component made without applying the interpass temperature. From the point of view of morphology, this phase was characterized by a disk-like shape, which could contribute to the achievement of higher mechanical properties of the component. On the other hand, the increased density of dislocations in the dendrites, where precipitation of strengthening phases did not occur, could have contributed to the increase in mechanical properties.
The interdendritic space of both components was mainly formed by the δ phase and carbides. M6C, M23C6, and MC carbides (TiC, NbC) were identified in the component made with the application of interpass temperature. The exact determination of MC carbides is problematic due to their almost identical interplanar spaces dhkl. EDX analysis would be necessary to accurately determine the MC carbides. The Laves phase was observed sporadically at dendrite boundaries.
Bhujangrao et al. [41] studied the microstructure of a component made of Inconel 718 alloy by WAAM using Plasma Arc Welding (PAW) technology. They concluded that the interdendritic space is formed by MC carbides and the Laves phase, which are formed in the material under non-equilibrium cooling conditions. The presence of the delta phase was also identified by X-ray diffraction. The authors [42] also used the same technology (PAW) and material, while X-ray diffraction identified the presence of Laves phase and MC carbides. The discrepancy with our results could be caused by the use of the MIG CMT welding mode, which is characterized by a lower heat input.
The presence of secondary phases in the microstructure depends on the height (1, 3, 6, 9, and 12 mm) of the deposit investigated by Jang et al. [43]. In the experiment, they used the CMT welding method and IN718 filler wire. The Laves phase was confirmed in the interdendritic space at all heights. At the height of 3, 6, 9, and 12 mm, an δ phase with needle-like morphology was confirmed in the interdendritic space together with the Laves phase. The strengthening phases γ′ and γ″ were observed only at distances of 3 and 6 mm above the substrate. The reason for the absence of strengthening phases just above the substrate was the large heat dissipation into the substrate. On the other hand, the strengthening phase was not observed in the upper parts of the deposit. Also, in our case, the strengthening phases were observed to a greater extent in the lower parts of both manufactured components.
5. Conclusions
In this study, the influence of the application of interpass temperature on the mechanical and microstructural properties of components made by the Inconel 718 alloy was investigated using WAAM technology using the CMT process. Based on the accomplished investigations, the following conclusions can be made:
- The manufactured components are characterized by a microstructure composed of columnar dendrites, which form as the metal solidifies during deposition. Applying interpass temperature did not change the type of microstructure in the manufactured components.
- The application of the interpass temperature had no effect on the resulting microhardness of the manufactured components, as it was only 1.5% higher on average than that of components made without the interpass temperature. From the statistical evaluation point of view, this difference was considered non-significant.
- Components deposited without applying the interpass temperature achieved a higher UTS of up to 8.5% and YS0.2 of up to 19.2%. This is due to the increased quantity of strengthening phases.
- Applying interpass temperature increases the impact energy of the manufactured components by only 3.1%, which was not found to be statistically significant.
- TEM analysis confirmed the presence of strengthening phases γ′/γ″ in both components; however, the component produced without applying interpass temperature exhibited a higher amount of the γ″ phase. This is due to the longer duration of the component’s exposure to the temperature range where this phase precipitates.
Author Contributions
Conceptualization M.M. and F.S.; methodology, M.M.; validation, M.M., F.S. and J.B.; formal analysis, K.B., M.P. and J.U.; investigation, M.M. and M.P.; data analysis, F.S., K.B., M.D. and M.P.; typing—initial draft preparation, M.M. and F.S.; typing—review and editing, F.S.; visualization, J.B. and J.U.; supervision, M.M.; project administration, F.S. All authors have read and agreed to the published version of the manuscript.
Funding
This work was supported by the Slovak Research and Development Agency under the contract No. APVV-20-0259.
Data Availability Statement
The data presented in this study are available upon request from the appropriate author.
Conflicts of Interest
The authors declare no conflicts of interest.
References
- Raut, L.P.; Taiwade, R.V. Wire Arc Additive Manufacturing: A Comprehensive Review and Research Directions. J. Mater. Eng. Perform. 2021, 30, 4768–4791. [Google Scholar] [CrossRef]
- Singh, S.; Sharma, S.K.; Rathod, D.W. A review on process planning strategies and challenges of WAAM. Mater. Today Proc. 2020, 47, 6564–6575. [Google Scholar] [CrossRef]
- Liu, D.; Lee, B.; Babkin, A.; Chang, Y. Research Progress of Arc Additive Manufacture Technology. Materials 2021, 14, 1415. [Google Scholar] [CrossRef]
- Tomar, B.; Shiva, S.; Nath, T. A review on wire arc additive manufacturing: Processing parameters, defects, quality improvement and recent advances. Mater. Today Commun. 2022, 31, 103739. [Google Scholar] [CrossRef]
- Dhinakaran, V.; Ajith, J.; Fathima Yasin Fahmidha, A.; Jagadeesha, T.; Sathish, T.; Stalin, B. Wire Arc Additive Manufacturing (WAAM) process of nickel based superalloys—A review. Mater. Today Proc. 2020, 21, 920–925. [Google Scholar] [CrossRef]
- Wu, B.; Pan, Z.; Ding, D.; Cuiuri, D.; Li, H.; Xu, J.; Norrish, J. A review of the wire arc additive manufacturing of metals: Properties, defects and quality improvement. J. Manuf. Process. 2018, 35, 127–139. [Google Scholar] [CrossRef]
- Derekar, K.S. A review of wire arc additive manufacturing and advances in wire arc additive manufacturing of aluminium. Mater. Sci. Technol. 2018, 34, 1121. [Google Scholar] [CrossRef]
- Rodrigues, T.A.; Duarte, V.; Miranda, R.M.; Santos, T.G.; Oliveira, J.P. Current Status and Perspectives on Wire and Arc Additive Manufacturing (WAAM). Materials 2019, 12, 1121. [Google Scholar] [CrossRef]
- Langelandsvik, G.; Horgar, A.; Furu, T.; Roven, H.J.; Akselsen, O.M. Comparative study of eutectic Al-Si alloys manufactured by WAAM and casting. Int. J. Adv. Manuf. Technol. 2020, 110, 935–947. [Google Scholar] [CrossRef]
- Wang, Y.; Chen, X.; Su, C. Microstructure and mechanical properties of Inconel 625 fabricated by wire-arc additive manufacturing. Surf. Coat. Technol. 2019, 35, 475–485. [Google Scholar] [CrossRef]
- Guo, Y.; Han, Q.; Hu, J.; Yang, X.; Mao, P.; Wang, J.; Sun, S.; He, Z.; Lu, J.; Liu, C. Comparative Study on Wire-Arc Additive Manufacturing and Conventional Casting of Al–Si Alloys: Porosity, Microstructure and Mechanical Property. Acta Metall. Sin. (Engl. Lett.) 2022, 35, 475–485. [Google Scholar] [CrossRef]
- DuPont, J.N.; Lippold, J.C.; Kiser, S.D. Welding Metallurgy and Weldability of Nickel-Base Alloys; John Wiley & Sons: Hoboken, NJ, USA, 2009; ISBN 978-0-470-08714-5. [Google Scholar]
- Devillez, A.; Le Coz, G.; Dominiak, S.; Dudzinski, D. Dry machining of Inconel 718, workpiece surface integrity. J. Mater. Process. Technol. 2011, 211, 1590–1598. [Google Scholar] [CrossRef]
- Rout, I.S.; Pal Pandian, P. Selection of cutting parameters for the machinability of Inconel 718 using Grey Relational Analysis. MATEC Web Conf. 2018, 172, 04004. [Google Scholar] [CrossRef][Green Version]
- Chen, C.; Sun, G.; Du, W.; Liu, J.; Zhang, H. Effect of equivalent heat input on WAAM Al-Si alloy. Int. J. Mech. Sci. 2023, 238, 107831. [Google Scholar] [CrossRef]
- Vora, J.; Pandey, R.; Dodiya, P.; Patel, V.; Khanna, S.; Vaghasia, V.; Chaudhari, R. Fabrication of Multi-Walled Structure through Parametric Study of Bead Geometries of GMAW-Based WAAM Process of SS309L. Materials 2023, 16, 5147. [Google Scholar] [CrossRef]
- Henckell, P.; Gierth, M.; Ali, Y.; Reimann, J.; Bergmann, J.P. Reduction of Energy Input in Wire Arc Additive Manufacturing (WAAM) with Gas Metal Arc Welding (GMAW). Materials 2020, 13, 2491. [Google Scholar] [CrossRef]
- Zeng, J.; Nie, W.; Li, X. The Influence of Heat Input on the Surface Quality of Wire and Arc Additive Manufacturing. Appl. Sci. 2021, 11, 10201. [Google Scholar] [CrossRef]
- Rodriguez, N.; Vázquez, L.; Huarte, I.; Arruti, E.; Tabernero, I.; Alvarez, P. Wire and arc additive manufacturing: A comparison between CMT and TopTIG processes applied to stainless steel. Weld World 2018, 62, 1083–1096. [Google Scholar] [CrossRef]
- Selvi, S.; Vishvaksenan, A.; Rajasekar, E. Cold metal transfer (CMT) technology—An overview. Def. Technol. 2018, 14, 28–44. [Google Scholar] [CrossRef]
- Srinivasan, D.; Sevvel, P.; John Solomon, I.; Tanushkumaar, P. A review on Cold Metal Transfer (CMT) technology of welding. Mater. Today Proc. 2022, 64, 108–115. [Google Scholar] [CrossRef]
- Hackenhaar, W.; Mazzaferro, J.A.E.; Mazzaferro, C.C.P.; Grossi, N.; Campatelli, G. Effects of different WAAM current deposition modes on the mechanical properties of AISI H13 tool steel. Weld World 2022, 66, 2259–2269. [Google Scholar] [CrossRef]
- Wu, B.; Pan, Z.; Ding, D.; Cuiuri, D.; Li, H.; Fei, Z. The effects of forced interpass cooling on the material properties of wire arc additively manufactured Ti6Al4V alloy. J. Mater. Process. Technol. 2018, 258, 97–105. [Google Scholar] [CrossRef]
- Chen, W.; Chen, Y.; Zhang, T.; Wen, T.; Yin, Z.; Feng, X. Effect of Ultrasonic Vibration and Interpass Temperature on Microstructure and Mechanical Properties of Cu-8Al-2Ni-2Fe-2Mn Alloy Fabricated by Wire Arc Additive Manufacturing. Metals 2020, 10, 215. [Google Scholar] [CrossRef]
- Zhang, C.; Qiu, Z.; Zhu, H.; Wang, Z.; Muránsky, O.; Ionescu, M.; Pan, Z.; Xi, J.; Li, H. On the Effect of Heat Input and Interpass Temperature on the Performance of Inconel 625 Alloy Deposited Using Wire Arc Additive Manufacturing–Cold Metal Transfer Process. Metals 2022, 12, 46. [Google Scholar] [CrossRef]
- Zhai, W.; Wu, N.; Zhou, W. Effect of Interpass Temperature on Wire Arc Additive Manufacturing Using High-Strength Metal-Cored Wire. Metals 2022, 12, 212. [Google Scholar] [CrossRef]
- Shen, C.; Pan, Z.; Cuiuri, D.; Ding, D.; Li, H. Influences of deposition current and interpass temperature to the Fe3Al-based iron aluminide fabricated using wire-arc additive manufacturing process. Int. J. Adv. Manuf. Technol. 2017, 88, 2009–2018. [Google Scholar] [CrossRef]
- Dash, A.; Squires, L.; Avila, J.D.; Bose, S.; Bandyopadhyay, A. Influence of active cooling on microstructure and mechanical properties of wire arc additively manufactured mild steel. Front. Mech. Eng. 2023, 9, 1130407. [Google Scholar] [CrossRef]
- Tonelli, L.; Sola, R.; Laghi, V.; Palermo, M.; Trombetti, T.; Ceschini, L. Influence of Interlayer Forced Air Cooling on Microstructure and Mechanical Properties of Wire Arc Additively Manufactured 304L Austenitic Stainless Steel. Steel Res. Int. 2021, 92, 2100175. [Google Scholar] [CrossRef]
- Gurčík, T.; Kovanda, K. Waam technology optimized by off-line 3d robot simulation. Acta Polytech. 2019, 59, 312–321. [Google Scholar] [CrossRef]
- Thomas, D.S.; Gilbert, S.W. Costs and Cost Effectiveness of Additive Manufacturing. NIST Spec. Publ. 2014, 1176, 12. Available online: https://nvlpubs.nist.gov/nistpubs/SpecialPublications/NIST.SP.1176.pdf (accessed on 21 August 2024).
- Caliari, F.R.; Guimaraes, N.M.; Reis, D.A.P.; Couto, A.A.; De Moura Neto, C.; Candioto, K.C.G. Study of the secondary phases in Inconel 718 aged superalloy using thermodynamics modeling. Key Eng. Mater. 2013, 553, 23–28. [Google Scholar] [CrossRef]
- EN 10204; Metallic Products-Types of Inspection Documents. Technical Committee ECISS/TC 9 IBN. CEN-CENELEC Management Centre: Brussels, Belgium, 2004.
- ISO 6892-1; Metallic Materials—Tensile Testing—Part 1: Method of Test at Room Temperature. International Organization for Standardization: Geneva, Switzerland, 2019.
- ISO 148-1; Metallic Materials—Charpy Pendulum Impact Test—Part 1: Test Method. International Organization for Standardization: Geneva, Switzerland, 2016.
- Wu, B.; Pan, Z.; Ding, D.; Cuiuri, D.; Li, H. Effects of heat accumulation on microstructure and mechanical properties of Ti6Al4V alloy deposited by wire arc additive manufacturing. Addit. Manuf. 2018, 23, 151–160. [Google Scholar] [CrossRef]
- Kindermann, R.M.; Roy, M.J.; Morana, R.; Prangnell, P.B. Process response of Inconel 718 to wire + arc additive manufacturing with cold metal transfer. Mater. Des. 2020, 195, 109031. [Google Scholar] [CrossRef]
- Tanvir, A.N.M.; Ahsan, R.; Ji, C.; Hawkins, W.; Bates, B.; Kim, D.B. Heat treatment effects on Inconel 625 components fabricated by wire + arc additive manufacturing (WAAM)—Part 1: Microstructural characterization. Int. J. Adv. Manuf. Technol. 2019, 103, 3785–3798. [Google Scholar] [CrossRef]
- Mansoor, O.; Jetly, M.; Wahdatullah, N.; Harshavardhana, D.N. Wire Arc Additive Manufacturing (WAAM) of Inconel 625 Alloy and its Microstructure and Mechanical Properties. Int. Res. J. Eng. Technol. 2021, 8, 1517–1528. [Google Scholar]
- Laghi, V.; Palermo, M.; Tonelli, L.; Gasparini, G.; Ceschini, L.; Trombetti, T. Tensile properties and microstructural features of 304L austenitic stainless steel produced by wire-and-arc additive manufacturing. Int. J. Adv. Manuf. Technol. 2020, 106, 3693–3705. [Google Scholar] [CrossRef]
- Bhujangrao, T.; Veiga, F.; Suárez, A.; Iriondo, E.; Franck, G.M. High-temperature mechanical properties of IN718 alloy: Comparison of additive manufactured and wrought samples. Crystals 2020, 10, 689. [Google Scholar] [CrossRef]
- Artaza, T.; Bhujangrao, T.; Suárez, A.; Veiga, F.; Lamikiz, A. Influence of Heat Input on the Formation of Laves Phases and Hot Cracking in Plasma Arc Welding (PAW) Additive Manufacturing of Inconel 718. Metals 2020, 10, 771. [Google Scholar] [CrossRef]
- Jang, J.; Van, D.; Le, S.H. Precipitation kinetics of secondary phases induced by heat accumulation in the deposit of Inconel 718. Addit. Manuf. 2022, 55, 102831. [Google Scholar] [CrossRef]
Disclaimer/Publisher’s Note: The statements, opinions and data contained in all publications are solely those of the individual author(s) and contributor(s) and not of MDPI and/or the editor(s). MDPI and/or the editor(s) disclaim responsibility for any injury to people or property resulting from any ideas, methods, instructions or products referred to in the content. |
© 2024 by the authors. Licensee MDPI, Basel, Switzerland. This article is an open access article distributed under the terms and conditions of the Creative Commons Attribution (CC BY) license (https://creativecommons.org/licenses/by/4.0/).






















