Temperature Dependency of Modified Mohr–Coulomb Criterion Parameters for Advanced High Strength Dual-Phase Steel DP780
Abstract
1. Introduction
2. MMC Model
3. Experiments
3.1. Material
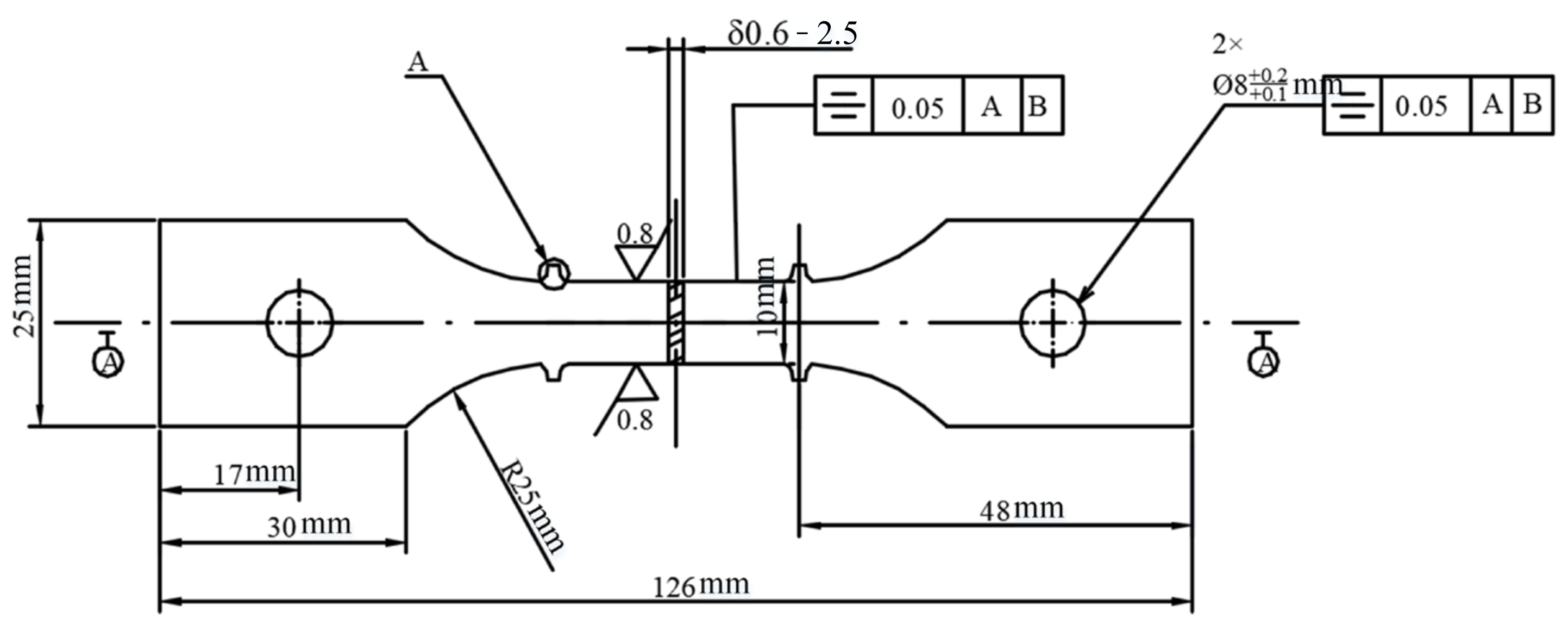
3.2. Uniaxial Tensile Test
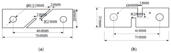
3.3. Shear Test
4. MMC Model Parameters Calibration
4.1. Parameters Calibration
4.2. Simulation Verification
4.3. MMC Criterion Parameters versus Temperature
5. Stretch-Bending Tests and Simulation
5.1. Stretch-Bending Tests
5.2. Stretch-Bending Simulation Verification
6. Conclusions
- The parameters of the MMC criterion at different temperatures were calibrated by combining the numerical results of the DP780 shear test with experimental data;
- By fitting the correlation curves of the MMC criterion parameters c1, c2, and c3 with the temperature, the law of the criterion parameters changing with temperature in the temperature range of 298 K~873 K was determined, and the expression of the MMC criterion considering the effect of temperature was established.
Author Contributions
Funding
Data Availability Statement
Conflicts of Interest
References
- Lian, J.; Sharaf, M.; Archie, F.; Münstermann, S. A hybrid approach for modelling of plasticity and failure behaviour of advanced high-strength steel sheets. Int. J. Damage Mech. 2013, 22, 188–218. [Google Scholar] [CrossRef]
- Jin, X.; Gong, Y.; Han, X. Research status and Prospect of Advanced Thermoforming Automotive Steel Manufacturing and Application. Acta Met. Sin. 2019, 56, 411–428. (In Chinese) [Google Scholar]
- Wang, S.; Yu, H.; Chen, M. Comparative analysis of B-column hot-forming Technology for Automobile. J. Plast. Eng. 2019, 26, 70–76. (In Chinese) [Google Scholar]
- Fu, Q. Research on Failure Stress Type Criterion of Advanced High Strength Duplex Steel Sheet Forming; Shandong University of Science and Technology: Zibo, China, 2023. (In Chinese) [Google Scholar]
- Li, S.; He, J.; Gu, B.; Zeng, D.; Xia, Z.C.; Zhao, Y.; Lin, Z. Anisotropic fracture of advanced high strength steel sheets: Experiment and theory. Int. J. Plast. 2018, 103, 95–118. [Google Scholar] [CrossRef]
- Li, Y.; Luo, M.; Gerlach, J.; Wierzbicki, T. Prediction of shear-induced fracture in sheet metal forming. J. Mater. Process. Technol. 2010, 210, 1858–1869. [Google Scholar] [CrossRef]
- Bai, Y.; Wierzbicki, T. A new model of metal plasticity and fracture with pressure and Lode dependence. Int. J. Plast. 2008, 24, 1071–1096. [Google Scholar] [CrossRef]
- Bai, Y.; Wierzbicki, T. Application of extended Mohr-Coulomb criterion to ductile fracture. Int. J. Fract. 2010, 161, 1–20. [Google Scholar] [CrossRef]
- Bai, Y.; Wierzbicki, T. A comparative study of three groups of ductile fracture loci in the 3D space. Eng. Fract. Mech. 2015, 135, 147–167. [Google Scholar] [CrossRef]
- Ji, C.; Li, Z.; Liu, J. Development of an improved MMC-based fracture criterion characterizing the anisotropic and strain rate-dependent behavior of 6061-T5 aluminum alloy. Mech. Mater. 2020, 150, 103598. [Google Scholar] [CrossRef]
- Granum, H.; Morin, D.; Børvik, T.; Hopperstad, O.S. Calibration of the modified Mohr-Coulomb fracture model by use of localization analyses for three tempers of an AA6016 aluminium alloy. Int. J. Mech. Sci. 2021, 192, 106122. [Google Scholar] [CrossRef]
- Luo, M.; Wierzbicki, T. Numerical failure analysis of a stretch-bending test on dual-phase steel sheets using a phenomenological fracture model. Int. J. Solids Struct. 2010, 47, 3084–3102. [Google Scholar] [CrossRef]
- Pack, K.; Luo, M.; Wierzbicki, T. Sandia Fracture Challenge: Blind prediction and full calibration to enhance fracture predictability. Int. J. Fract. 2014, 186, 155–175. [Google Scholar] [CrossRef]
- Dunand, M.; Mohr, D. On the predictive capabilities of the shear modified Gurson and the modified Mohr–Coulomb fracture models over a wide range of stress triaxialities and Lode angles. J. Mech. Phys. Solids 2011, 59, 1374–1394. [Google Scholar] [CrossRef]
- Huang, G.; Zhu, H.; Sriram, S.; Chen, Y.; Xia, Z.C.; Faruque, O. Fracture Prediction and Correlation of AlSi Hot Stamped Steels with Different Models in LS DYNA. In Proceedings of the 13th International LS-DYNA Users Conference, Detroit, MI, USA, 8 June 2014. [Google Scholar]
- Lou, Y.; Huh, H. Prediction of ductile fracture for advanced high strength steel with a new criterion: Experiments and simulation. J. Mater. Process. Technol. 2013, 213, 1284–1302. [Google Scholar] [CrossRef]
- GB/T4338-2006; Metallic Materials High Temperature Tensile Test Method. General Administration of Quality Supervision, Inspection and Quarantine of the People’s Republic of China, Standardization Administration of China: Beijing, China, 2006. (In Chinese)























| Steel | C | Si | Mn | P | S | Alt | 
|---|---|---|---|---|---|---|
| DP780 | 0.1 | 0.16 | 2.00 | 0.014 | 0.001 | 0.030 | 
| 298 K | 473 K | 573 K | 673 K | 773 K | 873 K | |
|---|---|---|---|---|---|---|
| K | 1305 | 1700 | 1518 | 1015 | 456.6 | 257.6 | 
| n | 0.14 | 0.21 | 0.16 | 0.116 | 0.076 | 0.069 | 
| a1 | b1 | m1 | a2 | b2 | m2 | a3 | b3 | 
|---|---|---|---|---|---|---|---|
| 0.1722 | 8.76736 × 10−6 | 101.47857 | 801.40495 | −29.21815 | 284.30263 | 2.26763 × 10−5 | 0.96616 | 
| Punch Fillet Radius Rp (mm) | Test Press Depth d1 (mm) | Simulation of Stamping Depth d2 (mm) | Error | 
|---|---|---|---|
| 1 | 8.7 | 9.2 | 5.7% | 
| 5 | 10.8 | 9.9 | 8.3% | 
| 10 | 12.4 | 11.7 | 5.6% | 
| Disclaimer/Publisher’s Note: The statements, opinions and data contained in all publications are solely those of the individual author(s) and contributor(s) and not of MDPI and/or the editor(s). MDPI and/or the editor(s) disclaim responsibility for any injury to people or property resulting from any ideas, methods, instructions or products referred to in the content. | 
© 2024 by the authors. Licensee MDPI, Basel, Switzerland. This article is an open access article distributed under the terms and conditions of the Creative Commons Attribution (CC BY) license (https://creativecommons.org/licenses/by/4.0/).
Share and Cite
Li, Y.; Li, D.; Song, H.; Wang, Y.; Wu, D. Temperature Dependency of Modified Mohr–Coulomb Criterion Parameters for Advanced High Strength Dual-Phase Steel DP780. Metals 2024, 14, 721. https://doi.org/10.3390/met14060721
Li Y, Li D, Song H, Wang Y, Wu D. Temperature Dependency of Modified Mohr–Coulomb Criterion Parameters for Advanced High Strength Dual-Phase Steel DP780. Metals. 2024; 14(6):721. https://doi.org/10.3390/met14060721
Chicago/Turabian StyleLi, Yukuan, Di Li, Hui Song, Yiqun Wang, and Dongze Wu. 2024. "Temperature Dependency of Modified Mohr–Coulomb Criterion Parameters for Advanced High Strength Dual-Phase Steel DP780" Metals 14, no. 6: 721. https://doi.org/10.3390/met14060721
APA StyleLi, Y., Li, D., Song, H., Wang, Y., & Wu, D. (2024). Temperature Dependency of Modified Mohr–Coulomb Criterion Parameters for Advanced High Strength Dual-Phase Steel DP780. Metals, 14(6), 721. https://doi.org/10.3390/met14060721
 
        

 
       