Low-Cycle Corrosion Fatigue Deformation Mechanism for an α+β Ti-6Al-4V-0.55Fe Alloy
Abstract
1. Introduction
2. Materials and Methods
2.1. Material
2.2. Low-Cycle and Corrosion Fatigue Tests
2.3. Microstructure and Morphology Characterization
3. Results
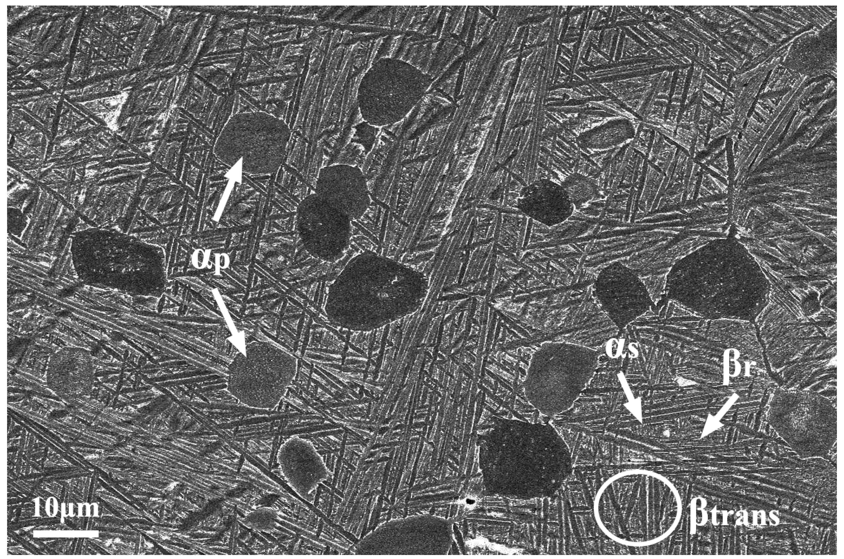
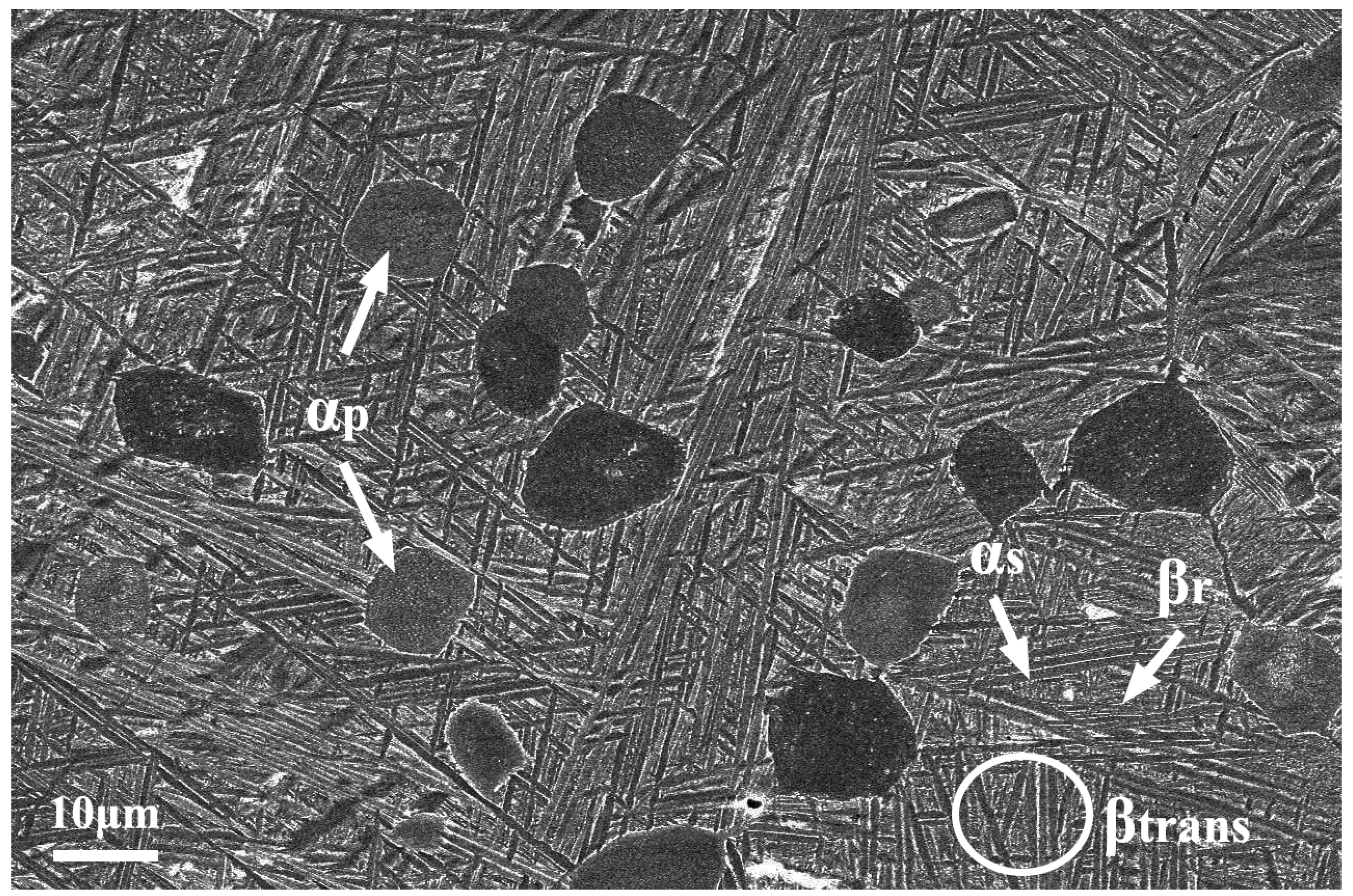
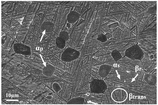
3.1. Initial Microstructure
3.2. Fatigue Life
3.3. Fracture Characteristics
3.4. Dislocation Structures in Fatigued Samples in CS
4. Discussion
5. Conclusions
- (1)
- Under a low stress amplitude of 650 MPa, the corrosion fatigue mechanism of this alloy in 3.5% NaCl corrosion solution is determined by the superposition effects from fatigue damage and corrosion damage, shortening the fatigue life; under a high stress amplitude of 910 MPa, the corrosion fatigue of this alloy with a similar fatigue life is mainly dependent on the fatigue damage.
- (2)
- Under a low stress amplitude, together with the dislocation pile-ups, corrosion products and pitting induce the local stress concentration, accelerating fatigue crack initiation. Intergranular corrosion and crevice corrosion promote fatigue crack propagation.
- (3)
- Under a high stress amplitude, a broken passive film on the surface cannot be repaired in time. The local stress concentration induced by slips contributes to the fatigue crack initiation at the interface.
- (4)
- The corrosion solution also brings out more surface damage under a low stress amplitude, improving fatigue cracks.
Author Contributions
Funding
Institutional Review Board Statement
Informed Consent Statement
Data Availability Statement
Conflicts of Interest
References
- Sun, C.; Li, Y.; Xu, K.; Xu, B. Effects of intermittent loading time and stress ratio on dwell fatigue behavior of titanium alloy Ti-6Al-4V ELI used in deep-sea submersibles. J. Mater. Sci. Technol. 2021, 77, 223–236. [Google Scholar] [CrossRef]
- Boyer, R.R.; Briggs, R.D. The use of β titanium alloys in the aerospace industry. J. Mater. Eng. Perform. 2013, 22, 2916–2920. [Google Scholar] [CrossRef]
- Haigh, B.P. Experiments on the fatigue of brasses. J. Inst. Met. 1917, 18, 55–77. [Google Scholar]
- Behvar, A.; Haghshenas, M. A critical review on very high cycle corrosion fatigue: Mechanisms, methods, materials, and models. J. Space Saf. Eng. 2023, 10, 284–323. [Google Scholar] [CrossRef]
- Zheng, X.; Xu, C.; Zhang, B.; Cai, Y.; Zhou, X. Effect of corrosive environment and stress ratio on the fatigue crack growth behavior of titanium alloy. Mater. Today Commun. 2024, 39, 108732. [Google Scholar] [CrossRef]
- Yang, J.; Song, Y.; Dong, K.; Han, E. Research progress on the corrosion behavior of titanium alloys. Corros. Rev. 2023, 41, 5–20. [Google Scholar] [CrossRef]
- Pazhanivel, B.; Sathiya, P.; Muthuraman, K.; Sozhan, G. Influence of NaCl environment on stress corrosion cracking of additive manufactured Ti-6Al-4V alloy. Eng. Fail. Anal. 2021, 127, 105515. [Google Scholar] [CrossRef]
- Voiculescu, I.; Brito-Garcia, S.J.; González-Díaz, Ó.M.; Mirza-Rosca, J. Mechanical characteristics and corrosion behavior of two new titanium alloys. Metals 2023, 13, 1729. [Google Scholar] [CrossRef]
- Wang, X.; Zhu, S.; Yang, Z.; Wang, C.; Wang, N.; Zhang, Y.; Yu, F. Corrosion–resistance mechanism of TC4 titanium alloy under different stress-loading conditions. Materials 2022, 15, 4381. [Google Scholar] [CrossRef]
- Zhao, X.; Song, X.; Wang, R.; Wang, L.; Liu, Y.; Hu, J. Microstructure-dependent corrosion fatigue crack growth behavior of Ti-6Al-4V alloy in simulated body fluid. Eng. Fail. Anal. 2023, 148, 107184. [Google Scholar] [CrossRef]
- Ahn, S.; Jeong, D.; Kwon, Y.; Goto, M.; Sung, H.; Kim, S. Environmental fatigue crack propagation behavior of β-annealed Ti-6Al-4V alloy in NaCl solution under controlled potentials. Int. J. Fatigue 2018, 111, 186–195. [Google Scholar] [CrossRef]
- Jesus, J.S.; Borrego, L.P.; Ferreira, J.A.M.; Costa, J.D.; Capela, C. Fatigue crack growth under corrosive environments of Ti-6Al-4V specimens produced by SLM. Eng. Fail. Anal. 2020, 118, 104852. [Google Scholar] [CrossRef]
- Nie, B.; Song, Y.; Huang, X.; Qi, H.; Zhao, Z.; Chen, D. Low cycle fatigue behavior of TC21 titanium alloy with bi-lamellar basketweave microstructure. Crystals 2022, 12, 796. [Google Scholar] [CrossRef]
- Singh, N.; Gouthama; Singh, V. Low cycle fatigue behavior of Ti alloy IMI 834 at room temperature. Mater. Sci. Eng. A 2002, 325, 324–332. [Google Scholar] [CrossRef]
- Okazaki, Y.; Ito, Y.; Kyo, K.; Tateishi, T. Corrosion resistance and corrosion fatigue strength of new titanium alloys for medical implants without V and Al. Mater. Sci. Eng. A 1996, 213, 138–147. [Google Scholar] [CrossRef]
- Zavanelli, R.A.; Pessanha Henriques, G.E.; Ferreira, I.; de Almeida Rollo, J.M.D. Corrosion-fatigue life of commercially pure titanium and Ti-6Al-4V alloys in different storage environments. J. Prosthet. Dent. 2000, 84, 274–279. [Google Scholar] [CrossRef] [PubMed]
- Fleck, C.; Eifler, D. Corrosion, fatigue and corrosion fatigue behaviour of metal implant materials, especially titanium alloys. Int. J. Fatigue 2010, 32, 929–935. [Google Scholar] [CrossRef]
- Shi, H.; Liu, D.; Zhang, X.; Jia, T.; Zhao, W. Effect of pre-hot salt corrosion on hot salt corrosion fatigue behavior of the TC11 titanium alloy at 500 °C. Int. J. Fatigue 2022, 163, 107055. [Google Scholar] [CrossRef]
- Cremasco, A.; Lopes, E.S.N.; Cardoso, F.F.; Contieri, R.J.; Ferreira, I.; Caram, R. Effects of the microstructural characteristics of a metastable β Ti alloy on its corrosion fatigue properties. Int. J. Fatigue 2013, 54, 32–37. [Google Scholar] [CrossRef]
- Baragetti, S.; Arcieri, E.V. Corrosion fatigue behavior of Ti-6Al-4 V: Chemical and mechanical driving forces. Int. J. Fatigue 2018, 112, 301–307. [Google Scholar] [CrossRef]
- Bache, M. Fatigue and Fracture Evaluations in Ti-10V-2Fe-3Al (Ti 10-2-3). Metals 2023, 13, 1986. [Google Scholar] [CrossRef]
- Li, X.; Zhu, Q.; Liu, S.; Wang, C.; Li, F.; Chen, F.; Feng, L.; Wang, H.; Cheng, J.; Chang, H. Phase transformation behaviours and mechanical properties of Ti6Al4V-0.55Fe alloy during continuous cooling. Mater. Sci. Technol. 2022, 38, 1543–1553. [Google Scholar] [CrossRef]
- Chen, F.; Gu, Y.; Xu, G.; Cui, Y.; Chang, H.; Zhou, L. Improved fracture toughness by microalloying of Fe in Ti-6Al-4V. Mater. Des. 2020, 185, 108251. [Google Scholar] [CrossRef]
- Sun, Y.; Alexandrov, I.V.; Dong, Y.; Valiev, R.Z.; Chang, H.; Zhou, L. Optimized low-cycle fatigue behavior and fracture characteristics of Ti–6Al–4V alloy by Fe microalloying. J. Mater. Res. Technol. 2021, 15, 5277–5287. [Google Scholar] [CrossRef]
- Zhao, Y.; Yu, P.; Wu, L.; Zhang, X.; Wei, P.; Zhao, J. Corrosion-induced deceleration-to-acceleration of fatigue crack growth for deep-sea Ti6Al4V ELI titanium alloy. Eng. Fract. Mech. 2023, 281, 109160. [Google Scholar] [CrossRef]
- GB/T 3075-2021; Metallic Materials—Fatigue Testing—Axial Force-Controlled Method. Standards Press of China: Beijing, China, 2021.
- Ali, N.; Fulazzaky, M.A.; Mustapa, M.S.; Ghazali, M.I.; Ridha, M.; Sujitno, T. Assessment of fatigue and corrosion fatigue behaviours of the nitrogen ion implanted CpTi. Int. J. Fatigue 2014, 61, 184–190. [Google Scholar] [CrossRef]
- Tan, C.; Li, X.; Sun, Q.; Xiao, L.; Zhao, Y.; Sun, J. Effect of α-phase morphology on low-cycle fatigue behavior of TC21 alloy. Int. J. Fatigue 2015, 75, 1–9. [Google Scholar] [CrossRef]
- Ma, J.; Zhang, B.; Wang, J.; Wang, G.; Han, E.-H.; Ke, W. Anisotropic 3D growth of corrosion pits initiated at MnS inclusions for A537 steel during corrosion fatigue. Corros. Sci. 2010, 52, 2867–2877. [Google Scholar] [CrossRef]
- Wu, G.Q.; Shi, C.L.; Sha, W.; Sha, A.X.; Jiang, H.R. Microstructure and high cycle fatigue fracture surface of a Ti–5Al–5Mo–5V–1Cr–1Fe titanium alloy. Mater. Sci. Eng. A 2013, 575, 111–118. [Google Scholar] [CrossRef]
- Sterling, A.J.; Torries, B.; Shamsaei, N.; Thompson, S.M.; Seely, D.W. Fatigue behavior and failure mechanisms of direct laser deposited Ti–6Al–4V. Mater. Sci. Eng. A 2016, 655, 100–112. [Google Scholar] [CrossRef]
- Jiang, R.; Karpasitis, N.; Gao, N.; Reed, P.A.S. Effects of microstructures on fatigue crack initiation and short crack propagation at room temperature in an advanced disc superalloy. Mater. Sci. Eng. A 2015, 641, 148–159. [Google Scholar] [CrossRef]
- Lee, H.; Mall, S.; Allen, W.Y. Fretting fatigue behavior of shot-peened Ti–6Al–4V under seawater environment. Mater. Sci. Eng. A 2006, 420, 72–78. [Google Scholar] [CrossRef]
- Niinomi, M.; Saga, A.; Fukunaga, K.-I. Long crack growth behavior of implant material Ti–5Al–2.5Fe in air and simulated body environment related to microstructure. Int. J. Fatigue 2000, 22, 887–897. [Google Scholar] [CrossRef]
- Nakai, Y.; Kikuchi, S.; Osaki, K.; Kawabata, M.O.; Ameyama, K. Effects of rolling reduction and direction on fatigue crack propagation in commercially pure titanium with harmonic structure. Int. J. Fatigue 2021, 143, 106018. [Google Scholar] [CrossRef]
- Bologna, O.; Cecchel, S.; Cornacchia, G.; Avanzini, A.; Sepe, R.; Berto, F.; Razavi, N. Investigating post-processing impact on fatigue performance of LPBF Ti6Al4V with heat treatment, high pressure heat treatment, and dry electropolishing strategies. Int. J. Fatigue 2024, 185, 108365. [Google Scholar] [CrossRef]
- Huang, C.; Zhao, Y.; Xin, S.; Zhou, W.; Li, Q.; Zeng, W. Effect of microstructure on torsion properties of Ti–5Al–5Mo–5V–3Cr–1Zr alloy. Mater. Sci. Eng. A 2017, 682, 202–210. [Google Scholar] [CrossRef]
- Sen, M.; Suman, S.; Mukherjee, S.; Banerjee, T.; Sivaprasad, S.; Tarafder, S.; Bhattacharjee, A.; Kumar Kar, S. Low cycle fatigue behavior and deformation mechanism of different microstructures in Ti-5Al-5Mo-5V-3Cr alloy. Int. J. Fatigue 2021, 148, 106238. [Google Scholar] [CrossRef]
- Wang, Q.; Ren, J.Q.; Xin, C.; Jiang, P.; Zhang, L.; Liu, Q.T.; Wu, J.P. Low cycle fatigue behavior of near-alpha titanium alloys used in deep-driving submersible: Ti-6Al-3Nb-2Zr-1Mo vs. Ti-6Al-4V ELI. J. Alloys Compd. 2023, 934, 167856. [Google Scholar] [CrossRef]
- Xu, Z.; Huang, C.; Wan, M.; Tan, C.; Zhao, Y.; Ji, S.; Zeng, W. Influence of microstructure on strain controlled low cycle fatigue crack initiation and propagation of Ti-55531 alloy. Int. J. Fatigue 2022, 156, 106678. [Google Scholar] [CrossRef]
- Shi, H.; Liu, D.; Zhang, X.; Zhao, W.; Liu, Z.; Li, M.; He, Y. Effect of plasma electrolytic oxidation on the hot salt corrosion fatigue behavior of the TC17 titanium alloy. Mater. Corros. 2022, 73, 558–572. [Google Scholar] [CrossRef]
- Chen, Q.; Xu, Y.; Ma, A.; Zhang, L.; Zheng, Y. Study of the passivation and repassivation behavior of pure titanium in 3.5 wt% NaCl solution and 6 M HNO3 solution. Corros. Sci. 2023, 224, 111538. [Google Scholar] [CrossRef]
- Long, J.; Li, X.; Guo, B.; Wang, L.; Zhang, N. Catalytic delignification of sugarcane bagasse in the presence of acidic ionic liquids. Catal. Today 2013, 200, 99–105. [Google Scholar] [CrossRef]
- Li, Z.; Wang, J.; Dong, Y.; Xu, D.; Zhang, X.; Wu, J.; Gu, T.; Wang, F. Synergistic effect of chloride ion and Shewanella algae accelerates the corrosion of Ti-6Al-4V alloy. J. Mater. Sci. Technol. 2021, 71, 177–185. [Google Scholar] [CrossRef]
- Sato, N. Basics of corrosion chemistry. Green Corros. Chem. Eng. Oppor. Chall. 2011. [Google Scholar] [CrossRef]













Disclaimer/Publisher’s Note: The statements, opinions and data contained in all publications are solely those of the individual author(s) and contributor(s) and not of MDPI and/or the editor(s). MDPI and/or the editor(s) disclaim responsibility for any injury to people or property resulting from any ideas, methods, instructions or products referred to in the content. |
© 2024 by the authors. Licensee MDPI, Basel, Switzerland. This article is an open access article distributed under the terms and conditions of the Creative Commons Attribution (CC BY) license (https://creativecommons.org/licenses/by/4.0/).
Share and Cite
Sun, Y.; Qian, S.; Chang, H.; Feng, L.; Li, F.; Zhou, L. Low-Cycle Corrosion Fatigue Deformation Mechanism for an α+β Ti-6Al-4V-0.55Fe Alloy. Metals 2024, 14, 720. https://doi.org/10.3390/met14060720
Sun Y, Qian S, Chang H, Feng L, Li F, Zhou L. Low-Cycle Corrosion Fatigue Deformation Mechanism for an α+β Ti-6Al-4V-0.55Fe Alloy. Metals. 2024; 14(6):720. https://doi.org/10.3390/met14060720
Chicago/Turabian StyleSun, Yangyang, Shenwei Qian, Hui Chang, Liang Feng, Feng Li, and Lian Zhou. 2024. "Low-Cycle Corrosion Fatigue Deformation Mechanism for an α+β Ti-6Al-4V-0.55Fe Alloy" Metals 14, no. 6: 720. https://doi.org/10.3390/met14060720
APA StyleSun, Y., Qian, S., Chang, H., Feng, L., Li, F., & Zhou, L. (2024). Low-Cycle Corrosion Fatigue Deformation Mechanism for an α+β Ti-6Al-4V-0.55Fe Alloy. Metals, 14(6), 720. https://doi.org/10.3390/met14060720
