Abstract
In this work, the effects of cold rolling (CR) and cold rolling–cryogenic treatment (CR–CT) on the microstructure and mechanical properties of Fe–32Ni alloy were studied via optical microscopy methods, OM, SEM, XRD, TEM, tensile strength and hardness tester, and tensile testing. The results reveal the grain refinement in the alloy after rolling deformation. When the deformation is higher than 85%, the polygonal austenite grains become layered, and a small amount of martensite forms. Because of the inhibitory effect of cold-rolling deformation before cryogenic treatment on martensitic transformation, the amount of martensite form phase after cryogenic treatment decreases with the increase of deformation. The hardness and strength of the sample, independent of whether the cryogenic treatment is performed, increase with the increase of deformation degree. Under the same deformation rate, the hardness of the CR–CT sample is higher than that of the CR sample, which is related to the hard martensite phase with high dislocation density obtained during cryogenic treatment. The strain hardening behavior of the sample is greatly affected by the deformation degree. With the increase of true strain, the work hardening exponent of CR and CR–CT samples undergoing severe plastic deformation is lower than that at small deformation degree and low dislocation density, which is attributed to the earlier entanglement of high dislocations in CR and CR–CT samples with large deformation degrees.
1. Introduction
With the development of industrial society, the requirements for material properties are gradually increasing. In this respect, a great deal of attention from researchers is paid to the development of new-generation steel materials and to obtaining steel materials with high outstanding strength, high plasticity, and high low-temperature toughness [1,2]. It is well known that, based on the Hall–Petch relationship, grain boundaries can improve the deformation resistance of steel materials by hindering dislocation motion. With the decrease of grain size, the grain boundary density increases, which makes the deformation resistance of the material increase, resulting in a strengthening effect [3,4]. Cold rolling (CR) is an effective method by which to refine the grain and improve the yield strength of austenitic steel, which in turn enables the improvement of the mechanical properties of many metals. Ma et al. [5] have pointed out that, when the strain rate is 2 × 10−1 s−1, the yield strength and tensile strength of 120Mn13Mo steel increases with the increase of cold-rolling degree, while elongation shows a decreasing trend. With the increase of cold-rolling degree from 10% to 50%, the yield strength and tensile strength increase by 101% and 55%, respectively, while the elongation decreased by 84%. The hardening mechanism can be induced through the introduction of a dislocation structure and twin interface by rolling deformation so as to achieve the hardening effect [5,6,7]. Maxim et al. [8] carried out cold rolling of TiNbZr/(Ti,Nb)B metal matrix composites with different thickness strains. It was found that the strength of cold rolling increased by 17~35% according to the different thickness strains compared with the as-cast condition. For austenitic steels with low hardness, the strengthening degree can be controlled under specific cold rolling conditions. However, under high deformation, the formation of a shear deformation band will lead to plastic flow localization, which will cause the work hardening of the samples to disappear, and even make the sample fail in advance during tensile deformation [9,10]. In recent years, a variety of strong deformation processes, such as equal channel extrusion [11,12], accumulative roll bonding [13,14], and high-pressure torsion [15], have emerged. However, these methods are quite laborious and make it difficult to obtain large workpieces. Therefore, if the refinement of austenite grain can be combined with the subsequent phase transformation, a more refined structure can be achieved so as to improve the strength and toughness of the material.
Cryogenic treatment is based on the conventional cold treatment. It usually uses liquid nitrogen as the refrigerant, whereby the metal material is kept at a temperature as low as −196 °C for a certain time until its material structure is optimized, thereby improving the performance of the material [16,17]. The cryogenic treatment of H13 hot work die steel has revealed that the retained austenite transforms into martensite during the cryogenic treatment, and that a large number of dispersed carbides precipitate from the matrix, which is helpful to improve the hardness and thermal fatigue resistance of the material [18]. The yield limit of 51CrV4 spring steel can be increased by 14.95% and the wear mass loss can be reduced by 43.32% by introducing cryogenic treatment before tempering [19]. The test results on W6 high-speed steel after cryogenic treatment at −150 °C for 12 h have shown that the formation of fine carbides, uniformly distributed in the steel, reduces the dislocation stress and ultimately affects the macroscopic residual stress [20]. In addition, cryogenic treatment is widely applied to stainless steels [21], magnesium alloys [22], titanium alloys [23] and others. Therefore, it is necessary to study the influence of rolling deformation and cryogenic treatment on microstructure and properties.
Fe–Ni alloy has attracted a great deal of interest from material researchers due to its low expansion coefficient below the Curie temperature and its phase transformation temperature below room temperature, and has been widely used in aerospace remote sensors, precision instruments and other fields [24,25]. However, as the yield strength of Fe–Ni alloy is only about 230 MPa, its dimensional stability and deformation resistance can no longer meet the development needs of high-precision fields. Therefore, it is still necessary to optimize the process, as well as to discuss and analyze the microstructure evolution and mechanical properties of Fe–Ni alloys.
In this paper, Fe–32Ni alloy with stable austenite structure at room temperature was selected as the research object. The martensite was obtained by cold rolling with different deformation degrees and with cryogenic treatment in liquid nitrogen. The microstructure and properties of the samples after cold rolling and cryogenic treatment were analyzed and tested, and the effects of rolling deformation and cryogenic treatment on the microstructure and properties of Fe–32Ni alloy were studied.
2. Experiments
In this experiment, Fe–32Ni alloy was used as the research object, and the chemical composition was as follows: Fe-0.002C-32.65Ni-0.005Si-0.001Mn-0.3Al (wt.%). The samples were smelted in a vacuum induction furnace, cast and forged into round bars with the dimensions of Φ40 mm × 600 mm. Then, the round bars were annealed at 800 °C for 30 min and air cooled to room temperature. The martensitic transformation starting temperature (Ms) of the samples was measured by a DIL 402C (Netzsch, Germany) dilatometer, as shown in Figure 1. When the samples were cooled below room temperature, there two respective Ms temperatures were obtained by the tangential method (red line), −107 °C and −126 °C.
Figure 1.
The expansion–strain curve of the samples with temperature.
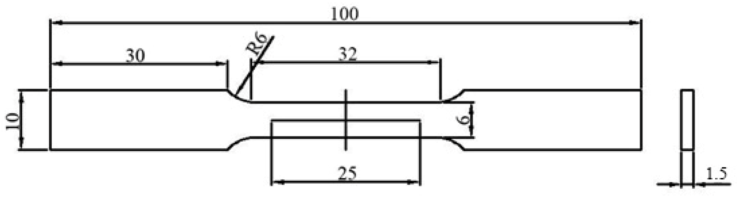
Therefore, the original microstructure of the samples at room temperature was completely presented by the austenite phase. The plates were then rolled to 1.5 mm in multiple passes at room temperature, corresponding to the rolling deformation degrees of 0%, 42%, 55%, 70%, 85% and 90%. The cold rolled plates were marked as 0%-CR, 42%-CR, 55%-CR, 70%-CR, 85%-CR and 90%-CR accordingly. The rolling direction is along the length direction. The rolling process was performed in multiple passes with a reduction of 0.2 mm in each pass. Subsequently, all of the deformed samples were cryogenically treated in liquid nitrogen for 24 h to promote the transformation into martensite. The samples after both rolling and cryogenic treatment were named 0%-CR–CT, 42%-CR–CT, 55%-CR–CT, 70%-CR–CT, 85%-CR–CT and 90%-CR–CT. The FMARS 9000 (Future-Tech, Tokyo, Japan) automatic microhardness tester was used to assess the Vickers hardness of the samples under the load of 100 gf applied for 10 s. The tensile properties were measured by means of an MTS universal hydraulic servo testing machine (MTS, Eden Prairie, MN, USA) at room temperature. The sample size was selected according to the E8-09 standard that refers to the ASTM metal material tensile test method. Figure 2 shows the dimensions of the tensile sample. The tensile speed at room temperature was 3 mm/min, and the tensile direction was matched with the rolling direction. Three tensile samples were tested under each condition.
Figure 2.
The dimensions of the tensile sample (mm).
Microstructures were characterized using an Axiover 200 MAT metallographic microscope (Zeiss, Oberkochen, Germany) and an SU-5000 scanning electron microscope (Hitachi, Tokyo, Japan). The SEM and OM samples were etched using nitric acid, hydrofluoric acid and deionized water solution with a volume ratio of 1:1:8. The fine microstructures were observed by JEOL-2010 transmission electron microscope (Jeol, Tokyo, Japan). The samples were thinned by a TenuPol-5 double-jet electrolytic thinning instrument (Struers, Ballerup, Denmark). The mixed solution of 7% perchloric acid and 93% glacial acetic acid was selected as the double-jet solution, and the thinning voltage was 20 V. The Rigaku D/max-2500/PC X-ray diffractometer (Rigaku, Akishima, Japan) equipped with Cu–Kα radiation was employed to determine the phase composition of the sample at the working voltage and current of 40 kV and 200 mA, respectively. Samples were scanned continuously from 40° to 100° at a scan rate of 2°/min. According to the angle and integral strength of the diffraction peak of the austenite and martensite, the volume fraction (Vγ) of the austenite phase and the dislocation density of phases (austenite or martensite) (ρ) were calculated according to Equation (1) [26] and Equation (2) [27].
where n is the number of peaks examined, I is the integrated intensity of the diffraction peak, R is the material scattering factor, and Xi is concentration of element i in weight percent.
where, for the body-centered cubic (bcc) phase, k equals to 14.4, . For the face-centered cubic (fcc) phase, k equals to 16.1, . b is the dislocation Burgers vector and is the lattice constant of bcc or fcc phase. The value of F is assumed to be 1. ε is microscopic strain, which was calculated using the Williamson–Hall equation, , is the broadening of the peaks, K equals to 0.9, and is the crystallites size.
3. Results and Discussion
3.1. Effect of Cold Rolling and Cryogenic Treatment on Microstructure of Fe–32Ni Alloy
3.1.1. Microstructural Characterization
Figure 3 shows the optical images of the samples after cold rolling with different deformation degrees. It can be seen that the sample maintains the complete austenite after cold rolling with different deformation. With the increase of cold-rolling deformation degrees, the average austenite grain size of the sample decreases, whereas the shape of the grain gradually changes from the original polygon to the flat shape, and finally forms a lamellar structure. When the cold-rolling deformation is 0%, the austenite grains are polygonal and of a uniform size. Using the Image Pro-Plus 6 software, grains were measured and counted, and the average grain size of the original austenite was found to be 60 ± 2.3 μm. At the deformation degree range of 42% to 55%, the grain shape becomes flat. Moreover, the length direction of grains is at a certain angle to the rolling direction, as shown in Figure 3b,c. Once the deformation reaches 75%, the direction of austenite grains becomes consistent with the rolling direction (Figure 3d). At the cold-rolling deformation degree of 85%, the microstructure transforms into lamellar after rolling deformation, with an average lamellar spacing of about 5~15 μm. Furthermore, there are still scarce polygonal grains (Figure 3e). The austenite grains of the 90%-CR sample possess a complete banded structure, in which the average lamellar spacing of the banded structure is smaller than that of the 85%-CR sample, being less than 10 μm (Figure 3f).
Figure 3.
The optical images of the samples after cold rolling with different deformation degrees: (a) 0%-CR; (b) 42%-CR; (c) 55%-CR; (d) 70%-CR; (e) 85%-CR; (f) 90%-CR.
Figure 4 shows the optical images of the samples after cold rolling and cryogenic treatment. It can be seen that a large amount of martensite forms after rolling deformation and cryogenic treatment. With the increase of cold-rolling deformation, the size and amount of martensite formed after cryogenic treatment gradually decrease. As shown in Figure 4a, before the cold rolling (0%-CR–CT sample), the size of martensite is significantly larger. Multiple martensitic laths arrange in parallel with each other, forming martensite sheaves and thereby traversing the entire grain. The martensite is transformed by plastic coordination without cold-rolling deformation. At the cold-rolling deformation degrees of 42%, 55% and 75%, the martensite size obtained after cryogenic treatment decreases with the increase of deformation degree. Moreover, the martensite formed after cryogenic treatment inherits the directionality caused by rolling deformation. In particular, Figure 4e,f indicate that the microstructures of the 85%-CR–CT and 90%-CR–CT samples is banded.
Figure 4.
The optical images of the samples after cold rolling and cryogenic treatment: (a) 0%-CR–CT; (b) 42%-CR–CT; (c) 55%-CR–CT; (d) 70%-CR–CT; (e) 85%-CR–CT; (f) 90%-CR–CT.
Figure 5 exhibits the SEM images of the samples after cold rolling and cryogenic treatment. The martensite morphology of the 0%-CR–CT sample shows a lath-shaped structure. With the increase of deformation degree, the angle between adjacent martensitic laths decreases gradually and the direction of martensitic laths in the grain is gradually consistent with the rolling direction. The size of the martensite of the CR–CT samples is proportional to the original austenite grain size; or, to put it another way, with the increase of cold-rolling deformation degree, the size of austenite grain and martensite gradually decreases. The average size of the martensitic laths of the 0%-CR–CT sample, 70%-CR–CT sample and 90%-CR–CT sample is 5.4 ± 1.2 μm, 2.7 ± 0.7 μm and 0.9 ± 0.2 μm, respectively. Compared with the 0%-CR–CT sample, the size of martensite of the 90%-CR–CT sample is reduced by 83%. Larger plastic deformation will increase the strength of austenite, which will hinder its nucleation and growth. Therefore, the increase of austenite strength and the grain refinement caused by rolling deformation leads to the refinement of martensite lath size. Consequently, the 90%-CR–CT sample has the finest lath size. Furthermore, a very small amount of fine martensite can be observed in the banded microstructure with large width.
Figure 5.
The SEM images of the samples after cold rolling and cryogenic treatment: (a) 0%-CR–CT; (b) 42%-CR–CT; (c) 55%-CR–CT; (d) 70%-CR–CT; (e) 85%-CR–CT; (f) 90%-CR–CT. Notes: γ—austenite, M—martensite.
The TEM images of samples treated by different processes are shown in Figure 6, revealing that twin martensite appears in polygonal austenite grains after cold-rolling deformation of 85%. Moreover, there are a large number of dislocations at the boundary of the lamellar structure, which indicates that there are many defects near the grain boundary, which is also a typical feature of the rolled austenitic steel [28]. Martensite with twins and laths appear in the sample without rolling deformation after cryogenic treatment (Figure 6b). The martensite laths in the 70%-CR–CT and 90%-CR–CT samples are parallel to each other along the rolling direction, but the boundaries of some martensite laths are bent (Figure 6d,g). Moreover, the middle of the martensite substructure exhibits a twin structure, but there are dislocations at its boundary (Figure 6e). Because of the large undercooling that arises as a result of the low temperature during cryogenic treatment, the difference in free energy generated as the driving force of phase transformation causes the austenite to spontaneously transform into martensite. Moreover, large plastic deformation can increase the distortion energy in austenite, which can then be used as the driving force of phase transformation, resulting in martensitic transformation [29]. Therefore, martensite was detected in the 85%-CR and 90%-CR samples. Prior to the deformation, the microstructure shows small dislocation density and lattice distortion degree. It is noteworthy that the martensitic transformation is only elastically coordinated with the parent phase during the cryogenic process. With the increase of deformation, the strength of the test steel is greatly improved, which leads to the increase of phase transformation resistance in the cryogenic process. Therefore, it is difficult to coordinate the phase transformation through elasticity in order to then coordinate it through twins [30].
Figure 6.
The TEM images of the samples treated by different treatments: (a) 85%−CR; (b) 0%−CR−CT; (c) dark field TEM image corresponding to (b); (d,e) 70%−CR−CT; (f) dark field TEM image corresponding to (e); (g,h) 90%−CR−CT; (i) dark field TEM image corresponding to (h). Notes: M—martensite.
3.1.2. Phase Analysis
Figure 7a,b show the XRD diffraction patterns of the CR and CR–CT samples. When the deformation degree is greater than 70%, the (110)α peak can be observed in the CR sample, which indicates that the martensitic transformation occurs in the 85%-CR and 90%-CR samples during the rolling deformation process, which corresponds to the TEM results. Moreover, the volume fraction of martensite in both samples is less than 3%. As shown in Figure 7c, with the increase of deformation, the amount of martensite after cryogenic treatment decreases, while the content of austenite increases. Compared with the 0%-CR–CT sample, the martensite content of the 90%-CR–CT sample reduces by 53%. This is because the plastic deformation induced by the cold rolling refines the original austenite grain size, resulting in an increase in strength, thereby inhibiting the martensite nucleation [31]. In addition, the martensite and the parent phase have a certain degree of coherence. The rolling-induced plastic deformation causes high density dislocations in the grains. These dislocations destroy the coherent relationship between the parent phase and the newly formed phase, hindering the movement of the atoms required for the martensitic transformation. Therefore, the nucleation of martensite is suppressed during the martensitic transformation [32]. In summary, as the deformation increases, the amount of martensite of the CR–CT sample decreases. It can be seen from Figure 7d that the dislocation density of austenite in the CR sample increases greatly with the increase of rolling deformation degree. After cryogenic treatment, the dislocation density of martensite increases along with the deformation degree. However, the dislocation density of austenite increases first and then decreases.
Figure 7.
(a,b) XRD patterns; (c) phase fraction–rolling deformation degree curves of the CR–CT samples; (d) dislocation density–rolling deformation degree curves of the samples treated by different treatments. Notes: black point—0%−CR−CT, red point—55%−CR−CT, blue point—70%−CR−CT, purple point—85%−CR−CT, green point—90%−CR−CT.
3.2. Effect of Cold Rolling and Cryogenic Treatment on Mechanical Properties of Fe–32Ni Alloy
3.2.1. Hardness
Figure 8 shows the microhardness curves of the CR sample and CR–CT sample. With the increase of cold-rolling deformation, the hardness of CR and CR–CT samples gradually increases, and the hardness increment of CR–CT samples is lower than that of CR samples. Compared with 0%-CR and 0%-CR–CT samples, the hardness of 90%-CR and 90%-CR–CT samples increased by 83% and 25%, respectively. Moreover, the hardness of CR–CT samples is higher than that of the CR samples under the same deformation conditions. Compared with 0%-CR and 90%-CR samples, the hardness of the 0% CR–CT and 90% CR–CT samples increased by 54% and 5%, respectively. Cold-rolling deformation refines the grains and introduces a large number of dislocations in the microstructure of the CR samples, resulting in an increase in the hardness of the microstructure. Moreover, under the same deformation amount, the CR–CT samples possess a higher dislocation density and martensite phase with higher hardness when compared with those of CR samples. However, cold-rolling deformation leads to an increase in the strength of the parent phase, which hinders the nucleation and growth of martensitic transformation during cryogenic treatment. With the increase of deformation, the amount of the hard martensite phase after cryogenic treatment decreases, resulting in a smaller hardness increment for the CR–CT samples.
Figure 8.
The microhardness curves of the CR sample and CR–CT sample. Notes: black line: black point—0%−CR, red point—55%−CR, blue point—70%−CR, purple point—85%−CR, green point—90%−CR; red line: black point—0%−CR−CT, red point—55%−CR−CT, blue point—70%−CR−CT, purple point—85%−CR−CT, green point—90%−CR−CT.
3.2.2. Tensile Properties
Figure 9 displays the engineering stress–strain curves and property parameter variation curves of the CR and CR–CT samples. The yield strength and tensile strength of CR and CR–CT samples increase with the increase of deformation, but the elongation decreases. Compared with 0%-CR and 0%-CR–CT samples, the yield strength of 90%-CR and 90% CR–CT samples increased by 226% and 54%, respectively, and the elongation decreased by 58% and 46%, respectively. The tensile strength of the CR–CT sample is higher than that of the CR sample, but its elongation is relatively low. It is worth noting that the yield strength of the CR–CT sample is higher than that of the CR sample when the deformation is less than 85%. Compared with the 0%-CR sample, the yield strength of the 0%-CR–CT sample increases by 104%. However, the yield strength of the CR–CT sample is slightly lower than that of the CR sample at a deformation greater than 85%. Compared with the 90%-CR sample, the yield strength of the 90%-CR–CT sample reduces by 2%.

Figure 9.
Engineering stress–strain curve and property parameter variation curve of CR sample and CR–CT sample: (a,b) engineering stress–strain curves; (c,d) property parameter variation curves. Notes: (c) black point and black line: CR Yield strength, blue point and blue line: CR−CT Yield strength, red point and red line: CR Tensile strength, green point and green line: CR−CT Tensile strength; (d) black line: black point—0%−CR Elongation, red point—55%−CR Elongation, blue point—70%−CR Elongation, purple point—85%−CR Elongation, green point—90%−CR Elongation; red line: black point—0%−CR−CT Elongation, red point—55%−CR−CT Elongation, blue point—70%−CR−CT Elongation, purple point—85%−CR−CT Elongation, green point—90%−CR−CT Elongation.
In order to better explain the influence of microstructure on yield strength, the strengthening contributions of the yield strength of different parameters were evaluated. Therefore, the revised yield strength contribution can be calculated by the following equation [33]:
where is the lattice resistance and , and are the contribution of solid solution strengthening, grain strengthening and dislocation strengthening, respectively.
The lattice resistance is expressed as follows [34]:
where G is the shear modulus of the austenitic matrix steel, 75 GPa. Therefore, the of Fe–32Ni alloy is about 26 MPa.
Fe–32Ni alloy contains less carbon and alloying elements (e.g., Si, V, Mo, Cr) that result in solid solution strengthening, so the solid solution strengthening can be neglected.
The contribution that dislocation makes to yield strength can be estimated using Equation (5) [35]:
where, for body-centered cubic metals, α, μ and b equal 0.23, 80 GPa and 0.248 nm, respectively. For face-centered cubic metals, α, μ and b equal 0.23, 75 GPa and 0.256 nm, respectively. V and ρ are the volume fraction and dislocation density of phase, respectively. i represents the austenite or the martensite phase.
When the deformation is higher than 85%, the martensite content in the CR sample is less than 5%, so the dislocation strengthening contribution of the martensite phase can be ignored in the CR sample. According to Equation (5), the dislocation strengthening contribution of 0%-CR, 70%-CR and 90%-CR samples are 112, 147 and 171 MPa, respectively. The cold-rolling deformation introduces high-density dislocations into the microstructure. With the increase of cold-rolling deformation, the dislocation density increases, and the adjacent dislocations intersect and produce tangle, which increases the resistance of dislocation motion and the deformation resistance. This makes the contribution of dislocation strengthening increase. Assuming that the actual yield strength is the sum of various strengthening contributions, the grain boundary strengthening contributions of the 0%-CR, 70%-CR and 90%-CR samples are 69, 388 and 475 MPa, respectively. The cold-rolling deformation can refine the grain, meaning that the larger the deformation, the higher the is degree of grain refinement. According to the Hall–Petch relationship, the strength is inversely proportional to the grain size, and grain refinement leads to an increase in the strengthening contribution. Therefore, compared with the contribution of dislocation strengthening, the contribution of grain boundary strengthening is dominant in the yield strength contribution of CR samples with large deformation.
The dislocation strengthening contribution in the 0%-CR–CT, 70%-CR–CT and 90%-CR–CT samples is 186, 240 and 225 MPa, respectively. As the deformation is higher than 70%, the dislocation strengthening contribution of the CR–CT sample decreases. However, the actual yield strength of the CR–CT sample gradually increases (Figure 9). Based on the actual yield strength, the grain boundary strengthening contribution in the 0%-CR–CT, 70%-CR–CT and 90%-CR–CT samples is 208, 312 and 406 MPa, respectively. With the increase of deformation, the grain boundary strengthening contribution of CR–CT samples increases gradually. This indicates that the grain boundary strengthening contribution makes up for the decrease of dislocation strengthening contribution.
The strain hardening exponent characterizes work hardening during plastic deformation of the material [36]. Figure 10 shows the strain hardening exponent curves of the CR and CR–CT samples. At stage I, the strain hardening exponents of the CR and CR–CT samples decreases rapidly. At this stage, the resistance of dislocation proliferation is weak, so that the dislocation first performs a single-system slip, and then gradually produces a multi-system slip. Therefore, the contribution of dislocations to the work hardening is limited, and the rate of work hardening decreases rapidly [37]. It is worth noting that the strain hardening exponent of the 0%-CR and 0%-CR–CT samples are lower than those of the 70%-CR and 90%-CR, 70%-CR–CT and 90%-CR–CT samples at stage I. This is because the 0%-CR and 0%-CR–CT samples have the lower dislocation density, resulting in a lower initial strain hardening exponent.
Figure 10.
The strain hardening exponent curves of the CR and CR–CT samples. (a) CR samples and (b) CR–CT samples.
The strain hardening exponent of the 0%-CR sample continues to increase, exceeding those of the 70%-CR and 90%-CR samples at stage II. Compared with the 70%-CR and 90%-CR samples, the dislocation density of the 0%-CR sample is relatively low. Once the strain increases, the dislocations accumulate and form entanglements, which causes their proliferation to slow down, leading to an increase in the strain hardening exponent. At the same time, the high-density dislocations in the 70%-CR and 90%-CR samples become saturated at this stage and difficult to slip due to the continuous generation of barriers [38]. With the increase of strain, the dislocation barrier of the pile-up is destroyed, and the high stress field of the pile-up dislocation can be relaxed, which finally results in the decrease of the strain hardening exponent of the 70%-CR and 90%-CR samples. Furthermore, the strain hardening exponent of the 0%-CR–CT sample is higher than those of the 70%-CR–CT and 90%-CR–CT samples at stage II, which is attributed to the lower dislocation density of the 0%-CR–CT sample. Compared with the 0%-CR sample, the strain hardening exponent of the 0%-CR–CT sample shows a downward trend at stage II. The 0%-CR–CT sample has a higher dislocation density and a hard martensite phase, which makes it difficult for dislocations to proliferate and slip. This leads to a decrease in the strain hardening exponent. Compared with the 70-%-CR and 90%-CR samples, the strain hardening exponents of the higher dislocation densities of the 70%-CR–CT and 90%-CR–CT samples, are higher and decrease faster at the stage II. This is due to the way that the 70%-CR–CT and 90%-CR–CT samples make it difficult to maintain the dislocation pile-up group formed during plastic deformation [39].
3.2.3. Tensile Fracture Morphologies
Figure 11 shows the SEM images of the tensile fractures of the test steel after cold rolling and cryogenic treatment. A large number of dimples exist in the tensile fractures of the CR–CT samples. With the increase of deformation, the size and depth of dimples decrease in the fractures, and their size distribution become more uniform. There are also a large number of dimples with depth and bimodal sizes in the fracture of the 0%-CR–CT sample. The dimples in the fracture of the 90%-CR–CT sample shows an obvious flat shape, and multiple shallow dimples are connected together to form a columnar structure, i.e., a layered structure with large rolling-induced deformation. Thus, based on the analysis of the tensile fracture morphology combined with the tensile property data, it can be concluded that the depth of the dimple is proportional to the elongation of the sample.

Figure 11.
SEM images of the tensile fractures of the test steel after cold rolling and cryogenic treatment: (a) 0%-CR–CT; (b) 55%-CR–CT; (c) 70%-CR–CT; (d) 85%-CR–CT; (e) 90%-CR–CT.
4. Conclusions
The effects of cold-rolling deformation and cryogenic treatment with liquid nitrogen on the microstructure and mechanical properties of Fe–32Ni alloy were studied. Based on the findings, the following conclusions can be drawn:
1. When the deformation is higher than 85%, the microstructure changes from equiaxed grain to a lamellar structure, and a small amount of martensite forms. With the increase of deformation, the amount of martensite after cryogenic treatment decreases, which is attributed to a limiting of the high dislocation density, high austenite strength and martensite formed during rolling deformation. The martensite with nano-scale twins forms after large deformation and cryogenic treatment due to the coordinated martensitic transformation of twins during cryogenic treatment.
2. Once the deformation increases, the hardness and strength of the samples before and after cryogenic treatment increase. Because of the hard martensite with high dislocation density obtained via cryogenic treatment, the hardness of the CR–CT sample is higher than that of the CR sample under the same deformation degree. Compared with the 0%-CR and 0%-CR–CT samples, the hardnesses of 90%-CR and 90%-CR–CT samples increase by 83% and 25%, respectively, while the elongations decrease by 58% and 46%, respectively.
3. The cold-rolling and cold-rolling–cryogenic samples with different deformations exhibit different strain hardening behaviors. At the lower strain stage, the strain hardening exponents of the 0%-CR and 0%-CR–CT samples are lower than those of CR and CR–CT samples, with 70% and 90% deformation, respectively. With the increase of true strain, the strain hardening exponents of the 0%-CR and 0%-CR–CT samples gradually increases over those of the CR and CR–CT samples, with large deformation. At the higher strain stage, the higher dislocations in the CR and CR–CT samples with large deformation entangle earlier, which reduces the strain hardening exponents to levels lower than those of the CR and CR–CT samples, with small deformation and low dislocation density. The study of Fe–32Ni alloy subjected to cold rolling and cryogenic treatment process plays an important role in improving the strength and plasticity of structural steel.
Author Contributions
Conceptualization, D.S., X.S., T.W. and Z.Y.; methodology, J.L. and X.H.; data collection, J.L., X.H. and X.S.; data analysis, X.S., M.W. and D.L.; writing—original draft preparation, D.S., J.L. and D.L.; writing—review and editing, M.W., Z.Y. and F.Z.; validation, visualization, F.Z.; resources, T.W. All authors have read and agreed to the published version of the manuscript.
Funding
The authors acknowledge financial support from the Youth Talent Projects of Colleges in Hebei Province (BJK2024159), Tangshan science and technology planning project (23130207E), the Natural Science Foundation of Hebei Province (E2021209012), the Science and Technology Project of Hebei Education Department (QN2022054).
Data Availability Statement
The raw data supporting the conclusions of this article will be made available by the authors on request.
Conflicts of Interest
The authors declare that they have no known competing financial interests or personal relationships that could have appeared to influence the work reported in this paper.
References
- Zhao, Y.; Tong, X.; Wei, X.H.; Xu, S.S.; Lan, S.; Wang, X.L.; Zhang, Z.W. Effects of microstructure on crack resistance and low-temperature toughness of ultra-low carbon high strength steel. Int. J. Plast. 2019, 116, 203–215. [Google Scholar] [CrossRef]
- Yu, H.L. Progresses in fabrication of high-performance metals by using cryorolling. China Mech. Eng. 2020, 31, 89–99. [Google Scholar]
- Koch, C.C.; Youssef, K.M.; Scattergood, R.O.; Murty, K.L. Breakthroughs in optimization of mechanical properties of nanostructured metals and alloys. Adv. Eng. Mater. 2005, 7, 787–794. [Google Scholar] [CrossRef]
- Cleiton, A.M.; Geraldo, L.F.; Uranga, M.; Nerea, I.; Pello, U.; Jose, M.R.; Altair, L.S.; Jorge AC, C.; Marcelo, A.R.; Antônio, A.G. Production of a non-stoichiometric Nb-Ti HSLA steel by thermomechanical processing on a steckel Mill. Metals 2023, 13, 405. [Google Scholar]
- Ma, H.; Chen, C.; Li, J.K.; Wang, X.B.; Qi, X.Y.; Zhang, F.C.; Tang, T.B. Effect of pre-deformation degree on tensile properties of high carbon high manganese steel at different strain rates. Mater. Sci. Eng. A 2022, 829, 142–146. [Google Scholar] [CrossRef]
- Lu, Y.P.; Molodov, D.A.; Gottstein, G. Correlation between microstructure and texture development in a cold-rolled TWIP steel. ISIJ Int. 2011, 51, 812–817. [Google Scholar] [CrossRef]
- Yang, G.H.; Kim, J.K. An overview of high yield strength twinning-induced plasticity steels. Metals 2021, 11, 124. [Google Scholar] [CrossRef]
- Maxim, O.; Vitaly, S.; Nikita, Y.; Ilya, A.; Elizaveta, P.; Oleg, P.; Damir, T.; Nikita, S.; Sergey, Z. Effect of cold rolling on microstructure and mechanical properties of a cast TiNbZr-Based composite reinforced with borides. Metals 2024, 14, 104. [Google Scholar]
- Kusakin, P.; Belyakov, A.; Haase, C.; Kaibyshev, R.; Molodov, D.A. Microstructure evolution and strengthening mechanisms of Fe-23Mn-0.3C-1.5Al TWIP steel during cold rolling. Mater. Sci. Eng. A 2014, 617, 52–60. [Google Scholar] [CrossRef]
- Shen, Y.F.; Qiu, C.H.; Wang, L.; Sun, X.; Zhao, X.M.; Zuo, L. Effects of cold rolling on microstructure and mechanical properties of Fe-30Mn-3Si-4Al-0.093C TWIP steel. Mater. Sci. Eng. A 2013, 561, 329–337. [Google Scholar] [CrossRef]
- Valiev, R.Z.; Langdon, T.G. Principles of equal-channel angular pressing as a processing tool for grain refinement. Prog. Mater. Sci. 2006, 51, 881–981. [Google Scholar] [CrossRef]
- Tsuji, N.; Ueji, R.; Minamino, Y.; Saito, Y. A new and simple process to obtain nano-structured bulk low-carbon steel with superior mechanical property. Scr. Mater. 2002, 46, 305–310. [Google Scholar] [CrossRef]
- Tsuji, N.; Saito, Y.; Lee, S.H.; Minamino, Y. ARB (Accumulative roll-bonding) and other new techniques to produce bulk ultrafine grained materials. Adv. Eng. Mater. 2003, 5, 338–344. [Google Scholar] [CrossRef]
- Zhang, S.C.; Wei, L.Q.; Fu, B.; Guo, Y.H. Microstructure, texture and mechanical properties of Al-SiC composite with bimodal structure fabricated by multi-layer accumulative roll bonding. Coatings 2023, 13, 512. [Google Scholar] [CrossRef]
- Zhilyaev, A.P.; Langdon, T.G. Using high-pressure torsion for metal processing: Fundamentals and applications. Prog. Mater. Sci. 2008, 53, 893–979. [Google Scholar] [CrossRef]
- Dong, Z.C.; Fei, X.Y.; Gong, B.K.; Zhao, X.Y.; Nie, J.W. Effects of Deep Cryogenic Treatment on the Microstructure and Properties of Rolled Cu Foil. Materials 2021, 14, 5498. [Google Scholar] [CrossRef] [PubMed]
- Wang, G.; Gu, K.X.; Huang, Z.J.; Ding, P. Improving the wear resistance of as-sprayed WC coating by deep cryogenic treatment. Mater. Lett. 2016, 185, 363–365. [Google Scholar] [CrossRef]
- Li, J.; Zhang, X.; Bu, H.Y.; Qi, H.R.; Zuo, P.P.; Li, S.H.; Li, M.N. Effects of deep cryogenic treatment on the microstructure evolution mechanical thermal fatigue properties of H13 hot work die steel. J. Mater. Res. Technol. 2023, 27, 8100–8118. [Google Scholar] [CrossRef]
- Cheng, Z.; Jing, L.W.; Gao, Y.; Huang, Y.; Guo, J.; Yan, X.G. Impact of cryogenic treatment process on the performance of 51CrV4 steel. Materials 2023, 16, 4399. [Google Scholar] [CrossRef] [PubMed]
- Zhang, Y.T.; Lu, Q.B.; Zhao, W.J. Effect of cryogenic treatment processing on surface residual stress of W6 HSS. Cryogenics 2020, 18, 44–47. [Google Scholar]
- Zheng, K.; Zhong, Z.Q.; Wang, H.; Xu, H.F.; Yu, F.; Wang, C.Y.; Wu, G.L.; Liang, J.X.; Andy, G.; Cao, W.Q. Obtaining excellent mechanical properties in an ultrahigh-strength stainless bearing steel via solution treatment. Metals 2023, 13, 1824. [Google Scholar] [CrossRef]
- He, X.; Pang, X.; Feng, X.Y.; Zhao, L.P.; Wang, H.Y.; Yang, L.L.; Jin, Z.L.; Li, R.H. Effect of cryogenic rolling on microstructure mechanical properties of Mg-9Li-1Zn alloy. T. Mater. Heat Treat. 2023, 44, 55–61. [Google Scholar]
- Yang, D.K.; Cizek, P.; Fabijanic, D.; Wang, J.T.; Hodgson, P.D. Work hardening in ultrafine-grained Titanium: Multilayering and grading. Acta Mater. 2013, 61, 2840–2852. [Google Scholar] [CrossRef]
- Liu, L.; Huang, W.; Ruan, M.; Chen, Z.W. Effects of temperatures on microstructure evolution and deformation behavior of Fe–32Ni by in-situ EBSD. Mater. Sci. Eng. A 2023, 875, 145097. [Google Scholar] [CrossRef]
- Ogorodnikova, O.M.; Chermensky, V.I.; Konchakovsky, I.V. Simulation of centrifugal casting and structure of Fe-Ni-Co super-invar alloy. Solid State Phenom. 2017, 265, 1142–1147. [Google Scholar] [CrossRef]
- Zhang, X.G.; Goro, M.; Zhang, X.G.; Goro, M.; Yuki, T.; Zhang, Y.J.; Tadashi, F. Role of cementite and retained austenite on austenite reversion from martensite and bainite in Fe-2Mn-1.5Si-0.3C alloy. Acta Mater. 2021, 209, 116772. [Google Scholar] [CrossRef]
- Sun, X.W.; Sun, D.Y.; Wang, Y.F.; Feng, Y.T.; Jin, L.; Hao, X.H.; Wang, T.S.; Zhang, F.C. Roles of pre-formed martensite in deformation behavior and strain partitioning of medium-carbon bainitic steel by quasi-in-situ tensile tests. Mater. Sci. Eng. A 2023, 868, 144760. [Google Scholar] [CrossRef]
- Aghaie-Khafri, M.; Honarvar, F.; Zanganeh, S. Characterization of grain size yield strength in AISI 301 stainless steel using ultrasonic attenuation measurements. J. Nondestruct Eval. 2012, 31, 191–196. [Google Scholar] [CrossRef]
- Zhao, H.Z.; Lee, S.J.; Lee, Y.K.; Liu, X.H.; Wang, G.D. Effects of applied stresses on martensite transformation in AISI4340 steel. J. Iron Steel Res. Int. 2007, 14, 63–67. [Google Scholar] [CrossRef]
- Han, B.J.; Xu, Z. Martensite microstructure of Fe-32%Ni alloy ultra-fine grained austenite. Heat Treat. Met. 2010, 35, 1–5. [Google Scholar] [CrossRef]
- Brofman, P.J.; Ansell, G.S. On the effect of fine grain size on the Mstemperature in Fe-27Ni-0.025C alloys. Metall. Mater. Trans. A 1983, 14, 1929–1931. [Google Scholar] [CrossRef]
- Pan, M.; Xu, Z.Y. Influence of austenitic strengthening on martensitic transformation in Fe-Mn-C alloy. Acta. Metall. Sin. 1989, 25, 6–10. [Google Scholar]
- Cai, M.H.; Chen, L.G.; Fang, K.; Huang, H.S.; Hodgson, P. The effects of a ferritic or martensitic matrix on the tensile behavior of a nano-precipitation strengthened ultra-low carbon Ti-Mo-Nb steel. Mater. Sci. Eng. A 2021, 801, 140410. [Google Scholar] [CrossRef]
- Kusakin, P.; Belyakov, A.; Molodov, D.A.; Kaibyshev, R. On the effect of chemical composition on yield strength of TWIP steels. Mater. Sci. Eng. A 2017, 687, 82–84. [Google Scholar] [CrossRef]
- Wang, X.B.; Zhang, X.Z.; Fang, Q.W.; Ma Hua Zhang, R.J.; Liu, F.; Yang, Z.N.; Zhang, F.C. Effect of tempering on stability of retained austenite and tensile properties of nanostructured bainitic steel. Mater. Sci. Eng. A 2022, 856, 143958. [Google Scholar] [CrossRef]
- Afrin, N.; Chen, D.; Cao, X.; Jahazi, M. Strain hardening behavior of a friction stir welded magnesium alloy. Scripta Mater. 2007, 57, 1004–1007. [Google Scholar] [CrossRef]
- Mecking, H.; Kocks, U.F. Kinetics of flow and strain-hardening. Acta Metall. 1981, 29, 1865–1875. [Google Scholar] [CrossRef]
- Bodner, S.; Partom, Y. Constitutive equations for elastic-viscoplastic strain-hardening materials. J.Appl. Mech. 1975, 42, 385–389. [Google Scholar] [CrossRef]
- Wu, X.L.; Yang, M.X.; Yuan, F.P.; Zhu, Y.T. Heterogeneous lamella structure unites ultrafine-grain strength with coarse-grain ductility. Proc. Natl. Acad. Sci. USA 2015, 112, 14501–14505. [Google Scholar] [CrossRef] [PubMed]
Disclaimer/Publisher’s Note: The statements, opinions and data contained in all publications are solely those of the individual author(s) and contributor(s) and not of MDPI and/or the editor(s). MDPI and/or the editor(s) disclaim responsibility for any injury to people or property resulting from any ideas, methods, instructions or products referred to in the content. |
© 2024 by the authors. Licensee MDPI, Basel, Switzerland. This article is an open access article distributed under the terms and conditions of the Creative Commons Attribution (CC BY) license (https://creativecommons.org/licenses/by/4.0/).












