Study on Fracture Failure Behavior of Super 13Cr Tubing Caused by Deposited Corrosion
Abstract
:1. Introduction
2. Materials and Methods
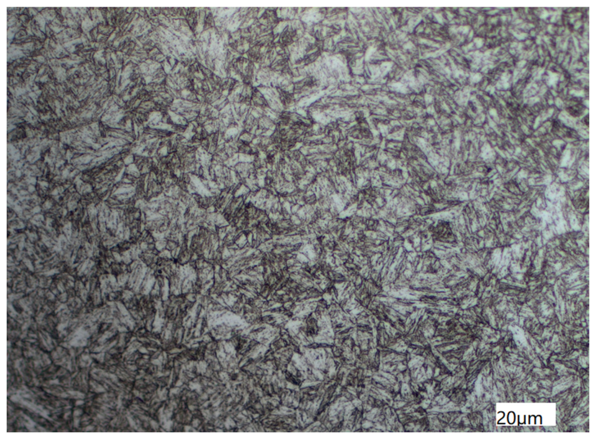
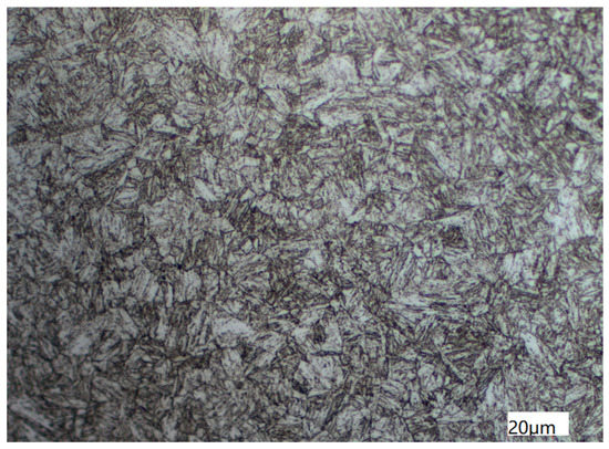
2.1. Test Materials
2.2. Test Methods
2.3. Simulation Method
- (1)
- Change in surface energy from pitting to crack source during the development process
- (2)
- Variation in the strain energy of elastic material during the developing process of pit
- (3)
- Change in electrochemical energy during pit development
3. Results
3.1. Tubing Scaling Analysis
3.2. SKP Test
4. Discussion
4.1. Cause of Corrosion under Scale
4.1.1. Formation of Scale
4.1.2. Formation of Corrosive Pitting
4.2. Pitting Inducing Cracks
4.3. Corrosion under Scale Leads to Cracking
5. Conclusions
Author Contributions
Funding
Institutional Review Board Statement
Informed Consent Statement
Data Availability Statement
Conflicts of Interest
References
- Liu, W.Y.; Shi, T.H.; Li, S.; Lu, Q.; Zhang, Z.; Feng, S.; Ming, C.; Wu, K. Failure analysis of a fracture tubing used in the formate annulus protection fluid. Eng. Fail. Anal. 2019, 95, 248–262. [Google Scholar] [CrossRef]
- Ueda, M.; Nakamura, K.; Hudson, N.; Ibrahim, M.Z.; Selamat, K.; Chen, P. Corrosion Behavior of Super 13Cr Martensitic Stainless Steels in Completion Fluids. In Proceedings of the CORROSION 2003, San Diego, CA, USA, 16–20 March 2003. [Google Scholar]
- Tavares, S.S.M.; Almeida, B.B.; Corrêa, D.A.L.; Pardal, J.M. Failure of super 13Cr stainless steel due to excessive hardness in the welded joint. Eng. Fail. Anal. 2018, 91, 92–98. [Google Scholar] [CrossRef]
- Wang, Z.; Cui, R.; Ma, W.; Qu, H.; Dou, Y.; Li, Z. Experimental Study on CO2 Corrosion of Super 13Cr Integrated Tubing with Erosion Damage. J. Fail. Anal. 2019, 19, 1826–1831. [Google Scholar] [CrossRef]
- Zhang, Z.; Zheng, Y.; Li, J.; Liu, W.; Liu, M.; Gao, W.; Shi, T. Stress corrosion crack evaluation of super 13Cr tubing in high-temperature and high-pressure gas wells. Eng. Fail. Anal. 2019, 95, 263–272. [Google Scholar] [CrossRef]
- Liu, W.Y.; Shi, T.H.; Lu, Q.; Zhang, Z.; Ming, C.; Gong, J.; Ren, J. Failure analysis on fracture of S13Cr-110 tubing. Eng. Fail. Anal. 2018, 90, 215–230. [Google Scholar] [CrossRef]
- Ngomo, V.; Fonlupt, S.; Coudreuse, L.; Baron, G. Environmental Cracking Performance of Super Martensitic Stainless Steels 13Cr in High Chloride Reservoir Fluids Containing H2S/CO2. In Proceedings of the CORROSION 2011, Houston, TX, USA, 13–17 March 2011. [Google Scholar]
- Morana, R.; Piccolo, E.L.; Scoppio, L.; Nice, P.I. Environmental Cracking Performance of Super Martensitic Stainless Steels “13-5-2” (Grades 110Ksi and 125Ksi) for Tubing Applications in High Chloride Reservoir Fluids Containing H2S/CO2. In Proceedings of the CORROSION 2010, San Antonio, TX, USA, 14–18 March 2010. [Google Scholar]
- Qi, W.; Wang, J.; Li, X.; Cui, Y.; Zhao, Y.; Xie, J.; Zeng, G.; Gao, Q.; Zhang, T.; Wang, F. Effect of oxide scale on corrosion behavior of HP-13Cr stainless steel during well completion process. J. Mater. Sci. Technol. 2021, 64, 153–164. [Google Scholar] [CrossRef]
- Jing, G.L.; Li, S.L.; Xing, L.J.; Guo, Y.Y.; Kong, L.R. Studing on the Scaling Mechanism of Injection Well Pipe. Adv. Mater. Res. 2010, 113–116, 231–234. [Google Scholar] [CrossRef]
- Gaudet, G.T.; Mo, W.T.; Hatton, T.A.; Tester, J.W.; Tilly, J.; Isaacs, H.S.; Newman, R.C. Mass transfer and electrochemical kinetic interactions in localized pitting corrosion. AIChE J. 1986, 32, 949–958. [Google Scholar] [CrossRef]
- Tarantseva, K.R. Models and methods of forecasting pitting corrosion. Prot. Met. Phys. Chem. Surf. 2010, 46, 139–147. [Google Scholar] [CrossRef]
- Batista, S.; Kuri, S.E. Aspects of selective and pitting corrosion in cast duplex stainless steels. Anti-Corros. Methods Mater. 2004, 51, 205–208. [Google Scholar] [CrossRef]
- GB/T 10561-2005; Steel-Determination of Content of Nonmetallic Inclusions-Micrographic Method Using Standards Diagrams. National Standard of the People’s Republic of China: Beijing, China, 2005.
- GB/T 6394-2017; Determination of Estimating the Average Grain Size of Metal. National Standard of the People’s Republic of China: Beijing, China, 2017.
- GB/T 13320-2007; Metellographic Grading Atlas and Assessing Method for Steel Die Forgings. National Standard of the People’s Republic of China: Beijing, China, 2007.
- Branch, C.A.; MÜller-Steinahagen, H.M. Influence of Scaling on the Performance of Shell-and-Tube Heat Exchangers. Heat Transf. Eng. 1991, 12, 37–45. [Google Scholar] [CrossRef]
- Qi, W.; Gao, Q.; Zhao, Y.; Zhang, T.; Wang, F. Insight into the stress corrosion cracking of HP-13Cr stainless steel in the aggressive geothermal environment. Corros. Sci. 2021, 190, 109699. [Google Scholar] [CrossRef]
- Vignal, V.; Ringeval, S.; Thiébaut, S.; Tabalaiev, K.; Dessolin, C.; Heintz, O.; Herbst, F.; Chassagnon, R. Influence of the microstructure on the corrosion behaviour of low-carbon martensitic stainless steel after tempering treatment. Corros. Sci. 2014, 85, 42–51. [Google Scholar] [CrossRef]
- Li, X.; Zhao, Y.; Qi, W.; Xie, J.; Wang, J.; Liu, B.; Zeng, G.; Zhang, T.; Wang, F. Effect of extremely aggressive environment on the nature of corrosion scales of HP-13Cr stainless steel. Appl. Surf. Sci. 2019, 469, 146–161. [Google Scholar] [CrossRef]
- Subramanian, S.; Ling, S.; Ramanarayanan, T.A. Characterization of Corrosion Scales on Fe-13Cr Stainless Steel. Microsc. Microanal. 1998, 4, 542–543. [Google Scholar] [CrossRef]
- Burstein, G.T.; Liu, C.; Souto, R.M.; Vines, S.P. Origins of pitting corrosion. Corros. Eng. Sci. Technol. 2004, 39, 25–30. [Google Scholar] [CrossRef]
- Frankel, G.S. Pitting Corrosion of Metals: A Review of the Critical Factors. J. Electrochem. Soc. 1998, 145, 2186. [Google Scholar] [CrossRef]
- Almarshad, A.I.; Jamal, D. Electrochemistry, Electrochemical investigations of pitting corrosion behaviour of type UNS S31603 stainless steel in thiosulfate-chloride environment. J. Appl. Electrochem. 2004, 34, 67–70. [Google Scholar] [CrossRef]
- Ogundele, G.; White, W.E. Some Observations on Corrosion of Carbon Steel in Aqueous Environments Containing Carbon Dioxide. Mater. Sci. 1986, 42, 71–78. [Google Scholar] [CrossRef]
- Nesic, S.; Postlethwaite, J.; Olsen, S. An Electrochemical Model for Prediction of Corrosion of Mild Steel in Aqueous Carbon Dioxide Solutions. Corrosion 1996, 52, 280–294. [Google Scholar] [CrossRef]
- Davies, D.H.; Burstein, G.T. The Effects of Bicarbonate on the Corrosion and Passivation of Iron. Mater. Sci. 1980, 36, 416–422. [Google Scholar] [CrossRef]
- Wang, H.; Li, Z. Diffusive shrinkage of a void within a grian of a stressed polycrystal. J. Mech. Phys. Solids 2003, 51, 961–976. [Google Scholar] [CrossRef]
















| Element | C | Si | Mn | P | S | Cr | Mo | Ni | Ti | Nb | Cu | V | Als | Fe | 
|---|---|---|---|---|---|---|---|---|---|---|---|---|---|---|
| Wt% | 0.02 | 0.24 | 0.41 | 0.016 | 0.001 | 12.76 | 2.16 | 5.29 | 0.016 | 0.03 | 0.05 | 0.012 | 0.032 | 78.963 | 
| Element | Wt% | Atomic % | 
|---|---|---|
| C | 8.87 | 21.98 | 
| O | 17.45 | 32.46 | 
| Na | 1.52 | 1.97 | 
| Mg | 0.51 | 0.63 | 
| Al | 0.33 | 0.37 | 
| Si | 2.69 | 2.85 | 
| P | 5.32 | 5.11 | 
| S | 4.15 | 3.86 | 
| K | 0.60 | 0.46 | 
| Ca | 1.48 | 1.10 | 
| Ti | 1.14 | 0.71 | 
| Cr | 13.58 | 7.78 | 
| Fe | 26.53 | 14.14 | 
| Ni | 8.49 | 4.31 | 
| Cu | 1.11 | 0.52 | 
| Mo | 4.42 | 1.37 | 
| Ba | 1.79 | 0.39 | 
| Total: | 100.00 | 100.00 | 
| Time/h | xc/mV | w2 | R-Square | 
|---|---|---|---|
| 0 | −495.7 | (0.176)2 | 0.97515 | 
| 12 | −471.4 | (0.175)2 | 0.96267 | 
| 24 | −236.5 | (0.178)2 | 0.95831 | 
| 48 | −92.9 | (0.141)2 | 0.95616 | 
| 72 | 96.1 | (0.107)2 | 0.95225 | 
| Disclaimer/Publisher’s Note: The statements, opinions and data contained in all publications are solely those of the individual author(s) and contributor(s) and not of MDPI and/or the editor(s). MDPI and/or the editor(s) disclaim responsibility for any injury to people or property resulting from any ideas, methods, instructions or products referred to in the content. | 
© 2023 by the authors. Licensee MDPI, Basel, Switzerland. This article is an open access article distributed under the terms and conditions of the Creative Commons Attribution (CC BY) license (https://creativecommons.org/licenses/by/4.0/).
Share and Cite
Wu, Y.; Ding, J.; Zhang, Z.; Zhao, Y.; Cai, N. Study on Fracture Failure Behavior of Super 13Cr Tubing Caused by Deposited Corrosion. Metals 2023, 13, 498. https://doi.org/10.3390/met13030498
Wu Y, Ding J, Zhang Z, Zhao Y, Cai N. Study on Fracture Failure Behavior of Super 13Cr Tubing Caused by Deposited Corrosion. Metals. 2023; 13(3):498. https://doi.org/10.3390/met13030498
Chicago/Turabian StyleWu, You, Jian Ding, Zhi Zhang, Yuanjin Zhao, and Nan Cai. 2023. "Study on Fracture Failure Behavior of Super 13Cr Tubing Caused by Deposited Corrosion" Metals 13, no. 3: 498. https://doi.org/10.3390/met13030498
APA StyleWu, Y., Ding, J., Zhang, Z., Zhao, Y., & Cai, N. (2023). Study on Fracture Failure Behavior of Super 13Cr Tubing Caused by Deposited Corrosion. Metals, 13(3), 498. https://doi.org/10.3390/met13030498
 
        


 
       