Microstructural Investigation and Impact Strength of Sinter-Hardened PM Steels: Influence of Ni Content and Tempering Temperature
Abstract
1. Introduction
2. Materials and Methods
3. Results
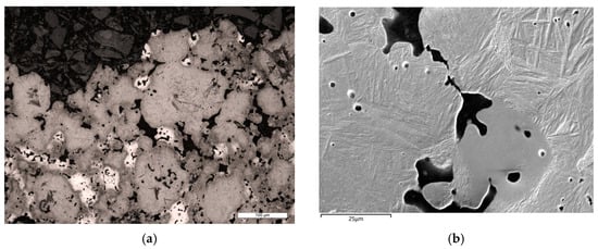
3.1. As-Received Materials
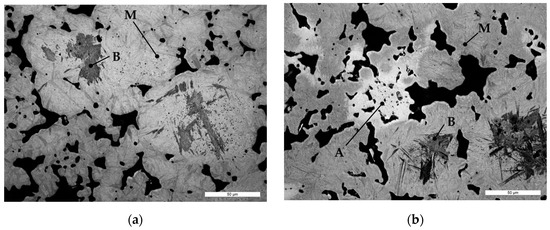
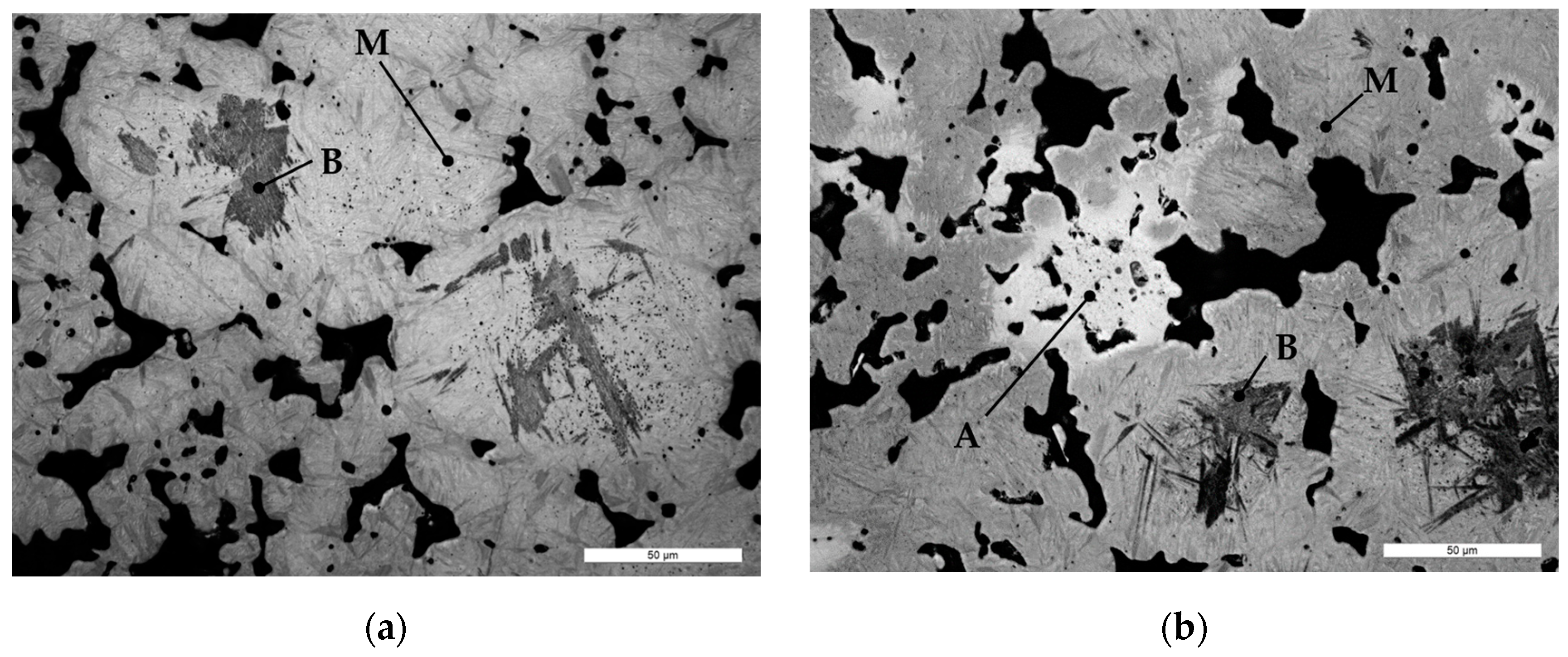
3.2. Tempering Treatments
3.3. Impact Tests and Fractography
4. Discussion
5. Conclusions
- Regardless of Ni content, the macrohardness decreased with increasing tempering temperature. Such evidence was closely related to the progress of martensite matrix transformation, indicating that hardness was more affected by such transformation than by retained austenite area fraction reduction;
- The V-notch impaired the impact energy values, irrespective of chemical composition and tempering temperature;
- Ni-rich retained austenite islets played a key role in absorbing impact energy by plastic deformation, and, accordingly, better toughness of 4Ni samples was measured;
- Temper embrittlement, found for 220 °C and 280 °C treated samples, was associated with martensite matrix transformation and carbide precipitation. Ni content and retained austenite were unable to counteract this effect.
Author Contributions
Funding
Data Availability Statement
Acknowledgments
Conflicts of Interest
References
- Ramakrishnan, P. Automotive applications of powder metallurgy. In Advances in Powder Metallurgy; Elsevier: Amsterdam, The Netherlands, 2013; pp. 493–519. [Google Scholar]
- Fujiki, A. Present state and future prospects of powder metallurgy parts for automotive applications. Mater. Chem. Phys. 2001, 67, 298–306. [Google Scholar] [CrossRef]
- Tan, Z.; Zhang, Q.; Guo, X.; Zhao, W.; Zhou, C.; Liu, Y. New development of powder metallurgy in automotive industry. J. Cent. South Univ. 2020, 27, 1611–1623. [Google Scholar] [CrossRef]
- Erdem, O. The Development and Applications of Powder Metallurgy Manufacturing Methods in Automotive Industry. Int. J. Eng. Res. Dev. 2017, 9, 100–112. [Google Scholar] [CrossRef][Green Version]
- Flodin, A. Powder Metal Gear Technology. In Advances in Gear Design and Manufacture; CRC Press: Boca Raton, FL, USA, 2019. [Google Scholar]
- Casari, N.; Fadiga, E.; Pinelli, M.; Randi, S.; Suman, A. Pressure Pulsation and Cavitation Phenomena in a Micro-ORC System. Energies 2019, 12, 2186. [Google Scholar] [CrossRef]
- Stuppioni, U.; Suman, A.; Pinelli, M.; Blum, A. Computational Fluid Dynamics Modeling of Gaseous Cavitation in Lubricating Vane Pumps: An Approach Based on Dimensional Analysis. J. Fluids Eng. 2020, 142, 071206. [Google Scholar] [CrossRef]
- Stuppioni, U.; Blum, A.; Suman, A.; Pinelli, M. Computational Fluid Dynamics Modeling of Gaseous Cavitation in Lubricating Vane Pumps: On Metering Grooves for Pressure Ripple Optimization. J. Fluids Eng. 2023, 145, 031402. [Google Scholar] [CrossRef]
- Chen, D.; Li, D.; Peng, J.; Wang, T.; Yan, B.; Lu, W. The Effect of Rolling Temperature on the Microstructure and Mechanical Properties of Surface-Densified Powder Metallurgy Fe-Based Gears Prepared by the Surface Rolling Process. Metals 2017, 7, 420. [Google Scholar] [CrossRef]
- Fontanari, V.; Molinari, A.; Marini, M.; Pahl, W.; Benedetti, M. Tooth root bending fatigue strength of high-density sintered small-module spur gears: The effect of porosity and microstructure. Metals 2019, 9, 599. [Google Scholar] [CrossRef]
- Glodež, S.; Vučković, K.; Šori, M.; Surjak, M.; Zupanič, F. The influence of thermal treatment on the low-cycle fatigue behaviour of Cu-Ni-Mo sintered steel. Mech. Mater. 2019, 129, 57–62. [Google Scholar] [CrossRef]
- Fortini, A.; Suman, A.; Zanini, N. An experimental and numerical study of the solid particle erosion damage in an industrial cement large-sized fan. Eng. Fail. Anal. 2023, 146, 107058. [Google Scholar] [CrossRef]
- Suman, A.; Casari, N.; Fabbri, E.; di Mare, L.; Montomoli, F.; Pinelli, M. Generalization of particle impact behavior in gas turbine via non-dimensional grouping. Prog. Energy Combust. Sci. 2019, 74, 103–151. [Google Scholar] [CrossRef]
- Chung, C.-Y.; Tzeng, Y.-C. Effects of Tempering Temperature on the Microstructure and Mechanical Properties of MIM-4605 High-Strength Low-Alloy Steel. JOM 2022, 74, 4736–4745. [Google Scholar] [CrossRef]
- Masoudi Nejad, R.; Aliakbari, K.; Abbasnia, S.K.; Langari, J. Failure analysis of overdrive gear of passenger car gearbox fabricated from powder metallurgy. Eng. Fail. Anal. 2022, 141, 106683. [Google Scholar] [CrossRef]
- Ignatijev, A.; Nečemer, B.; Kramberger, J.; Glodež, S. Fatigue crack initiation and propagation in a PM-gear tooth root. Eng. Fail. Anal. 2022, 138, 106355. [Google Scholar] [CrossRef]
- Vezzani, O.; Fortini, A.; Blum, A.; Morales, C.; Soffritti, C.; Merlin, M. Fractographic investigation and microstructural characterization of a diffusion-bonded sinter-hardened steel: A case study. Eng. Fail. Anal. 2023, 152, 107442. [Google Scholar] [CrossRef]
- ASM Handbook Committee. ASM Handbook: Powder Metal Technologies and Applications; ASM International: Almere, The Netherlands, 1998; Volume 7. [Google Scholar]
- Totten, G.E. Steel Heat Treatment: Metallurgy and Technologies Handbook, 2nd ed.; CRC Press: Boca Raton, FL, USA, 2006. [Google Scholar]
- Chagnon, F.; Gagné, M. Effect of tempering temperature on sintered properties of sinter hardened steels. Met. Powder Rep. 1999, 54, 35. [Google Scholar] [CrossRef]
- D’Armas, H.; Llanes, L.; Peñafiel, J.; Bas, J.; Anglada, M. Tempering effects on the tensile response and fatigue life behavior of a sinter-hardened steel. Mater. Sci. Eng. A 2000, 277, 291–296. [Google Scholar] [CrossRef]
- Chagnon, F.; Gagné, M. Effect of Tempering Temperature on Mechanical Properties and Microstructure of Sinter Hardened Materials. Part. Mater. 1999, 2, 1–12. [Google Scholar]
- Hatami, S.; Andersson, M.; Habibzadeh, P.; Nyborg, L. Tempering of 3Cr-0.5Mo sintered steel: Influence on mechanical properties. Powder Metall. 2012, 55, 302–308. [Google Scholar] [CrossRef]
- Neilan, A.; Warzel, R.; Hu, B.; Aleksivich, B. The influence of tempering parameters on the microstructure and mechanical properties of heat treated low alloy PM steels. In Proceedings of the Advances in Powder Metallurgy and Particulate Materials, International Conference on Powder Metallurgy and Particulate Material, POWDERMET 2018, San Antonio, TX, USA, 17–20 June 2018. [Google Scholar]
- Celik, S.; Ullen, N.B.; Akyuz, S.; Ozel, A.E. Role of Alloying Elements on Powder Metallurgy Steels and Spectroscopic Applications on Them. In Advanced Surface Coating Techniques for Modern Industrial Applications; IGI Global Publishing: Hershey, PA, USA, 2021; pp. 226–246. [Google Scholar]
- Hryha, E.; Nyborg, L. Microstructure Development in Powder Metallurgy Steels: Effect of Alloying Elements and Process Variables. Mater. Sci. Forum 2014, 782, 467–472. [Google Scholar] [CrossRef]
- Danninger, H. Perspectives of Powder Metallurgy in the 2020s. Adv. Eng. Forum 2019, 34, 18–27. [Google Scholar] [CrossRef]
- Danninger, H.; Gierl, C. New alloying systems for ferrous powder metallurgy precision parts. Sci. Sinter. 2008, 40, 33–46. [Google Scholar] [CrossRef]
- Wu, M.W.; Tsao, L.C.; Shu, G.J.; Lin, B.H. The effects of alloying elements and microstructure on the impact toughness of powder metal steels. Mater. Sci. Eng. A 2012, 538, 135–144. [Google Scholar] [CrossRef]
- Wu, M.-W.; Shu, G.-J.; Chang, S.-Y.; Lin, B.-H. A Novel Ni-Containing Powder Metallurgy Steel with Ultrahigh Impact, Fatigue, and Tensile Properties. Metall. Mater. Trans. A 2014, 45, 3866–3875. [Google Scholar] [CrossRef]
- Mousavinasab, S.; Blais, C. The influence of different microstructural constituents on the fatigue crack propagation behaviour of a nickel PM steel. Int. J. Fatigue 2017, 99, 44–54. [Google Scholar] [CrossRef]
- MPIF Standard 35: Materials Standards for PM Structural Part 2009. Available online: https://www.mpif.org/News/PressReleases/TabId/166/ArtMID/1129/ArticleID/409/New-MPIF-Standard-35%E2%80%94-Materials-Standards-for-PM-Structural-Parts-Released.aspx (accessed on 10 October 2023).
- Tougas, B.; Blais, C.; Chagnon, F.; Pelletier, S. Characterization of Nickel Diffusion and its Effect on the Microstructure of Nickel PM Steels. Metall. Mater. Trans. A 2013, 44, 754–765. [Google Scholar] [CrossRef]
- Torralba, J.M.; De Oro, R.; Campos, M. From Sintered Iron to High Performance PM Steels. Mater. Sci. Forum 2011, 672, 3–11. [Google Scholar] [CrossRef]
- Nabee, M.; Frykholm, R.; Hedström, P. Influence of alloying elements on Ni distribution in PM steels. Powder Metall. 2014, 57, 111–118. [Google Scholar] [CrossRef]
- Bernier, F.; Plamondon, P.; Baïlon, J.P.; L’Espérance, G. Microstructural characterisation of nickel rich areas and their influence on endurance limit of sintered steel. Powder Metall. 2011, 54, 559–565. [Google Scholar] [CrossRef]
- Tougas, B.; Blais, C.; Larouche, M.; Chagnon, F.; Pelletier, S. Characterization of the formation of nickel rich areas in pm nickel steels and their effect on mechanical properties. In Proceedings of the Advances in Powder Metallurgy and Particulate Materials, International Conference on Powder Metallurgy and Particulate Materials, PowderMet 2012, Nashville, TN, USA, 10–13 June 2012. [Google Scholar]
- Güral, A. Effect of Heat Treatment on Impact Strength of Powder Steels with 0–2%Nickel. Met. Sci. Heat Treat. 2013, 55, 252–256. [Google Scholar] [CrossRef]
- Schneider, C.A.; Rasband, W.S.; Eliceiri, K.W. NIH Image to ImageJ: 25 years of image analysis. Nat. Methods 2012, 9, 671–675. [Google Scholar] [CrossRef] [PubMed]
- Ke, Y.B.; Cotterell, B.; Mai, Y.W. The fracture resistance of sintered steel. Mater. Sci. Eng. A 1989, 117, 149–156. [Google Scholar] [CrossRef]
- Smith, W.F. Structure and Properties of Engineering Alloys; McGraw-Hill: New York, NY, USA, 1993; ISBN 0070585601. [Google Scholar]
- Höganäs. Handbook for Sintered Components: Metallography Handbook for Sintered Components; Höganäs: Höganäs, Sweden, 1980. [Google Scholar]
- Yuan, Y.; Zhang, Q.; Xue, Y.; Jiang, Y.; Liu, K.; Shen, X.; Zhang, H.; Wang, X. Effects of High Temperature Tempering on Microstructure and Hardness Distribution on 18Cr2Ni4WA Alloy Steel Heavy-duty Gears: Numerical Simulation and Experiments. J. Phys. Conf. Ser. 2023, 2549, 012028. [Google Scholar] [CrossRef]
- Rudnev, V.; Loveless, D.; Cook, R.; Black, M. Induction hardening of gears: A review. Heat Treat. Met. 2004, 11, 58–63. [Google Scholar]
- Krauss, G. Principles of Heat Treatment of Steel; American Society for Metals: Detroit, MI, USA, 1980. [Google Scholar]
- Avner, S. Introduction to Physical Metallury; McGraw-Hill: New York, NY, USA, 1992; ISBN 0070024995. [Google Scholar]
- Hojati, M.; Gierl-Mayer, C.; Danninger, H. Mechanical properties of sinter hardened sintered steels prepared by hybrid alloying. Eur. J. Mater. 2023, 3, 2202714. [Google Scholar] [CrossRef]
- Dudrova, E.; Kabátova, M. A review of failure of sintered steels: Fractography of static and dynamic crack nucleation, coalescence, growth and propagation. Powder Metall. 2016, 59, 148–167. [Google Scholar] [CrossRef]
- Dudrová, E.; Kabátová, M. Fractography of Sintered Iron and Steels. Powder Metall. Prog. 2008, 8, 59–75. [Google Scholar]
- Straffelini, G.; Menapace, C.; Molinari, A. Interpretation of effect of matrix hardening on tensile and impact strength of sintered steels. Powder Metall. 2002, 45, 167–172. [Google Scholar] [CrossRef]
- Straffelini, G.; Molinari, A. Evolution of tensile damage in porous iron. Mater. Sci. Eng. A 2002, 334, 96–103. [Google Scholar] [CrossRef]
- Tomić, Z.; Gubeljak, N.; Jarak, T.; Polančec, T.; Tonković, Z. Micro- and macromechanical properties of sintered steel with different porosity. Scr. Mater. 2022, 217, 114787. [Google Scholar] [CrossRef]
- Dos Santos, D.T.; Salemi, A.; Cristofolini, I.; Molinari, A. The tensile properties of a Powder Metallurgy Cu–Mo–Ni diffusion bonded steel sintered at different temperatures. Mater. Sci. Eng. A 2019, 759, 715–724. [Google Scholar] [CrossRef]
- McMahon, C.J.; Murza, J.C.; Gentner, D.H. Further Compositional Effects on the Temper Embrittlement of 2 1/4 Cr-1 Mo Steels. J. Eng. Mater. Technol. 1982, 104, 241–248. [Google Scholar] [CrossRef]
- Straffelini, G. Impact fracture toughness of porous iron and high-strength steels. Metall. Mater. Trans. A Phys. Metall. Mater. Sci. 2000, 31, 1443–1451. [Google Scholar] [CrossRef]
- Jiang, Z.; Li, Y.; Yang, Z.; Wang, P.; Li, D.; Li, Y. The tempering behavior of martensite/austenite islands on the mechanical properties of a low alloy Mn-Ni-Mo steel with granular bainite. Mater. Today Commun. 2021, 26, 102166. [Google Scholar] [CrossRef]












| Code | Base Alloy | Chemical Composition (wt. %) | ||||
|---|---|---|---|---|---|---|
| C | Ni | Mo | Cu | Lubricant: Kenolube P11 | ||
| 0Ni | Distaloy® DH | 0.66 | - | 1.45 | 2.08 | 0.79 |
| 4Ni | Distaloy® HP | 0.50 | 4.11 | 1.38 | 2.11 | 0.99 |
| Microhardness | ||||||||
|---|---|---|---|---|---|---|---|---|
| Untempered | 180 °C | 220 °C | 280 °C | |||||
| 0Ni | 4Ni | 0Ni | 4Ni | 0Ni | 4Ni | 0Ni | 4Ni | |
| Martensite [HV0.05] | 865 ±14 | 750 ±19 | 806 ±11 | 734 ±8 | 728 ±16 | 661 ±9 | 643 ±13 | 600 ±12 |
| Austenite [HV0.025] | - | 161 ±9 | - | 169 ±7 | - | 163 ±10 | - | 180 ±9 |
| Transition regions [HV0.025] | - | - | - | - | - | 459 ±36 | - | 423 ±47 |
| Impact Energy [J] | ||||||||
|---|---|---|---|---|---|---|---|---|
| Untempered | 180 °C | 220 °C | 280 °C | |||||
| 0Ni | 4Ni | 0Ni | 4Ni | 0Ni | 4Ni | 0Ni | 4Ni | |
| V-notched | 0.735 ±0.035 | 0.985 ±0.078 | 1.021 ±0.054 | 1.064 ±0.032 | 0.914 ±0.076 | 0.997 ±0.057 | 0.778 ±0.042 | 0.887 ±0.070 |
| Unnotched | 2.944 ±0.067 | 7.003 ±0.023 | 7.043 ±0.051 | 7.905 ±0.053 | 6.181 ±0.046 | 7.188 ±0.037 | 3.920 ±0.075 | 4.911 ±0.042 |
Disclaimer/Publisher’s Note: The statements, opinions and data contained in all publications are solely those of the individual author(s) and contributor(s) and not of MDPI and/or the editor(s). MDPI and/or the editor(s) disclaim responsibility for any injury to people or property resulting from any ideas, methods, instructions or products referred to in the content. |
© 2023 by the authors. Licensee MDPI, Basel, Switzerland. This article is an open access article distributed under the terms and conditions of the Creative Commons Attribution (CC BY) license (https://creativecommons.org/licenses/by/4.0/).
Share and Cite
Suman, A.; Fortini, A.; Vezzani, O.; Merlin, M. Microstructural Investigation and Impact Strength of Sinter-Hardened PM Steels: Influence of Ni Content and Tempering Temperature. Metals 2023, 13, 1940. https://doi.org/10.3390/met13121940
Suman A, Fortini A, Vezzani O, Merlin M. Microstructural Investigation and Impact Strength of Sinter-Hardened PM Steels: Influence of Ni Content and Tempering Temperature. Metals. 2023; 13(12):1940. https://doi.org/10.3390/met13121940
Chicago/Turabian StyleSuman, Alessio, Annalisa Fortini, Ottavia Vezzani, and Mattia Merlin. 2023. "Microstructural Investigation and Impact Strength of Sinter-Hardened PM Steels: Influence of Ni Content and Tempering Temperature" Metals 13, no. 12: 1940. https://doi.org/10.3390/met13121940
APA StyleSuman, A., Fortini, A., Vezzani, O., & Merlin, M. (2023). Microstructural Investigation and Impact Strength of Sinter-Hardened PM Steels: Influence of Ni Content and Tempering Temperature. Metals, 13(12), 1940. https://doi.org/10.3390/met13121940

