Electrochemical Behavior and Surface Conductivity of C/TiC Nanocomposite Coating on Titanium for PEMFC Bipolar Plate
Abstract
:1. Introduction
2. Experiments Details
2.1. Preparation of the Nanocomposite Coating
2.2. Characterization
2.3. Electrochemical Measurements
2.4. Interfacial Contact Resistance
3. Results and Discussion
3.1. Surface Structure and Morphology
3.2. Composition of the Coating
3.3. Raman Spectroscopy
3.4. Electrochemical Property
3.5. Conductivity
4. Conclusions
- A C/TiC nanocomposite coating has been successfully prepared on the surface of titanium metallic substrate by combination of magnetron sputtering technology and vacuum heat treatment technology, which consists of a C surface layer (~28.88 nm) and TiC interface layer (~19.5 nm).
- The corrosion resistance of the C/TiC nanocomposite coating titanium bipolar plate was investigated in 0.5 M H2SO4 + 5 ppm HF solution at 80 °C. The results show that the corrosion resistance of the C/TiC nanocomposite coating (0.74 μA cm−2) was greatly improved compared with that of commercially pure titanium substrate (345.10 μA cm−2), and the corrosion current density of the C/TiC nanocomposite coating decreased by 3 orders of magnitude in a simulated cathodic environment.
- Interfacial contact resistance of the C/TiC nanocomposite coating titanium bipolar plate is 2.34 mΩ cm2 under 1.4 MPa compaction force, which is much lower than that of raw CP Ti (38.66 mΩ cm2).
Author Contributions
Funding
Institutional Review Board Statement
Informed Consent Statement
Data Availability Statement
Conflicts of Interest
References
- Asri, N.F.; Husaini, T.; Sulong, A.B.; Majlan, E.H.; Daud, W.R.W. Coating of stainless steel and titanium bipolar plates for anticorrosion in PEMFC: A review. Int. J. Hydrogen Energy 2017, 42, 9135–9148. [Google Scholar] [CrossRef]
- Jiao, K.; Xuan, J.; Du, Q.; Bao, Z.; Xie, B.; Wang, B.; Zhao, Y.; Fan, L.; Wang, H.; Hou, Z.; et al. Designing the next generation of proton-exchange membrane fuel cells. Nature 2021, 595, 361–369. [Google Scholar] [CrossRef] [PubMed]
- Lee, E.-K.; Kim, J.-K.; Kim, T.-J.; Song, H.; Kim, J.-H.; Park, S.-A.; Jeong, T.-G.; Yun, S.-W.; Lee, J.; Goo, J.; et al. Enhanced corrosion resistance and fuel cell performance of Al1050 bipolar plate coated with TiN/Ti double layer. Energy Convers. Manag. 2013, 75, 727–733. [Google Scholar] [CrossRef]
- Park, J.H.; Byun, D.; Lee, J.K. Employment of fluorine doped zinc tin oxide (ZnSnOx:F) coating layer on stainless steel 316 for a bipolar plate for PEMFC. Mater. Chem. Phys. 2011, 128, 39–43. [Google Scholar] [CrossRef]
- Jinlong, L.; Zhuqing, W.; Tongxiang, L.; Ken, S.; Hideo, M. Enhancing the corrosion resistance of the 2205 duplex stainless steel bipolar plates in PEMFCs environment by surface enriched molybdenum. Results Phys. 2017, 7, 3459–3464. [Google Scholar] [CrossRef]
- Junchao, L.; Qing, W.; Rui, J.; Aimin, W.; Guoqiang, L.; Chuang, D. Research Progress of Bipolar Plate Material for Proton Exchange Membrane Fuel Cells. Mater. Rep. A 2018, 32, 2560–2584. [Google Scholar]
- Yi, P.; Zhang, D.; Qiu, D.; Peng, L.; Lai, X. Carbon-based coatings for metallic bipolar plates used in proton exchange membrane fuel cells. Int. J. Hydrogen Energy 2019, 44, 6813–6843. [Google Scholar] [CrossRef]
- Shi, J.; Zhang, P.; Han, Y.; Wang, H.; Wang, X.; Yu, Y.; Sun, J. Investigation on electrochemical behavior and surface conductivity of titanium carbide modified Ti bipolar plate of PEMFC. Int. J. Hydrogen Energy 2020, 45, 10050–10058. [Google Scholar] [CrossRef]
- Tsuchiya, H.; Kobayashi, O. Mass production cost of PEM fuel cell by learning curve. Int. J. Hydrogen Energy 2004, 29, 985–990. [Google Scholar] [CrossRef]
- James, B.D.; Huya-Kouadio, J.M.; Houchins, C.; DeSantis, D.A. Mass Production Cost Estimation of Direct H2 PEM Fuel Cell Systems for Transportation Applications; DOE-StrategicAnalysis-5236-1; Strategic Analysis Inc.: Arlington, VA, USA, 2016. [Google Scholar] [CrossRef]
- Peng, L.; Yi, P.; Lai, X. Design and manufacturing of stainless steel bipolar plates for proton exchange membrane fuel cells. Int. J. Hydrogen Energy 2014, 39, 21127–21153. [Google Scholar] [CrossRef]
- Ji, S.; Hwang, Y.-S.; Park, T.; Lee, Y.H.; Paek, J.Y.; Chang, I.; Lee, M.H.; Cha, S.W. Graphite foil based assembled bipolar plates for polymer electrolyte fuel cells. Int. J. Precis. Eng. Manuf. 2012, 13, 2183–2186. [Google Scholar] [CrossRef]
- Yi, P.; Peng, L.; Feng, L.; Gan, P.; Lai, X. Performance of a proton exchange membrane fuel cell stack using conductive amorphous carbon-coated 304 stainless steel bipolar plates. J. Power Sources 2010, 195, 7061–7066. [Google Scholar] [CrossRef]
- Antunes, R.A.; Oliveira, M.C.L.; Ett, G.; Ett, V. Corrosion of metal bipolar plates for PEM fuel cells: A Review. Int. J. Hydrogen Energy 2010, 35, 3632–3647. [Google Scholar] [CrossRef]
- Wang, H.; Turner, J.A. Reviewing Metallic PEMFC Bipolar Plates. Fuel Cells 2010, 10, 510–519. [Google Scholar] [CrossRef]
- Zhang, D.; Yi, P.; Peng, L.; Lai, X.; Pu, J. Amorphous carbon films doped with silver and chromium to achieve ultra-low interfacial electrical resistance and long-term durability in the application of proton exchange membrane fuel cells. Carbon 2019, 145, 333–344. [Google Scholar] [CrossRef]
- Chung, C.-Y.; Chen, S.-K.; Chiu, P.-J.; Chang, M.-H.; Hung, T.-T.; Ko, T.-H. Carbon film coated 304 stainless steel as PEMFC bipolar plate. J. Power Sources 2008, 176, 276–281. [Google Scholar] [CrossRef]
- Larijani, M.M.; Yari, M.; Afshar, A.; Jafarian, M.; Eshghabadi, M. A comparison of carbon coated and uncoated 316L stainless steel for using as bipolar plates in PEMFCs. J. Alloy. Compd. 2011, 509, 7400–7404. [Google Scholar] [CrossRef]
- Lee, S.H.; Kakati, N.; Maiti, J.; Jee, S.H.; Kalita, D.J.; Yoon, Y.S. Corrosion and electrical properties of CrN- and TiN-coated 316L stainless steel used as bipolar plates for polymer electrolyte membrane fuel cells. Thin Solid Film. 2013, 529, 374–379. [Google Scholar] [CrossRef]
- Zhang, W.; Yi, P.; Peng, L.; Lai, X. Strategy of alternating bias voltage on corrosion resistance and interfacial conductivity enhancement of TiCx/a-C coatings on metallic bipolar plates in PEMFCs. Energy 2018, 162, 933–943. [Google Scholar] [CrossRef]
- Che, J.; Yi, P.; Peng, L.; Lai, X. Impact of pressure on carbon films by PECVD toward high deposition rates and high stability as metallic bipolar plate for PEMFCs. Int. J. Hydrogen Energy 2020, 45, 16277–16286. [Google Scholar] [CrossRef]
- Bi, F.; Hou, K.; Yi, P.; Peng, L.; Lai, X. Mechanisms of growth, properties and degradation of amorphous carbon films by closed field unbalanced magnetron sputtering on stainless steel bipolar plates for PEMFCs. Appl. Surf. Sci. 2017, 422, 921–931. [Google Scholar] [CrossRef]
- Bi, F.; Peng, L.; Yi, P.; Lai, X. Multilayered Zr–C/a-C film on stainless steel 316L as bipolar plates for proton exchange membrane fuel cells. J. Power Sources 2016, 314, 58–65. [Google Scholar] [CrossRef]
- Li, H.; Guo, P.; Zhang, D.; Liu, L.; Wang, Z.; Ma, G.; Xin, Y.; Ke, P.; Saito, H.; Wang, A. Interface-induced degradation of amorphous carbon films/stainless steel bipolar plates in proton exchange membrane fuel cells. J. Power Sources 2020, 469, 228269. [Google Scholar] [CrossRef]
- Netwall, C.J.; Gould, B.D.; Rodgers, J.A.; Nasello, N.J.; Swider-Lyons, K.E. Decreasing contact resistance in proton-exchange membrane fuel cells with metal bipolar plates. J. Power Sources 2013, 227, 137–144. [Google Scholar] [CrossRef]
- Yang, X.; Peng, G.; Hao, L.; Ren-De, C.; Li-Li, S.; Guan-Shui, M.; Ai-Ying, W. Research Progress of Carbon-based Coating for Metal Bipolar Plates of Proton Exchange Membrane Fuel Cells. Surface Technol. 2020, 49, 22–33. [Google Scholar]
- Lin, M.-T.; Wan, C.-H.; Wu, W. Comparison of corrosion behaviors between SS304 and Ti substrate coated with (Ti,Zr)N thin films as Metal bipolar plate for unitized regenerative fuel cell. Thin Solid Films 2013, 544, 162–169. [Google Scholar] [CrossRef]
- Wang, S.-H.; Peng, J.; Lui, W.-B.; Zhang, J.-S. Performance of the gold-plated titanium bipolar plates for the light weight PEM fuel cells. J. Power Sources 2006, 162, 486–491. [Google Scholar] [CrossRef]
- Zhang, H.; Hou, M.; Lin, G.; Han, Z.; Fu, Y.; Sun, S.; Shao, Z.; Yi, B. Performance of Ti–Ag-deposited titanium bipolar plates in simulated unitized regenerative fuel cell (URFC) environment. Int. J. Hydrogen Energy 2011, 36, 5695–5701. [Google Scholar] [CrossRef]
- Zhang, M.; Hu, L.; Lin, G.; Shao, Z. Honeycomb-like nanocomposite Ti-Ag-N films prepared by pulsed bias arc ion plating on titanium as bipolar plates for unitized regenerative fuel cells. J. Power Sources 2012, 198, 196–202. [Google Scholar] [CrossRef]
- Yang, Q.; Jiang, X.U. Properties of Zr Nanocrystalline Coating on Ti Alloy Bipolar Plates in Simulated PEMFC Environments. Acta Phys. Chim. Sin. 2015, 31, 291–301. [Google Scholar] [CrossRef]
- Gao, P.; Xie, Z.; Ouyng, C.; Wu, X.; Lei, T.; Liu, C.; Huang, Q. Carbon composite coatings on Ti for corrosion protection as bipolar plates of proton exchange membrane fuel cells. Micro Nano Lett. 2018, 13, 931–935. [Google Scholar] [CrossRef]
- Xueli, H.; Junguo, T.; Tengfei, Z.; Jinjun, M.; Zecui, G.; Xing, Z.; Qimin, W. Deposition and Anti-Wear/Corrosion Properties of Nano-multilayer TiN/CrN Films on Titanium Alloy. Mater. Rep. 2021, 35, 04139–04143. [Google Scholar]
- Xu, J.; Huang, H.J.; Li, Z.; Xu, S.; Tao, H.; Munroe, P.; Xie, Z.-H. Corrosion behavior of a ZrCN coated Ti alloy with potential application as a bipolar plate for proton exchange membrane fuel cell. J. Alloy. Compd. 2016, 663, 718–730. [Google Scholar] [CrossRef] [Green Version]
- Jun, Y.; Baosen, M.; Hongbin, W.; Zhuo, C. Properties of TiC and TiCrC Modified Coatings Prepared by Ti Alloy Bipolar Plates Magnetron Sputtering. Shanghai Met. 2019, 42, 18. [Google Scholar]
- Gou, Y.; Chen, H.; Li, R.; Geng, J.; Shao, Z. Nb–Cr–C coated titanium as bipolar plates for proton exchange membrane fuel cells. J. Power Sources 2022, 520, 230797. [Google Scholar] [CrossRef]
- Li, W.; Liu, L.-T.; Li, Z.-X.; Wang, Y.-F.; Li, H.-Z.; Lei, J.-J. Corrosion resistance and conductivity of amorphous carbon coated SS316L and TA2 bipolar plates in proton-exchange membrane fuel cells. Diam. Relat. Mater. 2021, 118, 108503. [Google Scholar] [CrossRef]
- Wang, L.; Sun, J.; Sun, J.; Lv, Y.; Li, S.; Ji, S.; Wen, Z. Niobium nitride modified AISI 304 stainless steel bipolar plate for proton exchange membrane fuel cell. J. Power Sources 2012, 199, 195–200. [Google Scholar] [CrossRef]
- Wang, H. Stainless steel as bipolar plate material for polymer electrolyte membrane fuel cells. J. Power Sources 2003, 115, 243–251. [Google Scholar] [CrossRef]
- Li, W.; Liu, L.; Wang, Y.; Li, H.; Li, Z. Evaluation of vacuum heat-treated α-C films for surface protection of metal bipolar plates used in polymer electrolyte membrane fuel cells. Int. J. Hydrogen Energy 2021, 46, 22983–22997. [Google Scholar] [CrossRef]
- Lee, S.H.; Pukha, V.E.; Vinogradov, V.E.; Kakati, N.; Jee, S.H.; Cho, S.B.; Yoon, Y.S. Nanocomposite-carbon coated at low-temperature: A New Coating Material for Metallic Bipolar Plates of Polymer Electrolyte Membrane Fuel Cells. Int. J. Hydrogen Energy 2013, 38, 14284–14294. [Google Scholar] [CrossRef]
- Yi, P.; Zhang, D.; Peng, L.; Lai, X. Impact of Film Thickness on Defects and the Graphitization of Nanothin Carbon Coatings Used for Metallic Bipolar Plates in Proton Exchange Membrane Fuel Cells. ACS Appl Mater. Interfaces 2018, 10, 34561–34572. [Google Scholar] [CrossRef] [PubMed]
- Berger, L.M.; Gruner, W.; Langholf, E.; Stolle, S. On the mechanism of carbothermal reduction processes of TiO2 and ZrO2. Int. J. Refract. Met. Hard Mater. 1999, 17, 235–243. [Google Scholar] [CrossRef]
- Berger, L.M.; Langholf, E.; Jaenicke-Rößler, K.; Leitner, G. Mass spectrometric investigations on the carbothermal reduction of titanium dioxide. J. Mater. Sci. Lett. 1999, 17, 1409–1412. [Google Scholar] [CrossRef]
- Filik, J.; May, P.W.; Pearce, S.R.J.; Wild, R.K.; Hallam, K.R. XPS and laser Raman analysis of hydrogenated amorphous carbon films. Diam. Relat. Mater. 2003, 12, 974–978. [Google Scholar] [CrossRef]
- Leung, T.Y.; Man, W.F.; Lim, P.K.; Chan, W.C.; Gaspari, F.; Zukotynski, S. Determination of the sp3/sp2 ratio of a-C:H by XPS and XAES. J. Non-Cryst. Solids 1999, 254, 156–160. [Google Scholar] [CrossRef]
- Sattel, S.; Robertson, J.; Ehrhardt, H. Effects of deposition temperature on the properties of hydrogenated tetrahedral amorphous carbon. J. Appl. Phys. 1997, 82, 4566–4576. [Google Scholar] [CrossRef]
- Zhang, L.; Koka, R.V. A study on the oxidation and carbon diffusion of TiC in alumina ± titanium carbide ceramics using XPS and Raman spectroscopy. Mater. Chem. Phys. 1998, 57, 23–32. [Google Scholar] [CrossRef]
- Lohse, B.H.; Calka, A.; Wexler, D. Raman spectroscopy as a tool to study TiC formation during controlled ball milling. J. Appl. Phys. 2005, 97, 114912. [Google Scholar] [CrossRef] [Green Version]
- Peng, X.L.; Clyne, T.W. Formation and adhesion of hot filament CVD diamond films on titanium substrates. Thin Solid Film. 1997, 293, 261–269. [Google Scholar] [CrossRef]
- Yi, P.; Zhang, W.; Bi, F.; Peng, L.; Lai, X. Microstructure and properties of a-C films deposited under different argon flow rate on stainless steel bipolar plates for proton exchange membrane fuel cells. J. Power Sources 2019, 410–411, 188–195. [Google Scholar] [CrossRef]
- Yi, P.; Zhang, W.; Bi, F.; Peng, L.; Lai, X. Enhanced Corrosion Resistance and Interfacial Conductivity of TiC x/a-C Nanolayered Coatings via Synergy of Substrate Bias Voltage for Bipolar Plates Applications in PEMFCs. ACS Appl. Mater. Interfaces 2018, 10, 19087–19096. [Google Scholar] [CrossRef] [PubMed]
- Yi, P.; Peng, L.; Zhou, T.; Wu, H.; Lai, X. Development and characterization of multilayered Cr–C/a-C:Cr film on 316L stainless steel as bipolar plates for proton exchange membrane fuel cells. J. Power Sources 2013, 230, 25–31. [Google Scholar] [CrossRef]
- Li, X.; Peng, L.; Zhang, D.; Yi, P.; Lai, X. The frequency of pulsed DC sputtering power introducing the graphitization and the durability improvement of amorphous carbon films for metallic bipolar plates in proton exchange membrane fuel cells. J. Power Sources 2020, 466, 228346. [Google Scholar] [CrossRef]
- Chu, P.K.; Li, L. Characterization of amorphous and nanocrystalline carbon films. Mater. Chem. Phys. 2006, 96, 253–277. [Google Scholar] [CrossRef]
- Robertson, J. Diamond-like amorphous carbon. Mater. Sci. Eng. R. 2002, 37, 129–281. [Google Scholar] [CrossRef] [Green Version]
- Schwan, J.; Ulrich, S.; Batori, V.; Ehrhardt, H.; Silva, S.R.P. Raman spectroscopy on amorphous carbon films. J. Appl. Phys. 1996, 80, 440–447. [Google Scholar] [CrossRef] [Green Version]
- Schwan, J.; Ulrich, S.; Roth, H.; Ehrhardt, H.; Silva, S.R.P.; Robertson, J.; Samlenski, R.; Brenn, R. Tetrahedral amorphous carbon films prepared by magnetron sputtering and dc ion plating. J. Appl. Phys. 1996, 79, 1416–1422. [Google Scholar] [CrossRef] [Green Version]
- Jin, J.; Zhu, Z.; Zheng, D. Influence of Ti content on the corrosion properties and contact resistance of CrTiN coating in simulated proton exchange membrane fuel cells. Int. J. Hydrogen Energy 2017, 42, 11758–11770. [Google Scholar] [CrossRef]
- Wang, L.; Sun, J.; Kang, B.; Li, S.; Ji, S.; Wen, Z.; Wang, X. Electrochemical behaviour and surface conductivity of niobium carbide-modified austenitic stainless steel bipolar plate. J. Power Sources 2014, 246, 775–782. [Google Scholar] [CrossRef]
- Wang, Z.B.; Hu, H.X.; Liu, C.B.; Zheng, Y.G. The effect of fluoride ions on the corrosion behavior of pure titanium in 0.05M sulfuric acid. Electrochim. Acta 2014, 135, 526–535. [Google Scholar] [CrossRef]
- Kim, K.M.; Kim, S.N.; Kim, J.H.; Lee, Y.Y.; Kim, K.Y. Study on surface topography of 446M stainless steel as a bipolar plate on interfacial contact resistance of polymer electrolyte membrane fuel cell. J. Power Sources 2012, 220, 42–46. [Google Scholar] [CrossRef]
- Lee, W.-J.; Yun, E.-Y.; Lee, H.-B.-R.; Hong, S.W.; Kwon, S.-H. Ultrathin effective TiN protective films prepared by plasma-enhanced atomic layer deposition for high performance metallic bipolar plates of polymer electrolyte membrane fuel cells. Appl. Surf. Sci. 2020, 519, 146215. [Google Scholar] [CrossRef]














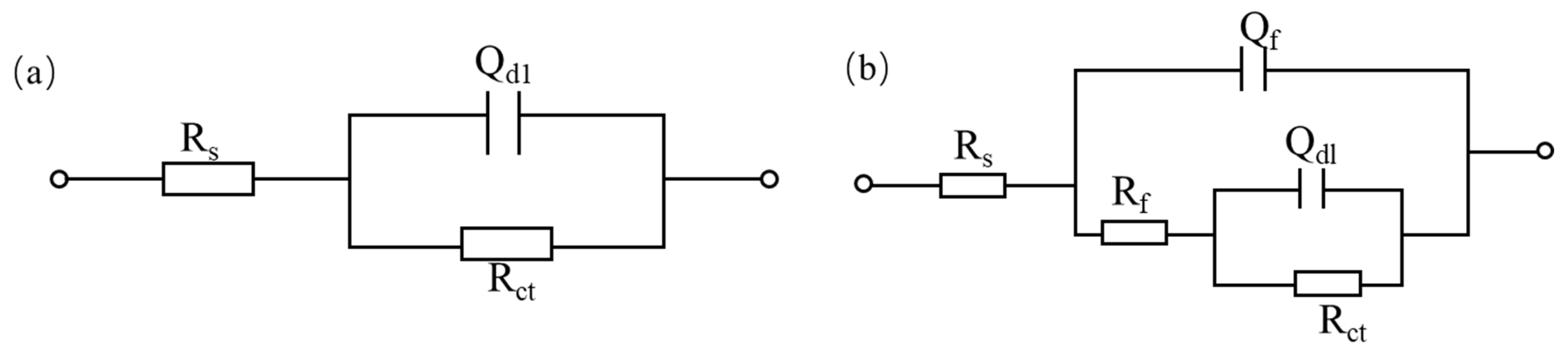
| Specimen | Rs | Qf | Rf | Qdl | Rct | OCP | Ecorr | icorr |
|---|---|---|---|---|---|---|---|---|
| (Ω cm2) | (Ω−1 sn1 cm2) | (Ω cm2) | (Ω−1 sn1 cm2) | (Ω cm2) | (V) | (V) | (μA cm−2) | |
| CP Ti | 1.63 | - | 71.14 | - | 69.51 | −0.16 | −0.70 | 345.10 |
| C Coating | 23.59 | 1.14 × 10−4 | 22,736.57 | 1.14 × 10−4 | 22,713 | 0.04 | −0.08 | 3.18 |
| C/TiC Coating | 3.56 | 7.96 × 10−5 | 49,036.56 | 7.96 × 10−5 | 49,033 | 0.18 | 0.16 | 0.74 |
| Coating | Ecorr/V | Ref. |
|---|---|---|
| a-C/316L | 0.2~0.3 | [54] |
| a-C/TA2 | 0.254 | [37] |
| a-C/Ti/316L | 0.175~0.355 | [40] |
| (Ti,Zr)N–Ti | 0.17 | [27] |
| C/TiC nanocomposite coating | 0.16 | This work |
| a-C/316L | 0.138 | [37] |
| ZrCN/TC4 (2 ppm) | 0.09 | [34] |
| ZrCN/TC4 (4 ppm) | 0.06 | [34] |
| ZrCN/TC4 (6 ppm) | 0.04 | [34] |
| TiN-316L | 0.02 | [19] |
| CrN-316L | −0.018 | [19] |
| TiO2/Ti/Al1050 | −0.054 | [3] |
| Coating | Electrolyte | icorr (μA cm−2) | Ref. |
|---|---|---|---|
| Zr/TC4 | 0.5 M H2SO4 + 2 ppm HF, 70 °C | 7.46 | [31] |
| SnOx:F | 1 M H2SO4 + 2 ppm HF, 70 °C | 6.64 | [4] |
| α-C | 0.5 M H2SO4 + 5 ppm HF, 70 °C | 3.56 | [23] |
| TiN/316L | 0.1 M H2SO4 + 2 ppm HF, 80 °C | 2.5 | [19] |
| ZnSnOx:F | 1 M H2SO4 + 2 ppm HF, 70 °C | 1.2 | [4] |
| ZrCN | 0.5 M H2SO4 + 6 ppm HF, 70 °C | 0.985 | [34] |
| Cr-C/a-C:Cr | 0.5 M H2SO4 + 5 ppm HF, 70 °C | 0.785 | [53] |
| C/TiC nanocomposite coating | 0.5 M H2SO4 + 5 ppm HF, 80 °C | 0.74 | This work |
| Zr-C/α-C | 0.5 M H2SO4 + 5 ppm HF, 70 °C | 0.49 | [23] |
| (Ti,Zr)N–Ti | 0.5 M H2SO4 + 3 ppm HF, 60 °C | 0.212 | [27] |
| Ag:Cr/α-C | pH = 3, 0.1 ppm HF, 80 °C | 0.15~0.38 | [16] |
| Coating | ICR | Ref. |
|---|---|---|
| a-C/316L | 36.1 | [42] |
| CrN/316L | 23 | [19] |
| TiC/Ti | 20.9 | [35] |
| a-C:H/316L | 17.6 | [21] |
| TiCrC/Ti | 16.5 | [35] |
| TDMAT-TiN/316L | 15.239 | [63] |
| Carbon-coated 316L | 12 | [41] |
| ZrCN/Ti | 11.2 | [34] |
| TiN/316L | 10 | [19] |
| Nb-N/304 | 9.26 | [38] |
| Nb-C/304 | 8.47 | [60] |
| TiC-TA1 | 7.5 | [8] |
| α-C/TA2 | 6.52 | [37] |
| α-C/316L | 5.64 | [37] |
| a-C/304 | 5.4 | [13] |
| CrTiN-4A/316L | 4.57 | [59] |
| a-C/TiCx/316L (60V) | 4.55 | [52] |
| Ti-Ag/Ti | 4.1 | [29] |
| a-C/TiCx/316L | 3.85~4.27 | [40] |
| Zr-C/a-C/316L | 3.63 | [23] |
| Cr-C/a-C:Cr/316L | 2.89 | [53] |
| α-C/316L (H7) | 2.53 | [40] |
| C/TiC nanocomposite coating | 2.34 | This work |
| Ti-Ag-N/Ti | 2.3 | [30] |
| a-C/TiCx/316L (60V/300V) | 1.85 | [52] |
| a-C/TiCx/316L (300V) | 1.92 | [52] |
| a-C/TiCx/316L | 1.93 | [54] |
| Nb-Cr-C/TA1 | 1.15 | [36] |
Publisher’s Note: MDPI stays neutral with regard to jurisdictional claims in published maps and institutional affiliations. |
© 2022 by the authors. Licensee MDPI, Basel, Switzerland. This article is an open access article distributed under the terms and conditions of the Creative Commons Attribution (CC BY) license (https://creativecommons.org/licenses/by/4.0/).
Share and Cite
Meng, W.; Zhu, H.; Wang, X.; Li, G.; Fan, Y.; Sun, D.; Kong, F. Electrochemical Behavior and Surface Conductivity of C/TiC Nanocomposite Coating on Titanium for PEMFC Bipolar Plate. Metals 2022, 12, 771. https://doi.org/10.3390/met12050771
Meng W, Zhu H, Wang X, Li G, Fan Y, Sun D, Kong F. Electrochemical Behavior and Surface Conductivity of C/TiC Nanocomposite Coating on Titanium for PEMFC Bipolar Plate. Metals. 2022; 12(5):771. https://doi.org/10.3390/met12050771
Chicago/Turabian StyleMeng, Wei, Haifeng Zhu, Xiaopeng Wang, Guanghui Li, Yingze Fan, Deen Sun, and Fantao Kong. 2022. "Electrochemical Behavior and Surface Conductivity of C/TiC Nanocomposite Coating on Titanium for PEMFC Bipolar Plate" Metals 12, no. 5: 771. https://doi.org/10.3390/met12050771
APA StyleMeng, W., Zhu, H., Wang, X., Li, G., Fan, Y., Sun, D., & Kong, F. (2022). Electrochemical Behavior and Surface Conductivity of C/TiC Nanocomposite Coating on Titanium for PEMFC Bipolar Plate. Metals, 12(5), 771. https://doi.org/10.3390/met12050771

