Investigation on the Electrochemical Corrosion Behavior of TP2 Copper and Influence of BTA in Organic Acid Environment
Abstract
:1. Introduction
2. Materials and Methods
2.1. Materials
2.2. Electrochemical Testing
2.3. Exposure to Organic Acid Gas Atmosphere
2.4. Corrosion Product Analysis
3. Results
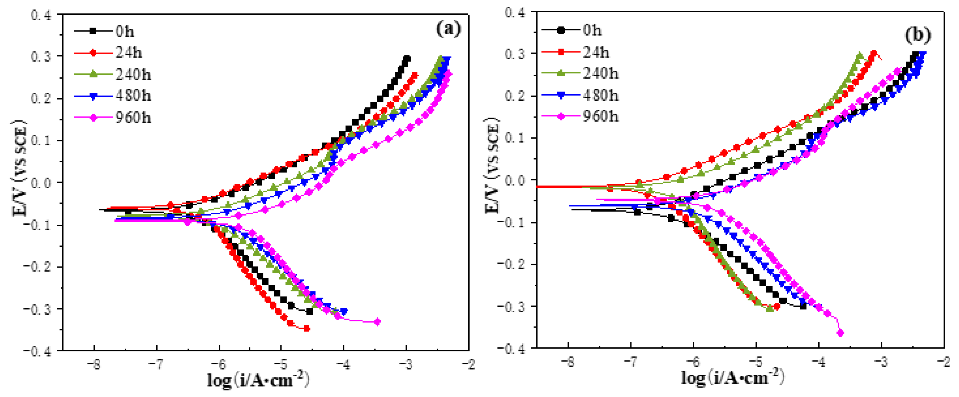
3.1. Potentiodynamic Polarization Measurements
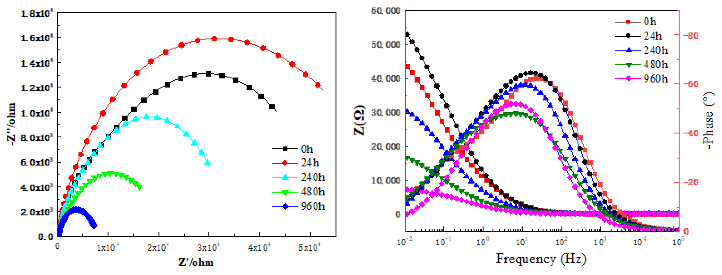
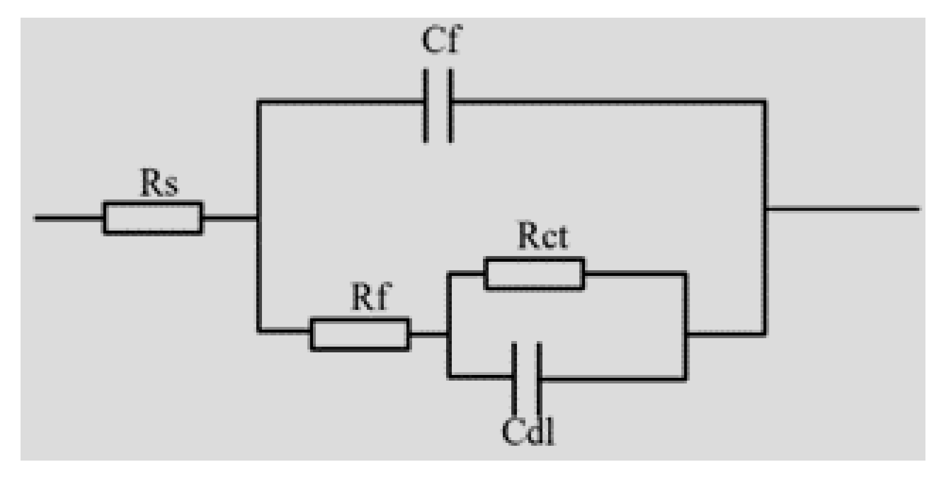
3.2. EIS Behavior
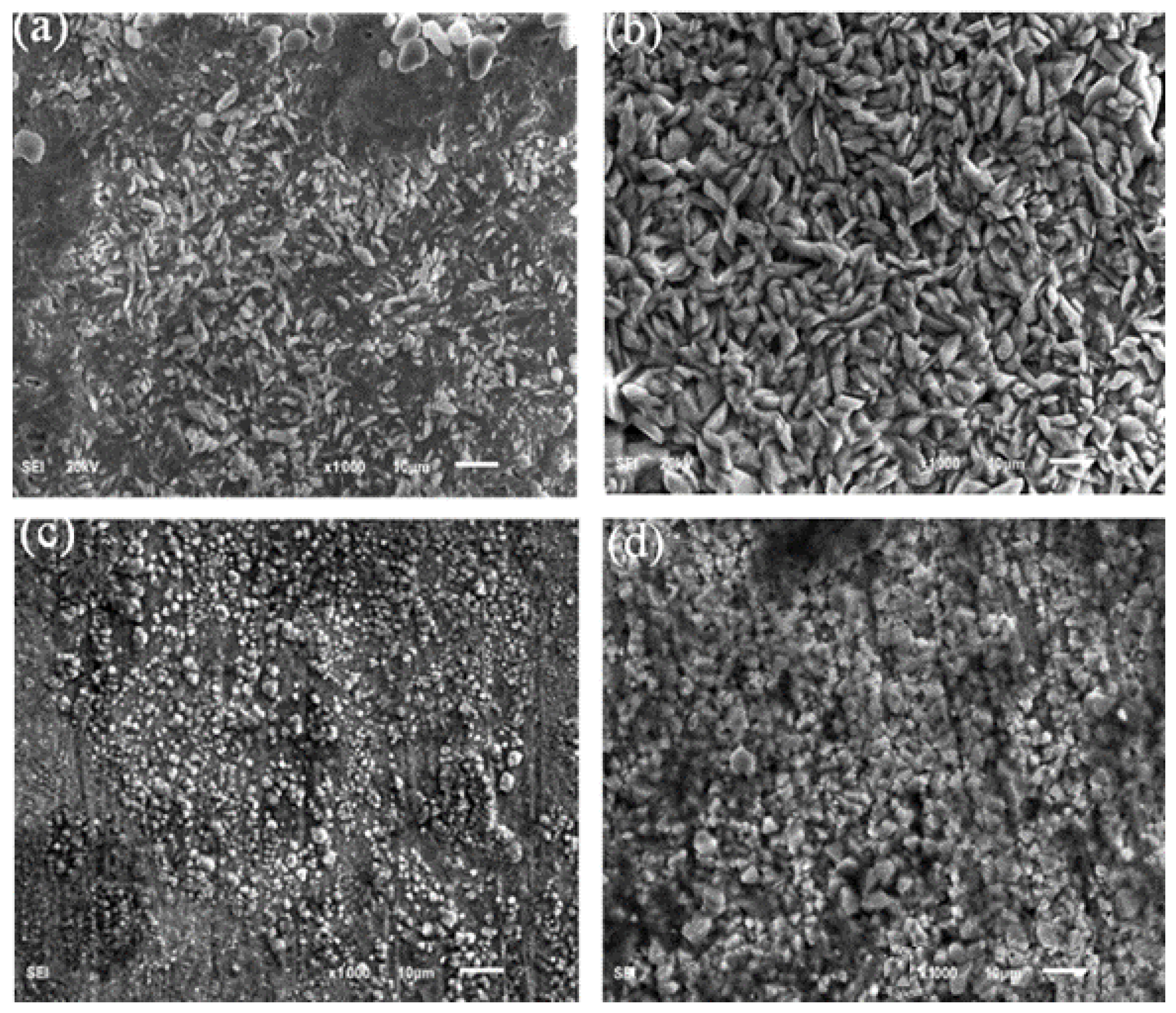
3.3. Morphological Characteristics after Soaking
3.4. SVET Behavior
3.5. Corrosion Morphology Characteristics after Gas Atmosphere Exposure
3.5.1. Micro Topography Analysis
3.5.2. EDS Analysis
3.5.3. XRD Analysis of Phase Results
3.6. Influence of BTA for Corrosion of Copper in Organic Acid Environment
3.6.1. OCP Analysis
3.6.2. SVET Analysis
3.6.3. Corrosion Morphology Analysis
3.6.4. Corrosion Inhibition Mechanism of BTA
4. Conclusions
- The corrosion mechanism of red copper in the two groups of organic acid solutions are similar, and the corrosion rates first decrease and then increase with the prolongation of immersion time. The SVET test results show that copper has a raised anodic peak after immersion in formic acid and acetic acid solutions, the surrounding anodic current fluctuates greatly, more and more organic acid pollutants continue to erode the surface of the sample, and the electrochemical activity increases significantly. The corrosion tendency of red copper in formic acid solution is greater, and the corrosion traces on the surface of the substrate are obvious after soaking.
- With the increase of corrosion time, the corrosion of red copper in the organic acid atmosphere became more serious, the corrosion products on the surface of the sample increased, and the content of Cu decreased significantly. The main corrosion products generated in formic acid atmosphere are copper formate particles, while the main corrosion products generated by red copper in acetic acid atmosphere are cuprous oxide and copper acetate hydrate.
- After adding BTA, the electrochemical activity of red copper in organic acid etching solution gradually weakened, and the anodic peak of SVET became smaller obviously. When the concentration of corrosion inhibitor BTA is 0.5 g/L, the surface of the sample is relatively flat, and there are no large corrosion pits, indicating that a relatively complete protective film is formed on the copper surface under the action of BTA, which reduces the corrosion rate.
Author Contributions
Funding
Institutional Review Board Statement
Informed Consent Statement
Data Availability Statement
Conflicts of Interest
References
- Huang, H.; Guo, X.; Zhang, G. Effect of direct current electric field on atmospheric corrosion behavior of copper under thin electrolyte layer. Corros. Sci. 2011, 53, 3446–3449. [Google Scholar] [CrossRef]
- Chen, X.Z.; Fang, S.Y. Flattery on the development of high-end copper materials. Shanghai Nonferrous Met. 2014, 35, 1–6. [Google Scholar]
- Taher, A. Corrosion Behavior of Copper-Nickel Alloy in Marine Environment. Appl. Mech. Mater. 2015, 799–800, 222–231. [Google Scholar] [CrossRef]
- Zhukov, A.A.; Polovinchuk, V.P.; Churkin, V.S.; Kaubrak, E.V.; Kuz’Menko, V.A.; Pakhnyushchii, I.O. Effect of copper on the thermal conductivity, wear resistance, and machinability of gray cast iron. Metal. Sci. 1989, 31, 262–265. [Google Scholar] [CrossRef]
- Tao, L.; Yin, Y.; Chen, S.; Chang, X.; Sha, C. Super-hydrophobic surfaces improve corrosion resistance of copper in seawater. Electrochimica. Acta 2007, 52, 3709–3713. [Google Scholar]
- Herrera, A.; Alcantara, M.; Hinojosa, J.; Castano, V. Studies on the corrosion resistance of various copper alloys. Corros. Rev. 2000, 18, 489–498. [Google Scholar] [CrossRef]
- Rahmouni, K.; Keddam, M.; Srhiri, A. Corrosion of copper in 3% NaC1 solution polluted by sulphide ions. Corros. Sci. 2005, 47, 3249–3266. [Google Scholar] [CrossRef]
- Barouni, K.; Bazzi, L.; Salghi, R. Some amino acids as corrosion inhibitors for copper in nitric acid solution. Mater. Lett. 2008, 62, 3325–3327. [Google Scholar] [CrossRef]
- Cano, E.; Simancas, J.; Narváez, L.; Bastidas, J.M. Study of copper corrosion by acetic acid vapours at 40 and 80% relative humidities. Bol. Soc. Esp. Ceram. Vidr. 2004, 43, 212–215. [Google Scholar] [CrossRef]
- Baba, H.; Kodama, T. Localized corrosion of copper in wet organic acid vapor. Zairyo-to-Kankyo 1995, 44, 233–239. [Google Scholar] [CrossRef]
- Chandra, K.; Kain, V.; Shetty, P.S.; Kishan, R. Failure analysis of copper tube used in a refrigerating plant. Eng. Fail. Anal. 2014, 37, 1–11. [Google Scholar] [CrossRef]
- Bastidas, D.M.; La lglesia, V.M.; Cano, E.; Fajardo, S.; Bastidas, J.M. Kinetic study of formate compounds developed on copper in the presence of fomic acid vapor. Electrochem. Soc. 2008, 155, C578–C582. [Google Scholar] [CrossRef]
- Bastidas, D.M.; Criado, M.; Fajardo, S.; La lglesia, V.M.; Cano, E.; Bastidas, J.M. Copper deterioration: Causes, diagnosis and risk minimisation. Mater. Rev. 2010, 55, 99–127. [Google Scholar] [CrossRef]
- Cano, E.; Mora, E.M.; Azcaray, H. Copper corrosion initiated by butyric acid vapors. Electrochem. Soc. 2004, 151, B207–B213. [Google Scholar] [CrossRef]
- Situmorang, R.S.; Kawai, H. Investigating the mechanism behind ‘Ant Nest’ corrosion on copper tube. Materials 2018, 11, 533. [Google Scholar] [CrossRef] [PubMed]
- Notoya, T. Localized corrosion in copper tubes and the effect of anti-tarnishing pretreatment. Mater. Sci. Lett. 1991, 10, 389–391. [Google Scholar] [CrossRef]
- Bastidas, D.M.; Cayuela, I.; Rull, J. Ant-nest corrosion of copper tubing in air-conditioning units. Mater. Rev. 2006, 42, 367–381. [Google Scholar] [CrossRef]
- Potzelberger, I.; Mardare, A.I.; Hassel, A.W. Screening of catalytic effects on copper-zinc thin film combinatorial libraries for formaldehyde oxidation. Phys. Stat. Solidi 2015, 212, 1184–1190. [Google Scholar] [CrossRef]
- Mor, E.D.; Beccaria, A.M. Effects of temperature on the corrosion of copper in sea water at different hydrostatic pressures. Materials 1979, 30, 554–558. [Google Scholar] [CrossRef]
- Sánchez-Tovar, R.; Montaés, M.T. The effect of temperature on the galvanic corrosion of the copper/aisi 304 pair in libr solutions under hydrodynamic conditions. Corros. Sci. 2010, 52, 722–733. [Google Scholar] [CrossRef]
- Masahiro, S.; Hironobu, T. Ant Nest Corrosion Developed on Copper Tubes Immersed in Copper Formate and Copper Acetate Solutions. Corros. Eng. 2018, 67, 221–226. [Google Scholar]
- Cozzarini, L.; Marsich, L.; Schmid, C. Ant-nest corrosion failure of heat exchangers copper pipes. Eng. Fail. Anal. 2020, 109, 104387. [Google Scholar] [CrossRef]
- Gil, H.; Leygraf, C.; Tidblad, J. GILDES Model Simulations of the Atmospheric Corrosion of Copper Induced by Low Concentrations of Carboxylic Acids. Electrochem. Sci. 2011, 158, C429. [Google Scholar] [CrossRef]
- Singh, V.B.; Singh, R.N. Corrosion and inhibition studies of copper in aqueous solutions of formic acid and acetic acid. Corros. Sci. 1995, 37, 1399–1410. [Google Scholar] [CrossRef]
- Elliott, P.; Corbett, R.A. Ant Nest Corrosion-Exploring the Labyrinth. Corros. Rev. 2001, 19, 1–14. [Google Scholar] [CrossRef]
- Zhang, D.Q.; Gao, L.X.; Zhou, G.D. Inhibition of copper corrosion in aerated hydrochloric acid solution by heterocyclic compounds containing a mercapto group. Corros. Sci. 2004, 46, 3031–3040. [Google Scholar] [CrossRef]
- Klemm, S.O.; Kollender, J.P.; Hassel, A.W. Combinatorial corrosion study of the passivation of aluminium copper alloys. Corros. Sci. 2011, 53, 1–6. [Google Scholar] [CrossRef]
- Dai, N.; Zhang, J.; Chen, Y. Heat Treatment Degrading the Corrosion Resistance of Selective Laser Melted Ti-6Al-4V Alloy. Electrochem. Soc. 2017, 164, C428–C434. [Google Scholar] [CrossRef]
- Ikeuba, A.I.; Okafor, P.C.; Ita, B.; Obike, A.I.; Abeng, F.E.; Essien, U.; Bamigbola, A. Insitu SVET studies on the current density distribution on dissolving of Mg, MgZn2, Mg2Si and Al4Cu2Mg8Si7 surfaces in NaCl solutions. Anti-Corros. Methods Mater. 2022, 69, 104–110. [Google Scholar] [CrossRef]
- Hussain, A. Corrosion Studies Using the Scanning Vibrating Electrode Technique (SVET)—A Brief Review. Curr. Mater. Sci. 2021, 14, 125–130. [Google Scholar] [CrossRef]
- Echavarria, A.V.; Echeverria, F.E.; Arroyave, C.; Cano, E.; Bastidas, J.M. Carboxilic acids in the atmosphere and their effect on the degradation of metals. Corros. Rev. 2003, 21, 395–414. [Google Scholar] [CrossRef]
- Ling, Y.; Guan, Y.; Han, K.N. Corrosion inhibition of copper with benzotriazole and other organic surfactants. Corros. Sci. 1995, 51, 367–375. [Google Scholar] [CrossRef]
- Maciel, J.M.; Jaimes, R.F.V.V.; Corio, P. The characterization of the protective film formed by benzotriazole on the 90/10 copper–nickel alloy surface in H2SO4 media. Corrosion 2008, 50, 879–886. [Google Scholar] [CrossRef]

















| Solutions | Soaking Time/h | Icorr/μA·cm−2 | Ecorr/mV |
|---|---|---|---|
| Formic acid | 0 | 0.785 | −65.5 |
| 24 | 0.628 | −59.7 | |
| 240 | 1.44 | −78.5 | |
| 480 | 2.16 | −84.5 | |
| 960 | 4.55 | −90.1 | |
| Acetic acid | 0 | 0.437 | −71.2 |
| 24 | 0.311 | −16.6 | |
| 240 | 0.791 | −18.2 | |
| 480 | 1.6 | −60.7 | |
| 960 | 3.44 | −43 |
| Soaking Time (h) | Rsol (Ω · cm2) | Cf (F/cm2) | Rf (Ω · cm2) | Cdl (F/cm2) | Rct (Ω · cm2) |
|---|---|---|---|---|---|
| 0 | 75.6 | 4.94 × 10−6 | 3.92 × 103 | 4.1 × 10−5 | 2.31 × 104 |
| 24 | 160 | 3.61 × 10−6 | 7.53 × 103 | 1.51 × 10−5 | 3.46 × 104 |
| 240 | 71.7 | 5.76 × 10−5 | 5.22 × 103 | 1.13 × 10−4 | 1.48 × 104 |
| 480 | 50.3 | 4.72 × 10−5 | 3.04 × 103 | 1.13 × 10−4 | 9.70 × 103 |
| 960 | 36.2 | 1.11 × 10−4 | 0.583 × 103 | 3.43 × 10−3 | 1.47 × 103 |
| Soaking Time (h) | Rsol (Ω · cm2) | Cf (F/cm2) | Rf (Ω · cm2) | Cdl (F/cm2) | Rct (Ω · cm2) |
|---|---|---|---|---|---|
| 0 | 174 | 9.8 × 10−6 | 10.9 × 103 | 4.46 × 10−5 | 4.45 × 104 |
| 24 | 196 | 9.24 × 10−6 | 7.89 × 103 | 2.37 × 10−5 | 6.32 × 104 |
| 240 | 182 | 2.11 × 10−5 | 9.52 × 103 | 5.29 × 10−4 | 2.53 × 104 |
| 480 | 202 | 3.53 × 10−5 | 1.73 × 103 | 6.36 × 10−4 | 2.01 × 104 |
| 960 | 134 | 3.86 × 10−5 | 0.37 × 103 | 7.98 × 10−4 | 7.58 × 103 |
| Corrosive Environment | Cu | O | C |
|---|---|---|---|
| Formic acid | 40.12 | 42.83 | 17.05 |
| Acetic acid | 66.63 | 16.66 | 16.71 |
Publisher’s Note: MDPI stays neutral with regard to jurisdictional claims in published maps and institutional affiliations. |
© 2022 by the authors. Licensee MDPI, Basel, Switzerland. This article is an open access article distributed under the terms and conditions of the Creative Commons Attribution (CC BY) license (https://creativecommons.org/licenses/by/4.0/).
Share and Cite
Zhang, Z.; Zheng, C.; Yi, G.; Zhang, C.; Qi, H. Investigation on the Electrochemical Corrosion Behavior of TP2 Copper and Influence of BTA in Organic Acid Environment. Metals 2022, 12, 1629. https://doi.org/10.3390/met12101629
Zhang Z, Zheng C, Yi G, Zhang C, Qi H. Investigation on the Electrochemical Corrosion Behavior of TP2 Copper and Influence of BTA in Organic Acid Environment. Metals. 2022; 12(10):1629. https://doi.org/10.3390/met12101629
Chicago/Turabian StyleZhang, Zhexu, Chuanbo Zheng, Guo Yi, Cheng Zhang, and Haoyu Qi. 2022. "Investigation on the Electrochemical Corrosion Behavior of TP2 Copper and Influence of BTA in Organic Acid Environment" Metals 12, no. 10: 1629. https://doi.org/10.3390/met12101629
APA StyleZhang, Z., Zheng, C., Yi, G., Zhang, C., & Qi, H. (2022). Investigation on the Electrochemical Corrosion Behavior of TP2 Copper and Influence of BTA in Organic Acid Environment. Metals, 12(10), 1629. https://doi.org/10.3390/met12101629
