Next Article in Journal
The Role of Silica in the Chlorination–Volatilization of Cobalt Oxide by Using Calcium Chloride
Previous Article in Journal
Effect of Tungsten Carbide Morphology, Quantity, and Microstructure on Wear of a Hardfacing Layer Manufactured by Plasma Transferred Arc Welding
Previous Article in Special Issue
Impact of Laser Texturing on Ni-Based Single Crystal Superalloys
 
 
Font Type:
Arial Georgia Verdana
Font Size:
Aa Aa Aa
Line Spacing:
Column Width:
Background:
Article

Investigation of Laser Treatment as a Method for Fatigue Crack Growth Retardation in Aluminum Alloy 2198-T851

by
Cauê Pettermann Carvalho
1,
Milton Sergio Fernandes de Lima
2,
Viktor Pastoukhov
1 and
Carlos Antonio Reis Pereira Baptista
1,*
1
Engineering School of Lorena, University of São Paulo (EEL/USP), Lorena 12602-810, SP, Brazil
2
Photonics Division, Institute for Advanced Studies (IEAv/DCTA), São José dos Campos 12242-150, SP, Brazil
*
Author to whom correspondence should be addressed.
Metals 2021, 11(12), 2034; https://doi.org/10.3390/met11122034
Submission received: 4 November 2021 / Revised: 4 December 2021 / Accepted: 11 December 2021 / Published: 15 December 2021
(This article belongs to the Special Issue Laser Treatment of Metallic Materials)

Abstract

:
Among the third-generation Al-Li alloys, AA2198 stands out for its lower density, formability and increased stiffness, being suitable for use in aircraft fuselage sheets and other inner structures in order to reduce weight and improve performance. An important topic related to damage tolerant structures is the development of techniques to retard fatigue crack propagation, such as the localized heating by a laser source. The aim of the present work was to find the most suitable parameters for the production of laser heating lines in 2198-T851 alloy sheets in order to reduce the fatigue crack growth rate in this material. Laboratory tests using C(T) specimens under two loading conditions (R = 0.1 and 0.5) provided a useful dataset on the laser heated material. The experimental results indicate a 200 W laser beam power at treatment speeds of 1 and 10 mm/s was sufficient to retard crack growth in the current setup. The more expressive results were obtained for 200 W laser power with a speed of 1 mm/s and cyclic loading with stress ratio R = 0.1.

1. Introduction

The growing demand for lighter structures and for manufacturing and operating costs reduction has driven research into materials and processes for the aeronautical industry. A current trend in these projects is comprised of hybrid structures combining composite materials and advanced aluminum alloys, of which the latest to find general use in the aircraft industry is the aluminum-lithium (Al-Li) alloy. Lithium is the lightest known metal and the addition of Li to aluminum alloys offers the promise of substantially reducing the weight of aeronautical alloys. Just 1 wt.% Li added to aluminum reduces the density by 3% and increases the elastic modulus by about 6%. Al-Li alloys are fairly weldable, possess high fracture toughness and present high resistance to fatigue crack propagation [1,2].
The third generation of Al-Li was developed from the 1990s with reduced Li concentrations, aiming to solve the anisotropy and thermal stability problems presented by the previous Al-Li alloys. An emphasis was given on the 2xxx system, resulting in an essentially ternary Al-Cu-Li with Li contents generally being between 1 and 2 wt.% and Cu contents between 2 and 4 wt.%, although other elements can also be added to the alloys. The typical intermetallic precipitates formed during thermo-mechanical processing, and which respond for the main hardening mechanisms, are δ’ (Al3Li), θ’ (Al2Cu), T1 (Al2CuLi), β’ (Al3Zr) and S’ (Al2CuMg). Among the developed alloys, the AA2198 class stands out for its lower density, good formability and increased stiffness, being suitable for use in fuselage skins and other inner structures aiming to reduce weight and improve performance [3,4].
In damage tolerant metallic structures, the adoption of less conservative projects is made possible by enhancing the reliability of the life predictions of cracked components. Much study has been conducted on the fatigue crack growth (FCG) of metallic materials. However, an important topic related to this subject that needs more research is the development of techniques to mitigate or retard FCG. Over time, various efforts have been made, ranging from drilling holes near to the crack tip causing its temporary stop [5], to methods such as shot peening, cold expansion, overloads, adhesive bonded coatings and various laser treatments [6,7,8,9,10,11]. Most of them are based on the introduction of compressive residual stresses favoring retardation or even crack arrest. Even if the positive effects of the induced residual stresses are not taken into account in a project, manufacturers and operators use such techniques because they help to reduce the maintenance costs. Recently developed methods like the localized heating by a laser source are promising tools to improve the damage tolerance approach [7,12,13,14].
The localized heating gives rise to residual stress fields due to the differential thermal expansion and contraction between the heated volume and the base metal, similarly to the residual stresses developed upon welding, and it seems to be more feasible for use in thin sheets. Yee and Sidhu [7] evaluated the claim previously made by Parker [12] in his patent, that the residual tensile stress induced by heating a narrow strip of sheet material along the crack path and ahead of the crack can reduce the shear stress at the crack tip resulting from fatigue loading and thus effectively retard the FCG rate. They pointed out the need for further research to determine the laser absorbent coating for aluminum alloys and for a more accurate control of process parameters such as the duration of laser beam exposure and the speed of laser scanning. Schnubel et al. [13] used an Nd:YAG laser to produce heating lines perpendicular to the crack growth direction in AA2198-T3 C(T)100 specimens. The tensile residual stresses generated in the direction of the heating line were compensated for by compressive residual stresses near the heating line. These compressive stresses retarded FCG, enabling a 100% increase in the propagation life of 5 mm thick sheets. Cunha and Lima [14] applied laser heating lines in AA2024-T3 alclad 1.6 mm thick specimens using a Yb:fiber laser. The laser power was maintained at 200 W and a combination of laser speed, number of heating lines and surface coating were applied to the specimens. The best results in terms of increased FCG lifetime for tests conducted at a stress ratio of 0.1 were achieved by applying two laser heat lines to carbon black spray-painted specimens and were in the range of 44% to 64%, depending on laser speed. Kashaev et al. [15] used a 2.2-kW Nd:YAG laser to apply a defocused laser beam power of 600 W with a spot diameter of 3.5 mm and an advance speed of 1.6 m/min to the surface of 2 mm thick AA20204-T3 sheets. Two different treatment designs were investigated regarding their potential to retard FCF: lines and circles. The highest FCG life extension of 285% was achieved by the application of four laser beam heating lines or two circles on each specimen side. Although some advances have been made, more research is needed regarding the optimization of laser heating treatments and the quantification of their effects.
The aim of the present work was to find the most suitable parameters for the production of laser heating lines in 2198-T851 alloy sheets in order to reduce the FCG rate in this material. Laboratory tests using C(T) specimens under diverse loading conditions provided a useful dataset on the laser heated material. The experimental data were analyzed in order to describe and explain the effect of laser heating on the FCG behavior of the alloy.

2. Material and Methods

The material used in this work was an AA2198-T851 sheet with 2.0 mm thickness. This third-generation Al-Li alloy patented by Constellium (formerly Alcan) with the trademark “Airware” is one of the most advanced Al-Li alloys commercially available currently. The T851 temper corresponds to solution heat treatment followed by quenching, stress relieving by stretching and then artificial aging. The chemical composition of the alloy, determined via inductively coupled plasma mass spectrometry (ICP Vista MPX, Varian, Palo Alto, CA, USA) in a previous work [16], conforms to AMS 4412 standard and includes, as main elements, the following (wt. %): 1.01 Li, 3.68 Cu, 0.305 Mg, 0.12 Zr, 0.03 Si, 0.027 Ti, 0.08 Fe and 0.01 Zn (Al–remainder). The tensile properties of the AA2198-T851 sheet material are: Young’s modulus = 81 GPa, yield stress = 439 MPa and ultimate tensile strength = 480 MPa [16].
The local heating treatments were performed using an IPG Photonics (Oxford, MA, USA) Yb:fiber laser model YLR-2000, with a maximum power of 2 kW. The optical head was positioned 12.2 mm above the focal length, resulting in a Gaussian spot diameter of 2 mm on the surface of the aluminum sheet samples, which were previously spray painted with carbon black to ensure uniform absorption of the laser heating. The laser irradiation experiments were performed in a computerized numerical control (CNC) table. In order to find the most promising process parameters, some preliminary tests were conducted in which various combinations of the laser powers (150, 200 and 250 W) and the optical head displacement speed over the sheet surface (1, 2.5, 5 and 10 mm/s) were set. The objective of these tests was to determine laser energy densities that produce visible heating lines without undesirable effects such as excessive melting of the material (as in welding) or visible bending of the sheet samples. By means of visual inspection, the resulting interaction between the laser beam and the sheet material was rated as weak (any effect), ideal, or destructive (too much melting). Some combinations considered optimal were performed in quadruplicate for statistical purposes.
Microstructural analyses and hardness measurements were performed in cross section samples taken from the preliminary test sheets. The samples were sectioned transversely to the heating lines by abrasive cutting with a low-speed diamond saw, cold mounted in epoxy resin and then mechanically polished and etched (10 s) with Keller reagent (190 mL distilled water, 5 mL nitric acid, 3 mL hydrochloric acid and 2 mL hydrofluoric acid) for microstructure visualization using a Leica (Wetzlar, Germany) DM4000 optical microscope. The hardness measurements, taken approximately 100 μm below the laser treated surface, were performed using a Buehler (Lake Bluff, IL, USA) Micromet 2004 Vickers hardness tester with 50 gf load and 10 s dwell time.
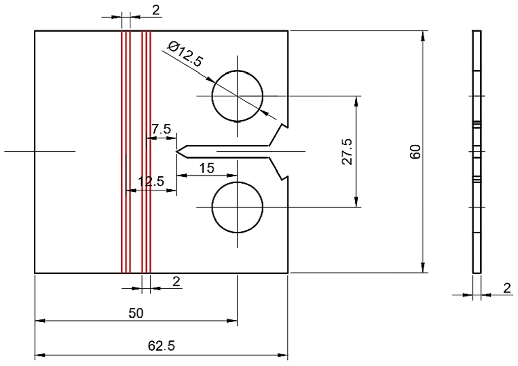
Compact tension C(T) specimens, cut in the T-L orientation, were adopted for the FCG tests. The specimens were manufactured by electrical discharge machining including the notch with a root radius of 0.25 mm. From the preliminary tests, two laser beam heating conditions were selected for the fatigue specimens, namely, the displacement speeds of 1 mm/s and 10 mm/s, both with a laser power level of 200 W. Just like the preliminary test sheets, the FCG specimens were spray painted with carbon black prior to laser irradiation. Each specimen was irradiated with two heating lines on the same side and each heating line was produced by a single laser pass. The position and number of the heating lines were based on the previous work by Cunha and Lima [14]. For comparison, some of the FCG specimens were left in the “as-received” condition (i.e., without laser beam heating line). The specimen dimensions, including the heating lines position, are shown in Figure 1.
The FCG tests, conducted in accordance with the ASTM E647-15e1 standard at room temperature in laboratory air, were performed with constant load amplitude under force control using an MTS (Eden Prairie, MN, USA) 810 servo-hydraulic machine. The fatigue pre-cracking of the specimens was performed prior to the FCG tests, by letting a pre-crack to grow about 15 mm from the notch tip and ensuring that the final maximum load during pre-crack was less than the maximum load of the test, for which the data were obtained. The test frequency was kept constant at 5 Hz and the loading waveform was sinusoidal. Two load ratios (min/max) were adopted for the tests: R = 0.1 and 0.5. The compliance method of crack length monitoring was used during the tests. The crack growth rate was calculated using both the secant and the seven-point incremental polynomial methods.

3. Results

3.1. Microstructural Examination and Hardness Measurements

Figure 2 presents cross section optical micrographs of samples treated with 200 W laser power and four laser speeds, showing the influence of the laser treatments on the microstructure beneath the laser irradiated surfaces. It can be seen that, for the laser speeds of 2.5 and 5 mm/s, the material was melted, resulting in a porous resolidified layer. It is noteworthy that, for both the highest and lowest adopted speeds, no surface melting occurred. The heating marks are visible and distinguished by their coarser microstructure resulting from grain growth. While the absence of a fusion zone in the 10 mm/s sample can be attributed to a lower heat input, it is somewhat surprising to find the same feature in the material treated with 1 mm/s laser speed. One possible reason for this is that the higher heat input resulted in a more intense oxidation of the carbon black, thus reducing the ablative layer. The direct interaction of the laser beam with the aluminum sheet due to the higher reflectivity results in less energy absorption. All of the tests with laser power 250 W resulted in fusion zones with high porosity. On the other hand, the tests with laser power of 150 W resulted in almost indistinguishable microstructural changes. These conditions (150 W and 250 W) were not presented here.
The hardness profiles for the samples treated with 200 W laser power are shown in Figure 3, in which the horizontal axis corresponds to the distance from the laser beam centerline. For the samples corresponding to laser speeds of 2.5 mm/s and 5 mm/s, the hardness values at the fusion zone dropped from 155 HV (base metal) to levels of about 60 HV with a high dispersion in hardness values, which may be due to the porosity observed in the fusion zone. Naturally the conditions where pores appeared were considered of no interest for the fatigue crack growth experiments. The unmelted samples, that is, laser speeds of 1 mm/s and 10 mm/s, presented distinct hardness profiles, which will be discussed in the next section.

3.2. Fatigue Crack Growth Tests

The two promising laser heating conditions (laser power 200 W and speeds of 1 mm/s and 10 mm/s), from here referred to as L01 and L10, were adopted for the fatigue crack growth tests in a comparative study with the as-received (AR) material. The raw fatigue crack growth data obtained in the tests with load ratios R = 0.1 (with Pmax = 800 N) and R = 0.5 (with Pmax = 1.1 kN) are plotted in Figure 4 and Figure 5, respectively.
It is noticeable that a crack arrest occurred in L01-R01 FCG test (Figure 4), which was interrupted after approximately 115,000 cycles and 3 mm crack length increase. A deviation of 12° was observed in the arrested crack growth direction, after an initial growth normal to the loading direction. The other test conditions did not show significant crack deflection. The drop in the crack growth rate can be also observed in Figure 6, in which da/dN calculated by the secant method is plotted against crack size for the R = 0.1 tests. The maximum load in that test was then increased from 800 N to 1.1 kN and the test was resumed. Another L01-R01 test with increased load (Pmax = 1.6 kN) was also performed from the beginning for the da/dNK analyzes. The calculations of ΔK were done according to ASTM E647-15e1.
Figure 7 and Figure 8 present, in bi-logarithmic scale, the fatigue crack growth rate in terms of the stress intensity factor range (ΔK) nominal values. In both loading conditions (R = 0.1 and R = 0.5) it was observed that FCG rates of L01 specimens started from lower levels.

4. Discussion

For clearness purposes, Vickers hardness profiles for the laser speeds of 1 mm/s and 10 mm/s are plotted again in Figure 9. In these conditions, the hardness was also reduced, although not so much as in the samples presenting a fusion zone (see Figure 3). Moreover, the two conditions resulted in clearly distinct hardness profiles. These features may be discussed based on the premise that hardness in AA2198 depends effectively on the density and size of the strengthening precipitates, which can be strongly affected by the local thermal cycles experienced by the samples during the laser heating.
Zhao et al. [17] evaluated the effect of laser pressure weld in AA2198, showing the relationship between hardness and precipitation evolution in the weld metal and in the heat affected zones (HAZ). By means of transmission electron microscopy analyses, they found that the base material AA2198 with 155–170 HV contained a high density of T1 phase, medium density of needle-shaped θ’ and spherical δ’ phases and a low density of spherical β’ and needle-shaped S’ phases. The distribution of the hardening precipitates significantly changed, in different ways, in the weld metal and in various positions of the HAZ. This was attributed to the fact that these phases are formed and dissolve at distinct temperature ranges. Besides, the softening in the welded region was essentially due to the reduced density of fine T1 precipitates, associated with their dissolution or coarsening [17]. The presence of significantly coarsened β’, re-precipitated δ’ (during cooling) and Cu and Li solutes in a region of dissolved precipitates, among others, also contributed to the variations observed in the hardness profile. Although the present work does not deal with laser welding, the material beneath the irradiated surface is subjected to thermal cycles that can transform the hardening precipitates as well. As shown in Figure 2, the laser heating at 1 mm/s caused a lower hardness drop in a wider area than the laser heating at 10 mm/s. Moreover, there is a hardness peak (120 HV) in the middle of the heating line produced at 1 mm/s. These features are the result of the thermal cycles experienced by the material, which in turn depends basically on the laser speed and eventually the oxidation characteristics of the carbon black layer. A detailed precipitates investigation is beyond the scope of this work.
The distinct hardness profiles observed in Figure 2 are therefore a consequence of temperature differences in the heating lines and may also be related to differences in residual stresses and, consequently, in the fatigue crack growth behavior as previously shown. On the other hand, the effect of laser heating on the FCG rate depends also on the stress ratio, being more evident for R = 0.1 than for R = 0.5 (Figure 4 and Figure 5). In tests under the same conditions (R and Pmax), the life increases due to crack retardation at subcritical crack growth were approximately the following: 5% for L10-R05, 32% for L01-R05 and 30% for L10-R01. The L01-R01 test under the same Pmax resulted in crack arrest and was resumed with a higher load. Another test with increased Pmax = 1.6 kN was conducted for the simulation purposes. The reason for the R-effect on the performance of laser treated material regarding FCG resistance may lie in how the residual stresses affect the driving force for crack growth, as discussed in the following paragraphs. Beyond that, it was the combination of the more favorable laser heating parameters and loading condition that led the L01-R01 condition to show a better effect on restraining the fatigue crack growth.
The stress intensity factor K is a parameter of Linear Elastic Fracture Mechanics that reflects the elastic stress field in the vicinity of the crack tip as a function of the crack size itself and the nominal stress applied to the part. Bearing in mind that stress tends to infinity in the elastic asymptote, the formation of a plastic zone at the tip of the crack is considered, limiting the stress values. In a loading cycle, ΔK relates to the difference between the stress fields acting on loading and unloading and is accepted as the driving force for fatigue crack growth as described, for example, by the well-known Paris model [18]:
da/dN = CK)n,
where C, n are fitting constants. For a given maximum load in the loading cycle, the elastic stresses in the unloading increase with the increase of R [19]. On the other hand, in the case of laser-treated samples, there are compressive residual stresses along the crack line, in equilibrium with the resultant tractive residual stresses acting on the heating lines. The intensity of these stresses depends, among other factors, on the laser treatment parameters, on the material properties and geometry of the specimen. For example, compressive residual stresses of −30 MPa were found in AA2198-T8 CT(100) specimens by Schnubel et al. [13] and values between −30 MPa and −22 MPa were observed along the crack line in AA2024-T3 CT(50) specimens by Cunha and Lima [14]. However, these measurements do not take in account possible residual stress relaxation and/or redistribution as the crack grows, which makes it difficult to model fatigue crack propagation.
A straightforward way to get around this issue when modeling FCG is to assume a constant value for residual stress along the crack path. Thus, it is considered that this compressive static field, superimposed on the applied load, acts by reducing the normal stresses ahead of the crack described by the stress intensity factor range. Two possible situations may arise from this superposition when considering the effective K values. If the residual stress is sufficient only to reduce the effective values of Kmax and Kmin without zeroing the latter, we have a situation where ΔKef = ΔK, but with an effective stress ratio less than the nominal, that is, Ref < R, and, in this case, the reduction in the crack growth rate tends to be modest or negligible. On the other hand, if the compressive residual stress is sufficient to make Kmin negative, the zero value is adopted for this parameter, resulting in the effective stress intensity factor range also being smaller than the nominal one, that is, ΔKef < ΔK, leading to a more expressive reduction in the crack growth rate, as observed here for the R = 0.1 tests.
In order to model FCG for this loading condition, numerical simulations of crack growth were performed. To do so, initially the fitting parameters for the Paris equation were determined for the AR-R01 test condition, resulting in C = 1.57 × 10−10 and n = 2.318. Then the crack length versus number of cycle curves can be determined by numerical integration and fits very well to experimental data, as shown in Figure 10. For the laser treated conditions L10-R01 (Pmax = 800 N) and L01-R01 (Pmax = 1.6 kN), the crack growth curves were obtained by adopting the AR-R01 fitting parameters and superposing in ΔK calculations a uniformly distributed compressive stress acting from the initial crack length up to a = 27.5 mm. The compressive stresses for each condition were determined by a trial-and-error bisection method in which the effective ΔK and R values were determined by subtracting a chosen compressive load Prc from Pmax and Pmin and adopting the value zero for the latter in case of negative result. The obtained results were Prc = −180 N for L10-R01 and Prc = −390 N for L01-R01 condition. The numerical simulations resulting from this simple method are shown in Figure 11 and Figure 12 and proved suitable to reproduce the experimental results. Note that, by superposing the compressive load −390 N on the loading condition that resulted in crack arrest (Figure 4), the corresponding apparent threshold observed in ΔK (see Figure 6) would be recalculated as about 6.0 MPa·m0.5, which is a reasonable value. Additionally, the individual fitting parameters for all of the test conditions to the Paris model were calculated and presented in Table 1 to allow a comparative view.

5. Conclusions

For the laser line heating treatments of AA 2198-T851 2 mm thick sheets, the suitable process conditions were 200 W laser power with speeds of 1 mm/s or 10 mm/s. The distinct hardness profiles observed beneath the laser irradiated surfaces were attributed to thermal cycle differences in the heating lines. The effects of laser heating on fatigue crack growth behavior depend not only on the process parameters, but also on the loading conditions. The more expressive results were obtained for heating with laser speed of 1 mm/s and cyclic loading with stress ratio R = 0.1.

Author Contributions

Conceptualization, C.A.R.P.B. and M.S.F.d.L.; methodology, C.P.C., M.S.F.d.L., V.P. and C.A.R.P.B.; investigation, C.P.C., V.P. and C.A.R.P.B.; writing—original draft preparation, C.A.R.P.B. and C.P.C.; writing—review and editing, M.S.F.d.L.; supervision, C.A.R.P.B. and M.S.F.d.L.; project administration, C.A.R.P.B. and M.S.F.d.L.; funding acquisition, C.A.R.P.B. All authors have read and agreed to the published version of the manuscript.

Funding

This research was funded by the São Paulo State Research Support Foundation (FAPESP), grant number 2018/16438-9.

Institutional Review Board Statement

Not applicable.

Acknowledgments

C.P.C. acknowledges the Coordination of Superior Level Staff Improvement (CAPES) and C.A.R.P.B. acknowledges the National Council for Scientific and Technological Development (CNPq) for the research grants.

Conflicts of Interest

The authors declare no conflict of interest.

References

  1. Wanhill, R.J.H. Fatigue requirements for aircraft structures. In Aerospace Materials and Material Technologies, 1st ed.; Prasad, N.E., Wanhill, R.J.H., Eds.; Springer: Singapore, 2017; Volume 2, pp. 331–352. [Google Scholar] [CrossRef]
  2. Megson, T.H.G. Materials. In Aerospace Engineering Desk Reference, 1st ed.; Butterworth-Heinemann: Oxford, UK, 2009; pp. 103–119. [Google Scholar]
  3. Rioja, R.J.; Liu, J. The Evolution of Al-Li Base Products for Aerospace and Space Applications. Metall. Mater. Trans. A 2012, 43, 3325–3337. [Google Scholar] [CrossRef]
  4. Alexopoulos, N.D.; Migklis, E.; Stylianos, A.; Myriounis, D.P. Fatigue behavior of the aeronautical Al-Li (2198) aluminum alloy under constant amplitude loading. Int. J. Fatigue 2013, 56, 95–105. [Google Scholar] [CrossRef]
  5. Pavlou, D.G. Mode I+II fatigue crack growth delay by stop-holes. J. Aerosp. Technol. Manag. 2018, 10, 11. [Google Scholar] [CrossRef]
  6. Černý, I. An effect of shot peening on growth and retardation of physically short fatigue cracks in an aircraft Al-alloy. Mater. Eng. 2009, 16, 33–39. [Google Scholar]
  7. Yee, R.K.; Sidhu, K.S. Innovative laser heating methodology study for crack growth retardation in aircraft structures. Int. J. Fatigue 2005, 27, 245–253. [Google Scholar] [CrossRef]
  8. Song, P.S.; Sheu, G.L.; Chou, H.H. Deposition of plating metals to improve crack growth life. Int. J. Fatigue 2001, 23, 259–270. [Google Scholar] [CrossRef]
  9. Verma, B.B.; Pandey, R.K. The effects of loading variables on overload induced fatigue crack growth retardation parameters. J. Mater. Sci. 1999, 34, 4867–4871. [Google Scholar] [CrossRef]
  10. Alawi, H.; Saleh, I.E. Fatigue crack growth retardation by bonding patches. Eng. Fract. Mech. 1992, 42, 861–868. [Google Scholar] [CrossRef]
  11. Baptista, C.A.R.P.; Lima, M.S.F.; Riva, R.; Siqueira, H.R.M. Fatigue crack growth behavior of laser-shock processed aluminum alloy 2024-T3. Procedia Struct. Integr. 2019, 17, 324–330. [Google Scholar] [CrossRef]
  12. Parker, E.R.; Parker, W.J. Method for Reducing the Fatigue Crack Growth Rate of Cracks in the Aluminum Alloy Fuselage Skin of An Aircraft Structure. U.S. Patent 5071492, 10 December 1991. [Google Scholar]
  13. Schnubel, D.; Horstmann, M.; Ventzke, A.; Riekehr, S.; Staron, P.; Fischer, T.; Huber, N. Retardation of fatigue crack growth in aircraft aluminum alloys via laser heating—Experimental proof of concept. Mater. Sci. Eng. A 2012, 546, 8–14. [Google Scholar] [CrossRef] [Green Version]
  14. Cunha, M.C.; Lima, M.S.F. The influence of laser surface treatment on the fatigue crack growth of AA2024-T3 aluminum alloy alclad sheet. Surf. Coat. Technol. 2017, 329, 244–249. [Google Scholar] [CrossRef]
  15. Kashaev, N.; Groth, A.; Ventzke, V.; Horstmann, M.; Riekehr, S.; Staron, P.; Huber, N. Effect of laser heating on mechanical properties, residual stresses and retardation of fatigue crack growth in AA2024. Fatigue Fract. Eng. Mater. Struct. 2020, 44, 887–900. [Google Scholar] [CrossRef]
  16. Moreto, J.A. Study Behavior of Corrosion and Corrosion Fatigue in High Strength Al and Al-Li Alloys for Aeronautic Application. Ph.D. Thesis, University of São Paulo, São Carlos School of Engineering, São Carlos/SP, Brazil, 2012; 188p. (In Portuguese). [Google Scholar]
  17. Zhao, T.; Sato, Y.S.; Xiao, R.; Huang, T.; Zhang, J. Hardness distribution and aging response associated with precipitation behavior in a laser pressure welded Al-Li alloy 2198. Mater. Sci. Eng. A 2021, 808, 140946. [Google Scholar] [CrossRef]
  18. Paris, P.; Erdogan, F. A critical analysis of crack propagation laws. J. Basic. Eng. Trans. ASME 1963, 85, 528–534. [Google Scholar] [CrossRef]
  19. Baptista, C.A.R.P.; Pastoukhov, V. A damage accumulation model for fatigue crack growth in titanium. J. Mech. Behav. Mater. 2003, 14, 73–85. [Google Scholar] [CrossRef]
Figure 1. Geometry and dimensions (mm) of the FCG specimens, including laser lines positioning.
Figure 1. Geometry and dimensions (mm) of the FCG specimens, including laser lines positioning.
Metals 11 02034 g001
Figure 2. Light optical micrographs of cross sections of heating lines produced with laser power of 200 W and displacement speeds of: (a) 1 mm/s; (b) 2.5 mm/s; (c) 5 mm/s; (d) 10 mm/s (etchant: Keller). The arrows indicate the beam axes.
Figure 2. Light optical micrographs of cross sections of heating lines produced with laser power of 200 W and displacement speeds of: (a) 1 mm/s; (b) 2.5 mm/s; (c) 5 mm/s; (d) 10 mm/s (etchant: Keller). The arrows indicate the beam axes.
Metals 11 02034 g002
Figure 3. Hardness profiles beneath the 200 W laser irradiated surfaces.
Figure 3. Hardness profiles beneath the 200 W laser irradiated surfaces.
Metals 11 02034 g003
Figure 4. FCG test results: crack length vs. number of cycles for R = 0.1.
Figure 4. FCG test results: crack length vs. number of cycles for R = 0.1.
Metals 11 02034 g004
Figure 5. FCG test results: crack length vs. number of cycles for R = 0.5.
Figure 5. FCG test results: crack length vs. number of cycles for R = 0.5.
Metals 11 02034 g005
Figure 6. Crack growth rate vs. crack length for R = 0.1 tests.
Figure 6. Crack growth rate vs. crack length for R = 0.1 tests.
Metals 11 02034 g006
Figure 7. FCG test results: da/dN vs. ΔK plots for R = 0.1.
Figure 7. FCG test results: da/dN vs. ΔK plots for R = 0.1.
Metals 11 02034 g007
Figure 8. FCG test results: da/dN vs. ΔK plots for R = 0.5.
Figure 8. FCG test results: da/dN vs. ΔK plots for R = 0.5.
Metals 11 02034 g008
Figure 9. Hardness profiles beneath the laser irradiated surfaces with laser speeds of (a) 1 mm/s; (b) 10 mm/s.
Figure 9. Hardness profiles beneath the laser irradiated surfaces with laser speeds of (a) 1 mm/s; (b) 10 mm/s.
Metals 11 02034 g009
Figure 10. Crack length vs. number of cycles for AR-R01: experimental results and modeling.
Figure 10. Crack length vs. number of cycles for AR-R01: experimental results and modeling.
Metals 11 02034 g010
Figure 11. Crack length vs. number of cycles for L10-R01: experimental results and simulation.
Figure 11. Crack length vs. number of cycles for L10-R01: experimental results and simulation.
Metals 11 02034 g011
Figure 12. Crack length vs. number of cycles for L01-R01: experimental results and simulation.
Figure 12. Crack length vs. number of cycles for L01-R01: experimental results and simulation.
Metals 11 02034 g012
Table 1. Fitting parameters for the Paris model.
Table 1. Fitting parameters for the Paris model.
Material ConditionLoad RatioC (mm/cycle)/(Mpa. √m)nn
AR0.11.57 × 10−102.318
0.57.06 × 10−133.289
L010.16.24 × 10−205.456
0.55.44 × 10−133.270
L100.11.38 × 10−123.050
0.56.59 × 10−122.876
Publisher’s Note: MDPI stays neutral with regard to jurisdictional claims in published maps and institutional affiliations.

Share and Cite

MDPI and ACS Style

Carvalho, C.P.; de Lima, M.S.F.; Pastoukhov, V.; Baptista, C.A.R.P. Investigation of Laser Treatment as a Method for Fatigue Crack Growth Retardation in Aluminum Alloy 2198-T851. Metals 2021, 11, 2034. https://doi.org/10.3390/met11122034

AMA Style

Carvalho CP, de Lima MSF, Pastoukhov V, Baptista CARP. Investigation of Laser Treatment as a Method for Fatigue Crack Growth Retardation in Aluminum Alloy 2198-T851. Metals. 2021; 11(12):2034. https://doi.org/10.3390/met11122034

Chicago/Turabian Style

Carvalho, Cauê Pettermann, Milton Sergio Fernandes de Lima, Viktor Pastoukhov, and Carlos Antonio Reis Pereira Baptista. 2021. "Investigation of Laser Treatment as a Method for Fatigue Crack Growth Retardation in Aluminum Alloy 2198-T851" Metals 11, no. 12: 2034. https://doi.org/10.3390/met11122034

APA Style

Carvalho, C. P., de Lima, M. S. F., Pastoukhov, V., & Baptista, C. A. R. P. (2021). Investigation of Laser Treatment as a Method for Fatigue Crack Growth Retardation in Aluminum Alloy 2198-T851. Metals, 11(12), 2034. https://doi.org/10.3390/met11122034

Note that from the first issue of 2016, this journal uses article numbers instead of page numbers. See further details here.

Article Metrics

Back to TopTop