Effect of Welding Heat Input on Microstructure and Impact Toughness in the Simulated CGHAZ of Low Carbon Mo-V-Ti-N-B Steel
Abstract
:1. Introduction
2. Materials and Experimental
2.1. Materials
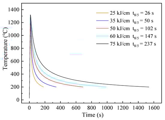
2.2. Experimental
3. Results
3.1. Impact Results
3.2. Microstructure
3.3. Fracture Behaviors
4. Discussion
4.1. Effects of Increasing Heat Input on Simulated CGHAZ Microstructures
4.2. Effects of Different Heat Inputs on the CGHAZ Mechanical Properties
5. Conclusions
- (1)
- The CGHAZ microstructure changed from LBF + GBF + M/A to AF + PF + M/A with increasing heat inputs from 25 to 75 kJ/cm. Moreover, the MED of the ferrite grains decreased from 7.6 μm to 4.2 μm, and the boundary fractions at MTAs higher than 15° increased from 20.3% to 45.5%;
- (2)
- The degree of V(C,N) enrichment on the precipitate surface and the average size of coarse precipitates increased with increasing heat inputs, which provided the necessary thermal conditions and reached the critical size for intragranular ferrite nucleation. Increasing heat inputs also resulted in elevated Ar3, which led to decreased LBF as well as increased AF and PF;
- (3)
- Increasing the heat input from 25 to 75 kJ/cm led to significantly improved CGHAZ impact properties due to additional high-angle grain boundaries, which effectively impeded microcrack propagation.
Author Contributions
Funding
Institutional Review Board Statement
Informed Consent Statement
Data Availability Statement
Conflicts of Interest
References
- Porter, L.F.; Repas, P.E. The Evolution of HSLA Steels. JOM 1982, 34, 14–21. [Google Scholar] [CrossRef]
- Ricks, R.A.; Howell, P.R.; Barritte, G.S. The Nature of Acicular Ferrite in HSLA Steel Weld Metals. J. Mater. Sci. 1982, 17, 732–740. [Google Scholar] [CrossRef]
- Kong, J.; Zhen, L.; Guo, B.; Li, P.; Wang, A.; Xie, C. Influence of Mo Content on Microstructure and Mechanical Properties of High Strength Pipeline Steel. Mater. Des. 2004, 25, 723–728. [Google Scholar] [CrossRef]
- Kim, Y.M.; Lee, H.; Kim, N.J. Transformation Behavior and Microstructural Characteristics of Acicular Ferrite in Linepipe Steels. Mater. Sci. Eng. A 2008, 478, 361–370. [Google Scholar] [CrossRef]
- Tomków, J.; Rogalski, G.; Fydrych, D.; Łabanowski, J. Advantages of the Application of the Temper Bead Welding Technique During Wet Welding. Materials 2019, 12, 915. [Google Scholar] [CrossRef] [PubMed] [Green Version]
- Tomków, J.; Świerczyńska, A.; Landowski, M.; Wolski, A.; Rogalski, G. Bead-on-Plate Underwater Wet Welding on S700MC Steel. Adv. Sci. Technol. Res. J. 2021, 15, 288–296. [Google Scholar] [CrossRef]
- Wang, G.; Yin, L.; Yao, Z.; Wang, J.; Jiang, S.; Zhang, Z.; Zuo, C. The Evolution and Distribution of Microstructures in High-Energy Laser-Welded X100 Pipeline Steel. Materials 2019, 12, 1762. [Google Scholar] [CrossRef] [Green Version]
- Sauraw, A.; Sharma, A.K.; Fydrych, D.; Sirohi, S.; Gupta, A.; Świerczyńska, A.; Pandey, C.; Rogalski, G. Study on Microstructural Characterization, Mechanical Properties and Residual Stress of GTAW Dissimilar Joints of P91 and P22 Steels. Materials 2021, 14, 6591. [Google Scholar] [CrossRef] [PubMed]
- Shanmugam, S.; Ramisetti, N.K.; Misra, R.; Hartmann, J.; Jansto, S.G. Microstructure and High Strength–Toughness Combination of a New 700MPa Nb-Microalloyed Pipeline Steel. Mater. Sci. Eng. A 2008, 478, 26–37. [Google Scholar] [CrossRef]
- Guo, A.; Misra, R.; Liu, J.; Ling, C.; He, X.; Jansto, S.J. An Analysis of the Microstructure of the Heat-Affected Zone of an Ultra-Low Carbon and Niobium-Bearing Acicular Ferrite Steel Using EBSD and Its Relationship to Mechanical Properties. Mater. Sci. Eng. A 2010, 527, 6440–6448. [Google Scholar] [CrossRef]
- Hu, J.; Du, L.X.; Wang, J.J.; Gao, C.R. Effect of Welding Heat Input on Microstructures and Toughness in Simulated CGHAZ of V–N High Strength Steel. Mater. Sci. Eng. A 2013, 577, 161–168. [Google Scholar] [CrossRef]
- Wang, G.; Wang, J.; Yin, L.; Hu, H.; Yao, Z. Quantitative Correlation between Thermal Cycling and the Microstructures of X100 Pipeline Steel Laser-Welded Joints. Materials 2020, 13, 121. [Google Scholar] [CrossRef] [Green Version]
- Esterling, K.E. Introduction to the Physical Metallurgy of Welding; Butterworths: London, UK, 1983. [Google Scholar]
- Moeinifar, S. Influence of Thermal Simulated and Real Tandem Submerged Arc Welding Process on the Microstructure and Mechanical Properties of the Coarse Grained Heat Affected Zone. Appl. Mech. Mater. 2012, 110–116, 3191–3198. [Google Scholar] [CrossRef]
- Dilawari, A.H.; Szekely, J.; Eagar, T.W. Electromagnetically and Thermally Driven Flow Phenomena in Electroslag Welding. Metall. Trans. B 1978, 9, 371–381. [Google Scholar] [CrossRef] [Green Version]
- Debroy, T.; Szekely, J.; Eagar, T.W. Heat Generation Patterns and Temperature Profiles in Electroslag Welding. Metall. Trans. B 1980, 11, 593–605. [Google Scholar] [CrossRef]
- Li, C.; Wang, Y.; Tao, H.; Han, B.; Li, L. Microstructure and Toughness of Coarse Grain Heat-Affected Zone of Domestic X70 Pipeline Steel during in-Service Welding. J. Mater. Sci. 2011, 46, 727–733. [Google Scholar] [CrossRef]
- Lan, L.; Qiu, C.; Song, H.; Zhao, D. Correlation of Martensite–Austenite Constituent and Cleavage Crack Initiation in Welding Heat Affected Zone of Low Carbon Bainitic Steel. Mater. Lett. 2014, 125, 86–88. [Google Scholar] [CrossRef]
- Lan, L.; Qiu, C.; Zhao, D.; Gao, X.; Du, L. Microstructural Characteristics and Toughness of the Simulated Coarse Grained Heat Affected Zone of High Strength Low Carbon Bainitic Steel. Mater. Sci. Eng. A 2011, 529, 192–200. [Google Scholar] [CrossRef]
- Davis, C.L.; King, J.E. Cleavage Initiation in the Intercritically Reheated Coarse-Grained Heat-Affected Zone: Part I. Fractographic Evidence. Metall. Mater. Trans. A 1994, 25, 563–573. [Google Scholar] [CrossRef]
- Matsuda, F.; Ikeuchi, K.; Fukada, Y.; Horii, Y.; Okada, H.; Shiwaku, T.; Shiga, C.; Suzuki, S. Review of Mechanical and Metallurgical Investigations of M-A Constituent in Welded Joint in Japan. Trans. JWRI 1995, 24, 1–24. [Google Scholar]
- Chen, J.H.; Kikuta, Y.; Araki, T.; Yoneda, M.; Matsuda, Y. Micro-Fracture Behaviour Induced by M-A Constituent (Island Martensite) in Simulated Welding Heat Affected Zone of HT80 High Strength Low Alloyed Steel. Acta Metall. 1984, 32, 1779–1788. [Google Scholar] [CrossRef]
- Wang, X.L.; Wang, Z.Q.; Dong, L.L.; Shang, C.J.; Ma, X.P.; Subramanian, S.V. New Insights into the Mechanism of Cooling Rate on the Impact Toughness of Coarse Grained Heat Affected Zone from the Aspect of Variant Selection. Mater. Sci. Eng. A 2017, 704, 448–458. [Google Scholar] [CrossRef]
- Zhang, Y.; Shi, G.; Sun, R.; Guo, K.; Wang, Q. Effect of Si Content on the Microstructures and the Impact Properties in the Coarse-Grained Heat-Affected Zone (CGHAZ) of Typical Weathering Steel. Mater. Sci. Eng. A 2019, 762, 138082. [Google Scholar] [CrossRef]
- Xiong, Z.; Liu, S.; Wang, X.; Shang, C.; Li, X.; Misra, R. The Contribution of Intragranular Acicular Ferrite Microstructural Constituent on Impact Toughness and Impeding Crack Initiation and Propagation in the Heat-Affected Zone (HAZ) of Low-Carbon Steels. Mater. Sci. Eng. A 2015, 636, 117–123. [Google Scholar] [CrossRef]
- Shi, G.; Zhao, H.; Zhang, S.; Wang, Q.; Zhang, F. Microstructural Characteristics and Impact Fracture Behaviors of Low-Carbon Vanadium-Microalloyed Steel with Different Nitrogen Contents. Mater. Sci. Eng. 2020, 769, 138501. [Google Scholar] [CrossRef]
- Shi, G.; Luo, B.; Zhang, S.; Wang, Q.; Zhao, H. Microstructural Evolution and Mechanical Properties of a Low-Carbon V–N–Ti Steel Processed with Varied Isothermal Temperatures. Mater. Sci. Eng. A 2021, 801, 140396. [Google Scholar] [CrossRef]
- Shi, Z.; Yang, C.; Wang, R.; Hang, S.; Feng, C.; Chu, J.; Wang, Q. Effect of Nitrogen on the Microstructures and Mechanical Properties in Simulated CGHAZ of Vanadium Microalloyed Steel Varied with Different Heat Inputs. Mater. Sci. Eng. A 2016, 649, 270–281. [Google Scholar] [CrossRef]
- Shi, Z.; Wang, R.; Hang, S.; Feng, C.; Wang, Q.; Yang, C. Effect of Nitrogen Content on the Second Phase Particles in V–Ti Microalloyed Shipbuilding Steel during Weld Thermal Cycling. Mater. Des. 2016, 96, 241–250. [Google Scholar] [CrossRef]
- Zhang, J.; Xin, W.; Luo, G.; Wang, R.; Meng, Q.; Xian, S. Effect of Welding Heat Input on Microstructural Evolution, Precipitation Behavior and Resultant Properties of the Simulated CGHAZ in High-N V-Alloyed Steel. Mater. Charact. 2020, 162, 110201. [Google Scholar] [CrossRef]
- Gregg, J.M.; Bhadeshia, H. Solid-State Nucleation of Acicular Ferrite on Minerals Added to Molten Steel. Acta Mater. 1997, 45, 739–748. [Google Scholar] [CrossRef]
- Miyamoto, G.; Shinyoshi, T.; Yamaguchi, J.; Furuhara, T.; Maki, T.; Uemori, R. Crystallography of Intragranular Ferrite Formed on (MnS + V(C, N)) Complex Precipitate in Austenite. Scr. Mater. 2003, 48, 371–377. [Google Scholar] [CrossRef]
- Lee, J.-L. Evaluation of the Nucleation Potential of Intragranular Acicular Ferrite in Steel Weldments. Acta Metall. Mater. 1994, 42, 3291–3298. [Google Scholar] [CrossRef]
- Fan, H.; Shi, G.; Peng, T.; Wang, Q.; Wang, L.; Wang, Q.; Zhang, F. N-Induced Microstructure Refinement and Toughness Improvement in the Coarse Grain Heat-Affected Zone of a Low Carbon Mo–V–Ti–B Steel Subjected to a High Heat Input Welding Thermal Cycle. Mater. Sci. Eng. A 2021, 824, 141799. [Google Scholar] [CrossRef]
- Shi, Z.; Chai, X.; Chai, F.; Su, H.; Pan, T.; Wang, Q.; Wang, R.; Yang, C. The Mechanism of Intragranular Ferrite Formed on Ti-Rich (Ti,V)(C,N) Precipitates in the Coarse Heat Affected Zone of a V–N–Ti Microalloyed Steel. Mater. Lett. 2016, 175, 266–270. [Google Scholar] [CrossRef]
- Lan, L.; Qiu, C.; Zhao, D.; Gao, X.; Du, L. Analysis of Martensite–Austenite Constituent and Its Effect on Toughness in Submerged Arc Welded Joint of Low Carbon Bainitic Steel. J. Mater. Sci. 2012, 47, 4732–4742. [Google Scholar] [CrossRef]
- Diáz-Fuentes, M.; Iza-Mendia, A.; Gutiérrez, I. Analysis of Different Acicular Ferrite Microstructures in Low-Carbon Steels by Electron Backscattered Diffraction. Study of Their Toughness Behavior. Metall. Mater. Trans. A 2003, 34, 2505–2516. [Google Scholar] [CrossRef]
- Zhong, Y.; Xiao, F.; Zhang, J.; Shan, Y.; Wei, W.; Yang, K. In Situ TEM Study of the Effect of M/A Films at Grain Boundaries on Crack Propagation in an Ultra-Fine Acicular Ferrite Pipeline Steel. Acta Mater. 2006, 54, 435–443. [Google Scholar] [CrossRef]
- Cui, H.B.; Xie, G.M.; Luo, Z.A.; Ma, J.; Misra, R. The Microstructural Evolution and Impact Toughness of Nugget Zone in Friction Stir Welded X100 Pipeline Steel. J. Alloys Compd. 2016, 681, 426–433. [Google Scholar] [CrossRef]
















| C | Si | Mn | P | S | Mo | V | Ti | N | B | Ceq |
|---|---|---|---|---|---|---|---|---|---|---|
| 0.06 | 0.27 | 1.55 | 0.004 | 0.006 | 0.28 | 0.066 | 0.016 | 0.0110 | 0.0011 | 0.38 |
| Yield Stress | Tensile Stress | Elongation Rate | Impact Energy |
|---|---|---|---|
| 523 MPa | 645 MPa | 20.26% | 177 J |
| Heat Input/kJ∙cm−1 | Microstructure | fM/A/% | dM/A/μm | fMTA > 15° | MED/μm |
|---|---|---|---|---|---|
| 25 | LBF + GBF + M/A | 3.3 | 1.1 | 20.3 | 8.6 |
| 35 | LBF + GBF + AF + M/A | 3.6 | 1.4 | 24.7 | 7.9 |
| 50 | GBF + AF + M/A | 4.0 | 1.9 | 31.1 | 7.1 |
| 60 | GBF + AF + PF + M/A | 4.3 | 2.1 | 36.7 | 6.5 |
| 75 | AF + PF + M/A | 4.5 | 2.4 | 45.5 | 5.2 |
Publisher’s Note: MDPI stays neutral with regard to jurisdictional claims in published maps and institutional affiliations. |
© 2021 by the authors. Licensee MDPI, Basel, Switzerland. This article is an open access article distributed under the terms and conditions of the Creative Commons Attribution (CC BY) license (https://creativecommons.org/licenses/by/4.0/).
Share and Cite
Qiao, M.; Fan, H.; Shi, G.; Wang, L.; Wang, Q.; Wang, Q.; Liu, R. Effect of Welding Heat Input on Microstructure and Impact Toughness in the Simulated CGHAZ of Low Carbon Mo-V-Ti-N-B Steel. Metals 2021, 11, 1997. https://doi.org/10.3390/met11121997
Qiao M, Fan H, Shi G, Wang L, Wang Q, Wang Q, Liu R. Effect of Welding Heat Input on Microstructure and Impact Toughness in the Simulated CGHAZ of Low Carbon Mo-V-Ti-N-B Steel. Metals. 2021; 11(12):1997. https://doi.org/10.3390/met11121997
Chicago/Turabian StyleQiao, Mingliang, Huibing Fan, Genhao Shi, Leping Wang, Qiuming Wang, Qingfeng Wang, and Riping Liu. 2021. "Effect of Welding Heat Input on Microstructure and Impact Toughness in the Simulated CGHAZ of Low Carbon Mo-V-Ti-N-B Steel" Metals 11, no. 12: 1997. https://doi.org/10.3390/met11121997
APA StyleQiao, M., Fan, H., Shi, G., Wang, L., Wang, Q., Wang, Q., & Liu, R. (2021). Effect of Welding Heat Input on Microstructure and Impact Toughness in the Simulated CGHAZ of Low Carbon Mo-V-Ti-N-B Steel. Metals, 11(12), 1997. https://doi.org/10.3390/met11121997
