Quasi-Static, Dynamic Compressive Properties and Deformation Mechanisms of Ti-6Al-4V Alloy with Gradient Structure
Abstract
:1. Introduction
2. Materials and Methods
3. Results and Discussion
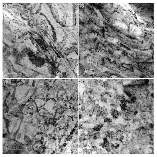
Gradient Structure Characterization
4. Conclusions
- (1)
- A gradient layer of 293 µm thickness is formed on the surface of the Ti-6Al-4V alloy after USRP treatment. The gradient layer exhibits multi-gradient features along the depth, including the grain size gradient, strain gradient and hardness gradient.
- (2)
- The quasi-static compressive strength of GS Ti64 (1590 MPa ± 22 MPa) is higher than that of CG Ti64 (1520 MPa ± 15 MPa), and the strain at which failure occurs is greater than that of CG Ti64, the gradient structure improves the compression properties of Ti-6Al-4V. Both CG Ti64 and GS Ti64 exhibit weak strain hardening effects and strain rate insensitivity during dynamic compression. Sudden stress drop phenomenon occurs under 2700 s−1 and forms ASB.
- (3)
- The block structure of α phase in the gradient structure produces a large number of dislocation cells, local deformation bands after dynamic compression, and the lamellar structure in βt is transformed into ultrafine crystals.
- (4)
- Some saw-tooth chips form at the two end faces of CG Ti64 under 2700 s−1. By contrast, one side of the GS Ti64 sample produces some saw-tooth chips and multiple ABS, and only one ABS is formed on the other side. In addition, CG Ti64 formed large cracks and the cracks are fully opened, while GS Ti64 forms small cracks. These deformation features indicate that coordinated deformation occurs between the gradient structure and the coarse grains, which prevents the premature failure of the sample.
Author Contributions
Funding
Institutional Review Board Statement
Informed Consent Statement
Data Availability Statement
Conflicts of Interest
References
- Cappola, J.; Stinville, J.-C.; Charpagne, M.-A.; Callahan, P.G.; Echlin, M.P.; Pollock, T.M.; Pilchak, A.; Kasemer, M. On the Localization of Plastic Strain in Microtextured Regions of Ti-6Al-4V. Acta Mater. 2021, 204, 116492. [Google Scholar] [CrossRef]
- Chong, Y.; Deng, G.; Gao, S.; Yi, J.; Shibata, A.; Tsuji, N. Yielding nature and Hall-Petch relationships in Ti-6Al-4V alloy with fully equiaxed and bimodal microstructures. Scr. Mater. 2019, 172, 77–82. [Google Scholar] [CrossRef]
- Shahmir, H.; Langdon, T.G. Using heat treatments, high-pressure torsion and post-deformation annealing to optimize the properties of Ti-6Al-4V alloys. Acta Mater. 2017, 141, 419–426. [Google Scholar] [CrossRef] [Green Version]
- Ding, R.; Guo, Z.X.; Wilson, A. Microstructural evolution of a Ti–6Al–4V alloy during thermomechanical processing. Mater. Sci. Eng. A 2002, 327, 233–245. [Google Scholar] [CrossRef]
- Lei, L.; Zhao, Y.; Zhao, Q.; Wu, C.; Huang, S.; Jia, W.; Zeng, W. Impact toughness and deformation modes of Ti–6Al–4V alloy with different microstructures. Mater. Sci. Eng. A 2021, 801, 140411. [Google Scholar] [CrossRef]
- Yan, N.; Li, Z.; Xu, Y.; Meyers, M.A. Shear localization in metallic materials at high strain rates. Prog. Mater. Sci. 2021, 119, 100755. [Google Scholar] [CrossRef]
- Lee, W.-S.; Lin, C.-F. Plastic deformation and fracture behaviour of Ti–6Al–4V alloy loaded with high strain rate under various temperatures. Mater. Sci. Eng. A 1998, 241, 48–59. [Google Scholar] [CrossRef]
- Muiruri, A.; Maringa, M.; Du Preez, W.; Masu, L. Effect of Stress-Relieving Heat Treatment on the High Strain Rate Dynamic Compressive Properties of Additively Manufactured Ti6Al4V (ELI). Metals 2020, 10, 653. [Google Scholar] [CrossRef]
- Long, Y.; Peng, L.; Zhang, W.; Peng, H.; Zhang, J.; Huang, X. Effect of Grain Size on the Shear Banding Behavior of Ti-6Al-4V Alloy Under Quasi-Static Compression. Metall. Mater. Trans. A 2020, 51, 2064–2071. [Google Scholar] [CrossRef]
- Wu, S.Y.; Bie, B.X.; Fan, D.; Sun, T.; Fezzaa, K.; Feng, Z.D.; Huang, J.Y.; Luo, S.N. Dynamic shear localization of a titanium alloy under high-rate tension characterized by x-ray digital image correlation. Mater. Charact. 2018, 137, 58–66. [Google Scholar] [CrossRef]
- Hu, H.; Xu, Z.; Dou, W.; Huang, F. Effects of strain rate and stress state on mechanical properties of Ti-6Al-4V alloy. Int. J. Impact Eng. 2020, 145, 103689. [Google Scholar] [CrossRef]
- Lee, D.-G.; Kim, Y.G.; Nam, D.-H.; Hur, S.-M.; Lee, S. Dynamic deformation behavior and ballistic performance of Ti–6Al–4V alloy containing fine α2 (Ti3Al) precipitates. Mater. Sci. Eng. A 2005, 391, 221–234. [Google Scholar] [CrossRef]
- Zheng, C.; Wang, F.; Cheng, X.; Liu, J.; Liu, T.; Zhu, Z.; Yang, K.; Peng, M.; Jin, D. Capturing of the propagating processes of adiabatic shear band in Ti–6Al–4V alloys under dynamic compression. Mater. Sci. Eng. A 2016, 658, 60–67. [Google Scholar] [CrossRef]
- Zhou, T.; Wu, J.; Che, J.; Wang, Y.; Wang, X. Dynamic shear characteristics of titanium alloy Ti-6Al-4V at large strain rates by the split Hopkinson pressure bar test. Int. J. Impact Eng. 2017, 109, 167–177. [Google Scholar] [CrossRef]
- Peirs, J.; Tirry, W.; Amin-Ahmadi, B.; Coghe, F.; Verleysen, P.; Rabet, L.; Schryvers, D.; Degrieck, J. Microstructure of adiabatic shear bands in Ti6Al4V. Mater. Charact. 2013, 75, 79–92. [Google Scholar] [CrossRef]
- Li, X.; Lu, L.; Li, J.; Zhang, X.; Gao, H. Mechanical properties and deformation mechanisms of gradient nanostructured metals and alloys. Nat. Rev. Mater. 2020, 5, 706–723. [Google Scholar] [CrossRef]
- Fang, T.H.; Li, W.L.; Tao, N.R.; Lu, K. Revealing extraordinary intrinsic tensile plasticity in gradient nano-grained copper. Science 2011, 331, 1587–1590. [Google Scholar] [CrossRef] [Green Version]
- Wu, X.; Jiang, P.; Chen, L.; Yuan, F.; Zhu, Y.T. Extraordinary strain hardening by gradient structure. Proc. Natl. Acad. Sci. USA 2014, 111, 7197–7201. [Google Scholar] [CrossRef] [Green Version]
- Pan, Q.; Zhang, L.; Feng, R.; Lu, Q.; An, K.; Andrew, C.C.; Jonathan, D.P.; Peter, K.L.; Lu, L. Gradient-cell–structured high-entropy alloy with exceptional strength and ductility. Science 2021, 374, 984–989. [Google Scholar] [CrossRef]
- Yuan, F.; Chen, P.; Feng, Y.; Jiang, P.; Wu, X. Strain hardening behaviors and strain rate sensitivity of gradient-grained Fe under compression over a wide range of strain rates. Mech. Mater. 2016, 95, 71–82. [Google Scholar] [CrossRef] [Green Version]
- Xing, J.; Yuan, F.; Wu, X. Enhanced quasi-static and dynamic shear properties by heterogeneous gradient and lamella structures in 301 stainless steels. Mater. Sci. Eng. A 2017, 680, 305–316. [Google Scholar] [CrossRef] [Green Version]
- Bian, X.; Yuan, F.; Zhu, Y.; Wu, X. Gradient structure produces superior dynamic shear properties. Mater. Res. Lett. 2017, 5, 501–507. [Google Scholar] [CrossRef] [Green Version]
- Lei, L.; Zhao, Q.; Zhao, Y.; Wu, C.; Huang, S.; Jia, W.; Zeng, W. Gradient nanostructure, phase transformation, amorphization and enhanced strength-plasticity synergy of pure titanium manufactured by ultrasonic surface rolling. J. Mater. Process. Technol. 2022, 299, 117322. [Google Scholar] [CrossRef]
- Li, Z.; Wang, B.; Zhao, S.; Valiev, R.Z.; Vecchio, K.S.; Meyers, M.A. Dynamic deformation and failure of ultrafine-grained titanium. Acta Mater. 2017, 125, 210–218. [Google Scholar] [CrossRef] [Green Version]
- Long, Y.; Zhang, W.; Peng, L.; Peng, H.; Li, X.; Huang, X. Mechanical Behaviors of Ultrafine-Grained Ti-6Al-4V Alloy During Compression at Various Strain Rates. Metall. Mater. Trans. A 2020, 51, 4765–4776. [Google Scholar] [CrossRef]
- Wei, Q.; Jiao, T.; Ramesh, K.T.; Ma, E.; Kecskes, L.J.; Magness, L.; Dowding, R.; Kazykhanov, V.U.; Valiev, R.Z. Mechanical behavior and dynamic failure of high-strength ultrafine grained tungsten under uniaxial compression. Acta Mater. 2006, 54, 77–87. [Google Scholar] [CrossRef]
- Wu, H.; Fan, G. An overview of tailoring strain delocalization for strength-ductility synergy. Prog. Mater. Sci. 2020, 113, 100675. [Google Scholar] [CrossRef]
- Mishra, A.; Martin, M.; Thadhani, N.N.; Kad, B.K.; Kenik, E.A.; Meyers, M.A. High-strain-rate response of ultra-fine-grained copper. Acta Mater. 2008, 56, 2770–2783. [Google Scholar] [CrossRef]
- Hasan, M.N.; Liu, Y.F.; An, X.H.; Gu, J.; Song, M.; Cao, Y.; Li, Y.S.; Zhu, Y.T.; Liao, X.Z. Simultaneously enhancing strength and ductility of a high-entropy alloy via gradient hierarchical microstructures. Int. J. Plast. 2019, 123, 178–195. [Google Scholar] [CrossRef]
- Lu, K. Making strong nanomaterials ductile with gradients. Science 2014, 345, 1455–1456. [Google Scholar] [CrossRef]
- Wu, X.; Zhu, Y. Heterogeneous materials: A new class of materials with unprecedented mechanical properties. Mater. Res. Lett. 2017, 5, 527–532. [Google Scholar] [CrossRef]
- Listyawan, T.A.; Lee, H.; Park, N.; Lee, U. Microstructure and mechanical properties of CoCrFeMnNi high entropy alloy with ultrasonic nanocrystal surface modification process. J. Mater. Sci. Technol. 2020, 57, 123–130. [Google Scholar] [CrossRef]














| Publisher’s Note: MDPI stays neutral with regard to jurisdictional claims in published maps and institutional affiliations. | 
© 2021 by the authors. Licensee MDPI, Basel, Switzerland. This article is an open access article distributed under the terms and conditions of the Creative Commons Attribution (CC BY) license (https://creativecommons.org/licenses/by/4.0/).
Share and Cite
Lei, L.; Zhao, Y.; Zhao, Q.; Xin, S.; Wu, C.; Jia, W.; Zeng, W. Quasi-Static, Dynamic Compressive Properties and Deformation Mechanisms of Ti-6Al-4V Alloy with Gradient Structure. Metals 2021, 11, 1928. https://doi.org/10.3390/met11121928
Lei L, Zhao Y, Zhao Q, Xin S, Wu C, Jia W, Zeng W. Quasi-Static, Dynamic Compressive Properties and Deformation Mechanisms of Ti-6Al-4V Alloy with Gradient Structure. Metals. 2021; 11(12):1928. https://doi.org/10.3390/met11121928
Chicago/Turabian StyleLei, Lei, Yongqing Zhao, Qinyang Zhao, Shewei Xin, Cong Wu, Weiju Jia, and Weidong Zeng. 2021. "Quasi-Static, Dynamic Compressive Properties and Deformation Mechanisms of Ti-6Al-4V Alloy with Gradient Structure" Metals 11, no. 12: 1928. https://doi.org/10.3390/met11121928
APA StyleLei, L., Zhao, Y., Zhao, Q., Xin, S., Wu, C., Jia, W., & Zeng, W. (2021). Quasi-Static, Dynamic Compressive Properties and Deformation Mechanisms of Ti-6Al-4V Alloy with Gradient Structure. Metals, 11(12), 1928. https://doi.org/10.3390/met11121928
 
         
                                                

